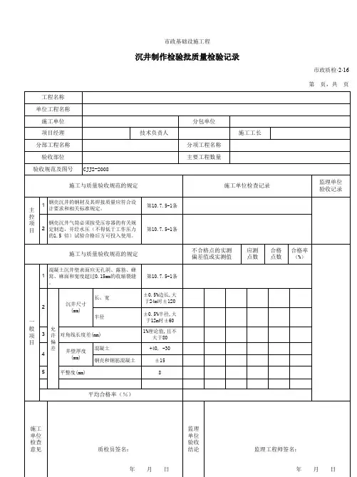
沉井围护结构检验批质量检验记录
- 格式:xls
- 大小:21.50 KB
- 文档页数:1
工作井沉井制作检验批质量检验记录一、检验项目:工作井沉井制作二、检验日期:XXXX年XX月XX日三、检验人员:XXX四、检验目的:本次检验旨在对工作井沉井制作过程进行全面检查,确保其符合相关标准和要求,提高工作井沉井制作质量,保障施工安全。
通过本次检验,全面了解施工过程、材料选择与使用、工艺控制等方面,并对施工过程中出现的问题进行记录与整改。
五、检验内容:1. 材料质量检验:- 检查沉井井筒材料的规格、型号是否与设计要求一致;- 检查井筒钢筋与钢骨架的材质是否符合要求;- 检查沉井水泥是否符合相关标准,并进行取样送检;2. 施工工艺检验:- 检查施工过程中的基坑开挖情况,包括基底平整度、土壤回填情况等;- 检查井筒浇筑过程中的模板支撑和固定情况,以及钢筋的布置;- 检查混凝土的浇筑工艺控制,包括振捣时间、振捣频率等;- 检查沉井井盖的安装情况,包括井盖大小、井盖连接处的密封等;3. 环境检验:- 检查施工现场的卫生与安全情况;- 检查施工现场的通风与照明情况;六、检验结果:1. 材料检验结果:- 沉井井筒材料规格、型号与设计要求一致;- 井筒钢筋与钢骨架材质符合要求;- 沉井水泥符合相关标准;2. 工艺检验结果:- 基坑开挖情况良好,基底平整度达到要求;- 井筒浇筑过程中模板支撑和固定符合要求,钢筋布置符合设计要求;- 混凝土浇筑工艺控制良好,振捣时间和频率适当;- 沉井井盖安装良好,井盖大小符合要求,连接处密封良好;3. 环境检验结果:- 施工现场卫生与安全状况良好;- 施工现场通风与照明状况良好;七、存在问题及整改措施:在工作井沉井制作检验过程中,发现以下问题:1. 部分沉井井筒材料采购不符合规格要求,需更换材料;2. 某些井筒浇筑现场存在模板支撑不稳定的情况,需加强支撑措施;3. 混凝土振捣时间和频率不够均匀,需要加强工艺控制;4. 井盖连接处存在漏水现象,需采取密封措施。
针对以上问题,制定如下整改措施:1. 更换不符合规格要求的沉井井筒材料,确保质量符合要求;2. 加强井筒浇筑现场的模板支撑,确保不出现松动或倾斜现象;3. 加强混凝土振捣工艺控制,确保振捣时间和频率均匀;4. 加强井盖连接处的密封措施,防止漏水现象的发生。
沉井制作检验批质量验收记录项目名称:沉井制作工程工程地点:XXX地区施工单位:XXX建筑工程有限公司监理单位:XXX监理有限公司施工日期:XXX年X月X日至XXX年X月X日检验日期:XXX年X月X日一、工程概况本工程是为了满足市政排水系统建设需要,在指定区域内进行沉井制作工作。
沉井用于收集并存放排水管道的雨水和废水,以确保城市排水系统的正常运行。
二、施工过程1. 准备工作在施工前,施工单位完成了以下准备工作:- 根据施工图纸确定沉井的具体位置和尺寸;- 准备施工所需的材料和设备;- 设计并设置了施工现场的安全警示标志。
2. 基坑开挖按照设计要求,施工人员进行了基坑开挖工作。
开挖过程中,确保了基坑的尺寸与设计要求一致,并采取了防止坍塌的措施,保证施工人员的安全。
3. 沉井制作沉井制作过程中,施工人员按照施工图纸和相关规范进行了以下工作:- 土方回填:在沉井底部进行土方回填,以提供固定基础;- 板模安装:根据设计要求安装合适的钢模板,并进行固定;- 混凝土浇筑:通过搅拌站将混凝土输送至工地,并进行浇筑,确保混凝土的均匀性和充实性;- 养护:密封浇筑后的沉井,并进行适当的养护工作,以保证混凝土的强度和稳定性。
三、质量验收经过现场检查和检验,本次沉井制作工程达到了设计要求和监理规范的要求。
1. 沉井尺寸:- 外径:XXX mm- 内径:XXX mm- 深度:XXX m沉井的实际尺寸与设计要求一致,符合施工图纸中的标准。
2. 混凝土强度:经过现场取样测试,沉井混凝土的抗压强度为XXX MPa,满足设计要求的标准。
3. 表面平整度:沉井内外表面光滑平整,无明显错台、裂缝或凹凸不平的情况。
4. 漏水检测:经过试水测试,沉井内未发现漏水情况,符合质量验收标准。
四、问题和改进措施在施工过程中,未发现任何明显的质量问题和安全隐患。
然而,为了进一步提高工程质量,建议:- 施工单位在施工前应对施工人员进行技术培训,确保施工人员具备相关的工作经验和技能;- 监理单位应加强对施工现场的监督,及时发现并纠正施工中存在的问题;- 施工单位应按照相关规范和标准进行验收前的准备工作,确保所有材料和设备符合要求。
沉井下沉及封底检验批质量检验记录
一、检验目的
沉井下沉及封底是在建筑工程中对沉井进行安全固定的重要工作环节。
为了确保沉井下沉及封底工程的质量和安全性,进行本次质量检验记录。
二、检验日期
本次质量检验记录的检验日期为:(填写具体的日期)
三、检验内容
本次质量检验记录的检验内容包括:
1. 沉井下沉:检查沉井下沉过程中的水平度和垂直度;
2. 封底:检查封底过程中的土质、密实性,防水层的质量。
四、检验标准
本次质量检验记录的检验标准参考以下规范:
1. 建筑工程质量验收规范;
2. 沉井下沉及封底工程施工技术规范。
五、检验结果及记录
1. 检验第一项:沉井下沉
进行沉井下沉工作时,首先对沉井进行水平度和垂直度的检查。
检查结果如下:
(填写具体的检验结果)
2. 检验第二项:封底
进行封底工作时,对土质、密实性以及防水层进行质量检查。
检查结果如下:
(填写具体的检验结果)
六、问题及处理意见
在本次质量检验中,发现以下问题:
(列出具体问题)
针对上述问题,提出以下处理意见:
(填写具体的处理意见)
七、检验人员
本次质量检验记录的检验人员为:
1. 主检验员:(填写姓名)
2. 协助检验员:(填写姓名)
八、备注
(填写其他需要备注的信息)
九、附件
本次质量检验记录的附件如下:
(列出相关附件)
十、总结
本次沉井下沉及封底工程的质量检验记录完整记录了问题及处理意见,为工程的后续施工提供了参考依据。
希望各相关方能根据检验结果及处理意见,加强质量管理,确保工程质量和安全性。
沉井制作检验批质量验收记录一、沉井制作检验批质量验收记录的重要性在建筑工程中,沉井制作是一项重要的基础工程。
沉井制作质量的好坏直接影响到整个建筑物的质量和安全。
因此,对沉井制作检验批质量进行验收是非常重要的。
本文将从理论和实践两个方面,详细阐述沉井制作检验批质量验收记录的重要性和具体方法。
二、沉井制作检验批质量验收记录的理论依据1.1 沉井制作检验批质量验收的概念沉井制作检验批质量验收是指在沉井制作过程中,对每一批制作的沉井进行质量检查,确保其符合设计要求和相关标准。
验收合格的沉井才能投入使用,否则需要重新制作。
1.2 沉井制作检验批质量验收的标准沉井制作检验批质量验收的标准主要包括以下几个方面:(1)尺寸准确:沉井的尺寸应符合设计要求和相关标准,如长度、宽度、高度等。
(2)结构稳定:沉井的结构应稳定,能够承受地下水压力和其他外力的作用。
(3)防水性能好:沉井的防水性能应良好,能够防止地下水渗入。
(4)施工工艺合理:沉井的制作工艺应合理,避免出现施工缺陷。
三、沉井制作检验批质量验收的具体方法2.1 现场检查现场检查是沉井制作检验批质量验收的主要方法之一。
检查人员应根据设计要求和相关标准,对沉井的尺寸、结构、防水性能等方面进行全面检查。
还应注意观察沉井的外观是否平整、无裂纹等问题。
2.2 试验验证试验验证是沉井制作检验批质量验收的重要手段之一。
通过试验可以验证沉井的尺寸准确度、结构稳定性、防水性能等方面的问题。
常见的试验包括混凝土强度试验、抗渗试验等。
2.3 数据记录与分析数据记录与分析是沉井制作检验批质量验收的基础工作。
检查人员应对检查过程中发现的问题进行详细记录,并进行数据分析,找出问题的原因和解决办法。
还应及时向上级领导汇报检查结果,以便采取相应的措施。
四、结论与建议通过对沉井制作检验批质量验收的研究,我们认为做好这项工作对于保证建筑工程的质量和安全具有重要意义。
因此,在实际工作中,我们应该重视沉井制作检验批质量验收工作,严格按照相关标准进行检查和试验,并做好数据记录与分析工作。
沉井下沉及封底检验批质量检验记录一、引言沉井是工程施工中常见的一种施工方法,用于沉降地基,实现土地沉降的目的。
沉井下沉及封底是沉井工程的关键步骤之一,质量检验记录对于保证工程施工质量至关重要。
本文将就沉井下沉及封底的质量检验记录进行详细描述。
二、检验目的沉井下沉及封底质量检验的主要目的是确保沉井工程的稳定性和安全性。
只有通过合理的检验和记录,才能保证沉井工程不出现质量问题,维护工程的可持续发展。
三、检验内容1. 检查沉井下沉过程中的沉井框架的稳定性。
2. 检查沉井沉入地下过程中的土体侧压力和沉降情况。
3. 检查沉井封底后的密封性能。
4. 检查沉井封底后的渗透性能。
四、检验方法1. 对于沉井框架的稳定性检验,应采取视觉检查和实际测量相结合的方式,确保框架没有变形和松动。
2. 对于土体侧压力和沉降情况的检验,可以采用测量仪器测量土体侧压力和沉降量。
3. 对于沉井封底后的密封性能检验,应采取泄漏测试方法,检查沉井是否存在泄漏情况。
4. 对于沉井封底后的渗透性能检验,可以采用水压试验方法,检查沉井是否存在渗漏情况。
五、检验记录在沉井下沉及封底的过程中,应及时记录每一次检验的结果和参数。
检验记录需要包括以下内容:1. 工程名称、施工单位、检验单位和检验人员的基本信息。
2. 检验的时间、地点、气候等环境条件的描述。
3. 沉井框架的稳定性检验结果,包括变形情况、松动情况等。
4. 土体侧压力和沉降情况的检验结果,包括测量数值和变化趋势等。
5. 沉井封底后的密封性能检验结果,包括泄漏情况和检验方法等。
6. 沉井封底后的渗透性能检验结果,包括渗漏情况和检验方法等。
7. 检验记录的签字和日期。
六、检验结论根据对沉井下沉及封底的质量检验记录的分析和总结,可以得出相应的结论。
如果检验结果符合施工要求和规范要求,可以判定沉井工程质量良好;如果检验结果不符合要求,应及时对问题进行整改,确保沉井工程的质量。
七、检验报告检验报告是对沉井下沉及封底质量检验的最终总结和评估。
沉井检验批质量验收记录一、项目概况沉井是指在建筑工程中用于排水、防涝或取水等目的而设立的地下储水设施。
本文档记录了对沉井工程的质量验收情况。
二、检验批信息1. 工程名称:沉井工程2. 工程地点:xxxxxx(具体地址)3. 检验批编号:CI-2021-XXXX4. 检验日期:2021年X月X日三、检验人员1. 主检人员:姓名(职务)2. 协检人员:姓名(职务)3. 参与人员:姓名(职务)四、检验内容1. 材料验收1.1 检查记录了沉井工程所使用的主要材料,包括沉井井筒、井盖、进水管道等,并对其品质进行了检查。
1.2 检查了材料的合格证、出厂合格检验报告等相关文件是否齐全,并与实际材料进行核对。
2. 施工质量验收2.1 检查了沉井井筒的尺寸和形状是否符合设计要求,并进行了测量和记录。
2.2 检查了沉井井筒内部的光滑度、平整度和垂直度,并进行了观察和评估。
2.3 检查了沉井井盖的尺寸和平整度,以及与井筒的协调性。
2.4 检查了沉井进水管道的连接是否牢固,是否存在渗漏等问题。
3. 安全验收3.1 检查了沉井工程施工期间采取的安全措施是否到位,并对其进行了评估和记录。
3.2 调查了工程施工过程中是否发生过安全事故,并核对了相应的事故记录。
五、存在问题及处理措施1. 问题描述:记录了沉井工程中存在的问题,例如井筒尺寸偏差较大、井盖有裂缝等情况。
2. 处理措施:详细描述了针对每个问题所采取的处理措施,例如重新调整井筒尺寸、更换井盖等。
六、验收结论根据对沉井工程的检验和评估,结合存在的问题及处理措施,得出对该批次工程的验收结论。
七、附录1. 沉井工程设计图纸2. 沉井工程施工合同及相关文件3. 沉井工程质量检验报告以上即为本次沉井检验批质量验收记录的全部内容。
根据该记录,可以对沉井工程的质量状况进行评估和验收,并针对存在的问题采取相应的处理措施,确保工程质量符合要求。