防雷与接地系统分项工程质量验收记录表Ⅰ
- 格式:docx
- 大小:10.37 KB
- 文档页数:3
防雷与接地系统分项工程质量验收记录表(Ⅰ)
编号 :
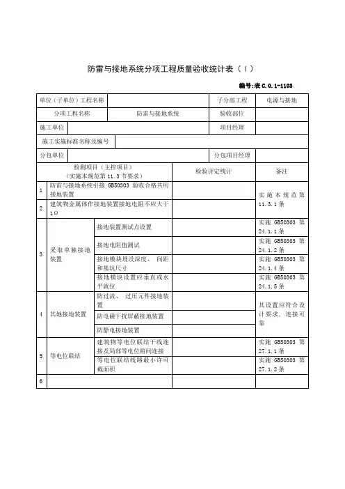
单位(子单位)工程名称子分部工程电源与接地
分项工程名称施工单位防雷与接地系统验收部位
项目经理
施工执行标准名称及编号
分包单位分包项目经理
检测项目(主控项目)
检查评定记录备注(执行本规范第11.3 节的规定)
1 防雷与接地系统引接GB50303 验收合格的共
用接地装置执行本规范第
2 建筑物金属体作接地装置接地电阻不应大于11.3.1 条
1Ω
接地装置测试点的设置
执行 GB50303 第
24.1.1 条
接地电阻值测试
执行 GB50303 第采用单独接地24.1.2 条
3
装置接地模块的埋没深度、间距执行 GB50303 第和基坑尺寸24.1.4 条
接地模块设置应垂直或水执行GB50303 第
平就位24.1.5 条
防过流、过压元件接地装置
4 其他接地装置防电磁干扰屏蔽接地装置其设置应符合设计要求,连接可靠
防静电接地装置
建筑物等电位联结干线的
执行 GB50303 第连接及局部等电位箱间的
27.1.1 条
5 等电位联结连接
等电位联结的线路最小允执行 GB50303 第
许截面积27.1.2 条
6
检测意见:
监理工程师签字:
(建设单位项目专业技术负责人)
检测机构负责人签字:
日期:日期:。
机房防雷与接地系统检验批质量验收记录一、工程概况:工程名称:机房防雷与接地系统工程工程地点:(具体地点)施工单位:(单位名称)监理单位:(单位名称)验收时间:(具体时间)二、工程质量验收内容:1.防雷系统:(1)验收项目:a)防雷母线的铺设;b)防雷针的安装;c)防雷接地系统的设计与施工;d)防雷设备的配置与安装。
(2)验收指标:a)防雷母线的连接牢固,线材规格符合设计要求;b)防雷针的位置合理,数量符合设计要求;c)防雷接地系统的导体采用合适的材料,连接牢固;d)防雷设备符合国家相关标准,安装位置合理。
2.接地系统:(1)验收项目:a)接地系统的设计与布置;b)接地棒的安装;c)接地电阻测量与记录;d)接地网的施工质量。
(2)验收指标:a)接地系统的设计符合相关规范要求;b)接地棒的数量与位置符合设计要求;c)接地电阻小于规定值;d)接地网布置规范,连接牢固。
三、现场检验情况:(1)防雷系统检验情况:在现场对防雷母线、防雷针、防雷接地系统等进行了检查,发现防雷母线的连接牢固、线材规格符合设计要求;防雷针的位置合理,数量符合设计要求;防雷接地系统的导体采用了合适的材料,并且连接牢固;防雷设备符合国家相关标准,安装位置合理。
(2)接地系统检验情况:对接地系统的设计与布置进行了检验,发现接地系统的设计符合相关规范要求;接地棒的数量与位置符合设计要求;接地电阻测量结果小于规定值;接地网的布置规范,连接牢固。
四、质量问题与整改情况:根据对机房防雷与接地系统的检验结果,未发现质量问题,不需要进行整改。
五、工程质量验收结论:经过现场检验,机房防雷与接地系统的防雷设备、母线、针、接地系统等符合相关规范要求,并且质量良好,达到了设计要求。
因此,本次工程质量验收合格。
六、其他:备注:(记录其他需要补充的信息)以上为机房防雷与接地系统检验批质量验收记录,共计1200字。
工程编号:02-032-04 表3.0.12-3工程编号:02-033-04 表3.0.12-3工程编号:02-034-04 表3.0.12-3工程编号:02-035-04 表3.0.12-3工程编号:02-036-04 表3.0.12-3工程编号:02-037-04 表3.0.12-3工程编号:02-038-04 表3.0.12-3工程编号:02-039-04 表3.0.12-3工程编号:02-040-04 表3.0.12-3工程编号:02-042-04 表3.0.12-3工程编号:02-046-04 表3.0.12-3工程编号:02-047-04 表3.0.12-3工程编号:02-048-04 表3.0.12-3工程编号:02-050-04 表3.0.12-3工程编号:02-05-04 表3.0.12-3工程编号:02-06-04 表3.0.12-3工程编号:02-024-04 表3.0.12-3工程编号:02-025-04 表3.0.12-3工程编号:02-026-04 表3.0.12-3工程编号:02-027-04 表3.0.12-3工程编号:02-029-04 表3.0.12-3工程编号:02-041-04 表3.0.12-3工程编号:02-044-04 表3.0.12-3工程编号:02-045-04 表3.0.12-3工程编号:02-01-04 表3.0.12-3工程编号:02-02-04 表3.0.12-3工程编号:02-03-04 表3.0.12-3工程编号:02-04-04 表3.0.12-3工程编号:02-07-04 表3.0.12-3工程编号:02-08-04 表3.0.12-3工程编号:02-09-04 表3.0.12-3工程编号:02-010-04 表3.0.12-3工程编号:02-011-04 表3.0.12-3工程编号:02-011-04 表3.0.12-3工程编号:02-012-04 表3.0.12-3工程编号:02-013-04 表3.0.12-3工程编号:02-014-04 表3.0.12-3工程编号:02-016-04 表3.0.12-3工程编号:02-018-04 表3.0.12-3工程编号:02-018-04 表3.0.12-3工程编号:02-019-04 表3.0.12-3工程编号:02-021-04 表3.0.12-3工程编号:02-022-04 表3.0.12-3工程编号:02-020-04 表3.0.12-3工程编号:02-023-04 表3.0.12-3工程编号:02-028-04 表3.0.12-3工程编号:02-030-04 表3.0.12-3工程编号:02-031-04 表3.0.12-3工程编号:02-032-04 表3.0.12-3工程编号:02-049-04 表3.0.12-3。
建筑物防雷工程施工与质量验收表格建筑物防雷工程施工与质量验收表格是用于记录和评估建筑物防雷工程施工过程及质量验收情况的重要工具。
下面是一份相关参考内容,供参考:1. 建筑物基本信息:- 项目名称:- 建设单位:- 施工单位:- 验收日期:- 防雷工程负责人:2. 工程施工情况:- 防雷设备安装情况:- 避雷针/避雷网安装位置及数量:- 接地装置布置情况:- 避雷装置与外墙和屋顶的连接情况:- 避雷引线安装情况:- 引线种类:- 引线路线及布置方式:- 引线与其他设备的连接情况:- 放电装置安装情况:- 放电体设备种类:- 放电装置设置位置及数量:- 防雷装置接地测试情况:- 接地电阻测量结果:- 接地网与接地体连接质量:- 防雷设备标志和警示标志:- 避雷针标志的设置情况:- 避雷装置警示标志:3. 工程质量验收情况:- 工程图纸审核情况:- 防雷工程图纸审核记录:- 防雷施工现场验收:- 避雷装置施工过程的检查记录:- 防雷施工技术要求的验证记录:- 防雷设备性能及测试验证:- 避雷装置性能和技术指标检测记录:- 防雷装置接地电阻测试记录:- 防雷工程竣工验收资料:- 防雷装置维护保养手册及竣工验收证书:- 避雷针检测报告及相关证明文件:4. 结论与评价:- 防雷工程施工质量评价:- 合格/不合格:- 防雷设备性能评价:- 合格/不合格:- 防雷工程验收意见:以上是建筑物防雷工程施工与质量验收表格的一些参考内容,可以根据具体项目和要求进行调整和补充。
表格的填写应细致、准确,以确保防雷工程的质量和安全性。
接地装置施工分项工程质量验收记录表(线地1)工程编号:110kV县铺线全线拉线杆塔更换为自立塔改造Q/CSG表1-B.30设计桩号N50 接地型号B20s测量时气温25℃施工日期2013年10月17日检查日期2013年10月26日序号检验项目性质质量标准(允许偏差)施工单位自检结果质量等级启委会验收组抽查结果合格值合格值1 接地体规格关键设计值:12符合设计要求合格符合设计要求2 接地电阻值关键设计值:30Ω实测值8.8Ω合格不大于设计值比设计值小5%计算季节系数后5.72Ω合格3 接地体连接□圆钢双面焊关键搭接长度≥6倍值径符合设计要求合格□扁钢四面焊搭接长度≥2倍宽度4 接地体埋深重要设计值:600mm610mm 合格不小于设计值5 接地体放射线长度重要设计值:60000mm60000mm 合格不小于设计值6 降阻剂使用情况重要符合GB50233—2005第8.0.8条规定/ 合格7 接地体防腐重要符合设计要求符合设计要求合格8 引下线安装一般与杆塔连接应接良好牢固、整齐、统一美观符合要求合格9 回填土一般符合GB50233-2005第4.0.11条规定符合规范合格10 接地装置实际敷设简图:受电侧60米9米60米9米9米60米60米9米送电侧CBA DQ/CSG表1-B.30(续)监理单位验收意见(评级):启委会验收组验收意见:合格:项不合格:项缺陷处理情况:验收单位质量验收结论签名班组年月日施工队年月日项目部年月日监理年月日启委会验收组(只对所抽检分项年月日工程签名确认)备注测量接地电阻值时的季节系数为: 1.4。