道路沥青路面毕业设计
- 格式:doc
- 大小:980.00 KB
- 文档页数:94
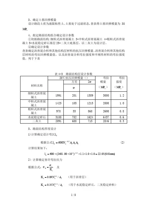
3、确定土基回弹模量设计路段土质为液限粘性土,土基处于过湿状态,查表得土基回弹模量为38a MP4、拟定路面结构组合确定设计参数①初拟路面结构:细粒式沥青混凝土3+中粒式沥青混凝土4+粗粒式沥青混凝土5+水泥稳定碎石基层25+二灰土底基层,以二灰土为设计层。
②确定设计参数查表确定沥青混合料和其他结构层材料的抗压回弹模量。
沥青混合料和其他结构层材料的弯拉回弹模量值,以及沥青混合料弯拉强度和半刚性材料的弯拉强度值,列于下表5、路面结构厚度设计 1)计算确定设计弯沉d l根据公式b s c ed A A A N l 2.0600-= (2)计算结果如下:(0.01mm)05.220.10.11.1)1000.2401(6002.04=⨯⨯⨯⨯⨯=-d l2)计算确定容许弯拉应力 根据公式:sR K sσσ=及 c e s A N K /09.02.0= (用于沥青层)c e s A N K /35.011.0= (用于水泥稳定碎石,二灰稳定砂粒)c e s A N K /45.011.0= (用于二灰土)计算结果列于下表3)计算待求层厚度①、根据d s l l =,求理论弯沉系数c α由 36.0038.0200063.1⎪⎪⎭⎫ ⎝⎛⎪⎭⎫⎝⎛=p E l F s δ (3)F E p l c s αδ12=(4) 代入数据:36.038.07.03865.10200005.2263.1⎪⎭⎫⎝⎛⎪⎭⎫ ⎝⎛⨯=F66.465.107.02158902205.021=⨯⨯⨯⨯==FF p E l s c δα②、计算基层高度5h下图为换算当量三层体系图:细粒式沥青混凝土 h1=3cm E1=1589MPa 中粒式沥青混凝土 h2=4cm E2=1215MPa 粗粒式沥青混凝土 h3=5cm E3=868 MPa 水泥稳定碎石 h4=25cm E4=1624MPa 二灰土 h5待求 E5=715 MPa E0=38MPa细粒式沥青混凝土 h1=3cm E1y=1589MPa 中粒式沥青混凝土 H未知 E2y=1215MPa E0=38MPa换算图4-1 换算当量三层体系图21k k c αα=282.065.103==δh 765.01589121512==y y E E 查图12-6得 α=7.4 282.0=δh03.012153820==y E E 查图12-6得 1k =1.45 434.045.14.766.412=⨯==k k c αα 由2k =0.434y E E 20=0.03 282.0=δh查图12-6得 80.5=δH5.80×10.65=61.77 4.22554.22444.22332E E h E Eh E E h h H ⨯+⨯+⨯+= (4) 解得:5h =32 因此其厚度满足施工 4)、验算整体材料层底部最大弯拉应力 ①、确定细粒式沥青混凝土层底的弯拉应力1m σ9.02559.02449.02332E E h E Eh E E h h H +++= cm 70.59= 将多层体系换算成当量三层体系,如下图:细粒式沥青混凝土 h1=3cm E1=3000MPa 中粒式沥青混凝土 h2=4cm E2=1215MPa 粗粒式沥青混凝土 h3=5cm E3=868 MPa 水泥稳定碎石 h4=25cm E4=1624MPa 二灰土 h5=32cm E5=715 MPa E0=38MPa h1=3cm E1y=3000MPa H? E2Y=1215MPa E0=38MPa计算得出 h1=3cm E1y=3000MPaH=59.70cm E2Y=1215MPa E0=38MPa换算图4-2 多层体系换算成当量三层体系计算图282.0=δh 405.03000121512==y y E E 03.012153820==y E E 查图12-7得 σ < 0表明该层层底受弯曲应力,1m σ满足要求。
路基损坏调查表表2-19路线名称:调查方向:调查时间:调查人员:路线名称:调查方向:调查时间:调查人员:路线名称:调查方向:调查时间:调查人员:路线名称:调查方向:调查时间:调查人员:路线名称:调查方向:调查时间:调查人员:路线名称:调查方向:调查时间:调查人员:路基损坏调查表表2-19路线名称:调查方向:调查时间:调查人员:路基损坏调查表表2-19路线名称:调查方向:调查时间:调查人员:路基损坏调查表表2-19路线名称:调查方向:调查时间:调查人员:路基损坏调查表表2-19路线名称:调查方向:调查时间:调查人员:路基损坏调查汇总表表2-11沥青路面损坏调查表表2-17路线名称:调查方向:调查时间:调查人员:沥青路面损坏调查表表2-17路线名称:调查方向:调查时间:调查人员:沥青路面损坏调查表表2-17路线名称:调查方向:调查时间:调查人员:沥青路面损坏调查表表2-17路线名称:调查方向:调查时间:调查人员:沥青路面损坏调查表表2-17路线名称:调查方向:调查时间:调查人员:沥青路面损坏调查表表2-17路线名称:调查方向:调查时间:调查人员:沥青路面损坏调查表表2-17路线名称:调查方向:调查时间:调查人员:沥青路面损坏调查表表2-17路线名称:调查方向:调查时间:调查人员:沥青路面损坏调查表表2-17路线名称:调查方向:调查时间:调查人员:沥青路面损坏调查表表2-17路线名称:调查方向:调查时间:调查人员:沥青路面损坏调查汇总表负责人:记录人:桥隧构造物损坏调查汇总表表2-25沿线设施损坏调查汇总表表2-14公路道路平整度表表2-21公路路面车辙表2-22公路横向力系数表表2-23路线名称:方向:其它表A--9 养护单位公路技术状况评定汇总表2、MQI、PQI、SCI、BCI、TCI的计算及等级评定按照《公路技术状况评定标准》(JTG H20-2007)的规定执行。
3、列养总里程=国道养护里程+省道养护里程+县道养护里程+乡道养护里程+专用公路养护里程+村道养护里程。
2009届毕业设计(论文)题目:高速公路沥青砼路面施工技术研究专业:交通土建助学站点:湖南交通工程职院考籍号:姓名:指导教师:2011年3 月附件(封首):学生姓名:考籍号:站点:湖南交通工程职院指导教师:完成日期: 2011年3月浅述高速公路施工技术管理和控制措施摘要目前,我国高等级高速公路建设发展迅速,而且随着车流量不断增加及人们出行质量水平的提高,对沥青路面的使用性能及品质要求越来越严格。
在保证沥青路面基本技术指标的前提下,要求我们在项目建设中,全面把握质量控制过程,有必要对高等级沥青路面施工质量控制技术进一步分析研究,优化控制方法。
本文针对施工现场管理与工艺控制两方面,从影响沥青路面施工质量的主要因素入手,结合实体工程,介绍了原材料、混合料、机械设备以及施工工艺等实际质量控制,深入细节,对施工质量控制方法进行了系统研究。
研究表明,从原材料质量控制开始,正确的加工方式、合理的机械配置、成熟的施工工艺,结合良好的管理模式,是构筑高等级沥青路面质量控制系统的必要元素。
关键词:高速公路,沥青路面,质量控制,施工工艺目录第一章绪论 (1)一、我国高速公路发展状况 (1)二、高速公路沥青路面的现状与前景 (1)三、工程概况 (2)四、主要研究方法及内容 (3)第二章施工质量控制概述 (4)一、施工质量管理 (4)二、施工质量控制阶段分析 (4)(一)事前控制 (4)(二)事中控制 (4)(三)事后控制 (5)三、质量控制要点以及控制对象 (5)(一)质量控制要点 (5)(二)质量控制对象 (6)四、质量保证体系 (6)第三章沥青路面施工质量的控制因素 (7)一、影响本工程沥青路面施工质量的主要因素 (7)(一)原材料及管理 (7)(二)沥青混合料 (11)(三)目标配合比设计 (12)(四)生产配合比设计 (12)(五)生产配合比验证 (13)(六)沥青混合料的拌和控制 (13)(七)人员 (14)(八)工程实体检测 (14)二、本工程沥青路面主要施工工艺 (14)(一)沥青路面施工准备 (14)(二)施工放样 (15)(三)沥青混合料运输质量控制 (16)(四)沥青混合料摊铺质量控制 (17)第四章机械设备在本工程沥青路面施工中的质量控制 (31)一、摊铺设备 (31)(一)基本分类 (31)(二)关键技术和结构 (31)(三)摊铺机的选型 (32)(四)摊铺机及摊铺作业对平整度的影响 (32)二、碾压设备 (33)三、施工机械组合 (34)(一)拌和设备与摊铺机组合 (34)(二)摊铺机与压路机组合 (35)(三)机械组合实例 (35)第五章施工质量管理与检查验收 (36)一、一般要求 (36)二、施工过程中的质量管理与检查 (36)第六章结论 (38)参考文献 (39)正文第一章绪论一、我国高速公路发展状况我国从1988年高速公路零的突破,到2007年年底高速公路通车里程超过5万多公里,短短20年走完了西方国家40年才走完的发展路程。
沥青路面毕业论文沥青路面毕业论文引言:沥青路面是现代道路建设中常见的一种路面结构,其优点在于施工简单、维修方便、使用寿命长等。
然而,随着交通工具的不断增多和道路负荷的增加,沥青路面也面临着一系列的挑战。
本论文旨在探讨沥青路面的特点、问题及其解决方案,以期为道路建设和维护提供一定的参考。
一、沥青路面的特点沥青路面是由沥青混合料铺设而成的道路表面,具有以下特点:1. 施工简便:相比于其他路面结构,沥青路面的施工过程相对简单,可以快速完成。
2. 耐久性强:沥青路面具有较好的耐久性,能够承受交通负荷和气候变化的影响。
3. 维修便捷:沥青路面的维修相对容易,可以通过补丁修复或覆盖新的沥青混合料来修复损坏的路面。
二、沥青路面存在的问题尽管沥青路面有诸多优点,但也存在一些问题:1. 车辆噪音:沥青路面对车辆行驶产生的噪音吸收较差,给周边居民带来噪音污染问题。
2. 耐久性问题:长期使用后,沥青路面易出现龟裂、坑洞等问题,需要进行维修和更新。
3. 抗水性差:沥青路面容易受到雨水侵蚀,导致路面表面积水,影响行车安全。
三、沥青路面的解决方案针对沥青路面存在的问题,可以采取以下解决方案:1. 噪音减少:通过在路面上铺设降噪材料,如橡胶沥青混合料,可以有效减少车辆行驶产生的噪音。
2. 耐久性提升:采用高性能沥青混合料,如改性沥青、聚合物改性沥青等,可以提升路面的耐久性,延长使用寿命。
3. 抗水性改善:在施工过程中,可以添加防水剂或改良剂,提高沥青路面的抗水性能,减少积水问题。
4. 定期维护:对已铺设的沥青路面进行定期检查和维护,及时修补龟裂和坑洞,保持路面的平整和完好。
结论:沥青路面作为一种常见的道路结构,具有施工简单、维修便捷等优点,但也面临着一些问题。
通过采取噪音减少、耐久性提升、抗水性改善和定期维护等措施,可以有效解决这些问题,提高沥青路面的质量和使用寿命。
在今后的道路建设和维护中,应注重科技创新和工艺改进,不断提升沥青路面的性能和可持续发展能力。
摘要公路高速发展,必推动其公路机械的发展。
本论文讲述了沥青路面的简介及优缺点,以及路面施工使用机械沥青混合料摊铺机的构造、用途、功用。
重点讲解沥青混合料摊铺机的使用管理、施工管理及设备保养。
论文前五部分对沥青混合料摊铺机做介绍,作为对沥青混合料摊铺机使用管理、施工管理及设备保养做进一步的了解和引导作用。
重点讲解其在使用管理中的使用制度和操作规程。
使用制度包括:a.“三定”制度 b.交换班制度c.操作证制度。
操作规程包括:a.工作前的检查b.作业中的要求c.作业后注意事项,及动力装置和工作装置的各项操作规程。
在施工管理及设备保养(以CAT AP755摊铺机为例)讲解了磨合期保养,包括使用前的保养、作业过程保养、作业完成后的保养,以及磨合期结束后保养、日常工作保养、定期保养、停机封存保养。
关键词:摊铺机管理保养目录摘要 (1)前言 (2)一、沥青路面的简介及沥青摊铺所用的机械 (3)(一)沥青路面的简介 (3)(二)沥青摊铺所用机械 (3)二、沥青混合料摊铺机的简介 (3)三、沥青混合料摊铺机用途和分类 (4)(一)沥青混合料摊铺机的用途 (4)(二)沥青混合料摊铺机的分类 (4)四、沥青摊铺机的主要结构与系统 (6)(一)总体结构 (6)(二)供料及分料装置 (6)(三)熨平—振捣装置 (7)(四)摊铺厚度调节与调平系统 (7)(五)液压系统和电控系统简介 (8)五、沥青混合料摊铺机生产率计算 (8)六、摊铺机使用管理 (9)(一)摊铺机使用制度 (9)(二)摊铺机操作规程 (10)七、沥青混合料摊铺机施工管理及设备保养(以CAT AP755摊铺机为例) (15)结论 (19)致谢 (20)参考文献 (21)前言本论文是根据内蒙古交通职业技术学院汽车工程系论文编写大纲的要求编写的,论问为公路沥青路面沥青混合料摊铺机使用管理、施工管理及设备保养。
主要是为了方便施工人员和操作人员快捷、具体的对沥青混合料摊铺机使用管理、施工管理及设备保养。
南贵二级公路设计沥青路面毕业设计目录1 绪论 (1)1.1 选题的目的、意义 (1)1.2 主要内容及技术要求 (1)1.2.1 主要内容 (1)1.2.2 技术要求 (1)1.3 技术等级和技术指标 (2)1.3.1 平面线形指标 (2)1.3.2 路线纵断面设计指标 (2)1.3.3 路基横断面设计指标 (3)2 纸上定线 (4)2.1 定线要点 (4)2.2 定线 (4)2.3 预选路线方案的计算与比选 (4)2.3.1 方案Ⅰ(ACEFB)计算 (4)2.3.2 方案Ⅱ(AGHB)计算 (7)2.3.3 方案技术指标比选 (8)3 平面定线设计 (10)3.1 交点坐标确定 (10)3.2 方位角和转角计算 (10)3.3 平曲线设计(精算) (10)3.3.1平曲线1设计 (10)3.3.2平曲线2设计 (11)3.3.3 平曲线主点桩号计算 (12)3.4 平曲线切线支距计算 (12)3.4.1 切线支距坐标计算公式 (12)3.4.2 各桩的切线支距坐标计算 (13)3.5 直线、曲线及转角表 (21)4、路线纵断面设计 (22)4.1 内差法读取各中桩地面高程 (22)4.2 拉坡设计 (22)4.3 竖曲线要素计算 (23)4.4 各中桩设计高程计算 (25)4.4.1 竖曲线上设计高程计算 (25)4.4.2 直坡段上设计高程计算 (30)4.5 竖曲线计算表 (33)5 路基横断面设计 (34)5.1 横断面组成 (34)5.2 加宽、超高计算 (34)5.2.1 加宽计算 (34)5.2.2 超高值计算 (34)5.2.3 合成坡度校核 (35)5.2.4 超高过渡段长度确定 (35)5.2.5 超高计算 (36)5.3 横断面方向地面高程 (43)5.4 路基设计表 (44)5.5 土石方调配 (44)5.6 视距验算 (44)5.6.1 平曲线1处视距验算 (45)5.6.2 平曲线2处视距验算 (45)6 路基设计 (47)6.1 路基横断面布置 (47)6.2 路基最小填土高度 (47)6.2.1 路基处理 (47)6.2.2 路床处理 (47)6.2.3 路基防护 (48)6.3 路基稳定性验算 (48)6.3.1 路堤边坡稳定性验算 (48)6.3.2 路堑边坡稳定性验算 (50)6.4 路基排水设计 (51)6.4.1 设计路基排水设施 (51)6.4.2 路面排水设计 (51)7 路面结构设计 (52)7.1 公路等级及主要技术指标的确定 (52)7.2 路面结构设计计算 (52)7.2.1 轴载换算 (52)7.2.2 累计当量轴次 (58)7.3 路面结构组合与材料选取 (59)7.3.1 初拟路面结构 (59)7.3.2 路基回弹模量的确定 (59)7.3.3 路面结构厚度设计 (59)8 施工组织设计 (66)8.1 编制依据和程序 (66)8.1.1 本路段编制依据 (66)8.1.2 编制程序 (66)8.1.3 编制施工组织设计时的注意事项 (66)8.2 工程概况 (67)8.2.1 工程地质及自然地理概况 (67)8.2.2 工程概况 (67)8.3 主要项目施工方案和施工方法 (68)8.3.1 施工前的准备 (68)8.3.2 填实路堤施工方案和施工方法 (68)8.3.3 路堑开挖施工方案和施工方法 (69)8.3.4 排水及防护工程 (69)8.3.5 路面施工方案和施工方法 (72)8.4 安全保证体系 (75)8.4.1安全生产组织机构和管理 (75)8.4.2运输、机械操作的安全保护 (76)8.4.3职工、民工的安全教育和管理 (76)8.5文明施工及环境保护措施 (77)8.5.1文明施工保护措施 (77)8.5.2环境保护施工保证措施 (78)8.5.3生活垃圾处理设施 (80)8.6雨季施工措施 (80)8.7施工总体布置 (81)8.7.1计算主要工程量 (81)8.7.2劳动力资源计划 (83)8.7.3工程进度图 (83)8.8主要材料、机械设备计划 (84)8.9 施工总平面图 (87)8.9.1 布置说明 (87)8.9.2 施工总平面图 (87)8.10 临时设施组织 (87)8.10.1 布置原则 (87)8.10.2 布置安排 (87)8.11 工地运输组织 (88)结束语 (89)参考文献 (89)附录 (90)致谢 (91)1 绪论1.1 选题的目的、意义通过毕业设计培养学生综合应用所学的基本理论知识和专业理论知识,提高独立分析和解决实际工程的能力,提高学生的综合素质和工程实践能力,使学生顺利向工作岗位过渡。
湖南某山岭区一级SBS沥青路面北线设计目录1 绪论 (1)1.1拟建项目地区概述 (1)1.2项目建设的重要意义 (1)1.3沿线地形地质及自然环境 (2)2 路线设计 (4)2.1公路技术标准的确定 (4)2.2路线方案设计 (6)2.3路线平面设计 (9)2.4纵断面设计 (18)2.5路线比选 (25)2.6横断面设计..............................................273 路基路面设计 (39)3.1概述 (39)3.2路基设计 (41)3.3路基稳定性分析验算 (44)3.4边坡防护与加固 (45)3.5路面结构设计 (48)4、排水设计 (59)4.1路基地面排水设计 (59)4.2路基地下排水 (59)4.3路面排水 (60)4.4中央分隔带排水 (60)5 桥涵设计 (62)5.1桥涵设计的一般规定 (62)5.2位置及尺寸 (62)6结论 (63)参考文献 (64)致谢 (65)英文翻译 (66)附录.............................................791 绪论1.1拟建项目地区概述湖南省位于长江中游南部。
大部分地区在洞庭湖之南,境内湘江贯穿南北。
湖南东临江西,西接重庆、贵州,南毗广东、广西,北连湖北。
辖13个地级市和1个自治州,共有136个县(县级市、市辖区)以上行政单位,省会为长沙市。
湖南省河网密布,长5公里以上的河流5341条,总长度9万公里,其中流域面积在5000平方公里以上的大河17条。
全省土地总面积约为31774.35万亩,其中51%为山地, 7%为盆地,13%为平原,15.4%为丘陵,全省有水面135.37万公顷,占总面积的6.4%。
海拔高度在50米以下的面积占总面积的9.9%,l000米以上的占总面积的4.3%,大部分地区海拔高度在100米至800米之间。
湖南民族及人口众多,近年经济发展迅速,农业、工业、旅游业收入不断增加,人口流动和经济的快速增长对交通状况提出了更高的要求。
沥青路面毕业设计说明书一、课程设计任务(1)了解设计任务,拟定工作计划,查阅资料。
(3)按《公路沥青路面设计规范 JIG D50-2006》的内容及要求进行沥青路面结构设计;(5)根据指导教师的要求,采用指定的初始条件进行设计:沥青路面的设计,在完成路面结构组合设计后,利用设计软件进行结构层厚度计算及各层底拉应力验算。
在设计说明书(设计报告书)中应画计算图,采用A4纸打印设计报告书。
(6)出图:沥青路面设计不出图(留待毕业设计时训练出图)二、课程设计报告书主要内容(一)初始条件:区)某新建双向4车道一级公路,拟采用沥青广西南宁地区(IV7混凝土路面,路基土为高液限粘土,地下水位为-1m,路基填土高度1.2m,预计通车初年的交通量如下:表一交通量年平均增长率7%,沿线可开采碎石、砂砾,并有粉煤灰、石灰、水泥等材料供应。
(二)要求完成的主要任务:(1)确定路面等级和面层类型;(2)确定土基的回弹模量;(3)路面结构组合设计;(4)根据设计弯沉值计算路面厚度(采用沥青路面设计专用程序,输入设计弯沉值及设计参数汇总表的设计参数后,对需进行厚度计算的结构层进行厚度计算,并进行各层底拉应力验算)。
1.基本资料确定1.1确定公路等级1.1.1计算通车初年的折算交通量其中折算系数查《公路工程技术指标》(JTG B01 2003),表2.0.2各汽车代表车型与车辆折算系数。
表一:各车辆的折算系数由上表可知初年的平均日交通量为3650辆/日1.1.2设计交通量由《公路沥青路面设计规范》(JTGD50-2006),表3.1.3各级公路沥青路面设计年限。
一级公路设计年限为15年。
1(1)n=⨯+γAADT ADT-其中:AADT —设计交通量(pcu/d);ADT —起始年平均日交通量(pcu/d);γ—年平均增长率(%);n —预测年限则15年后的设计交通量为:1=⨯+γ=3650×(1+7%)15−1=9412 (pcu/d)(1)nAADT ADT-1.2拟定路基宽度和设计速度及其他资料1)拟定设计速度为:100km/h2) 根据《公路工程技术标准》(JTG B01 2003) 表3.0.11双向四车道,路基宽度为:26m;3) 拟采用沥青路面结构,设计年限为15年;4)沿线土质为粘土;5)土基回弹模量的确定因无实测条件,由查表法预测土基回弹模量:(1)确定临界高度查《路基路面工程》邓学均,表1-9路基临界高度参考值,公路自然区划属IV7区得:1H=1.8m,2H= 1.5m,3H= 1.2m。
沥青路面设计一、设计总说明(一)、设计资料映卧三级公路设计使用年限为8年,拟采用沥青路面结构。
经勘察,沿线土质为砂粘性土,沿线有大量碎石集料,并有水泥、石灰和粉煤灰等传供应。
据预测该路竣工初年的交通组成如下:小客车车500辆/日,跃进NJ130车313辆/日,,黄河JN150车250辆/日,东风EQ150车188辆/日。
使用年限内前5年交通量的年平均增长率为20%,后3年年平均增长率为10%.二、设计计算说明(一)、轴载分析路面设计以双轮组单轴载100KN 为标准轴载(1)以设计弯沉为指标及验算沥青层层底拉应力中的累计当量轴次1)轴载换算轴载换算采用如下的计算公式35.4211⎪⎭⎫ ⎝⎛=∑=P P n C C N i i ki 计算结果如下表所示。
轴载换算结果表(弯沉)注:轴载小于25KN 的轴载作用不计 2)累计当量轴次根据题意,该三级公路沥青路面设计年限为8年,四车道的车道系数取0.6。
累计当量轴次()[]()[]636468545.0085.01085.010.80136511365201=⨯-+⨯⨯=-+=ηγγte N N 次(2) 验算半刚性基层层底拉应力中的累计当量轴次1)轴载换算验算半刚性基层层底拉应力的轴载换算公式为:8211⎪⎪⎭⎫ ⎝⎛''='∑=p p n C C N i i ki计算结果如下表所示。
轴载换算结果表(半刚性基层层底拉应力)注:轴载小于50KN 的轴载作用不计 2)累计当量轴次参数取值同上,设计年限20年,车道系数取0.45。
累计当量轴次()[]()[]656412845.0085.01085.011.82636511365201'=⨯-+⨯⨯=-+=ηγγte N N 次(二)、结构组合与材料选取(三)、各层材料的抗压模量与劈裂强度查表得各层材料的抗压模量和劈裂强度。
抗压模量取20℃时的模量,各值取规范给定范围中值,因此得到20℃的抗压模量:细粒式密级配沥青混凝土为1400MPa ,中粒式密级配沥青混凝土为 1200MPa ,粗粒式密级配沥青混凝土为1000MPa ,水泥稳定碎石为1500MPa,二灰土为750MPa.各层材料劈裂强度:细粒式密级配沥青混凝土为1.4MPa ,中粒式密级配沥青混凝土为 1。
沥青混泥土路面设计计算书一、确定公路等级初定公路等级为一级公路。
由规范可知,一级公路以小客车的远景设计年限平均昼夜交通量。
查《公路工程技术标准》TG-B知。
中型汽车换算成小客车的换算系数为2.0,拖挂车换算成小客车的换算系数为3.0。
故本路建成初期每昼夜双向混合交通量换算成小客车交通量为:(200+150+200+150+200+200+100)×2+100×3+150=2600一级公路的设计年限为20年。
预计年平均交通量增长率为10%,故远景设计年限年平均昼夜交通量为:2600×=2600×=17491查《公路工程技术标准》JTGB四车道一级公路应能适应各种汽车折合成小客车的年平均日交通量15000~30000辆,17491辆在这个范围内满足要求,所以采用四车道的一级公路。
二、道路横断面排水设计1、横断面设计从《公路工程技术标准》JTGB公路路基横断面途中选用道路横断面图(如图1):路基总宽度为24.5m,一级公路选用设计速度为80km=0.025(养护中等的土渠),用水力最佳断面法术沟渠的端面尺寸并演算水流速度。
1)按式(5.37)计算最佳端面面积系数为K=2=2×=3.6 ===0.345 Y=1.5=1.5×=0.21 最佳断面面积为==25.124.05.015.05.024.0005.0345.0025.01.1+⨯+⨯⨯)( =0.89 2)按下式计算水流深度),故上述计算结果满足规定要求不需要重算。
因此该沟渠的尺寸可定为b=0.4,H=)=0.7793-0.1832×(1+ sin )=0.486Mpa τ= c+tan=0.25=0.486×tan=0.616Mpa (已知沥青混泥土面层c=0.25Mpa , =。
) 紧急制动 f=0.5。
= 0.2742+1.3×(0.5-0.3)×0.70.456Mpa = 0.8115+0.46×(0.5-0.3)×0.7=0.876Mpa = 0.456×cos=0.364Mpa=0.876-0.456(1+sin )=0.146 Mpa =2×0.25+0.146×tan=0.56 Mpa 确定容许剪应力:停车站在设计年限内停车标准轴数按双车道总累计轴数的15%计,即 =0.15×=985380次 则缓慢制动时:=0.35AC ×=0.35×1.0=2.774 ==0.6162.77=0.222 Mpa 紧急制动时: =1.2AC=1.21.0=1.2 ==0.561.2=0.466Mpa验算剪切条件对于缓慢制动:=0.146 Mpa <=0.222Mpa对于紧急制动时:=0.346 Mpa <=0.466 Mpa满足抗剪强度要求。
沥青路面设计课程设计
一、课程设计概述
本课程设计是针对沥青路面设计的一门综合性课程,旨在通过对沥青路面的结构、材料、施工等方面的探讨,培养学生对于沥青路面设计的全面理解和应用能力。
本课程设计包括以下几个方面的内容:
二、沥青路面结构
1. 沥青路面结构概述
2. 沥青路面组成部分及其作用
3. 沥青混合料种类及其特点
4. 沥青混合料配合比设计原则
三、沥青路面材料
1. 沥青材料概述
2. 沥青材料分类及其特点
3. 沥青混合料中各组成部分的材料要求和性能指标
四、沥青路面施工工艺
1. 沥青路面施工流程及其要点
2. 沥青混合料生产与运输技术要点
3. 沥青混合料铺设技术要点
五、沥青路面质量控制与评估方法
1. 原材料检测与质量控制方法
2. 施工工艺控制与质量评估方法
3. 沥青路面质量检测与评估方法
六、课程设计要求
1. 学生需自主选择一个沥青路面施工项目进行设计,包括施工方案、材料选用、配合比设计、施工流程等方面的内容。
2. 学生需进行实地考察和调研,了解现有沥青路面施工项目的情况,并结合实际情况进行设计。
3. 学生需提交完整的课程设计报告,包括课程设计选题、研究背景、研究目标和意义、研究方法和步骤、数据分析和结果呈现等方面的内容。
七、结语
本课程设计旨在培养学生对于沥青路面设计的全面理解和应用能力,通过对沥青路面结构、材料、施工等方面的探讨,提高学生的实践能力和综合素质。
路基路面施工方案毕业设计1. 简介本文档为路基路面施工方案的毕业设计,旨在设计一个有效的施工方案,以保证道路的牢固度、平整度和耐久性。
本文档将包括项目概述、设计目标、施工方法和质量控制等内容。
通过合理的施工方案设计,能够提高道路工程的施工效率和工程质量,降低施工成本,为道路的安全和可持续发展做出贡献。
2. 项目概述本毕业设计项目是基于某城市道路扩建工程,包括路基和路面的施工。
道路的扩建旨在提高城市道路的通行能力和交通流畅度,并增加行人和车辆的安全。
本项目的主要任务是设计一个路基路面施工方案,确保工程的质量,保证道路的使用寿命和安全性。
3. 设计目标本项目的设计目标如下:•提供一个可行的施工方案,使路基和路面能够经受住各种气候条件和交通荷载的考验。
•保证道路工程在施工过程中的安全性,避免事故和人员伤亡。
•减少施工过程中的环境污染,采取可持续发展的施工方法和材料。
•提高施工效率,缩短施工周期,降低施工成本。
4. 施工方法本项目的路基路面施工方案包括以下几个主要步骤:4.1 路基施工•清理道路原有路基,并进行必要的拓宽和加固。
•填充适量的土石方材料,并进行均匀夯实。
•进行路基排水系统的设计和施工,确保雨水能够顺利排除。
4.2 路面施工•铺设底基层,采用适当的材料进行铺设,保证均匀厚度。
•进行底基层的夯实,确保稳定性和平整度。
•铺设面层,选择合适的沥青混合料或水泥混凝土材料,进行铺设和压实。
•进行路面标线施工,包括车道线、人行道线和交通指示标志等。
4.3 质量控制•施工过程中进行现场监督,确保施工质量和进度。
•进行必要的材料检测和试验,确保材料符合标准要求。
•实施质量管理计划,包括工程验收和质量检查等。
5. 结论本文档为路基路面施工方案的毕业设计,通过设计一个合理的施工方案,能够提高道路工程的施工效率和质量,降低施工成本,为道路的安全和可持续发展做出贡献。
通过路基施工和路面施工的各个阶段的详细描述,可以全面了解施工过程中的各个环节和步骤,从而有助于项目的顺利进行。
题目:沥青路面施工质量控制的探讨指导老师:孙熠班级:道桥系GG11—1姓名:童治川目录一、引言二、材料及施工准备三、沥青混合料的拌合四、沥青混合料的运输五、沥青混合料的摊铺六、沥青混合料的碾压七、接缝处理八、施工质量控制九、总结语关键词:沥青路面质量控制沥青路面施工碾压成型引言近年来随着国家对高速公路建设投资力度的加大,我国的高速公路工程十分迅速,在高速公路的建设中,我国的绝大部分的高速公路都采用沥青混凝土路面。
沥青混凝土面层是有良好的力学性能和较好的耐久性以及行车舒适性,适合于各种车辆的通行,并具有坚实、耐久、平整、良好的抗滑、防渗、耐疲劳的性能和抗高温开裂的温度稳定性,但是随着国民经济快速、协调发展使交通量的不断增长,我国道路交通量日益增大车辆迅速的大型化且严重超载,使公路面临严峻的考验.因此,随着一条条高速公路的建成并投入运营,很多高速公路沥青路面均呈现出一定的早期病害。
目前沥青混凝土路面最常见的早期病害现象有:龟裂、水破坏、松散、泛油、推移等.这些病害基本上也是公路工程质量的通病。
对新建公路的正常使用形成了严重的威胁,沥青混凝土路面作为高等公路来说是来说是必不可少的面层,沥青混凝土路面施工是公路工程施工的一道重要工序,沥青路面施工中,前场和后场的工艺控制及质量控制的各个环节对现场施工具有一定的指导作用。
这篇论文结合工程项目,阐述了质量控制和沥青路面常出现的病害,并分析了出现病害的原因和提出预防措施,沥青混凝土作为一种路面结合料在道路工程得到了广泛的采用。
从乡村路到城市道路,从三级路到高速公路,再到路面面层,均普遍采用,成为了道路建设长久使用的一种材料。
但由于沥青混凝土材质本身的差异,这些病害的出现严重影响了行车速度、行车安全,加大了汽车磨损,缩短了沥青路面使用寿命使得行车不顺畅,造成路面使用年限的缩短!有的高速公路当年通车即发生了病害,正常维护期大大提前,直接影响了车辆的运行,也增大了养护管理资金的投入,本文就几种常见的施工技术并结合实际提出相应的预防措施,以及沥青路面公路施工多对象进行研究,探讨沥青路面公路施工技术与质量控制。
道路毕业设计
道路是城市交通的主要组成部分,它的设计和建设对于保障交通畅通、提高交通效率具有重要意义。
本篇毕业设计旨在对道路的设计进行综合考量,以提高路面承载能力、提升行车安全水平和优化交通流动性为主要目标。
首先,设计的道路应该具备良好的承载能力,以适应不同车辆的通行需求。
在道路的结构设计上,可以采用高强度材料,如混凝土或高性能沥青,用于增强道路的承载能力,减少路面塌陷和裂缝的产生。
此外,根据道路通行的车辆种类和数量,还需合理确定道路的宽度和减速带的设置,以确保道路的稳定性和安全性。
其次,为了提高行车安全水平,需要在道路设计中充分考虑交通安全因素。
在交叉口处,可以设置交通信号灯或标志,指示行车方向和限速要求,防止交通事故的发生。
此外,在设计中还应充分考虑行人和非机动车的通行需求,设置人行道和自行车道,为行人和非机动车提供安全的通行空间。
最后,在优化交通流动性方面,可以采用交通管制措施和智能交通系统。
在道路设计中,可以设置不同的车道和分流通道,以减少交通拥堵和堵塞。
此外,可以利用智能交通系统,如车辆识别技术和交通信号优化系统,对交通流进行预测和调度,提高道路的通行效率。
总之,道路的设计是一个综合考虑多个因素的过程,需要考虑道路的承载能力、行车安全和交通流动性。
通过合理的结构设
计、交通安全设施和智能交通系统的应用,可以提高道路的品质,为城市交通的顺畅发展做出贡献。
湖南某山岭区一级SBS沥青路面北线设计目录1 绪论............................................ 11.1拟建项目地区概述 ...................................... 11.2项目建设的重要意义 .. (1)1.3沿线地形地质及自然环境 (2)2路线设计ﻩ42.1公路技术标准的确定ﻩ42.2路线方案设计 (6)2.3路线平面设计 (9)2.4纵断面设计ﻩ182.5路线比选 (25)2.6横断面设计..............................................27 3路基路面设计................................. 39393.1概述ﻩ3.2路基设计 (41)443.3路基稳定性分析验算ﻩ3.4边坡防护与加固 (45)3.5路面结构设计 (48)4、排水设计....................................... 59 4.1路基地面排水设计 ....................................... 59 4.2路基地下排水. (59)4.3路面排水 ............................................... 604.4中央分隔带排水 (60)5 桥涵设计ﻩ625.1桥涵设计的一般规定 (62)625.2位置及尺寸ﻩ636结论ﻩ参考文献ﻩ64致谢ﻩ65英文翻译ﻩ66附录.......................................... (79)1 绪论1.1拟建项目地区概述湖南省位于长江中游南部。
大部分地区在洞庭湖之南,境内湘江贯穿南北。
湖南东临江西,西接重庆、贵州,南毗广东、广西,北连湖北。
辖13个地级市和1个自治州,共有136个县(县级市、市辖区)以上行政单位,省会为长沙市。
湖南省河网密布,长5公里以上的河流5341条,总长度9万公里,其中流域面积在5000平方公里以上的大河17条。
全省土地总面积约为31774.35万亩,其中51%为山地, 7%为盆地,13%为平原,15.4%为丘陵,全省有水面135.37万公顷,占总面积的6.4%。
海拔高度在50米以下的面积占总面积的9.9%,l000米以上的占总面积的4.3%,大部分地区海拔高度在100米至800米之间。
湖南民族及人口众多,近年经济发展迅速,农业、工业、旅游业收入不断增加,人口流动和经济的快速增长对交通状况提出了更高的要求。
1.2项目建设的重要意义近几十年来,随着公路等级的不断提高以及汽车性能的不断改善,再加上高新技术在公路运输中的广泛应用,使得公路运输越来越快捷、安全、舒适、方便,公路在国民经济和社会生活中的地位日益提高。
新中国成立后,尤其是改革开放以来,湖南省公路建设发展迅速。
到2009年底,全省已有公路总里程191403公里,其中高速公路已达2227公里,进入全国十强。
省会长沙与全省13个市州全部实现高速公路相连,洞庭湖区国省道主要渡口一律改渡为桥,形成了以长沙、岳阳、常德、湘潭、衡阳等地为中心,联络全省各地99%以上的乡镇公路网。
(目前全省高速公路在建里程4064公里,在全国排名第一;在建和通车总里程达6450公里,居全国第三。
)拟建公路对于拉动沿线经济增长具有重要意义,也是构建便捷、通畅、高效、安全的交通运输体系的重要组成部分。
该公路的建成可以改善沿线城镇的运输条件和投资环境,可以加快这些城镇的信息传播和对外交流,可以有效地促进公路沿线资源的开发利用,有利于沿线经济的快速发展。
1.3沿线地形地质及自然环境湖南省处于云贵高原向江南丘陵和南岭山地向江汉平原的过渡地区。
在地质构造上,北部属扬子准地台江汉断拗,南部则属华南褶皱系赣湘桂粤褶皱带,志留纪末的晚加里东运动使之转化为地台,并与扬子准地台合并,然后沉积了与扬子准地台大致类似的泥盆系到中三叠统地台盖层。
在强烈的中生代燕山运动影响下,北部的江汉断拗形成,从白垩纪开始发育为陆相断陷盆地;南部的赣湘桂粤褶皱带使泥盆系至中三叠统沉积盖层全面褶皱,并伴以花岗岩和花岗闪长岩岩浆侵入,奠定全省现代地貌的轮廓基础。
在湘西北地区,主要表现为褶皱运动,并伴有纵向断层,造成褶皱带和介于其间的山间洼地,在地貌上成为大致东北—西南走向的平行背斜山地和向斜谷地;湘西、湘西南则构成弧形构造山地及小块山间盆地;在东部地区中北部表现为断块运动,形成一系列褶皱山、断块山和山间盆地;北部断陷成洞庭湖盆地;中部拗陷成众多红层盆地。
湘南地区主要为断裂运动,构成南岭主体。
第三纪以来,由于新构造运动的影响,省境边缘山地仍缓慢上升,北部洞庭湖区继续下陷,进一步显示出全省现代地貌轮廓的特色。
湖南为大陆性中亚热带季风湿润气候。
省境距海400公里,受东亚季风环流的影响密切。
气候具有三个特点:第一、光、热、水资源丰富,三者的高值又基本同步。
湖南4-10月,总辐射量占全年总辐射量的70-76%,降水量则占全年总降水量的68-84%。
第二,气候年内与年际的变化较大。
冬寒冷而夏酷热,春温多变,秋温陡降,春夏多雨,秋冬干旱。
气候的年际变化也较大,极大值与极小值的地区差值比平均值的地区差值大1.29倍,雨量最多年份与最少年份相差1460毫米,最多年几乎为最少年的3倍。
第三,气候垂直变化最明显的地带为三面环山的山地。
尤以湘西与湘南山地更为显著。
湖南年日照时数为1300-1800小时,以洞庭湖为最多,岳阳可达1840小时。
湖南热量丰富。
年气温高,年平均温度在16-18℃之间。
湖南冬季处在冬季风控制下,而东南西三面环山,向北敞开的地貌特性,有利于冷空气的长驱直入,故一月平均温度多在4-7℃之间,湖南无霜期长达260-310天,大部分地区都在280-300天之间。
年平均降水量在1200-1700毫米之间,雨量充沛,为我国雨水较多的省区之一。
ﻩ2路线设计2.1公路技术标准的确定为了满足经济发展、设计交通量、路网建设和功能的要求,公路必须分等级建设。
《公路工程技术标准》(JTG B01—2003),将公路根据功能和适应的交通量分为五个等级:高速公路、一级公路、二级公路、三级公路、四级公路。
一级公路:为供车辆分向、分道行驶,并可根据需要控制出入的多车道公路。
四车道一级公路应能适应将各种汽车折合成小客车的远景设计年限内年平均日交通量为15000~30000辆。
六车道一级公路应能适应将各种汽车折合成小客车的远景设计年限内年平均日交通量为25000~55000辆。
2.1.1设计车辆设计车辆是指道路设计所采用的具有代表性的车辆。
汽车的行驶性能、外廓尺寸以及不同种类车辆的组成对道路几何设计具有决定作用,对确定路幅组成、车道宽度、平曲线加宽、纵坡大小、行车视距等都与设计车辆有密切关系[1]。
按使用目的、结构或发动机的不同,作为道路设计依据的车辆可分为四类:小客车、载重汽车、鞍式列车、铰接车。
鞍式列车适用于大型集装箱运输,可作为高速公路、一级公路和有大型集装箱运输公路的设计依据。
其车辆外形轮廓如下表2-1。
表2-1设计车辆外廓尺寸2.1.2设计交通量设计交通量:设计交通量是指拟建道路到预测年限时所能达到的年平均日交通量,其值根据历年交通观测资料预测求得,目前多按年平均增长率计算确定。
1)1(-+⨯=n ADT AADT λ (2.1) 式中: AAD T—设计交通量(辆/天);A DT —起始年平均日交通量(辆/天);γ—交通量预计年增长率;n —设计年限将初始年日交通量换算成小汽车数量:562023205.15705.15105.14804402200=⨯+⨯+⨯+⨯++=ADT 辆/天。
各种车型换算系数见下表2-2,初始年交通量见下表2-3.一级公路的设计交通量按20年预测,交通量年平均增长率取γ=8%。
计算24254)08.01(5620120=+⨯=-AADT 辆/天。
介于15000~30000之间,定此公路为一级四车道。
表2-2 各车型车型换算系数表2-3初始年交通量2.1.3、设计速度设计速度,是指当气候条件良好、交通密度小、汽车运行只受道路本身条件(几何要素、路面、附属设施等)的影响,中等驾驶技术的驾驶员能保持安全顺适行驶的最大行驶速度。
设计速度是决定道路几何形状(如曲线半径、超高、视距)的基本依据,同时还影响车道宽度、中间带宽度、路肩宽度等指标。
该一级公路交通量比较大,位于山岭地区,地势起伏较明显、高差大,选取设计速度为80km/h。
2.1.4、服务水平服务水平是指车辆在道路上运行过程中驾驶员和乘客所感受到的质量量度。
一级公路按二级服务水平设计。
2.2路线方案设计2.2.1道路选线的一般原则(1)路线设计应在保证行车安全、舒适、快捷的前提下,使工程量小、造价低、营运费用省、效益好,并有利于施工和养护。
(2)选线应同农田基本建设相配合,做到少占田地,并尽量不占高产田、经济作物田和经济林等。
路线应与农田水利建设相配合,有利农田灌溉,尽可能少和农田溉管渠道相交,把路线布置在管道上方非灌溉的一侧或管道的尾部,如果不能避免,要考虑路线开挖对农田水利设施的影响。
(3)通过名胜、风景、古迹地区的道路,应与周围环境、景观相协调,并适当照顾美观,重视原有自然状态和重要历史文物遗址。
(4)对不良地质地段和特殊地区,一般情况下路线应设法绕避;必须穿过时,应选择合适位置,缩小穿越范围,并采取必要的工程措施。
(5)选线应重视环境保护,注意因修建道路及汽车运行所产生的影响和污染等。
(6)合理考虑路线与城镇关系。
选线应以避为主,并采用较高的技术标准通过。
在避绕局部障碍时,要注意线形的连续舒顺。
国防公路和高等级公路,一般应尽量避免穿越城镇、工矿区及较密集的居民点。
又要考虑便于支农运输,便利群众,便利与工矿的联系,做到“靠村不进村,利民不扰民”。
(7)处理好路线与桥位关系。
特大桥原则上要服从路线总方向并满足桥头接线要求,桥路综合考虑。
小桥涵位置应服从路线走向。
(8)正确处理新旧路关系。
2.2.2选线过程从地形图上看到,根据起终点位置,路线总体成西南-东北走向,路线起终点高差高达70米,起点高终点低,路线较短有三千米左右,平均纵坡很大。
第一幅图,起始点处为一片花椒地,北侧为陡峭的山区,南侧稍缓有村庄。
第二幅图,中间为山谷较平坦,周围地势较高。
从南到北有一条引水渠道,南侧为暗渠,北侧为明渠。
与第三幅图连接处为山丘,其东侧山坡为苹果园。
第三幅图,南侧地势高且陡,北侧稍缓,偏北侧有一条低等级的沥青道路,路周围有较多的房屋建筑。
各幅图上都有较多的坟地。
在此地形图上道路选线最主要的问题为利用地形克服高差。
(1)正线选线过程1)所设计的道路为北线,选线时,使路线尽量靠北。