LM358做可调方波发生器
- 格式:doc
- 大小:162.50 KB
- 文档页数:4
《LM358正弦波、方波、三角波产生电路设计与应用》一、引言在电子领域中,波形发生器是一种非常重要的电路,它可以产生各种不同的波形信号,包括正弦波、方波和三角波等。
LM358作为一款宽幅增益带宽产品电压反馈运算放大器,被广泛应用于波形发生器电路中。
本文将探讨如何利用LM358设计正弦波、方波和三角波产生电路,并简要介绍其应用。
二、LM358正弦波产生电路设计1. 基本原理LM358正弦波产生电路的基本原理是利用振荡电路产生稳定的正弦波信号。
通过LM358的高增益和频率特性,结合RC滤波电路,可以实现较为稳定的正弦波输出。
2. 电路设计(1)LM358引脚连接。
将LM358的引脚2和3分别与电容C1和C2相连,形成反馈电路,引脚1接地,引脚4和8分别接正负电源,引脚5接地,引脚7连接输出端。
(2)RC滤波电路。
在LM358的输出端接入RC滤波电路,通过调节电阻和电容的数值,可以实现所需的正弦波频率和幅值。
3. 电路测试连接电源并接入示波器进行测试,调节RC滤波电路的参数,可以观察到稳定的正弦波信号输出。
三、LM358方波产生电路设计1. 基本原理LM358方波产生电路的基本原理是通过LM358的高增益和高速响应特性,结合反相输入和正向输入,实现对方波信号的产生。
2. 电路设计(1)LM358引脚连接。
将LM358的引脚2和3分别与电阻R1和R2相连,引脚1接地,引脚4和8分别接正负电源,引脚5接地,引脚7连接输出端。
(2)反相输入和正向输入。
通过R1和R2的分压作用,实现LM358反相输入和正向输入,从而产生方波输出。
3. 电路测试连接电源并接入示波器进行测试,调节R1和R2的数值,可以观察到稳定的方波信号输出。
四、LM358三角波产生电路设计1. 基本原理LM358三角波产生电路的基本原理是通过LM358的反相输入和正向输入结合,实现对三角波信号的产生。
2. 电路设计(1)LM358引脚连接。
将LM358的引脚2和3分别与电容C1和C2相连,引脚1接地,引脚4和8分别接正负电源,引脚5接地,引脚7连接输出端。
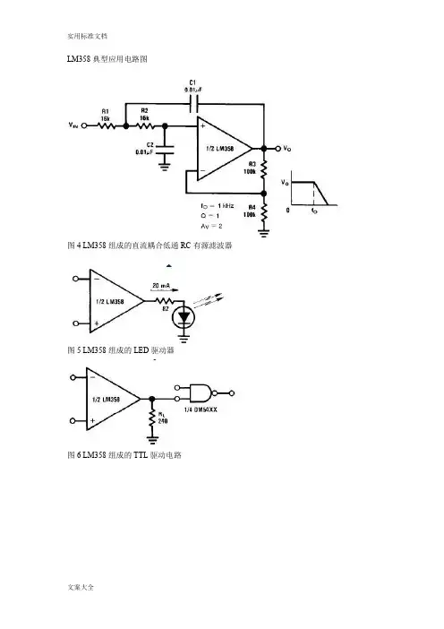
LM358典型应用电路图
图4 LM358组成的直流耦合低通RC有源滤波器
图5 LM358组成的LED驱动器
图6 LM358组成的TTL驱动电路
图7 LM358组成的RC有源带通滤波器
图8 LM358组成的方波发生器
图9 滞后比较器
图10 带通有源滤波器
图11 灯驱动程序
图12 电流*器
图13 低漂移峰值检测器
图14 电压跟随器
图15 功率放大器外围电路
图16 LM358电压控制振荡器VCO
图17 固定电流源
图18 脉冲发生器
图19 交流耦合反相放大器
图20 交流耦合非反相放大器
图21 可调增益仪表放大器
图22 直流放大器
图23脉冲发生器
图24 桥式电流放大器
图25 引用差分输入信号
图26 直流差动放大器
本文来自: 原文网址:/info/commonIC/0082527.html 。
频率可调的方波信号发生器设计及电路用单片机产生频率可调的方波信号。
输出方波的频率范围为1Hz-200Hz,频率误差比小于0.5%。
要求用“增加”、“减小”2个按钮改变方波给定频率,按钮每按下一次,给定频率改变的步进步长为1Hz,当按钮持续按下的时间超过2秒后,给定频率以10次/秒的速度连续增加(减少),输出方波的频率要求在数码管上显示。
用输出方波控制一个发光二极管的显示,用示波器观察方波波形。
开机默认输出频率为5Hz。
3.5.1模块1:系统设计(1)分析任务要求,写出系统整体设计思路任务分析:方波信号的产生实质上就是在定时器溢出中断次数达到规定次数时,将输出I/O管脚的状态取反。
由于频率范围最高为200Hz,即每个周期为5ms(占空比1:1,即高电平2.5ms,低电平2.5 m s),因此,定时器可以工作在8位自动装载的工作模式。
涉及以下几个方面的问题:按键的扫描、功能键的处理、计时功能以及数码管动态扫描显示等。
问题的难点在按键连续按下超过2S的计时问题,如何实现计时功能。
系统的整体思路:主程序在初始化变量和寄存器之后,扫描按键,根据按键的情况执行相应的功能,然后在数码显示频率的值,显示完成后再回到按键扫描,如此反复执行。
中断程序负责方波的产生、按键连续按下超过2S后频率值以10Hz/s递增(递减)。
(2)选择单片机型号和所需外围器件型号,设计单片机硬件电路原理图采用MCS51系列单片机At89S51作为主控制器,外围电路器件包括数码管驱动、独立式键盘、方波脉冲输出以及发光二极管的显示等。
数码管驱动采用2个四联共阴极数码管显示,由于单片机驱动能力有限,采用74HC244作为数码管的驱动。
在74HC244的7段码输出线上串联100欧姆电阻起限流作用。
独立式按键使用上提拉电路与电源连接,在没有键按下时,输出高电平。
发光二极管串联500欧姆电阻再接到电源上,当输入为低电平时,发光二极管导通发光。
图3-14 方波信号发生器的硬件电路原理图(3)分析软件任务要求,写出程序设计思路,分配单片机内部资源,画出程序流程图软件任务要求包括按键扫描、定时器的控制、按键连续按下的判断和计时、数码管的动态显示。
lm358构成的反比例运放电路1. 引言在电子电路领域中,反比例运放电路(Inverting Amplifier Circuit)是一种常见且重要的电路配置。
其中,使用lm358型号的运放芯片构成的反比例运放电路在电子设计中广泛应用。
本文将深入探讨lm358构成的反比例运放电路的原理、特性以及应用。
2. lm358运放芯片的基本介绍让我们来了解一下lm358运放芯片的基本特点。
lm358是一款双运放芯片,常用于低功耗、低噪声、通用放大、滤波和比较等应用。
它具有宽电压范围、低功耗和高共模抑制比等特性,使得它适合在各种电子电路中作为放大器或运算放大器使用。
3. 反比例运放电路的原理接下来,我们将详细介绍lm358构成的反比例运放电路的原理。
反比例运放电路是一种基本的运放电路配置,它由一个运放芯片和外部电阻构成。
其基本原理是利用负反馈的方式,将输入信号取负号并放大输出。
在lm358构成的反比例运放电路中,输入信号通过一个输入电阻连接到反馈电阻。
当输入信号为正电压时,输入引脚的电压较高,导致运放芯片的输出电压下降,从而使输入和输出之间的电压差较小。
另当输入信号为负电压时,输入引脚的电压较低,从而导致运放芯片的输出电压升高,以消除输入和输出之间的电压差。
通过这样的运算,反比例运放电路能够实现输入信号的放大。
4. lm358反比例运放电路的特性除了基本原理外,我们还需要了解lm358反比例运放电路的特性。
lm358芯片具有输入电阻较高、输出阻抗低、频率响应范围宽等特点,使得它在放大和滤波等方面具有良好的性能。
lm358反比例运放电路还具有电压放大倍数可调、输入阻抗可调等可变性优势。
通过调整电阻值,可以灵活地改变放大倍数,并满足不同应用场景的需求。
5. 应用案例接下来,我们将介绍反比例运放电路的一些常见应用案例,以帮助读者更好地理解其实际应用。
5.1 信号放大反比例运放电路可以将输入信号放大到相应的倍数,从而增强信号强度。
电子线路课程设计报告书题目方波三角波信号发生器专业班级10级自动化(1)班学号2020080717学生姓名孙彬指导教师郝保明2021年12月15日三角波方波信号发生器前言函数发生器一样是指能自动产生正弦波、三角波、方波、阶梯波等电压波形的电路或仪器。
电路形式能够采纳运放及分立元器件组成;也能够采纳单片集成函数发生器。
依照用途不同,用产生三种或多种波形的函数发生器,本课题介绍方波——三角波函数发生器的设计方式。
产生方波、三角波的方案有很多种,本设计的此波形发生器由两个LM358 集成运算放大器及其周边电路组成,能够发生方波、三角波。
波形发生器是一种经常使用的信号源,普遍地应用于电子电路、自动操纵系统、和教学实验等领域。
本次课程设计利用的发生器可产生三角波、方波等多种波形,波形的周期能够用程序改变,并可依照需要选择单极性输出或双极性输出,具有线路简单、结构紧凑等优势。
目录前言 (1)一、设计任务与要求……………………………………………………………………错误!未定义书签。
二、方案论证与对照……………………………………………………………………错误!未定义书签。
2.1 设计方案…………………………………………………………………………错误!未定义书签。
2.2 设计思路…………………………………………………………………………错误!未定义书签。
三、单元电路设计及参数计算 (2)3.1 单元电路设计与原理说明 (2)3.2 电路参数计算 (3)四、总原理图及元器件清单 (5)五、安装与调试 (6)5.1制版 (6) (6)六、性能测试与分析 (8)七、结论与心得 (8)参考文献 (9)附录 (10)一、设计任务与要求一、课落款称:方波三角波发生器二、元器件选择范围:(1)集成电路: LM358;(2)稳压二极管:12V稳压二极管;(3)电阻:1K、10K;(4)电容:2200P、150P;3、电源电压不超过±12V4、输出信号波形为对称方波和三角波二、方案设计与论证此波形发生器由一个LM358 集成运算放大器及其周边电路组成,能够发生方波、三角波。
lm358工作原理LM358工作原理。
LM358是一种常用的双运算放大器,广泛应用于各种电子电路中。
它的工作原理非常简单,但却非常重要。
本文将介绍LM358的工作原理,希望能够帮助读者更好地理解和应用这一器件。
首先,我们来看一下LM358的基本结构。
LM358由两个独立的运算放大器组成,每个运算放大器都有一个非反相输入端和一个反相输入端,以及一个输出端。
它还有一个共用的电源引脚和一个共用的地引脚。
这种结构使得LM358可以同时处理两个独立的输入信号。
LM358的工作原理主要是基于运算放大器的放大特性。
它可以将微小的输入信号放大成较大的输出信号,同时保持输入信号的相对性质不变。
这种放大特性使得LM358在各种电子电路中都有广泛的应用,比如信号放大、滤波、比较等。
在实际应用中,LM358通常会配合其他元件一起工作,比如电容、电阻等。
这些元件可以构成各种不同的电路,从而实现不同的功能。
比如,当LM358与电容串联时,可以构成低通滤波器;当与电阻并联时,可以构成比较器。
这些电路的工作原理都是基于LM358的放大特性,利用其输出信号与输入信号之间的关系来实现不同的功能。
除了基本的放大特性,LM358还有一些其他的特性,比如输入阻抗、输出阻抗、共模抑制比等。
这些特性也会对其工作原理产生影响,需要在实际应用中加以考虑。
总的来说,LM358的工作原理是基于其运算放大器的放大特性,通过配合其他元件构成不同的电路,实现各种不同的功能。
在实际应用中,需要充分理解其工作原理,合理设计电路,才能发挥其最大的作用。
希望本文能够帮助读者更好地理解LM358的工作原理,为其在实际应用中提供一些帮助。
LM358虽然简单,但却非常重要,希望读者能够加以重视,并加以合理应用。
LM358的工作原理虽然简单,但是它在各种电子电路中的应用却是非常广泛的,希望读者能够通过本文更好地理解和应用LM358。
lm358方波发生器调占空比计算
LM358是一种双通道操作放大器,可以用于构建方波发生器,并且可以通过控制输入信号的幅度来实现调节方波的占空比。
假设我们使用一个电路将 LM358 构成方波发生器,其中正反馈电阻为 R2,负反馈电阻为 R1,电容 C 用于产生延迟,输入信号的幅度为 Vp,那么该电路产生的方波频率可以表示为:
f = 1 / (2.197 * R1 * C)
占空比D的表达式为:
D = (R1+R2)/R2
因此,当我们需要调节方波的占空比时,可以通过改变 R1 和 R2 的值来实现。
例如,当 R1=R2 时,方波的占空比为50%;当 R2 的值增大时,占空比会变小,反之占空比会变大。
可以使用占空比计算公式进行计算。
下载:lm358中文资料LM358是常用的双运放,这里我们介绍一下他的一些资料以及简单电路应用等,有什么问题请去电子论坛.简介:LM358里面包括有两个高增益、独立的、内部频率补偿的双运放,适用于电压范围很宽的单电源,而且也适用于双电源工作方式,它的应用范围包括传感放大器、直流增益模块和其他所有可用单电源供电的使用运放的地方使用。
〈lm358引脚图及引脚功能〉LM358封装有塑封8引线双列直插式和贴片式两种。
LM358的特点:.内部频率补偿.低输入偏流.低输入失调电压和失调电流.共模输入电压范围宽,包括接地.差模输入电压范围宽,等于电源电压范围.直流电压增益高(约100dB).单位增益频带宽(约1MHz).电源电压范围宽:单电源(3—30V);.双电源(±1.5一±15V).低功耗电流,适合于电池供电.输出电压摆幅大(0至Vcc-1.5V)图1DIP塑封引脚图引脚功能图2圆形金属壳封装管脚图图3内部电路原理图lm358中文资料LM358内部包括有两个独立的、高增益、内部频率补偿的双运算放大器,适合于电源电压范围很宽的单电源使用,也适用于双电源工作模式,在推荐的工作条件下,电源电流与电源电压无关。
它的使用范围包括传感放大器、直流增益模组,音频放大器、工业控制、DC增益部件和其他所有可用单电源供电的使用运算放大器的场合。
LM358的封装形式有塑封8引线双列直插式和贴片式。
特性(Features):*内部频率补偿。
*直流电压增益高(约100dB)。
*单位增益频带宽(约1MHz)。
*电源电压范围宽:单电源(3—30V);双电源(±1.5一±15V)。
*低功耗电流,适合于电池供电。
*低输入偏流。
*低输入失调电压和失调电流。
*共模输入电压范围宽,包括接地。
*差模输入电压范围宽,等于电源电压范围。
*输出电压摆幅大(0至Vcc-1.5V)。
参数输入偏置电流45nA输入失调电流50nA输入失调电压2.9mV输入共模电压最大值VCC~1.5V共模抑制比80dB电源抑制比100dBLM358应用电路图:图15功率放大器外围电路图21可调增益仪表放大器图22直流放大器图24桥式电流放大器图25引用差分输入信号图26直流差动放大器。
宁波大红鹰学院《模拟电子技术》课程设计报告课题名称:信号发生器分院:机械与电气工程学院教研室:电气工程及其自动化班级:姓名:学号:指导教师:严金龙李燕二○一三年十二月课题名称一、设计任务1.1设计要求1.利用集成运算放大器LM358设计一个简易信号发生器,要求能产生正弦波、方波和三角波三种波形。
2.采用双电源供电形式:电源12CC V V =+、12EE V V =-; 输出信号满足:(1)正弦波:V pp >=2V ;方波:V pp =13.5V ;三角波:V pp =8V ; (2)频率:110HZ ; (3)波形无明显失真。
1.2系统框图方波发生电路积分电路产生RC自激震荡产二、硬件设计2.1正弦波发生电路图1 正弦波RC串并联选频网络如下图(a)所示,它在正弦波振荡电路中既为选频网络,又为正反馈网络,所以其输入电压为,输出电压为。
当信号频率足够低时,,因而网络的简化电路及其电压和电流的向量如图(b)所示。
超前,当频率趋于零时,相位超前趋近于+900,且趋近于零。
当信号频率足够高时,,因而网络的简化电路及其电压和电流的向量如图(c)所示。
滞后,当频率趋近于无穷大时,相位滞后趋近于-900,且趋近于零。
当信号频率从零逐渐变化到无穷大时,的相位将从+900逐渐变化到-900。
因此,对于RC串并联选频网络,必定存在一个频率f0,当f=f0时,=同相。
通过计算可求出RC串并联选频网络的频率特性,如下图所示,其谐振频率。
为使f0=110hz,即使RC=1/220*3.14,确定了C的值就得到一个电阻的值。
R=1.447(1.45)KΩ,C=1uf。
RC桥式正弦波振荡电路:因为正弦波振荡器的起振条件是,从幅频特性曲线可得,当f=f0时,F=1/3,所以当A>3时,即RC串并联选频网络匹配一个电压放大倍数略大于3的正反馈放大器时,就可构成正弦波振荡器。
从理论上讲,任何满足放大倍数要求的放大电路与RC串并联选频网络都可组成正弦波振荡电路;但是,实际上,所选用的放大电路应具有尽可能大的输入电阻和尽可能小的输出电阻,以减小放大电路对选频特性的影响,使振荡频率几乎仅仅决定于选频网络。
lm358正弦波方波三角波产生电路LM358是一种双通道运算放大器,具有低功耗和宽电源电压范围等特点,非常适合用于信号处理、滤波以及波形生成电路。
在本文中,我们将针对LM358正弦波、方波和三角波产生电路展开探讨,并提供详细的电路设计原理和实现步骤。
1. LM358正弦波产生电路正弦波产生电路是一种基本的波形生成电路,能够产生具有稳定幅值和频率的正弦波信号。
使用LM358运算放大器和一些基本的无源元件,我们可以设计出简单而稳定的正弦波产生电路。
我们需要通过一个RC 网络将运算放大器配置为反馈振荡电路。
通过调整RC网络的参数,可以实现所需频率的正弦波输出。
需要注意的是,为了稳定输出的幅值和频率,我们需要精心选择和调整电阻和电容的数值。
2. LM358方波产生电路方波产生电路是一种能够生成具有固定占空比和频率的方波信号的电路。
使用LM358运算放大器和几个简单的元件,我们可以设计出稳定的方波产生电路。
我们可以将LM358配置为比较器,通过设置阈值电压和反馈电阻,可以实现所需频率和占空比的方波输出。
需要注意的是,选择合适的电阻和电容数值,可以使得方波输出的上升和下降沿更加陡峭。
3. LM358三角波产生电路与正弦波和方波不同,三角波产生电路能够生成具有线性变化斜率的三角波信号。
同样地,我们可以利用LM358运算放大器和几个简单的元件设计出稳定的三角波产生电路。
我们可以将LM358配置为积分放大器,通过输入一个方波信号,并将其积分,可以得到具有线性变化斜率的三角波输出。
调整输入方波的频率和幅值,可以进一步调整三角波输出的频率和幅值。
总结回顾通过对LM358正弦波、方波和三角波产生电路的探讨,我们可以看到LM358作为运算放大器在波形生成电路中的灵活性和高性能。
通过精心设计和调整,我们可以实现稳定、精确和灵活的波形输出。
值得一提的是,LM358产生的波形信号可以应用于各种信号处理和波形调制电路中,具有广泛的应用前景。
LM358双运算放大器电路的典型应用脚位排列图概述(Description:LM358内部包括有两个独立的、高增益、内部频率补偿的双运算放大器,适合于电源电压范围很宽的单电源使用,也适用于双电源工作模式,在推荐的工作条件下,电源电流与电源电压无关。
它的使用范围包括传感放大器、直流增益模块和其他所有可用单电源供电的使用运算放大器的场合。
LM358的封装形式有塑封8引线双列直插式和贴片式。
•内部频率补偿•直流电压增益高(约100dB•单位增益频带宽(约1MHz•电源电压范围宽:单电源(3—30V;双电源(±1.5一±15V•低功耗电流,适合于电池供电•低输入偏流•低输入失调电压和失调电流•共模输入电压范围宽,包括接地•差模输入电压范围宽,等于电源电压范围•输出电压摆幅大(0至Vcc-1.5V下载资料(英文PDF-477K红外线探测报警器该报警器能探测人体发出的红外线,当人进入报警器的监视区域内,即可发出报警声,适用于家庭、办公室、仓库、实验室等比较重要场合防盗报警。
工作原理该装置电路原理见图1。
由红外线传感器、信号放大电路、电压比较器、延时电路和音响报警电路等组成。
红外线探测传感器IC1探测到前方人体辐射出的红外线信号时,由IC1的②脚输出微弱的电信号,经三极管VT1等组成第一级放大电路放大,再通过C2输入到运算放大器IC2中进行高增益、低噪声放大,此时由IC2①脚输出的信号已足够强。
IC3作电压比较器,它的第⑤脚由R10、VD1提供基准电压,当IC2①脚输出的信号电压到达IC3的⑥脚时,两个输入端的电压进行比较,此时IC3的⑦脚由原来的高电平变为低电平。
IC4为报警延时电路,R14和C6组成延时电路,其时间约为1分钟。
当IC3的⑦脚变为低电平时,C6通过VD2放电,此时IC4的②脚变为低电平,它与IC4的③脚基准电压进行比较,当它低于其基准电压时, IC4的①脚变为高电平,VT2导通,讯响器BL通电发出报警声。
LM358典型应用电路图
图4 LM358组成的直流耦合低通RC有源滤波器
图5 LM358组成的LED驱动器
图6 LM358组成的TTL驱动电路
图7 LM358组成的RC有源带通滤波器
图8 LM358组成的方波发生器
图9 滞后比较器
图10 带通有源滤波器
图11 灯驱动程序
图12 电流*器
图13 低漂移峰值检测器
图14 电压跟随器
图15 功率放大器外围电路
图16 LM358电压控制振荡器VCO 图17 固定电流源
图18 脉冲发生器
图19 交流耦合反相放大器
图20 交流耦合非反相放大器
图21 可调增益仪表放大器
图22 直流放大器
图23脉冲发生器
图24 桥式电流放大器
图25 引用差分输入信号
图26 直流差动放大器。
浅析LM358运算放大器的原理及应用作者:李金海李明宇来源:《科学与财富》2019年第03期摘要:电子信息技术在推动社会进步与发展方面发挥着至关重要的作用。
随着现代电子技术应用范围的不断扩大,运算放大器在模拟电路中的作用也越来越重要。
LM358作为一种通用型双运算放大器,在电子信息行业的应用十分广泛。
本文首先简要介绍了LM358运算放大器及其特性,然后对其工作原理进行分析,最后列举了LM358运算放大器的具体应用案例,以期为LM358运算放大器在电子信息产业中更好地发挥其应用价值提供参考。
关键词:LM358;运算放大器;原理;应用实例;引言运算放大器是模拟电路中比较常见的电子元器件,根据其参数的不同,可分为通用型和专用型两大类,而后者又可分为高阻型、低温漂型、高速型、低功耗型等多种类型。
LM358则属于通用型的双运算放大器,具有成本低、应用范围广的特点,是目前市场上应用范围最广泛的集成运算放大器之一。
因此,了解和分析LM358运算放大器的工作原理和应用案例,对其在电子设备中的科学应用及其应用水平的提高具有重要的指导意义。
一、LM358运算放大器概述早期,运算放大器出现的目的是将电压用数字的形式表示出来,以方便加、减、乘、除的运算,常被用来建构模拟计算机。
目前,运算放大器的用途早已不再局限于普通的加减乘除计算,而是出现了多种特殊运算功能且类型各异的运算放大器。
现如今,运算放大器用途十分广泛,在精密度要求较高的直流放大器、交流放大器、振荡器、有源滤波器以及电压比较器等的生产中都是不可或缺的重要器件。
根据供电方式的不同,可将运算放大器分为双电源供电和单电源供电两种,而根据应用参数的不同,又可将其分为通用型和专用型两大类。
LM358运算放大器是发展水平和应用现状相对来说都比较成熟的一种通用型双运算放大器,这里的“双”指的是LM358的内部是由两个相对独立的运算放大器组成,且均具有高增益、内部频率补偿的特点。
LM358重要应用电路图
LM358典型应用电路图
图4 LM358组成的直流耦合低通RC有源滤波器
图5 LM358组成的LED驱动器
图6 LM358组成的TTL驱动电路
图7 LM358组成的RC有源带通滤波器
图8 LM358组成的方波发生器
图12 电流*器图13 低漂移峰值检测器
图14 电压跟随器
图15 功率放大器外围电路
图16 LM358电压控制振荡器VCO 图17 固定电流源
图18 脉冲发生器
图19 交流耦合反相放大器
图20 交流耦合非反相放大器图21 可调增益仪表放大器
图22 直流放大器图23脉冲发生器
图24 桥式电流放大器图25 引用差分输入信号图26 直流差动放大器
本文来自: 原文网址:/info/commonIC/0082527.html 。
如何用LM358做可调方波发生器阅读: 10260 |回复: 5 楼层直达六2008/11/17 22:16:291ywshgywLV1士兵因为需要,想用LM358做一个28-400Hz可调的,占空比为50%的方波发生器,网上找了点资料,搭了一下最后只调出一个50Hz的方波(是不是市电干扰的缘故),想请教大家一下这个电路用LM358可行吗?有没有更好的办法?(原理图上是用双电源,我用单电源可行吗?)另外有刚刚找了两张图,还没实验过,不知道可行否先谢大家了!标签LM回复1帖复制地址收藏该帖五2008/11/18 18:36:262ywshgywLV1士兵试过可以了回复2帖四2008/12/02 20:40:143 xuetuLV2班长用图一好些回复3帖三2011/09/01 13:47:474 ouyjangxiLV2班长请教该电路计算公式望推荐回复4帖二2012/04/19 20:20:295 jzyhappyLV2班长500) {this.resized=true; this.width=500; this.alt=这是一张缩略图,点击可放大。
\n按住CTRL,滚动鼠标滚轮可自由缩放;this.style.cursor=hand}" height=169 jQuery1334838395859="19">这一款的频率应该怎么计算呢?或是:正比于输入电压信号(V+)?谢谢!回复5帖一2013/10/23 15:31:466火云鞋刷LV1士兵偶而看到这个帖子,试了一下,频率和电容成反比回复6帖。
LM358双运算放大器电路的典型应用脚位排列图概述(Description):LM358内部包括有两个独立的、高增益、内部频率补偿的双运算放大器,适合于电源电压范围很宽的单电源使用,也适用于双电源工作模式,在推荐的工作条件下,电源电流与电源电压无关。
它的使用范围包括传感放大器、直流增益模块和其他所有可用单电源供电的使用运算放大器的场合。
LM358的封装形式有塑封8引线双列直插式和贴片式。
•内部频率补偿•直流电压增益高(约100dB)•单位增益频带宽(约1MHz)•电源电压范围宽:单电源(3—30V);双电源(±1.5一±15V)•低功耗电流,适合于电池供电•低输入偏流•低输入失调电压和失调电流•共模输入电压范围宽,包括接地•差模输入电压范围宽,等于电源电压范围•输出电压摆幅大(0至Vcc-1.5V)下载资料(英文PDF-477K)红外线探测报警器该报警器能探测人体发出的红外线,当人进入报警器的监视区域内,即可发出报警声,适用于家庭、办公室、仓库、实验室等比较重要场合防盗报警。
工作原理该装置电路原理见图1。
由红外线传感器、信号放大电路、电压比较器、延时电路和音响报警电路等组成。
红外线探测传感器IC1探测到前方人体辐射出的红外线信号时,由IC1的②脚输出微弱的电信号,经三极管VT1等组成第一级放大电路放大,再通过C2输入到运算放大器IC2中进行高增益、低噪声放大,此时由IC2①脚输出的信号已足够强。
IC3作电压比较器,它的第⑤脚由R10、VD1提供基准电压,当IC2①脚输出的信号电压到达IC3的⑥脚时,两个输入端的电压进行比较,此时IC3的⑦脚由原来的高电平变为低电平。
IC4为报警延时电路,R14和C6组成延时电路,其时间约为1分钟。
当IC3的⑦脚变为低电平时,C6通过VD2放电,此时IC4的②脚变为低电平,它与IC4的③脚基准电压进行比较,当它低于其基准电压时,IC4的①脚变为高电平,VT2导通,讯响器BL通电发出报警声。
如何用LM358做可调方波发生器
阅读: 10260 |回复: 5 楼层直达
六2008/11/17 22:16:29
1
ywshgyw
LV1
士兵
因为需要,想用LM358做一个28-400Hz可调的,占空比为50%的方波发生器,网上找了点资料,搭了一下最后只调出一个50Hz的方波(是不是市电干扰的缘故),想请教大家一下这个电路用LM358可行吗?有没有更好的办法?(原理图上是用双电源,我用单电源可行吗?)
另外有刚刚找了两张图,还没实验过,不知道可行否
先谢大家了!
标签LM
回复1帖
复制地址
收藏该帖
五2008/11/18 18:36:26
2
ywshgyw
LV1
士兵
试过可以了回复2帖
四2008/12/02 20:40:14
3 xuetu
LV2
班长
用图一好些
回复3帖
三2011/09/01 13:47:47
4 ouyjangxi
LV2
班长
请教该电路计算公式望推荐
回复4帖
二2012/04/19 20:20:29
5 jzyhappy
LV2
班长
500) {this.resized=true; this.width=500; this.alt=这是一张缩略图,点击可放大。
\n按住CTRL,滚动鼠标滚轮可自由缩放;this.style.cursor=hand}" height=169 jQuery1334838395859="19">
这一款的频率应该怎么计算呢?
或是:正比于输入电压信号(V+)?
谢谢!
回复5帖
一2013/10/23 15:31:46
6
火云鞋刷
LV1
士兵
偶而看到这个帖子,试了一下,频率和电容成反比
回复6帖。