动火作业危害分析记录表-风险识别及评价电子教案
- 格式:doc
- 大小:58.50 KB
- 文档页数:3
欧阳育创编 2021.02.04 欧阳育创编 2021.02.04 欧阳育创编 2021.02.04 欧阳育创编 2021.02.04 动火作业危害分析记录表
时间:2021.02.04 创作:欧阳育 分析人员: 分析日期: 审核人: 审核日期:
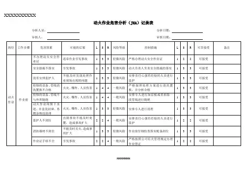
岗位 工作步骤 危害因素 可能的后果 L S R 风险等级 控制措施 L S R 可否接受 备注
动火作业 作业前
不办理动火安全作业证 违章作业引发事故 1 3 3 轻微风险 严格办理动火安全作业证 1 2 2 可接受
安全措施不落实 引发事故 1 3 3 轻微风险 动火负责人负责安全措施的落实 1 3 3 可接受 没有安排监护人 不能及时发现处理作业现场出现的问题 1 3 3 轻微风险 安排责任心强有经验的人员进行监护 1 3 3 可接受 检修的设备、管线清洗置换不合格 火灾、爆炸、人员伤害 1 4 4 一般风险 严格按照处理方案进行清洗置换,并分析合格 1 3 3 可接受
检修的设备、管线不与外界隔绝 火灾、爆炸、人员伤害 1 4 4 一般风险 安排专人进行加盲板或者拆除一段管线进行隔绝 1 3 3 可接受
动火作业周围下水道、井盖没封堵、易燃杂物没清理 火灾、爆炸、人员伤害 1 3 3 轻微风险 安排专人进行清理 1 3 3 可接受 欧阳育创编 2021.02.04 欧阳育创编 2021.02.04
欧阳育创编 2021.02.04 欧阳育创编 2021.02.04 高处作业未采取防火花飞溅措施 火灾、爆炸、人员伤害 1 3 3 轻微风险 动火负责人负责安全措施的落实 1 3 3 可接受
监护人不到位 出现事故不能及时处置,造成事故扩大 2 2 4 一般风险 安排责任心强有经验的人员进行监护 1 2 2 可接受 消防器材不到位 不能及时灭火,造成事故扩大 1 3 3 轻微风险 作业前仔细检查落实配备到位 1 3 3 可接受 作业证手续不全 引发事故 2 2 4 一般风险 严格按照公司有关管理规定办理作业票证 1 2 2 可接受
动火作业风险识别与应对措施动火作业风险辨识表1.火灾危险源识别在动火作业时,可能存在以下火灾危险源:●易燃易爆气体、液体或固体物质●电气设备、电缆或电线●焊接作业产生的火花、热能或飞溅物●火柴、打火机或其它火源1.易燃易爆物质识别在动火作业区域,可能存在以下易燃易爆物质:●汽油、柴油、煤油等易燃液体●氢气、乙炔、氧气、乙醇等易燃气体●炸药、雷管等爆炸物品●可燃性粉尘,如煤尘、棉尘等1.火灾预防措施为预防动火作业过程中发生火灾,应采取以下措施:●动火作业前,应进行风险评估,制定相应的安全措施。
●清除动火作业区域内的易燃易爆物质,确保作业区域内无易燃物。
●对电气设备、电缆等进行检查,确保其无故障,符合防火要求。
●使用合格的焊接设备、工具和防护用品,并确保其处于良好状态。
●对焊工等作业人员进行培训,确保其具备防火知识和技能。
1.应急处理措施为应对动火作业过程中发生的火灾,应采取以下应急处理措施:●一旦发生火灾,应立即切断火源,并进行灭火。
●使用适当的灭火器材和灭火方法,不要盲目扑救,防止火势扩大。
●迅速报警并通知相关人员,启动应急预案。
●对受伤人员进行救治,并及时撤离现场。
1.安全操作规程为确保动火作业安全顺利进行,应制定并执行以下安全操作规程:●动火作业前,应进行安全检查,确保设备和工具符合安全要求。
●严禁携带易燃易爆物品进入动火作业区域。
●穿戴适当的个人防护用品,如劳保鞋、防护手套、面罩等。
●遵守火炬或火花控制程序。
●在焊接或切割过程中,保持警觉并注意周围环境。
●在工作完成后,进行清理并确保现场安全。
1.人员培训与资格要求为确保动火作业的安全性和合规性,应对作业人员进行培训,并确保其具备以下资格要求:●掌握防火知识和技能,了解动火作业的危险性和预防措施。
●熟练使用焊接设备、工具和防护用品,掌握正确的操作方法。
●熟悉应急处理措施和消防器材的使用方法。
●遵守相关安全法规和操作规程。
●通过相关考试并获得相应的资格证书或经过专业培训并取得合格证书。
动火作业风险分析及安全措施表序号风险分析安全措施1 易燃易爆有害物质:①将动火设备、管道内的物料清洗、置换,经分析合格。
②储罐动火,清除易燃物,罐内盛满清水或惰性气体保护。
③设备内通(氮气、水蒸气)保护。
④塔内动火,将石棉布浸湿,铺在相邻两层塔盘上进行隔离。
⑤进入受限空间动火,必须办理《受限空间作业证》。
2 火星窜入其它设备或易燃物侵入动火设备切断与动火设备相连通的设备管道并加盲板___块隔断,挂牌,并办理《抽堵盲板作业证》。
3 动火点周围有易燃物①清除动火点周围易燃物,动火附近的下水井、地漏、地沟、电缆沟等清除易燃后予封闭。
②电缆沟动火,清除沟内易燃气体、液体,必要时将沟两端隔绝。
4 泄漏电流(感应电)危害电焊回路线应搭接在焊件上,不得与其它设备搭接,禁止穿越下水道(井)。
5 火星飞溅①高处动火办理《高处作业证》,并采取措施,防止火花飞溅。
②注意火星飞溅方向,用水冲淋火星落点。
6 气瓶间距不足或放置不当①氧气瓶、溶解乙炔气瓶间距不小于5m,二者与动火地点之间均不小于10m。
②气瓶不准在烈日下曝晒,溶解乙炔气瓶禁止卧放。
7 电、气焊工具有缺陷动火作业前,应检查电、气焊工具,保证安全可靠,不准带病使用。
8 作业过程中,易燃物外泄动火过程中,遇有跑料、串料和易燃气体,应立即停止动火。
9 通风不良①室内动火,应将门窗打开,周围设备应遮盖,密封下水漏斗,清除油污,附近不得有用溶剂等易燃物质的清洗作业。
②采用局部强制通风;10 未定时监测①取样与动火间隔不得超过30min,如超过此间隔或动火作业中断时间超过30min,必须重新取样分析。
②采样点应有代表性,特殊动火的分析样品应保留至动火结束。
③动火过程中,中断动火时,现场不得留有余火,重新动火前应认真检查现场条件是否有变化,如有变化,不得动火。
11 监护不当①监火人应熟悉现场环境和检查确认安全措施落实到位,具备相关安全知识和应急技能,与岗位保持联系,随时掌握工况变化,并坚守现场。
动火作业风险辨识表一、概述动火作业是指在施工或者维修过程中,用明火或者高温火源进行的操作,例如切割、焊接、烧烤等。
动火作业具有一定的危险性,如果操作不当,很容易导致火灾事故的发生,因此在进行动火作业前,必须对作业危险性进行分析和评估,制定相应的防范措施,并且引入适当的风险控制措施,以保证作业的安全性和顺利完成。
本文档将介绍如何进行动火作业风险辨识,包括动火作业的定义、作业危险因素的分析、危险等级的评估,以及针对不同等级的风险采取的相应措施。
二、动火作业定义根据《安全生产法》的规定,动火作业是指利用明火或者高温火源进行的作业,包括气焊、气割、电焊、电割、明火作业和烤漆等作业。
三、作业危险因素的分析在进行动火作业前,需要对作业现场进行全面的安全检查和分析,以了解可能存在的危险因素,主要包括以下内容:1.动火作业所涉及的物质,包括它们的性质、形态、量、状态、贮存位置以及相互作用关系等等。
2.现场的环境因素,包括温度、湿度、上下风向、空间大小、进出通道、泄漏、沉积物等等。
3.现场的人员及设备,包括其能力、技术水平、装备、经验、疲劳程度、沟通及指挥等等。
四、危险等级的评估动火作业的危险等级评估是基于危险源和工艺流程的潜在危险性来评估的。
评估可以按照已知的处理剂量、浓度、毒性等特征的安全数据,并结合能耗和工艺参数,以此对动火作业危险性进行划分。
根据这些评估,动火作业的危险性可以合理的分类并采取必要的预防措施,以求最大限度的控制你作业所带来的潜在危险。
一般情况下,危险等级分为以下五个等级:危险等级危险程度说明1级低危险潜在危险性很小,易于采取必要的安全措施,作业环节能完全控制。
2级一般危险潜在危险性较小,但有些小节需要注意。
在进行作业前,应该做充分安全交底,并采取必要的安全措施。
3级中等危险潜在危险性比较大,容易出现意外。
在进行作业前,需要仔细分析各种危险源并采取必要的防护措施。
4级较大危险潜在危险性非常大,需要特别级别的防护措施。
动火作业危害分析记录表作业单位:作业地点:分析人:作业时间:序号工作步骤危害或潜在事件主要后果以往发生频率及现有安全控制措施L S R 建议改进措施检查情况偏差发生频次管理措施员工胜任程度安全设施1 动火部位的设备内部构件清理干净未清理或置换不合格;可燃或有毒气体超标动火时易发生燃爆,易造成人员轻、重伤甚至死亡未曾发生每次审查,有动火作业管理规定,并严格执行胜任人员培训强化监督考核2 断开与动火部位相连的设备、管线隔绝措施不当运行设备出现渗漏可燃有毒气、液体在动火时易发生燃爆、中毒,易造成人员轻、重伤甚至死亡从未发生每次均检查,有动火管理规定,并严格执行胜任3 动火点(包括地沟、下水井、电缆沟等)周围易燃物品的清除情况地沟、下水井、电缆沟等处易积聚有毒、可燃气液体在积聚的浓度达到爆炸极限时遇明火易发生燃爆曾经发生每次检查,有管理规定,并严格执行胜任人员培训强化监督考核4 电焊回路线、把子线电焊回路线未接在焊件上;把线与其它设备搭接在施焊时时易引起焊件与回路线搭接处发生火灾,引起不必要的火情曾经发生每次检查,有管理规定,并严格执行胜任5 登高/入罐焊接时防止火花措施焊接现场火花飞溅或熔融物滴落高温物体或飞溅物易引燃可燃物质造成火灾曾经发生每次检查,动火作业管理规定,并严格执行胜任6 液化气瓶与氧气瓶、动火间距及存放方式乙炔与氧气间距≤5米,距明火均≤10米或乙炔瓶横放易导致因间距不够引爆气瓶或因乙炔瓶放置方式不对致使乙炔气瓶中丙酮流出曾经发生每次检查,有动火作业管理规定,并严格执行胜任7 动火点周围易燃物品清除情况动火点周围有可燃易燃物质物质遇有火花或熔融物质易引起燃烧爆炸造成火灾曾经发生每次检查,有管理规定,并严格执行胜任8 现场配备消防措施一旦起火无法消除火情因无消防设施而导致失去最佳灭火时机,致使火灾酿成大患从未发生每次检查,有管理规定,并严格执行胜任9 监火人及其他安全措施监护人不熟悉作业场所危险有害因素;脱离监护现场,监火人不到位监护人脱岗时对动火作业人员的违章操作未及时劝阻,因监督不到位易引起后患曾经发生每次检查,有管理规定,并严格执行胜任人员培训强化监督考核危险等级:I、轻微或可忽略的风险;Ⅱ、可接受风险;Ⅲ、中等风险;Ⅳ、重大风险;V巨大风险。
风险评价台帐1(工作危害分析表)部门:甲醇车间岗位:动火作业分析人员:时间:年月日序号工作步骤危害或潜在事件主要后果现有安全控制措施L S R风险等级建议改进措施1 人员资质未经过培训的无证人员有违章和违操作行为造成生产事故和伤亡事故作业部门必须办理动火证电焊工必须经过专业技术培训持证上岗2 2 4 可接受现在检查2 防护用品在工作过程中弧光伤眼、铁渣飞溅、人身触电皮肤和眼睛受到伤害,人身伤亡工作前穿好防护服、工作鞋,严禁穿短衣短裤操作。
作业部门确认作业场所没有危害因素作业部门为登高作业人员准备必备的安全防护用品作业前对作业人员进行安全教育和危害告之1 2 2轻微或可忽略现在检查3 焊机接地、接线绝缘、仪表操作人员触电人身伤亡焊机外壳接地良好,焊钳及把线绝缘可靠,在潮湿环境,应站在胶版或木板上1 3 3轻微或可忽略现在检查4 现场施焊施焊过程中任何一个环节误操作会使设备或管道爆炸造成生产和人身伤亡事故焊接贮存过易燃易爆、有毒有害物品的容器或管道时必须经过置换,设备接地。
动火证、监护人。
1 3 3轻微或可忽略现在检查5 除渣清根清除焊渣,碳弧气刨清根时,铁屑飞溅人身受伤戴防护镜或面罩,规范操作 1 2 2轻微或可忽略现在检查6 交叉作业集中施焊,相互影响,设备和管道爆炸生产和人身安全事故焊件接地,有隔光板,严禁在带电设备、压力容器、管道上施焊,监护人1 3 3轻微或可忽略现在检查7 登高及罐内作业高空坠落有毒有害物质人身伤亡、中毒办理登高及进入罐内作业证严格执行作业安全操作规程1 3 3轻微或可忽略现在检查。