电梯土建勘察注意事项
- 格式:doc
- 大小:24.50 KB
- 文档页数:2
1.基坑1.1 设计单位应注意:1)如果基坑在基础以下,应特别考虑防水做法。
因为笔者遇到一个电梯基坑内常年积水,造成电梯不能正常使用,该基坑还是厚筏板混凝土基础,处理起来很困难。
2)如果基坑不在基础上,并且基坑下面有空间,应考虑把基坑支撑柱周围全封闭,确保人员不能进入到基坑下方空间。
如果基坑下面必须有人员通过时,设计人员必须考虑电梯对重缓冲位置的牢固性和电梯基坑承载的安全性。
3)多台电梯的井道内各基坑之间应设置隔障,隔障高度应从基坑底向上延伸至最底层层站楼面以上2.5m高度;当轿厢顶和相邻电梯运动部件间隔小于0.5m时,隔障应贯通整个井道。
1.2 施工、监理单位应注意:1)电梯基坑防水施工完毕后做蓄水试验,这是施工和监理方容易忽略的。
2)基坑内的缓冲墩座按图纸和电梯样本位置预留钢筋。
2.井道2.1井道顶层高度(电梯冲顶高度)在这里特别提出的是很多设计或施工人员经常把这里的顶层高度理解为顶层建筑层高,这样会导致电梯冲顶高度不够。
这个参数很关键,电梯厂家的电梯样本对电梯顶层高度都有非常明确的要求。
井道顶层高度是指从井道屋顶横梁最低处测量到电梯最顶层层站建筑装修后楼面的上皮的净距离。
这里的井道顶层净高不包括楼面建筑装修做法厚度,也不包括屋顶楼板厚度,也不包括屋顶底突出楼板的梁的高度。
尤其在改造的建筑工程中要认真测量建筑物的顶层高度,看是否符合电梯样本的要求。
2.2混凝土结构梁(钢结构梁)1)导轨支架固定位置的混凝土圈梁(或钢结构梁)在砌筑井道(或钢结构)中,从基坑到井道顶部钢筋混凝土圈梁(钢结构梁)设置如下:第一道梁水平中心线是从基坑底向上1m;以上各道梁中心线是从第一道梁水平中心线向上每隔必须2.5米设置一道(不管距离其它梁有多远均应设置);最上面一道梁中心线是从顶层顶板下向下0.5m(该梁与顶部第二道梁应小于等于2.5m);一般梁高为300mm。
2)无机房结构的曳引机托梁一般要求井道屋顶横梁最低处测量到托梁的梁顶高度为1.4m(各个电梯厂家不同),这里的高度也是净高。
电梯检验过程中发现土建存在的问题探究电梯检验是一项十分重要的工作,它关乎着人们的生命安全。
然而在进行电梯检验的过程中,经常会发现土建存在的问题。
这些问题在很大程度上会影响电梯的使用效果,存在隐患,因此需要及时解决,那么该如何探究这些问题呢?一、土建存在的问题1、瓷砖空鼓:瓷砖通常是铺贴在电梯内外墙体、电梯前室、机房等位置,使环境整洁美观。
无论是室内地面、走道,还是电梯候梯间,瓷砖空鼓都是下陷、破裂的一种体现。
除了影响美观卫生外,也将导致瓷砖断裂,人员和物品掉落,造成安全事故。
2、电梯井道湿度较大:湿度会使电梯门轮滑轮生锈腐蚀,甚至出现卡顿等问题,长期如此,将缩短电梯生命周期的同时也存在安全隐患。
对于有水泵井的电梯钢绳,由于湿度过大,有可能产生钢绳断裂的风险。
因此,电梯井道的湿度需要及时得到控制。
3、墙角处无负筋:电梯井道墙角处没有设负筋,易发生裂开,“十”字裂缝。
特别在小楼高层的厅,墙体上下压差变化大,因极少设负筋而惹起很多安全事故。
4、井道门位姿不准确:电梯井道门位姿不准确,使得机房内的门口与井道门口距离不一致,而且还有高低不平,设此安全门的作用便失去了。
5、电梯门不平整:板材开裂、脱落、锈蚀,门扇与门框错位或与开槛错位,或者门扇关门不严,还有电磁锁未对准另一只锁座槽等等都会导致电梯门不平整,这样不仅影响电梯的使用感受,而且还可能会发生人员被卡住的事故。
二、为什么会出现土建问题?1、施工工艺不规范:土建问题的出现,往往与施工工艺和施工质量不过关有关。
由于施工图纸不规范,造成施工人员缺乏标准操作规范,建筑材料质量不过关等等原因,导致电梯井道存在了很多隐患。
2、日常维护不到位:土建问题也有可能是由于日常维护不到位导致的,如电梯井道长期没有进行干燥保护,湿度过高导致钢绳、门扇等长期暴露在潮湿环境下,会加速钢绳的腐蚀、门扇、门框的生锈等。
3、质量监管不力:土建问题的出现还与质量监管相关。
由于监管部门没有严格把关,从而让建筑施工单位和监理公司在质量控制方面存在很多的漏洞。
电梯检验过程中发现土建存在的问题探究
一、检查电梯结构是否正确
电梯安装时,土建工程部分必须根据合理的图纸和规划进行,以确保电梯结构的正确
性和稳定性。
在检验土建存在的问题时,首先需要检查电梯结构是否符合标准规定。
例如,钢结构的吊车架采用了合适的支撑架,并且支撑架的数量和强度是否达到标准的要求。
如
果发现不符合标准的情况,需要及时调整土建结构,以确保电梯的稳定性和安全性。
二、检查电梯的承重能力
电梯是一种需要经常运输重物的设备,因此在安装时需要考虑电梯的承重能力。
在进
行电梯的检验时,需要检查土建结构是否满足电梯的承重要求。
例如,需要检查电梯的井
道和底台的承重能力是否符合电梯的要求,以确保电梯运行时不会受到承重问题的困扰。
三、检查电梯井道的尺寸和高度
电梯门洞的尺寸决定了电梯门匹配的尺寸,也影响了电梯的安全性和使用效果。
在电
梯的检验过程中,需要检查电梯门洞的尺寸是否符合电梯门的标准和规定。
如果发现不符
合标准的情况,需要进行改进,并及时向管理部门汇报。
五、检查电梯外观和周围环境
电梯外观和周围环境如缺勤的天花板、过低的楼梯等也会直接影响到电梯的安全性和
使用效果。
因此,在进行电梯的检验时,也需要检查电梯外观和周围环境。
如果发现问题,需要及时采取改进措施。
总之,为了确保电梯的安全性和正常运营,必须注意电梯的检验和维护。
检查土建存
在的问题是电梯检验过程中的重要一环,只有加强土建检查,及时发现问题,才能保障电
梯的正常运行和使用。
钢结构电梯井是电梯安装中不可或缺的一部分,它不仅承载着电梯的重量,还承担着保护电梯结构和确保安全的重要作用。
在进行钢结构电梯井土建工程设计时,有许多重要的注意事项需要考虑,以确保电梯井的安全和稳定运行。
下面我们将介绍一些设计电梯井时需要注意的重要事项。
1. 地基承载能力在进行钢结构电梯井土建工程设计之前,首先需要对地基的承载能力进行认真的评估。
地基的承载能力直接关系到电梯井的安全和稳定性,如果地基承载能力不足,容易导致电梯井的变形和沉降,甚至引发严重的安全事故。
在设计电梯井时,必须确保地基承载能力达到规定的要求,如果地基承载能力不足,需要进行加固处理。
2. 电梯井结构设计钢结构电梯井的结构设计是电梯井土建工程设计中的重要环节。
在进行电梯井结构设计时,需要考虑电梯井的载荷,包括电梯的自重、承载人员和货物的重量,以及外部环境因素等。
还需要考虑电梯井结构的稳定性和抗震性能,确保在地震等突发情况下能够保持稳定。
另外,还需充分考虑电梯井的防火性能和防水性能,以确保电梯井在发生火灾或水灾时能及时疏散人员,保障人员的生命安全。
3. 施工工艺在进行钢结构电梯井土建工程设计时,需要充分考虑施工工艺的选择。
施工工艺选择不当会对电梯井的质量和安全产生直接影响。
在选择施工工艺时,需要考虑到电梯井的特点和要求,确保施工工艺能够保证电梯井的质量和安全。
还需要对施工过程进行严格监管,确保施工按照设计要求进行,避免施工过程中出现质量问题。
4. 设备安装在电梯井土建工程设计中,设备的安装也是一个重要的环节。
设备安装不仅要考虑到设备的选型和安装位置,还需要考虑到设备的使用要求和维护保养等。
在设备安装过程中,还需严格按照规范要求进行,确保设备能够正常运行,保证电梯井的安全和稳定。
5. 管理和维护钢结构电梯井的土建工程设计完成后,还需要进行管理和维护。
在管理和维护过程中,需要建立严格的管理制度,定期对电梯井进行检查和维护,及时发现和排除安全隐患,确保电梯井能够安全稳定地运行。
一、垂直电梯:
1.井道宽度、圈梁位置排列是否按要求制作,特别是无机房电梯顶部圈梁位置距离
2.井道深度、吊钩问题
3.顶层高度、机房高度、有无炮台(高度)
4.底坑深度
5.左藏门量
6.右藏门量
7.厅门洞预留高度
8.厅门洞预留宽度
9.开门形式
10.开门宽度
11.无机房电梯预留控制柜孔洞尺寸,特别是承重梁孔位置是否有下反梁后
承重梁影响承重梁开孔,否则电梯无法安装
12.提升高度
13.井道总高度
14.层/站-门
15.机房高度、宽度、门开位置是否与承重梁位置冲突
16.注意井道内有无凸出的梁或柱
17.销售部门和工厂技术部门所提供的设备产品及出具的技术规格书中的技术参数是
否与客户所需要的电梯参数一致。
二、自动扶梯自动人行道
1.提升高度
2.楼板开洞尺寸
3.楼板开洞下反梁高度
4.中间支撑位置、高度及位置是否在建筑物轴线上
5.水平投影距离是否与销售过程中与甲方确认的结构图尺寸有偏差
6.如扶梯、人行道上部水平段加长,千万注意楼板开孔长度相应加长
7.设备是否靠墙就位,是纵向驳运就位还是横向驳运就位,如靠墙设备能否驳运到位
置,柱子与柱子之间能否摆头,
8.设备卸车场地勘察、驳运通道勘察、有无高压线、能否避开
9. 销售部门和工厂技术部门所提供的设备产品及出具的技术规格书中的技术参数是
否与客户所需要的电梯参数一致。
旧楼加装电梯基坑开挖注意事项嘿呀!以下就是旧楼加装电梯基坑开挖的注意事项啦!1. 前期勘察可太重要啦!得搞清楚地下有没有管道、线缆啥的呀?要是不小心挖断了,那可就麻烦大了呢!2. 施工方案可得好好制定呀!要考虑到地质条件、周边建筑物的影响哇!不能马虎哟!3. 安全防护措施一定要到位呢!施工人员得戴好安全帽,设置好警示标识,防止有人误闯受伤呀!4. 开挖的顺序和方法得合理呀!不能乱来,不然可能会导致坍塌的危险呢!5. 天气情况也得关注哟!下雨天可不能瞎挖,容易出现滑坡啥的,多吓人呀!6. 挖出来的土不能随便堆呀!得有专门的堆放地点,不然会影响周边环境和交通的呢!7. 施工过程中要经常测量,看看有没有偏差,及时调整,这可不能马虎哇!8. 要注意排水问题呀!不能让基坑里积满水,影响施工进度和质量呢!9. 对周边建筑物的监测不能少哇!万一有沉降、裂缝啥的,得赶紧采取措施呀!10. 施工机械的选择要合适哟!太大了施展不开,太小了效率低,这可得琢磨好呢!11. 夜间施工要有足够的照明,不然黑漆漆的,多容易出事儿呀!12. 与居民的沟通要做好哇!不能影响他们的正常生活,不然会有意见的呢!13. 施工队伍要有资质,经验要丰富,可不能找些不靠谱的呀!14. 材料的质量得把关好哟!不能用劣质的材料,这可关系到电梯的安全呢!15. 遇到特殊情况,比如挖到文物啥的,得赶紧报告,可不能私藏呀!16. 环境保护也要注意呀!不能尘土飞扬,噪音扰民呢!17. 施工过程中的资料要保存好哇!以备后续查验呢!18. 施工人员的技术培训要到位哟!不能瞎干,得懂技术、懂规范呀!19. 应急预案得准备好呀!万一出了意外,能及时应对,把损失降到最低呢!20. 最后,验收工作要严格哇!不能走过场,得保证基坑开挖的质量符合要求呀!哎呀呀,总之,旧楼加装电梯基坑开挖可不能掉以轻心,每个环节都要小心谨慎,这样才能保证工程的顺利进行和安全可靠呢!。
土建施工电梯安全
在土建施工过程中,电梯的安全问题是至关重要的。
以下是一些相关注意事项:
1. 定期检查和维护:施工期间,必须确保电梯的日常检查和维护计划得到执行。
这包括检查绳索、电气元件和控制系统的正常运行,以及确保紧急停止装置和安全门的有效性。
2. 严格限制使用:除非经过批准,电梯严禁用于运送货物或大量人员。
只有确保施工现场没有其他选择时,才能使用电梯,而且必须按照规定的负载限制操作。
3. 安全防护设施:在电梯入口和出口处,应设置防护栏杆或门,以防止人员意外掉落。
必须确保这些防护设施牢固可靠,并且在电梯使用过程中始终保持关闭状态。
4. 培训与告知:所有在施工现场使用电梯的工人都应受到相关安全培训,并被告知如何正确操作和维护电梯。
他们还应该知道紧急情况下的应急措施,如何使用紧急停止装置等。
5. 检测与监控:定期进行电梯的安全检测,确保其符合相关标准和规定。
另外,应当安装监控摄像头或其他监测设备,以及火灾报警装置,以便及时监测并报警任何潜在的安全问题。
6. 施工区域的隔离:在电梯周围,应设置适当的警示标识和隔离带,以确保人员不会进入施工区域。
这样有助于减少事故的发生,并保护工人和其他临时居民的安全。
在土建施工中,电梯的安全问题必须得到高度重视。
遵守以上注意事项,并采取适当的措施,可以有效降低电梯事故的发生率,保障工人和居民的生命安全。
浅谈建筑物中与电梯相关的土建要求建筑物中与电梯相关的土建要求包括楼梯间、电梯井、机房及通风等方面。
以下将详细介绍这些要求。
首先,在电梯土建设计中,楼梯间是必不可少的组成部分。
楼梯间应设计合理,布置便捷,安全出口符合规范要求。
楼梯间的地基土建要求首先要符合基础设施的标准,需要根据建筑物的结构和承重要求,采取适当的地基处理方法,如灌注桩或承台。
此外,楼梯间的地面材料应具有防滑、耐磨、易清洁的特点,以确保行人在使用过程中的安全。
其次,电梯井也是一个重要的区域。
电梯井一般由钢筋混凝土墙体构成,其钢筋混凝土的厚度和强度需要符合相关的规范要求。
电梯井的地面材料通常选择防火、耐磨、耐酸碱的材质,以保证电梯设备的运行安全。
此外,为了便于电梯设备的安装、维修和故障排除,电梯井还要设置相应的开孔、管道、电缆槽等设施。
再次,电梯机房也是电梯土建要求中的重要部分。
电梯机房内的地面材料需要保持干燥,以防止设备受潮、生锈。
电梯机房的墙体应满足防火、隔音的要求,并且要根据机房内设备的需要,设置合理的通风设施,以保证机房内空气的流通与设备的散热。
此外,电梯机房内还需设置相应的操作控制台、电源插座、配电箱等设施,以方便对电梯设备进行监控、调试、维修和更新。
最后,通风也是电梯土建要求中不可缺少的一环。
电梯井、楼梯间和机房都需要有良好的通风条件。
通风可以保持区域内的空气流通,减少异味和湿气,提高使用的舒适度和安全性。
为了满足通风的要求,可以设置通风管道、风机和排气口等设施。
总之,建筑物中与电梯相关的土建要求涉及楼梯间、电梯井、机房及通风等方面。
这些要求需要根据相关的规范和标准进行设计和实施,以确保电梯的运行安全和使用舒适度。
同时,还需要根据建筑物的实际情况进行合理的布局和设施设置,以满足不同区域的特殊需求。
建设工程勘察注意事项建设工程勘察是工程建设中至关重要的一步,它对于项目的顺利进行和质量保证起着决定性的作用。
为了确保勘察工作的准确性和有效性,以下是一些建设工程勘察中需要注意的事项。
1. 确定勘察范围和目标在进行勘察前,必须明确勘察的范围和目标。
这包括确定勘察的指导性原则、勘察的具体内容和要求,以及在勘察过程中可能会遇到的问题和挑战。
只有清晰明确勘察的目标,才能有针对性地进行工作,提高勘察的效率和准确性。
2. 了解项目背景和要求在进行勘察前,需要全面了解工程项目的背景和要求。
这包括项目的位置、规模、土地利用情况、环境保护要求等。
了解项目的背景和要求有助于在勘察过程中更好地把握思路和重点,确保勘察工作与项目需求相符合。
3. 线路或平面布置的合理性在进行线路或平面布置时,需要考虑工程项目的整体规划和设计要求。
合理的布置可以提高勘察的效率和准确性,减少后续工作中可能出现的问题和调整。
4. 勘察方法和仪器设备的选择在进行勘察时,需要根据具体情况选择合适的勘察方法和仪器设备。
不同类型的工程项目可能需要不同的勘察方法,而不同的勘察方法又可能需要相应的仪器设备支持。
选择合适的方法和设备可以提高勘察的准确性和效率。
5. 深入了解勘察地质和地貌特征勘察工作需要对勘察地区的地质和地貌特征有充分的了解。
这包括地质构造、岩性、地层变化等因素,以及地貌特征对工程建设可能造成的影响。
只有对地质和地貌特征有足够的理解,才能进行准确的勘察工作。
6. 勘察过程中的数据收集和记录在进行勘察时,需要认真收集和记录有关数据。
这包括地质勘察数据、地下水位数据、土壤探测数据等。
准确的数据收集和记录是后续工作的基础,也是对勘察成果的重要保障。
7. 勘察成果的分析和总结勘察工作完成后,需要对勘察成果进行仔细的分析和总结。
这包括对收集的数据进行统计和处理,提取有效信息并生成相应的报告。
勘察成果的分析和总结对于项目后续设计和施工起着重要的指导作用。
电梯工程土建交接检验要点4.2.1为了保障电梯正常安装、运行,建筑物土建施工(机房、井道、电源等)必须符合下列主控项目和一般项月规定的安装条件。
4.2.2土建交接检验主控项目1机房(如果有)内部、井道土建(钢架)结构及布置必须符合电梯土建布置图的要求。
2主电源开关必须符合下列规定:1)主电源开关应能够切断电梯正常使用情况下最大电流;2)对有机房电梯该开关应能从机房人口处方便地接近;3)对无机房电梯该开关应设置在井道外工作人员方便接近的地方,且应具有必要的安全防护。
3井道必须符合下列规定:1)当底坑地面下有人员能到达的空间存在,且对重(或平衡重)上未有安全钳装置时,对重缓冲器必须能安装在(或平衡重运行区域的下边必须)一直延伸到坚固地面上的实心桩墩上;2)电梯安装之前,所用层门预留孔必须设有高度不小于1.2m 的安全保护围封,并应保证有足够的强度;3)当相邻两层门地坎间的距离大于llm时,其间必须设置井道安全门,井道安全门严禁向井道内开启,且必须装有安全门处于关闭时电梯才能运行的电器安全装置。
当相邻轿厢间有相互救援用轿厢安全门时,可不执行本款。
其中第3项为强制性条文,必须严格执行。
4.2.3土建交接检验的一般项目1机房<如果有)还应符合下列规定:1)机房内应设有固定的电器照明,地板表面上的照度不应小于2001x。
机房内应设置一个或多个电源插座。
在机房内靠近人口的适当高度处应设有一个开关或类似装置控制机房照明电源;2)机房内应通风,从建筑物其他部分抽出的陈腐空气,不得排人机房内;3)应根据产品供应商的要求,提供设备进场所需要的通道和搬运空间;4)电梯工作人员应能方便地进入机房或滑轮间,而不需要临时借助于其他辅助设施;5)机房应采用经久耐用且不易产生灰尘的材料建造,机房内的地板应采用防滑材料;注:此项可在电梯安装后验收。
6)在一个机房内,当有两个以上不同平面的工作平台,且相邻平台高度差大于0.5m时,应设置楼梯或台阶,并应设置高度不小于0.9m的安全防护栏杆。
电梯工程施工注意事项与监理要求一、材料选择与采购在电梯工程施工中,选材是至关重要的一环。
首先要确保所选材料符合国家相关标准,并具备相应的质量认证;其次,应根据实际工程需求,在施工前对材料的性能、可靠性、耐用性进行全面评估,确保其能满足预期的使用要求;最后,在采购过程中,要与合格供应商建立良好的合作关系,监督质量并严格执行采购合同。
二、施工前的准备工作在开始施工之前,需要进行详细的规划和准备工作。
首先,要明确施工范围和施工流程,确保施工进度的合理性和连贯性;其次,要制定施工方案,并组织技术人员进行全面评估和验证,确保施工方案的可行性和安全性;最后,要调查并清除可能存在的隐患,确保施工现场的安全和顺利进行。
三、安全措施与人员培训电梯工程施工过程中,安全是至关重要的。
施工单位应制定完善的安全措施并加以执行,包括施工现场的防护设施、安全警示标识的设置、施工人员的安全用具等。
另外,施工单位还需定期组织相关人员进行安全培训,提高他们的安全意识和技能水平,确保施工人员对应急情况的处理能力。
四、质量监管与验收标准质量监管是电梯工程施工过程中需要重点关注的事项。
施工单位应建立质量监控体系,严格按照相关标准进行施工,确保施工质量符合预期要求。
同时,施工单位应配备专职质量监督人员,进行全程监督和验收,确保施工过程中不出现质量问题。
五、成本控制和资源统筹在电梯工程施工过程中,成本控制和资源统筹是至关重要的。
施工单位应制定详细的成本控制计划,并严格按照预算进行施工。
同时,需要优化资源配置,确保施工过程中的物资供应、人力调配和设备使用的高效性和合理性,以降低施工成本,提高工程质量。
六、施工现场管理合理的施工现场管理能够有效提高工程施工的效率和质量。
施工单位应合理划分施工区域,配置足够的施工设备,并且按照规定要求进行安装与使用。
另外,还应建立施工档案,记录施工过程中的关键数据和重要决策,以备后续参考和总结。
七、安装与调试在进行电梯工程的安装和调试时,施工单位应严格按照相关标准和规定进行操作。
在高层和多层配置电梯是当今提高生活舒适度的重要体现。
施工中经常遇到电梯机房和井道施工不满足安装要求,造成返工或必须采取加固补救措施,给电梯安装单位造成不必要的麻烦,也给土建施工单位造成一定的经济损失,总结施工中遇到的常见问题,希望给管理和施工人员提供参考。
1、电梯基坑的排水防水措施电梯基坑属于一级防水,坑底设备对防水要求较高,基坑的防排水与旁边集水坑的蓄水量及自动泵站的抽水要匹配。
电梯基坑和集水坑是整个楼栋的最低点,土建施工防水必须合格,不得渗漏。
土建施工时电梯基坑底座和集水坑要求不留施工缝一次浇筑成型,必须振捣密实,保证排水管排水通畅,电梯坑底不积水。
2、电梯井道门头过梁或层间圈梁标高规定电梯井道的门头过梁高度是施工人员常忽视的问题,电梯专用图纸明确要求门头过梁的高度大于350 mm(图1),在砌体施工时,较易套用结构图纸的说明而出错。
在结构图纸优化后的核心筒剪力墙结构,预留的洞口高度为电梯井道门洞高度,不存在砌体过梁高度不够的问题。
如果出错,电梯公司也有补救措施,但需要土建单位承担损失。
图1 电梯门头过梁和控制器固定点示意框架结构的电梯井道往往不是剪力墙结构,还需要考虑层间圈梁的问题,圈梁的中心间距一般为2.5 m,但是有的施工员没有考虑是从哪一个层面标高算起,是建筑完成面或是结构完成面,一旦用错标高,全程都会出错。
圈梁起始标高的计算,有的从上部往下计算,有的从中间向上计算,因此,需要认真读懂图纸,不清楚的需咨询电梯安装单位,不可盲目施工。
电梯安装单位的过梁高度不够的补救措施如图2所示。
图2 电梯门头过梁不够高的补救措施3、电梯机房的预留洞口和吊钩安装规定电梯机房一般设置在屋面上的房间,楼面和墙面往往需要预留很多洞口,有排风扇口,电梯承重梁的安装口,吊绳的楼板圆孔,顶板上有预埋吊钩等,这些预留洞口的位置要求非常精准,因洞口较多,还要考虑墙体的结构安全。
预留洞口的高度应按设计预留,一般是以建筑完成面为基准。
电梯土建井道配合与勘测控制方案
1.1电梯土建井道配合
电梯安装前用户需要对土建部分做的主要事情是:
(1)清理
井道完工后,需要及时清理井道的杂物,包括排水、防水。
(2)修正
客户与电梯公司需共同确认现场井道与机房土建完工并与图纸相符,如有不合格部分,请土建单位及时修正。
(3)提供场地
现场必须有足够的场地放置货物并有通道能运输以及吊装,电梯公司才能将电梯发货到现场。
并请提供足够大的工具房,以便放置零部件。
(4)提供电源
土建单位还需要提供动力电源,电梯安装单位装表、配电箱计量使用。
(5)土建单位配合
电梯安装过程中,需要土建负责包括门套、召唤按纽箱、厅外指层灯箱、厅外报站钟、机房曳引机座、控制柜座、缓冲器座等的混凝土灌注等。
(6)政府备案
电梯安装前应办理政府部门的报装手续,只有登记备案,才能开始进行安装。
1.2货物拆装及维修时所需特殊工具
1.3现场施工主要工具设备一览表(1)用于本工程的安全用品配备
进度需求。
(3)现场计量具一览表
工需求。
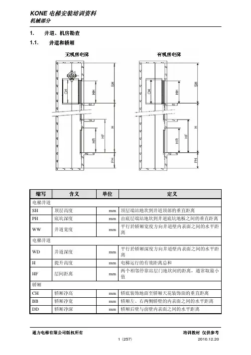
土建勘察注意事项一、机房部分1、机房高度是否足够,测量机房高度时,要注意准确数据是从钢丝绳穿孔面的上标高到吊钩的下沿,而不是到机房的顶板。
这一部分在看图纸时,往往会产生误区,现在的建筑蓝图上一般都有一张电梯井道剖面图,建筑蓝图上的标示都是机房层的层高,这个层高是完全不准确的。
首先要注意机房的井道部分是否有局部抬高,如果有的话,蓝图上标示的层高要先减去抬高的尺寸,然后还要减去机房顶板的厚度;机房吊钩往往是做在起吊梁上,而大部分的机房起吊梁都做成下翻梁,所以还要减去下翻梁的尺寸和吊钩尺寸。
另外还要注意的是,我们在测量时整个工程的土建进度还没有全部完成,所以要确认机房的留孔面上是否要做混凝土垫层,如果有的话,还要减去垫层尺寸(大约100mm)。
2、机房面积。
机房面积不是单纯的平面测量,而是要考虑到主机和控制柜的摆放位置,门口朝向及通风采光等问题。
最起码要满足控制柜距离各方向的尺寸数据,例如:控制柜前面距离曳引机和后面距离墙壁各厂家都有不同尺寸。
还有就是大机房和小机房的问题,从普遍意义上来讲,小机房的意思是机房与井道宽度深度相同,而大机房从面积上要比井道面积要大出一倍还要多。
但现在有些厂家技术标准达不到,他们所讲的小机房要比井道的面积略微大出一些,但大出部分一般不超过井道面积的五分之一。
像此种情况,需要注意,我们不能因为机房面积比井道面积大就单纯认为是大机房。
3、机房门口。
在看图纸时,机房门口位置大小很多时候被我们忽略,可能觉得无关电梯技术参数。
但是如果不注意此项的话,可能给电梯安装带来很大麻烦。
对于大机房,要注意门口要远离曳引机安装位置,而且门口应向外开,门口的高度可宽度都要满足曳引机和控制柜的进入要求。
对于小机房,门口的位置更为严格,要严格按照厂家的机房布置图预留门口。
4、机房留孔。
机房留孔分为钢丝绳穿孔和工字钢插孔两部分,这两部分预留孔洞因各个厂家的不同机房布置而有不同的技术预留,就算是一个厂家,不同型号的电梯,预留孔的位置也不同。
施工电梯安全检查注意事项随着现在城市中商品房的扩建与开发,越来越多的施工电梯出现在了我们的视野当中。
然而,看上去平淡无奇的施工电梯,如果没有被定期地进行安全检查,很容易出现这样那样的故障问题,最后成为人们生活中的安全隐患。
那么,当我们对施工电梯进行安全检查时,我们应该特别注意哪方面的细节呢,装修界小编这就通过一篇文章为大家来介绍一下:1、首先我们必须对施工的现场进行环境的安全性检查,我们可以先带领专业的检查人员查看基础部位是否有积水,再排查一下施工电梯箱体是否存在下沉现象,在这个过程中我们还应检查电梯的接地系统是否符合国家的要求,缓冲器在意外发生时能否有效地进行反弹,另外,作为施工电梯的底笼在检查时也不应忽略,在进行升降电梯运作之前要确保没有破损的现象。
2、对施工电梯来说,最重要的部位就是机械系统,一般情况下施工电梯的机械系统应该保持封闭,在现场不仅要查看变速箱和限速器是否存在漏油现象,还应向相关的施工人员询问检测的周期。
除了这些,我们对开启的部分也要进行严格的检测,如果时间有限,我们可稍微粗放一些,因此可以不携带仪器。
实际上,对于开启式部分的检查我们可以聘请专业的人员进行现场勘察。
3、升降机的安全装置是否完备。
对于一台能够正常使用的施工电梯来说,底笼的门连锁有机械式和电动式两种,无论哪一种门连锁,当吊笼上升时底笼门要相应地关闭,如果不能正常地使用,那么我们可以判定底笼门已经失灵了。
4、检查极限开关。
对于极限开关的检查,我们不能简单地试验开关是否有效,还要检查开关与上下极限撞块是否能自动复位,一旦极限开关切断了电源,吊笼无论上下都是十分难以启动的,那么就要麻烦专业人员手动操作进行恢复了。
施工电梯一般被人叫做施工升降机,作为高层建筑中的重要施工设备之一,它也自然成为施工现场的危险来源之一,由于它可能造成施工人员伤亡等各类重大事故,因此我们要将其安全检查行为重视起来。
土建勘察注意事项
一、机房部分
1、机房高度是否足够,测量机房高度时,要注意准确数据是从钢丝绳穿孔面的上标高到吊钩的下沿,而不是到机房的顶板。
这一部分在看图纸时,往往会产生误区,现在的建筑蓝图上一般都有一张电梯井道剖面图,建筑蓝图上的标示都是机房层的层高,这个层高是完全不准确的。
首先要注意机房的井道部分是否有局部抬高,如果有的话,蓝图上标示的层高要先减去抬高的尺寸,然后还要减去机房顶板的厚度;机房吊钩往往是做在起吊梁上,而大部分的机房起吊梁都做成下翻梁,所以还要减去下翻梁的尺寸和吊钩尺寸。
另外还要注意的是,我们在测量时整个工程的土建进度还没有全部完成,所以要确认机房的留孔面上是否要做混凝土垫层,如果有的话,还要减去垫层尺寸(大约100mm)。
2、机房面积。
机房面积不是单纯的平面测量,而是要考虑到主机和控制柜的摆放位置,门口朝向及通风采光等问题。
最起码要满足控制柜距离各方向的尺寸数据,例如:控制柜前面距离曳引机和后面距离墙壁各厂家都有不同尺寸。
还有就是大机房和小机房的问题,从普遍意义上来讲,小机房的意思是机房与井道宽度深度相同,而大机房从面积上要比井道面积要大出一倍还要多。
但现在有些厂家技术标准达不到,他们所讲的小机房要比井道的面积略微大出一些,但大出部分一般不超过井道面积的五分之一。
像此种情况,需要注意,我们不能因为机房面积比井道面积大就单纯认为是大机房。
3、机房门口。
在看图纸时,机房门口位置大小很多时候被我们忽略,可能觉得无关电梯技术参数。
但是如果不注意此项的话,可能给电梯安装带来很大麻烦。
对于大机房,要注意门口要远离曳引机安装位置,而且门口应向外开,门口的高度可宽度都要满足曳引机和控制柜的进入要求。
对于小机房,门口的位置更为严格,要严格按照厂家的机房布置图预留门口。
4、机房留孔。
机房留孔分为钢丝绳穿孔和工字钢插孔两部分,这两部分预留孔洞因各个厂家的不同机房布置而有不同的技术预留,就算是一个厂家,不同型号的电梯,预留孔的位置也不同。
在这一部分最容易出现的错误通常有两个,一个是不注意留孔的方向,而把孔洞留反,二是墙壁上的工字钢插孔很容易被忽略,如果机房墙壁是砌体墙还好说,如果是剪力墙再去砸这么大一个洞就像相当麻烦,而且还涉及到结构问题。
5、通风和温湿度控制。
按照电梯厂家要求和土建建筑设计要求。
二、井道部分
1、井道尺寸。
井道尺寸的测量要考虑到井道壁的平滑程度,如果井道内有突出的梁或柱子,我们要严格记录凸出部分的位置及尺寸,而不是单纯的以突出部分的井道最小距离来确认井道尺寸(如果以突出部分最小距离来计算井道尺寸,往往会误导厂家,造成电梯安装时大部分导轨支架不够长),我们在测量井道尺寸时,如果现场实际井道尺寸接近于我方标准图纸规定的最小尺寸,应该要用铅垂测量井道垂直度。
看土建蓝图容易出现的误区是,要区分井道净尺寸与轴线尺寸的差别,懂得如何计算;而且井道凸出部分可能只在某一层站有,所以看图纸时要看全。
在楼层比较高(超过十五六层时),可能会出现下方墙壁宽度大于上方墙壁宽度,例如,某大楼电梯井道壁在1-6层时宽度为300,而7-16层宽度为200,这就造成了电梯底部层站和顶部层站井道尺寸不同,所以在勘察土建时,必须每层都要测量。
井道尺寸过大时也要注意,各个厂家都有不同的标准,如果超出极限尺寸,则要增加钢结构横梁、立柱或是隔离网,或是加高防护栏,这些都牵扯到费用问题,所以要在合同签订之前确定
2、顶层高度与底坑深度。
顶层高度是指从电梯所能达到的最高层站的地面,一直向上到钢丝绳留孔面的板底的尺寸;底坑深度是指从电梯所能达到的最低层站的地面,一直向下到导轨所接触到的地面的尺寸。
顶层高度、底坑深度、提升高度三部分组成了井道的总高
度。
容易出现的误区是,最顶层有突出横梁,底坑有地梁或是栓基凸出时。
例如电梯井道内部的最上方在边上有凸出井道内的横梁,如果从最高层站的地面一直到凸出横梁的下沿这段距离大于电梯营业设计的最小尺寸,那就没问题,不过还是要从图纸中标明。
如果小于营业设计尺寸,而且凸出部分宽度也探出井道内比较多,就需要和设计部门和质检部门联系,进行减小轿厢高度或是协调验收等方面调整。
3、门口尺寸。
这里所说的门口尺寸指的是土建预留的电梯门洞尺寸,而不是电梯的开门尺寸。
门口的位置要严格按照我方图纸尺寸,尤其是侧对重电梯,门口往往不是在井道宽度的正当中,要注意门口的偏移。
门洞的尺寸也要严格按照图纸,这里容易出现的误区是,正常情况下(门口净高为2100时),门洞预留高度为从装饰标高上来至少2170或2200,而不是从结构标高。
在楼层高度低于2600时,门口的高度要变为2000,门洞相应的要变成2070。
外呼尺寸和消防孔尺寸也要严格按照图纸预留,为不影响建设方装饰,在高度不变的情况下,可适当向外平移。
在两台电梯并联时,外呼孔位置要特别注意,分体式和二合一式所预留的位置不同,建设方要提前制作预留,尤其是预留部分材质为混凝土时。
门洞侧面的门框固定钢筋也要提前预留,以免产生我方的钢筋费用。
4、井道材质。
目前现场大部分井道材质有三种砖混结构、剪力墙结构(混凝土)、钢结构。
在井道结构为砖混时,需要按照电梯厂家图纸加设圈梁,也可每层中间增加一道,但要和厂家说明,以免出现支架少等情况。
而且我方图纸中的相邻两道圈梁之间距离是轴线距离,而不是两道圈梁之间的净距离,这一点要十分注意。
圈梁高度一般不低于200,宽度与井道壁相同,可根据侧对重和后对重的不同加设两面或三面墙壁。
圈梁制作最好扎钢筋笼,用标号高点的素混凝土也可以。
门过梁一定要大于等于井道宽度,而且高度不低于300,以免出现门头位置无法固定,而产生穿墙螺栓等费用。
在井道结构为剪力墙时,外呼等预留孔一定要提前制作,不像砌体墙,也可以后来砸穿,因为剪力墙内有钢筋,且涉及到结构,后期再砸很麻烦。
5、牛腿。
牛腿这一部分是最容易被土建方忽略的,就算是其注意到了,也会因为制作麻烦,而故意不做。
因此,在勘察或合同洽谈时必须提出,可以不提前制作,但必须提供地坎钢筋及后期浇灌,我方给与配合。
6、垂直度。
最需要注意的是安装门头的这一方向,如果垂直度偏差过大,容易产生门头支架费用,而且如果是大门套装潢时,有些门套就无法安装。