酱香型白酒生产工艺设计流程图和关键控制点
- 格式:doc
- 大小:64.50 KB
- 文档页数:9
酱香型白酒工艺流程图1.2.1《下沙工艺》1.2.1.1工艺流程:过筛整粒高粱加95℃热水润料装甑蒸粮出甑聚堆补浆摊凉聚拢加曲翻拌堆积入池封窖。
1.2.1.2原、辅料使用要求:1.2.1.2.1、酱香型白酒生产第一次投料称为下沙。
每甑投料1200kg【根据本公司实际甑体容积2.3立方米左右计算】。
1.2.1.2.2、原料要求:高粱颗粒饱满,过筛无壳,无虫蛀,无霉变,无异杂味,无污染。
1.2.1.2.3、投料数量:下沙为总投料量的50%。
1.2.1.2.4、高温大曲要求:大曲粉碎面粉化,便于糖化发酵,装入标准袋内,下沙用曲用量为原料量的10%。
1.2.1.3作业规程:每甑投高粱数量1200kg。
1.2.1.3.1、泼水堆积a、将备好的高粱按每甑1200kg单独堆放。
b、泼95℃以上的热水【称为发粮水】,泼水时从堆放的一边扒开小坑将95℃热水倒在里面,【注:不许泼开以防水温降低不利于高粱吸收并能使原料内的杂质、异味随水冲掉】。
c、泼水时翻拌,每泼1次翻拌3次,并堆成圆锥,然后停留半小时再向粮堆的表面泼6水桶95℃的热水。
d、润料时间12小时,每4小时加95℃的热水润粮1次,方法同第一次,共计加95℃热水润料3次。
e、上甑时翻拌不加水,翻拌后上甑蒸粮。
1.2.1.3.2、蒸粮【蒸生沙】P1.1大气压a、装甑前要将甑锅、底锅等用水刷洗干净后并在底锅内加入3-4桶水【为使蒸气上气均匀】然后在甑篦上撒一层稻壳,防止原料掉进底锅。
b、上甑采用见气撒料,在一小时内完成上甑工序,园气后蒸料3小时【随气压而定】,即可出甑,以不出现破粒、硬粒、发粘为主。
c、每甑活接两篓冷却水以备出甑补水,或加曲时补水用。
1.2.1.3.3、出甑摊凉出甑时用推车将蒸好的熟粮推到操作场上,倒成堆进行补95℃热水,每车以原粮计约60-80kg,每堆补水2kg左右,聚好堆,堆积约15分钟左右后用掀摊开,然后脱鞋光脚趟凉。
1.2.1.3.4、聚拢加曲翻拌将趟凉粮渣【温度32-33℃】聚拢,中间扒沟,适当加蒸粮冷却水5-10kg 泼撒,然后将大曲粉根据量比加入沟内,用粮将沟填满盖严大曲,然后从一头翻拌3次,【注:低翻撒匀,并使曲粉与高粱充分接触】,然后推到堆积场,水分控制在38-42%,温度26-28℃。
酱香型白酒工艺流程图工注:“”为关键控制点1.2.1《下沙工艺》工艺流程:1.2.1.1 出甑过筛整粒高粱加95装甑蒸粮℃热水润料翻拌加曲聚拢聚堆补浆摊凉封窖。
堆积入池1.2.1.2原、辅料使用要求:、酱香型白酒生产第一次投料称为下沙。
每甑投料1.2.1.2.1 立方米左右计算】。
1200kg【根据本公司实际甑体容积2.3、原料要求:高粱颗粒饱满,过筛无壳,无虫蛀,无霉1.2.1.2.2 变,无异杂味,无污染。
1.2.1.2.3、投料数量:下沙为总投料量的50%、高温大曲要求:大曲粉碎面粉化,便于糖化发酵,装1.2.1.2.4 。
入标准袋内,下沙用曲用量为原料量的10%1.2.1.3作业规程:1200kg。
每甑投高粱数量、泼水堆积1.2.1.3.1 单独堆放。
a、将备好的高粱按每甑1200kg,泼水时从堆放的一边扒95℃以上的热水【称为发粮水】b、泼【注:不许泼开以防水温降低不利于高℃热水倒在里面,开小坑将95 粱吸收并能使原料内的杂质、异味随水冲掉】。
c、泼水时翻拌,每泼1次翻拌3次,并堆成圆锥,然后停留半小时再向粮堆的表面泼6水桶95℃的热水。
d、润料时间12小时,每4小时加95℃的热水润粮1次,方法同第一次,共计加95℃热水润料3次。
e、上甑时翻拌不加水,翻拌后上甑蒸粮。
1.2.1.3.2、蒸粮【蒸生沙】P1.1大气压a、装甑前要将甑锅、底锅等用水刷洗干净后并在底锅内加入3-4桶水【为使蒸气上气均匀】然后在甑篦上撒一层稻壳,防止原料掉进底锅。
b、上甑采用见气撒料,在一小时内完成上甑工序,园气后蒸料3小时【随气压而定】,即可出甑,以不出现破粒、硬粒、发粘为主。
c、每甑活接两篓冷却水以备出甑补水,或加曲时补水用。
1.2.1.3.3、出甑摊凉出甑时用推车将蒸好的熟粮推到操作场上,倒成堆进行补95℃热水,每车以原粮计约60-80kg,每堆补水2kg左右,聚好堆,堆积约15分钟左右后用掀摊开,然后脱鞋光脚趟凉。
酱香型白酒工艺流程图注:“1.2.1《下沙工艺》1.2.1.1工艺流程:过筛整粒高粱加95℃热水润料装甑蒸粮出甑聚堆补浆摊凉聚拢加曲翻拌堆积入池封窖。
1.2.1.2原、辅料使用要求:1.2.1.2.1、酱香型白酒生产第一次投料称为下沙。
每甑投料1200kg【根据本公司实际甑体容积2.3立方米左右计算】。
1.2.1.2.2、原料要求:高粱颗粒饱满,过筛无壳,无虫蛀,无霉变,无异杂味,无污染。
1.2.1.2.3、投料数量:下沙为总投料量的50%。
1.2.1.2.4、高温大曲要求:大曲粉碎面粉化,便于糖化发酵,装入标准袋内,下沙用曲用量为原料量的10%。
1.2.1.3作业规程:每甑投高粱数量1200kg。
1.2.1.3.1、泼水堆积a、将备好的高粱按每甑1200kg单独堆放。
b、泼95℃以上的热水【称为发粮水】,泼水时从堆放的一边扒开小坑将95℃热水倒在里面,【注:不许泼开以防水温降低不利于高粱吸收并能使原料内的杂质、异味随水冲掉】。
c、泼水时翻拌,每泼1次翻拌3次,并堆成圆锥,然后停留半小时再向粮堆的表面泼6水桶95℃的热水。
d、润料时间12小时,每4小时加95℃的热水润粮1次,方法同第一次,共计加95℃热水润料3次。
e、上甑时翻拌不加水,翻拌后上甑蒸粮。
1.2.1.3.2、蒸粮【蒸生沙】P1.1大气压a、装甑前要将甑锅、底锅等用水刷洗干净后并在底锅内加入3-4桶水【为使蒸气上气均匀】然后在甑篦上撒一层稻壳,防止原料掉进底锅。
b、上甑采用见气撒料,在一小时内完成上甑工序,园气后蒸料3小时【随气压而定】,即可出甑,以不出现破粒、硬粒、发粘为主。
c、每甑活接两篓冷却水以备出甑补水,或加曲时补水用。
1.2.1.3.3、出甑摊凉出甑时用推车将蒸好的熟粮推到操作场上,倒成堆进行补95℃热水,每车以原粮计约60-80kg,每堆补水2kg左右,聚好堆,堆积约15分钟左右后用掀摊开,然后脱鞋光脚趟凉。
1.2.1.3.4、聚拢加曲翻拌将趟凉粮渣【温度32-33℃】聚拢,中间扒沟,适当加蒸粮冷却水5-10kg泼撒,然后将大曲粉根据量比加入沟内,用粮将沟填满盖严大曲,然后从一头翻拌3次,【注:低翻撒匀,并使曲粉与高粱充分接触】,然后推到堆积场,水分控制在38-42%,温度26-28℃。
酱香型白酒工艺流程图1.2.1《下沙工艺》1.2.1.1工艺流程:过筛整粒高粱加95℃热水润料装甑蒸粮出甑聚堆补浆摊凉聚拢加曲翻拌堆积入池封窖。
1.2.1.2原、辅料使用要求:1.2.1.2.1、酱香型白酒生产第一次投料称为下沙。
每甑投料1200kg 【根据本公司实际甑体容积2.3立方米左右计算】。
1.2.1.2.2、原料要求:高粱颗粒饱满,过筛无壳,无虫蛀,无霉变,无异杂味,无污染。
1.2.1.2.3、投料数量:下沙为总投料量的50%。
1.2.1.2.4、高温大曲要求:大曲粉碎面粉化,便于糖化发酵,装入标准袋内,下沙用曲用量为原料量的10%。
1.2.1.3作业规程:每甑投高粱数量1200kg。
1.2.1.3.1、泼水堆积a、将备好的高粱按每甑1200kg单独堆放。
b、泼95℃以上的热水【称为发粮水】,泼水时从堆放的一边扒开小坑将95℃热水倒在里面,【注:不许泼开以防水温降低不利于高粱吸收并能使原料内的杂质、异味随水冲掉】。
c、泼水时翻拌,每泼1次翻拌3次,并堆成圆锥,然后停留半小时再向粮堆的表面泼6水桶95℃的热水。
d、润料时间12小时,每4小时加95℃的热水润粮1次,方法同第一次,共计加95℃热水润料3次。
e、上甑时翻拌不加水,翻拌后上甑蒸粮。
1.2.1.3.2、蒸粮【蒸生沙】P1.1大气压a、装甑前要将甑锅、底锅等用水刷洗干净后并在底锅内加入3-4桶水【为使蒸气上气均匀】然后在甑篦上撒一层稻壳,防止原料掉进底锅。
b、上甑采用见气撒料,在一小时内完成上甑工序,园气后蒸料3小时【随气压而定】,即可出甑,以不出现破粒、硬粒、发粘为主。
c、每甑活接两篓冷却水以备出甑补水,或加曲时补水用。
1.2.1.3.3、出甑摊凉出甑时用推车将蒸好的熟粮推到操作场上,倒成堆进行补95℃热水,每车以原粮计约60-80kg,每堆补水2kg左右,聚好堆,堆积约15分钟左右后用掀摊开,然后脱鞋光脚趟凉。
1.2.1.3.4、聚拢加曲翻拌将趟凉粮渣【温度32-33℃】聚拢,中间扒沟,适当加蒸粮冷却水5-10kg 泼撒,然后将大曲粉根据量比加入沟内,用粮将沟填满盖严大曲,然后从一头翻拌3次,【注:低翻撒匀,并使曲粉与高粱充分接触】,然后推到堆积场,水分控制在38-42%,温度26-28℃。
酱香型白酒工艺流程图注:1.2.1《下沙工艺》1.2.1.1工艺流程:过筛整粒高粱加95℃热水润料装甑蒸粮出甑聚堆补浆摊凉聚拢加曲翻拌堆积入池封窖。
1.2.1.2原、辅料使用要求:1.2.1.2.1、酱香型白酒生产第一次投料称为下沙。
每甑投料1200kg【根据本公司实际甑体容积2.3立方米左右计算】。
1.2.1.2.2、原料要求:高粱颗粒饱满,过筛无壳,无虫蛀,无霉变,无异杂味,无污染。
1.2.1.2.3、投料数量:下沙为总投料量的50%。
1.2.1.2.4、高温大曲要求:大曲粉碎面粉化,便于糖化发酵,装入标准袋内,下沙用曲用量为原料量的10%。
1.2.1.3作业规程:每甑投高粱数量1200kg。
1.2.1.3.1、泼水堆积a、将备好的高粱按每甑1200kg单独堆放。
b、泼95℃以上的热水【称为发粮水】,泼水时从堆放的一边扒开小坑将95℃热水倒在里面,【注:不许泼开以防水温降低不利于高粱吸收并能使原料内的杂质、异味随水冲掉】。
c、泼水时翻拌,每泼1次翻拌3次,并堆成圆锥,然后停留半小时再向粮堆的表面泼6水桶95℃的热水。
d、润料时间12小时,每4小时加95℃的热水润粮1次,方法同第一次,共计加95℃热水润料3次。
e、上甑时翻拌不加水,翻拌后上甑蒸粮。
1.2.1.3.2、蒸粮【蒸生沙】P1.1大气压a、装甑前要将甑锅、底锅等用水刷洗干净后并在底锅内加入3-4桶水【为使蒸气上气均匀】然后在甑篦上撒一层稻壳,防止原料掉进底锅。
b、上甑采用见气撒料,在一小时内完成上甑工序,园气后蒸料3小时【随气压而定】,即可出甑,以不出现破粒、硬粒、发粘为主。
c、每甑活接两篓冷却水以备出甑补水,或加曲时补水用。
1.2.1.3.3、出甑摊凉出甑时用推车将蒸好的熟粮推到操作场上,倒成堆进行补95℃热水,每车以原粮计约60-80kg,每堆补水2kg左右,聚好堆,堆积约15分钟左右后用掀摊开,然后脱鞋光脚趟凉。
1.2.1.3.4、聚拢加曲翻拌将趟凉粮渣【温度32-33℃】聚拢,中间扒沟,适当加蒸粮冷却水5-10kg泼撒,然后将大曲粉根据量比加入沟内,用粮将沟填满盖严大曲,然后从一头翻拌3次,【注:低翻撒匀,并使曲粉与高粱充分接触】,然后推到堆积场,水分控制在38-42%,温度26-28℃。
酱香型白酒工艺流程图1.2.1下沙工艺1.2.1.1工艺流程:过筛整粒高粱加95℃热水润料装甑蒸粮出甑聚堆补浆摊凉聚拢加曲翻拌堆积入池封窖;1.2.1.2原、辅料使用要求:1.2.1.、酱香型白酒生产第一次投料称为下沙;每甑投料1200kg根据本公司实际甑体容积立方米左右计算;1.2.1.、原料要求:高粱颗粒饱满,过筛无壳,无虫蛀,无霉变,无异杂味,无污染;1.2.1.、投料数量:下沙为总投料量的50%;1.2.1.、高温大曲要求:大曲粉碎面粉化,便于糖化发酵,装入标准袋内,下沙用曲用量为原料量的10%;1.2.1.3作业规程:每甑投高粱数量1200kg;1.2.1.、泼水堆积a、将备好的高粱按每甑1200kg单独堆放;b、泼95℃以上的热水称为发粮水,泼水时从堆放的一边扒开小坑将95℃热水倒在里面,注:不许泼开以防水温降低不利于高粱吸收并能使原料内的杂质、异味随水冲掉;c、泼水时翻拌,每泼1次翻拌3次,并堆成圆锥,然后停留半小时再向粮堆的表面泼6水桶95℃的热水;d、润料时间12小时,每4小时加95℃的热水润粮1次,方法同第一次,共计加95℃热水润料3次;e、上甑时翻拌不加水,翻拌后上甑蒸粮;1.2.1.、蒸粮蒸生沙大气压a、装甑前要将甑锅、底锅等用水刷洗干净后并在底锅内加入3-4桶水为使蒸气上气均匀然后在甑篦上撒一层稻壳,防止原料掉进底锅;b、上甑采用见气撒料,在一小时内完成上甑工序,园气后蒸料3小时随气压而定,即可出甑,以不出现破粒、硬粒、发粘为主;c、每甑活接两篓冷却水以备出甑补水,或加曲时补水用;1.2.1.、出甑摊凉出甑时用推车将蒸好的熟粮推到操作场上,倒成堆进行补95℃热水,每车以原粮计约60-80kg,每堆补水2kg左右,聚好堆,堆积约15分钟左右后用掀摊开,然后脱鞋光脚趟凉;1.2.1.、聚拢加曲翻拌将趟凉粮渣温度32-33℃聚拢,中间扒沟,适当加蒸粮冷却水5-10kg泼撒,然后将大曲粉根据量比加入沟内,用粮将沟填满盖严大曲,然后从一头翻拌3次,注:低翻撒匀,并使曲粉与高粱充分接触,然后推到堆积场,水分控制在38-42%,温度26-28℃;1.2.1.、堆积做好粮渣后,用推车抓紧推到堆积场上,要求随推随将粮渣堆成园堆型,堆积时间22-24小时,温度38-43℃;1.2.1.、入池发酵a、先将池底用黄粘土铺8-10公分,铺底的黄粘土用80%的酱香黄水和20%的酱香酒尾与50kg大曲粉混匀,泼在黄土上,光脚踩实、踏平,在撒5kg大曲粉、1公分厚稻壳,如用酱香黄水建池更好;b、堆积后入池前,对堆积粮渣的表面用约80kg的纯净水泼撒,扬凉降温28-33℃入池注:扬凉时须使用吹风机吹;1.2.1.、封窖发酵将粮渣入满后摊平盖席,将席上面撒一薄层稻壳,然后将活柔的封顶泥进行泥平,封泥厚度20公分左右,前5天每天都须用泥板泥一遍,以防止漏气,特别是池边上,不再下沉时,可用塑料布封好,并压好四边;发酵周期25天出池,转入第二轮糙沙工艺执行;1.2.2糙沙工艺1.2.2.1工艺流程:过筛、整粒高粱→加95发酵25天后出池母槽装甑蒸酒蒸粮→出甑聚堆→摊凉→聚拢加曲→翻拌→堆积→入池→封窖1.2.2.2原、辅料使用要求:1.2.2.、酱香型白酒生产第二次投料称为糙沙;每甑投料600kg根据本公司实际甑体容积立方米左右计算;1.2.2.、原料要求:高粱颗粒饱满,过筛无壳,无虫蛀,无霉变,无异杂味,无污染;1.2.2.、投料数量:糙沙为总投料量的50%;1.2.2.、高温大曲要求:大曲粉碎面粉化,便于糖化发酵,装入标准袋内,糙沙用曲用量为总原料量的10%;1.2.2.3作业规程:每甑投高粱数量600kg;1.2.2.、泼水堆积a、将备好的高粱按每甑600kg单独堆放;b、泼95℃以上的热水称为发粮水,泼水时从堆放的一边扒开小坑将95℃热水倒在里面,注:不许泼开以防水温降低不利于高粱吸收并能使原料内的杂质、异味随水冲掉;c、泼水时翻拌,每泼1次翻拌3次,并堆成圆锥,然后停留半小时再向粮堆的表面泼6水桶95℃的热水;d、润料时间12小时,每4小时加95℃的热水润粮1次,方法同第一次,共计加95℃热水润料3次;1.2.2.、出池:a、先将封顶泥清除干净推到和泥处柔熟备用b、然后挖出母糟每甑约4-5推车推到甑锅处与润好的高粱掺拌均匀;c、上甑时高粱不再加水,翻拌后与出池的母糟掺拌均匀;上甑蒸酒、蒸粮注:掺拌后的粮糟与甑桶要保持一段距离,以减少酒精损失;1.2.2.、蒸粮蒸糙沙大气压a、装甑前要将甑锅、底锅等用水刷洗干净并在底锅内加入3—4桶水以便蒸气上气均匀然后在甑篦上撒一层稻壳,防止原料掉进底锅;b、上甑采用探气装甑,装甑时间控制在35-40分钟,流酒后蒸粮90—110分钟随气压而定,即可出甑,以不出现破粒、硬粒、发粘为主;蒸粮要求9成熟为好;c、每甑接酒约12—16桶注:酒精为零度止,然后串蒸将酒精度提至40°左右单独存放,此酒为下沙酒其中以正丙醇为代表的高级醇含量较为丰富可做为调味酒使用;1.2.2.、出甑摊凉出甑时用推车将蒸好的粮糟推到操作场上,用掀摊开先出甄的厚一点然后脱鞋,横竖用掀摊再光脚趟凉;1.2.2.、聚拢加曲翻拌将趟凉粮渣温度37—40℃聚拢,中间扒沟,然后将大曲粉根据量比加入沟内,用粮渣将沟填满盖严大曲,然后从一头翻拌2次,注:低翻撒匀,使曲粉与高粱充分接触,然后推到堆积场,水分控制在38-42%,温度控制在30—33℃;1.2.2.、堆积做好粮渣后,用推车抓紧推到堆积场上,要求随推随将粮渣堆成园堆型,堆积时间45-49小时,堆积温度控制在顶温43-48℃,堆积表层面1公分下有5-6公分厚的霉菌层;1.2.2.、入池发酵a、先将池底用黄粘土铺8-10公分,铺底的黄粘土用80%的酱香黄水和20%的酱香酒尾与50kg大曲粉混匀,泼在黄土上,光脚踩实、踏平,在撒50kg大曲粉、1公分厚稻壳,如用酱香黄水建池更好;b、堆积后入池前,对堆积粮渣的表面用约2酒篓的纯净水泼撒,入池时水份控制在38-41%;温度控制在28-33℃;1.2.2.、封窖发酵将粮渣入满窖池后摊平盖席,在席上面撒一薄层稻壳,然后将活柔的封顶泥泥平,封泥厚度20公分左右,前5天每天须用泥板泥一遍,以防止漏气,特别是池边,不再下沉时,可用塑料布封好,并用沙土压好四边,发酵周期为28天;出池后,转入第一次出酒按第三轮生产工艺执行;1.2.3产酒循环生产工艺1.2.3.1工艺流程:稻壳→清蒸40分钟以上第一次出酒入池发酵30装甑蒸酒蒸粮→出甑摊凉→聚拢加曲→翻拌→堆积→入池→封窖1.2.3.2辅料使用要求:1.2.3.、稻壳要求:有骨力,无虫蛀,无霉变,无异杂味,无污染;清蒸40分钟以上;用量每甑12kg不含铺甑篦,要求摊凉晾干1.2.3.、高温大曲要求:大曲粉碎面粉化,便于糖化发酵,装入标准袋内,每甑用曲量120kg每轮甑数将逐渐增加1.2.3.3作业规程:1.2.3.、出池:a、先将封顶泥清除干净推到和泥处柔熟备用并用塑料布盖严防止水份散失;b、然后挖出母糟每甑约8-10推车推到甑锅处与蒸好的稻壳掺拌均匀;c、出完池后将池内扫净,池底撒大曲粉5kg然后用塑料布将池底封严;d、上甑前先在底锅内加入3一4水桶清水或酒尾3一4酒镂然后将蒸好的稻壳铺在甑篦上厚度约1厘米左右;并用水撒湿,然后将出池拌匀的母糟,上甑蒸酒、蒸粮注:掺拌后的粮糟与甑桶要保持一段距离,以减少酒精损失;1.2.3.、蒸酒、蒸粮大气压蒸粮时左右a、装甑前要将甑锅、底锅等用水刷洗干净并在底锅内加入3—4然后在甑篦上撒一层蒸好的稻壳撒湿,防止原料掉进底锅;b、上甑采用探气装甑,装甑时间,每甑控制在28-30分钟,流酒后蒸酒蒸粮80分钟左右;随气压而定,即可出甑并以不出现破粒发粘为主;c、每甑接酒后再接3-4篓尾酒注:尾酒酒精度到零度止,添入下甑底锅内;1.2.3.、出甑摊凉出甑时用推车将蒸好的母糟推到操作场上,用掀摊开先出甄的厚一点然后脱鞋,横竖先用掀摊后再光脚趟凉;1.2.3.、聚拢加曲翻拌将趟凉母糟温度37—40℃聚拢,中间扒沟,然后将大曲粉根据量比加入沟内,用母糟将沟填满盖严大曲,然后从一头翻拌3次,并用扫帚将疙瘩打开注:低翻撒匀,使曲粉与高粱充分接触,然后推到堆积场,水分控制在43-45%,温度控制在28—32℃;1.2.3.、堆积做好粮渣后,用推车抓紧推到堆积场上,要求随推随将粮渣堆成园堆型,堆积时间96小时左右,随升温情况而定,堆积温度控制在49-51℃顶温,使堆积表层面30-40公分的下方有5-10公分厚的霉菌层;1.2.3.、入池发酵a、先将池底撒一层蒸好的稻壳约1公分然后用两桶热水泼洒池壁池底;b、堆积后入池前,对堆积粮渣的表面用纯净水泼撒每甑泼撒纯净水约10kg 温度38一39至堆积粮渣表面及粮渣,入池时水份控制在44-46%;温度控制在33-36℃;1.2.3.、封窖发酵将粮渣入满窖池后摊平盖席,在席上面撒一薄层稻壳,然后将柔活的封顶泥泥平,封泥厚度20公分左右,封窖后前几天,每天须用泥板泥一遍,以防止漏气,特别是池边,不再下沉时,可用塑料布封严,并用沙土压好四边,发酵周期为30天左右;出池后,转入下一轮出酒;。
酱香型白酒工艺流程图、!注:”为关键控制点1.2.1《下沙工艺》1.2.1.1工艺流程:过筛整粒高粱加95℃热水润料装甑蒸粮出甑聚堆补浆摊凉聚拢加曲翻拌堆积入池封窖。
1.2.1.2原、辅料使用要求:1.2.1.、酱香型白酒生产第一次投料称为下沙。
每甑投料1200kg 【根据本公司实际甑体容积立方米左右计算】。
1.2.1.、原料要求:高粱颗粒饱满,过筛无壳,无虫蛀,无霉变,无异杂味,无污染。
1.2.1.、投料数量:下沙为总投料量的50%。
1.2.1.、高温大曲要求:大曲粉碎面粉化,便于糖化发酵,装入标准袋内,下沙用曲用量为原料量的10%。
(1.2.1.3作业规程:每甑投高粱数量1200kg。
1.2.1.、泼水堆积a、将备好的高粱按每甑1200kg单独堆放。
b、泼95℃以上的热水【称为发粮水】,泼水时从堆放的一边扒开小坑将95℃热水倒在里面,【注:不许泼开以防水温降低不利于高粱吸收并能使原料内的杂质、异味随水冲掉】。
c、泼水时翻拌,每泼1次翻拌3次,并堆成圆锥,然后停留半小时再向粮堆的表面泼6水桶95℃的热水。
d、润料时间12小时,每4小时加95℃的热水润粮1次,方法同第一次,共计加95℃热水润料3次。
e、上甑时翻拌不加水,翻拌后上甑蒸粮。
@1.2.1.、蒸粮【蒸生沙】大气压a、装甑前要将甑锅、底锅等用水刷洗干净后并在底锅内加入3-4桶水【为使蒸气上气均匀】然后在甑篦上撒一层稻壳,防止原料掉进底锅。
b、上甑采用见气撒料,在一小时内完成上甑工序,园气后蒸料3小时【随气压而定】,即可出甑,以不出现破粒、硬粒、发粘为主。
c、每甑活接两篓冷却水以备出甑补水,或加曲时补水用。
1.2.1.、出甑摊凉出甑时用推车将蒸好的熟粮推到操作场上,倒成堆进行补95℃热水,每车以原粮计约60-80kg,每堆补水2kg左右,聚好堆,堆积约15分钟左右后用掀摊开,然后脱鞋光脚趟凉。
1.2.1.、聚拢加曲翻拌将趟凉粮渣【温度32-33℃】聚拢,中间扒沟,适当加蒸粮冷却水5-10kg泼撒,然后将大曲粉根据量比加入沟内,用粮将沟填满盖严大曲,然后从一头翻拌3次,【注:低翻撒匀,并使曲粉与高粱充分接触】,然后推到堆积场,水分控制在38-42%,温度26-28℃。
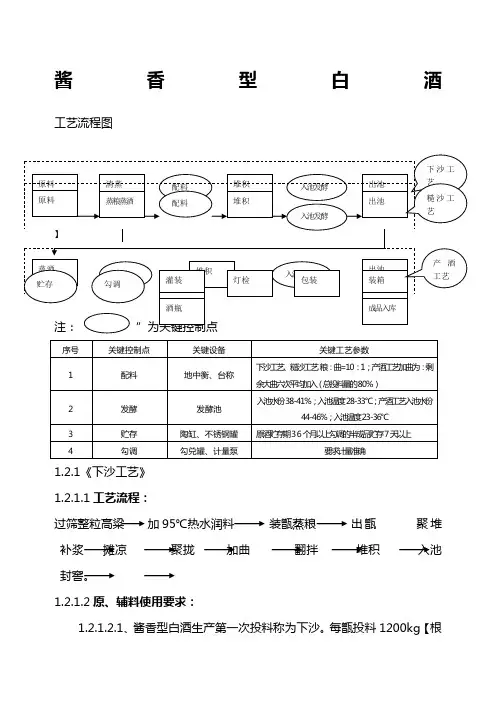
工艺流程图注:“r为关键控制点-------------- 7- --------------丿---- ------ -----------序号关键控制点关键设备关键工艺参数下沙工艺、糙沙工艺粮:曲=10 1;产酒工艺加曲为:1配料地中衡、台称剩余大曲六次平均力叭(总投料量的80%入池水份38-41%入池温度28-33C;产酒工艺入池水份2发酵发酵池44-46%入池温度23-36C 3贮存陶缸、不锈钢罐原酒贮存期3 6个月以上勾调的半成品贮存7天以上4勾调勾兑罐、计里泵要求计量准确1.2.1《下沙工艺》121.1工艺流程:过筛整粒高粱加95 C热水润料装甑蒸粮出甑聚堆补浆摊凉聚拢加曲翻拌堆积入池封窖。
1.2.1.2 原、辅料使用要求:1.2.1.2.1 、酱香型白酒生产第一次投料称为下沙。
每甑投料1200kg【根据本公司实际甑体容积2.3立方米左右计算】。
1.2.1.2.2 、原料要求:高粱颗粒饱满,过筛无壳,无虫蛀,无霉变,无异杂味,无污染。
1.2.1.2.3 、投料数量:下沙为总投料量的50%。
1.2.1.2.4 、高温大曲要求:大曲粉碎面粉化,便于糖化发酵,装入标准袋内,下沙用曲用量为原料量的10%。
1.2.1.3 作业规程:每甑投高粱数量1200kg。
1.2.1.3.1 、泼水堆积a、将备好的高粱按每甑1200kg单独堆放。
b、泼95C以上的热水【称为发粮水】,泼水时从堆放的一边扒开小坑将95C热水倒在里面,【注:不许泼开以防水温降低不利于高粱吸收并能使原料内的杂质、异味随水冲掉】。
c、泼水时翻拌,每泼1次翻拌3次,并堆成圆锥,然后停留半小时再向粮堆的表面泼6水桶95C的热水。
d、润料时间12小时,每4小时加95C的热水润粮1次,方法同第一次,共计加95C热水润料3次。
e、上甑时翻拌不加水,翻拌后上甑蒸粮。
1.2.1.3.2 、蒸粮【蒸生沙】P1.1 大气压a、装甑前要将甑锅、底锅等用水刷洗干净后并在底锅内加入3-4 桶水【为使蒸气上气均匀】然后在甑篦上撒一层稻壳,防止原料掉进底锅。
酱香型白酒工艺流程图注:1.2.1《下沙工艺》1.2.1.1工艺流程:过筛整粒高粱加95℃热水润料装甑蒸粮出甑聚堆补浆摊凉聚拢加曲翻拌堆积入池封窖。
1.2.1.2原、辅料使用要求:1.2.1.、酱香型白酒生产第一次投料称为下沙。
每甑投料1200kg 【根据本公司实际甑体容积立方米左右计算】。
1.2.1.、原料要求:高粱颗粒饱满,过筛无壳,无虫蛀,无霉变,无异杂味,无污染。
1.2.1.、投料数量:下沙为总投料量的50%。
1.2.1.、高温大曲要求:大曲粉碎面粉化,便于糖化发酵,装入标准袋内,下沙用曲用量为原料量的10%。
1.2.1.3作业规程:每甑投高粱数量1200kg。
1.2.1.、泼水堆积a、将备好的高粱按每甑1200kg单独堆放。
b、泼95℃以上的热水【称为发粮水】,泼水时从堆放的一边扒开小坑将95℃热水倒在里面,【注:不许泼开以防水温降低不利于高粱吸收并能使原料内的杂质、异味随水冲掉】。
c、泼水时翻拌,每泼1次翻拌3次,并堆成圆锥,然后停留半小时再向粮堆的表面泼6水桶95℃的热水。
d、润料时间12小时,每4小时加95℃的热水润粮1次,方法同第一次,共计加95℃热水润料3次。
e、上甑时翻拌不加水,翻拌后上甑蒸粮。
1.2.1.、蒸粮【蒸生沙】大气压a、装甑前要将甑锅、底锅等用水刷洗干净后并在底锅内加入3-4桶水【为使蒸气上气均匀】然后在甑篦上撒一层稻壳,防止原料掉进底锅。
b、上甑采用见气撒料,在一小时内完成上甑工序,园气后蒸料3小时【随气压而定】,即可出甑,以不出现破粒、硬粒、发粘为主。
c、每甑活接两篓冷却水以备出甑补水,或加曲时补水用。
1.2.1.、出甑摊凉出甑时用推车将蒸好的熟粮推到操作场上,倒成堆进行补95℃热水,每车以原粮计约60-80kg,每堆补水2kg左右,聚好堆,堆积约15分钟左右后用掀摊开,然后脱鞋光脚趟凉。
1.2.1.、聚拢加曲翻拌将趟凉粮渣【温度32-33℃】聚拢,中间扒沟,适当加蒸粮冷却水5-10kg泼撒,然后将大曲粉根据量比加入沟内,用粮将沟填满盖严大曲,然后从一头翻拌3次,【注:低翻撒匀,并使曲粉与高粱充分接触】,然后推到堆积场,水分控制在38-42%,温度26-28℃。
酱香型白酒生产工艺操作规范图及关键控制点文稿归稿存档编号:[KKUY-KKIO69-OTM243-OLUI129-G00I-FDQS58-酱香型白酒工艺流程图1.2.1《下沙工艺》1.2.1.1工艺流程:过筛整粒高粱加95℃热水润料装甑蒸粮出甑聚堆补浆摊凉聚拢加曲翻拌堆积入池封窖。
1.2.1.2原、辅料使用要求:1.2.1.2.1、酱香型白酒生产第一次投料称为下沙。
每甑投料1200kg【根据本公司实际甑体容积2.3立方米左右计算】。
1.2.1.2.2、原料要求:高粱颗粒饱满,过筛无壳,无虫蛀,无霉变,无异杂味,无污染。
1.2.1.2.3、投料数量:下沙为总投料量的50%。
1.2.1.2.4、高温大曲要求:大曲粉碎面粉化,便于糖化发酵,装入标准袋内,下沙用曲用量为原料量的10%。
1.2.1.3作业规程:每甑投高粱数量1200kg。
1.2.1.3.1、泼水堆积a、将备好的高粱按每甑1200kg单独堆放。
b、泼95℃以上的热水【称为发粮水】,泼水时从堆放的一边扒开小坑将95℃热水倒在里面,【注:不许泼开以防水温降低不利于高粱吸收并能使原料内的杂质、异味随水冲掉】。
c、泼水时翻拌,每泼1次翻拌3次,并堆成圆锥,然后停留半小时再向粮堆的表面泼6水桶95℃的热水。
d、润料时间12小时,每4小时加95℃的热水润粮1次,方法同第一次,共计加95℃热水润料3次。
e、上甑时翻拌不加水,翻拌后上甑蒸粮。
1.2.1.3.2、蒸粮【蒸生沙】P1.1大气压a、装甑前要将甑锅、底锅等用水刷洗干净后并在底锅内加入3-4桶水【为使蒸气上气均匀】然后在甑篦上撒一层稻壳,防止原料掉进底锅。
b、上甑采用见气撒料,在一小时内完成上甑工序,园气后蒸料3小时【随气压而定】,即可出甑,以不出现破粒、硬粒、发粘为主。
c、每甑活接两篓冷却水以备出甑补水,或加曲时补水用。
1.2.1.3.3、出甑摊凉出甑时用推车将蒸好的熟粮推到操作场上,倒成堆进行补95℃热水,每车以原粮计约60-80kg,每堆补水2kg左右,聚好堆,堆积约15分钟左右后用掀摊开,然后脱鞋光脚趟凉。
酱香型白酒生产工艺流程图及关键控制点文件排版存档编号:[UYTR-OUPT28-KBNTL98-UYNN208]酱香型白酒工艺流程图1.2.1《下沙工艺》1.2.1.1工艺流程:过筛整粒高粱加95℃热水润料装甑蒸粮出甑聚堆补浆摊凉聚拢加曲翻拌堆积入池封窖。
1.2.1.2原、辅料使用要求:1.2.1.、酱香型白酒生产第一次投料称为下沙。
每甑投料1200kg【根据本公司实际甑体容积立方米左右计算】。
1.2.1.、原料要求:高粱颗粒饱满,过筛无壳,无虫蛀,无霉变,无异杂味,无污染。
1.2.1.、投料数量:下沙为总投料量的50%。
1.2.1.、高温大曲要求:大曲粉碎面粉化,便于糖化发酵,装入标准袋内,下沙用曲用量为原料量的10%。
1.2.1.3作业规程:每甑投高粱数量1200kg。
1.2.1.、泼水堆积a、将备好的高粱按每甑1200kg单独堆放。
b、泼95℃以上的热水【称为发粮水】,泼水时从堆放的一边扒开小坑将95℃热水倒在里面,【注:不许泼开以防水温降低不利于高粱吸收并能使原料内的杂质、异味随水冲掉】。
c、泼水时翻拌,每泼1次翻拌3次,并堆成圆锥,然后停留半小时再向粮堆的表面泼6水桶95℃的热水。
d、润料时间12小时,每4小时加95℃的热水润粮1次,方法同第一次,共计加95℃热水润料3次。
e、上甑时翻拌不加水,翻拌后上甑蒸粮。
1.2.1.、蒸粮【蒸生沙】大气压a、装甑前要将甑锅、底锅等用水刷洗干净后并在底锅内加入3-4桶水【为使蒸气上气均匀】然后在甑篦上撒一层稻壳,防止原料掉进底锅。
b、上甑采用见气撒料,在一小时内完成上甑工序,园气后蒸料3小时【随气压而定】,即可出甑,以不出现破粒、硬粒、发粘为主。
c、每甑活接两篓冷却水以备出甑补水,或加曲时补水用。
1.2.1.、出甑摊凉出甑时用推车将蒸好的熟粮推到操作场上,倒成堆进行补95℃热水,每车以原粮计约60-80kg,每堆补水2kg左右,聚好堆,堆积约15分钟左右后用掀摊开,然后脱鞋光脚趟凉。
酱香型白酒工艺流程图注:“1.2.1《下沙工艺》1.2.1.1工艺流程:过筛整粒高粱加95℃热水润料装甑蒸粮出甑聚堆补浆摊凉聚拢加曲翻拌堆积入池封窖。
1.2.1.2原、辅料使用要求:1.2.1.2.1、酱香型白酒生产第一次投料称为下沙。
每甑投料1200kg【根据本公司实际甑体容积2.3立方米左右计算】。
1.2.1.2.2、原料要求:高粱颗粒饱满,过筛无壳,无虫蛀,无霉变,无异杂味,无污染。
1.2.1.2.3、投料数量:下沙为总投料量的50%。
1.2.1.2.4、高温大曲要求:大曲粉碎面粉化,便于糖化发酵,装入标准袋,下沙用曲用量为原料量的10%。
1.2.1.3作业规程:每甑投高粱数量1200kg。
1.2.1.3.1、泼水堆积a、将备好的高粱按每甑1200kg单独堆放。
b、泼95℃以上的热水【称为发粮水】,泼水时从堆放的一边扒开小坑将95℃热水倒在里面,【注:不许泼开以防水温降低不利于高粱吸收并能使原料的杂质、异味随水冲掉】。
c、泼水时翻拌,每泼1次翻拌3次,并堆成圆锥,然后停留半小时再向粮堆的表面泼6水桶95℃的热水。
d、润料时间12小时,每4小时加95℃的热水润粮1次,方法同第一次,共计加95℃热水润料3次。
e、上甑时翻拌不加水,翻拌后上甑蒸粮。
1.2.1.3.2、蒸粮【蒸生沙】P1.1大气压a、装甑前要将甑锅、底锅等用水刷洗干净后并在底锅加入3-4桶水【为使蒸气上气均匀】然后在甑篦上撒一层稻壳,防止原料掉进底锅。
b、上甑采用见气撒料,在一小时完成上甑工序,园气后蒸料3小时【随气压而定】,即可出甑,以不出现破粒、硬粒、发粘为主。
c、每甑活接两篓冷却水以备出甑补水,或加曲时补水用。
1.2.1.3.3、出甑摊凉出甑时用推车将蒸好的熟粮推到操作场上,倒成堆进行补95℃热水,每车以原粮计约60-80kg,每堆补水2kg左右,聚好堆,堆积约15分钟左右后用掀摊开,然后脱鞋光脚趟凉。
1.2.1.3.4、聚拢加曲翻拌将趟凉粮渣【温度32-33℃】聚拢,中间扒沟,适当加蒸粮冷却水5-10kg泼撒,然后将大曲粉根据量比加入沟,用粮将沟填满盖严大曲,然后从一头翻拌3次,【注:低翻撒匀,并使曲粉与高粱充分接触】,然后推到堆积场,水分控制在38-42%,温度26-28℃。
酱香型白酒工艺流程图注:“1.2.1《下沙工艺》1.2.1.1工艺流程:过筛整粒高粱加95℃热水润料装甑蒸粮出甑聚堆补浆摊凉聚拢加曲翻拌堆积入池封窖。
1.2.1.2原、辅料使用要求:1.2.1.2.1、酱香型白酒生产第一次投料称为下沙。
每甑投料1200kg【根据本公司实际甑体容积2.3立方米左右计算】。
1.2.1.2.2、原料要求:高粱颗粒饱满,过筛无壳,无虫蛀,无霉变,无异杂味,无污染。
1.2.1.2.3、投料数量:下沙为总投料量的50%。
1.2.1.2.4、高温大曲要求:大曲粉碎面粉化,便于糖化发酵,装入标准袋内,下沙用曲用量为原料量的10%。
1.2.1.3作业规程:每甑投高粱数量1200kg。
1.2.1.3.1、泼水堆积a、将备好的高粱按每甑1200kg单独堆放。
b、泼95℃以上的热水【称为发粮水】,泼水时从堆放的一边扒开小坑将95℃热水倒在里面,【注:不许泼开以防水温降低不利于高粱吸收并能使原料内的杂质、异味随水冲掉】。
c、泼水时翻拌,每泼1次翻拌3次,并堆成圆锥,然后停留半小时再向粮堆的表面泼6水桶95℃的热水。
d、润料时间12小时,每4小时加95℃的热水润粮1次,方法同第一次,共计加95℃热水润料3次。
e、上甑时翻拌不加水,翻拌后上甑蒸粮。
1.2.1.3.2、蒸粮【蒸生沙】P1.1大气压a、装甑前要将甑锅、底锅等用水刷洗干净后并在底锅内加入3-4桶水【为使蒸气上气均匀】然后在甑篦上撒一层稻壳,防止原料掉进底锅。
b、上甑采用见气撒料,在一小时内完成上甑工序,园气后蒸料3小时【随气压而定】,即可出甑,以不出现破粒、硬粒、发粘为主。
c、每甑活接两篓冷却水以备出甑补水,或加曲时补水用。
1.2.1.3.3、出甑摊凉出甑时用推车将蒸好的熟粮推到操作场上,倒成堆进行补95℃热水,每车以原粮计约60-80kg,每堆补水2kg左右,聚好堆,堆积约15分钟左右后用掀摊开,然后脱鞋光脚趟凉。
1.2.1.3.4、聚拢加曲翻拌将趟凉粮渣【温度32-33℃】聚拢,中间扒沟,适当加蒸粮冷却水5-10kg泼撒,然后将大曲粉根据量比加入沟内,用粮将沟填满盖严大曲,然后从一头翻拌3次,【注:低翻撒匀,并使曲粉与高粱充分接触】,然后推到堆积场,水分控制在38-42%,温度26-28℃。
酱香型白酒工艺流程图注:1.2.1《下沙工艺》1.2.1.1工艺流程:过筛整粒高粱加95℃热水润料装甑蒸粮出甑聚堆补浆摊凉聚拢加曲翻拌堆积入池封窖。
1.2.1.2原、辅料使用要求:1.2.1.2.1、酱香型白酒生产第一次投料称为下沙。
每甑投料1200kg【根据本公司实际甑体容积2.3立方米左右计算】。
1.2.1.2.2、原料要求:高粱颗粒饱满,过筛无壳,无虫蛀,无霉变,无异杂味,无污染。
1.2.1.2.3、投料数量:下沙为总投料量的50%。
1.2.1.2.4、高温大曲要求:大曲粉碎面粉化,便于糖化发酵,装入标准袋内,下沙用曲用量为原料量的10%。
1.2.1.3作业规程:每甑投高粱数量1200kg。
1.2.1.3.1、泼水堆积a、将备好的高粱按每甑1200kg单独堆放。
b、泼95℃以上的热水【称为发粮水】,泼水时从堆放的一边扒开小坑将95℃热水倒在里面,【注:不许泼开以防水温降低不利于高粱吸收并能使原料内的杂质、异味随水冲掉】。
c、泼水时翻拌,每泼1次翻拌3次,并堆成圆锥,然后停留半小时再向粮堆的表面泼6水桶95℃的热水。
d、润料时间12小时,每4小时加95℃的热水润粮1次,方法同第一次,共计加95℃热水润料3次。
e、上甑时翻拌不加水,翻拌后上甑蒸粮。
1.2.1.3.2、蒸粮【蒸生沙】P1.1大气压a、装甑前要将甑锅、底锅等用水刷洗干净后并在底锅内加入3-4桶水【为使蒸气上气均匀】然后在甑篦上撒一层稻壳,防止原料掉进底锅。
b、上甑采用见气撒料,在一小时内完成上甑工序,园气后蒸料3小时【随气压而定】,即可出甑,以不出现破粒、硬粒、发粘为主。
c、每甑活接两篓冷却水以备出甑补水,或加曲时补水用。
1.2.1.3.3、出甑摊凉出甑时用推车将蒸好的熟粮推到操作场上,倒成堆进行补95℃热水,每车以原粮计约60-80kg,每堆补水2kg左右,聚好堆,堆积约15分钟左右后用掀摊开,然后脱鞋光脚趟凉。
1.2.1.3.4、聚拢加曲翻拌将趟凉粮渣【温度32-33℃】聚拢,中间扒沟,适当加蒸粮冷却水5-10kg泼撒,然后将大曲粉根据量比加入沟内,用粮将沟填满盖严大曲,然后从一头翻拌3次,【注:低翻撒匀,并使曲粉与高粱充分接触】,然后推到堆积场,水分控制在38-42%,温度26-28℃。
1.2.1.3.5、堆积做好粮渣后,用推车抓紧推到堆积场上,要求随推随将粮渣堆成园堆型,堆积时间22-24小时,温度38-43℃。
1.2.1.3.6、入池发酵a、先将池底用黄粘土铺8-10公分,铺底的黄粘土用80%的酱香黄水和20%的酱香酒尾与50kg大曲粉混匀,泼在黄土上,光脚踩实、踏平,在撒5kg大曲粉、1公分厚稻壳,【如用酱香黄水建池更好】。
b、堆积后入池前,对堆积粮渣的表面用约80kg的纯净水泼撒,扬凉降温28-33℃入池【注:扬凉时须使用吹风机吹】。
1.2.1.3.7、封窖发酵将粮渣入满后摊平盖席,将席上面撒一薄层稻壳,然后将活柔的封顶泥进行泥平,封泥厚度20公分左右,前5天每天都须用泥板泥一遍,以防止漏气,特别是池边上,不再下沉时,可用塑料布封好,并压好四边。
发酵周期25天出池,转入第二轮糙沙工艺执行。
1.2.2糙沙工艺1.2.2.1工艺流程:过筛、整粒高粱→加粮糟掺拌均匀发酵25天后出池母槽装甑蒸酒蒸粮→出甑聚堆→摊凉→聚拢加曲→翻拌→堆积→入池→封窖1.2.2.2原、辅料使用要求:1.2.2.2.1、酱香型白酒生产第二次投料称为糙沙。
每甑投料600kg【根据本公司实际甑体容积2.3立方米左右计算】。
1.2.2.2.2、原料要求:高粱颗粒饱满,过筛无壳,无虫蛀,无霉变,无异杂味,无污染。
1.2.2.2.3、投料数量:糙沙为总投料量的50%。
1.2.2.2.4、高温大曲要求:大曲粉碎面粉化,便于糖化发酵,装入标准袋内,糙沙用曲用量为总原料量的10%。
1.2.2.3作业规程:每甑投高粱数量600kg。
1.2.2.3.1、泼水堆积a、将备好的高粱按每甑600kg单独堆放。
b、泼95℃以上的热水【称为发粮水】,泼水时从堆放的一边扒开小坑将95℃热水倒在里面,【注:不许泼开以防水温降低不利于高粱吸收并能使原料内的杂质、异味随水冲掉】。
c、泼水时翻拌,每泼1次翻拌3次,并堆成圆锥,然后停留半小时再向粮堆的表面泼6水桶95℃的热水。
d、润料时间12小时,每4小时加95℃的热水润粮1次,方法同第一次,共计加95℃热水润料3次。
1.2.2.3.2、出池:a、先将封顶泥清除干净推到和泥处柔熟备用b、然后挖出母糟【每甑约4-5推车】推到甑锅处与润好的高粱掺拌均匀。
c、上甑时高粱不再加水,翻拌后与出池的母糟掺拌均匀。
上甑蒸酒、蒸粮【注:掺拌后的粮糟与甑桶要保持一段距离,以减少酒精损失】。
1.2.2.2.3、蒸粮【蒸糙沙】P1.5大气压a、装甑前要将甑锅、底锅等用水刷洗干净并在底锅内加入3—4桶水【以便蒸气上气均匀】然后在甑篦上撒一层稻壳,防止原料掉进底锅。
b、上甑采用探气装甑,装甑时间控制在35-40分钟,流酒后蒸粮90—110分钟【随气压而定】,即可出甑,以不出现破粒、硬粒、发粘为主。
蒸粮要求9成熟为好。
c、每甑接酒约12—16桶【注:酒精为零度止】,然后串蒸将酒精度提至 40°左右单独存放,此酒为下沙酒【其中以正丙醇为代表的高级醇含量较为丰富可做为调味酒使用】。
1.2.2.2.4、出甑摊凉出甑时用推车将蒸好的粮糟推到操作场上,用掀摊开【先出甄的厚一点】然后脱鞋,横竖用掀摊再光脚趟凉。
1.2.2.2.5、聚拢加曲翻拌将趟凉粮渣【温度37—40℃】聚拢,中间扒沟,然后将大曲粉根据量比加入沟内,用粮渣将沟填满盖严大曲,然后从一头翻拌2次,【注:低翻撒匀,使曲粉与高粱充分接触】,然后推到堆积场,水分控制在38-42%,温度控制在30—33℃。
1.2.2.2.6、堆积做好粮渣后,用推车抓紧推到堆积场上,要求随推随将粮渣堆成园堆型,堆积时间45-49小时,堆积温度控制在顶温43-48℃,堆积表层面1公分下有5-6公分厚的霉菌层。
1.2.2.2.7、入池发酵a、先将池底用黄粘土铺8-10公分,铺底的黄粘土用80%的酱香黄水和20%的酱香酒尾与50kg大曲粉混匀,泼在黄土上,光脚踩实、踏平,在撒50kg大曲粉、1公分厚稻壳,【如用酱香黄水建池更好】。
b、堆积后入池前,对堆积粮渣的表面用约2酒篓的纯净水泼撒,入池时水份控制在38-41%;温度控制在28-33℃。
1.2.2.2.8、封窖发酵将粮渣入满窖池后摊平盖席,在席上面撒一薄层稻壳,然后将活柔的封顶泥泥平,封泥厚度20公分左右,前5天每天须用泥板泥一遍,以防止漏气,特别是池边,不再下沉时,可用塑料布封好,并用沙土压好四边,发酵周期为28天。
出池后,转入第一次出酒【按第三轮生产工艺执行】。
1.2.3《产酒循环生产工艺》1.2.3.1工艺流程:稻壳→清蒸40第一次出酒入池发酵稻壳母糟掺拌均匀装甑蒸酒蒸粮→出甑摊凉→聚拢加曲→翻拌→堆积→入池→封窖1.2.3.2辅料使用要求:1.2.3.2.1、稻壳要求:有骨力,无虫蛀,无霉变,无异杂味,无污染。
清蒸40分钟以上;用量每甑12kg【不含铺甑篦,要求摊凉晾干】1.2.3.2.2、高温大曲要求:大曲粉碎面粉化,便于糖化发酵,装入标准袋内,每甑用曲量120kg【每轮甑数将逐渐增加】1.2.3.3作业规程:1.2.3.3.1、出池:a、先将封顶泥清除干净推到和泥处柔熟备用并用塑料布盖严防止水份散失;b、然后挖出母糟【每甑约8-10推车】推到甑锅处与蒸好的稻壳掺拌均匀。
c、出完池后将池内扫净,池底撒大曲粉5kg然后用塑料布将池底封严。
d、上甑前先在底锅內加入3一4水桶清水或酒尾3一4酒镂然后将蒸好的稻壳铺在甑篦上厚度约1厘米左右。
并用水撒湿,然后将出池拌匀的母糟,上甑蒸酒、蒸粮【注:掺拌后的粮糟与甑桶要保持一段距离,以减少酒精损失】。
1.2.3.3.2、蒸酒、蒸粮P1.5大气压【蒸粮时P2.0左右】a、装甑前要将甑锅、底锅等用水刷洗干净并在底锅内加入3—4然后在甑篦上撒一层蒸好的稻壳【撒湿】,防止原料掉进底锅。
b、上甑采用探气装甑,装甑时间,每甑控制在28-30分钟,流酒后蒸酒蒸粮80分钟左右;【随气压而定】,即可出甑并以不出現破粒发粘为主。
c、每甑接酒后再接3-4篓尾酒【注:尾酒酒精度到零度止】,添入下甑底锅内。
1.2.3.3.3、出甑摊凉出甑时用推车将蒸好的母糟推到操作场上,用掀摊开【先出甄的厚一点】然后脱鞋,横竖先用掀摊后再光脚趟凉。
1.2.3.3.4、聚拢加曲翻拌将趟凉母糟【温度37—40℃】聚拢,中间扒沟,然后将大曲粉根据量比加入沟内,用母糟将沟填满盖严大曲,然后从一头翻拌3次,并用扫帚将疙瘩打开【注:低翻撒匀,使曲粉与高粱充分接触】,然后推到堆积场,水分控制在43-45%,温度控制在28—32℃。
1.2.3.3.5、堆积做好粮渣后,用推车抓紧推到堆积场上,要求随推随将粮渣堆成园堆型,堆积时间96小时左右,随升温情况而定,堆积温度控制在49-51℃【顶温】,使堆积表层面30-40公分的下方有5-10公分厚的霉菌层。
1.2.3.3.6、入池发酵a、先将池底撒一层蒸好的稻壳【约1公分】然后用两桶热水泼洒池壁池底。
b、堆积后入池前,对堆积粮渣的表面用纯净水泼撒【每甑泼撒纯净水约10kg温度38一39至堆积粮渣表面及粮渣】,入池时水份控制在44-46%;温度控制在33-36℃。
1.2.3.3.7、封窖发酵将粮渣入满窖池后摊平盖席,在席上面撒一薄层稻壳,然后将柔活的封顶泥泥平,封泥厚度20公分左右,封窖后前几天,每天须用泥板泥一遍,以防止漏气,特别是池边,不再下沉时,可用塑料布封严,并用沙土压好四边,发酵周期为30天左右。
出池后,转入下一轮出酒。