探究液体内部压强的特点20
- 格式:doc
- 大小:166.50 KB
- 文档页数:1
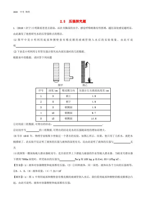
2.5 压强探究题1. (2019·济宁)小明跟着爸爸去游泳,站在齐胸深的水中,感觉呼吸略微有些困难,越往深处感觉越明显,由此激发了他想研究水的压管强特点的想法。
(1)图甲中是小明利用底部和侧壁套有橡皮膜的玻璃管倒入水后的实验现象,由此可说明。
(2)下表是小明利用U形管压强计探究水内部压强时的几组数据。
根据表中的数据,请回答下列问题序号深度/cm 橡皮膜方向压强计左右液面高度差/cm1 5 朝上 4.92 5 朝下 4.93 5 朝侧面 4.94 10 朝侧面9.75 15 朝侧面14.6①比较前三组数据,可得出的结论:。
②比较序号的三组数据,可得出的结论是水的压强随深度的增加而增大。
(3)早在1648年,物理学家帕斯卡曾做过一个著名的实验,如图乙所示。
结果,他只用了几杯水,就把木桶撑破了。
此实验不仅证明了液体的压强与液体的深度有关,还由此说明了液体的压强与无关(4)我国第一艘深海载人潜水器蛟龙号,是目前世界上下潜能力最强的作业型载人潜水器。
当蛟龙号潜水器下潜到7000m深度时,所受海水的压强为 Pa(g取10N/kg,p海水=1.03×103kg/m3)。
【答案】(1)液体对容器侧壁和底部都有压强;(2)①同种液体,同一深度,液体向各个方向的压强相等;②3、4、5;(3)液体质量;(4)7.21×107【解析】(1)图1中利用底部和侧壁套有橡皮膜的玻璃管倒入水后,我们看到底部和侧壁的橡皮膜都会凸起,由此可说明:液体对容器侧壁和底部都有压强;图甲图乙(2)①比较序号为1、2、3的三组数据,橡皮膜的朝向不同,其它条件相同,可得出的结论是:同种液体,同一深度,液体向各个方向的压强相等;②比较序号3、4、5的三组数据,液体的深度不同,其它条件相同,可得出的结论是:同一液体,液体内部压强随深度的增加而增大;(3)物理学家帕斯卡他只用了几杯水,就把木桶撑破了,此实验不仅证明了液体的压强与液体的深度有关,还由此说明了液体的压强与液体质量无关;(4)计算液体压强可以利用公式p=ρgh,则p=ρgh=1.03×103kg/m3×10N/kg×7000m=7.21×107Pa。
中考物理专项练习之实验---探究液体内部压强的特点(含答案解析、全国通用)一、多选题(本大题共1小题,共3.0分)1. 图甲所示的是微小压强计,如图乙所示的操作中可用来探究()A. 液体内部的压强跟液体密度的关系B. 液体内部向各个方向是否都有压强C. 同一深度液体向各个方向压强是否相等D. 液体内部的压强跟深度的关系二、填空题(本大题共4小题,共8.0分)2. (1)为了鉴别两个烧杯中哪杯装的是清水哪杯是盐水.小明将压强计的金属盒先后浸入到两杯液体中,如图甲和乙所示.他发现图乙中U形管两边的液柱高度差较大,于是认为图乙杯子中盛的是盐水.你认为,小明的结论是______(填“可靠的”或“不可靠的”);简要说明理由:______.(2)若此时盛清水的杯子中,水面到杯底的高度是0.1m,水对杯底的压强是______Pa.(g=10N/kg,ρ水=1.0×103kg/m3)(3)托里拆利测量大气压强值实验如图丙所示,当时的大气压强等于______mm高水银柱所产生的压强.3. 小明同学利用矿泉水瓶做了一些物理小实验:(1)如图甲所示,取一只空矿泉水瓶,向瓶中装入少量的水放在一块海绵上,立刻看到海绵凹陷一些;将矿泉水瓶装满水再放到海绵上,会发现海绵凹陷得更深了.可以说明压力的作用效果与______有关;(2)如图乙所示,取一只空矿泉水瓶装满水,将矿泉水瓶浸没于水中;若抓住瓶底向上提,会发现在瓶口未离开水面之前,瓶里始终充满水.可以说明______的存在.(3)如图丙所示,取一矿泉水瓶,在矿泉水瓶体的不同方向上,用小铁钉钻几个小孔,然后向瓶内装满水,盖上瓶盖,两手用力挤压瓶体,可看到水从不同的小孔中喷出,这可以说明“液体内部向______都有压强”.(4)如图丁所示,取一矿泉水瓶和一小玻璃瓶可以制作成浮沉子,当用力挤压瓶体发现小玻璃瓶可以在水中下沉,此时小玻璃瓶受到的浮力______重力(选填“>,=,<”).4. 水平桌面上的两个相同容器中装有甲、乙两种液体.小亮同学先将微小压强计U形管的两液面调到______,他再把同一支压强计的探头先后放入甲、乙两种液体中的相同深度处,观察U形管中两次液面的高度差,如图所示.由此可知,两种液体中______液体的密度较大.(选填“甲”或“乙”)5. 如图是小明在研究液体内部压强特点时所做的实验.将蒙有橡皮膜的金属盒作为探头与压强计相连,在一个烧杯中倒入适量的水,将金属盒放在水中不同的位置,实验现象如图甲、乙,根据实验现象可以得出的结论是: ______ .乙图中,U形管左侧管内气体的压强 ______ 右侧的管内气体的压强(选填“大于”、“等于”或“小于”).三、实验探究题(本大题共39小题,共234.0分)6. 图(a)所示的装置名称是______如图(b)、(c)和(d)所示,金属盒置于同种液体的不同位置处,该实验是研究液体内部压强与______的关系.7. 小明同学利用微小压强计研究液体压强:(1)如图1微小压强计是通过______反映液体压强的大小;(2)通过比较图2中A、B、C 三图,可以得出:在同种液体中同一深度处,液休向各个方向的压强______(选填“相等”或者“不相等”);通过比较______两图.可以得出:在深度相同的情况下,液体的压强还与液体的密度有关;通过比较______两图,可以得出:在密度相同的情况下,液体的压强还与深度有关.8. 某小组同学通过实验探究“液体对容器底部的压强大小与哪些因素有关”,他们选择了两个底面积S不同的容器进行研究,并在容器内倒入深度h不同的液体,用压强计分别测出容器底部受到的压强p的大小,将s、h和p记录在表一中.然后,他们变换液体重复实验,将数据记录在表二中.为做进一步研究,他们计算了相邻两次实验中h及p的变化量△h和△p,并将结果分别记录在表一和表二的后两列中.(1)分析比较实验序号1与2(或8与9)中的数据和相关条件,可得出的初步结论是:液体对容器底部的压强大小与容器的底面积大小______(选填“有关”或“无关”);(2)分析比较实验序号2~7(或9~14)中p和h的关系及相关条件,可得出的初步结论是:______.(3)分析比较实验序号______中的数据和相关条件,可得出的初步结论是:当液体的深度一定时,液体的密度越大,液体对容器底部的压强越大.(4)请进一步综合分析表一、表二的相关数据,归纳得出初步结论.(a)分析比较实验序号2~7或9~14中△p和△h的数据及相关条件,可知:______.(b)分析比较实验序号2~7和9~14中△p和△h的数据及相关条件,可知:______.9. 如图所示,图(a)装置是______,实验中用来探究______的特点.图(b)所示的实验装置可用来做验证______原理的实验,主要验证浸在液体中的物体所受浮力大小与______的关系.10. 本学期学习的实验有:A“测定物质的密度”、B“探究物质质量与体积的关系”、C“探究液体内部的压强与哪些因素有关”、D“探究导体中电流与电压的关系”和E“用电流表、电压表测电阻”等.①实验A和B中所记录的物理量______(选填“相同”或“不同”),U形管压强计是实验______中所用的研究仪器(填序号).②若将上述实验分成两类,则可跟实验D归为一类的实验有______(填序号),其归类理由是______.11. 在做“研究液体的压强”实验时得到的几组数据如下表:根据表中的数据,请回答下列问题:(1)要研究液体同一深度的压强特点,应该比较序号为______的三组数据,可得出的结论是:______.(2)比较序号3、4、5的三组数据,可得出的结论是:______.12. 下列四幅图是小华在探究液体内部压强实验时的四个场景,除图④杯中装的是盐水外,其余杯中装的都是水.(1)本实验是通过观察压强计左右两管内液面的______的变化而知道压强大小变化的;(2)比较①②两幅图,可以得出:______;(3)比较②④两幅图,可以得出:______;(4)比较②③两幅图,可以得出:同种液体同一深度,液体内部压强大小跟______无关.13. 小明将一根两端开口的玻璃管下端包上橡皮膜,将烧杯内的部分水倒入玻璃管中后,观察到橡皮膜向下凸出,如图所示.由此他得出:液体内部存在方向向下的压强.请你只利用上述器材,证明液体内部也存在着方向向上的压强,请简述实验的步骤和现象.14. 在探究液体内部压强特点时,小阳用包有橡皮膜的金属盒(作为探头)与U型管(作为压强计)相连通进行实验.(1)使用前应检查装置是否漏气,当用手指按压(不论是重压还是轻压)橡皮膜时,发现U型管两边的液面的高度差几乎不变,则说明该装置______(选填“漏气”、“不漏气”).(2)装置调整好后,若将探头先后放在同一容器的A、B两处,实验现象分别如图甲、乙所示,则可以判断出A、B两处的压强p A______p B(选填“大于”、“等于”或“小于”).由此可以得到的结论是:液体内部的压强与______有关.15. 水平实验桌面上有微小压强计、刻度尺、烧杯和水.小阳利用这些器材,探究水内部任意一点的压强跟该点到容器底的距离是否有关.小阳的主要实验步骤如下:①将微小压强计的探头放入烧杯的水中,用刻度尺分别测量探头到烧杯底的距离L,探头到水面的距离H1,读出压强计U形管两侧的液面高度差h1,将相关数据记录在表格中.②向烧杯中倒入适量的水,调整探头所在的位置,使探头到烧杯底的距离仍为L,用刻度尺测量探头到到水面的距离H2,读出压强计U形管两侧的液面高度差h2,将相关数据记录在表格中.根据以上叙述,回答下列问题:(1)小阳的探究过程中存在的问题:______.(2)请你针对小华探究过程中存在的问题,写出改正措施:______.16. 小明用如图甲所示的微小压强计探究水的内部压强与探头的方位是否有关.微小压强计的探头自然放置时,U形管中两侧液面等高.小明将探头放入水中,进行的实验操作如图乙所示.(1)小明在此实验中每次将探头放入水中同一深度,这种研究方法在物理学习中经常用到,以下研究过程采用了这种方法的是______.(选填选项前的字母,只有一个选项正确)A.探究同一直线上二力合成时,一个力作用在橡皮筋上与两个力共同作用在橡皮筋上,应使橡皮筋的形变相同B.探究物体重力势能的大小与物体被举高度的关系,应控制物体的质量相同C.研究光现象时,用“光线”来表示光的传播路径和方向(2)小明得到的实验结论是:水内部的压强与探头方位______.(选填“有关”或“无关”)17. 小亮学习液体压强后(1)他在实验室利用微小压强计研究液体内部压强.实验前他将U形管两液面调到相平,当他把压强计探头放入水中,发现U形管两液面没有出现高度差,如图1所示.请你判断,器材出现的问题可能是:______.(2)放学后,小亮在家利用一根胶皮管给鱼缸换水,如图2所示.他先将管中灌满水,然后将出水口B放低,水从鱼缸内自动由B口流出.小亮思考了其中的道理:这是因为出水口B处的压强______进水口A处的压强,水才会流出.18. 实验桌上备有如下器材:如图所示的已知底面积为S的金属圆柱体(其侧面带有间距均匀的刻线),已调零的弹簧测力计、三个相同的烧杯分别装有足量的盐水、水和酒精(已知:ρ盐水>ρ水>ρ酒精).请你利用上述器材设计一个实验证明:“在深度相同时,液体的密度越大,液体产生的压强越大”.要求:(1)写出实验步骤.(2)画出实验数据记录表.19. 小明探究液体压强与哪些因素有关系的实验装置如图所示,其中U形管中有适量的水,U形管的左端通过橡皮管与液体压强探测器相连通.实验现象如图所示.甲容器内液体的密度为ρ1,乙容器内液体的密度为ρ2.请根据图所示实验现象比较ρ1与ρ2的大小,则ρ1______ρ2.(选填“大于”、“等于”或“小于”)20. 小浩做探究“液体内部压强与哪些因素有关”的实验时,得到的几组数据见下表:请你根据实验数据,回答下列问题:(1)比较序号为1、2、3的实验数据得出的实验结论是 ______ .(2)比较序号为3、4、5的实验数据得出的实验结论是 ______ .(3)比较序号为5、6的实验数据得出的实验结论是 ______ .21. 如图所示,小华把压强计的探头先后放入甲、乙两种液体中,探究液体内部压强的实验.(1)压强计是通过U型管的 ______ 来显示橡皮膜所受压强大小.(2)她探究的是液体内部压强与 ______ 的关系,你判断的依据是 ______ .(3)若要探究与另一个影响因素的关系,你的做法是 ______ .22. 回归实验和探究(请将下列实验报告中的空缺部分填写完整):(1)探究牛顿第一定律:(2)探究液体内部压强规律:现象方法 将压强计的探头放入水中,发现探头向下移动的过程中,U 型管两侧液面高度差变大,这说明液体压强随深度的增加而 ______ .保持探头所处深度不变,向水中加盐,发现高度差变大,这说明液体压强还与液体 ______ 有关. 实验中U 型管两侧液面高度差的大小反映了探头所受液体压强的大小,运用的科学方法是 ______ 法.问题讨论在开口的空矿泉水瓶的侧壁和底部扎几个小孔,用手将其压入水中,发现水从各个小孔涌入瓶中,说明液体内部向 ______ 都有压强.23. 小明用如图甲所示的装置,探究影响液体内部压强的因素.(1)在图乙中,将橡皮膜先后放在a 、b 位置处可知,同种一条, ______ 越大,压强越大,支持该结论的实验现象是: ______ . (2)为了探究密度对液体内部压强的影响,还需将橡皮膜放在图丙中 ______ (选填“c ”或“d ”)位置处. 24. 某兴趣小组用如图所示装置进行探究“影响液体内部压强的因素”实验.已知:①a 、b 两点压强等于外界大气压(大气压保持不变);②a 点压强等于a 点上方液柱压强与左管内气压P 1之和;③b 点压强等于b 点上方液柱压强与右管内气压P 2之和;④液体1和液体2密度不同.该小组同学先关闭K 2打开K 和K 1,用抽气机抽气,进行多次实验.再关闭K 1打开K 和K 2,重复上述操作,具体数据记录如表:(1)以下研究过程所用到的方法与本实验中所用的方法明显不同的是 ______ A .研究磁极间的相互作用规律B .研究压力的作用效果与受力面积大小的关系C .研究滑动摩擦力大小与接触面积粗糙程度的关系D .研究物体重力势能大小与物体被举高高度的关系(2)通过比较第一次和第四次所测得的数据,可以研究 ______ .(3)通过比较第四、第五、第六三次测得的数据,可以得出的结论是 ______ .(4)探究液体压强与密度关系时,为了使结论更具普遍性,该小组同学还应如何继续实验(请写出实验思路,不需写具体步骤) ______ .25. 在学习液体压强时,小明用矿泉水瓶对液体压强的特点进行了探究.(1)如图甲所示小明在A 、B 两处开了两个大小相同的孔,发现从B 孔喷出的水较急,这说明 ______ ;(2)如图乙所示,小明在瓶子同一高度的C 、D 、E 开三个大小相同的小孔,装满水后,发现水从这三个孔中喷喷出的距离一样远,这可以说明 ______ .26. 小明利用图甲、乙、丙所示的器材探究液体内部压强的特点.(1)他向图甲中的U 形管内注入适量的蓝墨水,当管内的蓝墨水静止时,U 形管左右两侧液面的高度 ______ .(2)他将探头用橡皮管连接到U 形管左侧的端口后,将探头没入水中,增大探头在水中的深度,发现U 形管左右两侧液面的高度差变大,说明同种液体 ______ .(3)如图乙、丙所示,将探头放入水和酒精中相同深度,发现探头在酒精中时,U 形管左右两侧液面的高度差 ______ (选填“大”或“小”),说明在深度相同时,液体密度越大,液体压强 ______ .(4)小明做完实验后,又想验证浮力大小与液体密度的关系.于是他做了图丁和图戊所示的实验;将同一金属块挂在弹簧测力计下分别浸入水和酒精中一部分,并保证浸入液体中的体积 ______ (选填“相同”或“不同”),从而验证了结论是正确的.27. 如图所示是小明探究“影响液体内部压强大小因素”的实验,甲、乙和丙三个相同的烧杯中分别注入酒精、盐水和盐水,且深度相同,请回答下列问题:(1)比较甲、乙两图可知,液体内部压强与液体的 ______ 有关;(2)拦河坝做成上窄下宽的形状,其原因可以用对比 ______ 两图所得出的结论进行说明;(3)在图丙中保持探头的位置不变,向烧杯中逐渐加入水(未溢出),U型管两液面的高度差将 ______ (选填“变大”、“不变”或“变小”);(4)如图丁所示,小明将U型管的左端通过橡皮管与玻璃管侧壁管口相连通,U型管内左右两液面分别用a、b表示,用电吹风向管口吹风则U型管内液面较高的是 ______ (选填“a”或“b”).28. 在探究液体压强的实验中,进行了如图所示的操作:(1)由丙、丁两图进行实验对比,得出液体压强与盛液体的容器形状 ______ (选填“有关”或“无关”).(2)甲、乙两图是探究液体压强与 ______ 的关系,结论是: ______(3)要探究液体压强与密度的关系,应选用 ______ 两图进行对比.(4)在图乙中,固定金属盒的橡皮膜在水中的深度,使探头朝向不同方位时,两玻璃管中液面高度差不变,说明了在同种液体同一深度处,液体向各个方向的压强大小 ______ .29. 如下图甲所示,小明利用该装置进行探究液体内部压强规律,下表是小明探究过程中记录的实验数据:(1)小明根据上述数据记录,进行了数据的分析和论证认为,比较序号3、4、5的三组数据可得出结论: ______ ;(2)比较序号1、2、3的三组数据可得出结论: ______ ;(3)比较序号为 ______ 的两组数据可得出结论:不同液体的压强还跟液体的密度有关系.30. 小明在用压强计做“探究影响液体压强大小的因素”.(1)当压强计的金属盒在空气中时,U形管两边的液面应当相平,而小明同学却观察到如图(a)所示的情景.出现这种情况的原因是:U形管左支管液面上方的气压______ 大气压;(填“大于”、“等于”或“小于”)调节的方法是:______ .A.将此时右边支管中高出的液体倒出B.取下软管重新安装(2)小明再作图(b)所示的检查.当用手指按压(不论轻压还是重压)橡皮膜时,发现U形管两边液柱的高度几乎不变化.出现这种情况的原因是: ______ .(3)下表是小明同学利用如图c所示的实验装置探究液体压强规律时所测得的部分数据①实验所得的数据有一组是错误的,其实验序号为 ______ ;②比较序号1、2、3的实验数据,可得出的结论是: ______ ;③比较序号 ______ 、 ______ 、 ______ 的实验数据,可得出的结论是:在同一深度,液体向各个方向的压强相等.(4)该实验中用到的物理研究方法是 ______ .了解了“液体内部压强特点”后,如图(d)所示,将压强计的探头放入水中,下列做法中能使U形管两边液面的高度差减小的是 ______A.将探头放在同样深度的浓盐水中B.将探头在原位置转动180°C.将探头向下移动一段距离D.将探头向上移动一段距离.31. 小强利用U形管压强计和装有水的大烧杯来探究液体内部压强的特点.实验前,他注意到U形管两边的液面已处在同一水平线上,如图甲所示.(1)当小强将金属盒浸没于水中后.发现U形管两端液面如图乙所示的情景,则实验装置可能出现了 ______ 问题.(2)排除故障后.他重新将金属盒浸没水中,发现随着金属盒没入水中的深度增加,U形管两边液面的高度差逐渐变大,如图丙所示,由此可知液体内部的压强与 ______ 有关.接着小强要探究液体内部压强与液体密度的关系,他应将金属盒放在 ______ ,观察并记录U形管两侧液面的高度差.(3)小强保持图丙中金属盒的位置不变,并将一杯浓盐水倒入烧杯中搅匀后,实验情形如图丁所示.比较丙、丁两次实验,小强得出了:在同一深度,液体的密度越大,其内部的压强就越大的结论.你认为他的结论是否可靠? ______ .原因是: ______ .32. 如图是老师在演示液体内部压强情况的六幅图,除②图杯中装的浓盐水外,其余杯里装的都是水.请你仔细观察这六幅图后回答:(1)安装好压强计后用手按压探头,如U形管的液面高度没有变化,原因可能是 ______ ;(2)比较①②两幅图,可以得出:液体内部压强大小与 ______ 有关;(3)比较 ______ 两幅图,可以得出:液体内部压强大小随液体的深度增加而 ______ ;(4)比较③④⑤三幅图,你还可以得出什么结论? ______ .33. 用下图所示的压强计探究“影响液体内部压强大小的因素”实验中(1)压强计是通过比较 ______ 来比较被测压强大小的.(2)当金属盒在空气中时,U形管两边的液面应当相平,而小明同学却观察到如图甲所示的情景,此时U形管左支管液面上方的压强 ______ 右支管液面上方的压强(选填“大于”、“小于”或“等于”).(3)压强计调节正常后,小明完成了该实验探究,并得出了正确的结论.接着,他将金属盒先后浸入到两杯液体中(已知其中一杯为水,另一杯密度约为1.2g/cm3的盐水),如图乙和丙所示.他发现图乙中U形管两边的液柱高度差较小,由此确定图乙杯子中盛的是水.小明的判断______ (填“正确”或“错误”),理由是 ______ .34. 通过学习,同学们知道了液体压强的特点.在此基础上,老师提出了这样的问题:有两只杯子,分别盛有清水和盐水,但没有标签,你能否用压强计将它们区别开?(1)当压强计的金属盒在空气中时,U形管两边的液面应当相平,出现(a)这种情况,调节的方法是 ______A.将此时右边支管中高出的液体倒出B.取下软管重新安装(2)小明再作图(b)所示的检查.当用手指按压(不论轻压还是重压)橡皮膜时,发现U形管两边液柱的高度几乎不变化.出现这种情况的原因是: ______ .35. 小民同学利用如图所示的器材探究液体内部压强的特点.(1)他向图甲中的U形管内注入适量的红墨水,当管内的红墨水静止时,U形管左右两侧液面的高度 ______ .(2)若U形管左右两侧液面的高度差越大,说明液体在被探测处产生的压强 ______ .(3)小民把压强计调好后,多次改变探头在水中的深度,并比较每次的深度及相应的U形管左右两侧液面的高度差.这是为了探究液体产生的压强与 ______ 的关系.(4)小民换用几种密度不同的液体探究液体压强与液体密度的关系,这时应保持探头在各种液体中的 ______ 相同.若观察到U形管左右两侧液面的高度差较大,说明这种液体的密度 ______ (选填“较大”或“较小”).36. 在“探究液体压强与哪些因素有关”的实验中(1)如图是小芳同学设计的用压强计探究影响液体压强因素的三个实验装置:①要探究液体密度相同时,液体的压强与液体的深度是否有关,应选取装置甲和装置 ______ 来进行研究;②当选取装置乙和装置丙进行实验时,可知液体内部压强与液体的 ______ 有关.(2)实验时把金属盒放入水中,通过观察U型管两边液面的高度差来判断液体压强的大小;在以下几个实验中,所用研究方法与上述方法不同的有 ______ (填序号).A.探究影响电流做功大小因素实验中,通过灯泡的亮度反映电流做功的多少B.探究通电螺线管外部磁场实验中,通过判断放入其中小磁针是否转动来进行研究C.探究影响浮力大小因素实验中,控制物体排开液体的体积相同来研究浮力大小与液体密度关系.37. 回顾实验和探究:(将下列实验中的空缺部分填写完整)探究液体内部压强规律:38. 为了探究液体内部的压强与哪些因素有关.(1)如图所示,小芳利用课堂上的仪器做实验①把探头放入水中,通过观察U型管两边液面的高度差来判断探头处水的压强的大小,高度差越大,水的压强 ______ (选填“越大”或“越小”);②一开始实验时,小芳发现按与不按探头的橡皮膜,U型管两端液面均处在同一水平线上,原因可能是 ______ .③比较甲图、乙图和丙图,可以得到:在同一深度,液体内部向各个方向的压强 ______ ;(2)小王同学用两只相同的封闭小木桶做实验.他在小木桶内分别装满水和盐水,在小木桶上各插上一根很细的玻璃管.当他从上方利用漏斗向玻璃管中灌水或盐水时,实验的现象如图(a)、(b)、(c)所示.请根据实验现象及相关条件,归纳得出初步结论.(ρ水<ρ盐水)①比较(a)、(b)两图可知: ______ .②比较(b)、(c)两图可知: ______ .39. 在“探究液体内部压强特点”的实验中,(1)首先必须检查压强计能否正常使用,若用手指不论轻压还是重压橡皮膜时,发现U形管两边液柱的高度差变化都很小,则说明该压强计的气密性 ______ (选填“好”或“差”).(2)若将压强计的金属盒放入待测液体中,通过观察U形管的高度差从而来确定液体内部压强的大小,这种方法在物理上叫做(选填字母);A.图象法B.转换法C.等效替代法D.控制变量法(3)若使用调好的压强计,探究水内部压强特点的情景如图A、B、C所示.a.比较A图、B图和C图,可以得到的结论是: ______ ;b.在B图中把金属盒慢慢下移,同时观察U型管两边液面的高度差的变化,从而来探究液体压强与液体 ______ 的关系.(4)如图D、E所示,有两只相同的烧杯,分别盛有体积相同的水和酒精(没有标签).小唐采用压强计进行探究:小唐把金属盒分别浸入到这两种液体中,发现图D中U形管两边的液柱高度差较小,小唐则认为图D烧杯中盛的是密度较小的酒精.他的结论是否可靠? ______ 理由是: ______ .(5)如图F,小明在一只开口且盛满水的矿泉水瓶的侧壁开了三个大小相同的孔,你认为喷射速度最大的是 ______ 孔处的水.40. 如图所示,用压强计“探究影响液体内部压强大小的因素”.(1)图甲所示压强计是通过U形管中水面的 ______ 来反映被测压强大小的.使用前应检查装置是否漏气,方法是用手轻轻按压几下橡皮膜,如果U形管中的水面能灵活升降,则说明该装置 ______ (选填“漏气”或“不漏气”).(2)若在使用压强计前,发现U型管内水面已有高度差,通过 ______ (选填序号)方法可以进行调节.①从U型管内向外倒出适量水;②拆除软管重新安装;③向U型管内添加适量水;(3)比较乙图、丙图和丁图,可以得到:在同一深度,液体内部向各个方向的压强 ______ .(4)在乙图中,若只将烧杯中的水换成同深度的盐水,其他条件不变,则可以观察到U型管两边液面的 ______ .41. 在探究“影响液体内部压强大小因素”的实验中,小组同学进行了如图所示的甲、乙、丙、丁四次实验,请回答以下相关问题:(1)如图甲,用手按压强计的橡皮膜,U型管两端液面出现高度差;将橡皮膜放入酒精中,U型管两端液面也出现高度差,这说明液体内部。
初三物理液体压强知识点整理一、液体压强的产生。
1. 产生原因。
- 液体受到重力作用,且具有流动性。
由于液体受到重力,会对容器底部产生压强;又因为液体具有流动性,所以对容器侧壁也有压强。
二、液体压强的特点。
1. 探究实验:- 通过微小压强计来探究液体内部压强的特点。
- 实验表明:- 液体对容器底和侧壁都有压强。
- 液体内部向各个方向都有压强。
- 在同一深度,液体向各个方向的压强相等。
- 液体的压强随深度的增加而增大。
- 不同液体的压强还跟液体的密度有关,在深度相同时,液体密度越大,压强越大。
三、液体压强的计算公式。
1. 公式。
- p = ρ gh,其中p表示液体压强,ρ表示液体的密度(单位是kg/m^3),g = 9.8N/kg(粗略计算时可取10N/kg),h表示液体的深度(从液体表面到所求点的竖直距离,单位是m)。
2. 公式的理解与应用。
- 公式p=ρ gh中h的含义是深度,不是高度。
例如,容器底部受到的液体压强只与液体的密度ρ和深度h有关,与容器的形状无关。
- 计算时,要先确定ρ、g、h的值,再代入公式计算。
四、连通器。
1. 连通器的定义。
- 上端开口、下端连通的容器叫做连通器。
2. 连通器的原理。
- 连通器里装的是同一种液体,在液体不流动时,连通器各部分中的液面高度总是相同的。
3. 连通器的应用。
- 茶壶、船闸、锅炉水位计等都是连通器的应用。
例如,茶壶的壶身和壶嘴组成连通器,当壶内装满水时,壶嘴和壶身中的水面相平。
船闸是利用连通器原理工作的,它通过闸室分别与上下游构成连通器,使船只顺利通过不同水位的河道。
关于液体压强的物理实验1.探究液体内部压强与深度的关系。
实验1:在废弃的空饮料瓶侧壁不同高度的地方用钉子钻出上、中、下3个小孔,先用手指堵住小孔,往里面倒满水,然后松开手指,可以观察到水从3个小孔中分别流了出来,其中最下面的小孔流出的水喷得最急、最远,上面小孔流出的水喷得最慢、最近。
实验证明,液体的压强随深度的增加而增大。
2.探究液体压强规律。
实验2:把废弃的空饮料瓶(较柔软的)盖子打开,正立着逐步伸入水中,观察到空饮料瓶向内凹陷,饮料瓶发生了形变,伸入水中越深,饮料瓶凹陷越大。
实验证明,液体内部在各个方向上都有压强,压强随深度的增加而增大。
实验3:把废弃的空饮料瓶侧壁同一深度不同的方向刺好几个小孔,把空瓶插入水中,发现外面的水从各个不同方向的小孔向瓶内射入。
实验证明,液体内部向各个方向都存在压强。
把废弃的空饮料瓶侧壁不同深度同一方向扎好几个小孔,发现外面的水从各个小孔向瓶内射入,上孔射入又近又慢,下孔射入又远又急。
实验证明,液体内部存在压强,液体的压强随深度的增加而增大。
实验4:在废弃的空饮料瓶不同侧壁上的同一高度扎好几个小孔,先用手指堵住小孔,最后给瓶里充满水,再松开手指,瓶中的水会向外喷向不同的方向,但喷射的距离是相同的。
实验证明,同种液体在液体内部的同一深度处液体内部向各个方向的压强是相等的。
实验5:用橡皮泥将饮料瓶侧壁扎有的几个小孔堵住,将空饮料瓶装满红色的浓盐水(目的是使效果明显),再把装满红色浓盐水的塑料瓶插入盛水的水槽中,使瓶内外的液面相平,再把橡皮泥同时拔出。
结果显示,饮料瓶里红色的浓盐水从各个小孔向瓶外射向水槽中的水里。
实验证明,液体内部的压强和液体的密度有关系。
3.探究液体压强特点。
实验6:将一饮料瓶去底,在底部包上橡皮膜并用橡皮筋系紧,向内部灌水,可以看到橡皮膜向外凸起,说明液体对容器底部有压强;不装水,将橡皮膜的一端压入水中,橡皮膜向内凹陷,实验证明,液体内部存在压强,当向饮料瓶内加水到与外面水位等高时,橡皮膜又会变平,这说明液体内部同一深度处的压强相等。
探究液体内部压强特点的实验系列问题(1)(2013长春)错误!未指定书签。
.在探究液体内部压强特点的实验中: (1)如图甲所示的压强计____(选填“是”或“不是”)连通器。
(2)将如图乙中的探头向下移动,U 型管两侧液面的高度差将____,探头受到的浮力将____。
答案:(1)是 (2)变大 变小 (2013宁德)错误!未指定书签。
.如图所示,探究“液体内部压强规律”的实验中:(1)将压强计的探头放入水中,通过观察U 型管两侧液面的_________来判断探头处水的压强大小。
(2)比较乙图和丙图,可以得到:在同一深度,液体向各个方向的压强_________。
(3)比较丙图和丁图,可以得到:同一种液体里,液体的压强随_________的增加而增大。
答案:(1)高度差 (2)相等 (3)深度 (2013衡阳)错误!未指定书签。
.在探究“液体压强跟哪些因素有关”的实验中,进行了如图所示的操作:(1)甲、乙两图是探究液体压强与液体__________的关系。
(2)要探究液体压强与盛液体的容器形状是否有关,应选择丙和丁两图进行对比,结论是:液体压强与盛液体的容器形状__________(填“有关”或“无关”)。
(3)要探究压强与液体密度的关系,应选用__________两个图进行对比。
答案:(1)深度 (2)无关 (3)乙丙探头甲 乙甲 乙 盐水丙 丁盐水水水甲 乙 丙 丁水水水(2013潍坊)错误!未指定书签。
.小明同学利用如图所示的装置探究液体内部压强的特点,得到的实验数据如下表:(1)分析序号为①②③的三组数据,可得到的结论是:_______。
(2)分析序号为_______的三组数据,可得到的结论是:液体的压强随深度的增加而增大。
(3)分析序号为⑤⑥⑦的三组数据,可得到的结论是:不同液体的压强还跟液体的_______有关。
答案:(1)液体内部同一深度,液体向各个方向的压强相等 (2)③④⑤ (3)密度 (2013武汉)错误!未指定书签。
2019年中考物理真题集锦——专题二十:压强实验1.(2019龙东,8)关于下列实验现象说法正确的是()A.图中装满水的塑料管,倒置后纸片不会掉落,证明大气压强的存在B.图中液体从容器侧壁下面小孔喷射的距离较远,说明同种液体深度越深,压强越小C.将图中装置从一楼拿到六楼,细玻璃管内水柱会上升,表明大气压随高度升高而增大D.图中两个铅柱没有被重物拉开,说明分子间存在斥力2. (2019荆门,32)学习了密度后,张磊尝试利用身边的器材测量盐水和小石块的密度。
他找到一个圆柱形的硬质薄壁塑料茶杯,杯壁上标有间距相等的三条刻度线,最上端刻度线旁标有600ml,接下来的操作是:(1)他用刻度尺量出最上端刻度线距离杯底的高度如图所示,则刻度尺读数为 cm,将空茶杯放在电子体重计上显示示数为0.10kg;(2)向杯中注入配制好的盐水直到液面到达最下端刻度线,此时体重计显示示数为0.32kg,则可求得液体密度为 kg/m3(3)向杯中轻放入小石块,小石块沉到杯底,继续放入小石块,直到液面到达中间刻度线处,此时小石块全部在水面以下,体重计显示示数为0.82kg,则小石块的密度为 kg/m3(4)根据以上操作还可求得放入小石块后茶杯对体重计的压强为 Pa,盐水在杯底处产生的压强为 Pa3.(2019荆州,26)小明在学习了大气压强的知识后,自制了一个如图所示的气压计,瓶中装有适量的水,当他将自制气压计由楼下拿到楼上时发现细玻璃管中液面上升,说明大气压随高度的增加而________(选填“增大”、“减小”或“不变”).若他将这个瓶子装满水,戴着隔热手套捏瓶子,发现细玻璃管中液面也能上升,说明力能使物体发生_________.他还发现将装满水的瓶子放入热水中,细玻璃管中液面仍能上升,这又成了一支自制温度计,它的工作原理是__________________,在此过程中瓶内水的密度将_________.(选填“变大”、“变小”或“不变”)4.(2019娄底,17)小亮同学在物理实验室利用托里拆利实验测量大气压强的值,实验时他没有将玻璃管竖直放置,而是稍稍倾斜了,如图所示,则此时大气压强等于_____mm水银柱产生的压强;如果现在在该实验室做“观察水沸腾”的实验,测得水的沸点将___(选填“高于”、“等于”或“低于”)100℃。
3.(单选)如图3所示实验,将压强计放入液体中的某一深度,然后将压强计的金属盒朝向不同的方向,U形管两端液面的高度差保持不变,这个现象说明所示,在装修房屋时,工人师傅常常会用到一根灌有水(水中无气泡)且足够长的透明塑料软管。
他们把这根软管的两端靠在墙面的不同地方并按照水面位9.水平实验桌上有微小压强计、刻度尺、水和大小不同的A、B两个空烧杯。
小金学习了液体内部压强跟哪些因素有关的知识后,又提出了新的问题:液体产生的压3.(2019朝阳二模)在探究液体内部压强的特点时,小阳用微小压强计进行实验。
(1)使用前用手指按压(不论是重压还是轻压)压强计的橡皮膜时,发现U型管两侧液面没有高度差,则说明该装置________(选填:(2)装置调整好后,若将探头先后放在同一容器的A、B____pA、B两处的压强pA。
由此可以得到的结论是:液体内部的压强与_______有关。
5.(2019顺义一模)水平实验桌面上有微小压强计、装有适量水的玻璃杯。
小亮进燕山一模)小红在“探究液体内部的压强规律”实验中,将两端开口的玻璃管一端扎上橡皮膜,竖直插入水中某一深度处。
2.(2018房山二模)(多选)在“探究液体压强”的实验中,小丽将压强计的探头放在水中,情景如图所示。
关于此实验下列说法中正确的是刻漏是人类最早制造的不完全依赖天象、相对独立运行的计时仪器。
刻漏以水等液体(也有少数例外,如水银或沙等)为工作物质,根据流水的量与流逝时间的对应关系,通过漏壶或箭壶中的水量变化来度量时间的。
我国使用刻漏的时间非(3)小明实验中还发现:液体深度越大,液体内部的压强也越大。
为了寻找二者变化的具体规律,小明又采用在液体中可以直接显示所在位置压强的数字式液体压强计,进行了定量探究。
他首先在空气中调整压强计示数为零,然后进行实验,为探究液体内部压强的规律,小红同学做的实验如图8所示。
主要实验过程如下:将压强计的金属探头分别放入水和酒精中同一深度保持静止,观察比较U型管两将压强计的探头放入水中不同深度时,情景如图9甲和乙所示,由此得出:液体内部的压强随深度的增加而变______(选填“大”或“小”)。
水内部压强的特点
水内部压强是指水分子对水体内部单位面积的压力,是由于水分子的热运动引起的。
水内部压强的特点主要有以下几点:
1. 压强随深度增加而增加:水内部压强随着深度的增加而增加,这是因为水的重力作用使得位于深处的水分子受到更多上方水分子的压力。
压强随深度增加而增加的特点在海洋中尤为明显,深海的水压非常大,能够达到数千个大气压。
2. 压强与液体密度成正比:水内部压强与液体的密度成正比,即密度越大,压强越大。
这是因为相同体积的液体中分子数越多,分子之间的相互作用力越大,压强也就越大。
3. 压强与重力加速度成正比:水内部压强与重力加速度成正比,即重力加速度越大,压强越大。
这是因为重力是水分子受到的外力,重力作用下,水分子之间的相互作用力也会增大,从而增加了水内部的压强。
4. 压强与表面形状无关:水内部压强与水体表面形状无关,只与深度和液体的性质有关。
无论是平面水面、斜面水面还是曲面水面,水内部的压强都是相同的。
这是由于液体分子之间的相互作用力是各向均匀的,不受表面形状的影响。
5. 压强传递均匀:水内部的压强会均匀传递,即使是在不同位置、不同深度的水中,压强也会相等。
这是由于水分子之间的相互作用
力是各向均匀的,压强会通过水分子的碰撞传递。
总结起来,水内部压强的特点是随深度增加而增加,与液体密度和重力加速度成正比,与表面形状无关,传递均匀。
这些特点使得水内部压强在水力学和海洋学等领域具有重要的应用价值。
液体压强液体压强初中物理压强一章中的一节,与生产、生活密切相连,是初中物理学习中的重点和难点,也是历届中考的重点内容。
近几年各省市在液体压强的考查难度有增大的趋势,常与浮力、密度知识综合,形式新颖,解题方法灵活。
1、产生原因:(1)由于液体受重力作用,所以液体内部有压强,液体对容器底产生压强;(2)由于液体具有流动性,所以液体对容器的侧壁会产生压强。
2、液体压强的特点(1)液体内部各点向各个方向都有压强,压强随深度的增加而增大;(2)同种液体、同一深度处,向各个方向的压强大小相等;(3)同种液体,液体压强随深度的增加而增大;(4)液体的压强与液体的密度有关,在同一深度处,液体的密度越大,压强也越大。
3、液体压强公式p=ρgh:ρ表示液体的密度,单位为kg/m3;(1)理解各个物理量的含义:h表示液体的深度,单位为m;p表示压强,单位为Pa。
(2)h——深度:是液面到被研究点的竖直距离,而不是点到容器底的距离;(3)液体压强的大小只与液体的密度和深度有关,与液体的多少、容器的粗细、形状以及是否倾斜均无关;(4)公式中各个物理量在计算时都用国际单位。
4、对于固体压强、压力的计算与液体压强、压力的计算:(1)计算固体的压力、压强时,一般找压力F(通常情况下F=G),再用公式FpS计算压强。
(2)计算液体的压力、压强时,一般先用p=ρgh计算压强,再用F=pS计算压力。
5、不同形状的容器装有液体时,对容器底产生的压力、压强、与重力的关系、对接触面的压强、压力的关系:容器的种类容器底受到的压强p=ρ液gh容器底受到的压力F=pS压力和液体重力的关系容器底部受到液体的压力:F=pS=ρghS=ρShgF>G液F=G液F<G液容器对支持面的压力F′=G液+G容容器对支持面的压强' 'F pS注意:只有在柱状容器中,液体对容器底的压力等于与液体的重力,其他类容器应首先用p =ρgh求出容器底部所受的压强,再利用F=pS求出其所受压力的大小。
《实验:探究液体内部压强的特点》一、实验探究题1.如图甲所示,该实验装置的名称是______ .使用前应检查装置是否漏气.当用手指按压(不论轻压还是重压)橡皮膜时,发现U形管两边的液面的高度几乎不变,则说明装置______ (选填“漏气”或“不漏气”).图乙和图丙是将该装置的探头放入水中不同深度的情况,比较后得出的结论是:液体内部的压强随深度的增加而______ (选填“增大”“减小”或“不变”).比较图丙和图丁,得出的结论是:液体内部的压强与______ 有关.2.某同学利用如图所示的器材探究液体内部压强的特点。
(1)他向图甲中的U形管内注入适量的红墨水,当管内的红墨水______时,U形管左右两侧液面的高度相同。
(2)如图乙所示,他将橡皮管的一端紧密地套在U形管左侧的端口后,多次改变探头在水中的同一深度不同的方向,并比较每次的橡皮膜方向及相应的U形管左右两侧液面的高度差。
这是为了探究______。
(3)他换用其他液体探究液体压强与液体密度的关系,当探头在下列液体中的深度相同时,U形管左右两侧液面的高度差最大的是______。
(填符号)A.酒精(ρ酒精=0.8×103kg/m3)B.植物油(ρ植物油=0.9×103kg/m3)(4)若图乙中U形管左右两侧红墨水面的高度差h=5cm,则橡皮管内气体的压强与大气压之差约为______Pa.(ρ红墨水≈1.0×103kg/m3)3.下列四幅图是小华在探究液体内部压强实验时的四个场景,除图④杯中装的是盐水外,其余杯中装的都是水。
(1)本实验是通过观察压强计左右两管内液面的______的变化而知道压强大小变化的;(2)比较①②两幅图,可以得出:______;(3)比较②④两幅图,可以得出:______;(4)比较②③两幅图,可以得出:同种液体同一深度,液体内部压强大小跟______无关。
4.在“研究影响液体内部压强”的实验中:(1)压强计是通过观察U型管的两端液面的______来显示橡皮膜所受压强大小。
《液体内部的压强》学历案一、学习目标1、理解液体内部压强的概念,知道液体内部压强的产生原因。
2、掌握液体内部压强的特点,包括液体内部压强随深度的增加而增大、随液体密度的增大而增大、在同一深度向各个方向的压强相等。
3、能够运用液体内部压强的公式进行简单的计算。
4、了解液体内部压强在生活和生产中的应用。
二、学习重难点1、重点(1)液体内部压强的特点。
(2)液体内部压强公式的应用。
2、难点(1)探究液体内部压强特点的实验设计与分析。
(2)液体内部压强的产生原因。
三、学习过程(一)知识回顾1、什么是压力?压力的作用效果与哪些因素有关?压力是指垂直作用在物体表面上的力。
压力的作用效果与压力的大小和受力面积有关。
2、压强的定义是什么?计算公式是什么?压强是指物体单位面积上受到的压力。
计算公式为:压强=压力÷受力面积。
(二)引入新课展示一些与液体压强有关的生活现象,如潜水员潜入深海需要穿特制的潜水服、大坝要建成上窄下宽的形状等,引发学生的思考:为什么会出现这些现象?液体内部是否存在压强?如果有,它又有怎样的特点和规律呢?从而引入本节课的学习内容——液体内部的压强。
(三)新课讲授1、液体内部压强的产生原因(1)通过演示实验:将一个装满水的塑料袋扎上小孔,观察水从小孔中喷出的现象,引导学生思考水为什么会从小孔中喷出。
(2)讲解:液体具有流动性,液体受到重力的作用,并且液体对容器底有压力;同时液体对容器壁也有压力。
由于液体具有流动性,所以液体内部向各个方向都有压强。
2、探究液体内部压强的特点(1)提出问题:液体内部的压强与哪些因素有关?(2)猜想与假设:学生分组讨论,提出自己的猜想,如液体内部的压强可能与液体的深度、液体的密度、容器的形状等因素有关。
(3)设计实验:实验器材:U 形管压强计、大烧杯、水、盐水、刻度尺。
实验步骤:①将 U 形管压强计的金属盒放入水中的不同深度,观察 U 形管两侧液面的高度差。
液体压强考点解读一、液体压强1.产生:由于液体受到重力作用。
注意:由于液体具有流动性,因此液体内部朝各个方向都有压强。
2.特点:(1)同种液体,深度越大,压强越大;(2)同一深度的不同液体,密度越大,压强越大;(3)同种液体的同一深度,朝各个方向的压强相等。
二、液体压强的大小(1)在液体压强的公式p gh ρ=中,p 表示液体的压强,单位是Pa ,ρ表示液体的密度,单位是kg/m 3,h 表示液体的深度,单位是m ,g 一般取9.8 N/kg 。
(2)从公式中看出:液体的压强只与液体的密度和深度有关,而与液体的质量、体积、重力、容器的底面积、容器的形状均无关。
(3)液体对容器底部的压力一般不等于液体的重力,只有柱形容器(圆柱、正方体、长方体)放到水平面上,液体对容器底部的压力才等于液体的重力(F=G )。
三、连通器(1)定义:上端开口,下部相连通的容器。
(2)特点:连通器里装同种液体,当液体不流动时,连通器各容器中的液面高度总是相同的。
连通器中深度相同的各点压强相同。
(3)应用:茶壶、船闸、锅炉水位计、乳牛自动喂水器等都是根据连通器的原理来工作的。
判断是不是连通器时,依据连通器的定义要看两点:一是各容器的底部必须是连通的;二是各容器的上部都是开口的。
重点考向考向一:液体压强的特点例题引领装满水的容器侧壁上开有三个小孔,水从孔中流出,图中所描述正确的是A.B.C.D.【参考答案】B【详细解析】根据液体压强的特点可知同种液体,深度越深,液体内部受到的压强越大,向容器中倒入水后,水从小洞中喷出,越靠下部的小孔深度越大,水产生的压强越大,所以水喷射的也越远,故B正确,ACD错误。
变式拓展1.用隔板将玻璃容器均分为两部分,隔板中有一小孔用薄橡皮膜封闭(如图)。
下列问题中不能用该装置探究的是A.液体压强是否与液体的深度有关B.液体压强是否与液体的密度有关C.液体是否对容器的底部产生压强D.液体是否对容器的侧壁产生压强【答案】C【解析】A、在隔板两边倒入同一种液体,使其深度不同,观察橡皮膜凸起的方向可知两侧液体压强的大小,可探究液体压强是否与液体的深度有关,故不符合题意;B、在隔板两边倒入不同液体,使其深度相同,观察橡皮膜凸起的方向可知两侧液体压强的大小,可探究液体压强是否与液体的密度有关,故不符合题意;C 、由于隔板是竖直放置的,所以该装置无法探究液体是否对容器的底部产生压强,故符合题意;D 、在隔板的某一边倒入某种液体,观察橡皮膜是否凸起可知液体是否对容器的侧壁产生压强,可探究液体是否对容器的侧壁产生压强,故不符合题意。
8.2 研究液体的压强(第20次)有答案班别:姓名:分数:一、单选题(每小题3分,共21分)1.对于公式p=F/S和p=ρgh的适用范围,下列说法正确的是A.p=F/S只适用于固体压强的计算B.p=F/S只适用于柱形液体压强的计算C.p=F/S适用于固体和液体压强的求解,p=ρgh只适用于液体压强的求解D.关于液体压强的求解,p=F/S和p=ρgh均可使用,但由于ρ和h容易直接测得,所以通常运用p=ρgh求解【答案】D【解析】【分析】区分压强的定义式p=FS和液体压强的公式p=ρgh,得出答案。
【详解】物体单位面积上受到的压力叫压强,公式p=FS,适用于固体、液体和气体;公式p=ρgh一般适用于液体,对于密度均匀的柱状固体也可以适用。
故选:D。
2.如图所示,容器内装有水,A点水的深度是A.8cm B.32cm C.40cm D.62cm 【答案】D【解析】【详解】水的深度是指该点到水面的高度,由图可知,A点水的深度:h=70cm﹣8cm=62cm,故D符合题意。
3.如图所示,甲、乙、丙是三个质量和底面积均相同的容器,若容器中都装入等质量的水(水不溢出),三个容器底部受到水的压强()A.甲最大B.乙最大C.丙最大D.一样大【答案】A【解析】【详解】如图三容器装入相同质量的水,因容器的底面积相等,所以,三容器内水的深度关系为h甲>h乙>h丙,由p =ρgh可知,容器底部受到水的压强关系为p甲>p乙>p丙,甲容器底部受到水的压强最大。
故选A。
4.有一种生活在田野的小老鼠,它把自己的洞穴打在了小斜坡上,如图所示,这个洞穴有两个出入口B和C,还有一个存放粮食的地方A。
有一次下大雨,水从斜坡上方的C洞口灌到了洞穴里,那么水面在老鼠的洞穴里到达的最高位置是A.洞口C的顶端B.洞口B的顶端C.存放粮食处A的顶端D.无法确定【答案】B【解析】【详解】BC两个通道上端开口下部连通的可以构成连通器,两侧液面保持相平,故水面在洞穴里到达的最高位置是洞口B的顶端,由于A上端没有开口,当水进入洞穴后A处空气不能排出,由于气压的作用水不会到达A处。
中考物理实验真题:压强和浮力探究实验1.(2020•烟台)在“探究液体压强与哪些因素有关”的实验中:(1)实验前,小明利用U形管、软管、扎紧橡皮膜的探头等组装成压强计后,发现U 形管两侧液面不相平,如图甲所示,他应做的调节是(选填“A”或“B”)。
A.取下软管重新安装B.将右侧管中高出的液体倒出(2)调整好压强计后,小明按图乙所示开始实验,实验记录的数据如表:序号液体深度/cm橡皮膜方向压强计左右液面高度差/cm①水5朝上 4.9②水5朝下 4.9③水5朝侧面 4.9④水10朝侧面9.7⑤水15朝侧面14.6⑥盐水15朝侧面16.7①比较序号1、2、3三组数据,探究的问题是什么?②比较序号三组数据,可以得出结论:同种液体中,深度越大,液体的压强越大。
③比较序号5、6两组数据,可得出的结论是什么?(3)1648年,物理学家帕斯卡做了著名的“帕斯卡裂桶实验”,如图丙所示。
实验中帕斯卡只用了几杯水就让装满水的木桶向四周裂开,这个实验现象能够验证液体压强的哪些特点?2.(2020•甘南州)在“探究液体压强的特点”实验中,小明进行了如下的猜想:猜想一:液体内部压强大小可能与液体深度有关。
猜想二:液体内部压强大小可能与液体密度有关。
猜想三:液体内部压强大小可能与方向有关。
为了验证以上猜想,小明进行了如图所示的操作:(1)实验过程中探头受到的液体压强大小是通过反映的。
(2)为了验证猜想一,应选择两组实验对比,可初步验证出猜想一是正确的。
(3)探究液体压强与液体密度的关系时,对比乙、丙两组实验,小明可得出的结论是:当液体深度相同时,液体的密度越大,液体的压强就越。
3.(2020•青岛)探究液体内部压强的特点。
(1)用压强计和盛有水的容器进行实验,情形如图甲所示。
比较A、B可知:在液体内部的同一深度,向的压强都相等;比较A、C可知:液体内部压强的大小跟有关。
(2)用如图乙所示的容器也可以探究液体内部的压强。
容器中间用隔板分成互不相通的左右两部分,隔板上有一圆孔用薄橡皮膜封闭,橡皮膜两侧压强不同时其形状发生改变。
初二物理液体的压强试题1.水坝筑成下宽、上窄的形状,是考虑到水对坝体侧面的压强随深度的增加而;在水中航行的两艘船不能靠得太近,这是因为流体流速大的地方压强。
【答案】增大小【解析】同种液体的压强虽深度的增加而增大,水对坝体侧面的压强随深度的增加而增大,所以水坝筑成下宽、上窄的形状;流体流速大的地方压强小,流速小的地方压强大。
在水中航行的两艘船不能靠得太近,否则会有碰撞的可能。
【考点】液体的压强;流体的压强与流速的关系2.在烧杯内装适量的水,把一木块慢慢地放入水中,水未溢出,当木块静止时,水对杯底的压强比原来的压强___________。
【答案】大【解析】把一木块慢慢地放入水中,水面上升,水的深度增加,根据p=ρ水gh,水对杯底的压强比原来的压强大.【考点】液体的压强的特点.点评:此题考查了液体压强的比较,关键是掌握液体压强的计算公式,分析各影响压强大小因素的变化.3.用压强计探究液体内部压强的特点,如图所示。
(1)对比图甲乙丙可知:同种液体在同一深度处向各个方向压强。
(2)对比图丙和图丁,U形管两侧液面的高度差相等,由此可知两种液体密度的大小关系是ρ液ρ盐水。
(3)在图丁中保持探头的位置不变,向烧杯中逐渐加入水(未溢出),U形管两侧液面的高度差将(选填“变大”“不变”“变小”)。
【答案】(1)相等(2)>(或大于)(3)变大【解析】(1)比较甲图、乙图和丙图,控制液体密度和深度不变,改变探头的方向,U形管两侧的液面高度差相等.可以得到:在同一深度,液体内部向各个方向的压强相等.(2)探头在丙、丁两种液体中受到的压强相同,但h丙<h丁,由公式比较知:丙液体的密度大于丁液体(水)的密度.(3)保持探头位置不变,向容器中加盐,水的密度会增大,由公式P=ρgh知,探头受到液体的压强增大.所以U形管两侧液面的高度差变大.所以答案为:(1)相等(2)>(或大于)(3)变大【考点】液体内部压强的规律点评:此题主要考查的是液体内部压强的规律以及液体内部压强的影响因素,注意转换法和控制变量法在实验中的运用.液体压强是中考必考的一个知识点,需要掌握4.三峡水电站的水坝高185m,当水库水位为175m时,坝底受到水的压强是多大?(g=10N/kg)【答案】1.75×106Pa【解析】p=ρgh=1.0×103kg/m3×10N/kg×175m=1.75×106Pa.答:坝底受到水的压强是1.75×106Pa.【考点】液体压强的计算点评:此题考查的是液体压强的计算方法,水深h的确定是本题的关键.5.在塑料圆筒的不同高处开三个小孔,当筒里灌满水时,各孔喷出水的情况如图所示,这表明液体压强()A.与深度有关B.与密度有关C.与液柱粗细有关D.与容器形状有关【答案】A【解析】由图可知:最下端的小孔喷出的水柱最远,表明此处水的压强最大;最上端的小孔喷出的水柱最近,表明此处水的压强最小.所以该图表明液体压强与深度有关.故选 A.【考点】液体的压强的特点.点评:分析图片,得出结论也是近年来考试的一个热点.这类题一般都与实验有关,所以我们平时要多做实验,阅读课本时还要认真的看图,将图片与文字、实验相结合.6.下列四幅图是小华在探究液体内部压强实验时的四个场景,除图④杯中装的是盐水外,其余杯中装的都是水.(6分)⑴本实验是通过观察压强计左右两管内液面的的变化而知道压强大小变化的;⑵比较①②两幅图,可以得出:⑶比较②④两幅图,可以得出:⑷比较②③两幅图,可以得出:同种液体同一深度,液体内部压强大小跟无关.【答案】⑴高度差⑵同种液体,压强随深度的增加而增大⑶相同深度时,液体的密度越大,压强越大⑷方向【解析】(1)压强计左右两管内液面高度差越大,说明橡皮膜受到的压强越大;通过观察压强计左右两管内液面的高度差的变化而知道压强大小变化;(2)比较①②可以发现:液体都是水,②中橡皮膜所处的深度更深,左右两管液面的高度差越大,说明压强越大;可以得出:同种液体,压强随深度的增加而增大;(3)比较③④可以发现:橡皮膜所处深度相同,但盐水密度大于水的密度,结果液面高度差更大;可以得出:相同深度时,液体的密度越大,压强越大;(4)②③中橡皮膜深度相同,但朝向不同,但液面高度差相同,说明压强相等.可以得出:同种液体同一深度,液体内部压强大小跟方向无关。
备战2020中考物理考点经典题练——《压力和压强》(解析版)备战2020中考物理考点经典题练——《压力和压强》一、单选题1.下列所示的事例中,属于增大压强的是()A. 书包背带做得较宽B. 切苹果器的刀片做得较薄C. 铁轨铺在枕木上D. “好奇”号火星车模型轮子大而宽2.下列实例中,采用增大受力面积的方法减小压强的实例是()A. 盲道上凸起的圆点B. 大平板挂车有很多车轮C. 注射器的针头很尖细D. 菜刀很锋利3.如图为同种材料制成的实心圆柱体A和B放在水平地面上,它们的高度之比为2:1,底面积之比为1:2,则它们的质量mA:mB和对地面的压强pA:pB分别为()A. mA:mB=2:1,pA:pB=2:1B. mA:mB=1:1,pA:pB=2:1C. mA:mB=1:1,pA:pB=1:1D. mA:mB=2:1,pA:pB=1:14.一块砖平放在水平地面上,将它切去一半,剩下的一半对地面的压强()A. 一定是原来的12B. 一定和原来的一样C. 一定是原来的2倍D. 条件不足无法确定5.如图所示A、B两个正方体放在水平地面上,已知两物体的边长之比是LA:LB=2:1,重力之比为GA:GB=3:2,则A地面压强与B对地面的压强之比为()A. 3:8B. 3:1C. 2:3D. 3:46.下面事例中不属于利用大气压的是()A. 用活塞式抽水机把水抽上来B. 在茶壶盖上做了一个小孔C. 用注射器将药液注入身体D. 夏天我们使用吸管喝饮料7.如图所示,下列事实中不能说明大气压存在的是()A. 吸盘吸附在墙面B. 塑料袋向四周鼓出C. 去壳熟鸡蛋吸入瓶内D. 纸杯托水8.下列装置中,不是利用大气压强工作的是()1/ 13A. 用注射器注射药液B. 吸管吸饮料C. 吸盘挂钩D. 吸尘器二、填空题9.如图所示A、B两个正方体物体叠放在水平地面上,已知两物体的边长之比是LA:LB=2:1,密度之比为ρA:ρB=3:2,则B对A压强与A对地面的压强之比为______。
探究液体压强的特点实验一.选择题(共8小题)1.使用微小压强计探究液体压强的规律时,如图所示下列说法正确的是()A.用手按橡皮膜,两管出现高度差,说明此时橡皮膜的气密性很差B.该实验装置中的“U”形管是一个连通器C.“U”型管形管两管液面的高度稳定后,右管中的液体受到非平衡力的作用D.橡皮膜伸入液体越深,两管液面高度越大,则液体压强越大2.在学习《科学探究:液体的压强》这节课时,教师做了这样一个演示实验:有一个玻璃器皿,在其侧面的高、中、底部有三个完全相同的孔,用三张相同的橡皮膜以同样的方法分别将三个孔封住,如图所示.然后往器皿中加入水,使水面高过最上面的孔,观察到三张橡皮膜的变化是不同的,要求大家根据这一现象提出一个科学探究问题.经过全班同学的讨论,提出了以下四个问题,其中最有探究价值且易于探究的是()A.液体的压强与液体的密度有关B.液体的压强与液体的质量有关C.液体的压强与液体的深度有关D.液体的压强与容器的形状有关3.如图所示的实验现象说明()A.液体压强的大小跟液体的密度有关B.液体压强的大小跟深度有关C.在同一深度,液体向各个方向的压强大小相等D.液体内部向各个方向都有压强4.某同学在做“研究液体内部压强规律”实验,图是其中的一次实验和分析.根据图示情况可以知道,该同学这次操作的主要目的是()A.探究在同一深处液体向各个方向的压强大小关系B.说明液体内部压强随深度的增大而增大C.研究液体内部压强与其密度关系D.验证液体内部压强公式5.如图的实验中,探究的物理问题是()A.大气压强的测量B.液体内部压强与方向的关系C.液体内部压强与液体深度的关系D.液体内部压强与液体密度的关系6.如图所示是小宇同学把U形管压强计的金属盒放入水中,测量液体内部压强的实验,在实验中要注意的是()A.保证金属盒上边界处于同一深度B.要读取U型管右侧液面所在位置的值C.不能让金属盒上下左右移动D.要读取U型管两侧液面的高度差7.小明要探究“液体压强与温度的关系”时,应选用的器材是()A.液体压强计、弹簧测力计、酒精灯B.液体压强计、弹簧测力计、天平C.液体压强计、温度计、酒精灯D.热水、弹簧测力计、酒精灯8.液体压强实验仪器出现如图所示的现象,下列说法中正确的是()A.此时U形管左端上方的气体压强较大B.从U型管内向外倒出适量水可平衡C.拆除软管重新安装可使液面相平D.向U型管内加适量水也可使液面相平E.不做任何措施放置一段时间液面相平了,说明此设备有漏气二.填空题(共5小题)9.在“探究液体压强与哪些因素有关”的实验中,小芳猜想:液体的压强可能与液体的密度、深度等因素有关.(1)要探究液体的压强与某个因素的关系,需要先控制其他几个因素不变,这种实验探究方法称作法.(2)如图是小芳同学设计的用压强计探究影响液体压强因素的三个实验装置:①要探究液体密度相同时,液体的压强与液体的深度是否有关,应选取装置甲和装置(选填“乙”或“丙”)来进行研究.②要探究液体深度相同时,液体的压强与液体的密度是否有关,应选取装置乙和装置(选填“甲”或“丙”)来进行研究.10.如图甲所示,塑料挂钩的吸盘能“吸”在平滑的墙面上,是由于的存在.挂钩能够承受一定的拉力而不脱落,是由于吸盘受到墙面的力作用.如图乙所示,有两个完全相同的容器,分别盛有适量的水和浓盐水,某同学用压强计鉴别这两种液体,则图(a/b)中装的是盐水.11.使用图所示的U形管压强计时,先要使U形管两管中液面的高度差为零,图(b)、(c)为实验中的一个情景,此时探究的是液体内部压强与液体的的关系.若利用图(a)、(b)来探究液体内部压强与深度的关系,则应在图(a)容器中倒(选填“水”、“酒精”或“盐水”),并使橡皮膜置于液体中的深度与图(b)中的h (选填“相等”或“不相等”).12.如图所示,是“探究液体内部压强大小与哪些因素有关”的实验,图(a)所示的器材的名称是.若实验中要探究液体压强与液体密度的关系,应将金属盒分别浸入到图(b)中的两位置进行比较.当金属盒分别处于A、B时,左右两管内液面高度差L A<L B,由此可以得出的结论是: .13.某同学利用如图所示的器材探究液体内部压强的特点.(1)如图乙所示,他将橡皮管的一端紧密地套在U形管左侧的端口后,多次改变探头在水中的深度,并比较每次的深度及相应的U形管左右两侧液面的高度差.这是为了探究液体压强与的关系.(2)他换用其他液体探究液体压强与液体密度的关系,当探头在下列液体中的深度相同时,U形管左右两侧液面的高度差最大的是 .A.酒精(ρ=0.8×103kg/m3) B.植物油(ρ=0.9×103kg/m3) C.盐水(ρ=1.1×103kg/m3)三.解答题(共5小题)14.压强计的结构如图所示,在“用压强计探究液体内部压强的特点”实验中,用大拇指轻压金属盒上的橡皮膜,可观察到压强计U形管左管液面比右管液面.在探究同一液体、同一深度液体内部压强特点时,改变液体中金属盒橡皮膜朝向的具体操作是 .15.如图甲所示,该实验装置的名称是.使用前应检查装置是否漏气.当用手指按压(不论轻压还是重压)橡皮膜时,发现U形管两边的液面的高度几乎不变,则说明装置(选填“漏气”或“不漏气”).图乙和图丙是将该装置的探头放入水中不同深度的情况,比较后得出的结论是:液体内部的压强随深度的增加而(选填“增大”“减小”或“不变”).比较图丙和图丁,得出的结论是:液体内部的压强与有关.16.在探究液体压强的实验中,进行了如图所示的操作:(1)实验中,探究液体压强的工具是 .(2)由丙、丁两图进行实验对比,得出液体压强与盛液体的容器形状(选填“有关”或“无关”).(3)甲、乙两图是探究液体压强与的关系,结论是: .(4)要探究液体压强与密度的关系,应选用两图进行对比.(5)在图乙中,固定金属盒的橡皮膜在水中的深度,使金属盒处于向上、向下、向左、向右等方位时,两玻璃管中液面高度差不变,说明了在液体内部同一深度处,液体向各个方向的压强大小 .17.为了验证液体压强的特点,某实验小组设计了如图装置,容器中间用隔板分成左右两部分,隔板下部有一圆孔用橡皮膜封闭.(1)当橡皮膜两侧所受的压强不同时,橡皮膜的发生改变.(2)当容器左右两侧分别加入深度不同的水,且左侧水面较低,会看到橡皮膜向(填“左”或“右”)侧凸出,说明液体压强与有关.(3)当容器左右两侧分别加入深度相同的水和盐水时,会看到橡皮膜向(填“左”或“右”)侧凸出,说明液体压强与有关.18.用压强计探究“影响液体内部压强大小的因素”;(1)如图(a)所示,压强计是通过比较来反映被测压强大小的;当金属盒在空气中时,U 形管两边的液面应当相平,而小明同学却观察到如图(a)所示的情景,此时 U形管左支管液面上方的压强右支管液面上方的压强(选填“大于”、“小于”或“等于”),调节的方法是(选填“A”或“B”);A.将此时右边支管中高出的液体倒出 B.取下软管重新安装(2)压强计调节正常后,小明将金属盒先后浸入到两杯液体中(已知其中一杯为水,另一杯为盐水),如图(b)和(c)所示,他发现图(b)中U形管两边的液柱高度差较小,由此确定图(b)杯子中盛的是水.小明的结论是否正确,理由是 .探究液体压强的特点实验参考答案与试题解析一.选择题(共8小题)1.使用微小压强计探究液体压强的规律时,如图所示下列说法正确的是()A.用手按橡皮膜,两管出现高度差,说明此时橡皮膜的气密性很差B.该实验装置中的“U”形管是一个连通器C.“U”型管形管两管液面的高度稳定后,右管中的液体受到非平衡力的作用D.橡皮膜伸入液体越深,两管液面高度越大,则液体压强越大考点:探究液体压强的特点实验.专题:探究型实验综合题.分析:液体内部存在压强,液体压强的大小用压强计测量.在使用压强计之前要检查其密闭性,防止漏气.连通器是底部连通上端开口的容器.物体在静止或匀速直线运动状态时是平衡状态,受到的力是平衡力.用压强计探究液体内部压强时,橡皮膜受到的压强等于U型管内液体高度差产生的压强.解答:解:A、用手按橡皮膜,两管出现高度差,且U形管中的液体能灵活升降,说明此时橡皮膜的气密性很好.故A错误;B、“U”形管一端开口,一端封闭,所以它不是一个连通器,故B错误;C、“U”型管形管两管液面的高度稳定后,即液体静止时,右管中的液体受到平衡力的作用,故C错误;D、压强计的测量原理是:压强的变化引起U形管两液面出现高度差,压强越大,高度差越大.故D正确.故选D.点评:液体压强的变化是通过U形管液面高度差显示的,采用的是转换法;压强与液体密度和深度的关系,采用控制变量法探究.2.在学习《科学探究:液体的压强》这节课时,教师做了这样一个演示实验:有一个玻璃器皿,在其侧面的高、中、底部有三个完全相同的孔,用三张相同的橡皮膜以同样的方法分别将三个孔封住,如图所示.然后往器皿中加入水,使水面高过最上面的孔,观察到三张橡皮膜的变化是不同的,要求大家根据这一现象提出一个科学探究问题.经过全班同学的讨论,提出了以下四个问题,其中最有探究价值且易于探究的是()A.液体的压强与液体的密度有关B.液体的压强与液体的质量有关C.液体的压强与液体的深度有关D.液体的压强与容器的形状有关考点:探究液体压强的特点实验.专题:压强、液体的压强.分析:液体的压强大小跟液体的密度和深度有关,液体密度越大、深度越大,压强越大与液体的质量和容器的形状无关.用实验探究时要用控制变量法,由此考虑探究.解答:解:A、要探究液体的压强与液体的密度的关系,应该控制液体的深度相同,改变液体密度,题中条件不足.故选项A不符合题意;B、液体的压强与液体的质量的关系,应该采用控制变量法,题中条件不足,探究的意义不大,题中条件不足.故选项B不符合题意;C、根据题意可知,加水后三个孔到水面的深度不同,观察到三张橡皮膜的变化是不同的,该现象表明:同种液体内部,压强随着深度的增大而增大.因此探究液体的压强与液体的深度有关最有探究价值且易于探究.选项C符合题意;D、要探究液体的压强与容器的形状的关系.应该采用控制变量法,题中条件不足,探究的意义不大,故选项D不符合题意;故选C.点评:此类问题是考查对实验探究中的提出问题环节的理解与掌握情况,提出问题是科学探究过程的首个重要环节,也是物理科学研究中重要的一个环节.3.如图所示的实验现象说明()A.液体压强的大小跟液体的密度有关B.液体压强的大小跟深度有关C.在同一深度,液体向各个方向的压强大小相等D.液体内部向各个方向都有压强考点:探究液体压强的特点实验.专题:压强、液体的压强.分析:液体压强跟液体的密度和深度有关,分析解答此题时要注意应用控制变量法.解答:解:如图所示,压强计的金属盒朝向相同方向,液体的深度相同,所不同的是:一个是水,一个是浓盐水,即液体的密度不同,发现U型管两侧的液面高度差不同,表明液体压强与液体的密度有关,且密度越大,压强越大.综上分析可知,选项BCD错误,A正确.故选A.点评:此题主要考查的是学生对液体内部压强规律的理解和掌握,注意控制变量法和转换法的应用,认识和会用U形管压强计,这是我们必须掌握的基本技能.4.某同学在做“研究液体内部压强规律”实验,图是其中的一次实验和分析.根据图示情况可以知道,该同学这次操作的主要目的是()A.探究在同一深处液体向各个方向的压强大小关系B.说明液体内部压强随深度的增大而增大C.研究液体内部压强与其密度关系D.验证液体内部压强公式考点:探究液体压强的特点实验.专题:压强、液体的压强.分析:影响液体内部压强大小的因素有液体的深度和密度,在通过实验进行探究时,应运用控制变量法,每次只探究其中一个变量,根据这一要求,结合图中的情形可做出判断.解答:解:读图可知,三次实验中,压强计的深度是相同的,U形管中液面的高度差也相同,不同的是金属盒的橡皮膜的朝向不同,通过以上三次实验,可以验证:液体内部向各个方向都有压强,且同一深度,液体向各个方向的压强相等.故选A.点评:解答本题首先应明确液体内部压强的规律,同时,将规律与图片中实验的情形相结合,并注意控制变量法的运用,这样才能做出正确的判断.5.如图的实验中,探究的物理问题是()A.大气压强的测量B.液体内部压强与方向的关系C.液体内部压强与液体深度的关系D.液体内部压强与液体密度的关系考点:探究液体压强的特点实验.专题:压强、液体的压强.分析:知道压强计是探究液体内部压强的仪器,再根据图中探头的变化,判断所探究的具体内容.解答:解:读图可知,这是利用压强计来探究液体内部压强的实验,且三幅图中,液体相同,探头的深度相同,只是改变了小盒的朝向,因此,是探究液体内部压强与方向的关系.故选B.点评:认识压强计的作用,会根据图中实验情景分析判断所探究的因素是哪一个,是解答本题的关键.6.如图所示是小宇同学把U形管压强计的金属盒放入水中,测量液体内部压强的实验,在实验中要注意的是()A.保证金属盒上边界处于同一深度B.要读取U型管右侧液面所在位置的值C.不能让金属盒上下左右移动D.要读取U型管两侧液面的高度差考点:探究液体压强的特点实验.专题:压强、液体的压强.分析:压强计的原理是利用金属盒(探头)感受液体内部的压强,通过观察U形管中的液面高度差来判断压强的大小.解答:解:AC、液体的不同深度处的压强是不同的,金属盒应放在所测深度处,所以金属盒上边界处在同一深度错误,故AC错误;BD、压强计的探头放入水中后,受到了水给予的压强,使U形管两管中产生一定的高度差,并通过观察高度差的大小来判断压强的大小.故B错误,D正确;故选D.点评:了解压强计的构造及使用原理,便能顺利回答此题.7.小明要探究“液体压强与温度的关系”时,应选用的器材是()A.液体压强计、弹簧测力计、酒精灯B.液体压强计、弹簧测力计、天平C.液体压强计、温度计、酒精灯D.热水、弹簧测力计、酒精灯考点:探究液体压强的特点实验.分析:要研究“液体压强与温度的关系”,器材要有测量温度仪器:温度计,加热装置:酒精灯,和液体压强计.所以选C.解答:解:A、B项中没有温度计,不符合题意.D、没有压强计,不符合题意故选C.点评:选择本题可以用排除法,如:D,没有压强计.B、天平,是测质量的.8.液体压强实验仪器出现如图所示的现象,下列说法中正确的是()A.此时U形管左端上方的气体压强较大B.从U型管内向外倒出适量水可平衡C.拆除软管重新安装可使液面相平D.向U型管内加适量水也可使液面相平E.不做任何措施放置一段时间液面相平了,说明此设备有漏气考点:探究液体压强的特点实验.专题:压强、液体的压强.分析:(1)液体压强计是测量液体压强的,液体压强的大小是通过U形管左右两管的液面高度差来体现的,液面高度差越大,表示压强越大;(2)测量前U型管两侧液面应相平.解答:解:A、U型管中液体静止时,两侧液柱与上方气压之和相等,由于液体压强随深度增加而增大,左侧液柱低,说明上方气压大,故A正确;B、从U型管内向外倒出适量水后两侧气压大小不变,左侧液柱高度仍会低于右侧,故B错误;C、拆除软管重新安装时排出左侧液柱上方的部分气体,是两侧气压相等后液面即可相平,故C正确;D、向U型管内加水不能改变两侧液柱上方气压,无法使液面相平,故D错误;E、不采取任何措施放置一段时间液面如果相平了,一定是左侧上方原来密封的气体泄漏造成气压降低所致,故E正确.故选ACE点评:解决本题首先要理解,造成两侧液柱不相平的原因是两侧液柱上方气压不同.考查学生对所学知识的实际应用,注重了能力的培养,好题!二.填空题(共5小题)9.在“探究液体压强与哪些因素有关”的实验中,小芳猜想:液体的压强可能与液体的密度、深度等因素有关.(1)要探究液体的压强与某个因素的关系,需要先控制其他几个因素不变,这种实验探究方法称作控制变量法.(2)如图是小芳同学设计的用压强计探究影响液体压强因素的三个实验装置:①要探究液体密度相同时,液体的压强与液体的深度是否有关,应选取装置甲和装置乙(选填“乙”或“丙”)来进行研究.②要探究液体深度相同时,液体的压强与液体的密度是否有关,应选取装置乙和装置丙(选填“甲”或“丙”)来进行研究.考点:探究液体压强的特点实验.专题:探究型实验综合题.分析:(1)影响液体的压强的因素有多个,要研究液体的压强与某个因素的关系,需要先控制其他几个因素不变,这种方法是控制变量法.(2)探究液体压强跟密度的关系时,保持液体的深度、方向相同,改变密度;探究液体压强跟深度关系时,保持液体的密度、方向相同;改变深度;解答:解:(1)影响液体的压强的因素有多个,要研究液体的压强与某个因素的关系,需要先控制其他几个因素不变,这种方法是控制变量法.(2)①要探究液体密度相同时,液体的压强与液体的深度是否有关,保持密度相同,橡皮膜的方向相同,改变深度,由实验可知甲和乙适合;②要探究液体深度相同时,液体的压强与液体的密度是否有关,保持液体的深度相同,橡皮膜的方向相同,改变液体的密度,由实验可知乙丙合适.故答案为:(1)控制变量;(2)乙;丙.点评:探究液体压强时,首先进行猜测,然后利用控制变量法和转换法来探究液体压强跟液体的深度、密度、方向的关系.学生要学会利用实验现象总结实验结论.这是考查学生的实验现象和数据处理能力.10.如图甲所示,塑料挂钩的吸盘能“吸”在平滑的墙面上,是由于大气压的存在.挂钩能够承受一定的拉力而不脱落,是由于吸盘受到墙面的静摩擦力作用.如图乙所示,有两个完全相同的容器,分别盛有适量的水和浓盐水,某同学用压强计鉴别这两种液体,则图 a (a/b)中装的是盐水.考点:探究液体压强的特点实验;大气压的综合应用.专题:应用题.分析:塑料吸盘是挤出里面的空气后,在大气压的作用下才被压在墙面上的;物体对它的拉力是向下的,而阻碍其向下的力是吸盘与墙面间的摩擦力;判断图乙中两容器内的液体应注意观察U形管中液面的高度差.解答:解:是大气压的存在使吸盘被压在了墙面上的;阻碍拉力的力是吸盘与墙面之间的摩擦力;读图乙可知,a、b两容器中,金属盒的深度相同,U形管中的液面高度差a大于b,因此,a中装的是盐水.故答案为:大气压;静摩擦力(摩擦力);a.点评:吸盘是利用大气压工作的典型实例,但值得注意的是,它能承受一定的向下的拉力,则是由于拉力与摩擦力是相互平衡的;比较液体内部压强时,要学会观察金属盒的深度与U 形管中的液面高度差,这是判断压强大小的关键.11.使用图所示的U形管压强计时,先要使U形管两管中液面的高度差为零,图(b)、(c)为实验中的一个情景,此时探究的是液体内部压强与液体的体积的关系.若利用图(a)、(b)来探究液体内部压强与深度的关系,则应在图(a)容器中倒水(选填“水”、“酒精”或“盐水”),并使橡皮膜置于液体中的深度与图(b)中的h 不相等(选填“相等”或“不相等”).考点:探究液体压强的特点实验.专题:探究型实验综合题.分析:在探究液体压强的影响因素时,应注意控制变量法的运用,知道液体压强与液体的密度和深度有关.解答:解:(1)图(b)、(c)中,两容器中的液体密度和深度均相同,液体的体积(或质量、或重力)不同,因此,此时探究的是液体内部压强与液体的体积(或质量、或重力)的关系;(2)若利用图(a)、(b)来探究液体内部压强与深度的关系,根据控制变量法的要求,应控制液体密度相同,深度不同,则应在图(a)容器中倒入水,并使橡皮膜置于液体中的深度与图(b)中的h不相等.故答案为:体积;水;不相等.点评:本题主要考查U形管压强计在探究液体内部压强规律实验中的应用,尤其要注意控制变量法中各要素的控制与变化.12.如图所示,是“探究液体内部压强大小与哪些因素有关”的实验,图(a)所示的器材的名称是 U型管压强计.若实验中要探究液体压强与液体密度的关系,应将金属盒分别浸入到图(b)中的 A、D 两位置进行比较.当金属盒分别处于A、B时,左右两管内液面高度差L A<L B,由此可以得出的结论是:同种液体深度越深压强越大 .考点:探究液体压强的特点实验.专题:实验题;探究型实验综合题.分析:液体内部压强与液体的密度的深度有关,在通过U形管压强计进行研究时,应运用控制变量法,每次只研究与其中一个量的关系,并通过U形管中液面的高度差来反映液体压强的大小.解答:解:图(a)所示的器材的名称是U型管压强计;若实验中要探究液体压强与液体密度的关系,应保持深度相同,读图可知,应将金属盒分别浸入到图(b)中的A、D两位置进行比较;当金属盒分别处于A、B时,液体的密度相同,深度不同,此时左右两管内液面高度差L A<L B,由此可以得出的结论是:同种液体深度越深压强越大.故答案为:U型管压强计;A、D;同种液体深度越深压强越大.点评:熟知影响液体内部压强的两个因素,能根据控制变量法进行研究的分析,是解答此类问题的关键.13.某同学利用如图所示的器材探究液体内部压强的特点.(1)如图乙所示,他将橡皮管的一端紧密地套在U形管左侧的端口后,多次改变探头在水中的深度,并比较每次的深度及相应的U形管左右两侧液面的高度差.这是为了探究液体压强与液体深度的关系.(2)他换用其他液体探究液体压强与液体密度的关系,当探头在下列液体中的深度相同时,U形管左右两侧液面的高度差最大的是 C .A.酒精(ρ=0.8×103kg/m3) B.植物油(ρ=0.9×103kg/m3) C.盐水(ρ=1.1×103kg/m3)考点:探究液体压强的特点实验.专题:探究型实验综合题.分析:(1)液体内部压强大小通过U形管两侧液面高度差的大小来反映,这是转换法;液体压强和液体的密度、深度有关,实验中采用控制变量法来设计实验;(2)根据p=ρgh来分析压强和液体密度的关系.解答:解:(1)实验中液体的密度不变,改变探头在水中的深度,研究的是液体内部压强与深度的关系;(2)探头在下列液体中的深度相同,根据p=ρgh可知,深度相同,液体的密度越大压强越大,所以在盐水中的压强最大,U形管左右两侧液面的高度差最大.。
探究液体内部压强的特点
实验报告
班级:姓名:同组人:__________________________________
一、实验名称:探究液体内部压强特点
二、实验目的:
_____________________________________________________________________
____
三、实验器材:
压强计;相同的大烧杯2个;食盐;水;刻度尺。
四、实验原理:压强计的U形管两边液面的高度差与压强计探头上橡皮膜受到
液体的压强作用成正比。
五、实验操作步骤及要求:
1、将水倒入烧杯,如图a,控制探头在水下深度不变,调节旋钮改变探头
的朝向,观察并测出U形管中液面的高度差,将数据填入下表。
2、如图b,控制橡皮膜的朝向不变,改变探头浸入水中的深度,观察并测
出U形管中液面的高度差,将数据填入下表。
3、如图c,控制探头在水和盐水下的深度相同,观察并测出U形管中液面
的高度差,将数据填入下表。
实验内容液体物质探头浸入水下深度橡皮膜朝向U形管两端液面高度差(cm)
a 水
相同向前
相同向上
相同向下
b 水
不同向前
不同向前
c
水相同向前
盐水相同向前
七、实验结论:
液体内部向各个方向________压强,压强随液体深度的增加而__________;同种
液体在同深度的各处,各个方向的压强大小___________;不同的液体,在同一
深度产生的压强大小与液体的密度有关,密度越大,液体的压强。