钢绞线检验报告
- 格式:doc
- 大小:24.00 KB
- 文档页数:1
预应力钢绞线规范
预应力钢绞线规范是一份专门针对预应力钢绞线的设计、施工和质量控制的规范文件。
该规范旨在确保预应力钢绞线能够安全可靠地应用于不同工程项目中,并提供了详细的技术要求和操作指南。
1. 引言
介绍了预应力钢绞线的定义、分类和应用范围,以及本规范
的目的和适用范围。
2. 材料要求
详细说明了预应力钢绞线的材料组成、力学性能和化学成分
要求,包括钢丝的直径、屈服强度、弹性模量等。
3. 设计要求
根据预应力钢绞线的工作原理和受力特点,提供了设计预应
力钢绞线的计算方法和要求,包括力学计算、应变计算、剪切计算等。
4. 施工要求
介绍了预应力钢绞线的施工工艺、设备和人员要求,以及施
工过程中的安全措施和质量控制要求。
5. 质量控制
提供了预应力钢绞线的质量检测方法和标准,包括外观检查、尺寸测量、力学性能测试等,以确保产品的质量符合规范要求。
6. 检验报告
要求制作和提交预应力钢绞线的检验报告,包括产品质量和性能测试的结果,以及相关的施工记录和质量控制文件。
7. 维护和维修
提供了预应力钢绞线的维护和维修方法,包括防腐处理、结构检查和损伤修复等,以确保其正常运行和延长使用寿命。
8. 附录
包括了与预应力钢绞线相关的标准和规范文件的引用,以及一些典型的预应力钢绞线设计和施工案例。
该规范的出台对于推动预应力钢绞线的规范化和标准化发展具有重要意义。
它不仅能够提供给设计人员、施工人员和监理人员一份可参考的技术文件,还能够确保预应力钢绞线在工程项目中的安全性和可靠性,为工程项目的顺利进行提供了技术保障。
预应力混凝土用钢绞线作业指导书1.适用范围试用于由冷拉光圆钢丝及刻痕钢丝捻制的用于预应力混凝土结构的钢绞线(以下简称钢绞线)。
2.依据标准《预应力用混凝土钢绞线》GB/T 5224-2014《预应力混凝土用钢材试验方法》GB/T 21839-2008《金属材料拉伸试验第1部分:室温试验方法》GB/T 228.1-20103.检验批每批钢绞线由同一牌号、同一规格、同一生产工艺捻制的钢绞线组成,每批重量不大于60t。
拉伸试验项目每批取样不小于3根,应力松弛性能试验取样每批不小于1根。
4.检测仪器4.1游标卡尺SF2000(SB-JN-8)4.2钢直尺0-300mm(SB-CL-52)4.3GAW-1000微机控制电液伺服钢绞线试验机(SB-CL-152)5.检测方法5.1表面质量表面质量用目视检查;(1)除非用户有特殊要求,钢绞线表面不得有油、润滑脂等物质。
(2)钢绞线表面不得有影响使用性能的有害缺陷。
允许存在轴向表面缺陷,但其深度应小于单根钢丝直径的4%。
(3)允许钢绞线表面存在有轻微浮绣。
表面不能有目视可见的锈蚀凹坑。
(4)钢绞线表面允许存在回火颜色。
5.2钢绞线的伸直性把预应力钢材放置在间距1m的两个固定支撑点上,在同一平面内测量出预应力钢材弦与弧内侧最大自然矢高不大于25mm。
5.3外形尺寸钢绞线的直径应用分度值不大于0.02mm的游标卡尺测量,测量位置距离端头不小于300mm。
1×2结构钢绞线的直径测量应测量Dn值;1×3结构的钢绞线应测量A值;测量1×7结构钢绞线直径应以横穿直径方向的相对两根外层钢丝为准,测其Dn值,;1×19结构钢绞线公称直径为钢绞线外接圆直径;在同一截面不同方向上测量三次,取平均值。
5.4拉伸试验拉伸试验应按GB/T228的要求进行,在拉伸过程中测得各项拉伸性能。
在测定弹性模量(E)、0.2%屈服力及最大力总伸长率(A gt)时,应使用引伸计。
电力电缆检验报告()
电力电缆检验报告。
自查报告。
日期,2022年10月15日。
检验单位,XXX电缆有限公司。
检验项目,电力电缆质量检验。
自查内容:
1. 外观检查,检查电力电缆外观是否平整,表面是否有明显的损坏、划痕或变形。
2. 尺寸测量,测量电力电缆的长度、直径、厚度等尺寸参数,确保符合标准要求。
3. 绝缘电阻测试,使用绝缘电阻测试仪对电力电缆的绝缘电阻
进行测试,确保在正常范围内。
4. 导体电阻测试,使用导通测试仪对电力电缆的导体电阻进行
测试,确保导通性良好。
5. 包覆厚度测量,测量电力电缆的包覆厚度,确保符合标准要求。
6. 外径测量,测量电力电缆的外径,确保符合标准要求。
自查结论:
经过自查,发现电力电缆的外观平整,无明显损伤;尺寸测量、绝缘电阻测试、导体电阻测试、包覆厚度测量和外径测量均符合标
准要求。
自查人员,XXX。
自查日期,2022年10月15日。
自查结论经过公司质检部门审核确认后,现报告如上。
XXX电缆有限公司。
2022年10月15日。
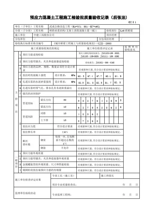
钢线钢绞线先张法质量检验报告单
报告单编号:2024-XXXX
日期:YYYY年MM月DD日
一、报告目的
本报告旨在对钢线、钢绞线进行先张法质量检验,确保其符合相关标准要求,以提供有关产品质量的评估和判断依据。
二、被检产品
被检产品名称:钢线、钢绞线
规格:(根据实际需要填写)
三、检验项目
根据相关标准要求,对被检产品进行以下项目的质量检验:
1.规格尺寸检验;
2.物理性能检验;
3.化学成分检验;
4.表面质量检验;
5.包装标志检验。
四、检验结果
1.规格尺寸检验:
根据标准要求,对钢线、钢绞线的直径、截面形状等进行检验测量,
检验结果如下:
(根据实际检测结果填写)
2.物理性能检验:
根据标准要求,对钢线、钢绞线的拉伸强度、断裂伸长率等物理性能
进行检验,检验结果如下:
(根据实际检测结果填写)
3.化学成分检验:
根据标准要求,对钢线、钢绞线的化学成分进行检验,检验结果如下:(根据实际检测结果填写)
4.表面质量检验:
根据标准要求,对钢线、钢绞线的表面包括氧化、腐蚀等进行检验,
检验结果如下:
(根据实际检测结果填写)
5.包装标志检验:
根据标准要求,对钢线、钢绞线的包装标志进行检验,检验结果如下:(根据实际检测结果填写)
五、结论与建议
根据以上检验结果,对钢线、钢绞线的质量进行评价:
(根据实际检测结果给出评价和建议)
六、检验机构信息
检验机构名称:(根据实际情况填写)
地址:(根据实际情况填写)
七、备注
(根据实际情况填写)。
钢丝钢绞线先张法现场质量检验报告单钢丝和钢绞线是常用的金属材料,广泛应用于桥梁、建筑物、船舶、电力线路等工程领域。
为了确保钢丝和钢绞线的质量,进行现场质量检验是必要的。
以下是一个钢丝和钢绞线的先张法现场质量检验报告单的范例,供参考:报告单编号:XXX检验日期:XXXX年XX月XX日检验单位:XXX检验有限公司一、被检材料信息:1.品名:钢丝/钢绞线2.规格:XXXXX3.批号:XX-XXX-XXX4.制造商:XXX钢铁有限公司二、检验方法和设备:1.检验方法:先张法2.检验设备:先张力检测设备、测长仪、千分尺、金相显微镜等三、检验内容和结果:1.外观检验:(1)表面质量:经目测,表面光滑,无明显缺陷。
(2)公差范围:按照相关标准进行检验,符合要求。
2.尺寸检验:(1)直径测量:a.测量样品:取三个随机样品进行测量。
b.测量结果:样品1:直径为XX.XXmm;样品2:直径为XX.XXmm;样品3:直径为XX.XXmm。
c.公差范围:按照相关标准进行检验,符合要求。
(2)弯曲度检测:a.测量样品:取三个随机样品进行测量。
b.测量结果:样品1:弯曲度为X.XXmm/m;样品2:弯曲度为X.XXmm/m;样品3:弯曲度为X.XXmm/m。
c.公差范围:按照相关标准进行检验,符合要求。
3.物理性能检验:(1)抗拉强度检测:a.测量样品:取三个随机样品进行测量。
b.测量结果:样品1:抗拉强度为XXXMPa;样品2:抗拉强度为XXXMPa;样品3:抗拉强度为XXXMPa。
c.公差范围:按照相关标准进行检验,符合要求。
(2)弹性模量检测:a.测量样品:取三个随机样品进行测量。
b.测量结果:样品1:弹性模量为XXXGPa;样品2:弹性模量为XXXGPa;样品3:弹性模量为XXXGPa。
c.公差范围:按照相关标准进行检验,符合要求。
四、检验结论:根据以上检验结果,钢丝和钢绞线的质量符合相关标准和要求,可以投入使用。
钢绞线检验报告范文一、引言钢绞线是一种常用于工程建设中的钢筋材料,主要用于钢筋混凝土结构中的预应力和预压节点。
为了确保钢绞线的质量和性能符合相关标准和规范要求,本次检验测试了一批钢绞线,并编制了本次检验报告。
二、检验目的本次检验的目的是对钢绞线的外观质量、力学性能、化学成分进行检测,以评估钢绞线的质量是否符合标准和规范要求。
三、检验方法1.外观质量检测:观察钢绞线的表面是否有裂纹、疵点等缺陷。
2.力学性能检测:对钢绞线进行拉伸试验,测试其抗拉强度、屈服强度和伸长率等指标。
3.化学成分检测:采用化学分析方法,检测钢绞线中的碳含量、硫含量、磷含量等成分。
四、检验结果1.外观质量检测结果:经过观察,所有样品的表面均无明显的裂纹、疵点等缺陷,外观质量良好。
2.力学性能检测结果:钢绞线的抗拉强度平均值为XXMPa,屈服强度平均值为XXMPa,伸长率平均值为XX%。
以上指标均符合相关标准和规范要求。
3.化学成分检测结果:钢绞线的碳含量平均值为XX%,硫含量平均值为XX%,磷含量平均值为XX%。
以上成分分析结果都在标准范围内。
五、结论通过对钢绞线的外观质量、力学性能和化学成分的检测,可以得出以下结论:1.钢绞线的外观质量良好,无明显的缺陷。
2.钢绞线的力学性能符合相关标准和规范要求,具有足够的抗拉强度和屈服强度。
3.钢绞线的化学成分符合标准要求,各种含量在允许范围内。
六、建议在今后的施工过程中,建议对钢绞线的使用过程进行监测和控制,确保其在使用过程中的质量和性能符合标准和规范要求。
[1]XXX,XXX标准,XXXX版。
以上为本次钢绞线检验的简要报告,详细数据请参见检验报告附件。
钢材出厂合格证及进场检验报告文稿归稿存档编号:[KKUY-KKIO69-OTM243-OLUI129-G00I-FDQS58-钢材出厂合格证及进场检验报告Ⅰ基本要求和内容(1)凡结构设计施工图所配各种受力钢筋应有钢筋出厂合格证及力学性能现场抽样检验报告单,出厂合格证备注栏中应由施工单位注明单位工程名称、使用部位和进场数量。
(2)钢筋在加工过程中,如发现脆断、焊接性能不良或力学性能显着不正常现象,应进行化学成分检验或其它专项检验,并做出鉴定处理结论。
(3)使用进口钢筋应有商检证及主要技术性能指标。
进场后应严格遵守先检验后使用的原则进行力学性能及化学成分检验,其各项指标符合国产相应级别钢筋的技术标准及有关规定后,方可根据其应用范围用于工程。
当进口钢筋的国别及强度级别不明时,可根据检验结果确定钢筋级别,但不应用在主要承重结构的重要部位。
(4)冷拉钢筋、冷拔钢筋、冷轧扭钢筋、冷轧带肋钢筋除应有母材的出厂合格证及力学性能检验报告外,还应有冷拉、冷拔、冷轧后的钢筋出厂合格证及力学性能现场抽样检验报告。
(5)预应力砼工程所用的热处理钢筋、钢绞线、碳素钢丝、冷拔钢丝等材料应有出厂合格证及力学性能现场抽样检验报告,其技术性能和指标应符合设计要求及有关标准规范的规定。
(6)无粘结预应力筋(系指带有专用防腐油脂涂料层和外包层的无粘结预应力筋)现场抽样检验的力学性能技术指标应符合《钢绞线、钢丝束无粘结预应力筋》JG3006的要求。
防腐润滑脂应提供合格证,其有关指标必须符合《无粘结预应力筋专用防腐润滑脂》JG3007标准的规定。
(7)预应力筋用锚具、夹具和连接器应有出厂合格证,进场后应按批抽样检验并提供检验报告,其指标应符合标准后方可用于工程。
无合格证时,应按国家标准进行质量检验。
预应力筋用锚具系统的质量检验和合格验收应符合国家现行标准《预应力筋用锚具、夹具和连接器应用技术规程》JGJ85和《预应力筋用锚具、夹具和连接器》GB/T14370的规定。
word 整理版学习好帮手环氧涂层预应力钢绞线检验规程1 总 则1.1 环氧涂层预应力钢绞线检验依据标准为《预应力混凝土用钢绞线》(GB/T5224)。
为统一环氧涂层预应力钢绞线的检测方法,保证检测精度,制定本检验规程。
2 术语、符号2.1 术语填充型环氧涂层钢绞线:外层是由2.2 符号n D—— 钢绞线直径; n S—— 钢绞线参考截面积; R m—— 钢绞线抗拉强度; F m——整根钢绞线的最大力; F p0.2——规定非比例延伸力; A gt——最大力总伸长率;ΔF a——应力范围(两倍应力幅)的等效负荷值; D ——偏斜拉伸系数。
3 分类和标记3.1 分类与代号钢绞线按结构分为5类。
其代号为: 用两根钢丝捻制的钢绞线 1×2 用三根钢丝捻制的钢绞线 1×3 用三根刻痕钢丝捻制的钢绞线 1×3Ⅰ 用七根钢丝捻制的标准型钢绞线 1×7 用七根钢丝捻制又经模拔的钢绞线 (1×7)C 3.2 标记3.2.1 标记内容包含下列内容:预应力钢绞线,结构代号,公称直径,强度级别,标准号 3.2.2 标记示例公称直径为15.20mm,强度级别为1860MPa的七根钢丝捻制的标准型钢绞线其标记为:预应力钢绞线1×7-15.20-1860-GB/T5224—20034 检验规则4.1 检查和验收产品的检查由供方技术监督部门按表4.3.1的规定进行,需方可按本标准进行检查验收。
4.2 预应力钢绞线进场时,应对其质量证明书文件、包装、标志和规格进行检验,并应符合下列规定:4.2.1钢绞线检验每批重量不大于60吨;从每批钢绞线中任取3盘,并从每盘所选的钢绞线端部正常部位截取一根试样进行表面质量、直径偏差和力学性能试验。
如每批少于3盘,则应逐盘取样进行上述试验。
试验结果如有一项不合格时,则不合格盘报废,并再从该批未试验过的钢绞线中取双倍数量的试样进行该不合格项的复验,如仍有一项不合格,则该批钢绞线为不合格。
电线电缆检测报告一、检测对象本次检测的对象为一批进口电线电缆产品,共包括10种规格型号的电线电缆。
二、检测目的本次检测的目的是对进口电线电缆产品进行质量检验,确保其符合国家相关标准和技术规范要求,提供安全可靠的电力传输和应用。
三、检测方法本次检测采用非损伤性检测方法,包括外观检测、电性能检测和物理性能检测。
具体的检测方法和仪器设备如下:1.外观检测通过目测和镜检等方法,对电线电缆外观进行检查。
主要检测项包括外包装是否完整无损、是否存在异物、是否存在明显的外观缺陷等。
2.电性能检测采用电性能测试仪器对电线电缆的电阻、绝缘电阻、介质损耗角正切以及交流电耐压等参数进行测试。
3.物理性能检测通过拉伸试验、弯曲试验、耐燃试验等手段,对电线电缆的机械性能和耐磨性能进行检测。
四、检测结果根据上述的检测方法,对10种规格型号的电线电缆进行了检测。
以下为检测结果摘要:1.外观检测所有电线电缆产品外包装完好,无明显的外观缺陷或异物。
2.电性能检测所有电线电缆产品的电阻、绝缘电阻和介质损耗角正切都符合国家相关标准和技术规范要求。
交流电耐压测试结果显示,所有电线电缆产品在额定电压下未发生击穿或闪络现象,符合国家相关安全要求。
3.物理性能检测拉伸试验结果显示,所有电线电缆产品的拉伸强度都满足国家相关标准和技术规范要求。
弯曲试验结果显示,所有电线电缆产品在规定弯曲半径下无明显断裂或损伤。
耐燃试验结果显示,所有电线电缆产品在明火下均未燃烧或延燃,符合国家相关安全要求。
五、结论根据以上检测结果,所有电线电缆产品均符合国家相关标准和技术规范要求,具有良好的电性能和物理性能。
可以放心使用在电力传输和应用中,提供安全可靠的电源供应。
钢材出厂合格证及进场检验报告Ⅰ基本要求和内容(1)凡结构设计施工图所配各种受力钢筋应有钢筋出厂合格证及力学性能现场抽样检验报告单,出厂合格证备注栏中应由施工单位注明单位工程名称、使用部位和进场数量。
(2)钢筋在加工过程中,如发现脆断、焊接性能不良或力学性能显著不正常现象,应进行化学成分检验或其它专项检验,并做出鉴定处理结论。
(3)使用进口钢筋应有商检证及主要技术性能指标。
进场后应严格遵守先检验后使用的原则进行力学性能及化学成分检验,其各项指标符合国产相应级别钢筋的技术标准及有关规定后,方可根据其应用范围用于工程。
当进口钢筋的国别及强度级别不明时,可根据检验结果确定钢筋级别,但不应用在主要承重结构的重要部位。
(4)冷拉钢筋、冷拔钢筋、冷轧扭钢筋、冷轧带肋钢筋除应有母材的出厂合格证及力学性能检验报告外,还应有冷拉、冷拔、冷轧后的钢筋出厂合格证及力学性能现场抽样检验报告。
(5)预应力砼工程所用的热处理钢筋、钢绞线、碳素钢丝、冷拔钢丝等材料应有出厂合格证及力学性能现场抽样检验报告,其技术性能和指标应符合设计要求及有关标准规范的规定。
(6)无粘结预应力筋(系指带有专用防腐油脂涂料层和外包层的无粘结预应力筋)现场抽样检验的力学性能技术指标应符合《钢绞线、钢丝束无粘结预应力筋》JG3006的要求。
防腐润滑脂应提供合格证,其有关指标必须符合《无粘结预应力筋专用防腐润滑脂》JG3007标准的规定。
(7)预应力筋用锚具、夹具和连接器应有出厂合格证,进场后应按批抽样检验并提供检验报告,其指标应符合标准后方可用于工程。
无合格证时,应按国家标准进行质量检验。
预应力筋用锚具系统的质量检验和合格验收应符合国家现行标准《预应力筋用锚具、夹具和连接器应用技术规程》JGJ85和《预应力筋用锚具、夹具和连接器》GB/T14370的规定。
(8)预应力混凝土用金属螺旋管应有出厂合格证,进场后应按批抽样检验,并提供检验报告,其指标应符合国家现行行业标准《预应力混凝土用金属螺旋管》JG /T 3013后方可用于工程。
锚索拉拔检测报告————————————————————————————————作者:————————————————————————————————日期:目录一、工程概况 (1)二、检测目的 (1)三、检测主要依据 (1)四、锚索试验操作要点 (2)五、检测情况分析 (3)六、检测结论 (9)附图 (10)一、工程概况锚索检测数量及参数见下表:表1 现场试验锚索样本参数里程桩号试验锚索编号锚索倾角(度)锚索长度(m)加筋体类型加筋数量(束)自由段(m)锚固段(m)K1+073 MS-1 30 30 φ15.2钢绞线 6 15 15 K1+097 MS-2 30 24 φ15.2钢绞线 6 14 10 K1+107 MS-3 30 24 φ15.2钢绞线 6 14 10 K1+253 MS-4 30 24 φ15.2钢绞线 6 14 10 K1+267 MS-5 30 24 φ15.2钢绞线 6 14 10二、检测目的检验锚索抗拔力是否满足抗拔力设计值。
三、检测主要依据1.《建筑边坡支护技术规范》(DB50/5018—2001)2.《建筑边坡工程技术规范》(GB-50330-2002)3.《水电工程预应力锚固设计规范》(DL/T-5176-2003)4.《水电水利工程预应力锚索施工规范》(DL/T-5083-2004)5.《水利水电工程锚喷支护技术规范》(SL377-2007)四、锚索试验操作要点1.锚索验收的目的是检验施工质量是否达到设计要求。
2.验收试验锚索的数量取每种类型锚索总数的5%,且均不得少于5根。
3.验收试验锚索应随机抽样。
4.试验荷载值对永久性锚索为1.1ζ2A s f y;对临时性锚索为0.95ζ2A s f y。
ζ2——锚筋抗拉工作条件系数,永久性锚索取0.69,临时性锚索取0.92.A s——预应力钢绞线截面面积(m2)f y——锚筋抗拉强度设计值(kPa)5.前三级荷载可按试验荷载值的20%施加,以后按10%施加,达到试验荷载后观测10min,然后卸载到试验荷载的0.1倍并测出锚头位移。
建筑工程预应力钢绞线松弛性能检验报告一、实验目的本次实验旨在检验建筑工程使用的预应力钢绞线的松弛性能,通过对试样进行加载和卸载实验,分析和评估其松弛情况,为建筑工程的设计和施工提供参考依据。
二、实验原理预应力钢绞线是一种常用于建筑工程中的材料,其在预应力混凝土构件中的应用可以有效增加构件的承载力和抗裂性能。
然而,预应力钢绞线在施工和使用过程中会存在一定的松弛现象,即预应力力量逐渐减小。
因此,通过对预应力钢绞线的松弛性能进行检验,可以评估其在建筑工程中的可靠性和使用寿命。
三、实验步骤1.准备试验样品:根据建筑工程的实际要求,将预应力钢绞线进行切割,并按照一定的长度制作成试样。
2.实施加载实验:将试样固定在实验台上,通过加载装置施加预定的荷载。
根据所需的加载条件,可按照恒载、变载等方式进行加载,时间可根据实际需要进行调整。
3.实施卸载实验:在达到所设定的加载时间后,将加载装置卸载,记录卸载过程中试样的应变和力值变化情况。
4.数据处理:根据实验记录的数据,计算出试样的松弛量和松弛率。
5.结果分析:根据实验得到的数据,进行统计和分析,评估试样的松弛情况,并与建筑工程的设计要求进行对比。
四、实验结果通过本次实验,我们得到了预应力钢绞线的松弛数据如下:试样编号松弛量(mm)松弛率(%)10.230.10%20.190.08%30.210.09%平均值0.210.09%根据实验结果可以看出,预应力钢绞线在加载和卸载过程中出现了一定的松弛现象。
平均松弛率为0.09%,符合建筑工程的设计要求。
五、实验结论通过对建筑工程预应力钢绞线的松弛性能进行检验,我们得出以下结论:1.预应力钢绞线在施加预定荷载后会出现一定的松弛,即预应力力量逐渐减小。
2.平均松弛率为0.09%,符合建筑工程的设计要求。
3.预应力钢绞线的松弛性能对建筑工程的承载力和使用寿命有一定影响,需要在设计和施工过程中予以考虑。
六、改进建议为了进一步提高建筑工程预应力钢绞线的松弛性能,我们提出以下改进建议:1.选择质量优良、松弛性能稳定的预应力钢绞线材料。
电力电缆检验报告
自查报告。
报告日期,2023年5月15日。
报告对象,公司管理部门。
报告内容:
根据公司要求,我们对电力电缆进行了自查,并就检验结果进
行了报告。
自查内容包括电缆的外观、尺寸、绝缘电阻、导体电阻、绝缘电压、耐压测试等项目。
首先,我们对电缆的外观进行了检查,确保电缆表面光滑,无
明显损伤和变形。
然后,我们对电缆的尺寸进行了测量,确保符合
标准要求。
接着,我们对电缆的绝缘电阻和导体电阻进行了测试,测试结
果显示绝缘电阻和导体电阻均符合标准要求。
同时,我们对电缆进
行了绝缘电压和耐压测试,测试结果显示电缆能够承受标准要求的
电压并保持良好的绝缘性能。
最后,我们对电缆进行了外观检查,确保电缆标识清晰、完整,并且符合标准要求。
综上所述,我们对电力电缆进行的自查结果显示,电缆符合标
准要求,可以正常投入使用。
报告人,XXX(签名)。
联系方式,XXX(电话/邮箱)。