(完整版)最新GB公制螺纹标准
- 格式:doc
- 大小:84.01 KB
- 文档页数:10
普通螺纹标准规格表螺纹基本知识一、螺纹的名词术语螺纹:在圆柱或圆锥表面上,沿着螺旋线所形成的具有规定牙型的连续凸起。
圆柱螺纹/圆锥螺纹;外螺纹/内螺纹;右旋螺纹/左旋螺纹。
右旋螺纹:顺时针旋转时选入的螺纹。
左旋螺纹:逆时针旋转时选入的螺纹。
完整螺纹:牙顶和牙底具有完整形状的螺纹。
不完整螺纹:牙底完整而牙顶不完整的螺纹。
螺尾:向光滑表面过渡的牙底不完整的螺纹。
有效螺纹:由完整螺纹和不完整螺纹组成的螺纹,不包括螺尾。
公称直径:代表螺纹尺寸的直径。
大径:外螺纹的顶径、内螺纹的底径。
小径:外螺纹的底径、内螺纹的顶径。
中径:一个假想圆柱或圆锥的直径,该圆柱或圆锥的母线通过牙型上沟槽和凸起宽度相等的地方。
单一中径:牙型上沟槽宽度等于1/2基本螺距的地方。
作用中径:在规定的旋合长度内,恰好包容实际螺纹的一个假想螺纹的中径,这个假想螺纹具有理想的螺距、螺纹半角、及牙型高度,并在牙顶和牙底留有间隙,不与实际螺纹大、小径发生干涉。
牙型角:在螺纹牙型上,两相邻牙侧间的夹角。
螺距:相邻两牙在中径线上对应两点间的轴向距离。
螺纹精度:由螺纹公差带和旋合长度共同组成的衡量螺纹质量的综合指标。
二、.螺纹概述一般将螺纹分为圆柱螺纹和圆锥螺纹。
(一)圆柱螺纹1. 普通螺纹(又称米制或公制螺纹)螺纹代号M,牙形角60°,基本牙形为平顶。
精度等级:内螺纹4~8级,外螺纹3~9级。
2. 美标统一螺纹(又称60°英制螺纹)螺纹代号UNC、UNF、UNEF、UN、UNS,牙形角60°,基本牙形为平顶。
精度等级:内螺纹1B~3B,外螺纹1A~3A。
3. 非螺纹密封的管螺纹(又称圆柱管螺纹)螺纹代号G,牙形角55°,基本牙形为圆顶圆底。
精度等级:内螺纹标准级和D级,外螺纹A、B级。
4. 梯形螺纹螺纹代号Tr,牙形角30°(美标为29°),基本牙形为平顶平底。
精度等级:7~9级,(美标为2G~6G)。
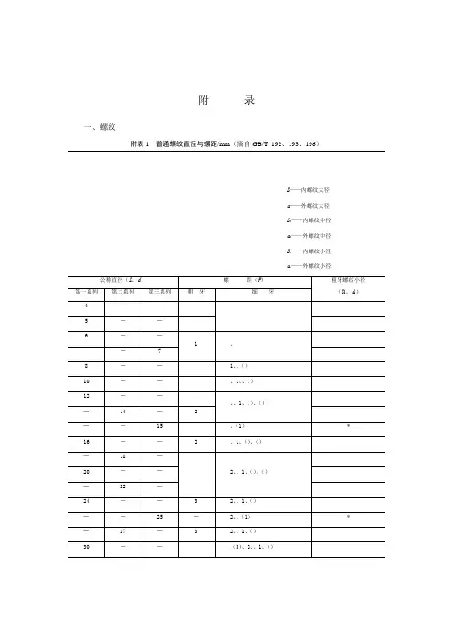
◎◎◎◎◎◎◎◎◎◎◎◎◎◎◎◎◎◎◎◎◎◎◎◎◎◎◎◎◎◎◎◎◎◎◎附录一、螺纹附表1 普通螺纹直径与螺距/mm(摘自GB/T 192、193、196)D——内螺纹大径d——外螺纹大径D2——内螺纹中径d2——外螺纹中径D1——内螺纹小径d1——外螺纹小径P——螺距标记示例:公称直径(D、d)螺距(P)粗牙螺纹小径(D1、d1)第一系列第二系列第三系列粗牙细牙4 ――0.70.5 3.2425 ――0.8 4.1346 ――1 0.75、(0.5) 4.917―7 5.917 8 ―― 1.25 1、0.75、(0.5) 6.647 10 ―― 1.5 1.25、1、0.75、(0.5)8.37612 ―― 1.751.5、1.25、1、(0.75)、(0.5)10.106―14 ― 2 11.835 ――15 1.5、(1)*13.376 16 ―― 2 1.5、1、(0.75)、(0.5)13.835―18 ―2.5 2、1.5、1、(0.75)、(0.5)15.29420 ――17.294 ―22 ―19.294 24 ―― 3 2、1.5、1、(0.75)20.752 ――25 ―2、1.5、(1)*22.835 ―27 ― 3 2、1.5、1、(0.75)23.75230 ――3.5 (3)、2、1.5、1、(0.75)26.211―33 ―(3)、2、1.5、(1)、(0.75)29.211 ――35 ― 1.5 *33.376精品感谢下载载36―― 4 3、2、1.5、(1)31.670 ―39―34.670注:1.优先选用第一系列,其次是第二系列,第三系列尽可能不用。
2.括号内尺寸尽可能不用。
3.M14×1.25仅用于火花塞;M35×1.5仅用于滚动轴承锁紧螺母。
4.带*号的为细牙参数,是对应于第一种细牙螺距的小径尺寸。
◎◎◎◎◎◎◎◎◎◎◎◎◎◎◎◎◎◎◎◎◎◎◎◎◎◎◎◎◎◎◎◎◎◎◎附表2 管螺纹用螺纹密封的管螺纹 非螺纹密封的管螺纹 (摘自GB/T 7306) (摘自GB/T 7307)尺寸 代号基面上的直径(GB/T 7306)基本直径(GB/T 7307) 螺距(P ) /mm牙高 (h ) /mm圆弧半径 (R ) /mm每25.4 mm 内的牙数 (n )有效螺纹 长度 (GB/T 7306) /mm 基准的 基本长度 (GB/T 7306)/mm 大径 (d =D ) /mm中径 (d 2=D 2) /mm 小径 (d 1=D 1) /mm 1/16 7.723 7.142 6.561 0.907 0.581 0.125 28 6.5 4.0 1/8 9.728 9.147 8.566 6.5 4.0 1/4 13.157 12.301 11.445 1.337 0.856 0.184 19 9.7 6.0 3/8 16.662 15.806 14.950 10.1 6.4 1/2 20.955 19.793 18.631 1.8141.1620.2491413.2 8.2 3/4 26.441 25.279 24.117 14.5 9.5 1 33.249 31.770 30.291 2.309 1.479 0.317 11 16.8 10.4 1¼ 41.910 40.431 28.952 19.1 12.7 1½ 47.803 46.324 44.845 19.1 12.7 2 59.614 58.135 56.656 23.415.9 2½ 75.184 73.705 72.226 26.7 17.5 3 87.884 86.405 84.926 29.8 20.6 4 113.030 111.551 110.072 35.8 25.4 5 138.430 136.951 135.472 40.1 28.6 6163.830162.351160.87240.128.6◎◎◎◎◎◎◎◎◎◎◎◎◎◎◎◎◎◎◎◎◎◎◎◎◎◎◎◎◎◎◎◎◎◎◎附表3 常用的螺纹公差带螺纹种类精度外螺纹内螺纹S N L S N L普通螺纹(GB/T 197) 中等(5g6g)(5h6h)*6g,*6e*6h,*6f7g6g(7h6h)*5H(5G)*6H(6G)*7H(7G)粗糙―8g,(8h)――7H,(7G)―梯形螺纹(GB/T 5796.4) 中等―7h,7e 8e ―7H 8H 粗糙―8e,8c 8c ―8H 9H2.带*的公差带优先选用,括号内的公差带尽可能不用。
公制标准内螺纹规格表一、概述。
公制标准内螺纹是一种常见的螺纹连接方式,广泛应用于机械设备、汽车、航空航天等领域。
它具有规格统一、连接牢固、易于加工等优点,因此备受青睐。
本文将详细介绍公制标准内螺纹的规格表,以便读者在实际应用中能够准确选择和使用。
二、公制标准内螺纹规格表。
公制标准内螺纹的规格表包括直径、螺距和公称尺寸三个方面。
其中,直径是指螺纹的外径,通常用字母“D”表示;螺距是指相邻两螺纹之间的距离,通常用字母“P”表示;公称尺寸是指螺纹的规格,通常用字母“M”加上公称直径表示。
下面是公制标准内螺纹规格表的部分内容:1. M3×0.5。
2. M4×0.7。
3. M5×0.8。
4. M6×1.0。
5. M8×1.25。
6. M10×1.5。
7. M12×1.75。
8. M16×2.0。
9. M20×2.5。
10. M24×3.0。
以上是常见的公制标准内螺纹规格表,根据实际需要,还可以有更多的规格选择。
在选择螺纹规格时,需要根据实际使用情况和连接要求进行合理的选择。
三、使用注意事项。
在使用公制标准内螺纹时,需要注意以下几个方面:1. 选择合适的规格,根据实际需要选择合适的螺纹规格,以确保连接牢固、稳定。
2. 加工精度,在加工螺纹时,需要保证螺纹的精度,以免影响连接效果。
3. 螺纹配合,螺纹连接时,需要注意螺纹的配合情况,确保螺纹之间的配合良好。
4. 螺纹防锈,对于需要长期使用的螺纹连接,需要注意防止螺纹生锈,以免影响连接效果。
四、结语。
公制标准内螺纹作为一种常见的螺纹连接方式,在机械设备、汽车、航空航天等领域有着广泛的应用。
通过本文的介绍,相信读者对公制标准内螺纹的规格表有了更加清晰的了解,能够在实际应用中更加准确地选择和使用螺纹规格。
希望本文能够对读者有所帮助。
中国螺纹标准
中国螺纹标准主要由国家标准制定,涵盖了各种类型和用途的螺纹。
以下是一些常见的中国螺纹标准:
1.GB/T 1167:这个标准规定了内螺纹和外螺纹的基本和一般要求。
它包括了螺纹的设计、公差、尺寸和标记等方面的内容。
2.GB/T 5287:这个标准规定了公制内螺纹和外螺纹的基本尺寸和公差。
3.GB/T 5796:这个标准适用于螺纹公差和螺纹测量。
4.GB/T 18455:这个标准规定了非金属软管用管螺纹尺寸。
5.GB/T 19201:这个标准适用于建筑结构用的螺栓连接。
6.GB/T 3098.1:这个标准规定了普通螺纹连接的螺栓和螺母。
7.GB/T 12616:这个标准适用于机械连接的六角螺母。
8.GB/T 1229:这个标准规定了紧固螺钉的名称、类型、尺寸和材料。
这些标准包括了不同类型螺纹的设计、尺寸、公差、材料、用途等方面的要求。
螺纹标准在各种行业和应用中广泛使用,确保了螺纹连接的互换性和可靠性。
公制螺纹标准对照表螺纹是机械连接中常见的一种连接方式,它通过螺纹的搭接,实现零件的连接和固定。
在工程设计和制造中,常用的螺纹标准有英制螺纹和公制螺纹两种。
本文将重点介绍公制螺纹标准对照表,以便工程师和制造人员在实际工作中能够准确选择和应用公制螺纹。
1. M 系列螺纹。
M 系列螺纹是最常见的公制螺纹之一,它采用米制单位表示螺纹直径。
M 系列螺纹的标准是 DIN 13,它包括了M1.6至M64的多个规格,每个规格都有着特定的螺距和公差要求。
M 系列螺纹通常用于机械设备的组装和固定,广泛应用于各种行业。
2. MF 系列螺纹。
MF 系列螺纹是一种特殊的公制螺纹,它的螺距和公差与M 系列螺纹相同,但是其螺纹直径采用的是毫米和英寸的混合表示。
MF 系列螺纹适用于需要与英制螺纹配合使用的场合,它的标准是 ISO 724。
3. MJ 系列螺纹。
MJ 系列螺纹是一种特殊的大径公制螺纹,它的螺距和公差与M 系列螺纹相同,但是其螺纹直径比M 系列螺纹大,通常用于大型机械设备的连接和固定。
MJ 系列螺纹的标准是 ISO 5855。
4. PG 系列螺纹。
PG 系列螺纹是一种用于管道连接的公制螺纹,它的标准是 DIN 40430。
PG 系列螺纹采用的是管螺纹,其螺距和公差与M 系列螺纹有所不同,适用于管道连接和密封。
5. TR 系列螺纹。
TR 系列螺纹是一种特殊的公制螺纹,它的标准是 DIN 103。
TR 系列螺纹采用的是圆锥螺纹,其螺距和公差与M 系列螺纹有所不同,适用于需要良好密封性能的场合。
6. 其他特殊螺纹。
除了上述常见的公制螺纹系列外,还有一些特殊的公制螺纹,如圆锥管螺纹、汽车管螺纹等,它们都有着特定的标准和应用范围,需要根据实际情况进行选择和应用。
总结。
公制螺纹标准对照表是工程设计和制造中的重要参考资料,它能够帮助工程师和制造人员准确选择和应用合适的公制螺纹,确保零件的连接和固定符合要求。
在实际工作中,我们需要根据具体的需求和要求,选择合适的公制螺纹标准,合理设计和制造螺纹连接,确保其可靠性和稳定性。
公制螺纹尺寸表标准一、螺纹种类本标准适用于圆柱螺纹和圆锥螺纹。
二、螺纹线数螺纹线数是指形成螺纹的螺旋线的数量,分为单线和多线。
单线螺纹是指沿一条螺旋线形成的螺纹,多线螺纹是指沿两条或两条以上螺旋线形成的螺纹。
三、螺纹公差带螺纹公差带是指在螺纹加工时,为了控制螺纹的尺寸精度,规定的一个公差范围。
根据实际需要,螺纹公差带分为内螺纹公差带和外螺纹公差带。
四、螺纹标记螺纹标记是指在螺纹加工时,为了便于识别和记录,在螺纹的表面或内部规定的标记。
根据实际需要,螺纹标记可以包括以下内容:1. 螺纹种类代号:如M表示圆柱螺纹,Tr表示圆锥螺纹。
2. 螺纹公差带代号:如H表示内螺纹公差带代号,g表示外螺纹公差带代号。
3. 螺纹旋合长度代号:如S表示短旋合长度,L表示长旋合长度。
4. 旋向代号:如右旋省略不写,左旋用“LH”表示。
5. 其他附加标记:如密封性要求等。
五、螺纹尺寸螺纹尺寸是指螺纹的基本尺寸,包括大径、中径和小径。
大径是指螺纹的最大直径,中径是指螺纹的平均直径,小径是指螺纹的最小直径。
根据实际需要,不同种类的螺纹可以有不同的尺寸系列。
六、螺纹螺距螺纹螺距是指相邻两牙之间的距离,分为粗牙螺距和细牙螺距。
粗牙螺距是指标准螺距,细牙螺距是指比标准螺距小的螺距。
七、螺纹牙型高度螺纹牙型高度是指从底径到顶径之间的垂直高度。
根据实际需要,不同种类的螺纹可以有不同的牙型高度。
八、螺纹切削参数对于加工圆柱螺纹和圆锥螺纹所需的刀具(含割刀)以及粗、精切削所允许之顶针行程、前后座之配合、刀具之安装定位基准等参数,均应依本标准所订定之值选用。
<一>﹑公制机械牙粗牙规格螺丝尺寸标准(牙型角:60˚)标称尺寸 Designation螺距Pith外径Dia.of Circle有效直径Dia.of Triangle最大 Max 最小 Min 公差 Tolerance 最大 Max 最小 Min公差 Toleranc eM2.0 0.40 1.981 1.886 0.095 1.721 1.654 0.067 M2.5 0.45 2.480 2.380 0.100 2.188 2.117 0.071 M3.0 0.50 2.980 2.874 0.106 2.655 2.580 0.075 M3.5 0.60 3.479 3.354 0.125 3.089 3.004 0.085 M4.0 0.70 3.978 3.838 0.140 3.523 3.433 0.090 M4.5 0.75 4.478 4.338 0.140 3.991 3.901 0.090 M5.0 0.80 4.976 4.826 0.150 4.456 4.361 0.095 M6.0 1.00 5.974 5.794 0.180 5.324 5.212 0.112 M8.0 1.25 7.972 7.760 0.212 7.160 7.042 0.118 M10 1.50 9.968 9.732 0.236 8.994 8.862 0.132 M12 1.75 11.966 11.701 0.265 10.829 10.679 0.150 M14 2.00 13.962 13.682 0.280 12.663 12.503 0.160 M162.00 15.96215.6820.280 14.66314.503 0.160<三>三角自攻螺丝长度系列及标准公差 1﹑长度系列尺寸(mm )优先系列:4﹑5﹑6﹑8﹑10﹑12﹑15﹑18﹑22﹑25﹑30﹑36﹑42﹑50﹑60﹑80﹑100等 允选系列:20﹑28﹑32﹑40﹑45﹑55﹑70﹑90等 2﹑螺丝长度公差表 ( mm)M2.0长度Length <2mm2〜3mm >3mm公差Tolerance +0〜-0.15 +0〜-0.2 +0〜-0.3M2.5长度Length <4mm4〜10mm 10〜20mm >20mm公差Tolerance +0〜-0.3 +0〜-0.4 +0〜-0.6 +0〜-0.8M3.0﹑M3.5 M4.0﹑M4.5长度Length <20mm20〜40mm >40mm公差Tolerance +0〜-0.6 +0〜-0.8 +0〜-1.0M5以上长度Length <10mm>10mm公差Tolerance +0〜-0.8 +0〜-1.0四﹑公制机械牙粗牙规格螺丝主要机械性能参数标准(5.8级以上)标称尺寸Designation 螺距 Pith 破坏扭力 抗张力表面渗碳热处理规格 >N. m >Kg 表面硬度 心部硬度 硬化层深度 M2.0 0.40 0.4 120 460-600 250-380 0.04-0.10 M2.5 0.45 0.6 180 460-600 250-380 0.04-0.10 M3.0 0.50 0.9 270 460-600 250-380 0.04-0.10 M3.5 0.60 1.5 360 460-600 250-380 0.05-0.18 M4.0 0.70 2.5 480 560-650 250-380 0.05-0.18 M4.5 0.75 3.5 600 560-650 250-400 0.1-0.25 M5.0 0.80 5 750 560-650 250-400 0.1-0.25 M6.0 1.00 8.5 1100 560-650 250-400 0.15-0.30 M8.0 1.25 20 2000 560-650 250-400 0.15-0.30 M10 1.50 40 3100 560-650 250-400 0.15-0.30 M12 1.75 65 4400 560-650 250-400 0.15-0.30 M14 2.00 100 6000 560-650 250-400 0.15-0.32 M162.00 1608200560-650250-400 0.15-0.32五﹑公制机械牙粗牙规格螺丝头型及槽形选择 <一>﹑公制机械牙粗牙规格螺丝头型种类1﹑盘头 P 2﹑伞头 T 3﹑平顶沉头 F4﹑六角头 H 5﹑内六角圆柱头 6﹑扁头B 或圆头R <二>﹑公制机械牙粗牙规格螺丝头型选择1﹑优先选用盘头P :有用到扁头B 及圆头R 时需考虑用盘头替代,被锁付零件孔相对较小﹑材质较硬时均可考虑用盘头螺钉。
公制螺纹尺寸表-资料类关键信息项:1、公制螺纹规格2、螺纹大径3、螺纹中径4、螺纹小径5、螺距6、牙型高度11 协议范围本协议旨在明确和规范公制螺纹的尺寸标准,为公制螺纹的设计、制造、检验和使用提供准确的参考依据。
111 适用对象本协议适用于涉及公制螺纹的各类机械、设备、零部件的生产制造以及相关的技术研究和质量控制等领域。
12 公制螺纹规格定义公制螺纹规格以螺纹的大径和螺距来表示,例如 M10×15 表示大径为 10 毫米,螺距为 15 毫米的公制螺纹。
121 常见公制螺纹规格常见的公制螺纹规格包括 M2、M25、M3、M4、M5、M6、M8、M10、M12 等。
13 螺纹大径螺纹大径是指与外螺纹牙顶或内螺纹牙底相切的假想圆柱的直径。
131 大径的公差范围公制螺纹大径的公差范围根据不同的精度等级而有所不同,一般分为精密级、中等精度级和粗糙级。
132 大径的测量方法测量螺纹大径可使用游标卡尺、千分尺等测量工具,在螺纹的牙顶或牙底处进行测量。
14 螺纹中径螺纹中径是一个假想圆柱的直径,该圆柱的母线通过牙型上沟槽和凸起宽度相等的地方。
141 中径的计算方法中径的计算公式为:中径=大径 06495×螺距142 中径的重要性螺纹中径是决定螺纹配合性质的主要参数,对螺纹的连接强度和密封性有着重要影响。
15 螺纹小径螺纹小径是指与外螺纹牙底或内螺纹牙顶相切的假想圆柱的直径。
151 小径的计算方法小径的计算公式为:小径=大径 10825×螺距152 小径的作用螺纹小径主要用于保证螺纹的强度和防止螺纹根部断裂。
16 螺距螺距是指相邻两牙在中径线上对应两点间的轴向距离。
161 标准螺距系列公制螺纹的标准螺距系列按照一定的规律排列,以满足不同的使用需求。
162 螺距的选择原则螺距的选择应根据螺纹的使用场合、承载能力、装配要求等因素综合考虑。
17 牙型高度牙型高度是指在螺纹牙型上,牙顶到牙底之间的垂直距离。
普通螺纹标准规格表螺纹基本知识一、螺纹得名词术语螺纹:在圆柱或圆锥表面上,沿着螺旋线所形成得具有规定牙型得连续凸起。
ﻫ圆柱螺纹/圆锥螺纹;外螺纹/内螺纹;右旋螺纹/左旋螺纹。
右旋螺纹:顺时针旋转时选入得螺纹. ﻫ左旋螺纹:逆时针旋转时选入得螺纹。
完整螺纹:牙顶与牙底具有完整形状得螺纹。
不完整螺纹:牙底完整而牙顶不完整得螺纹。
螺尾:向光滑表面过渡得牙底不完整得螺纹。
ﻫ有效螺纹:由完整螺纹与不完整螺纹组成得螺纹,不包括螺尾。
公称直径:代表螺纹尺寸得直径。
大径:外螺纹得顶径、内螺纹得底径。
小径:外螺纹得底径、内螺纹得顶径。
ﻫ中径:一个假想圆柱或圆锥得直径,该圆柱或圆锥得母线通过牙型上沟槽与凸起宽度相等得地方。
ﻫ单一中径:牙型上沟槽宽度等于1/2基本螺距得地方.作用中径:在规定得旋合长度内,恰好包容实际螺纹得一个假想螺纹得中径,这个假想螺纹具有理想得螺距、螺纹半角、及牙型高度,并在牙顶与牙底留有间隙,不与实际螺纹大、小径发生干涉。
牙型角:在螺纹牙型上,两相邻牙侧间得夹角。
螺距:相邻两牙在中径线上对应两点间得轴向距离. ﻫ螺纹精度:由螺纹公差带与旋合长度共同组成得衡量螺纹质量得综合指标。
二、、螺纹概述一般将螺纹分为圆柱螺纹与圆锥螺纹。
(一) 圆柱螺纹ﻫ1、普通螺纹(又称米制或公制螺纹)螺纹代号M,牙形角60°,基本牙形为平顶。
精度等级:内螺纹4~8级,外螺纹3~9级。
ﻫ2、美标统一螺纹(又称60°英制螺纹)螺纹代号UNC、UNF、UNEF、UN、UNS,牙形角60°,基本牙形为平顶。
ﻫ精度等级:内螺纹1B~3B,外螺纹1A~3A。
3、非螺纹密封得管螺纹(又称圆柱管螺纹) ﻫ螺纹代号G,牙形角55°,基本牙形为圆顶圆底.精度等级:内螺纹标准级与D级,外螺纹A、B级. ﻫ4、梯形螺纹螺纹代号Tr,牙形角30°(美标为29°),基本牙形为平顶平底。
精度等级:7~9级,(美标为2G~6G)。
最新GB公制螺纹标准普通螺纹标准规格表普通螺纹基本尺寸(mm)普通螺纹基本尺寸(mm)公称直径螺距p 中径小径公称直径螺距p 中径小径1 0.25 0.838 0.729 22 1.5 21.026 20.3761.2 0.25 1.038 0.929 222.5 20.376 19.2941.4 0.3 1.205 1.075 24 2 22.701 21.8351.6 0.35 1.373 1.221 24 3 22.051 20.7522 0.4 1.740 1.567 27 2 25.701 24.8352.5 0.45 2.208 2.013 27 3 25.051 23.7523 0.5 2.675 2.459 30 2 28.701 27.8353.5 0.6 3.110 2.850 30 3.5 27.727 26.2114 0.7 3.545 3.242 33 2 31.701 30.8354.5 0.75 4.013 3.688 33 3.5 30.727 29.2115 0.8 4.480 4.134 36 3 34.051 32.7526 1 5.350 4.917 36 4 33.042 31.6708 1 7.350 6.917 39 3 37.051 35.7528 1.25 7.188 6.647 39 4 36.042 34.67010 1 9.350 8.917 42 3 40.051 38.75210 1.25 9.188 8.647 42 4.5 39.077 37.12910 1.5 9.026 8.376 45 3 43.051 41.75212 1.25 11.188 10.647 45 4.5 42.077 40.12912 1.5 11.026 10.376 48 3 46.051 44.75212 1.75 10.863 10.106 48 5 44.752 42.58714 1.5 13.026 12.376 52 4 49.402 47.67014 2 12.701 11.835 52 5 48.752 46.58716 1.5 15.026 14.376 58 4 53.402 51.67016 2 14.701 13.835 58 4.5 52.428 50.04618 2.5 16.376 15.294 60 4 57.402 55.67020 1.5 19.026 18.376 60 5.5 56.428 54.04620 2 18.701 17.835 64 4 61.402 59.67020 2.5 18.376 17.294 64 6 60.103 57.505螺纹基本知识一、螺纹的名词术语螺纹:在圆柱或圆锥表面上,沿着螺旋线所形成的具有规定牙型的连续凸起。
附录一、螺纹附表1 普通螺纹直径与螺距/mm(摘自GB/T 192、193、196)D——内螺纹大径d——外螺纹大径D2——内螺纹中径d2——外螺纹中径D1——内螺纹小径d1——外螺纹小径注:1.优先选用第一系列,其次是第二系列,第三系列尽可能不用。
2.括号内尺寸尽可能不用。
3.M14×仅用于火花塞;M35×仅用于滚动轴承锁紧螺母。
4.带*号的为细牙参数,是对应于第一种细牙螺距的小径尺寸。
◎◎◎◎◎◎◎◎◎◎◎◎◎◎◎◎◎◎◎◎◎◎◎◎◎◎◎◎◎◎◎◎◎◎◎附表2 管螺纹用螺纹密封的管螺纹非螺纹密封的管螺纹(摘自GB/T 7306) (摘自GB/T 7307)标记示例:标记示例:◎◎◎◎◎◎◎◎◎◎◎◎◎◎◎◎◎◎◎◎◎◎◎◎◎◎◎◎◎◎◎◎◎◎◎附表3 常用的螺纹公差带注:1.大量生产的精制紧固件螺纹,推荐采用带方框的公差带。
2.带*的公差带优先选用,括号内的公差带尽可能不用。
3.两种精度选用原则:中等——一般用途;粗糙——对精度要求不高时采用。
◎◎◎◎◎◎◎◎◎◎◎◎◎◎◎◎◎◎◎◎◎◎◎◎◎◎◎◎◎◎◎◎◎◎◎◎◎◎◎◎◎◎◎◎◎◎◎◎◎◎◎◎◎◎◎◎◎◎◎◎◎◎◎◎◎◎◎◎◎◎二、常用的标准件附表4 六角头螺栓/mm六角头螺栓 C级(摘自GB/T 5780)标记示例:螺栓 GB/T 5780 M20×100 (螺纹规格d=M20、公称长度l=100、性能等级为级、不经表面处理、杆身半螺纹、产品等级为C级的六角头螺栓)六角头螺栓全螺纹 C级(摘自GB/T 5781)注:1.括号内的规格尽可能不用。
末端按GB/T 2规定。
2.螺纹公差:8g(GB/T 5780);6g(GB/T 5781);机械性能等级:级、级;产品等级:C。
◎◎◎◎◎◎◎◎◎◎◎◎◎◎◎◎◎◎◎◎◎◎◎◎◎◎◎◎◎◎◎◎◎◎◎◎◎◎◎◎◎◎◎◎◎◎◎◎◎◎◎◎◎◎◎◎◎◎◎◎◎◎◎◎◎◎◎◎◎◎附表5 双头螺柱/mm(摘自GB/T 897~900)b m=1d(GB/T 897) b m=(GB/T 898) b m=(GB/T 899) b m=2d(GB/T 900)标记示例:螺柱 GB/T 900 M10×50 (两端均为粗牙普通螺纹、d=M10、l=50、性能等级为级、不经表面处理、B型、b m=2d的双头螺柱)注:1.尽可能不采用括号内的规格。
普通螺纹标准规格表螺纹基本知识一、螺纹的名词术语螺纹:在圆柱或圆锥表面上,沿着螺旋线所形成的具有规定牙型的连续凸起。
圆柱螺纹/圆锥螺纹;外螺纹/内螺纹;右旋螺纹/左旋螺纹。
右旋螺纹:顺时针旋转时选入的螺纹。
左旋螺纹:逆时针旋转时选入的螺纹。
完整螺纹:牙顶和牙底具有完整形状的螺纹。
不完整螺纹:牙底完整而牙顶不完整的螺纹。
螺尾:向光滑表面过渡的牙底不完整的螺纹。
有效螺纹:由完整螺纹和不完整螺纹组成的螺纹,不包括螺尾。
公称直径:代表螺纹尺寸的直径。
大径:外螺纹的顶径、内螺纹的底径。
小径:外螺纹的底径、内螺纹的顶径。
中径:一个假想圆柱或圆锥的直径,该圆柱或圆锥的母线通过牙型上沟槽和凸起宽度相等的地方。
单一中径:牙型上沟槽宽度等于1/2基本螺距的地方。
作用中径:在规定的旋合长度内,恰好包容实际螺纹的一个假想螺纹的中径,这个假想螺纹具有理想的螺距、螺纹半角、及牙型高度,并在牙顶和牙底留有间隙,不与实际螺纹大、小径发生干涉。
牙型角:在螺纹牙型上,两相邻牙侧间的夹角。
螺距:相邻两牙在中径线上对应两点间的轴向距离。
螺纹精度:由螺纹公差带和旋合长度共同组成的衡量螺纹质量的综合指标。
二、.螺纹概述一般将螺纹分为圆柱螺纹和圆锥螺纹。
(一)圆柱螺纹1. 普通螺纹(又称米制或公制螺纹)螺纹代号M,牙形角60°,基本牙形为平顶。
精度等级:内螺纹4~8级,外螺纹3~9级。
2. 美标统一螺纹(又称60°英制螺纹)螺纹代号UNC、UNF、UNEF、UN、UNS,牙形角60°,基本牙形为平顶。
精度等级:内螺纹1B~3B,外螺纹1A~3A。
3. 非螺纹密封的管螺纹(又称圆柱管螺纹)螺纹代号G,牙形角55°,基本牙形为圆顶圆底。
精度等级:内螺纹标准级和D级,外螺纹A、B级。
4. 梯形螺纹螺纹代号Tr,牙形角30°(美标为29°),基本牙形为平顶平底。
精度等级:7~9级,(美标为2G~6G)。
国标GB螺纹标准尺寸-国标螺纹
简介
国标GB螺纹是中国国家标准委员会制定的一种螺纹标准,适用于各种工程领域和行业。
螺纹是一种常见的连接方式,用于连接螺纹零件。
本文档将介绍国标GB螺纹的标准尺寸。
螺纹标准尺寸
国标GB螺纹的标准尺寸包括螺距、螺纹直径、螺纹高度和螺纹牙形角度等。
以下是几个常见的国标GB螺纹尺寸:
1. M6 螺纹:螺距为1mm,螺纹直径为6mm,螺纹高度为3.5mm,螺纹牙形角度为60度。
2. M8 螺纹:螺距为1.25mm,螺纹直径为8mm,螺纹高度为4mm,螺纹牙形角度为60度。
3. M10 螺纹:螺距为1.5mm,螺纹直径为10mm,螺纹高度为5mm,螺纹牙形角度为60度。
4. M12 螺纹:螺距为1.75mm,螺纹直径为12mm,螺纹高度为6mm,螺纹牙形角度为60度。
请注意,以上只是一些常见的国标GB螺纹尺寸,实际应用中可能会有更多的尺寸选项可供选择。
总结
国标GB螺纹标准尺寸包括螺距、螺纹直径、螺纹高度和螺纹牙形角度等。
在选择螺纹时,可以参考国标GB螺纹的尺寸。
但需要注意的是,实际应用中也可能存在其他螺纹标准和尺寸,所以在使用螺纹时,应根据具体需求进行选择。
以上是对国标GB螺纹标准尺寸的简要介绍。
如需更详细的信息,请参阅相关国家标准或咨询相关专业人士。
螺纹标准精选(最新)G3《GB/T3-1997 普通螺纹:收尾、肩距、退刀槽和倒角》G192《GB/T192-2003 普通螺纹:基本牙型》G193《GB/T193-2003 普通螺纹:直径与螺距系列》G196《GB/T196-2003 普通螺纹:基本尺寸》G197《GB/T197-2003 普通螺纹:公差》G1167《GB/T1167-1996 过渡配合螺纹》 G1181《GB/T1181-1998 过盈配合螺纹》G1414《GB/T 1414-2013 普通螺纹管路系列》 G1415《GB/T 1415-2008 米制密封螺纹》 G2516《GB/T2516-2003 普通螺纹:极限偏差》G3934《GB/T3934-2003 普通螺纹量规技术条件》G4749《GB/T4749-2003 石油钻具接头螺纹量规》G5796.1《GB/T 5796.1-2005 梯形螺纹第1部分:牙型》 G5796.2《GB/T 5796.2-2005 梯形螺纹第2部分:直径与螺距系列》 G5796.3《GB/T 5796.3-2005 梯形螺纹第3部分:基本尺寸》 G5796.4《GB/T 5796.4-2005 梯形螺纹第4部分:公差》 G7306.1《GB/T7306.1-2000 55°密封管螺纹:圆柱内螺纹与圆柱外螺纹》G7306.2《GB/T7306.2-2000 55°密封管螺纹:圆锥内螺纹与圆锥外螺纹》G7307《GB/T7307-2001 55°非密封管螺纹》G9144《GB/T9144-2003 普通螺纹:优选系列》G9145《GB/T9145-2003 普通螺纹:中等精度、优选系列的极限尺寸》G9146《GB/T9146-2003 普通螺纹:粗糙精度、优选系列的极限尺寸》G9253.1《GB/T9253.1-1999 石油钻杆接头螺纹》G9253.2《GB/T9253.2-1999 石油工业套管、油管和管线管螺纹的加工、测量和检验》 G10920《GB/T 10920-2008 螺纹量规和光滑极限量规型式与尺寸》 G12359《GB/T 12359-2008 梯形螺纹极限尺寸》 G12716《GB/T 12716-2011 60°密封管螺纹》 G13576.1《GB/T 13576.1-2008 锯齿形(3°、30°)螺纹第1部分:牙型》 G13576.2《GB/T 13576.2-2008 锯齿形(3°、30°)螺纹第2部分:直径与螺距系列》 G13576.3《GB/T 13576.3-2008 锯齿形(3°、30°)螺纹第3部分:基本尺寸》 G13576.4《GB/T 13576.4-2008 锯齿形(3°、30°)螺纹第4部分:公差》 G14791《GB/T 14791-2013 螺纹术语》 G15756《GB/T 15756-2008 普通螺纹极限尺寸》 G18685《GB/T18685-2002 搓、滚制普通螺纹:前的毛坯直径》G20666《GB/T 20666-2006 统一螺纹公差》 G20667《GB/T 20667-2006 统一螺纹极限尺寸》 G20668《GB/T 20668-2006 统一螺纹基本尺寸》 G20669《GB/T 20669-2006 统一螺纹牙型》 G20670《GB/T 20670-2006 统一螺纹直径与牙数系列》 G22028《GB/T 22028-2008 热浸镀锌螺纹在内螺纹上容纳镀锌层》 G22029《GB/T 22029-2008 热浸镀锌螺纹在外螺纹上容纳镀锌层》 G27944《GB/T 27944-2011 60°干密封管螺纹》 G28271《GB/T 28271-2012 米制超细牙螺纹公差》 G28272《GB/T 28272-2012 米制超细牙螺纹系列和基本尺寸》 G28703《GB/T 28703-2012 圆柱螺纹检测方法》 G29537《GB/T 29537-2013 80°非密封管螺纹》 GJ3.1A《GJB 3.1A-2003 MJ螺纹第1部分:通用要求》GJ3.2A《GJB 3.2A-2003 MJ螺纹第2部分:螺栓和螺母螺纹的极限尺寸》GJ3.3A《GJB 3.3A-2003 MJ螺纹第3部分:管路件螺纹的极限尺寸》GJ119A《GJB 119.1A~119.3A-2001 普通型钢丝螺套》 GJ119.4A《GJB 119.4A-2001 普通型钢丝螺套通用规范》 GJ5107《GJB5107-2002 锁紧型钢丝螺套通用规范》GJ5108《GJB 5108-2002 钢丝螺套安装要求》GJ5109《GJB5109-2002 锁紧型有折断槽钢丝螺套》GJ5110《GJB5110-2002 锁紧型无折断槽钢丝螺套》HB0-3《HB0-3-2011 螺纹零件的标志》 H259《HB/Z259-1994 过盈螺纹工艺底孔直径与偏差》H3907《HB 3907-1995 普通螺纹量规应用尺寸》 H3908《HB 3908-1995 普通螺纹量规技术条件》 H4274《HB 4274-2004 小规格普通型钢丝螺套安装工具》 H4275《HB 4275-2004 普通型钢丝螺套安装工具》 H4276《HB 4276-2004 普通型钢丝螺套冲柄工具》 H4277《HB 4277-2004 普通型钢丝螺套拆卸工具》 H5513《HB5513~5516-1996 普通型钢丝螺套》H7318《HB 7318~7343-1996 过盈螺纹量具》 (合订本)J1128《JB/T1128-1999 间隙螺纹量规》J5450《JB/T5450-2007 光学仪器用短牙螺纹》 J7604《JB/T7604-1994 锁紧型钢丝螺套》J10971《JB/T 10971-2010 30o楔形防松螺纹》 WJ588《WJ 588-2003 引信与弹丸、底火与药筒连接螺纹牙型及基本尺寸与公差》WJ589《WJ 589-2003 引信与弹丸、底火与药筒连接螺纹的螺纹量规尺寸计算与公差》WJ719《WJ 719-2000 铝合金体光孔装双头螺柱》WJ720《WJ 720-2000 铝合金体光孔装双头螺柱修理用双头螺栓》WJ722《WJ 722-2000 铝合金体光孔用双头螺柱规范》Q4008《QB/T 4008-2010 螺纹密封用聚四氟乙烯未烧结带(生料带)》 B1.1《ASME B1.1-2003 统一英制管螺纹》(中文版)B1.3《ASME B1.3.M-1992(R2001)螺纹尺寸验收的检测体系—英寸和米制螺纹》(中文版)B1.5《ASME B1.5-1997 (R2004) 爱克母(ACME)螺纹》(中文版)B1.13M《ASME B1.13M-2005 M牙型米制螺纹》 B1.20.3《ASMEB1.20.3-1976(R1998) 干式密封管螺纹(英制)》 (中文版)B1.20.7《ASME B1.20.7-1991 (R1998) 软管连接管螺纹(英制)(中文版)》B1.20.5《ASME B1.20.5-1991(R1998)干密封管螺纹的检测(英制)》(中文版) API RP 5B1《API RP 5B1-1999 套管、油管和管线管螺纹测量和检验》(中文版)。
螺纹的一般知识第一章国标螺纹的一般知识一. 螺纹的分类1. 螺纹分内螺纹和外螺纹两种;2. 按牙形分可分为:1)三角形螺纹2)梯形螺纹3)矩形螺纹4)锯齿形螺纹;3. 按线数分单头螺纹和多头螺纹;4. 按旋入方向分左旋螺纹和右旋螺纹两种, 右旋不标注,左旋加LH,如M24×1.5LH;5. 按用途不同分有:米制普通螺纹、用螺纹密封的管螺纹、非螺纹密封的管螺纹、60°圆锥管螺纹、米制锥螺纹等二. 米制普通螺纹1. 米制普通螺纹用大写M表示,牙型角2α=60°(α表示牙型半角);2. 米制普通螺纹按螺距分粗牙普通螺纹和细牙普通螺纹两种;2.1. 粗牙普通螺纹标记一般不标明螺距,如M20表示粗牙螺纹;细牙螺纹标记必须标明螺距,如M30×1.5表示细牙螺纹、其中螺距为1.5。
2.2. 普通螺纹用于机械零件之间的连接和紧固,一般螺纹连接多用粗牙螺纹,细牙螺纹比同一公称直径的粗牙螺纹强度略高,自锁性能较好。
3. 米制普通螺纹的标记:M20-6H、M20×1.5LH-6g-40,其中M 表示米制普通螺纹,20表示螺纹的公称直径为20mm,1.5表示螺距,LH表示左旋,6H、6g表示螺纹精度等级,大写精度等级代号表示内螺纹,小写精度等级代号表示外螺纹,40表示旋合长度;3.1. 常用米制普通粗牙螺纹的螺距如下表(螺纹底孔直径:碳钢φ=公称直径-P;铸铁φ=公称直径-1.05~1.1P;加工外螺纹光杆直径取φ=公称直径-0.13P):表1 常用米制普通粗牙螺纹的直径/螺距公称直径螺距P 铸铁底孔碳钢底孔外螺纹光杆直径公称直径螺距P 铸铁底孔碳钢底孔外螺纹光杆直径M5 0.8 4.1 4.2 4.9 M24 3 20.8 21 23.7M6 1 4.9 5 5.9 M27 3 23.8 24 26.7M8 1.25 6.6 6.7 7.9 M30 3.5 26.3 26.5 29.6M10 1.5 8.3 8.5 9.8 M33 3.5 29.3 29.5 32.6M12 1.75 10.3 10.4 11.8 M36 4 31.7 32 35.5M14 2 11.7 12 13.7 M42 4.5 37.2 37.5 41.5M16 2 13.8 14 15.7 M48 5 42.5 43 47.5M18 2.5 15.3 15.5 17.7 M56 5.5 50 50.5 55.5M20 2.5 17.3 17.5 19.7 M64 6 57.5 58 63.53.2. 米制普通内螺纹的加工底孔直径可用下式作近似计算:d=D-1.0825P,其中D为公称直径,P为螺距。
普通螺纹标准规格表一、螺纹的名词术语螺纹:在圆柱或圆锥表面上,沿着螺旋线所形成的具有规定牙型的连续凸起。
圆柱螺纹/圆锥螺纹;外螺纹/内螺纹;右旋螺纹/左旋螺纹。
右旋螺纹:顺时针旋转时选入的螺纹。
左旋螺纹:逆时针旋转时选入的螺纹。
完整螺纹:牙顶和牙底具有完整形状的螺纹。
不完整螺纹:牙底完整而牙顶不完整的螺纹。
螺尾:向光滑表面过渡的牙底不完整的螺纹。
有效螺纹:由完整螺纹和不完整螺纹组成的螺纹,不包括螺尾。
公称直径:代表螺纹尺寸的直径。
大径:外螺纹的顶径、内螺纹的底径。
小径:外螺纹的底径、内螺纹的顶径。
中径:一个假想圆柱或圆锥的直径,该圆柱或圆锥的母线通过牙型上沟槽和凸起宽度相等的地方。
单一中径:牙型上沟槽宽度等于1/2基本螺距的地方。
作用中径:在规定的旋合长度内,恰好包容实际螺纹的一个假想螺纹的中径,这个假想螺纹具有理想的螺距、螺纹半角、及牙型高度,并在牙顶和牙底留有间隙,不与实际螺纹大、小径发生干涉。
牙型角:在螺纹牙型上,两相邻牙侧间的夹角。
螺距:相邻两牙在中径线上对应两点间的轴向距离。
螺纹精度:由螺纹公差带和旋合长度共同组成的衡量螺纹质量的综合指标。
二、.螺纹概述一般将螺纹分为圆柱螺纹和圆锥螺纹。
(一)圆柱螺纹1. 普通螺纹(又称米制或公制螺纹)螺纹代号M,牙形角60°,基本牙形为平顶。
精度等级:内螺纹4~8级,外螺纹3~9级。
2. 美标统一螺纹(又称60°英制螺纹)螺纹代号UNC、UNF、UNEF、UN、UNS,牙形角60°,基本牙形为平顶。
精度等级:内螺纹1B~3B,外螺纹1A~3A。
3. 非螺纹密封的管螺纹(又称圆柱管螺纹)螺纹代号G,牙形角55°,基本牙形为圆顶圆底。
精度等级:内螺纹标准级和D级,外螺纹A、B级。
4. 梯形螺纹螺纹代号Tr,牙形角30°(美标为29°),基本牙形为平顶平底。
精度等级:7~9级,(美标为2G~6G)。
普通螺纹标准规格表螺纹基本知识一、螺纹的名词术语螺纹:在圆柱或圆锥表面上,沿着螺旋线所形成的具有规定牙型的连续凸起。
圆柱螺纹/圆锥螺纹;外螺纹/内螺纹;右旋螺纹/左旋螺纹。
右旋螺纹:顺时针旋转时选入的螺纹。
左旋螺纹:逆时针旋转时选入的螺纹。
完整螺纹:牙顶和牙底具有完整形状的螺纹。
不完整螺纹:牙底完整而牙顶不完整的螺纹。
螺尾:向光滑表面过渡的牙底不完整的螺纹。
有效螺纹:由完整螺纹和不完整螺纹组成的螺纹,不包括螺尾。
公称直径:代表螺纹尺寸的直径。
大径:外螺纹的顶径、内螺纹的底径。
小径:外螺纹的底径、内螺纹的顶径。
中径:一个假想圆柱或圆锥的直径,该圆柱或圆锥的母线通过牙型上沟槽和凸起宽度相等的地方。
单一中径:牙型上沟槽宽度等于1/2基本螺距的地方。
作用中径:在规定的旋合长度内,恰好包容实际螺纹的一个假想螺纹的中径,这个假想螺纹具有理想的螺距、螺纹半角、及牙型高度,并在牙顶和牙底留有间隙,不与实际螺纹大、小径发生干涉。
牙型角:在螺纹牙型上,两相邻牙侧间的夹角。
螺距:相邻两牙在中径线上对应两点间的轴向距离。
螺纹精度:由螺纹公差带和旋合长度共同组成的衡量螺纹质量的综合指标。
二、.螺纹概述一般将螺纹分为圆柱螺纹和圆锥螺纹。
(一)圆柱螺纹1. 普通螺纹(又称米制或公制螺纹)螺纹代号M,牙形角60°,基本牙形为平顶。
精度等级:内螺纹4~8级,外螺纹3~9级。
2. 美标统一螺纹(又称60°英制螺纹)螺纹代号UNC、UNF、UNEF、UN、UNS,牙形角60°,基本牙形为平顶。
精度等级:内螺纹1B~3B,外螺纹1A~3A。
3. 非螺纹密封的管螺纹(又称圆柱管螺纹)螺纹代号G,牙形角55°,基本牙形为圆顶圆底。
精度等级:内螺纹标准级和D级,外螺纹A、B级。
4. 梯形螺纹螺纹代号Tr,牙形角30°(美标为29°),基本牙形为平顶平底。
精度等级:7~9级,(美标为2G~6G)。
5. 其他螺纹锯齿螺纹美标圆柱管螺纹气瓶专用螺纹。
(二)圆锥螺纹1. 用螺纹密封的管螺纹螺纹代号R、Rc、Rp,牙形角55°,基本牙形为圆顶圆底,锥度1:16。
2. 60°圆锥管螺纹螺纹代号NPT、NPTF,牙形角60°,基本牙形为平顶,锥度1:16。
3. 其他螺纹米制锥螺纹石油专用螺纹气瓶专用圆锥螺纹三、螺纹量规螺纹量规根据使用性能分:工作规、验收规、校对规和基准规。
工作规:制造和检验工件螺纹所用螺纹量规。
验收规:检验部门或用户验收工件螺纹时所用螺纹量规。
校对规:制造和检验工作规所用的螺纹量规。
圆柱螺纹通常只有校对塞规,用于检验工作环规。
某些圆锥螺纹有校对塞规和校对环规,分别用于检验工作环规和工作塞规。
基准规:某些圆锥螺纹需要基准规用于检验校对规。
螺纹概述前言:螺纹具有装卸容易和可拆性,广泛应用于机械制造领域。
螺纹标准已成为重要的机械基础标准之一。
第一次工业革命后,英国人发明了车床、板牙和丝锥,为螺纹件的大批生产奠定了技术基础。
1841年,英国人惠特沃斯(Joseph Whitworth)提出了世界上第一份螺纹国家标准(BS 84,惠氏螺纹,B.S.W和B.S.F),从而奠定了螺纹标准的技术体系。
1905年,英国人泰勒(William Taylor)发明了螺纹量规设计原理(泰勒原则)。
从此英国成为世界上第一个全面掌握螺纹加工和检测技术的国家,英制螺纹标准是世界上现行螺纹标准的祖先,英制螺纹标准最早得到了世界范围的认可。
美国的国家螺纹(N)标准是在英制惠氏螺纹基础上发展起来的。
第二次世界大战后,它转化为二战盟国共同使用的统一螺纹(UN)。
这是世界上第一份得到国际组织认可的国际标准。
美国的管螺纹标准是由美国人独立研制出来的,它与英制管螺纹共同构成了当今世界管螺纹标准领域的两大支柱。
美制梯形螺纹(Acme)和锯齿形螺纹也同样得到二战同盟国间的认可。
所以,美制螺纹标准对现代国际贸易有着极其重要的影响。
米制普通螺纹(M)来源于美制国家螺纹(N),在欧洲大陆上得到了广泛使用,并纳入ISO 标准。
当公制单位制(米制是其中的长度单位)被确定为国际法定计量单位后,又进一步提升可米制普通螺纹在国际贸易中的地位。
NPT,PT,G 都是管螺纹.NPT 是 National (American) Pipe Thread 的缩写,属于美国标准的 60 度锥管螺纹,用於北美地区.国家标准可查阅 GB/T12716-1991PT 是 Pipe Thread 的缩写,是 55 度密封圆锥管螺纹,属惠氏螺紋家族,多用于欧洲及英联邦国家.常用于水及煤气管行业,锥度规定为 1:16.国家标准可查阅 GB/T7306-2000 G 是 55 度非螺纹密封管螺纹,属惠氏螺紋家族.标记为 G 代表圆柱螺紋.国家标准可查阅 GB/T7307-2001另外螺纹中的1/4、1/2、1/8 标记是指螺紋尺寸的直径,单位是英寸.行內人通常用分来称呼螺纹尺寸,一寸等於8分,1/4 寸就是2分,如此类推.G 好像就是管螺纹的统称(Guan),55,60度的划分属于功能性的,俗称管圆。
即螺纹由一圆柱面加工而成。
ZG俗称管锥,即螺纹由一圆锥面加工而成,一般的水管接头都是这样的,老国标标注为Rc 公制螺纹用螺距来表示,美英制螺纹用每英寸内的螺纹牙数来表示,这是它们最大的区别:公制螺纹是60度等边牙型,英制螺纹是等腰55度牙型,美制螺纹60度。
公制螺纹用公制单位,美英制螺纹用英制单位。
管螺纹主要用来进行管道的连接,其内外螺纹的配合紧密,有直管与锥管两种。
公称直径是指所连接的管道直径,显然螺纹大径比公称直径大。
1/4,1/2,1/8是英制螺纹的公称直径,单位是英寸。
英制螺纹1/2是指英制标准螺纹,其公称直径为1/2英寸,其螺纹一般情况下无特殊说明时是指55度三角形牙,英制螺纹一般指按照BS84-1956<惠氏牙型圆螺纹>为标准牙型的螺纹美制螺纹一般是指按照ANSI B1.1的标准牙型的螺纹,其牙顶角为60度,一般分为UN和UNR两种设计牙型,这两种牙型的主要区别是UN螺纹的牙底是平的或是随意倒圆,而UNR 螺纹的牙底轮廓一定是光滑的圆弧连接。
一般情况下这两种牙型的内外螺纹不能互相连接。
一般在没有注明的情况下,可以选择UN牙型。
美制螺纹的系列是指螺纹直径和螺距的组合,对于美制的统一螺纹是指某一系列特定的直径对应的每英寸内的不同牙数,即牙数/英寸。
美制螺纹的标准系列包括UNC、UNF和UNEF三个系列,分别代表粗牙、细牙和超细牙;按照每英寸的牙数可分为4,6,8,12,16,20,28和32的恒定系列。
管螺纹的1/2是指管螺纹,其公称直径为1/2英寸,具体应该参照相关标准美国标准ANSI B1.20.1<一般用途管螺纹>美国管螺纹一般有以下几种NPT--美国标准锥管螺纹NPSC--美国标准管接头用直管螺纹NPTR--美国标准导杆采用锥管螺纹NPSM--美国标准机械连接用直管螺纹NPSL--美国标准管锁紧螺母用直管螺纹NPSH--美国标准软管连接用直管螺纹以下简单介绍一些螺纹的标注举例(详细请见螺纹标识表):紧固连接螺纹一、米制普通螺纹(M):公称直径为8mm,螺距为1mm的单线细牙螺纹:M8×1公称直径为8mm,螺距为1mm的单线粗牙螺纹:M8公称直径为16mm,螺距为1.5mm,导程为3mm的双线螺纹:M16×Ph3P1.5二、美制统一螺纹(UN)2-12UN-2A(23)2:公称直径12:牙数UN:螺纹系列代号2A:公差带代号(23):检验体系代号三、英制惠氏螺纹(B.S.W.、B.S.F.、Whit.S.和Whit.)惠氏螺纹的基本标记由公称尺寸、牙数、螺纹系列代号、旋向代号、公差带代号和内螺纹或外螺纹英文单词组成。
粗牙系列、细牙系列、选择组合系列和选择螺距系列螺纹的代号分别为:B.S.W.、B.S.F.、Whit.S.和Whit.左旋螺纹代号为“LH”。
右旋螺纹代号省略不标注。
外螺纹的自由、中等和紧密级公差带代号分别为“free”、”medium”和“close”;内螺纹的普通和中等级公差带代号分别为“normal”和“medium”。
内螺纹(nut)和外螺纹(bolt)。
例如:1/4 in.-20 B.S.W.,LH(close)bolt四、米制小螺纹(S):小螺纹标记由螺纹特征代号(S)、公称直径、公差带代号(包括中径公差带代号和顶径公差等级代号)及旋向代号组成。
例:公称直径为0.9mm、中径公差带为4H、顶径公差等级为5级、左旋的内螺纹:S 0.9-4H5-LH五、米制航空航天螺纹(MJ):米制航空航天螺纹的标记由螺纹特征代号(MJ)、尺寸代号(公称直径×螺距)、公差带代号(中径和顶径的公差带代号)及旋向代号组成。
例:公称直径为6mm、螺距为1mm、中径公差带为4h、顶径公差带为6h的右旋外螺纹:MJ6×1-4h6h六、美制航空航天螺纹(UNJ):3.5000-12 UNJ-2B (21)3.5000:公称直径12:牙数UNJ:螺纹系列代号2B:公差带代号(21):检验体系代号传动连接螺纹一、米制梯形螺纹(30°)(Tr):米制梯形螺纹标记由螺纹特征代号(Tr)、尺寸代号(单线:公称直径×螺距,多线:公称直径×导程(P螺距))、公差带代号(中径公差带代号)及其他信息(包括旋合长度—长旋合长度“L”,中等旋合长度—不标注或N)组成。
例:中等旋合长度和右旋的单线内螺纹:Tr40×7-7H二、美制梯形螺纹(29°)(ACME)爱克母螺纹简介:美制梯形螺纹(一般用途爱克母螺纹核对中爱克母螺纹)出现于1895年前,1941年美国颁布了爱克母螺纹标准ASA B1.3.1942年,为了满足二战中对飞机的大量需求,美国政府要求紧急制定专门的爱克母螺纹战争标准(American War Standard)。
此标准于1945年完成,发布为ASA B1.5。
战争需求是爱克母螺纹标准徐素出台的强大动力。
1948年后,艾科姆螺纹标准开始进入民用工业领域,得到普及,并经过五次修订改版,得到不断的完善。
美制梯形螺纹也可以用于紧固连接场合。
但它不适用于对传动精度有较高要求的精密传动螺纹。
(一)、一般用途爱克母螺纹:美制一般用途爱克母螺纹标记由螺纹尺寸代号(单线:公称直径(英寸单位)-牙数,多线:公称直径-螺距P-导程L)、特征代号(ACME)、公差带代号(2C、3C、4C)、检验体系代号((21)、(22)、(23))、旋向代号(左旋-LH,右旋不用标注)。
例:左旋、单线的美制一般用途爱克母螺纹:1.750-4-ACME-2G LH(21)(二)、对中爱克母螺纹:美制对中爱克母螺纹标记由螺纹尺寸代号(单线:公称直径(英寸单位)-牙数,多线:公称直径-螺距P-导程L)、特征代号(ACME)、公差带代号(2G、3G、4G)、检验体系代号((21)、(22)、(23))、旋向代号(左旋-LH,右旋不用标注)。