轻型槽钢理论重量表大全
- 格式:doc
- 大小:152.00 KB
- 文档页数:3
槽钢理论重量计算钢材理论重量计算的计量单位为公斤(kg )。
其基本公式为:W (重量,kg )= F (断面积mm2 )× L (长度,m )×ρ(密度,g/cm3 )× 1/1000钢的密度为:7.85g/cm3 ,各种钢材理论重量计算公式如下:名称(单位)计算公式符号意义计算举例槽钢(kg/m)W=0.00785 ×[hd+2t (b ?C d )+0.349 (R2 ?C r 2 )]h= 高b= 腿长d= 腰厚t= 平均腿厚R= 内弧半径r= 端弧半径求80 mm × 43mm × 5mm 的槽钢的每m 重量。
从冶金产品目录中查出该槽钢t 为8 ,R 为8 ,r 为4 ,则每m 重量=0.00785 ×[80 ×5+2 ×8 ×(43 ?C 5 )+0.349 ×(82?C4 2 )]= 8.04kg槽钢是截面为凹槽形的长条钢材。
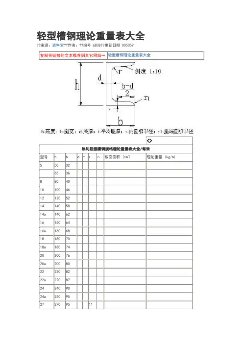
其规格以腰高(h)*腿宽(b)*腰厚(d)的毫米数表示,如120*53*5,表示腰高为120毫米,腿宽为53毫米的槽钢,腰厚为5毫米的槽钢,或称12#槽钢。
腰高相同的槽钢,如有几种不同的腿宽和腰厚也需在型号右边加a b c 予以区别,如25a# 25b# 25c#等。
槽钢分普通槽钢和轻型槽钢。
热轧普通槽钢的规格为5-40#。
经供需双方协议供应的热轧变通槽钢规格为6.5-30#。
槽钢主要用于建筑结构、车辆制造和其它工业结构,槽钢还常常和工字钢配合使用。
热轧槽钢的尺寸允许偏差(mm)槽钢理论重量表。
百纳网槽钢理论重量计算钢材理论重量计算的计量单位为公斤(kg )。
其基本公式为:W (重量,kg )= F (断面积mm2 )× L (长度,m )×ρ(密度,g/cm3 )× 1/1000钢的密度为:7.85g/cm3 ,各种钢材理论重量计算公式如下:槽钢(kg/m)W=0.00785 ×[hd+2t (b ?C d )+0.349 (R2 ?C r 2 )]h= 高b= 腿长d= 腰厚t= 平均腿厚R= 内弧半径r= 端弧半径求80 mm × 43mm × 5mm 的槽钢的每m 重量。
从冶金产品目录中查出该槽钢t 为8 ,R 为8 ,r 为4 ,则每m 重量=0.00785 ×[80 ×5+2 ×8 ×(43 ?C 5 )+0.349 ×(82?C4 2 )]= 8.04kg钢管重量计算公式:(直径-壁厚)*壁厚*0.0246615=公斤/每米工字钢规格表及工字钢理论重量表品名型号明细规格理论重量工字钢10# 100*63*4.5 11.261工字钢12# 120*74*5.0 13.987工字钢14# 140*80*5.5 16.89工字钢16# 160*88*6.0 20.513工字钢18# 180*94*6.5 24.143工字钢20#A 200*100*7.0 27.929工字钢20#B 200*102*9.0 31.069工字钢22#A 220*110*7.5 33.07工字钢22#B 220*112*9.5 36.542工字钢25#A 250*116*8.0 38.105工字钢25#B 250*118*10.0 42.03工字钢28#A 280*122*8.5 43.492工字钢28#B 280*124*10.5 47.888工字钢30#A 300*126*9.0 48.084工字钢30#B 300*128*11.0 52.794工字钢30#C 300*130*13 57.504工字钢32#A 320*130*9.5 52.717工字钢32#B 320*132*11.5 57.741工字钢32#C 320*134*13.5 62.765工字钢36#A 360*136*10.0 60.037工字钢36#B 360*138*12.0 65.689工字钢36#C 360*140*14 71.341工字钢40#A 400*142*10.5 67.598工字钢40#B 400*144*12.5 73.878工字钢40#C 400*146*14.5 80.158工字钢45#A 450*150*11.5 80.42工字钢45#B 450*152*13.5 87.485工字钢45#C 450*154*15.5 94.55工字钢56#A 560*166*12.5 106.316 工字钢56#B 560*168*14.5 115.108 工字钢56#C 560*170*16.5 123.9工字钢63#A 630*176*13 121.407工字钢63#B 630*178*15 131.298工字钢63#C 630*180*17 141.189。
槽钢理论重量表大全来源:作者:编号29145 更新日期20120630 005104复制带链接的文本推荐到其它网站→槽钢理论重量表大全热轧普通槽钢规格理论重量表大全/每米h-高度;b-腿宽;d-腰厚;t-平均腿厚;r-内圆弧半径;r1-腿端圆弧半径型号尺寸截面面积理论重量h b d t r r1(mm) (cm2) (kg/m)5 50 37 4.5 7.0 7.0 3.50 6.93 5.446.3 63 40 4.87.5 7.5 3.758.444 6.63 8 80 43 5.0 8.0 8.0 4.0 10.24 8.04 10 100 48 5.3 8.5 8.5 4.25 12.74 10.00 12.6 126 53 5.59.0 9.0 4.5 15.69 12.37 14a 140 58 6.0 9.5 9.5 4.75 18.51 14.53 14b 140 60 8.0 9.5 9.5 4.75 21.31 16.73 16a 160 63 6.5 10.0 10.0 5.0 21.95 17.23 16 160 65 8.5 10.0 10.0 5.0 25.15 19.74 18a 180 68 7.0 10.5 10.5 5.25 25.69 20.17 18 180 70 9.0 10.5 10.5 5.25 29.29 22.99 20a 200 73 7.0 11.0 11.0 5.5 28.83 22.63 20 200 75 9.0 11.0 11.0 5.5 32.83 25.77 22a 220 77 7.0 11.5 11.5 5.75 31.84 24.99 22 220 79 9.0 11.5 11.5 5.75 36.24 28.45 25a 250 78 7.0 12.0 12.0 6.0 34.91 27.4725c 250 82 11.0 12.0 12.0 6.0 44.91 35.3228a 280 82 7.5 12.5 12.5 6.2 40.02 31.4228b 280 84 9.5 12.5 12.5 6.2 45.62 35.8128c 280 86 11.5 12.5 12.5 6.2 51.22 40.2132a 320 88 8.0 14.0 14.0 7.0 48.7 38.2232b 320 90 10.0 14.0 14.0 7.0 55.1 43.2532c 320 92 12.0 14.0 14.0 7.0 61.5 48.2836a 360 96 9.0 16.0 16.0 8.0 6.89 47.8036b 360 98 11.0 16.0 16.0 8.0 68.09 53.4536c 360 100 13.0 16.0 16.0 8.0 75.29 59.1040a 400 100 10.5 18.0 18.0 9.0 75.05 58.9140b 400 102 12.5 18.0 18.0 9.0 83.05 65.1940c 400 104 14.5 18.0 18.0 9.0 91.05 71.47长度:5-8号长5-12m;10-18号长5-19m;20-40号长6-19m制造钢号:A3,A3F,B3F等轻型槽钢理论重量表大全来源:资料室作者:编号6291 更新日期20120630 005105复制带链接的文本推荐到其它网站→轻型槽钢理论重量表大全<>热轧轻型槽钢规格理论重量表大全/每米型号h b d t r r1截面面积(cm2) 理论重量(kg/m)5 50 32 4.4 7.0 6.0 2.5 6.16 4.84标记举例:普通碳素钢甲类平炉3号沸腾钢180mmX70mmX5.1mm的热轧轻型槽钢的标记为:180mm*70mm*5.1mm不等边角钢理论重量表来源:ab126 作者:编号8026 更新日期20120630 005104热轧不等边角铁规格重量表/每米角钢号数尺寸(毫米)截断面积(厘米2)理论重量(公斤/米)表面积(米2/米)b B t r.5/1.62516343.51.1621.4990.9121.1760.0800.079.2/23220343.51.4921.9391.1711.5220.1020.101/2.540253441.8902.4671.4841.9360.1270.127.5/2.845283452.1492.8061.6872.2030.1430.143/3.25032345.52.4313.1771.9082.4940.1610.160.6/3.65636 34562.7433.5904.4152.1532.8183.4660.1810.1800.180.3/46340456774.0584.9935.9086.8023.1853.9204.6385.3390.2020.2020.2010.201/4.5704545677.54.5475.6096.6477.6573.5704.4035.2186.0110.2260.2250.2250.225角钢理论重量表来源:资料室作者:编号19415 更新日期20120630 005104热轧等边角铁规格重量表/每米角钢号数尺寸(毫米)截断面积(厘米2)理论重量(公斤/米)表面积(米2/米)A×b T r220343.51.1321.4590.8891.1450.0780.0772.525343.51.4321.8591.1241.4590.0980.0973.030344.51.7492.2761.3731.7860.1170.1173.6363454.52.1092.7563.3821.6562.1632.6540.1410.1410.1414.04034552.3593.0863.7911.8522.4222.9760.1570.1570.1564.545345652.6593.4864.2925.0762.0882.736.3693.9850.1770.1770.1760.1765.050345.52.9713.8972.3323.0590.1970.1975.050565.54.8035.6883.7704.4650.1960.1965.656346.03.3434.3902.6243.4460.2210.220常用金属材料比重表来源:ab126 作者:编号42124 更新日期20120630 005104。
槽钢理论重量表大全百纳网2008年10月28日访问次数64573槽钢理论重量规格型号重量/米(kg) 50*37*4.5 5# 5.4463**40*4.8 6.3# 6.63565*40*4.8 6.5# 6.780*43*5 8# 8.045100*48*5.3 10# 10.007120*53*5.5 12# 12.06126*53*5.5 12.6# 12.37140*60*8 14#A 14.53140*60*8 14#B 16.73160*63*6.5 16#A 17.23160*65*8.5 16#B 19.755180*68*7 18#A 20.17180*70*9 18#B 23200*73*7 20#A 22.637200*75*9 20#B 25.777220*77*7 22#A 24.999220*79*9 22#B 28.453240*78*7 24#A 26.86240*80*9 24#B 30.628250*78*7 25#A 27.41250*80*9 25#B 31.335270*82*7.5 27#A 30.838270*84*9.5 27#B 35.077280*82*7.5 28#A 31.427280*84*9.5 28#B 35.823300*85*7.5 30#A 34.463300*87*9.5 30#B 39.173320*88*8 32#A 38.083320*90*10 32#B 43.107360*96*9 36#A 47.814360*98*11 36#B 53.466400*100*10.5 40#A 58.928400*102*12.5 40#B 65.2084月17日成都型材参考价格 2006-4-17 11:14 [关键词] 成都型材价格槽钢8# Q235 3220 安阳槽钢14# Q235 3250 天津江天槽钢16# Q235 3250 天津江天槽钢20# Q235 3250 武钢槽钢30# Q235 3250 武钢工字钢10# Q235 3350 阿城工字钢12# Q235 3350 阿城工字钢14# Q235 3350 阿城工字钢25# Q235 3300-3350 莱钢工字钢32# Q235 3380 莱钢螺纹钢理论重量表2008-7-2螺纹钢理论重量表(螺纹钢的理论重量)螺纹钢d(a) 理论重量8 0.39510 0.61712 0.88814 1.2116 1.5818 220 2.4722 2.9825 3.8528 4.8332 6.3136 7.9940 9.877日临沂市场建筑钢材价格行情螺纹钢Φ12mm HRB335 莱钢4650 - -螺纹钢Φ14mm HRB335 莱钢4600 - -螺纹钢Φ16-25mm HRB335 莱钢4550 - -螺纹钢Φ14-25mm HRB335 永锋4450 - -螺纹钢Φ12mm HRB400 莱钢4800 - -螺纹钢Φ14mm HRB400 莱钢4750 - -螺纹钢Φ16-25mm HRB400 莱钢4700 - -螺纹钢Φ14-25mm HRB400 永峰4600 - -螺纹钢Φ16-25mm HRB400 日钢4550 - -1回答高考是我们人生中重要的阶段,我们要学会给高三的自己加油打气。
槽钢理论重量表|槽钢理论重量|槽钢规格表|槽钢重量表槽钢理论重量表槽钢理论重量规格型号重量/米(kg)规格型号重量/米(kg)50*37*4.55# 5.44240*78*724#A26.8663**40*4.8 6.3# 6.635240*80*924#B30.62865*40*4.8 6.5# 6.7250*78*725#A27.4180*43*58#8.045250*80*925#B31.335100*48*5.310#10.007270*82*7.527#A30.838120*53*5.512#12.06270*84*9.527#B35.077126*53*5.512.6#12.37280*82*7.528#A31.427140*60*814#A14.53280*84*9.528#B35.823140*60*814#B16.73300*85*7.530#A34.463160*63*6.516#A17.23300*87*9.530#B39.173160*65*8.516#B19.755320*88*832#A38.083180*68*718#A20.17320*90*1032#B43.107180*70*918#B23360*96*936#A47.814200*73*720#A22.637360*98*1136#B53.466200*75*920#B25.777400*100*10.540#A58.928220*77*722#A24.999400*102*12.540#B65.208220*79*922#B28.453槽钢槽钢是截面为凹槽形的长条钢材。
其规格以腰高(h)*腿宽(b)*腰厚(d)的毫米数表示,如120*53*5,表示腰高为120毫米,腿宽为53毫米的槽钢,腰厚为5毫米的槽钢,或称12#槽钢。
腰高相同的槽钢,如有几种不同的腿宽和腰厚也需在型号右边加a b c予以区别,如25a# 25b# 25c#等。
槽钢理论重量计算
钢材理论重量计算的计量单位为公斤(kg )。
其基本公式为:
W (重量,kg )= F (断面积mm2 )× L (长度,m )×ρ(密度,g/cm3 )× 1/1000钢的密度为:7.85g/cm3 ,各种钢材理论重量计算公式如下:
槽钢
(kg/m)
W=0.00785 ×[hd+2t (b - d )+0.349 (R - r )]
h= 高
b= 腿长
d= 腰厚
t= 平均腿厚
R= 内弧半径
r= 端弧半径
求80 mm × 43mm × 5mm 的槽钢的每m 重量。
从冶金产品目录中查出该槽钢t 为8 ,R 为8 ,r 为4 ,则每m 重量=0.00785 ×[80 ×5+2 ×8 ×(43 ?C 5 )+0.349 ×(82?C4 2 )]= 8.04kg
槽钢规格尺寸
36#c3601001359.118 40#a4001001058.928 40#b40010212.565.208 40#c40010414.571.488
槽钢计算公式(kg/m)
W=0.00785 ×[Ht1+2t2(B -t1)+0.349(r1 - r 2)]
槽钢理论重量表-《千虹共享》
热轧普通槽钢规格理论重量表大全/每米
h-高度;b-腿宽;d-腰厚;t-平均腿厚;r-内圆弧半径;r1-腿端圆弧半径
型号尺寸截面面
积
理论重
量。