三角螺纹车刀
- 格式:pptx
- 大小:140.39 KB
- 文档页数:4
螺纹轴加工刀具和工具选择一、车刀选择外圆车刀选择原则与短轴加工时的外圆车刀相同用90度外圆车刀,这里就不在赘述。
分析该螺纹零件。
螺纹为M12的三角外螺纹,我选择三角形外螺纹车刀,刀尖角60度。
割槽刀选用3mm宽的外割槽刀。
二、螺纹车刀特点螺纹车刀是成形刀具,其切削部分的形状应和螺纹牙型轴向剖面的形状相符合,车刀的刀尖角应该等于牙型角。
三角形螺纹的牙型角是60°,理论上三角形螺纹车刀的刀尖角也应该是60°。
但实际生产中,只有高速工具钢三角形螺纹车刀的刀尖角是60°,硬质合金三角形螺纹车刀的刀尖角则应为59°30’左右。
这是因为用硬质合金车刀高速切削时,工件材料受到较大的挤压力,会使牙型角增大约0.5°。
三、螺纹车刀种类1.高速工具钢三角形螺纹车刀(图1)的前角一般取5°~15°,粗车刀的纵向前角一般取15°左右,精车刀的前角一般取6°~10°。
2.硬质合金三角形螺纹车刀(图2)的前角和纵向前角一般都取0°,为了增加切削刃的强度,在车削较高硬度的材料时,两切削刃上可磨出负倒棱。
a)粗车到b)精车刀图1高速钢三角螺纹车刀c)焊接式d)机加式图2 硬质合金三角螺纹车刀三、刀具的刃磨三角螺纹车刀刃磨要求:①根据粗、精车的要求,刃磨出合理的前、后角。
粗车刀前角大、后角小,精车刀则相反;②车刀的左右刀刃必须是直线,无崩刃;③刀头不歪斜,牙型半角相等;④内螺纹车刀刀尖角平分线必须与刀杆垂直;⑤内螺纹车刀后角应适当大些,一般磨有两个后角。
四、割槽刀1)高速工具钢槽刀如图3所示1)前角ϒ0:前角增大能使车刀刃口锋利,切削省力并排屑顺畅,ϒ0=5°~20°;2)主后角α0:可减少车槽刀主后刀面和工件过渡表面间的摩擦,α0=6°~8°;3)副后角α0’:可减少车槽刀两个副后刀面和工件已加工表面间的摩擦,α0'=1~3°。
高速车削三角外螺纹(一)三角螺纹车削方法1、正反车车削法:习惯用左手握操纵杆控制主轴正反转,右手握中滑板手柄控制进给方向。
2、提开合螺母法:当丝杠螺距能整除工件螺距或被工件螺距整除时,才能采用提开合螺母法车削螺纹,否则,将出现乱牙,把螺纹车坏。
(二)刀具选择选用硬质合金螺纹车刀,牙形角60o。
(三)三角螺纹车削准备工作1、车外圆车螺纹时,由于车刀对工件的挤压力很大,容易使工件胀大,所以车削螺纹前工件的外径应比螺纹的大径尺寸小,根据长时间实际加工经验得知,一般把光轴尺寸比图纸要求尺寸车小0.1×螺距,此时车出的螺纹比较精确。
例如:图纸所示M24×2的螺纹,其工件外径尺寸可车小0.2mm。
2、调整车床主轴转速硬质合金车刀适合于高速车削,应选高速档;又因为螺纹导程为2mm,即工件每转一圈,车刀进给2mm,进给量较大,又不易选择很高的转速;因此在CA6136车床上,加工三角螺纹,初学者可选择290r/min。
3、调整进给箱手柄位置根据导程查表6--4选择进给箱手柄位置。
M24×2的导程为2mm。
CA6136型车床进给箱上的铭牌表CA6136型车床进给箱上的铭牌首先在该铭牌中找到数值2,沿箭头指示方向分别找到罗马数值表示手柄Ⅲ位置及塔轮长手柄1位置与塔轮短手柄2位置;然后将丝杠与光杠转换手柄置于丝杠位置。
4、计算牙深即车刀横向进给的距离。
三角形螺纹加工牙深为0.6495P ,反映到中滑板上,中滑板应进格数=0.6495p /中滑板刻度盘上的数值。
分次车削完成。
对于M24×2的螺纹,通过计算在CA6136车床上,中滑板应进65格。
5、加工方法提开合螺母、高速直进法车削。
(四)三角螺纹车削步骤1、启动车床,使工件旋转。
2、对刀。
使螺纹车刀的刀尖与被加工螺纹的右侧棱线轻轻接触。
调中滑板刻度为零。
3、试刀。
摇动中滑板手柄进2格车削。
停车测量,检查导程是否正确。
4、分次车削完成。
螺纹加工课题一车三角形外螺纹一、高速钢外三角形螺纹车刀及其刃磨内容图例与说明高速钢外三角形螺纹车刀高速钢外螺纹车刀( 图6—1) 刃磨方便, 切削刃锋利, 韧性好, 车削时刀尖不易崩裂, 车出螺纹的表面粗糙度值小. 但其热稳定性差, 不宜高速车削, 常用在低速切削,加工塑性材料的螺纹或作为螺纹的精车刀。
高速钢外三角螺纹车刀的刃磨刃磨要求1.刀尖角ε r 应等于牙型角α ,即ε r =α 。
车普通螺纹时,ε r =60°;车英制螺纹时,ε r =55°。
2.当螺纹车刀的径向前角γ P =0°时,车刀前面上的刀尖角ε ′ r =ε r =α ;当螺纹车刀的径向前角γ P >0°时, 车刀前刀面上的刀尖角ε ′ r <ε r =α ,ε ′ r 按表6—1进行修正。
3.螺纹车刀的两个切削刃必须刃磨平直,不允许出现崩刃。
4.螺纹车刀的切削部分不能歪斜,刀尖半角ε ′ r ∕2应对称。
5 .螺纹车刀的前面与两个主后面的表面粗糙度值要小。
高速钢外三角螺纹车刀的刃磨刃磨注意事项1.粗磨有径向前角的螺纹车刀时,应使刀尖角略大于牙型角,待磨好前角后,再修磨两刃夹角。
2.刃磨高速钢螺纹车刀时, 应选用细粒度砂轮( 如粒度号80的氧化铝砂轮)。
3.刃磨时车刀对砂轮的压力应小于一般车刀,并常浸水冷却,以防过热引起退火。
4.螺纹车刀在刃磨过程中,应在砂轮表面水平方向缓慢移动,这样容易使车刀刃口刃磨平直,表面粗糙度值小。
5.刃磨车削窄槽或高台阶螺纹的螺纹车刀时,应将螺纹车刀进给方向一侧的刀刃磨短些( 图6—2), 以有利于车削时退刀。
图6-2 车削窄槽、高台阶螺纹的车刀高速钢外三角螺纹车刀的刃磨刃磨步骤以6×16×200mm高速钢刀片刃磨图6—1精车刀为例1.刃磨左侧进给方向后刀面,控制刀尖半角εr/2 及后角αOL(αO+ψ)。
此时刀杆与砂轮圆周夹角约εr/2,刀面向外侧倾斜α+ψ,刀头上翘5°。
浅析三角形螺纹车刀的刃磨摘要:螺纹按其截面形状(牙型)分为三角形螺纹、矩形螺纹、梯形螺纹和锯齿形螺纹等。
其中三角形螺纹主要用于联接,矩形、梯形和锯齿形螺纹主要用于传动。
在圆柱螺纹中﹐三角形螺纹自锁性能好。
它分粗牙和细牙两种﹐一般联接多用粗牙螺纹。
细牙的螺距小,升角小,自锁性能更好,常用于细小零件薄壁管中,有振动或变载荷的联接以及微调装置等。
关键词:普通螺纹刃磨要求步骤注意事项在车削加工中,不仅要在生产中能加工出合格的产品,还必须熟练掌握车刀的刃磨方法,要懂得一把好的刀具对提高生产率,保证产品质量的重要性。
练好刀具刃磨技术,是培养学生掌握车工技术的基本条件。
螺纹车刀是一把成形刀,螺纹的牙型及加工质量,直接取决于螺纹车刀。
一、螺纹车刀切削部分材料的选用一般情况下,螺纹车刀切削部分的材料有高速钢和硬质合金两种,在选用时应注意以下问题:1.低速车削螺纹时用高速钢车刀;高速车削时用硬质合金车刀。
2.如果工件材料是有色金属、铸钢或橡胶,可选用高速钢或K类硬质合金(如K30);若工件材料是钢料,则选用P类(如P10)或M类硬质合金(M10等)。
二、螺纹车刀的几何角度的分析1.三角形螺纹车刀的刀尖角有60°和55°两种,普通螺纹的牙型角为60°,车刀刀尖角的大小决定了螺纹牙型角。
2.螺纹车刀的左右两个后角因受螺纹升角ψ的影响进刀方向的后角aOL =(3~5)+ ψ背进刀方向的后角aOR =(3~5)- ψ3.螺纹车刀的纵向前角对螺纹加工和螺纹牙型有影响,精车刀的纵向前角为0°,螺纹车刀纵向前角不等于0度时,两侧切削刃不通过工件轴线,车出的牙侧不是直线而是曲线。
纵向前角越大,牙型角的影响越大。
4.螺纹升角ψ的计算公式:tgψ=p/πd2三、螺纹车刀的刃磨要求刃磨螺纹车刀时,应达到以下要求:1.车刀的刀尖角应等于牙型角,切削刃与牙型一致。
2.精车时应采用零度的径向前角,保证牙型准确。
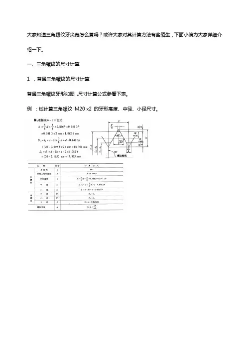
大家知道三角螺纹牙尖宽怎么算吗?或许大家对其计算方法有些陌生,下面小编为大家详细介绍一下。
一、三角螺纹的尺寸计算1 .普通三角螺纹的尺寸计算普通三角螺纹牙形如图,尺寸计算公式参看下表。
例:试计算三角螺纹M20 x2 的牙形高度、中径、小径尺寸。
2 .英制三角螺纹的尺寸计算英制三角螺纹的牙形如图6 一10 ,尺寸计算公式见表6 一3 。
二、三角形螺纹车刀1 .对螺纹车刀的要求螺纹车刀属于成形刀具,要保证螺纹牙形精度,必须正确刃磨和安装车刀。
对螺纹车刀的要求主要有以下几点:( 1 )车刀的刀尖角一定要等于螺纹的牙形角。
( 2 )精车时车刀的纵向前角应等于零度;粗车时允许有5 o一15o的纵向前角。
( 3 )因受螺纹升角的影响,车刀两侧面的静止后角应刃磨得不相等,进给方向后面的后角较大,一般应保证两侧面均有3o一5o的工作后角。
( 4 )车刀两侧刃的直线性要好。
2 .普通三角螺纹车刀车刀从材料上分有高速钢螺纹车刀和硬质合金螺纹车刀两种。
( l )高速钢螺纹车刀高速钢螺纹车刀刃磨方便、切削刃锋利、韧性好,能承受较大的切削冲击力,车出螺纹的表面粗糙度小。
但它的耐热性差,不宜高速车削,所以常用来低速车削或作为螺纹精车刀。
高速钢螺纹车刀的几何形状如图8-10所示。
高速钢三角螺纹车刀的刀尖角一定要等于牙形角。
当车刀的纵向前角0o时,车刀两侧刃之间夹角等于牙形角;若纵向前角不为Oo时,车刀两侧刃不通过工件轴线,车出螺纹的牙形不是直线而是曲线。
当车削精度要求较高的三角螺纹时,一定要考虑纵向前角对牙形精度的影响。
为车削顺利,纵向前角常选在5 o一15o之间,这时车刀两侧刃的夹角不能等于牙形角,而应当比牙形角小30 ’一1o30’。
应当注意.纵向前角不能选得过大,若纵向前角过大,不仅影响牙形精度,而且还容易引起扎刀现象。
车螺纹时,由于螺纹升角的影响,造成切削平面和基面的位置变化,从而使车刀工作时的前角和后角与车刀静止时的前角和后角不相等。
车普通内、外三角形螺纹一、复习1、偏心工件的相关概念和作用;2、用三爪卡盘车削偏心工件,包括偏心工件偏心距和平行度的找正;3、偏心工件车削的注意事项以及偏心距的检测。
二、引入在各种机械产品中,带有螺纹的零件应用的非常广泛,用车削方法加工螺纹,是目前常用的加工方法,而要车好螺纹,必须要正确刃磨、安装螺纹车刀,其最终安装后切削部分的形状应和螺纹牙形的轴向剖面形状相符合。
此次课主要对于内、外三角形螺纹的讲解和训练。
三、关键(重点)掌握内、外三角形螺纹车刀的刃磨要领和方法;学会用低、中速车三角螺纹的方法;懂得用螺纹量规综合检验三角形螺纹的方法。
四、授课内容(一)螺纹的种类按牙型可分为三角形、矩形、圆形、梯形和锯齿形;按螺旋线方向可分为右旋和左旋,按螺旋线线数可分为单线和多线螺纹。
(二)螺纹术语1、螺纹:在圆柱表面上,沿着螺旋线所形成的,具有相同剖面的连续凸起和沟槽称为螺纹。
2、螺纹牙型角:是在螺纹牙型上,相邻两牙侧间的夹角。
3、牙型高度:是在螺纹牙型上,牙顶到牙底之间,垂直于螺纹轴线的距离。
4、螺纹直径:(1)公称直径:代表螺纹尺寸的直径,指螺纹大径的基本尺寸。
(2)中径:是一个假想圆柱的直径,该圆柱的素线通过牙型上沟槽和凸起宽度相等的地方。
5、螺距:相邻两牙在中径线上对应两点间的轴向距离。
6、螺纹升角:在中径圆柱上,螺旋线的切线与垂直于螺纹轴线的平面之间的夹角。
(三)普通三角形螺纹的相关工艺知识在机械制造业中,三角螺纹常用于连接、紧固;在工具和仪器中还往往用于调节。
三角形螺纹的特点:螺距小、一般螺纹长度短。
其基本要求是螺纹轴向剖面牙型角必须正确,两侧面表面粗糙度小,中径尺寸符合精度要求,螺纹与工件轴线保持同轴。
1、普通螺纹各基本尺寸的计算公式:(1)螺纹大径:d=D(螺纹大径的基本尺寸与公称直径相同),外螺纹就是圆柱外径,内螺纹就是螺纹底径。
(2)中径:d2=D2=d-0.6495p(3)牙型高度:h1=0.5413p(4)螺纹小径:d1=D1=d-1.0825p2、螺纹车刀的装夹(1)装夹车刀时,刀尖位置一般应对准工件中心;(2)车刀刀尖角的对称中心线必须与工件轴线垂直,装刀时可用样板来对刀;(3)刀头伸出不要过长,一般为20~25㎜(约为刀杆厚度的1.5倍。
三角形螺纹车刀的使用1)三角形螺纹车刀的几何角度(1)刀尖角应该等于牙型角,车普通螺纹时为60°,英只螺纹为55°。
(2)前角一般为0°~10°。
因为螺纹车刀的纵向前角对牙型角有很大影响,所以精车时或精度要求高的螺纹,径向前角取得小一些,约0°~5°。
(3)后角一般为5°~10°。
因受螺纹升角的影响,进刀方向一面的后角应磨得稍大一些。
但大直径、小螺距的三角形螺纹,这种影响可忽略不计。
2)三角形螺纹车刀的刃磨(1)刃磨要求①根据粗、精车的要求,刃磨出合理的前、后角。
粗车刀前角大、后角小,精车刀则相反;②车刀的左右刀刃必须使之线,无崩刃;③刀头不歪斜,牙型半角相等;④内螺纹车刀刀尖角平分线必须与刀杆垂直;⑤内螺纹车刀后角应适当大些,一般磨有两个后角。
(2)刀尖角的刃磨和检查由于螺纹车刀刀尖角要求高、刀头体积小,因此刃磨起来比一般车刀困难。
在刃磨高速钢螺纹车刀时,若感到发热烫手,必须及时用水冷却,否则容易引起刀尖退火;刃磨硬质合金车刀时,应注意刃磨顺序,一般是先将刀头后面适当粗磨,随后在刃磨两侧面,以免产生刀尖爆裂。
在精磨时,应注意防止压力过大而震碎刀片,同时要防止刀具在刃磨时骤冷而损坏刀具。
为了保证磨出准确的刀尖角,在刃磨时可用螺纹角度样板测量,样板形状如下图1-8-2所示。
测量时把刀尖角与样板贴合,对准光源,仔细观察两边贴合的间隙,并进行修磨。
a)三角螺纹样板 b)较厚螺纹样板测量刀尖角图1-8-2 刀尖角检查对于具有纵向前角的螺纹车刀可以用一种厚度较厚的特制螺纹样板来测量刀尖角,如上图右所示。
测量时样板应与车刀底面平行,用透光法检查,这样量出的角度近似等于牙形角。
(3)三角形螺纹车刀刃磨练习实例如下图1-8-3所示图1-8-3 三角形螺纹车刀几何参数①粗磨主、副后面(刀尖角初步形成);②粗、精磨前面或前角;③精磨主副后面,刀尖角用样板检查修正;④车刀刀尖倒棱宽度一般为0.1×螺距。
实训课题六三角形螺纹的车削一、实训目的:1.了解三角形螺纹的种类、用途和标记、名称。
2.掌握三角形螺纹的尺寸计算。
3.掌握三角形螺纹车刀的角度、刃磨方法和要求。
4.掌握车外三角形螺纹的基本动作和方法5. 掌握三角形螺纹的车削和测量方法。
6. 掌握用直进法车三角内螺纹的方法。
7. 掌握高速车三角形螺纹的方法及安全技术二、实训内容:1.三角形螺纹的基础知识(1)普通螺纹的标记图示名称代号含义计算公式牙型角α在螺纹牙型上,相邻两牙侧间的夹角α=60°螺距P相邻两牙在中径线上对应两点间的轴向距离。
导程Ph同一条螺旋线上相邻两牙在中径线上对应两点间的轴向距离。
Ph=nPn—线数牙型高度h1在螺纹牙型上,牙顶到牙底在垂直于螺纹轴线方向的距离。
h1=0.5413P螺纹大径d(D)在外螺纹牙顶或内螺纹牙底相切的假想圆柱的直径,也是螺纹的公称直径。
d=D螺纹中径d2(D2)是一个假想的圆柱的直径,该圆柱的素线通过牙型上沟槽的凸起宽度相等的地方。
d2= D2=d-0.6495P螺纹小径d1(D1)与外螺纹牙顶相切的假想圆柱的直径。
d1= D1=d-1.0825P螺旋升角Ψ在中径圆柱上螺旋线的切线与垂直于螺纹轴线的平面之间的夹角。
tanΨ=22PdnPdhππ=2.三角形螺纹车刀车刀名称说明图示高速钢三角形外螺纹车刀为了车削顺利,粗车刀应选用较大的径向前角取0~15°,它的径向后角取6°~8°,两侧后角进刀方向为(3°~5°)+Ψ,背进刀方向为(3°~5°)-Ψ,到尖处还应适当导圆,为获得较正确的牙型,精车刀应选用较小的径向前角6°~10°,其刀尖角应等于牙型角。
高速钢三角形内螺纹车刀内螺纹车刀除了其刀刃几何形状应具有外螺纹车刀的几何形状特点外,还应具有内孔车刀的特点。
由于内螺纹车刀的大小受内螺纹孔径的限制,所以内螺纹车刀刀体的径向尺寸应比螺纹孔径小3~5mm.。