雨水管道施工工程检验批质量验收表
- 格式:docx
- 大小:47.57 KB
- 文档页数:13
雨污水管道施工工序检验批验收记录表施工单位信息施工单位名称:施工地址:联系人:联系电话:工程概况工程名称:工程地址:建设单位:设计单位:监理单位:工程部位及工序工程部位工序检验依据检查项目雨污水管道埋地管道《建筑排水与排污设计规范》GBJ10排水管道铺设符合规范;管道连接处橡胶圈安装牢固;管道弯头安装符合要求。
雨污水管道室内管道《建筑排水与排污设计规范》GBJ10排水管道铺设符合规范;各类管件、软连接及其他附件规格型号符合设计要求,偏差在允许范围内。
雨污水管道洗手间《建筑卫生设施设计规范》GBJ192面盆、马桶、浴缸、淋浴器、水龙头等的品种、规格、型号符合设计要求;设施表面光滑平整,无毛刺。
雨污水管道排放系统《建筑排水与排污设计规范》GBJ10排污管道坡度符合规范;水泥砂浆厚度符合要求;排水口距离周边构筑物符合规范。
检验结果工程部位工序检验结不符合情况及处理措施果雨污水管道埋地管道合格无雨污水管道室内管道存在问题存在一个地漏与排水管道连接处漏水情况,已进行修补。
雨污水管道洗手间合格无雨污水管道排放系统合格无检验人信息检验人姓名:检验日期:如上表所示,经过对雨污水管道施工过程中的各项工序进行检验,现将检验结果作如下记录,以供验收人员进行查看并评估:1.埋地管道工序:经检查符合《建筑排水与排污设计规范》GBJ 10的规范要求,包括管道铺设符合规范、连接处橡胶圈安装牢固、管道弯头安装符合要求等,因此本工序检验结果为“合格”。
2.室内管道工序:经检查符合《建筑排水与排污设计规范》GBJ 10的规范要求,符合设计要求的各类管件、软连接及其他附件规格型号偏差在允许范围内,管道铺设也符合规范,因此本工序检验结果为“合格”。
3.洗手间工序:经检查符合《建筑卫生设施设计规范》GBJ 192的规范要求,各类设施的品种、规格、型号都符合设计要求,设施表面光滑平整,无毛刺,因此本工序检验结果为“合格”。
4.排放系统工序:经检查符合《建筑排水与排污设计规范》GBJ 10的规范要求,包括管道坡度符合规范、水泥砂浆厚度符合要求、排水口距离周边构筑物符合规范等,因此本工序检验结果为“合格”。
单位(子单位)工程质量竣工验收记录编号:
单位(子单位)工程质量控制资料核查表
编号:
单位(子单位)工程观感质量核查表编号:
单位(子单位)工程结构安全和使用功能性检测记录表编号:
分部(子分部)工程质量验收记录编号:
分项工程质量验收记录编号:
沟槽开挖与地基处理工程检验批质量验收记录编号:
沟槽支护工程检验批质量验收记录编号:
沟槽回填(刚性管道)工程检验批质量验收记录Ⅰ编号:
沟槽回填(刚性管道)工程检验批质量验收记录Ⅱ编号:
沟槽回填(柔性管道)工程检验批质量验收记录编号
管道基础工程检验批质量验收记录编号
钢管接口连接工程检验批质量验收记录编号:
钢管内防腐层工程检验批质量验收记录编号
钢管内防腐层工程检验批质量验收记录编号:
钢管外防腐层工程检验批质量验收记录编号:
钢管阴极保护工程检验批质量验收记录编号:
球墨铸铁管接口连接工程检验批质量验收记录编号:
钢筋混凝土管、预(自)应力混凝土管、预应力钢筒混凝土管接口连接工程检验批质量验收记录
编号:
化学建材管接口连接工程检验批质量验收记录编号:
管道铺设工程检验批质量验收记录编号:
井室工程检验批质量验收记录编号:
雨水口及支、连管工程检验批质量验收记录编号:
工程检验批质量验收记录编号:
(以上未列项目执行此表格)。
给水排水管道工程施工及验收规范(G B50268-2008)分项工程检验批质量验收记录表沟槽(基坑)土方开挖直线顶管管道施工沟槽(基坑)支护曲线顶管管道施工沟槽(基坑)回填)垂直顶升管道施工管道基础盾构管片制作1钢管接口连接盾构管片制作2金属类管道铺设盾构管片制作3钢管(水泥砂浆)内防护层盾构掘进和管片安装1钢管(环氧涂料)内防护层盾构掘进和管片安装2钢管外防护层盾构施工钢筋混凝土二次衬砌钢管阴极保护浅埋暗挖管道的土层开挖球墨铸铁管接口连接浅埋暗挖管道的初期衬砌1钢筋混凝土类接口连接浅埋暗挖管道的初期衬砌2钢筋混凝土类管道铺设浅埋暗挖管道的防水层化学建材管接口连接浅埋暗挖的二次衬砌柔性管道铺设定向钻施工管道管渠基础地基夯管施工管道管渠模板沉管基槽浚挖及管基处理管渠钢筋制作组对拼装管道沉放管渠现浇混凝土预制钢筋混凝土管节制作管渠变形缝钢筋混凝土管节接口预制加工管渠构件预制预制钢筋混凝土管的沉放管渠预制构件安装沉管的稳管及回填管渠砖石砌筑桥管管道安装1工作井围护结构桥管管道安装2工作井(沉井)模板现浇混凝土井室工作井(沉井)钢筋加工砖砌井室工作井(沉井)钢筋安装预制拼装井室工作井沉井制作雨水口及支、连管安装(雨水吸支、连管安装)工作井下沉及封底管道支墩安装工作井井内结构沟槽(基坑)土方开挖检验批质量检验记录表 A.0.1 编号:010001□□注:1、本表由施工项目专业质量检查员填写,监理工程师(建设单位项目技术负责人)组织项目专业质量检查员等进行验收,并应按上表进行记录。
沟槽(基坑)支护检验批质量检验记录表 A.0.1 编号:010002□□注:1、本表由施工项目专业质量检查员填写,监理工程师(建设单位项目技术负责人)组织项目专业质量检查员等进行验收,并应按上表进行记录。
沟槽(基坑)回填检验批质量检验记录表 A.0.1 编号:010003□□注:1、本表由施工项目专业质量检查员填写,监理工程师(建设单位项目技术负责人)组织项目专业质量检查员等进行验收,并应按上表进行记录。
室内给水管道及配件安装工程检验批质量验收记录表
GB 50242—2002
室内消火栓系统安装工程检验批质量验收记录表
GB 50242—2002
给水设备安装工程检验批质量验收记录表
GB 50242—2002
GB 50242—2002
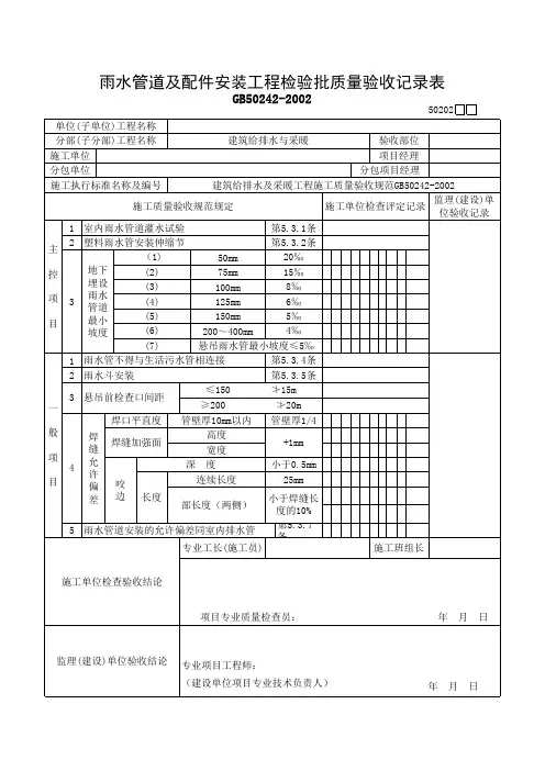
雨水管道及配件安装工程检验批质量验收记录表
GB 50242—2002
GB 50242—2002
GB 50242-2002
GB 50242-2002
室内采暖管道及配件安装工程检验批质量验收记录表
GB 50242—2002
室内采暖辅助设备及散热器及金属辐射板安装工程检验批质量验收
记录表
低温热水地板辐射采暖安装工程检验批质量验收记录表
GB 50242—2002
GB 50242—2002
GB 50242—2002
GB 50242—2002
0506
GB 50242—2002
室外排水管沟及井池工程检验批质量验收记录表
GB 50242-2002
室外供热管道及配件安装工程检验批质量验收记录表
建筑中水系统及游泳池水系统安装工程检验批质量验收记录表
锅炉安装工程检验批质量验收记录表
GB 50242-2002
GB 50242-2002
工艺管道安装工程检验批质量验收记录表
GB50242-2002
(Ⅱ)
锅炉安全附件安装工程检验批质量验收记录表
GB 50242-2002
换热站安装工程检验批质量验收记录表
GB 50242—2002
0510。
给水排水管道工程施工及验收规范(GB50268-2008)分项工程检验批质量验收记录表沟槽(基坑)土方开挖直线顶管管道施工沟槽(基坑)支护曲线顶管管道施工沟槽(基坑)回填)垂直顶升管道施工管道基础盾构管片制作1钢管接口连接盾构管片制作2金属类管道铺设盾构管片制作3钢管(水泥砂浆)内防护层盾构掘进和管片安装1钢管(环氧涂料)内防护层盾构掘进和管片安装2钢管外防护层盾构施工钢筋混凝土二次衬砌钢管阴极保护浅埋暗挖管道的土层开挖球墨铸铁管接口连接浅埋暗挖管道的初期衬砌1钢筋混凝土类接口连接浅埋暗挖管道的初期衬砌2钢筋混凝土类管道铺设浅埋暗挖管道的防水层化学建材管接口连接浅埋暗挖的二次衬砌柔性管道铺设定向钻施工管道管渠基础地基夯管施工管道管渠模板沉管基槽浚挖及管基处理管渠钢筋制作组对拼装管道沉放管渠现浇混凝土预制钢筋混凝土管节制作管渠变形缝钢筋混凝土管节接口预制加工管渠构件预制预制钢筋混凝土管的沉放管渠预制构件安装沉管的稳管及回填管渠砖石砌筑桥管管道安装1工作井围护结构桥管管道安装2工作井(沉井)模板现浇混凝土井室工作井(沉井)钢筋加工砖砌井室工作井(沉井)钢筋安装预制拼装井室工作井沉井制作雨水口及支、连管安装(雨水吸支、连管安装)工作井下沉及封底管道支墩安装工作井井内结构沟槽(基坑)土方开挖检验批质量检验记录开槽施工检验批质量检验记录编号:020101□□/020201□□/020301□□/020401□□表A.0.1 编号:020202□□020302□□砖砌井室检验批质量检验记录注:1、本表由施工项目专业质量检查员填写,监理工程师(建设单位项目技术负责人)组织项目专业质量检查员等进行验收,并应按上表进行记录。
钢管接口连接检验批质量检验记录表A.0.1 编号:020102□□021301□□金属类管道铺设检验批质量检验记录表A.0.1 编号:020103□□020303□□注:1、本表由施工项目专业质量检查员填写,监理工程师(建设单位项目技术负责人)组织项目专业质量检查员等进行验收,并应按上表进行记录。
雨水管与雨水口检验批质量验收记录范本一:雨水管检验批质量验收记录1.项目概述本次雨水管检验批质量验收记录涉及的工程项目为XXX建筑工程。
2.检验批概述2.1 检验批号:XXX2.2 检验批名称:雨水管2.3 检验批质量验收日期:XXX3.质量验收标准本次雨水管质量验收按照国家标准《建筑给排水工程水力学试验方法》(GB/T XXXX)进行。
4.质量验收内容4.1 雨水管安装质量验收4.1.1 雨水管的材质符合设计要求4.1.2 雨水管安装位置和角度符合设计要求4.1.3 雨水管固定牢固、无松动、无明显倾斜4.1.4 雨水管与其他管道连接紧密、无渗漏4.2 雨水管附件质量验收4.2.1 雨水口质量验收4.2.1.1 雨水口位置符合设计要求4.2.1.2 雨水口安装牢固、无松动4.2.1.3 雨水口防腐蚀处理符合要求4.2.1.4 雨水口无渗漏、无损坏4.2.2 雨水斗质量验收4.2.2.1 雨水斗安装位置符合设计要求4.2.2.2 雨水斗安装牢固、无松动4.2.2.3 雨水斗无渗漏、无损坏5.质量验收结果根据对雨水管和附件的质量验收,均符合设计要求和相关标准,达到验收标准要求。
6.质量问题记录以下为本次质量验收中发现的问题及处理情况:7.附图、照片和资料本文档涉及的附件详见附件文件。
8.法律名词及注释本文档所涉及的法律名词及注释详见附件文件。
范本二:雨水口检验批质量验收记录1.项目概述本次雨水口检验批质量验收记录涉及的工程项目为XXX建筑工程。
2.检验批概述2.1 检验批号:XXX2.2 检验批名称:雨水口2.3 检验批质量验收日期:XXX3.质量验收标准本次雨水口质量验收按照国家标准《建筑给排水工程雨水口检验规程》(GB/T XXXX)进行。
4.质量验收内容4.1 雨水口位置验收4.1.1 雨水口位置符合设计要求4.1.2 雨水口安装牢固、无松动4.1.3 雨水口受力平衡、无变形4.2 雨水口材质验收4.2.1 雨水口材质符合设计要求4.2.2 雨水口表面平整、无明显缺陷4.2.3 雨水口防腐蚀处理符合要求4.3 雨水口附件验收4.3.1 雨水口盖板质量验收4.3.1.1 雨水口盖板安装牢固、无松动4.3.1.2 雨水口盖板无渗漏、无损坏4.3.1.3 雨水口盖板防滑处理符合要求4.3.2 雨水口护栏质量验收4.3.2.1 雨水口护栏安装牢固、无松动4.3.2.2 雨水口护栏高度符合设计要求4.3.2.3 雨水口护栏防腐蚀处理符合要求5.质量验收结果根据对雨水口及其附件的质量验收,均符合设计要求和相关标准,达到验收标准要求。
管道工程施工及验收规范全部检验批表分项工程检验批质量验收记载表沟槽〔基坑〕土方开挖直线顶管管道施工沟槽〔基坑〕支护曲线顶管管道施工沟槽〔基坑〕回填〕垂直顶升管道施工管道基础盾构管片制造1钢管接口衔接盾构管片制造2金属类管道铺设盾构管片制造3钢管〔水泥砂浆〕内防护层盾构掘进和管片装置1钢管〔环氧涂料〕内防护层盾构掘进和管片装置2钢管外防护层盾构施工钢筋混凝土二次衬砌钢管阴极维护浅埋暗挖管道的土层开挖球墨铸铁管接口衔接浅埋暗挖管道的初期衬砌1钢筋混凝土类接口衔接浅埋暗挖管道的初期衬砌2钢筋混凝土类管道铺设浅埋暗挖管道的防水层化学建材管接口衔接浅埋暗挖的二次衬砌柔性管道铺设定向钻施工管道管渠基础地基夯管施工管道管渠模板沉管基槽浚挖及管基处置管渠钢筋制造组对拼装管道沉放管渠现浇混凝土预制钢筋混凝土管节制造管渠变形缝钢筋混凝土管节接口预制加工管渠构件预制预制钢筋混凝土管的沉放管渠预制构件装置沉管的稳管及回填管渠砖石砌筑桥管管道装置1任务井围护结构桥管管道装置2任务井〔沉井〕模板现浇混凝土井室任务井〔沉井〕钢筋加工砖砌井室任务井〔沉井〕钢筋装置预制拼装井室任务井沉井制造雨水口及支、连管装置〔雨水吸支、连管装置〕任务井下沉及封底管道支墩装置任务井井内结构沟槽〔基坑〕土方开挖检验批质量检验记载开槽施工检验批质量检验记载钢筋混凝土管接口衔接检验批质量检验记载钢筋混凝土类管道铺设检验批质量检验记载表A.0.1 编号:020203□□020303□□砖砌井室检验批质量检验记载钢管接口衔接检验批质量检验记载金属类管道铺设检验批质量检验记载钢管内防护层〔水泥砂浆〕检验批质量检验记载钢管内防护层〔环氧涂料〕检验批质量检验记载表A.0.1 编号:020204□□021203□□021303□□钢管外防护层检验批质量检验记载钢管阴极维护检验批质量检验记载表A.0.1 编号:020207□□020904□□021206□□021306□□球墨铸铁管接口衔接检验批质量检验记载表A.0.1 编号:020208□□化学建材管接口衔接检验批质量检验记载表A.0.1 编号:020402□□021201□□注:1、本表由施工项目专业质量反省员填写,监理工程师〔树立单位项目技术担任人〕组织项目专业质量反省员等停止验收,并应按上表停止记载。
室内给水管道及配件安装工程检验批质量验收记录表GB50242-2002室内消火栓系统安装工程检验批质量验收记录表GB50242-2002给水设备安装工程检验批质量验收记录表GB50242-2002室内排水管道及配件安装工程检验批质量验收记录表GB50242-2002雨水管道及配件安装工程检验批质量验收记录表GB50242-2002室内热水管道及配件安装工程检验批质量验收记录表GB50242-2002热水供应系统辅助设备安装工程检验批质量验收记录表GB50242-2002卫生器具排水管道安装工程检验批质量验收记录表室内采暖辅助设备及散热器及金属辐射板安装工程检验批质量验收记录表室内采暖辅助设备及散热器及金属辐射板安装工程检验批质量验收记录表低温热水地板辐射采暖安装工程检验批质量验收记录表GB50242-2002室外给水管道安装工程检验批质量验收记录表GB50242-2002消防水泵结合器及消火栓安装工程检验批质量验收记录表GB50242-2002管沟及井室检验批工程质量验收记录表GB50242-2002室外排水管道安装工程检验批质量验收记录表GB50242-2002室外排水管沟及井池工程检验批质量验收记录表GB50242-2002室外供热管道及配件安装工程检验批质量验收记录表GB50242-2002建筑中水系统及游泳池水系统安装工程检验批质量验收记录表锅炉安装工程检验批质量验收记录表GB50242-2002锅炉辅助设备安装工程检验批质量验收记录表GB50242-2002(Ⅰ)工艺管道安装工程检验批质量验收记录表GB50242-2002(Ⅱ)锅炉安全附件安装工程检验批质量验收记录表GB50242-2002换热站安装工程检验批质量验收记录表GB50242-2002架空线路及杆上电气设备安装检验批质量验收记录表GB50303-2002。
分项工程(验收批)质量验收记录表
沟槽开挖检验批质量验收记录表
《给水排水管道工程施工及验收规范》(GB50268)-2008
编号:
沟槽支护检验批批质量验收记录表《给水排水管道工程施工及验收规范》(GB50268-2008)
钢筋砼管道接口连接检验批批质量验收记录表《给水排水管道工程施工及验收规范》(GB50268)-2008
化学管道接口连接检验批批质量验收记录表《给水排水管道工程施工及验收规范》(GB50268)-2008
管道铺设检验批批质量验收记录表
《给水排水管道工程施工及验收规范》(GB50268)-2008
工作井检验批批质量验收记录表
《给水排水管道工程施工及验收规范》(GB50268)-2008
顶管管道检验批批质量验收记录表
《给水排水管道工程施工及验收规范》(GB50268)-2008
定向钻管道检验批批质量验收记录表《给水排水管道工程施工及验收规范》(GB50268-2008)
井室检验批批质量验收记录表《给水排水管道工程施工及验收规范》(GB50268-2008)
雨水口及支、连管检验批批质量验收记录表《给水排水管道工程施工及验收规范》(GB50268-2008)。