技术参数表
- 格式:doc
- 大小:34.50 KB
- 文档页数:3
附件一:设备技术性能参数表名称项目买方要求卖方投标参数(不得空缺)盾构掘进机类型复合式土压平衡盾构机盾构掘进机型号平均月进度≥360m/月工程条件最小曲率半径最大坡度埋深地下水位地面活载地质情况管片内径×外径×宽度环片数量×最大单块重量地表沉降允许值建筑物沉降允许值掘进方向允许误差值盾构掘进机概述开挖直径掘进速度60-100mm/min总推进力铰接左右允许角度铰接上下允许角度主机长度总长度总功率盾构掘进机概述主机重量后配套重量盾壳前、中、后外径前盾厚度、长度中盾厚度、长度后盾厚度、长度工作压力>3bar使用寿命土压传感器数量≥4个结构类型切削刀盘支撑型式旋转方向具备左、右转切削刀盘直径刀盘驱动方式数量及功率电动机或液压马达使用效率(%)刀盘转速额定扭矩最大脱困扭矩切削刀盘不同转速(r/min)所对应的频率(Hz)或液压压力和扭矩(kN.m)(列表说明)切削刀盘开口率切削刀盘加泥点设置数量切削刀盘土仓内搅拌棒数量刀盘的圆周面、正面及搅拌棒耐磨层厚度刀具切削刀具配备初装滚刀在此列表说明种类及相应的刀具名称、型式、数量、材质(型号及合金成分)安装方式制造厂及国产替代型号、制造厂仿形刀要求配备仿形刀型式数量2把材质(型号及合金成份)安装方式可拆卸式仿形刀油缸最大推力行仿形刀油缸程控制方式及挖掘速率测量要求可自由选择超挖区域和超挖量刀具允许磨损值、极限值跟换一把刀的时间主轴承主轴承型号主轴承外径主轴承寿命最大推力下≥10000小时主轴承润滑方式主轴承结构示意图主轴承密封≥3道主轴承密封结构型式主轴承密封圈型式主轴承主轴承密封圈尺寸主轴承密封圈材质主轴承及密封圈制造厂及中国替代的制造厂中心回转轴结构型式示意图材质(型号及成份)密封结构型式密封圈型式密封圈尺寸密封圈材质推进系统推进系统满足管片宽度1.2m和1.5m推进油缸数量×直径×行程×压力型号总推进力(kN)单位推进力(kN)推进速度≥60-100mm/min管片安装模式下最大外伸速度(mm/min)管片安装模式下最大回缩速度(mm/min):推进油缸衬靴的防护要求衬靴和油缸间有保护连接装置推进油缸衬靴连接方式球型联接推进油缸速度行程测量仪型号、数量、所装位置推进系统推进油缸油泵类型变量柱塞泵泵型号泵额定压力(Mpa)≤35 Mpa泵流量(L/min)油箱容量(L)液压油牌号和国内替代牌号、制造厂铰接系统铰接形式主动式铰接铰接系统油缸数量:直径(mm)收缩力(kN)推进力(kN)行程(mm)压力(Mpa)行程测量数量及位置:铰接的密封型式要求有两道密封,其中一道为紧急密封铰接密封所用材料生产厂家盾构停止推进时,有防回缩装置盾尾密封系统密封型式密封排数密封材料密封寿命盾尾密封润滑加注系统加注点数量盾尾密封处油脂压力>3bar控制方式:具有自动和手动两种方式,并能确保盾尾密封系统密封油脂可持续加注:(详细叙述)盾尾油脂泵:型号:泵腔型式:工作压力范围:油脂泵要有足够压力,保证油脂能够通过120m长的临时管道流量范围:数量:盾尾油脂油脂型号:主要成份及型号厂家:油脂容器容量:管片拼装机系统管片拼装机能同时满足管片内径5.4m和5.5m使用寿命≥10000小时结构型式回转角度≥±200°回转速度(r/min)驱动方式及回转力矩(kN.m)推进力(kN)提升能力(kN)提升行程(mm)平移行程(mm)钳口伸缩行程(mm)拼装机支撑型式管片拼装机系统油管转盘或电缆转盘型号、厂家安全制动装置型式控制方式报警装置及制造厂可视、声音、自动紧急停车具体说明固定式操作站遥控操作盘及制造厂管片夹钳及钳体支撑系统管片夹钳的机构型式钳体支撑的结构型式真圆保持装置如果有进行说明结构型式控制方式展开力(kN)伸展行程(mm)滑动行程(mm)自由度6个管片拼装时间≤30min重载回转微动精度1mm或无级变速要求无抖动现象人行闸人行闸型式外形尺寸(mm)数量照明电压工作压力(Mpa)人行闸测试压力(Mpa)空压机型号型式低噪音螺杆式风量工作压力(Mpa)功率(kW)空气净化装置人行闸门内开式数量尺寸(mm)人行闸门密封型式材质起重机构要求进口或合资产品单梁起重机系统行走机构要求进口或合资产品结构类型电动葫芦型号起重能力行走机构型号要求有可靠的制动装置控制方式起重梁型式起重梁长度电动葫芦的吊钩中心距轨面的高度要确保管片车装载3片管片时顺利通过制造厂家起重机构要求进口或合资产品行走机构要求进口或合资产品结构类型电动葫芦型号起重能力行走机构型号要求有可靠的制动装置控制方式起重梁型式起重梁长度电动葫芦的吊钩中心距轨面的高度要确保管片车装载3片管片时顺利通过双梁起重机系统(若含有喂片机请详细说明)制造厂家:螺旋输送机轴向可伸缩式使用寿命≥10000小时或10km类型外径×长度(mm )外径≥800mm ,长度满足始发井长度12.5m螺旋轴直径(mm )螺旋叶片直径螺旋节距(mm )螺旋的伸缩行程螺旋输送机系统螺旋前端可以跟换的长度转速及回转方向转速(r/min)螺旋输送机系统回转方向双向驱动系统驱动方式驱动马达型号、规格、制造厂轴承的密封方式(密封圈得型号、尺寸、制造厂)驱动扭矩(kN/m)最大排土能力(m3/h)≥280m3/h卸料闸门进料闸门及隔板单独说明闸门型式开关方式闸门紧急关停装置及其结构型式和控制方式进卸料门开度显示装置详细说明沿螺旋输送机箱体注浆点设置数量≥2点,在靠舱壁处设置1个注入点检修闸门的结构型式及位置可输送的最大粒径(mm)≥300mm螺旋输送机的筒壁、螺旋轴、螺旋叶片、闸门有5mm厚的耐磨层皮带上托轮固定方式要求固定式,前后可调整皮带输送机系统皮带宽度(mm)输送机长度、宽度、高度皮带速度(m/min)输送能力(m3/h)≥450m3/h通过隧道的曲率半径满足盾构机转弯半径皮带输送机系统惰轮角度要求左右前后上下调整、润滑方便,轴承更换方便张紧方式控制方式报警装置:型号、规格、控制方式、制造厂紧急停止装置:型式、控制方式、制造厂皮带清洁装置详细说明前、后端调心对中装置详细说明泡沫系统泡沫注入系统分别供给刀盘和螺旋输送机功能原理泡沫注入泵型号流量(m3/h)压力工作时要有足够的压力,保证能通过120m长的临时管道液体流量测量计详细说明包括技术数据液体压力测量仪详细说明包括技术参数控制阀详细说明包括技术参数泡沫发生器详细说明包括技术参数控制PC机用于给料设备中设定值得输入和观察。
设备技术指标参数表采购内容技术指标参数单位数量单价(元)预算金额气相色谱仪1. 工作条件1.1 电源:220V,50Hz1.2温度:操作环境15˚C~35˚C1.3 湿度:5~95%2. 技术要求2.1 气相色谱仪主机2.1.1 电子流量控制(EPC):所有流量、压力均可以电子控制,以提高重现性;2.1.2 压力调节:0.001psi。
2.1.3 大气压力传感器补偿高度或环境变化;2.1.4 程序升压/升流:3阶;2.1.5 具有4种EPC操作模式:恒温,恒压,程序升压,程序升流;2.1.6 保留时间重现性:<0.0009min;2.1.7 峰面积重现性<1% RSD*2.1.8 可同时安装使用三个检测器(质谱检测器除外)2.2 柱温箱2.2.1 操作温度:室温以上4˚C -450˚C2.2.2 温度分辨:1 ˚C温度设定,0.1 ˚C程序设定2.2.3 最大升温速率:120 ˚C /分钟套 1 300000 3000002.2.4 最大运行时间:999.99分钟2.2.5 20梯度/21平台程序升温2.2.6 温度稳定性:<0.01 ˚C每1 ˚C环境变化2.3 填充柱进样口(具有电子压力控制功能EPC)2.3.1 温度范围:1℃步进可达400℃2.3.2 可用于1/4”、1/8”填充柱和0.53mm毛细柱,无需转换头既接大口径毛细柱*2.3.3 压力程序设置范围:0 - 100 psi2.3.4 电子输入及控制压力和流速2.3.5 电子控制隔垫吹扫功能。
2.4 单丝热导检测器(TCD)*2.4.1 最低检测限:400 pg 丙烷/mL(氦作载气)。
2.4.2 线性动态范围:>105±5%。
2.4.3 独特的流体切换设计,从启动开关后快速达到平衡,低漂移。
2.4.4 对导热系数高于载气的组分,可以进行信号极性的程序控制。
*2.4.5 最高使用温度:400°C。
2.5 阀系统*2.5.1 阀箱可对阀进行加热控温,防止样品冷凝。
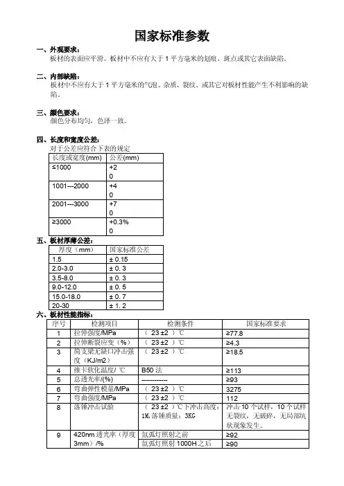
国家标准参数一、外观要求:板材的表面应平滑。
板材中不应有大于1平方毫米的划痕、斑点或其它表面缺陷。
二、内部缺陷:板材中不应有大于1平方毫米的气泡、杂质、裂纹、或其它对板材性能产生不利影响的缺陷。
三、颜色要求:颜色分布均匀,色泽一致。
四、长度和宽度公差:附件:国家检测标准下列文件中的条款通过本标准的引用而成为本标准的条款。
凡是注日期的引用文件,其随后所有的修改单(不包括勘误的内容)或修订版均不适用于本标准,然而,鼓励根据本标准达成协议的各方研究是否可使用这些文件的最新版本。
凡是不注日期的引用文件,其最新版本适用于本标准。
GB/T1033.1—2008塑料非泡沫塑料密度的测定第1部分:浸渍法、液体比重瓶法和滴定法(ISO1183-1:2004,IDT)GB/T1034—2008塑料吸水性的测定(ISO62:2008,IDT)GB/T1036—2008塑料-30℃~30℃线膨胀系数的测定石英膨胀计法(ASTMD696:2003,MOD)GB/T1040.1—2006塑料拉伸性能的测定第1部分总则(ISO527-1:1993,IDT)GB/T1040.2—2006塑料拉伸性能的测定第2部分:模塑和挤塑塑料的试验条件(ISO527-2:1993,IDT)GB/T1041—2008塑料压缩性能的测定(ISO604:2002,IDT)GB/T1043.1—2008塑料简支梁冲击性能的测定第1部分:非仪器化冲击试验(ISO179-1:2000,IDT)GB/T1633—2000热塑性塑料维卡软化温度(VST)的测定(ISO306:1994,IDT)GB/T1634.2—2004塑料负荷变形温度的测定第2部分:塑料、硬橡胶和长纤维增强复合材料(ISO75-2:2003,IDT)GB/T2410—2008透明塑料透光率和雾度的测定(ASTMD1003:2007,MOD)GB/T2828.1—2003计数抽样检验程序第1部分:按接受质量限(AQL)检索的逐批检验抽样计划(ISO2859-1:1999,IDT)GB/T2918—1998塑料试样状态调节和试验的标准环境(idtISO291:1997)GB/T3398.2—2008塑料硬度测定第2部分:洛氏硬度(ISO2039-2:1987,IDT)GB/T3681—2000塑料大气暴露试验方法(neqISO877:1994)GB/T9341—2008塑料弯曲性能的测定(ISO178:2001,IDT)GB/T15596—1995塑料暴露于玻璃下日光或自然气候或人工光后颜色和性能变化的测定(eqvISO4582:1980)GB/T16422.2—1999塑料实验室光源暴露试验方法第2部分:氙弧灯(idtISO4892-2:1994)GB/T16422.4—1996塑料实验室光源暴露试验方法第4部分:开放式碳弧灯(eqvISO4892-4:1994)ISO489:1999塑料光折射指数ISO2818:1994塑料试样的机加工制备。
项目采购内容及要求
一、项目概况
本校显微表征平台配备的共聚焦显微镜长期处于饱和状态,并且不具备快速超高分辨率的功能,无法满足科研需求。
其他实验室的该类仪器基本也处于满负荷运转状态,随着生命科学研究的逐步深入,常规简单的宽场荧光显微镜已不能完全满足日常研究,因此需采购快速超分辨率激光共聚焦显微镜用于开展研究。
快速超分辨率激光共聚焦显微镜数量1套。
本项目共分为1个包,供应商不得对
采购清单内的货物拆分响应。
技术参数一览表
spot-t,,,,,,,,,直线扫描,任意曲线扫描,剪切扫描。
,,,,,,,,直线扫描,剪切扫描、旋转扫描及变倍扫描。
商务条款一览表。
技术规格参数表1、车厢尺寸 ( 长 X 宽 X 高)mm(外(2000-2200)X(1150-1250)X(1200-1400)径)2、载重量 kg≥10003、车厢内实际有效容积m3(内径)厢内实际有效容积≥ 2.4 m 34、时速 km/h≤305、续航里程 km≥50km6、电池容量 ah ★不低于 100ah 铅酸蓄电池, 6 节7、标准电压 V728、行走电机功率 w★(免维护无刷电机)≥ 2000W9、液压电机功率 w≥900W10、液压油泵噪音噪音应在可接受范围内不得过高,≤ 100db11、车厢起升时间 s≤1312、车厢下降时间 s≤1313、翻桶起升时间 s(空桶)≤1214、翻桶下降时间 s(空桶)≤1015、轮胎尺寸(前轮、后轮)400-12450-1216、前悬挂内外簧油压伸缩管式前减震器17、前转向结构方向轴套管直径不低于 70 mm管壁厚不低于 4 mm 套管18、车厢材质结构左右侧板采用≥ 1.7mm花纹钢板,前后门采用≥ 1.7mm厚花纹钢板。
底部采用不锈钢底板底厚度≥ 1.5mm 三方 5 公分折边密封焊接,尾部向上倾斜 20°以上确保污水不漏。
19、密封方式车厢必须有盖后门装有密封胶条20、电控系统采用 72v-36/3000W 大功率驱动控制器带矢量自动修复功能。
21、控制行走方式22、驾驶方式23、刹车系统24、辅助刹车25、制动方式26、驾驶室材质27、前大灯按钮式方向把式车辆采用误操作报警系统采用轿车式钢制金属拉线液压鼓式钢制结构,安全驾驶室采用模具冲压成型冷板材质,双前一体化嵌入式组合大灯,整体式塑料仪表工作台,带雨刮器,警示灯。
一体式组合大灯含LED方向灯、近光灯带透镜。
28、仪表机械式显示仪表。
29、驾驶室结构整体可拆卸式驾驶室后半部带包围, A 柱顶棚均为双层焊制加固结构30、车厢门、厢盖后门往翻桶器对面一侧 270°打开,翻桶器一侧设有侧上门,车厢后半部有箱盖,箱盖采用不低于0.8mm镀锌板。
TDS是Technical Data Sheet的首字母缩写,中文全称为:技术参数表。
TDS是一个重要的技术文档,通常由产品或材料的制造商或供应商提供,用于描述产品或材料的规格、性能和用途等信息。
TDS旨在向客户提供有关产品或材料的详细信息,帮助他们更好地理解产品或材料的性能和用途,以便更好地使用和维护它们。
TDS的内容通常包括以下部分:1.产品或材料的规格:包括外观、尺寸、颜色、重量、包装方式等。
2.物理性能:包括密度、硬度、强度、伸展性、弹性、热膨胀系数、导热系数、电阻率等。
3.化学性能:包括成分、稳定性、化学反应性、酸碱性等。
4.使用说明:包括使用条件、使用限制、使用注意事项、储存条件、处理方法、安全措施等。
5.应用范围:包括使用领域、适用场合、应用对象等。
6.其他信息:包括质量认证、检测报告、相关标准等。
对于制造商或供应商来说,TDS具有以下作用:1.客户服务:提供产品或材料的详细信息,帮助客户了解产品或材料的性能和用途,以便更好地使用和维护它们。
2.质量控制:作为一种标准,帮助制造商或供应商控制产品或材料的质量,确保它们符合特定的规格和标准。
3.营销推广:帮助制造商或供应商更好地宣传产品或材料的特点、优点和性能,增强产品或材料的市场竞争力。
4.研发创新:为制造商或供应商的研发提供指导,帮助他们改进产品或材料的性能和质量,开发出更加符合市场需求的新产品或材料。
5.法律合规:帮助制造商或供应商确保产品或材料符合相关的法规和标准,避免出现质量问题和法律问题。
对于客户来说,TDS具有以下作用:1.了解产品或材料的性能和用途,选择合适的产品或材料,提高使用效果。
2.确认产品或材料是否符合特定的规格和标准,避免出现质量问题和安全问题。
3.了解产品或材料的使用限制、注意事项和安全措施,避免使用不当导致损失和安全事故。
4.利用技术参数表作为参考标准,对比不同产品或材料的性能和特点,选择最适合的产品或材料。