采气工程期末考试复习资料与思考6
- 格式:docx
- 大小:46.96 KB
- 文档页数:64
1.天然气:指在不同地质条件下生成,运移,并以一定压力储集在地下构造中的可燃性气体。
2.天然气组成:各种组分在天然气中所占数量的比率。
摩尔组成 y i =n i /∑n i体积组成 y i =v i /∑v i重量组成 w i =m i /∑m i w i =n i M i /∑n i M i3.天然气中常见到的烃类组分是甲烷、乙烷、丙烷、丁烷、戊烷以及少量的己烷、庚烷、辛烷和一些更重的气体。
4.天然气的分类:(1)按烃类组分关系分类1干气:在地层中呈气态,采出后在一般地面设备的温度和压力下不析出或析出极少的液态烃的天然气,。
2湿气:在地层中呈气态,采出后在一般地面设备的温度和压力下析出较多液态烃的天然气, 3贫气:指丙烷以及以上烃类含量少于100cm 3/m 3 的天然气。
4富气:指丙烷以及以上烃类含量大于100cm 3/m 3的天然气。
(2)按矿藏特点分类:纯气藏天然气、凝析气藏天然气、油田伴生天然气;(3)按硫化氢、二氧化碳含量分类1.酸气:天然气中硫化物和CO 2含量很多的天然气2.净气:H 2S 和CO 2含量可以忽略不计的天然气.5.天然气平均相对分子质量:标准状态下1摩尔体积天然气的质量。
也叫视相对分子质量。
M g =∑y i M i n i=1 y i ,M i ---天然气中任一组分的摩尔组成和相对分子质量。
6.天然气的相对密度:在相同温度和压力下,天然气密度与空气密度之比。
97.28g a g a g g M M M V ===ρρ 7.气体偏差系数(压缩因子)Z :在一定温度和压力条件下,一定质量气体实际占有的体积与在相同条件下作为理想气体应该占有的体积之比。
;ideal actualV V Z =拟对比压力:气体的绝对工作压力p 与拟临界压力P pc 之比。
拟对比温度:气体的绝对工作温度T 与拟临界温度T pc 之比。
{p pr =p p pr ⁄ P pc =∑y i p ci T pr =T T tr⁄ T pc =y iT ci 干气时: T pc =93.3+181γg −7γg 2P pc =4.668+0.103γg −0.259γg 2z =1− 3.52p r 100.9813T r +0.274p r 2100.8175T r 8.天然气的体积系数:一定质量的天然气在地层条件下的体积与地面标准状态下体积之比。
采气工考试:采气工考试知识点 考试时间:120分钟 考试总分:100分遵守考场纪律,维护知识尊严,杜绝违纪行为,确保考试结果公正。
1、问答题 写出气藏分析的主要技术 本题答案:地震技术、地球物理测井监测技术、地球化学检测技术、水动 本题解析:地震技术、地球物理测井监测技术、地球化学检测技术、水动力学和气藏数值模拟。
2、填空题 在其他条件不变的情况 下,气井的合理产气量随地层压力下降而( )。
本题答案:下降 本题解析:下降 3、名词解释 高含硫气井 本题答案:根据SY/T6168-1995气藏分类气藏分类,产出的天然气中硫化氢体积百分含量为2~<10%的气井。
4、问答题 中毒现场的急救方法有哪些? 本题答案:(1)使中毒人员离开工作点,呼吸新鲜空气,松开衣服静卧 本题解析:(1)使中毒人员离开工作点,呼吸新鲜空气,松开衣服静卧; (2)呼吸困难者应做人工呼吸或给氧气; (3)清洗有毒物质污染的部分。
5、填空题 按烃类组成天然气可分为贫气和富气等,贫气是指丙烷及以上烃类含量少于(姓名:________________ 班级:________________ 学号:________________--------------------密----------------------------------封 ----------------------------------------------线----------------------)的天然气。
本题答案:100cm/m本题解析:100cm/m6、问答题简述气井生产动态分析内容?本题答案:①分析气井配产方案和工作制度是否合理;②分本题解析:①分析气井配产方案和工作制度是否合理;②分析气井生产有无变化及变化的原因;③分析各类气井的生产特征和变化规律,进一步查清气井的生产能力,预测气井未来产量和压力变化,气井见水和水淹时间等;④分析气井增产措施及效果;⑤分析井下和地面采输设备的工作状况。
采气工程题库答案一、名词解释:1.天然气的净热值:从天然气高热值中减去实际上不能利用的汽化潜热所剩余的热值。
2.气井工作制度:适应气井产层地质特征和满足生产需要时,气井产量和生产压差应遵循的关系。
3.天然气矿场集输:将气田各气井生产的天然气,经分离、调压和计量后集中起来输送到天然气处理厂或直接进入输气干线的全过程。
4.流出系数:通过节流后的体积流量与理论值的比值。
5.露点:指在一定的压力下天然气中水蒸汽开始冷凝结露的温度。
6.气井系统:采出流体从储层供给边界到计量分离器的整个流动过程。
7. 天然气的燃烧热值:单位体积或单位质量天然气燃烧时所发出的热量。
8.气井合理产量:对一口气井有相对较高的产量,在该产量下有一定稳产时间的产量。
9.采气井场流程:气井采出的含有液(固)体杂质的高压天然气变为适合矿场输送的合格天然气的各种设备组合。
10.可膨胀性系数:是一个经验表达式,用以修正天然气流经孔板时因速度变化而引起的流量变化。
11.水合物:是一种由水分子和碳氢气体分子组成的结晶状固态简单化合物12.气井系统分析:把气流从地层到用户的流动作为一个研究对象,对全系统的压力损耗进行综合分析。
13.天然气的组成:组成天然气的各组分在天然气中所占数量的百分比。
14.凝析气井:在地下深处高温高压条件下呈气态,经采到地面后,由于温度、压力降低,部分气体凝结为液态的气井。
15.流通能力:当阀前后压差为0.101MPa,密度为1g/cm3的流体每小时通过阀的体积流量数。
16.排水采气:排除井筒积液,降低井底回压,增大井下压差,提高气井带水能力和自喷能力,确保产水水气井正常采气的生产工艺。
17.饱和含水气量:在一定条件下,天然气与液态水平衡时的含水汽量。
18. Inflow Performance Relationship:在地层压力不变的条件下,井底流压与相应产气量之间的关系曲线。
19.临界流动:流体在油嘴孔道里被加速到声速时的流动状态。
采气工考试:采气中级工考试考试资料(最新版) 考试时间:120分钟 考试总分:100分遵守考场纪律,维护知识尊严,杜绝违纪行为,确保考试结果公正。
1、单项选择题 通过( )可对气层进行研究、压井、增产、堵水等井下作业。
A.气藏 B.气层 C.气井 D.地面工艺 本题答案: 2、判断题 用于封隔地表附近不稳定的地层或水层的套管是表层套管。
本题答案: 3、单项选择题 下列不属于Z 分模型需要计算的比率的是( )A.营运资本/资产总额 B.未分配利润/资产总额 C.股票的市值与资产总额 D.扣除利息和所得税前的利润/资产总额 本题答案: 4、判断题 不稳定试井又分为单井不稳定试井和压力恢复试井。
本题答案: 5、单项选择题 在漫长的地质历史时期,由于地壳的不断运动,使得地壳表面起伏不平,下降的地区形成洼陷,接受沉积的洼县区域称为( )A.沉积相姓名:________________ 班级:________________ 学号:________________--------------------密----------------------------------封 ----------------------------------------------线----------------------B.沉积盆地C.陆相沉积D.沉积环境本题答案:6、单项选择题为确保旋塞上的()个密封脂注入槽都与密封脂供应源连接,加密封脂时阀门应处于全开或全关状态。
A.1B.2C.3D.4本题答案:7、判断题气体涡街流量计是一种容积式流量计。
本题答案:8、单项选择题裸眼完井的油气层完全裸露,油气流动的阻力小,在相同地层压力下,气井的()高。
A.压力B.温度C.产量D.无阻流量本题答案:9、单项选择题关于底水的说法错误的是()A.底水是自由水B.底水是地层水C.有底水的气藏同时又边水D.有底水的气藏不一定有边水本题答案:10、单项选择题机器的功率常采用hP做单位,lhP等于()。
采气工考试:采气初级工考试考试资料(最新版) 考试时间:120分钟 考试总分:100分遵守考场纪律,维护知识尊严,杜绝违纪行为,确保考试结果公正。
lC 、集液段 D 、沉降空间 本题答案: 6、填空题 受局部构造所控制的同一面积范围内的气藏总和称为( )。
本题答案: 7、单项选择题 为防止电磁感应,交叉管道相距不到( )时,也应用金属线跨接。
A 、lm B 、0.1m C 、0.5m D 、3m 本题答案: 8、单项选择题 取水样时,水样瓶标签上的内容有( )。
A 、取样气田 B 、井号 C 、取样日期 D 、以上都是 本题答案: 9、单项选择题 差压变送器的高压端如果存在外漏,则测量值比真实值( )。
A 、偏大 B 、不变姓名:________________ 班级:________________ 学号:________________--------------------密----------------------------------封 ----------------------------------------------线----------------------C、偏小D、不确定本题答案:10、问答题气层中的天然气靠本身的能量进入井底后,有几种方式采出地面?本题答案:11、判断题分离器主要是分离天然气中的液(固)体杂质、硫化氢、二氧化碳等气体。
本题答案:12、单项选择题公称直径通常用符号DN表示,若某管子的内径为51mm,则管子的规格型号表示为()。
A、DN51B、DN57C、DN50D、DN573本题答案:13、问答题按地层水在气藏中的位置可分为哪几类?本题答案:14、单项选择题压裂液的含砂比越大,射孔孔眼产生的摩阻()。
A.越小B.越大C.不变D.越小或不变本题答案:15、单项选择题地质储量为1000~7500亿m3的气田是()。
A.小型气田B.中型气田C.大型气田D.特大型气田本题答案:16、单项选择题由一条贯穿于气田的主干线,将分布在干线两侧气井的天然气通过支线纳入干线的集气管网叫()集气管网。
采气工考试:采气初级工考试知识点(最新版) 考试时间:120分钟 考试总分:100分遵守考场纪律,维护知识尊严,杜绝违纪行为,确保考试结果公正。
1、问答题 何谓气藏? 本题答案: 2、单项选择题 在气田集输工艺中使用清管阀的优点,不包括:( )。
A 、设备占地面积小 B 、简化清管作业工艺 C 、收球操作无需排污 D 、操作简便 本题答案: 3、填空题 天然气由生油气层向储集层运移时,以静压力和( )为主。
本题答案: 4、判断题 建筑物越高,遭雷击的机会越低。
本题答案: 5、单项选择题 油管是垂直悬挂在井里的钢制空心管柱,一般下到( )。
A 、油管底部 B 、气层中部 C 、气层底部 D 、气层顶部 本题答案:姓名:________________ 班级:________________ 学号:________________--------------------密----------------------------------封 ----------------------------------------------线----------------------6、单项选择题向气井内加入起泡剂,其目的是清除井内的()。
A、天然气B、固体杂质C、积液D、腐蚀产物本题答案:7、判断题在金属表面涂敷涂料形成固态薄膜,保护金属免于腐蚀。
本题答案:8、单项选择题按地层水的活动性分类有()和间隙水。
A、边水B、底水C、夹层水D、自由水本题答案:9、问答题什么是相对地质时代?本题答案:10、单项选择题在下列四种压裂液中,目前最常用的是()压裂液。
A.油基B.水基C.酸基D.汽化本题答案:11、单项选择题压井、洗井、酸化、()都可通过油管进行。
A、下井下压力计B、关井C、开井D、测量井口压力本题答案:12、判断题钻井液属于气田水。
本题答案:13、判断题测量标准孔板内径可以用锐角游标卡尺进行测量。
第七章气井井场工艺第一节天然气矿场集输站场流程复习一、各种排水采气工艺原理、特点及适用条件优选管柱、泡沫、气举及柱塞气举、机抽、电潜泵、其他。
二、天然气矿场集输系统概念及其用途;天然气矿场集输系统:将气井采出的天然气,经分离、调压、计量后,集中起来输送到天然气处理厂或者直接进入输气干线的全过程。
包括:井场、集输管网、各种用途的站场、天然气净化厂等组成。
集输管网类型:树枝状管网、环形管网、放射形管网、成组形管网。
1.树枝状集气管网特点:集气干线只有一条,各气井直接同集气干线连接。
天然气经气井采出后,在井场经加热、调压、分离、计量后进集气干线。
适用于:气田狭窄,气井分布在气田长轴附近的气田。
2.环形集气管网特点:一条集气干线围成环状,各气井管线接在集气干线上。
环形管网如有某处损坏,天然气可以从环的未损坏的另一端继续输出,不影响供气。
适用于:含气面积接近圆形的大型气田。
3.放射形集气管网特点:在站上完成加热、调压、分离和计量,再输入干线或净化厂,各气井以放射状输到集气站,再用输气干线输出。
实际上它是几条集气管网的组合。
适用于:地面被几条深沟所分割的气田。
4.成组形集气管网成组形集气管网:多把放射形和树枝状,或把放射形和环形组合在一起使用。
适用于:面积较大、井数较多的气田。
集气管网的特点:管内压力高、输送介质复杂、井口压力波动影响输送能力、采气井口管理也影响通过能力。
1.集气管网位于天然气集输系统的起点,管内压力高(一般在4~16 MPa),流动介质复杂(含气、油、水和固体杂质),部分气井还含有H2S,CO2、有机硫等腐蚀介质。
设计时要充分考虑安全,进行强度计算,选用抗硫钢材,如用10号、20号碳钢等。
2.集气管网的通过能力直接受井口压力影响,也与气井产出的流体性质变化有关。
3.集气管网运行好坏直接与采气流程的管理有关,最主要的是在采气时把油水分离干净,不要带入集气管线。
三、采气井场装置及作用:调节气井产量;调控输送压力;防止天然气水合物的形成。
采气工理论试题答案第一篇:采气工理论试题答案采气工理论试题一、选择题(每题4个选项,只有1个是正确的,将正确的选项填入括号内,每题1分共30分)1、按断层两盘沿断层面相对位移的方向划分的断层是(D)(A)走向断层(B)倾向断层(C)斜交断层(D)逆断层2、按有无边底水分的气藏是(B)(A)气驱气藏(B)纯气藏(C)水驱气藏(D)均质气藏3、编制气田开发、建设投资决策和分析的依据是(A)(A)探明储量(B)控制储量(C)预测储量(D)地质储量之比4、气液混合物在油管中流动,液体沿油管壁上升,气体在井筒中心流动,气流中含有液滴,这种流态称为(A)(A)环雾流(B)气泡流(C)段柱流(D)雾流5、下列的各种阀,哪些阀安装没有方向性?(A)(A)闸阀,平板阀,旋塞阀门(B)闸阀,安全阀,旋塞阀(C)安全阀,平板阀,旋塞阀(D)截止阀,平板阀,旋塞阀6、在生产中,气开式自力调压阀突然关闭是由下列原因引起的(B)(A)阀芯及阀座刺坏(B)调压阀皮膜破裂(C)指挥器弹簧太长(D)挡板与喷嘴不平行7、CWD-430型天然气差压流量计所记录的静压是指(C)(A)孔板上游处压力(B)孔板下游处压力(C)孔板上游处绝对压力(D)孔板下游处绝对压力8、低温回收凝板油采气流程适用有相当的气量,一般应大于(B)(A)10*104m3/d(B)30*104m3/d(C)50*104m3/d(D)70*104m3/d9、在气田开采中、后期,气水同产井一般应用(A)(A)小油管(B)大油管(C)套管(D)油套管10、在气井生产过程中,氯离子含量上升,气井产量下降,其原因是(B)(A)凝析水在井筒形成积液(B)出边、底水的预兆(C)井壁垮塌(D)油管断裂11、造成气井(藏)产量递减的主要地质因素是(A)(A)地层压力下降(B)边水窜入(C)地层水活动(D)双重介质的差异性12、根据递减指数n值的变化,(5(B)双曲线I型(C)双曲线II型(D)视稳定型13、在杂质固体颗粒的直径和密度相同,气体的密度相同,流动状态(沉流、过渡流、紊流)相同条件下,旋风分离器的分离效果比重分离器(D)(A)好(B)差(C)相同(D)无法比较14、EK系列登记表中,温度变送器的统一标准输出信号是(C)直流电流输出(A)0~4mA(B)4~10mA(C)4~20mA(D)0~20mA15、交流380V是指三相四线制相线间电压,即(B(A)相电压(B)线电压(C)线路电压(D)端电压16、金属导体电阻的大小与(C)(A)导体长度(B)导体截面积(C)外界电压(D)材料性质17、在易燃易爆的场所、有腐蚀气体的场所和露天照明选择正确的灯是(A)(A)防爆型密闭型防水型(B)开启型保护型防水型(C)密闭型防爆型保护型(D)防水型防爆型开启型18、球阀由以下几个部分组成(B)(A)调节机构,阀体,球体,密封结构(B)阀体、球体,密封结构,执行机构(C)调节机构,球体,密封结构,执行机构(D)调节机构,阀体,球体,密封结构19、用于调节天然气流量或压力的阀有(B)(A)平板阀(B)减压阀(C)止回阀(D)调压阀20、气、油、水的的系数相比较,正确的是(B)(A)天然气>原油>水(B)原油原油>天然气(D)原油>天然气>水21、(D)是在平面上分类的褶曲。
采油采气复习资料一、基本知识1、井控:是实施油气井压力控制的简称。
井控技术是安全实施井下作业的关键和保障。
2、井控分级根据井控内容和控制地层压力程度的不同,井控作业通常分为三个阶段或三级,即一级井控、二级井控、三级井控。
3、溢流、井涌、井喷、井喷失控反应了地层压力与井底压力失去平衡后井下和井口所出现的各种现象及事故发展变化的不同严重程度。
4、井控工作中“三早”内容早发现:将溢流量控制在1〜2m3发现,这是安全、顺利关井的前提。
早关井:在发现溢流或预兆不明显、怀疑有溢流时,应停止施工作业,立即按关井程序关井。
早处理:在准确录取溢流数据和填写压井施工单后,应尽快节流循环排出溢流、进行压井作业。
5、油气比:油井生产时,油和气同时从井内排出,每吨原油所带出的天然气量(m3),称为油气比。
6.油气的流动特点:天然能量驱动、外力驱动7、完井方法:射孔完井法(应用最多的一种完井方法);裸眼完井法(中低渗透砂岩油田需压裂改造,裸眼完井不宜釆用);割缝衬管完井法;砾石充填完井法(适用于胶结疏松严重出砂的地层)8、压力的表示方法(1)用压力的单位来表示。
MPa(2)用地层压力梯度来表示。
kPa /m(3)用流体当量密度来表示。
1.0g/cm3(4)用压力系数来表示。
如: 1.09、地层压力Pp:是指作用在地层孔隙内流体上的压力,也称地层孔隙压力。
正常地层压力为1・0〜l・07g/cm3异常高压P p>1.07g/cm3异常低压P p<1.0 g/ cm3 10、溢流发生必须具备两个条件:a •井底压力V地层压力b・溢流地层必须具备必要的渗透性,允许地层流体进入井内11、硬顶法压井技术的操作程序%1关井,确定油管压力,若通过套管进行挤压,则确定套管压力。
%1缓慢开泵,当泵压超过井压时,井中流体开始进入到地层中去。
这个压力可能会大大高出关井压力,但不要超过最大允许值。
当估计压井液接近地层时,慢慢降低泵速。
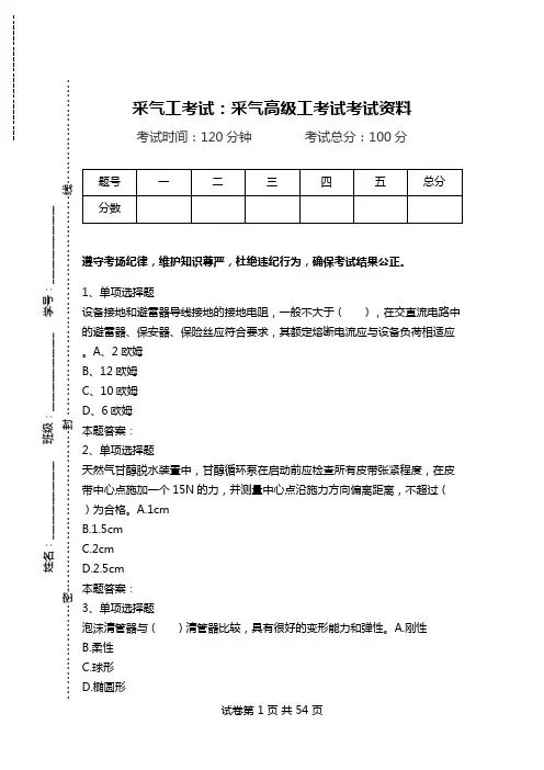
采气工考试:采气高级工考试考试资料 考试时间:120分钟 考试总分:100分遵守考场纪律,维护知识尊严,杜绝违纪行为,确保考试结果公正。
1、单项选择题 设备接地和避雷器导线接地的接地电阻,一般不大于( ),在交直流电路中的避雷器、保安器、保险丝应符合要求,其额定熔断电流应与设备负荷相适应。
A 、2欧姆 B 、12欧姆 C 、10欧姆 D 、6欧姆 本题答案: 2、单项选择题 天然气甘醇脱水装置中,甘醇循环泵在启动前应检查所有皮带张紧程度,在皮带中心点施加一个15N 的力,并测量中心点沿施力方向偏离距离,不超过( )为合格。
A.1cm B.1.5cm C.2cm D.2.5cm 本题答案: 3、单项选择题 泡沫清管器与( )清管器比较,具有很好的变形能力和弹性。
A.刚性 B.柔性 C.球形 D.椭圆形姓名:________________ 班级:________________ 学号:________________--------------------密----------------------------------封 ----------------------------------------------线----------------------本题答案:4、单项选择题天然气计量导压管系统应进行强度试压,强度试验压力为工作压力的()倍。
A.1.5B.1.25C.1.1D.1.0本题答案:5、名词解释平板阀和平行闸板阀的主要区别是什么?本题答案:6、判断题对采气管线加注缓蚀剂,减缓或防止金属设备的腐蚀以减少硫化铁的生成。
本题答案:7、单项选择题天然气低温分离的关键在于()A.低温制冷对压力的控制B.低温制冷对温度的控制C.低温制冷对流量的控制D.低温制冷对注醇量的控制本题答案:8、单项选择题清管器运行速度一般宜控制在()。
A、3.5~5m/sB、3~5m/sC、3~8m/sD、5~10m/s本题答案:9、单项选择题气开式薄膜调节阀没有仪表风供给时处于()状态A.开启B.关闭C.不确定D.半开本题答案:10、单项选择题进行清管作业时,收球方在收到清管球后,应对清管球进行()工作。
采气工试卷及答案一、判断题(共100题,共200分)1.随着生产的延续,残酸水的量是逐渐减少的正确错误2.所有气井在投产初期均要产出一定量的钻井液正确错误3.不是所有气井都存在外来水正确错误4.不同性质的外来水对气井生产的影响程度是不同的正确错误5.地面水是气井产出的非地层水的一种,但不是每口气井都会产出地面水正确错误6.地面水是在井下作业过程中带入井筒,渗入产层,随生产过程又被带出井口的水正确错误7.探明储量是不同级别储量中最准确的储量正确错误8.在我国通常说的二级储量指的是探明储量正确错误9.控制储量是不同级别储量中最准确的储量正确错误10.活塞式压力计只能作为标准器使用正确错误11.预测储量是不同级别储量中最准确的储量正确错误12.在我国通常说的三级储量指的是预测储量正确错误13.碳酸盐岩储集层为双重介质储层正确14.由于碳酸盐岩储层储集空间分布的不均一性,在同一气田的高产井周围,可能出现低产井或干井正确错误15.稳定试井一般分为放喷、关井测压、稳定测试三个过程正确错误16.稳定试井时,对于长期连续生产、井下无积液的纯气井可以不进行放喷正确错误17.稳定试井测试产量一般以相同的产量间隔由小到大递增正确18.稳定试井产量一般取2~3个工作制度正确错误19.气井关井后压力的变化瞬时就传播到整个地层正确错误20.在各类气田水中,地层水和残酸水的氯离子含量最高正确错误21.地层水的氯离子含量一定比非地层水的氯离子含量高正确错误22.气井生产时,套压和油压以及产气量突然都发生下降,井壁可能发生垮塌正确错误23.油管生产时,在产气量不变的情况下,油压突然和套压相同,说明井底附近油管断裂正确错误24.当出站闸阀闸板断落时,采气曲线上表现为套油压力升高,产气量降低或回零正确错误25.当针阀处发生冰堵时,采气曲线上表现为套油压力下降,产气量上升正确26.利用采气曲线划分气井生产阶段,当气井井口压力递减很快时,也可划分为递减阶段正确错误27.气井投产几个月后就能利用采气曲线划分气井生产阶段正确错误28.控水采气是通过控制气流带水的最小流量或控制临界压差来实现,保持无水采气正确错误29.排水采气就是化学排水采气正确30.集气站应在进站截断阀之前和出站截断阀之后设置泄压放空系统正确错误31.采气树由闸阀、角式节流阀、大四通组成正确错误32.采气树上的压力表一般要求安装压力表缓冲器正确错误33.当采用油管生产,短时间关井可以只关油管闸阀正确错误34.采气树的角式节流阀可以实现气井压力、产量无级调节正确错误35.压力相同时,天然气的相对密度越大,生成水合物的温度越高正确错误36.温度相同时,天然气的相对密度越大,生成水合物的压力越高正确错误37.对甲烷而言,在压力为6兆帕时,水合物的生成温度是8℃;若低于8℃时,就不会生成水合物正确错误38.多井集气流程的工艺过程必须包括:加热—节流—分离—计量等几部分正确错误39.多井集气流程适用于流体性质、压力系统接近的单井正确错误40.对天然气加热主要是防止节流降压时生成水合物正确错误41.水套加热炉的气盘管可以在常压下工作正确错误42.水套加热炉不属于压力容器正确错误43.水套加热炉的气流通道是气盘管正确错误44.水套加热炉是以水为传热介质的正确错误45.水套加热炉是利用热对流原理进行加热的正确错误46.立式重力式分离器、卧式重力分离器是按分离原理来分类的正确错误47.旋风式分离器的进口管为垂直方向正确错误48.重力式分离器都是由筒体、进口管、出口管、排污管组成正确错误49.分离器筒体的横截面积比进口管横截面积相当正确错误50.重力式分离器是利用液、固体杂质密度不同进行分离的正确错误51.过滤分离器多用于矿场压气站的压缩机进气气体的净化正确错误52.孔板装反会使流量值偏高正确错误53.公称通径为DN250的阀门是中口径阀门正确错误54.暗杆闸板阀的开启程度只能按开关圈数确定正确错误55.在需要清管的输气管线上,为便于清管器通过阀门,不允许采用缩径的闸阀正确错误56.涡街流量计适用于气体和液体的计量正确错误57.涡街流量计属于差压式流量计正确错误58.外夹式超声波流量计的传感器可以不接触介质正确错误59.超声波流量计对直管段没有要求正确错误60.旋进旋涡流量计可以用于振动强烈的场所正确错误61.脉动流对旋进旋涡流量的测量有影响正确错误62.井口安全系统的截断阀是闸板阀正确错误63.哈里伯顿井口安全系统的导阀是机械结构的正确错误64.凝析油在流动过程中与管线设备发生摩擦,存在产生静电的可能性正确错误65.铁与铁之间相互摩擦可以产生静电正确错误66.静电对天然气、凝析油不会产生什么后果正确错误67.在天然气生产中,只要防止静电的产生和聚积,就不会发生事故正确错误68.在金属导体中,自由电子在电场力作用下,形成有规则的运动,这种电子的运动叫电流正确错误69.电流所做的功称为电功率。
精选全文完整版可编辑修改《采油工程》课程综合复习资料一、选择题1.注水分层指示曲线平行右移,层段地层压力与吸水指数的变化为()。
A.升高、不变B.下降、变小C.升高、变小D.下降、不变2.油层酸化处理是碳酸盐岩油层油气井增产措施,也是一般()油藏的油水井解堵、增注措施。
A.泥岩B.页岩C.碎屑岩D.砂岩3.压裂后产油量增加,含水率下降,采油指数上升,油压与流压上升,地层压力下降,说明()。
(A)压裂效果较好,地层压力高(B)压裂效果较好,压开了低压层(C)压裂时对地层造成危害(D)压开了高含水层4.下列采油新技术中,()可对区块上多口井实现共同增产的目的。
(A)油井高能气体压裂(B)油井井下脉冲放电(C)人工地震采油(D)油井井壁深穿切5.水井调剖技术主要解决油田开发中的()矛盾。
(A)平面(B)注采平衡(C)储采平衡(D)层间6.油井诱喷,通常有()等方法。
A.替喷法、气举法B.替喷法、抽汲法C.替喷法、抽汲法、气举法D.替喷法、抽油法、气举法7.地面动力设备带动抽油机,并借助于抽油杆来带动深井泵叫()。
A.有杆泵B.无杆泵C.电泵D.水力活塞泵8.()泵径较大,适合用在产量高、油井浅、含砂多、气量小的井上。
A.管式泵B.杆式泵C.电潜泵D.无杆泵9.()就是在新井完成或是修井以后以解除钻井、完井期间形成的泥浆堵塞,恢复油井天然生产能力,并使之投入正常生产的一种酸化措施。
A.酸化B.解堵酸化C.压裂酸化D.选择性酸化10.磁防垢的机理是利用磁铁的()来破坏垢类晶体的形成。
A.作用B.类别C.强磁性D.吸附性11. 目前应用较为广泛的防腐蚀方法是()。
A.刷防锈漆B.实体防腐C.阴极保护D.阳极保护12. 某井产量低,实测示功图呈窄条形,上、下载荷线呈不规则的锯齿状,分析该井为()。
A油井结蜡B出砂影响C机械震动D液面低13. 抽油机不出油,活塞上升时开始出点气,随后又出现吸气,说明()。
A泵吸入部分漏B油管漏C游动阀漏失严重D固定阀漏14. 可以导致潜油电泵井欠载停机的因素是()。
绪论采气工程概论思考题1.你从我国天然气开采利用的发展历程中获得了那些有益的经验教训?2.面对快速发展天然气工业形势,如何处理好速度、规模、效益和可持续发展间的关系?3.气田开发和油田开发有何共同点和差异性?4.学好这门课程的意义是什么?如何学好这门课?第一章天然气的性质复习1.概论:世界天然气发展情况,中国天然气发展趋势等;我国石油天然气发展战略根据中国天然气资源的分布情况,今后10-15 年,我国天然气产业发展的任务是:(1)陆上要立足中部、发展西部,着力形成几个万亿立方米级储量的大型天然气生产基地;(2)海上要立足南海西部和东海、渤海,着力形成近海海域天然气储量和产量增长基地;(3)按照天然气上游勘探开发、中游集输、下游市场利用一体化的发展原则,统筹规划,合理调配,逐步形成上中下游相互推动的天然气工业体系;(4)同时要坚持“气代油、气发电”的结构优化战略,促进天然气在中国一次能源消费结构中的比例从目前的3.8%上升到2020 年的12%左右。
力争到2020 年达到1300 亿立方米;实现天然气供应稳定化、气源多元化、输配网络化、市场规范化。
2.采气工程:在人为干预下,有目的地将天然气从地下开采到地面,并输送到预定位置的工程。
采气:有科学依据地实现将天然气从气层开采到地面的过程。
采气工程:就是在人为干预下,有目的地将天然气从地下开采到地面,并输送到预定位置的工程。
采气工程是指天然气开采工程中有关气田开发的完井投产作业、气井生产系统与采气工艺方式选择、井下作业工艺技术、试井及生产测井工艺技术、增产挖潜措施、天然气生产、井下作业与修井、地面集输与处理等工艺技术和采气工程方案设计的总称。
采气工程特点(与采油工程比较);学习本课程要求、考核办法等采气工程的基本特点:地质和储集层的特殊性:天然气储层大多属中低渗透层,联通性差、水敏酸敏现象严重(美、俄高孔、高渗);中、小型气田多(地质储量大于300亿方几个,美俄上万亿),埋藏深度大(一万米);气藏普遍产水。
第六章气井生产系统动态分析及管理第六章(1) 气井生产系统节点分析本节讲述五个方面内容:1.慨述:气井系统、各部分能量来源及消耗特点等;2.节点分析概念:基本思路、出发点、节点位置选择等;3.气井生产系统分析的用途;4.节点分析步骤;5.用讲解例题的形式讲述节点分析计算方法和步骤。
为什么要进行气井生产系统分析?(气井生产是否合理?是否最优?)生产系统分析,也称节点分析,它是研究气田开发系统中的气藏工程、采气工程和集输工程之间压力与流量关系的方法。
该方法是运用系统工程理论将地层流体的渗流、举升管垂直流动和地面集输系统视为一个完整的采气生产系统,就其各个部分在生产过程中的压力消耗进行综合分析,以气藏能量及预测在生产过程中各节点压力变化的综合分析为依据,预测改变有关主要参数或工作制度后气井产量的变化,优化设计出最大发挥气藏能量利用率的油管直径、井身结构、生产管柱结构、投产方式,并为采气工艺方式及地面集输工程设计提供可靠的技术决策依据。
也可用于设计和评价气井生产系统中各部件的优劣。
本节重点介绍气井节点分析理论方法,结合例题详细介绍节点分析步骤。
1.讨论气井系统组成及相互关系;2.研究各组成流动规律及特征;3.利用例题对节点分析进行研究。
复习一、气井生产系统节点分析目的、意义;目的:是把气流从地层到用户的流动作为一个研究对象,对全系统的压力损耗进行综合分析。
意义:基本思路:是在系统中某部位(如井底)设置解节点,将系统各部分的压力损失相互关联起来,对每一部分的压力损失进行定量评估,对影响流入和流出解节点能量的各种因素进行逐一评价和优选,从而实现全系统的优化生产,发挥井的最大潜能。
基本出发点:(1)系统中任何一点的压力是唯一的;(2)在稳定的生产条件下,整个生产系统各个环节流入和流出流体的质量守恒。
二、气井生产模型:地层渗流、完井段流动、垂直管流、水平管流、嘴流等,(能量来源、消耗、描述)三、普通节点、函数节点、解节点节点(Nodal):是一位置的概念。
6.1第二次测试采气工试题答案一、填空题(30空,每空0.5分,共15分)1、沉积环境包括(自然地理条件)(气候条件)(构造条件)(沉积介质的物理条件)介质的地球化学条件等;2、井筒积液的原因(凝析液)(地层水或层间水)。
3、按不同的自然地理条件划分,一般把沉积相分为(陆相)(海相)和(海陆过渡相)三大类。
4、冲积扇扇面的坡度、沉积层厚度及沉积粒度变化从山口向边缘逐渐(变缓)(变薄)及(变细)。
5、河流根据地貌形态分(辫状河)(曲流河)(网状河)与(顺直河)。
6、在一定条件下,天然气的含水量与饱和含水量之比称为天然气的(相对湿度)。
7、气井的工作制度有(定产量制度)(定井口压力制度)(定井底压差制度)(定井底渗流速度)(定井壁压力梯度制度)。
8、气井出水类型有(水锥型出水)(断裂型出水)(水窜型出水)(阵发性出水)。
9、(露点降)是脱水装置能力的主要指标10、天然气脱水方法(液体吸收法)(固体吸附法)(冷却法)。
二、简答题(6题,每题2.5分,共15分)1、简述利用气井采气曲线,一口气水同产井通常可以划分为几个阶段?答:如果生产时间足够长,可划分为无水采气阶段和气水同产阶段(0.5)。
无水采气阶段划分为:净化阶段、稳产阶段、递减阶段。
(1)气水同产阶段划分为:稳产阶段、递减阶段、低压生产阶段、排水采气阶段(1)。
2、泡沫排水采气原理是什么?答:泡沫排水采气工艺是往井里加入表面活性剂的一种助排工艺。
表面活性剂又叫发泡剂。
(1)向井内注入一定数量的发泡剂,井底积水与发泡剂接触以后,借助天然气流的搅动,生成大量低密度的含水泡沫,减小井内液体的密度,液体随气流从井底携带到地面,达到清除井底积液的目的(1.5)。
3、试回答在气田后期开采工艺流程中,天然气需先进行“增压”后,再进行“脱水”输送的原因。
答:(1)在一定的温度下,压力降低天然气含水量升高,脱水装置处理低压天然气增加了脱水的负荷;(0.5)(2)在处理相同气量的情况下,由于吸收塔允许气体速度的限制,处理低压天然气的吸收塔直径远大于处理高压天然气,装置设备的经济性差;(1)(3)当气田进入增压开采阶段,在脱水装置之前安装增压机组,使脱水装置可按照原设计参数运行,避免了装置的适应性改造。
采气工程期末考试复习资料与思考6第六章气井生产系统动态分析及管理第六章(1) 气井生产系统节点分析本节讲述五个方面内容:1•慨述:气井系统、各部分能量来源及消耗特点等;2•节点分析概念:基本思路、出发点、节点位置选择等;3.气井生产系统分析的用途;4•节点分析步骤;5.用讲解例题的形式讲述节点分析计算方法和步骤。
为什么要进行气井生产系统分析?( 气井生产是否合理?是否最优?)生产系统分析,也称节点分析,它是研究气田开发系统中的气藏工程、采气工程和集输工程之间压力与流量关系的方法。
该方法是运用系统工程理论将地层流体的渗流、举升管垂直流动和地面集输系统视为一个完整的采气生产系统,就其各个部分在生产过程中的压力消耗进行综合分析,以气藏能量及预测在生产过程中各节点压力变化的综合分析为依据,预测改变有关主要参数或工作制度后气井产量的变化,优化设计出最大发挥气藏能量利用率的油管直径、井身结构、生产管柱结构、投产方式,并为釆气工艺方式及地面集输工程设计提供可靠的技术决策依据。
也可用于设计和评价气井生产系统中各部件的优劣。
本节重点介绍气井节点分析理论方法,结合例题详细介绍节点分析步骤。
1•讨论气井系统组成及相互关系;2.研究各组成流动规律及特征;3.利用例题对节点分析进行研究。
复习一、气井生产系统节点分析目的、意义;目的:是把气流从地层到用户的流动作为一个研究对象,对全系统的压力损耗进行综合分析。
意义:基本思路:是在系统中某部位(如井底)设置解节点, 将系统各部分的压力损失相互关联起来,对每一部分的压力损失进行定量评估,对影响流入和流出解节点能量的各种因素进行逐一评价和优选, 从而实现全系统的优化生产,发挥井的最大潜能。
基本出发点:(1)系统中任何一点的压力是唯一的;(2)在稳定的生产条件下,整个生产系统各个环节流入和流出流体的质量守恒。
二、气井生产模型:地层渗流、完井段流动、垂直管流、水平管流、嘴流等,(能量来源、消耗、描述)三、普通节点、函数节点、解节点统分析,必须在系统内设置节点,将系统划分为若干相对独立,又相互联系的部分。
普通节点:气体通过这类节点时,节点本身不产生与流量有关的压降。
节点(Nodal):是一位置的概念。
为了进行系图中节点①、③、⑥、⑦、⑧均属普通节点。
函数节点:气体通过这类节点时,要产生与流量相关的压降。
生产系统中的井底气嘴、井下安全阀和地面气嘴等部件处的节点就是函数节点。
图中节点②、④、⑤均属函数节点。
解节点:在运用节点分析方法解决具体问题时,通常在分析系统中选择某一节点,此节点一般称为解节点。
四、解节点位置选择与研究内容关系:解节点的选择解节点的选择与系统分析的最终结果无关。
所选解节点位置应有利于研究和分析在整个系统中不同因素对流量的影响。
解节点处既反映了气井的流入能力,同时也表明了气井的流出能力。
在这一点,系统内的两部分被统一起来,形成一个整体。
解节点位置选择与研究内容关系:(1)解节点选在井口处有利于分析地面生产设施的影响选井底为解节点有利于分析气层供气能力和井筒举升能力(3)选系统终端为解节点有利于分析变化对整个井网对各井生产的影响(4)油嘴或完井段为解节点有利于分析气层供气能力和井筒举升能力五、流入曲线、流出曲线定义,以及协调点。
(与IPR曲线区别)解节点处的压力与产量的关系必须同时满足流入和流出两条动态曲线关系。
如前所述,解节点处的压力和产量都是唯一的,故只有两条曲线的交点才能满足上述条件。
因此,我们把该交点称为协调点。
协调点只反映气井在某一条件下的生产状态,并不是气井的最佳生产状态。
六、节点分析用途:气井生产系统分析的用途1.对已开钻的新井,根据预测的流入动态曲线,选择完井方式及有关参数,确定油管尺寸,合理的生产压差;2.对已投产的生产井,能迅速找出限制气井的不合理因素,提出有针对性的改造及调整措施,使之达到合理的利用自身能力,实现稳产高产;3•优选气井在一定生产状态下的最佳控制产量; 4.确定气井停喷时的生产状态,从而分析气井的停喷原因;5.确定排水采气时机,优选排水采气方式;5.对各种产量下的开采方式进行经济分析寻求最佳方案和最大经济效益;6.选用某一方法(如产量递减曲线分析方法)预测未来气井的产量随时间的变化;7.可以使生产人员很快找出提高气井产量的途径;综上所述:对于新井,使用节点系统分析方法可以优化完井参数和优选油管尺寸,这是完井工程最关注的问题。
对于已经投产的油气井,使用节点分析有助于科学地管理好生产。
一、气井生产系统分析步骤1•建立生产模型。
针对要分析研究对象建立系统各流动过程并加以抽象,用数学模型进行描述;2•根据研究目标确定系统具体对象及节点位置;并输入描述该系统的属性参数以及系统始端和终端的边界压力;3.绘制流入曲线:从系统的始端沿流动方向至节占・八\、J改变流量:从系统的始端(平均地层压力)至节点沿流动方向,按节点下游各流动过程的数学模型计算相应的节点压力,绘制节点流入曲线;4.绘制流出曲线:从系统终端逆流动方向至节占;八\、J改变流量:从系统终端(如分离器、井口)至节点逆流动方向,按节点上游各流动过程的数学模型计算相应的节点压力,绘制节点流出曲线;5.求解该系统产量,即节点流入、流出曲线交点的流量值;6.完成确定目标的敏感参数优化分析。
二、普通节点分析方法及步骤;普通节点:气体通过这类节点时,节点本身不产生与流量有关的压降。
1.取地层为解节点的节点分析(1)该井是由地层和井筒组成的气井生产系统,没有地面集输气管线,因此在计算总压力损失时不应包括地面管线部分;(2)取地层外边界为解节点。
流入部分:地层外边界,压力为恒定值,等于地层压力;流出部分包括:从地层外边界到井口;节点流入压力:节点流出压力:(3)计算流入动态曲线。
这时流入节点压力不随产量变化,恒等于地层压力(4)计算流出动态曲线。
流出节点压力是井口压力、井筒压力损失和地层压力损失的总和。
流出动态曲线按如下方法计算:1)假设一系列产量,对每一产量完成下列计算;2)由井口压力和单相气体垂直管流计算方法,计算井底压力;3)根据井底压力和气井产能方程,计算地层压力,该压力就是流出节点压力;4)将计算结果列于表(5)绘制流入和流出动态曲线。
(6)求解协调点。
2.取井底为解节点的节点分析作用:分析气层供气能力和井筒的举升能力,以便优选油管尺寸和控制井口压力。
(1)取井底为解节点。
则流入部分包括从地层外边界到井底;流出部分包括从井底到井口;节点流入压力一IPR方程:节点流出压力:(2)计算流入动态曲线。
假设一系列产量,对每一产量,根据地层压力和气井产能方程,计算井底压力,该压力就是流入节点压力,(3)计算流出动态曲线。
假设一系列产量,对每一产量,由井口压力和单相气体垂直管流计算方法,计算井底压力,该压力就是流出节点压力,(4)绘制流入和流出动态曲线。
(5)求解协调点。
3.取井口为解节点的节点分析作用:分析地面生产设施的影响(地面管线长度、管径及分离器压力等)。
(1)取井口为解节点。
则流入部分包括从地层外边界到井口;流出部分为井口,压力为恒定值,等于井口压力;节点流入压力:节点流出压力:(2)计算流入动态曲线。
流入节点压力是地层压力减去地层压力损失和井筒压力损失。
流入动态曲线按如下方法计算:即假设一系列产量,对每一产量完成下列计算;1)根据地层压力和气井产能方程,计算井底压力;2)由井底压力和单相气体垂直管流计算方法,计算井口压力,该压力就是流入节点压力;3)将计算结果列于表。
(3)计算流出动态曲线。
流出节点压力不随产量变化,恒等于井口压力,见(4)绘制流入和流出动态曲线。
(5)求解协调点。
结论:在不同解节点下进行节点分析所获得的产量相同,均为9.32X 104m3/d。
说明产量与解节点的位置无关。
但是解节点的位置不同,节点的压力不同,流入和流出动态曲线的形状不一样。
三、敏感性分析:井口压力、油管尺寸、表皮系数。
影响气井产能的因素:油管尺寸、表皮系数、射孔密度、井口压力、地层压力等。
采用敏感参数分析方法可以分析它们对气井产能的影响。
敏感参数分析是以节点分析为基础的。
1.井口压力对气井产能的影响:由图可见,降低井口压力,可以提高气井产量。
当井口压力高于6MPa时,井口需用针形阀节流调压。
当井口压力低于6MPa,则需采用压缩机将井口压力增压至6MPa。
2•油管尺寸对气井产能的影响分析油管尺寸对气井产能影响的步骤如下:(1)将解节点取在井底处;(2)计算流入动态曲线。
假设一系列产量,根据地层压力和产能方程计算井底压力,即流入节点压力;(3)计算流出动态曲线。
对分析的油管尺寸,假设一系列产量,根据井口压力和单相气体垂直管流方法,计算井底压力,即流出节点压力;(4)绘制流入和流出动态曲线;(5)求出流入和不同油管尺寸下流出动态曲线的协调点;(6)将油管尺寸和产量数据绘制成图。
结论分析:(1)由此可以看出,当油管直径从1”增到2” 时,其产量增加幅度很大;当管径增到2?”时,产量有一定的增加,但幅度减小;管径再增加产量增加非常小。
(2)对于1?”以上的油管,其摩阻造成的压降可以忽略不计。
油管尺寸的选择只需考虑满足井下作业的要求和气井积液条件。
(3)根据不同油管中气流的压力损失大小,选择不扼制产量的合理尺寸。
(4)当气井产液量增大成为控制产量的重要因素时,应考虑利用携液理论优选小油管尺寸。
3•表皮系数(井壁污染)对气井产量的影响结论:如果采用效果好的增产措施,该井的产能可大大提高。
因此提高增产措施效果,改善近井地带伤害程度是提高气井产能的重要途径。
第一节小结1.掌握什么是气井生产节点分析?为什么要进行节点分析?主要内容?气井节点系统分析就是将流入和流出动态特性综合在一起进行系统分析的一种方法。
在进行气井节点分析时,通常将节点压力和流量作成图,观察节点压力随流量和系统参数的变化,分析压力损失的大小。
气井节点系统分析时,应首先完成In flow和Outflow曲线的拟合计算,求得气井在当前生产状态下真实的Inflow和Outflow能力;而后将In flow 与Outflow 曲线综合到一个图解上,如图所示;再分析比较流入和流出特征,便可求得气井生产动态2•掌握气井生产系统的组成,以及描述方法?气井系统(生产模型):采出流体从储层供给边界到计量分离器的整个流动过程。
气井生产系统由储层、举升油管、针形阀、地面集气管线、分离器等多个部件串联组成,典型气井生产系统如图6-1所示。
气流从储层流到地面分离器一般要经历多个流动讨程。
不同的流动过程遵循不同的流动规律,它们相互联系,互为因果地处于同一水动力学系统。
包括以下几个互相联系的组成部分:①气层:多孔介质(含裂缝);②完井段:井眼结构发生改变的近井地带(由于钻井、固井、完井和增产措施作业所致);③举升管柱:垂直或倾斜油管、套管或油套环空(带井下油嘴和井下安全阀);④人工举升装置:用于排液的有杆泵、电潜泵或气举阀等;--- ⑤井口阻件:地面油嘴或针型阀等节流装置.⑥地面集气管线:水平、倾斜或起伏管线;⑦分离器。