医院环境卫生学监测方法表格
- 格式:doc
- 大小:87.50 KB
- 文档页数:3
环境卫生学监测标准汇总表
②怀疑医院感染暴发或疑似暴发与医院环境、物品及医务人员手等有关时,应进行目标微生物监测;
③采样后应尽快对样品进行相应指标的检测,送检时间不得超过4h;若样品保存于0℃~4℃时,送检时间不得超过24h;
④不推荐医院常规开展灭菌物品的无菌检查,当流行病学调查怀疑医院感染事件与灭菌物品有关时,进行相应物品的无菌检查。
常规监督检查可不进行致病性微生物检测,涉及疑似医院感染暴发、医院感染暴发调查或工作中怀疑微生物污染时,应进行目标为生物的检测。
1. 采样时间:常规在消毒处理后进行采样。
2. 采样方法:用 5cm×5cm 的标准灭菌规格板,放在被检物体表面, 采样面积≥100cm 2 ,连续采样 4 个,用浸有含相应中和剂的无菌洗脱 液的棉拭子 1 支,在规格板内横竖往返均匀涂擦 5 次, 并随之转动棉 拭子,剪去手接触部位后,将棉拭子投入 10ml 含相应中和剂的无菌 洗脱液试管内, 即将送检。
门把手等不规则物体表面用棉拭子直接涂 擦采样。
3.结果判定:1. 采样时间:消毒处理后或者规定的通风换气后与从事医疗活动前采 样。
采样前关好门、 窗,在无人走动的情况下, 静止 10min 进行采样。
2. 采样方法:平板暴露法,根据室内的面积决定。
(1)室内面积≤30 ㎡,设内、中、外对角线 3 点,内外点布点 部位距墙壁 1m 处; 室内面积>30 ㎡,设 4 角及中央 5 点,4 角的布点 部位距墙壁 1m 处。
范围洁净手术室;其他洁净场所 非洁净手术室; 产房;导管室;重 症监护病区;新生儿室等 母婴同室; 血液透析室; 消毒供应中心的无菌物品存放区; 其他普通 住院病区等普通门(急)诊及其检查、治疗(换 药等) 室;感染性疾病门诊和病区菌落总数(CFU/cm 2 )≤5≤5≤10≤10环境类别 Ⅰ类Ⅱ类Ⅲ类Ⅳ类(2)采样方法:将普通营养琼脂平板(直径为 9cm)放在室内 各采样点处,采样高度为距地面 1.5m ,采样时将平板盖打开,扣放 于平板旁,暴露 5min ,盖好后即将送检。
3. 结果判定:Ⅱ类区域:空气平均菌落数≤4 CFU/(15 min ·平皿); Ⅲ、Ⅳ类区域:空气平均菌落数≤4 CFU/(5 min ·平皿)。
洁净手术室空气净化微生物监测包括静态 (空态) 空气采样和动 态空气采样。
1. 静态(空态)空气采样(1)采样时间:新房验收、净化设备检修或者更换后,在洁净系 统自净后与从事医疗活动前采样。
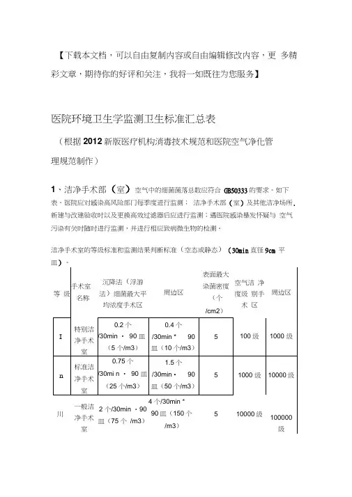
医院环境卫生学监测卫生标准汇总表(根据2012新版医疗机构消毒技术规范和医院空气净化管理规范制作)1、洁净手术部(室)空气中的细菌菌落总数应符合GB50333的要求。
如下表。
医院应对感染高风险部门每季度进行监测;洁净手术部(室)及其他洁净场所.新建与改建验收时以及更换高效过滤器后应进行监测;遇医院感染暴发怀疑与空气污染有关时随时进行监测,并进行相应致病微生物的检测。
洁净手术室的等级标准和监测结果判断标准(空态或静态) (30min·直径9cm平皿)。
空气洁沉降法(浮游表面最大净度级等手术室法)细菌最大平周边区染菌密度周边区别手术级名称均浓度手术区 (个/cm2) 区 0.2个0.4个特别洁 5 100级1000级Ⅰ 净手术/30min·90皿/30min·90(5个/m3) 皿(10个/m3) 室0.75个1.5个标准洁 5 1000级10000级Ⅱ 净手术/30min·90皿/30min·90(25个/m3) 皿(50个/m3) 室4个/30min·一般洁2个/30min·9010000090皿(150个5 10000级Ⅲ 净手术皿(75个/m3) 级/m3) 室300000准洁净5个/30min·90 5 Ⅳ 级手术室皿(175个/m3) 注:1细菌浓度是直接所测的结果,不是沉降法和浮游法互相换算的结果。
浮游法的细菌最大平均浓度采用括号内数值。
2 现在均采用沉降法。
2、各类环境空气、物体表面监测结果判断标准物体表面平均菌环境类别空气平均菌落数暴露时间落数Ⅰ类符合GB50333的≤5cfu/cm2 30min 洁净手术部其他洁净场所要求如上图Ⅱ类非洁净手术部(室)、非洁净骨髓移植病房、产房、≤4cfu/15min·直导管室、新生儿室、器官移≤5 cfu/cm2 15min 径9cm平皿植病房、烧伤病房、重症监护病房、血液病病区等Ⅲ类儿科病房、母婴同室、消毒供应中心、血液透析中≤4cfu/5min·直径≤10 cfu/cm2 5min 心(室);其他普通住院病9cm 平皿区等Ⅳ类妇产科检查室、人流室、治疗室、注射室、换药≤4cfu/5min·直径室、急诊室、化验室、输血≤10 cfu/cm2 5min 9cm平皿科、感染疾病科门诊及其病房注:1、Ⅰ类、Ⅱ类环境物表(如产床表面、产房其他物表)参照2类环境标准。
【下载本文档,可以自由复制内容或自由编辑修改内容,更多精彩文章,期待你的好评和关注,我将一如既往为您服务】医院环境卫生学监测卫生标准汇总表(根据2012新版医疗机构消毒技术规范和医院空气净化管理规范制作)1、洁净手术部(室)空气中的细菌菌落总数应符合GB50333的要求。
如下表。
医院应对感染高风险部门每季度进行监测;洁净手术部(室)及其他洁净场所. 新建与改建验收时以及更换高效过滤器后应进行监测;遇医院感染暴发怀疑与空气污染有关时随时进行监测,并进行相应致病微生物的检测。
洁净手术室的等级标准和监测结果判断标准(空态或静态)(30min直径9cm 平皿)。
等级手术室名称沉降法(浮游法)细菌最大平均浓度手术区周边区表面最大染菌密度(个/cm2)空气洁净度级别手术区周边区I 特别洁净手术室0.2个/30min • 90 皿(5 个/m3)0.4个/30min * 90皿(10 个/m3)5100级1000 级n 标准洁净手术室0.75 个/30mi n • 90 皿(25 个/m3)1.5个/30min •90皿(50 个/m3)51000 级10000级川一般洁净手术室2 个/30min ・90皿(75 个/m3)4 个/30min *90皿(150个/m3)510000级100000级IV准洁净 5 个/30min ・905300000手术室皿(175个/m3)级注:1细菌浓度是直接所测的结果,不是沉降法和浮游法互相换算的结果。
浮游法的细菌最大平均浓度采用括号内数值。
2现在均采用沉降法。
2、各类环境空气、物体表面监测结果判断标准环境类别空气平均菌落数暴露时间物体表面平均菌落数I类洁净手术部其他洁净场所符合GB50333的要求如上图30mi n< 5cfu/cm2u类非洁净手术部(室)、非洁净骨髓移植病房、产房、导管室、新生儿室、器官移植病房、烧伤病房、重症监护病房、血液病病区等< 4cfu/15min 直径9cm平皿15mi n< 5 cfu/cm2川类儿科病房、母婴同室、消毒供应中心、血液透析中心(室);其他普通住院病区等< 4cfu/5min 直径9cm平皿5min< 10 cfu/cm2W类妇产科检查室、人流室、治疗室、注射室、换药室、急诊室、化验室、输血科、感染疾病科门诊及其病房< 4cfu/5min 直径9cm平皿5min< 10 cfu/cm2注:1、1类、U类环境物表(如产床表面、产房其他物表)参照2类环境标准。
医院环境卫生学监测卫生标准汇总表(根据2012新版医疗机构消毒技术规范和医院空气净化管理规范制作)1、洁净手术部(室)空气中的细菌菌落总数应符合GB50333的要求。
如下表。
医院应对感染高风险部门每季度进行监测;洁净手术部(室)及其他洁净场所. 新建与改建验收时以及更换高效过滤器后应进行监测;遇医院感染暴发怀疑与空气污染有关时随时进行监测,并进行相应致病微生物的检测。
洁净手术室的等级标准和监测结果判断标准(空态或静态)(30min直径9cm平皿)。
等级手术室名称沉降法(浮游法)细菌最大平均浓度手术区周边区表面最大染菌密度(个/cm2)空气洁净度级别手术区周边区特别洁0.2个0.4个I 净手术/30min 90 皿/30mi n 90 5 100级1000 级室(5 个/m3)皿(10 个/m3)n标准洁净手术0.75 个/30min 90 皿1.5个/30mi n905 1000 级10000级注:1细菌浓度是直接所测的结果,不是沉降法和浮游法互相换算的结果浮游法的细菌最大平均浓度采用括号内数值。
2现在均采用沉降法。
2、各类环境空气、物体表面监测结果判断标准消毒供应中心、血液透析中心(室);其他普通住院病区等9cm平皿W类妇产科检查室、人流室、治疗室、注射室、换药室、急诊室、化验室、输血科、感染疾病科门诊及其病房£4cfu/5min 直径9cm平皿5mi n <10 cfu/cm2注:1、1类、U类环境物表(如产床表面、产房其他物表)参照2类环境标准。
2、川类、W类环境物表(如诊疗工作台面、治疗车台面、无菌柜表面、病历夹、门把手、水龙头、床头柜表面等)均参照3类环境标准。
3、空气与物表若怀疑与医院感染暴发有关时,进行目标微生物检测。
3、医务人员手消毒监测结果判断标准(无论哪个科室都是此标准,手术室按照外科手消毒标准)医疗机构应每季度对手术室、产房、导管室、层流洁净病房、骨髓移植病房、器官移植病房、重症监护病房、新生儿室、母婴室、血液透析病房、烧伤病房、感染疾病科、口腔科等部门工作的医务人员手进行消毒效果的监测;当怀疑医院感染暴发与医务人员手卫生有关时,应及时进行监测,并进行相应致病性微生物的检测。
医院环境卫生学监测卫生标准汇总表..个0.40.2个特别洁·皿/30min90Ⅰ净手术级100905级 1000 /30min·/m3)皿个(5/m3) 室 (10个个1.5标准洁0.75个··/30min90皿1000905级10000级 /30minⅡ净手术/m3) 室(50/m3) (25个个皿·一般洁个/30min410000090·/30min个2 级10000(150皿90净手术Ⅲ个5个(75皿/m3)级/m3) 室90·/30min300000准洁净5个Ⅳ 5/m3)皿级(175个手术室细菌浓度是直接所测的结果,不是沉降法和浮游法互相换算的结果。
注:1浮游法的细菌最大平均浓度采用括号内数值。
2 现在均采用沉降法。
Ⅲ类、Ⅳ类环境物表(如诊疗工作台面、治疗车台面、无菌 2类环境标准。
3柜表面、病历夹、门把手、水龙头、床头柜表面等)均参照、空气与物表若怀疑与医院感染暴发有关时,进行目标微生物 3检测。
、医务人员手消毒监测结果判断标准(3无论哪个科室都是此标准,手术室按照外科手消毒标准)医疗机构应每季度对手术室、产房、导管室、层流洁净病房、骨髓移植病房、器官移植病房、重症监护病房、新生儿室、母婴室、血液透析病房、烧伤病房、感染疾病科、口腔科等部门工作的医务人员手进行消毒效果的监测;当胆道镜、(腹腔镜、、内镜消毒、灭菌监测结果判断标准5膀胱镜、灭菌钳等等进入人体的要求无菌,每月生物监测。
、清洁用品的消毒效果监测结果判断标准(布巾、拖布)6怀疑被某致病菌污染或怀疑院感暴发做相应致病菌监测。
未检出致病菌为合格。
规范规定。
cssd7、消毒供应中心监测标准。
详见。
河源市人民医院消毒灭菌效果及环境卫生学监测登记本科室普儿科年度2016目录1、消毒灭菌效果及环境卫生学监测要求 (1)2 23 34 556 67 78 8、9消毒灭菌效果及环境卫生学监测要求一、监测频率:普通科室为每季度的第一个月监测,重点科室每月监测。
二、培养基配送时间:每月第二周的星期二(请各科室配合做好签收工作)。
三、标本的采样与送检及接收时间12、采样后4h内送检,若样本保存于0~4时间为每天8:30~11:30时和14:30~17:00四、采样的注意事项12、物表取341。
七、各科室消毒灭菌效果及环境卫生学监测项目和监测频率见附表2。
八、消毒灭菌效果及环境卫生学监测使用的采样器材一览表,见附表3。
九、医院各区域空气净化方法及净化效果监测见附表4。
十、医务人员手、物体表面、消毒液、内镜消毒效果监测见附表5。
附表1消毒灭菌效果及环境卫生学监测项目计划安排表备注:1、空气培养计划具体到室(间),如换药室或1号手术间。
2、物体表面计划具体到何地何种物表,如换药室治疗台台面或护士站电脑键盘。
3、医务人员手具体到数目,如1位护士的手。
4、其它应具体到名称及数目。
附表2各科室消毒灭菌效果及环境卫生学监测项目和监测频率表附表3消毒灭菌效果及环境卫生学监测使用的采样器材一览表附表4医院各区域空气净化方法及净化效果监测表备注:1、根据《医院空气净化管理规范》(WS/T368-2012)、《医疗机构消毒技术规范》(WS/T367-2012)、《医院洁净手术部建筑技术规范》(GB50333-2013)要求制定。
2、空气采样前,关闭门窗,在无人走动的情况下,静止10min后采样。
附表5医务人员手、物体表面、消毒液、内镜消毒效果监测表备注:根据WS/T367-2012《医疗机构消毒技术规范》、《内镜清洗消毒技术》要求制定。
年月消毒灭菌效果及环境卫生学监测结果登记表年月消毒灭菌效果及环境卫生学监测质量改进表。