PLC与变频器技术应用复习题
- 格式:doc
- 大小:73.00 KB
- 文档页数:6
参考答案项目11.选择(1) A (2) B (3) B (4) D (5) A (6) A (7) B (8) B 2.判断题(1) ×(2) ×(3) ×(4) √(5) √(6) ×3.设计题(1)附图1-1 第3题(1)参考图(2)附图1-2 第3题(2)参考图电气控制与PLC技术应用2(3)附图1-3 第3题(3)参考图(4)附图1-4 第3题(4)参考图参考答案 3项目21.答:C650普通车床电气控制具有QS隔离保护、FU1~FU6短路保护、FR1~FR2过载保护、PE接地保护、交流接触器KM1~KM5的失欠压保护5种保护。
2.答:50卧式车床主轴的正反转是通过交流接触器KM1和KM2主触点实现的。
KM1和KM2主触点在接线上实现了三相交流电流的倒序,从而实现了电动机的正反转。
3.答:(1) 当FU1断一根时,会使主轴电机缺相,在这种情况下启动或运行电动机,会无法启动,并出现很大的“嗡嗡声”,电机过热且会冒烟,烧毁电动机的一相绕组。
(2) 时间继电器KT的作用是防止电流表被启动电流冲坏,在启动的短时间内将电流表暂时短接掉,从而保护了电流表。
如果时间继电器KT是线圈断线,这种保护作用将会失去,电流表可能会烧毁。
4.答:在X62W型万能铣床电路中,YA的作用是快速进给电磁离合器。
当YA得电时,电磁离合器得电而吸合,使快速传动齿轮啮合,工作台实现快速移动。
5.答:SQ1工作台向右进给行程开关;SQ2工作台向左进给行程开关;SQ3工作台向前、向下进给行程开关;SQ4工作台向后、向上进给行程开关;SQ6进给变速冲动开关;SQ7主轴变速冲动开关。
SQ1、SQ2受纵向手柄控制;SQ3、SQ4受十字复合手柄控制;SQ6、SQ7受转速盘的蘑菇形手轮控制。
6.答:(1) 主轴制动采用反接制动方式,其特点是制动力矩大、制动迅速。
(2) 主轴和进给变速冲动的作用是保证变速过程的顺利进行。
PLC与变频器应用技术试卷C一、选择题 (分值20分)1、PLC的基本组成分两大部分,即▁▁▁▁。
A.硬件系统和软件系统 B.主机和外围设备C.中央处理器和存储器 D. 系统程序和用户程序2、PLC控制系统与传统的继电器控制系统相比较,▁▁▁▁不同。
A.发出输入信号的器件 B.发出输出信号的器件C.实现输入、输出信号间逻辑关系的器件3、PLC采用▁▁▁▁工作方式。
A.立即读 B.立即写 C.循环扫描 D.中断4、用户程序执行过程中,在▁▁▁▁阶段,PLC读入所有输入端子的状态,并存入输入暂存器。
A. 输入采样B. 程序处理C. 输出刷新D. 通信服务5、PLC按组成结构分为两大类,其中▁▁▁▁将CPU、存储器、I/O点、电源等硬件都装在一个机壳内。
A.整体式PLC B.模块式PLC C.叠装式PLC D.塔式PLC6、PLC基本单元中,▁▁▁▁是PLC的核心部件,控制所有其它部件的工作。
A.中央处理器 B.存储器 C.I/O单元 D.电源7、存储器是具有记忆功能的半导体器件,掉电后,▁▁▁▁中的内容不能保留,需使用锂电池作为备用电源。
A.只读存储器ROM B.随机存储器RAMC.可擦除可编程只读存储器EPROM D.可擦除可编程只读存储器EEPROM8、FX2N系列PLC的编程语言有三种,其中▁▁▁▁由触点符号、继电器线圈符号等组成,在这些符号上有操作数。
A. 梯形图B. 语句表C. SFC9、FX2N系列PLC中,M8000~M8255为特殊继电器。
当PLC开始运行时,特殊继电器▁▁▁▁为ON,接通时间为一个扫描周期。
A.M8000 B.M8002 C.M8012 D.M801410、FX2N系列PLC中,T0是100ms定时器,若定时器T0的设定值是K60,表示延时▁▁▁▁秒。
A.6 B.60 C.600 D. 6000二、填空题。
(分值20分) 1、世界上第一台PLC是公司于1969年研制出来的。
密封线广西建设职业技术学院期考试(A)卷2009 ~2010 学年第二学期考试科目:变频器与可编程控制器成绩:一、填空题(每小题4分,共28分)1.在程序中,C、T、S、M所代表的编程元件(软继电器)分别是、、、。
2. S7-200 PLC的输出方式,一种是晶体管输出,适用于负载;另一种是继电器输出,适用于负载,直流负载。
3. S7—200系列PLC,元件寻址(取用元件)除了按“位”寻址(例如Q0.1)外,还可以写成QB0、MW10,其中B的含义是,W的含义是。
4. 一计数器指令如下图,其中有三个错误:(1),(2),(3)。
5. 由PLC驱动的两个接触器,要求不能同时得电的话,在程序中要有,在接触器的连线中也必须有。
6. 变频器基本操作面板上有许多按键,如①,④⑤,⑥。
电动机启动、停止、点动的键是依次是、、。
7. 变频器是用来给电动机调速的。
通过变频器的基本操作面板控制电动机,需按顺序完成三项工作:()频率设置;()恢复工厂设定值;()设置电动机参数。
(请在括号内填上1、2、3顺序号)二、试写出下面给出的梯形图的指令表。
(8分,每错、漏一条指令扣1分)参考指令:LD,LDN,,A,AN,O,ON,ALD,OLD,=,S,R三、程序分析(每个程序5分,共10分)有两个程序如下,I0.0、I0.1、I0.2外部连接按钮。
操作这些按钮,试分析各输出继电器的工作状况。
专业:建筑电气工程技术年级:2008班别:电气0801电气0802姓名:学号:密封线闭卷考试时间:(120 )分钟)))S )Q0.7)程序1:R )Q0.711《变频器与PLC 》试卷第 1 页共 6 页《变频器与PLC 》试卷第2 页共 6 页密封线四、下图为控制一台电动机正反转的程序。
I0.1和I0.2接启动按钮,I0.0接停止按钮,I1.0接热继电器过载保护。
其中有些错漏,请予以改正。
(8分)五、按照给出的程序,画出相应的I/O接线图。
PLC 试题答案及要点归纳汇总1、常用的主令电器有按钮、行程开关和转换开关等。
、交流接触器的灭弧一般采用___________、____________和______________等,直流接触器采用__________灭弧的方式。
、 三相笼型异步电动机常用的降压起动方法有定子串电阻或阻抗减压起动、星形—三角形换接减压起动和延边三角形减压起动 及 自耦变压器减压起动等。
、 实现电动机短路保护,通常采用熔断器.、 为使变速时齿轮易于啮合,X62W 铣床中设置了________________控制线路. 、 PLC 是通过一种周期扫描工作方式来完成控制的,每个周期主要包括输入采样、程序执行、输出刷新三个阶段。
、 说明下列指令意义。
MC 主控指令 ORB 模块或指令 RET 置位指令 LD 动合触头起指令 MPS 进栈指令 RST 复位指令、低压电器按操作方式可分为自动电器和手动电器。
、电气控制系统中常用的保护环节有短路保护、过电流保护、过载保护和电压保护和弱磁保护等.0、电气控制系统图主要有:电气原理图、电气元件布置图和电气安装接线图等。
1、笼型异步电动机常用的电气制动方式有能耗制动和反接制动。
2、PLC 采用周期扫描的工作方式,一个扫描周期主要可分为输入采样、程序执行及输出刷新三个阶段。
3、串联触点较多的电路应编在梯形图的上方,并联触点多的电路应放在梯形图的左方。
4、PLC 主控继电器指令是MCR 。
5 、PLC 的硬件主要由输入电路 、输出电路和内部控制电路三部分组成.6、电磁机构由吸引线圈、铁心、衔铁等几部分组成.7、各种低压断路器在结构上都有主触头、灭弧装置、自由脱扣器和操作机构等部分组成。
8、交流接触器的触点系统分为主触头和辅助触点,用来直接接通和分断交流主电路和控制电路。
9、热继电器是利用电流流过发热元件产生热量来使检测元件受热弯曲,进而推动机构动作的一种保护电器,主要被用作电动机的长期过载保护。
复习题一、填空题1、可编程序控制器的输出接口电路有三种形式:输出、输出和晶闸管输出。
2、可编程序控制器最常用的编程语言有、和状态转移图等,其中是最直观、最简单的一种编程语言。
3、PLC程序执行按循环扫描方式工作,可分为三个阶段,分别是输入扫描、和。
4、扫描周期主要由、指令的种类和CPU的运算速度决定。
5、PLC输入电路接通时,对应的输入继电器为1状态,梯形图中对应的常开触点,6、指令用于单个常开触点的串联连接7、进栈指令为、出栈指令为。
8、用于单个常开触点的并联连接指令为,用于单个常闭触点的并联连接指令为。
9、PLC的结构组成包括电源模块、__________、存储器模块、_________ _。
10、西门子S7-200PLC,定时器的分辨率(脉冲周期)有3种:、和100ms。
11、若梯形图中输出端Q的线圈通电,对应的物理继电器的线圈为1,其外部常开触点;梯形图中对应的常开触点。
12、指令用于单个常闭触点的并联连接。
13、进栈指令为、读栈指令为。
14、用于单个常开触点的串联连接指令为,用于单个常闭触点的串联连接指令为。
二、选择题1、请看下面程序,若QB0连接的负载是信号灯,则按下按钮I0.0后,有( )盏灯亮。
A、3 B、4 C、5 D、62、若VW20中数据为16#AB6C,执行一次移位后结果是()。
A、16#AB6CB、16#5B60C、16#956D D、16#156D3、下图是七段显示译码指令的梯形图,当I0.1为1时,程序执行后数码管显示数据是()。
A、8B、7C、6D、B4、定时器T37设定值为1000,则该定时器定时时间是()。
A、1000S B、100S C、10S D、1S5、以下是变频器的主电路结构,变频器刚上电时,开关S打开,延时结束后闭合,若开关S在变频器一上电时就闭合,会损坏()电路A、整流B、储能C、逆变D、电机绕组6、下图变频器的接线可以实现对电动机的()控制。
A、正传B、反转C、停止D、以上三种控制都能实现7、请看下面程序,若QB0连接的负载是信号灯,则按下按钮I0.0后,有()盏灯亮。
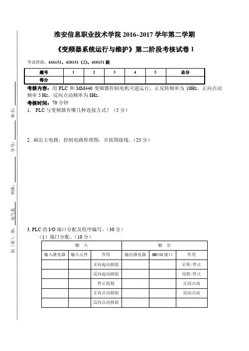
淮安信息职业技术学院2016~2017学年第二学期 《变频器系统运行与维护》第二阶段考核试卷1
考试班级:416151、418151(2)、410151班
考核内容:用PLC 和MM440变频器控制电机可逆运行,正反转频率为10Hz ,正向点动频率5 Hz ,反向点动频率为8Hz 。
考核时间:70分钟
1. PLC 与变频器有哪几种连接方式?(5分)
2. 画出主电路、控制电路原理图,并按图接线。
(25分)
3. PLC 的I/O 端口分配及程序编写。
(30分)
(1)端口分配。
(10分)
院(系)
、部: 电气系 班级: 学号: 姓名:
提醒:元件名称与符号须和电路保持一致。
(2)控制程序设计。
(20分)
4.
5. 调试及功能实现。
错用元件每个扣5分。
按教师指定要求进行功能演示。
(20分)
1)电动机正向运行,f=()
2)电动机反向运行,f=()
3)电动机正向点动运行,f=()
4)电动机反向点动运行,f=()。
《变频器技术应用》试题库一、选择题1、正弦波脉冲宽度调制英文缩写是(C)。
A:PWM B:PAM C:SPWM D:SPAM2、对电动机从基本频率向上的变频调速属于( A )调速。
A:恒功率 B:恒转矩C:恒磁通 D:恒转差率3、下列哪种制动方式不适用于变频调速系统( C )。
A:直流制动 B:回馈制动C:反接制动 D:能耗制动4、对于风机类的负载宜采用(D)的转速上升方式。
A:直线型 B:S型 C:正半S型 D:反半S型5、N2系列台安变频器频率控制方式由功能码( B )设定。
A:F009 B:F010 C:F011 D:F0126、型号为N2-201-M的台安变频器电源电压是( B )V。
A: 200 B:220 C:400 D:4407、三相异步电动机的转速除了与电源频率、转差率有关,还与( B)有关系。
A:磁极数 B:磁极对数 C:磁感应强度 D:磁场强度8、目前,在中小型变频器中普遍采用的电力电子器件是( D )。
A:SCR B:GTO C:MOSFET D:IGBT9、IGBT属于( B)控制型元件。
A:电流 B:电压 C:电阻 D:频率10、变频器的调压调频过程是通过控制(B)进行的。
A:载波 B:调制波 C:输入电压 D:输入电流11、为了适应多台电动机的比例运行控制要求,变频器设置了(A)功能。
A:频率增益 B:转矩补偿 C:矢量控制 D:回避频率12、为了提高电动机的转速控制精度,变频器具有( B)功能。
A:转矩补偿 B:转差补偿 C:频率增益 D:段速控制13、变频器安装场所周围振动加速度应小于( C )g 。
A: 1 B:0.5 C:0.6 D:0.814、变频器种类很多,其中按滤波方式可分为电压型和(A)型。
A:电流 B:电阻 C:电感 D:电容15、N2系列台安变频器操作面板上的SEQ指示灯在()发光。
A:F10=0 B:F10=1 C:F11=0 D:F11=116、N2系列台安变频器操作面板上的显示屏幕可显示( b)位数字或字母。
《维修电工》技能试题姓名:---------准考证号:------------成绩:----------一、试题名称:按图所示,进行PLC+变频器+触摸屏控制小车运动装置的设计,并进行安装与调试。
1、工作过程要求系统启动后,运货小车有变频器控制三相交流电机拖动,(电动机型号为YS—7112、额定功率为1.1KW)右行至右限位,到位后小车停止,打开漏斗翻门装货,10s后漏斗关闭,小车左行至左限位,到位后小车停止左行,底门卸货,8s后底门关闭,完成一次装卸过程(小车底门和漏斗翻门的打开用中间继电器控制)。
2、控制技术要求:(1)系统启动后,小车在左限位处启动向右限位处运动,启动时小车以10赫兹的频率运行6秒后以50赫兹运行10秒然后以10赫兹运行到右限位处停止,开始装料,装料时间到启动小车向左限位处运行,向左运行时小车以15赫兹运行6秒后以50赫兹运行10秒然后以10赫兹运行到左限位处停止并卸料,卸料时间到又启动小车向右限位处运行------如此循环。
(2)对于系统的启动和停止控制方式要求:①启动和停止(采用一只常开按钮SB1):第一次按下SB1按钮后,给出启动信号,小车开始启动右行;第二次按下SB1按钮后,给出停止信号,系统要求将本次运行完成后才能停止。
(3)系统运行时要求要能两地控制,即外接按钮和触摸屏画面控制。
3、完成的工作任务(1)按照系统的控制要求列出plc的I/O分配表。
(2)按照系统的控制要求画出电气原理图并进行模拟盘的电路连接。
(3)根据控制要求编写PLC控制程序和设置变频器参数。
(4)调试小车控制系统和控制程序,达到试题拟订的工作要求和技术要求。
程序编制如下:一、PLC I/o分配(一)输入部分:(二)输出部分1、启动/停止按钮X000 1、小车右行Y0002、左限位开关X001 2、小车左行Y0013、右限位开关X002 3、漏斗翻门Y0024、小车低门Y0035、高速信号Y0046、中速信号Y0057、低速信号Y006二、梯形图三、触摸屏画面。
《PLC与变频器应用技术》试卷A班级:姓名:1、PLC的基本组成分两大部分,即▁▁▁▁。
A.硬件系统和软件系统 B.主机和外围设备C.中央处理器和存储器 D. 系统程序和用户程序2、PLC控制系统与传统的继电器控制系统相比较,▁▁▁▁不同。
A.发出输入信号的器件 B.发出输出信号的器件C.实现输入、输出信号间逻辑关系的器件3、PLC采用▁▁▁▁工作方式。
A.立即读 B.立即写 C.循环扫描 D.中断4、用户程序执行过程中,在▁▁▁▁阶段,PLC读入所有输入端子的状态,并存入输入暂存器。
A. 输入采样B. 程序处理C. 输出刷新D. 通信服务5、PLC按组成结构分为两大类,其中▁▁▁▁将CPU、存储器、I/O点、电源等硬件都装在一个机壳内。
A.整体式PLC B.模块式PLC C.叠装式PLC D.塔式PLC6、PLC基本单元中,▁▁▁▁是PLC的核心部件,控制所有其它部件的工作。
A.中央处理器 B.存储器 C.I/O单元 D.电源7、存储器是具有记忆功能的半导体器件,掉电后,▁▁▁▁中的内容不能保留,需使用锂电池作为备用电源。
A.只读存储器ROM B.随机存储器RAMC.可擦除可编程只读存储器EPROM D.可擦除可编程只读存储器EEPROM8、FX2N系列PLC的编程语言有三种,其中▁▁▁▁由触点符号、继电器线圈符号等组成,在这些符号上有操作数。
A. 梯形图B. 语句表C. SFC9、FX2N系列PLC中,M8000~M8255为特殊继电器。
当PLC开始运行时,特殊继电器▁▁▁▁为ON,接通时间为一个扫描周期。
A.M8000 B.M8002 C.M8012 D.M801410、FX2N系列PLC中,T0是100ms定时器,若定时器T0的设定值是K60,表示延时▁▁▁▁秒。
A.6 B.60 C.600 D. 6000二、填空题。
(分值20分)1、世界上第一台PLC是公司于1969年研制出来的。
2、FX系列的PLC是由公司生产的。
PLC变频练习题设备描述:1.三位选择开关4个:SA1—SA4。
SA1命名为内部控制/ 外部控制选择开关。
SA2命名为手动控制/ 自动控制选择开关。
SA3命名为运行方式1 /运行方式2选择开关。
SA4命名为正向限位/反向限位(模拟)的极限开关。
2.按钮4个:SB1—SB4。
SB1命名为启动按钮。
SB2命名为停止按钮。
SB3命名为正向点动或加速按钮。
SB4命名为反向点动或减速按钮。
3.指示灯4个:H1—H4。
H1常亮表示内部(变频器)控制、低频闪亮表示手动控制、高频闪亮表示自动控制。
H2常亮表示运行方式1、闪亮表示运行方式2。
H3常亮表示一般故障(延时停车),低频闪亮表示报警故障(不停车),高频闪亮表示严重故障(立即停车)。
H4电机速度大于1Hz小于20Hz低频闪亮,电机速度等于20Hz—30Hz之间常亮,电机速度大于30Hz小于50Hz高频闪亮。
4.KM01交流接触器,内/ 外控被选择后接触器通过继电器吸合。
A电流表;电流测量。
V电压表;进线交流电压及直流母线电压测量。
N速度表;电机的转速及频率测量。
R电位计;外部速度给定。
JT紧停按钮;所有系统紧急按钮。
D01—D16中间继电器,根据实际需要进行应用。
任务书一.变频器内部控制;由SA1选择内部控制后,H1常亮表示变频器可由控制面板进行启动/ 停止、正向/ 反向、加/ 减速等任意操作。
二.由SA1选择外部控制后,再由SA2选择手动控制/ 自动控制。
选择手动:可由SB3 或SB4进行10Hz的正反向点动,或者由SB1/ SB2进行启/ 停及R电位计进行手动任意调节速度。
当限位开关作用时(SA4模拟动作)该方向停车。
选择自动:选择自动后再由SA3进行方式1或方式2的选择。
1.方式1:按下启动按钮SB1后,可由加减、速按钮SB3 / SB4对电机进行任意加减速运行,每当升降到整数位置时(10Hz、20Hz、30H、40Hz、50Hz)自动保持5秒,然后继续加减速。
第一题搅拌机控制有一台搅拌机,用三相交流异步电动机拖动,其控制要求如下:(1)工作过程:当按下启动按钮SB1 时,电动机首先正向旋转5分钟,然后停2分钟,然后反向旋转5分钟,停2分钟,然后再正转……如此循环。
(2)停止过程:任何时候,按下停止按钮SB2,电动机停止运行。
(3)电动机速度控制:电动机由变频器驱动控制,电动机正向运行频率为40HZ,反向运行频率为30HZ。
第二题电动机启动控制有一台三相交流异步电动机带动大惯性机械负载,为避免启动和停止时负载冲击,需采用分段速度递增和递减的方式,其控制要求如下:(1)电动机启动:当按下启动按钮SB1时,电动机首先以10HZ频率启动,5分钟后运行频率提高为25HZ,再过5分钟后以40HZ的频率正常运行。
(2)停止过程:按下停止按钮SB2,电动机立即减速至25HZ,5分钟后再次减速至10HZ,再过5分钟后停止运行。
某工作台由一台三相交流异步电动机拖动,在工作台运行的左右两端有限位开关,工作台可以手动运行,也能做自动往返的运行。
其控制要求如下:(1)工作过程:工作台手动运行和自动运行可以利用钥匙开关SA0 来选择。
在SA0 选择手动控制方式时,按下前进按钮SB1,工作台向右前进;按下后退按钮SB2时,工作台向左后退。
在SA0 选择自动控制方式时,按下启动按钮SB3,工作台如果不在最左端,则应向左后退先返回最左端,碰到左端限位开关后,自动向右前进;如果工作台已经在最左端,则工作台直接向右前进。
向右碰到右端限位开关后,工作台停止3分钟,然后向左后退,直至碰到左端限位开关后,工作台继续向右前进……如此循环往复。
(2)停止过程:任何时候,按下停止按钮SB4,工作台立即停止。
(3)电动机速度控制:电动机由变频器驱动控制,电动机手动运行状态下运行频率固定为10HZ。
自动运行模式下,前进运行频率为30HZ,后退运行频率为50HZ。
某工作台由一台三相交流异步电动机拖动,在工作台运行的左右两端有限位开关,工作台在两个限位开关之间做自动往返的运行。
PLC与变频器应用技术实操单选题100道及答案解析1. PLC 输出模块没有输出信号,可能的原因是()A. 程序错误B. 电源故障C. 输出线路断路D. 以上都是答案:D解析:程序错误会导致无法按照预期输出;电源故障会使输出模块无法正常工作;输出线路断路也会造成没有输出信号。
2. 变频器的主要作用是()A. 改变电压B. 改变电流C. 改变频率D. 以上都是答案:C解析:变频器主要用于改变电源的频率,从而实现对电机转速的调节。
3. 在PLC 编程中,常开触点对应的指令是()A. LDB. LDNC. AD. AN答案:A解析:LD 指令用于常开触点。
4. 以下哪种不是PLC 的编程语言()A. 梯形图B. 指令表C. 流程图D. 功能块图答案:C解析:PLC 的编程语言主要有梯形图、指令表、功能块图等,流程图不是PLC 的编程语言。
5. 变频器的参数设置通常通过()完成A. 操作面板B. 计算机软件C. 以上都是D. 以上都不是答案:C解析:既可以通过变频器的操作面板进行参数设置,也可以使用计算机软件来完成。
6. PLC 的工作方式是()A. 等待命令B. 循环扫描C. 中断处理D. 随机工作答案:B解析:PLC 采用循环扫描的工作方式。
7. 要使变频器驱动的电机反转,需要改变的参数是()A. 频率B. 电压C. 转向D. 电流答案:C解析:通过改变转向参数来实现电机的反转。
8. PLC 输入模块的作用是()A. 将外部信号转换为PLC 内部信号B. 输出控制信号C. 存储程序D. 计算数据答案:A解析:输入模块负责将外部的输入信号转换为PLC 内部能够处理的信号。
9. 以下哪种不是变频器的控制方式()A. V/F 控制B. 矢量控制C. 直接转矩控制D. 脉冲宽度调制答案:D解析:脉冲宽度调制是实现控制的一种手段,不是变频器的控制方式,V/F 控制、矢量控制、直接转矩控制是常见的变频器控制方式。
简答题1.按下列逻辑表达式画出它所表征的电路图。
KM = [SB·KA1 + KM(KA1 + KA2)]·FR2.什么是反接制动?什么是能耗制动?各有什么特点及适应什么场合?3.画出带有热继电器过载保护的三相异步电动机启动停止控制线路,包括主电路。
4.试将以上第四题的控制线路的功能改由PLC控制,画出PLC的I/O端子接线图,并写出梯形图程序。
5.既然三相异步电动机主电路中装有熔断器,为什么还要装热继电器?可否二者中任意选择。
6.试比较交流接触器与中间继电器的相同及不同之处,并说明如果采用PLC控制,还需要中间继电器吗,为什么?7.电气控制中,熔断器和热继电器的保护作用有什么不同?为什么?8.两台电动机不同时启动,一台电动机额定电流为14.8A,另一台的额定电流为6.47A,试选择用作短路保护熔断器的额定电流及熔体的额定电流。
9. 电动机的启动电流很大,在电动机启动时,能否使按电动机额定电流整定的热继电器动作?为什么?10. 空气式时间继电器按其控制原理可分为哪两种类型?每种类型的时间继电器其触头有哪几类?画出他们的图形符号。
11. 动合触点串联或并联,在电路中起什么样的控制作用?动断触点串联或并联起什么控制作用?12.说明自动开关DZ10-20/330额定电流大小,极数,并说明它有哪些脱扣装置和保护功能?13.试说出交流接触器与中间继电器的相同及不同之处。
14.在复杂的电气控制中,采用PLC控制与传统的继电器控制有哪些优越性?15.什么是可编程控制器?它的特点是什么?16.可编程控制器梯形图编程规则的主要内容是什么?17.PLC执行程序是以循环扫描方式进行的,请问每一扫描过程分为哪几个阶段?18.请写出以下指令表对应的梯形图。
0 LD X000 11 ORB1MPS 12 ANB2LD X001 13 OUT Y0013OR X002 14 MPP4ANB 15 AND X0075OUT Y000 16 OUT Y0026MRD 17 LD X0107LDI X003 18 ORI X0118AND X004 19 ANB9LD X005 20 OUT Y00310ANI X00621.说明FX0N-40MR型号中40、M、R的意义,并说出它的输入输出点数。
变频器原理与应用复习题一、填空题1.频率控制是变频器的基本控制功能,控制变频器输出频率的方法有面板控制、外接模拟量控制、电位器控制和通讯控制。
2. 变频器的分类,按变换环节可分为交-交型和交-直-交型,按用途可分为通用型和专用型。
3.有些设备需要转速分段运行,而且每段转速的上升、下降时间也不同,为了适应这种控制要求,变频器具有段速控制功能和多种加减速时间设置功能。
4. 变频器是通过电力电子器件的通断作用将工频交流电变换为频率和电压均可调的一种电能控制装置。
5. 变频器的组成可分为主电路和控制电路。
6. 变频调速过程中,为了保证电动机的磁通恒定,必须保证V/f=常数。
7.某变频器需要回避频率为18~22Hz,可设置回避频率值为20Hz。
8. 变频器的主电路由整流电路、滤波与制动电路和逆变电路所组成。
9.变频调速时,基频以下调速属于恒转矩调速,基频以上属于恒功率调速。
11. 变频器的输出侧不能接移相电容和噪声滤波器,以免造成逆变电路开关管损坏或使变频器不能正常工作。
12. 变频器的加速时间是指从0Hz上升到最高频率所需的时间,减速时间是指从最高频率下降到0Hz所需的时间。
14.输入电源必须接到变频器的输入端子R、S、T上,电动机必须接在变频器的输出端子U、V、W上。
15.直流电抗器的主要作用是提高功率因数和抑制电源刚接通时的冲击电流。
16.输入交流电抗器的主要作用是抑制输入电流的高次谐波和提高功率因数。
17.变频器常用的电力电子器件有晶闸管、GTO、GTR、功率MOSFET、IGBT和IPM等。
18. 逆变电路是将直流电变换为频率和幅值可调节的交流电的装置。
19. 变频器的制动单元一般连接在整流电路和逆变电路之间。
二、选择题1.为了提高电动机的转速控制精度,变频器具有(A )功能。
A 转矩补偿B 转差补偿C 频率增益D 段速控制2. 风机类负载属于( B )负载。
A 恒功率B 二次方律C 恒转矩D 直线律3.为了使电机的旋转速度减半,变频器的输出频率必须从60Hz改变到30Hz,这时变频器的输出电压就必须从400V改变到约( C )V。
变频器原理与应用复习是考题一、选择题1、 正弦波脉冲宽度调制英文缩写是C.A PWM B PAM C SPWM D SPAM2、对电动机从基本频率向上的变频调速属于 A调速。
A 恒功率B 恒转矩C 恒磁通D 恒转差率3、下列哪种制动方式不适用于变频调速系统 C .A 直流制动B 回馈制动 C 反接制动D 能耗制动4、对于风机类的负载宜采用 D 的转速上升方式。
A 直线型 B S 型 C 正半 S 型 D 反半 S 型6、型号为 FR-D720 变频器电源电压是AV.A 200 B 220 C 400D 4407、三相异步电动机的转速除了与电源频率、转差率有关 还与A有关系.A 磁极数 B 磁极对数 C 磁感应强度 D 磁场强度8、目前 在中小型变频器中普遍采用的电力电子器件是D。
A SCR B GTOC MOSFETD IGBT9、IGBT 属于B控制型元件.A 电流 B 电压 C 电阻 D 频率10、变频器的调压调频过程是通过控制B进行的。
A 载波 B 调制波 C 输入电压 D 输入电流11、变频器种类很多 其中按滤波方式可分为电压型和A型。
A 电流B 电阻C 电感D 电容12、在变频调速系统中 变频器的热保护功能能够更好地保护电动机的D.A 过热B 过流C 过压D 过载13、变频器是一种B设置 。
A 驱动直流电机 B 电源变换 C 滤波 D 驱动步进电机14、FR—A540 变频器操作面板上的 MON 指示灯在b发光.A 模式切换 B 监视模式 C 参数设定模式 D 运行模式15、FR-A540 变频器操作面板上的 EXT 指示灯在D发光。
A 模式切换 B 监视模式 C 参数设定模式 D 运行模式16、FR-A540 变频器操作面板上的显示屏幕可显示 C 位数字或字母。
A2B3C4D517、在 U/f 控制方式下 当输出频率比较低时 会出现输出转矩不足的情况 要求变频器具有 C 功能。
A 频率偏置 B 转差补偿C 转矩补偿 D 段速控制18、变频器常用的转矩补偿方法有 线性补偿、分段补偿和 B 补偿.A 平方根B 平方率C 立方根D 立方率19、平方率转矩补偿法多应用在B的负载。
微课《PLC控制与变频器的应用》习题
一、判断题
1.与主控触点相连的触点必须用LD或LDI指令。
2.定时器T250使用的时钟脉冲周期都是100ms。
3.辅助继电器可以直接驱动外部设备。
4.线圈处于“ON”状态辅助继电器M558,在PLC电源断电后再次来电时,线圈状态为“ON”状态。
5.M8014产生周期为10ms的脉冲。
二、选择题
1.这是我们YL-235A设备上的E700变频器图中红色的P. 6表示()
A.低速
B.中速
C.高速
D.组合速度
2. 这是我们YL-235A设备上的E700变频器图中红色的P. 5表示()
A.低速
B.中速
C.高速
D.组合速度
3. 下面图中那个是高速()?
A. B. C. D.
4.以下哪个特殊辅助继电器不产生时钟脉冲?
A.M8002 B.M8012 C.M8013 D.M8014 5.如图,当X000闭合时,执行MC N0 M0到()之间的程序。
A. MCR N0
B. MCR N1 Y002
C. MCR N1
D.END。
《PLC与变频器技术应用》复习题1.填空题(1)PLC是通过一种周期扫描工作方式来完成控制的,每个周期包括输入采样、程序处理、输出刷新三个阶段。
(2)定时器的线圈开始定时,定时时间到,常开触点闭合,常闭触点断开。
(3)通用定时器被复位,复位后其常开触点断开,常闭触点闭合,当前值变为0。
(4)OUT指令不能用于输入寄存器X 继电器。
(5)M8002 是初始化脉冲。
当PLC处于RUN状态时,M8000一直为 ON 。
(6)FX2N型PLC的输入/输出继电器采用八进制进行编号,其他所有软元件均采用十进制进行编号。
(7)若梯形图中输出继电器的线圈“通电”,对应的输出映像寄存器为 1 状态,在输出处理阶段后,继电器输出模块中对应的硬件继电器的线圈得电,其常开触点闭合,外部负载得电。
(8)外部输入电路断开时,对应的输入映像寄存器为状态 0 ,梯形图中对应的输入继电器的常开触点断开,常闭触点闭合。
(9)说明下列指令意义。
ORB _____块或______________; RST_________复位___________;LDI_______取反____________ _; MPP_________进栈___________;SET________置位____________; PLS______上升沿微分_________;(10)在PLC指令中,分别表示置位和复位的指令是 SET、RST。
(11)计数器的当前值等于设定值时,其常开触点闭合,常闭触点断开。
复位输入电路断开时,计数器被复位,复位后其常开触点断开,常闭触点闭合,当前值为 0。
(12)变频器具有多种不同的类型:按变换环节可分为交-直-交变频器和交-交变频器;按改变变频器输出电压的方法可分为脉幅调制(PAM) 变频器和脉宽调制(PWM) 变频器。
(13)变频调速时,基频以下的调速属于恒转矩调速,基频以上的调速属于恒功率调速。
(14)变频器是把电压、频率固定的工频交流电变为电压可调和频率可调的交流电的变换器。
(15)在U/f控制方式下,当输出频率比较低时,会出现输出转矩不足的情况,要求变频器具有转矩补偿功能。
(16)三相异步电动机的转速除了与电源频率、转差率有关,还与磁极对数有关。
(17)变频器的加速时间是指工作频率从0Hz上升至基本频率所需的时间;减速时间是指输出频率从基本频率减至0Hz所需的时间。
设定加减速时间的原则是在电动机起动电流不超过允许值的前提下,尽量地缩短加减速时间。
2.选择题。
(1)??PLC是在___A_____控制系统基础上发展起来的。
A.继电接触器B.单片机C.工业计算机D.机器人(2)??一般而言,PLC的I/O点数冗余____D____。
A.10% B.5%C.15% D.20%(3)??PLC主要由CPU模块、输入模块、输出模块和____B_____组成。
A.接触器B.电源C.编程器D.继电器(4)??与左母线相连的触点必须用____A______指令。
A.LD或LDI B.AND或ANIC.OR或ORI D.ORB或ANB(5)??M8013的脉冲输出周期是_____D____秒。
A.5 B.13C.10 D.1(6)??表示1s 时钟脉冲的特殊辅助继电器是____D_______。
A.M8000 B.M8002C.M8011 D.M8013(7)??FX2N-48MR的输出形式是___C_____。
A.晶体管B.晶闸管C.继电器(8) 正弦波脉冲宽度调制的英文缩写是( C )。
A.PWM B.PAMC.SPWM D.SPAM(9) 变频电动机如旋向不对,则可交换( A )中任意两相接线。
A.U、V、W B.R、S、TC.L1、L2、L3D.三种均可(10) 三相异步电动机的转速除了与电源频率、转差率有关,还与( B )有关系。
A.磁极数B.磁极对数C.磁感应强度D.磁场强度(11) 在U/f控制方式下,当输出频率比较低时,会出现输出转矩不足的情况,要求变频器具有( C )功能。
A.频率偏置B.转差补偿C.转矩补偿D.段速控制(12) 三相交流输入电源L1、L2、L3应分别接变频器( B )端子。
A.U、V、W B.R、S、TC.P1、P B、N D.FWD、REV、PE(13)??变频器容量越大,需要制动时的外接制动电阻____B____。
A.阻值大、功率大B.阻值小、功率大C.阻值小、功率小D.阻值大、功率小(14)??变频器主滤波电容器一般____C____年应予更换,以维持变频器性能。
A.1 B.8C.3~5 D.10(15)??变频控制电机出现转速不上升现象,可能原因是___C_____。
A.下限频率设置过低B.上限频率设置过高C.上限频率设置过低D.负载变轻(16)??变频器减速时间设置过小,会引起____C____。
A.过电压B.过电流C.过电压或过电流D.过热3.画出下列指令表程序对应的梯形图。
4.画出下列指令表程序对应的梯形图。
5.写出下图所示梯形图的指令表程序。
6.写出下图所示梯形图的指令表程序。
7.将下图所示梯形图改为主控指令编程的梯形图并转换为指令语句。
8.两台电动机其控制要求如下:M1运转10s,停止5s,M2要求与M1相反,M1停止M2运行,M1运行M2停止,如此反复动作3次,M1和M2均停止。
试设计控制程序。
9.有一个报警电路,要求起动之后,灯在闪,亮,灭,蜂鸣器在响。
等闪烁30次之后,灯灭,蜂鸣器停,间歇5s。
如此进行三次,自动熄灭。
试编写PLC控制程序。
10.冲床机械手运动的示意图如下图所示。
初始状态时机械手在最左边,X4为ON;冲头在最上面,X3为ON;机械手松开(Y0为OFF)。
按下起动按钮X0,Y0变为ON,工件被夹紧并保持,2s后Y1被置位,机械手右行,直到碰到X1,以后将顺序完成以下动作:冲头下行→冲头上行→机械手左行→机械手松开,延时1s后,系统返回初始状态,各限位开关和定时器提供的信号是各步之间的转换条件。
画出PLC的外部接线图和控制系统的程序(包括状态转移图、顺控梯形图)。
11.初始状态时,如右图中的压钳和剪刀在上限位置,X0和X1为1状态。
按下起动按钮X10,工作过程如下:首先板料右行(Y0为1状态)至限位开关X3为1状态,然后压钳下行(Y1为1状态并保持)。
压紧板料后,压力继电器X4为1状态,压钳保持压紧,剪刀开始下行(Y2为1状态)。
剪断板料后,X2变为1状态,压钳和剪刀同时上行,均停止后,又开始下一周期的工作,剪完5块板料后停止工作并停在初始状态。
试画出PLC的外部接线图和系统的程序(包括状态转移图、顺控梯形图)。
12.试问如下软组件为何种类型软组件?由几位组成?X004、D20、S30、K4Y000、X30、K2X000、M800212.答:X004为位元件(1位);D20为字元件(16位);S30为位元件(1位);K4Y000为数组(16位);X30为位元件(1位);K2X000为数组(8位);M8002为位元件(1位)。
13.用两种不同类型的比较指令实现下列功能:对X0的脉冲进行计数,当脉冲数大于5时,Y1为ON;反之,Y0为ON,并且,当Y0接通时间达到10s,Y2为ON。
试编写此梯形图。
14.若要将D10中的偶数(0,2,…,14)位全部取反,而奇数(1,3,…,15)位保持不变,试编写程序实现之。
14.解:梯形图如下图所示。
16题梯形图15.如下图所示,若(D0)=00010110,(D2)=00111100,在X0合上后,(D4)、(D6)、(D8)的结果分别为多少?15题图15.解:(D4)、(D6)、(D8)的结果分别如下:16.试用SFTL位移位指令构成移位寄存器,实现广告牌字的闪耀控制。
用HL1~HL6 6个灯分别照亮“南通纺织学院”6个字,其控制流程要求见表2。
每步间隔1s。
表2 广告牌字闪耀流程16.解:设X0为启动按钮,X1为停止按钮,HL1~HL6分别接于Y1~Y6。
PLC参考程序如下图所示。
第16题参考梯形图17.试用PLC+变频器实现多段速控制系统。
要求如下:按下启动按钮,变频器开始运行,第一段正转运行10s,频率为10Hz;第二段反转运行15s,频率为15Hz,第三段正转运行10s,频率为20Hz;第四段正转运行15s,频率为30Hz;第五段反转运行10s,频率为35Hz;第六段正转运行20s,频率为10Hz;第七段正转运行15s,频率为40Hz;反复循环。
按下停止按钮,停止运行。
设计要求如下:(1)画出PLC控制艾默生变频器实现多速控制电路;(2)编写PLC梯形图程序;(3)变频器的具体参数设置。
17.??1)??根据要求,设计电路如下图所示。
2)??根据控制要求,程序设计如下图所示。
3)??根据控制要求,功能参数设定见下表。
PLC控制变频器实现多段速参数设定18.用艾默生变频器内置PLC功能实现以下速度控制要求。
按下启动控制按钮SB1,电机正转运行45Hz,工作15s后,停10s,再反转运行35Hz,工作10s后,停15s,反复循环,直到按下停止按钮SB2。
停止后再次启动,要求从第一段开始运行。
试画出控制电路图及设定主要功能参数。
18.?1)??根据控制要求,设计电路如下图所示。
2)??根据控制要求,功能参数设定见下表。
继电器控制变频器实现内置PLC功能参数设定。