《变频器技术应用》试题库
- 格式:doc
- 大小:3.12 MB
- 文档页数:10
变频器技术考试试题及答案一、单选题1. 变频器是一种能够改变电源频率以调整电机转速的电力调节装置。
变频器的主要构成部分是:A. 开关电源和主控制器B. 故障保护器和输出滤波器C. 调制器和电流传感器D. 故障保护器和输出滤波器答案:A2. 变频器的主要功能是:A. 调速B. 保护C. 隔离D. 增压答案:A3. 变频器的输出电压为:A. 直流电压B. 正弦波电压C. 方波电压D. 三角波电压答案:B4. 变频器的调速方式通常有:A. 恒转矩调速和恒功率调速B. 恒电流调速和恒功率调速C. 恒转矩调速和恒电流调速D. 恒转矩调速和恒电压调速答案:C5. 变频器的故障保护功能包括:A. 过载保护B. 过温保护C. 欠压保护D. 以上都是答案:D二、填空题1. 变频器的工作原理是通过____________将输入的交流电转换为可调的直流电,再通过____________将直流电转换为可调的交流电输出给电机。
答案:整流器、逆变器2. 变频器的控制方式通常有____________和____________两种。
答案:V/F控制、矢量控制3. 变频器的输出频率范围通常为____________。
答案:0-400Hz三、论述题变频器技术在电力调节领域中的应用日益广泛。
它不仅可以满足电机调速控制的需求,还能提高电机运行效率,降低能耗。
同时,变频器还具有良好的过载保护和故障检测功能,可以有效保护电机免受损害。
在工业生产中,变频器广泛应用于风机、水泵、压缩机等设备的调速控制上。
通过变频器调速,可以根据实际工艺需求,灵活调整设备的运行速度,使其能够更好地适应不同工况和负载要求。
这不仅提高了设备的工作效率,还延长了设备的使用寿命。
此外,变频器技术还能够实现能量回馈,将设备产生的反馈能量反馈给电网,以达到节约能源的目的。
通过回馈能量,可以降低设备的运行成本,提高能源利用效率,减少环境污染。
然而,变频器技术也存在一定的挑战和难点。
变频器原理及应用试卷一.选择题1.下列选项中,按控制方式分类不属于变频器的是( D ).A.U/f B.SF C.VC D.通用变频器2.下列选项中,不属于按用途分类的是( C )。
A.通用变频器 B.专用变频器 C.VC3.IPM是指( B ).A.晶闸管 B.智能功率模块 C.双极型晶体管 D.门极关断晶闸管4.下列选项中,不是晶闸管过电压产生的主要原因的是( A )。
A.电网电压波动太大 B.关断过电压C.操作过电压 D.浪涌电压5.下列选项中不是常用的电力晶体管的是( D )。
A.单管 B.达林顿管 C.GRT模块 D.IPM6.下列选项中,不是P—MOSFET的一般特性的是( D )。
A.转移特性 B.输出特性 C.开关特性 D.欧姆定律7.集成门极换流晶闸管的英文缩写是(B)。
A.IGBT B.IGCT C.GTR D.GTO8.电阻性负载的三相桥式整流电路负载电阻上的平均电压为( A ).A.2。
34 B. C.2。
34 D.9.三相桥式可控整流电路所带负载为电感性时,输出电压平均值为为( A ) A.2。
34 B. C.2。
34 D.10.逆变电路中续流二极管VD的作用是( A )。
A.续流 B.逆变 C.整流 D.以上都不是11.逆变电路的种类有电压型和( A )。
A.电流型 B.电阻型 C.电抗型 D.以上都不是12.异步电动机按转子的结构不同分为笼型和( A )。
A.绕线转子型 B.单相 C.三相 D.以上都不是13.异步电动机按使用的电源相数不同分为单相、两相和( C )。
A.绕线转子型 B.单相 C.三相 D.以上都不是14.三相异步电动机的转速为( B )。
A. B. C. D.以上都不是15.带式输送机负载转矩属于( A )。
A.恒转矩负载 B.恒功率负载C.二次方律负载 D.以上都不是16.卷扬机负载转矩属于( B )。
A.恒转矩负载 B.恒功率负载C.二次方律负载 D.以上都不是17.风机、泵类负载转矩属于( C )。
变频器原理及应用试卷一.选择题1.下列选项中,按控制方式分类不属于变频器的是(D )。
A.U/f B.SF C.VC D.通用变频器2.下列选项中,不属于按用途分类的是(C )。
A.通用变频器B.专用变频器C.VC 3.IPM是指( B )。
A.晶闸管B.智能功率模块C.双极型晶体管D.门极关断晶闸管4.下列选项中,不是晶闸管过电压产生的主要原因的是(A )。
A.电网电压波动太大B.关断过电压C.操作过电压D.浪涌电压5.下列选项中不是常用的电力晶体管的是(D )。
A.单管B.达林顿管C.GRT模块D.IPM 6.下列选项中,不是P-MOSFET的一般特性的是(D )。
A.转移特性B.输出特性C.开关特性D.欧姆定律7.集成门极换流晶闸管的英文缩写是(B )。
A.IGBT B.IGCT C.GTR D.GTO 8.电阻性负载的三相桥式整流电路负载电阻LR上的平均电压OU为(A )。
A.2.342U B.2U C.2.341U D.1U9.三相桥式可控整流电路所带负载为电感性时,输出电压平均值dU为为(A )A.2.342cosU B.2U C.2.341U D.1U 10.逆变电路中续流二极管VD的作用是(A )。
A.续流B.逆变C.整流D.以上都不是11.逆变电路的种类有电压型和(A )。
A.电流型B.电阻型C.电抗型D.以上都不是12.异步电动机按转子的结构不同分为笼型和(A )。
A.绕线转子型B.单相C.三相D.以上都不是13.异步电动机按使用的电源相数不同分为单相、两相和(C )。
A.绕线转子型B.单相C.三相D.以上都不是14.三相异步电动机的转速n 为( B )。
A .160f pB .160p (1)f SC .1f 60pD .以上都不是 15.带式输送机负载转矩属于( A )。
A .恒转矩负载B .恒功率负载C .二次方律负载D .以上都不是16.卷扬机负载转矩属于( B )。
《变频器系统运行与维护》阶段一模拟试卷(5)考试班级:
题号(一)简答题
(二)实操部分
总分1 2 3 4
得分
(一)简答题(30分)
1.某拖动系统为了防止机械谐振,应避免
32HZ~36HZ之间频率的电源,如何设置变频器参
数?
2.说明P0701~P0706参数设置为15、16、17的
区别?15方式最多可以设置几段速?16方式最
多可以设置几段速?17方式最多可以设置几段
速?(15分)
(二)变频调速电路设计(70分)
考核内容:外部端子实现电动机的正反转控制,模拟量输入控制变频器实现电动机的调速。
其中要求频率给定线如图1所示。
1. 画出变频器控制的接线图,并按图接线。
(10分)
2.按照提示,设置变频器参数。
(30分)
(1)参数复位:P0003=1 ;P0010=30;P0970=1
(2)电动机的参数设置(快速调试程序)
P0010=1;P0304=220;P0305=1.93;P0307=0.37;P0310=50;P0311=1400; P3900=1
(3
开关量端子功能参数设置
模拟量对应功能参数设置
3. 电动机正转时,变频器模拟量给定低于1V时,电动机的运行方向是?模拟量给定为0V 时,电动机的运行频率为?要想使模拟量输入端子1V以下的输入时,变频器运行频率都为“0”怎么办?(10分)
4. 演示效果。
(20分)
(1)正、反转运行。
(2。
期末测试题二一、单项选择题(每题1分,共15分)1、PLC是在( )控制系统基础上发展起来的。
A.继电接触器B.单片机C.工业计算机D.机器人2、一般而言,PLC 的I/O点数冗余( )A.10%B.5%C.15%D.20%3、PLC 主要由CPU 模块、输入模块、输出模块和( )组成。
A.接触器B.电源C.继电器D.编程器4、与左母线相连的触点必须用( )指令。
A.LD 或LDIB.AND 或ANIC.OR 或ORID.ORB 或ANB5、M8013 的脉冲输出周期是( )秒。
A.5B.13C.10D.16表示1S 时钟脉冲的特殊辅助继电器是( )A.M8000B.M8002C.M8011D.M80137、 FX2N-48MR 的输出形式是( )A.晶体管B.晶闸管C.继电器D.编程器8、正弦波脉冲宽度调制的英文缩写是( )。
A.PWMB.PAMD.SPAMC.SPWM9、变频电动机如旋向不对,则可交换( )中任意两相接线。
A.U、V、WB.R、S、TC.L1、L2、L3D.三种均可10、三相异步电动机的转速除了与电源频率、转差率有关,还与( )有关系。
A.磁极数B.磁极对数C.磁感应强度D.磁场强度11、在U/f控制方式下,当输出频率比较低时,会出现输出转矩不足的情况,要求变频器身有( )功能A.频率偏置B.转差补偿C.转矩补偿D.段速控制12、三相交流输入电源L1、L2、L3 应分别接变频器()端子。
A.U、V、WB.R、S、TC.P、PP、ND.FWD、REV、PE13、变频器容量越大,需要制动时的外接制动电阻( )A.阻值大、功率大B.阻值小、功率大C.阻值小、功率小D.阻值大、功率小14、型号为FRN30G11S-40的富士变频器适配的电机容量为()KW。
A:30B:11C:40D:1015、高压变频器指工作电压在()kV以上的变频器。
A:3B;5C:6D:10二、不定项选择题(每题2分,共10分)1、变频器主滤波电容器一般( )年应予更换,以维持变频器性能。
《变频器系统运行与维护》阶段一模拟试卷(2)考试班级:
题号(一)简答题
(二)实操部分
总分1 2 3 4
得分
(一)简答题(30分)
1.参数P0700 的作用?列举目前所学的P0700的设定值及其对应功能的描述。
(15分)
2.写出对应图1的频率给定线对应的参数设置(15
分)
(二)变频调速电路设计(70分)
考核内容:外部端子实现电动机的多档速控制。
1. 画出变频器7速控制的接线图,并按图接线。
(10分)
2.按照提示,设置变频器参数。
(40分)
(1)参数复位
P0003=1 ;P0010=30;P0970=1
(2)电动机的参数设置(快速调试程序)
P0010=1;P0304=220;P0305=1.93;P0307=0.37;P0310=50;P0311=1400; P3900=1 (3
7
3. 演示7速切换效果。
(20分)
(1)正确操作,按顺序演示每种速度。
(2)显示每个转速。
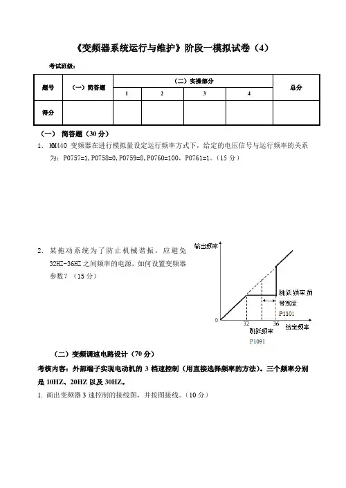
《变频器系统运行与维护》阶段一模拟试卷(4)考试班级:
题号(一)简答题
(二)实操部分
总分1 2 3 4
得分
(一)简答题(30分)
1.MM44O变频器在进行模拟量设定运行频率方式下,给定的电压信号与运行频率的关系为:P0757=1,P0758=0,P0759=8,P0760=100,P0761=1。
(15分)
2.某拖动系统为了防止机械谐振,应避免
32HZ~36HZ之间频率的电源,如何设置变频器
参数?(15分)
(二)变频调速电路设计(70分)
考核内容:外部端子实现电动机的3档速控制(用直接选择频率的方法)。
三个频率分别是10HZ、20HZ以及30HZ。
1. 画出变频器3速控制的接线图,并按图接线。
(10分)
2.按照提示,设置变频器参数。
(30分)
(1)参数复位
P0003=1 ;P0010=30;P0970=1
(2)电动机的参数设置(快速调试程序)
P0010=1;P0304=220;P0305=1.93;P0307=0.37;P0310=50;P0311=1400; P3900=1
(3
开关量端子功能参数设置
上限频率设置为50HZ。
3.若对应速度的外接开关两个闭合,运行速度是多少?若三个开关闭合,运行速度又是多少?实现变频器4速运行最少需要几个开关?如何设置参数?(10分)
4. 演示效果。
(20分)
(1)3速运行。
(2)显示每个速度。
1 判断题(1)基频以下变频调速属于(B )调速。
A.恒功率B.恒转矩C.变压D.变转矩(2)PWM控制方式的含义是(C )A.脉冲幅值调制方式B.按电压大小调制方式C.脉冲宽度调制方式D.按电流大小调制方式(3)对异步电动机进行调速控制时,希望电动机的主磁通(C )A.弱一些B.强一些C.保持额定值不变D.可强可弱,不影响(4)变频器驱动恒转矩负载时,对于U/f 控制方式的变频器而言,应有低速下的(D )提升功能。
A.电流B.功率C.转速D.转矩(5)正弦波脉冲宽度调制英文缩写是( C )。
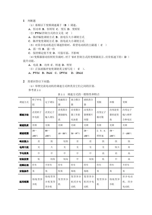
A:PWM B:PAM C:SPWM D:SPAM2 简要回答以下问题:(1)举例交流电动机的调速方式种类及它们之间的区别。
参考表1-1表1-1 调速方式的一般特性和特点(2)请阐述变频调速的优点和控制难点。
优点:1、具备有软启动功能;2、适应不同工况条件下的频繁变速;3、在一定程度上节能。
控制难点:恒磁通控制;低频转矩提升。
(3)请阐述恒压频比控制方式下的变频器控制原理。
为充分利用电动机铁心,发挥电动机产生转矩的能力,在基频(即50Hz)以下采用恒磁通控制方式,即当频率从额定值向下调节时,必须同时降低感应电动势,即采用电动势频率比为恒值的控制方式。
然而,绕组中的感应电动势是难以直接控制的,当电动势值较高时,可以忽略定子电阻和漏磁感抗压降,而认为定子相电压约等于感应电动势。
但是当低频时,定子电阻和漏磁感抗压降所占的份量相对较大,可以人为地抬高定子相电压以便补偿定子压降,称作低频补偿或转矩提升。
(4)变频器的电路结构有哪一部分组成?包括主电路和控制电路,用图1和图2来表示。
图1主电路图2 控制电路(5)如何检测IGBT的好与坏?1、判断极性首先将万用表拨在R×1K 。
挡,用万用表测量时,若某一极与其它两极阻值为无穷大,调换表笔后该极与其它两极的阻值仍为无穷大,则判断此极为栅极(G )。
其余两极再用万用表测量,若测得阻值为无穷大,调换表笔后测量阻值较小。
变频器原理及应用开课系部:机电工程系课程名称:《变频器原理及应用》1.变频器是将固定频率的交流电变换为频率连续可调的交流电的装置。
2.变频器的主电路不论是交-直-交变频还是交-交变频形式,都是采用电力电子器5.(错)交-交变频器的最大输出频率和市网电压频率一样,为50Hz。
6.交-直-交变频器它是先将工频交流电通过整流器变成直流电,再经过逆变器将直流电变成频率和电压可调的交流电。
因此该变频器也称为间接变频器。
7.交-直-交变频器根据直流环节储能方式的不同,又分为电压型和(电流型)。
A. B.单相型 C.三相型 D.有环流型8.(:对)电压型变频器多用于不要求正反转或快速加减速的通用变频器中。
9.(对)电流型勃起适用于频繁可逆运转的变频器和大容量的变频器中。
10.根据调压方式的不同,交-直-交变频器又分为PAM和PWM。
11.下列选项中,()属于变频器按控制方式分类。
A.U/f B.SF C.VC D.通用变频器12.下列选项中,()属于按用途分类。
A.通用变频器 B.专用变频器 C.VC13.变频器主要应用在哪些方面?答案:节能、自动化系统、提高工艺水平和产品质量14.什么叫变频器?答案:变频器是将固定频率的交流电变换为频率连续可调的交流电的装置。
15.简述电力电子器件的发展。
答案:SCR、GTO、GTR、MOSFET、IGBT、IPM16.变频器的问世,使电气传动领域发生了一场技术革命,即交流调速取代直流调速。
17.通用变频器的发展方向是什么?答案:低成本的简易型通用变频器;高性能的多功能通用变频器18.PD是指(电力二极管 )。
19.SCR是指(可控硅)。
20.GTO是指(门极关断晶闸管)。
21.IGBT是指(绝缘栅双极型晶体管 )。
22.IPM是指(智能功率模块)。
23.电力二极管的伏安特性是什么?答案:电力二极管的阳极和阴极间的电压和流过管子的电流之间的关系24.电力二极管引出两个极,分别称为阳极A和阴极K。
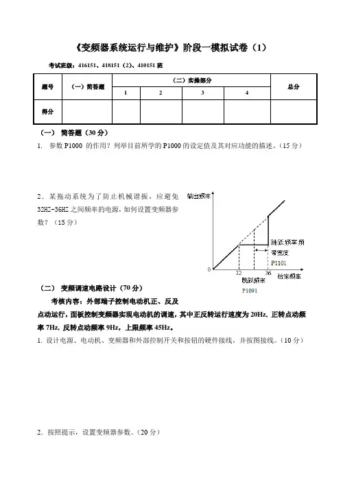
《变频器系统运行与维护》阶段一模拟试卷(1)考试班级:416151、418151(2)、410151班
题号(一)简答题
(二)实操部分
总分1 2 3 4
得分
(一)简答题(30分)
1.参数P1000 的作用?列举目前所学的P1000的设定值及其对应功能的描述。
(15分)
2.某拖动系统为了防止机械谐振,应避免
32HZ~36HZ之间频率的电源,如何设置变频器参
数?(15分)
(二)变频调速电路设计(70分)
考核内容:外部端子控制电动机正、反及
点动运行,面板控制变频器实现电动机的调速,其中正反转运行速度为20Hz, 正转点动频率7Hz, 反转点动频率9Hz,上限频率45Hz。
1. 设计电源、电动机、变频器和外部控制开关和按钮的硬件接线,并按图接线。
(10分)2.按照提示,设置变频器参数。
(20分)
(1)参数复位
P0003=1 ;P0010=30;P0970=1
(2)电动机的参数设置(快速调试程序)
P0010=1;P0304=220;P0305=1.93;P0307=0.37;P0310=50;P0311=1400; P3900=1 (3
3.演示验收(40分)
(1)正转启/停
(2)反转启/停
(3)正向点动
(4)反向点动
(5)演示调速过程(正转)并依据表格记录数据
显示参数提示:P0003=3;P0005=22。
10变频应用技术试题库一、填空题1、变频器是将固定频率的交流电变换为频率连续可调的交流电的装置。
2、三相感应电动机包括定子、气隙和转子。
3、异步电动机的三种调速方式为:变频调速、变转差率和变极调速。
4、变频器段速功能的设置与执行分为按程序运行和由端子控制两种情况。
5、变频器具有多种不同的类型:按变换环节可分为交-交型和交—直—交型;按改变频器输出电压的方法可分为脉冲幅度调制(PAM)型和PWM型;按用途可分为专用型变频器和通用型变频器。
6、回馈制动原理是使电机处于发电状态,产生制动转矩,并将机械能转换成电能,给电源。
9.变频器的主电路,通常用(R、S、T)或(L1、L2、L3)表示交流电源的输入端,用(U、V、W)表示输出端。
10.通过(通讯)接口可以实现在变频器与变频器之间或变频器与计算机之间进行联网控制。
11.变频器输入侧的额定值主要是(电压)和(相数)12.变频器输出侧的额定值主要是输出(电压)、(电流)、(容量)、配用电动机容量和超载能力。
13. 变频器的频率指标有频率(范围)、频率(精度)、频率(分辨率)14. 变频器运行频率设定方法主要有(面板)给定、(外接)给定、(预置)给定和通信给定。
15.变频器的外接频率模拟给定分为(电压)控制、(电流)控制两种。
7、变频器主电路由整流及滤波电路、逆变电路、回馈和制动单元组成。
8、为了避免机械系统发生谐振,采用设置回避频率的方法。
某变频器需要回避的频率为39Hz~43Hz,可设置回避频率值为41 Hz,回避频率范围为2Hz。
11、变频器的显示屏可分为LED显示屏和LCD显示屏12、三相异步电动机的转速n与电源频率、磁极对数和转差率有关。
13、一台变频器可以控制多台电动机。
15、变频调速系统中禁止使用反接制动。
1.(IGBT)器件是目前通用变频器中广泛使用的主流功率器件。
2.变频器按变换环节可分为(交—交)型和(交—直—交)型变频器。
3.变频器按照滤波方式分(电压)型和(电流)型变频器。
16机电51班《变频器技术应用》期末试卷您的姓名: [填空题] *_________________________________1. 一:选择题:进口设备标牌上的英文词汇“sensor”的中文意思是( )。
[单选题] * A.传感器(正确答案)B.报警器C.继电器D.备用2. 三相半控桥式整流电路,晶闸管承受的最大反相电压是变压器()。
[单选题] * A.二次相电压最大值B.二次相电压的有效值C.二次线电压的有效值D.二次线电压的最大值(正确答案)3. 下列器件中,()属于不可控电力电子器件。
[单选题] *A.肖特纳二极管(正确答案)B.晶闸管C.电力晶体管D.绝缘栅双极型晶体管4. ()的本质是一个场效应晶体管。
[单选题] *A.肖特纳二极管B.电力晶体管C.可关断晶体管D.绝缘栅双极型晶体管(正确答案)5. 三相半波可控整流电路各相触发脉冲相位差()。
[单选题] *A.60°B.90°C.120°(正确答案)D.180°6. 可关断(GTO)晶体管是(),要使GTO晶体管关断,必须在门极上施加一个反向的大脉冲电流及反向电压。
[单选题] *A.电压控制型B.电流控制型C.电压注入型D.电流注入型(正确答案)7. 在变频调速时,若保持恒压频比(U/f=常数),可实现近似()。
[单选题] * A.恒功率调速B.恒效率调速C.恒转矩调速(正确答案)D.恒电流调速8. 当电动机在额定转速以上变频调速时,要求(),属于恒功率调速。
[单选题] * A.定子电源频率可任意改变B.定子电压为额定值(正确答案)C.维持U/f=常数D.定子电流为额定值9. 变频器与电动机之间一般()接入接触器。
[单选题] *A.允许B.不允许(正确答案)C.需要D.不需要10. 变频器在故障跳闸后,使其恢复正常状态应按()键。
[单选题] *A.MODB.PRGC.RESET(正确答案)D.RUN11. 变频器的()接口用于和计算机或PLC进行通讯,并按照计算机PLC的指令完成所需的动作。
《变频器技术应用》题库与部分答案-标准化文件发布号:(9456-EUATWK-MWUB-WUNN-INNUL-DDQTY-KII《变频器技术应用》试题库一、选择题1、正弦波脉冲宽度调制英文缩写是(C)。
A:PWM B:PAM C:SPWM D:SPAM2、对电动机从基本频率向上的变频调速属于( A )调速。
A:恒功率 B:恒转矩C:恒磁通 D:恒转差率3、下列哪种制动方式不适用于变频调速系统(C )。
A:直流制动 B:回馈制动C:反接制动 D:能耗制动4、对于风机类的负载宜采用(D)的转速上升方式。
A:直线型 B:S型 C:正半S型 D:反半S型5、N2系列台安变频器频率控制方式由功能码( B )设定。
A:F009 B:F010 C:F011 D:F0126、型号为N2-201-M的台安变频器电源电压是( B )V。
A: 200 B:220 C:400 D:4407、三相异步电动机的转速除了与电源频率、转差率有关,还与( A )有关系。
A:磁极数 B:磁极对数 C:磁感应强度 D:磁场强度8、目前,在中小型变频器中普遍采用的电力电子器件是( D )。
A:SCR B:GTO C:MOSFET D:IGBT9、IGBT属于( B)控制型元件。
A:电流 B:电压 C:电阻 D:频率10、变频器的调压调频过程是通过控制(B)进行的。
A:载波 B:调制波 C:输入电压 D:输入电流11、为了适应多台电动机的比例运行控制要求,变频器设置了(A)功能。
A:频率增益 B:转矩补偿 C:矢量控制 D:回避频率12、为了提高电动机的转速控制精度,变频器具有( B)功能。
A:转矩补偿 B:转差补偿 C:频率增益 D:段速控制13、变频器安装场所周围振动加速度应小于( A )g 。
A: 1 B:0.5 C:0.6 D:0.814、变频器种类很多,其中按滤波方式可分为电压型和(A)型。
A:电流 B:电阻 C:电感 D:电容15、N2系列台安变频器操作面板上的SEQ指示灯在()发光。
期末测试题三一、单项选择题(每题1分,共15分)1、变频调速过程中,为了保持磁通恒定,必须保持( )。
A: 输出电压U 不变B: 频率f不变C: U/F 不变D: U.f 不变2、变频器的PID功能中,I 是指( )运算。
A: 积分B: 微分C: 比例D: 求和3、变频器主电路由整流及滤波电路、( )和制动单元组成。
A: 稳压电路B: 逆变电路C: 控制电路D: 放大电路4、设置矢量控制时,为了防止漏电流的影响,变频器与电动机之间的电缆长度应不大于( )米。
A: 50B: 100C: 200D: 3005、实践表明,风机或泵类负载恒速运转改为变频调速后,节能可达( )。
A: 5%~10%B :10%~20%C :20%~30%D :30%~40%6、为了适应多台电动机的比例运行控制要求,变频器都具有( )功能。
A:回避频率B: 瞬时停电再起动C: 频率增益D: 转矩补偿7、风机、泵类负载运行时,叶轮受的阻力大致与( )的平方成比例。
A: 叶轮转矩B: 叶轮转速C; 频率D: 电压8、下面哪个答案不是变频器输出的高次谐波对电动机产生的影响:( ) A: 使电动机温度升高B: 噪声增大C: 产生振动力矩D: 产生谐振9、若保持电源电压不变,降低频率,电动机的工作电流会( )。
A: 不变B: 增大C; 减小D: 不能判断10、变频器的基本频率是指输出电压达到( )值时输出的频率值。
A: UNB: UW/2C: UW/3D: UN/411、为了避免机械系统发生谐振,变频器采用设置( )的方法。
A: 基本频率B: 上限频率C: 下限频率D: 回避频率12、富士G11S 变频器的多功能输入控制端子有( )个。
A:8B:9C:10D:1213、富士G11S 变频器的多功能输出量监视端子共有( )个。
A:3B:4C:5D:614、富士变频器频率设定方式由功能参数码()设置。
A: F00B: F01C: F02D: F0315、富士变频器功能参数码中以字母C 开头的是( )功能参数码。
《变频器技术应用》试题库一、选择题1、正弦波脉冲宽度调制英文缩写是()。
A:PWM B:PAM C:SPWM D:SPAM2、对电动机从基本频率向上的变频调速属于()调速。
A:恒功率B:恒转矩C:恒磁通D:恒转差率3、下列哪种制动方式不适用于变频调速系统()。
A:直流制动B:回馈制动C:反接制动D:能耗制动4、对于风机类的负载宜采用()的转速上升方式。
A:直线型B:S型C:正半S型D:反半S型5、N2系列台安变频器频率控制方式由功能码()设定。
A:F009 B:F010 C:F011 D:F0126、型号为N2-201-M的台安变频器电源电压是()V。
A:200 B:220 C:400 D:4407、三相异步电动机的转速除了与电源频率、转差率有关,还与()有关系。
A:磁极数B:磁极对数C:磁感应强度D:磁场强度8、目前,在中小型变频器中普遍采用的电力电子器件是()。
A:SCR B:GTO C:MOSFET D:IGBT9、IGBT属于()控制型元件。
A:电流B:电压C:电阻D:频率10、变频器的调压调频过程是通过控制()进行的。
A:载波B:调制波C:输入电压D:输入电流11、为了适应多台电动机的比例运行控制要求,变频器设置了()功能。
A:频率增益 B:转矩补偿 C:矢量控制 D:回避频率12、为了提高电动机的转速控制精度,变频器具有()功能。
A:转矩补偿 B:转差补偿 C:频率增益 D:段速控制13、变频器安装场所周围振动加速度应小于()g 。
A: 1 B:0.5 C:0.6 D:0.814、变频器种类很多,其中按滤波方式可分为电压型和()型。
A:电流B:电阻C:电感D:电容15、N2系列台安变频器操作面板上的SEQ指示灯在()发光。
A:F10=0 B:F10=1 C:F11=0 D:F11=116、N2系列台安变频器操作面板上的显示屏幕可显示()位数字或字母。
A:2 B:3 C:4 D:517、在U/f控制方式下,当输出频率比较低时,会出现输出转矩不足的情况,要求变频器具有()功能。
变频器技术及应用习题练习一:基础篇一、选择题1、平时电网对蓄电池充电,当电网停电时,将蓄电池的直流电逆变成50Hz的交流电,为设备提供临时电源。
这样装置叫()A整流电源B中频电源C不间断电源D工频电源2、通过改变电力半导体器件的通断时间,改变脉冲频率或者脉冲宽度达到调节直流平均电压的目的,这种技术叫()A斩波技术B整流技术C变频技术D逆变技术3、属于N沟道绝缘栅场效应管的缩写是()A、SCRB、GTRC、MOSFETD、IGBT4、晶闸管的三个电极名称叫()A、阳极、阴极、基极B、阳极、控制极、阴极C、阳极、阴极、集电极D、漏极、源极、栅极5、IGBT综合了()的优点。
A、SCR与GTRB、MOSFET与GTRC、SCR与MOSFETD、IPM与SCR6、第三代电力电子器件是()A、IPMB、GTRC、MOSFETD、IGBT7、SPWM调制技术中,调制信号与载波信号分别是()A、正弦波与三角波B、矩形波与锯齿波C、正弦波与矩形波D、锯齿波与矩形波8、三相桥式不可控全波整流电路,当输入电压为380V时,整流以后输出的直流电压为()A、380VB、220VC、515VD、198V9、三菱E-540变频器主电路三相电源接线端子和电动机的接线端子标识分别为()A、R、S、T与U、V、WB、A、B、C与U、V、WC、R、S、T与L1、L2、L3D、U、V、W与R、S、T10、变频器在基频以下调速,错误的说法是()A、主磁通不变B、U/f比值不变C、电磁转矩保持不变D、电动机输出功率不变11、对设备静态和动态指标要求更高时候,采用()A、U/f开环控制B、U/f闭环控制C、无速度反馈矢量控制D、有速度反馈矢量控制12、变频器在通常在关停电动机期间,()A、是从运行频率突然变为0B、是从运行频率连续减小频率直到0C、电动机脱离电源靠惯性自动停止转动的D、电动机处于再生发电状态13、作为逆变的电力半导体器件工作在()状态A、放大B、饱和与截止C、导通D、击穿14、在变频器、可编程序控制器上输入通常采用漏型输入,输入端子与公共端()A、不允许短路B、电流方向从输入端子到公共端C、适合PNP三极管D、适合P沟道绝缘栅场效应管二、填空题1、矢量控制的基本思想是仿照调速的特点。
变频器原理及应用开课系部:机电工程系课程名称:《变频器原理及应用》1.变频器是将频率的交流电变换为频率连续可调的交流电的装置。
章节:1.1(第一章第一节)题型:填空题难度系数:5答案:固定2.变频器的主电路不论是交-直-交变频还是交-交变频形式,都是采用器件作为开关器件。
章节:1.1(第一章第一节)题型:填空题难度系数:5答案:电力电子3.变频器的发展趋势有哪些?章节:1.1(第一章第一节)题型:简答题难度系数:7答案:网络智能化、专门化、一体化、环保无公害4.只有一个环节就可以恒压恒频的交流电源转换为变压变频的电源,称为直接变频器,或称为。
章节:1.1(第一章第一节)题型:填空题难度系数:5答案:交-交变频器5.()交-交变频器的最大输出频率和市网电压频率一样,为50Hz。
章节:1.1(第一章第一节)题型:判断题难度系数:5答案:错6.交-直-交变频器它是先将工频交流电通过整流器变成直流电,再经过逆变器将直流电变成频率和电压可调的交流电。
因此该变频器也称为变频器。
章节:1.1(第一章第一节)题型:填空题难度系数:5答案:间接7.交-直-交变频器根据直流环节储能方式的不同,又分为电压型和()。
A.电流型 B.单相型 C.三相型 D.有环流型章节:1.2(第一章第二节)题型:选择题难度系数:5答案:A8.()电压型变频器多用于不要求正反转或快速加减速的通用变频器中。
章节:1.2(第一章第二节)题型:判断题难度系数:5答案:对9.()电流型勃起适用于频繁可逆运转的变频器和大容量的变频器中。
章节:1.2(第一章第二节)题型:判断题难度系数:5答案:对10.根据调压方式的不同,交-直-交变频器又分为PAM和。
章节:1.2(第一章第二节)题型:填空题难度系数:5答案:PWM11.下列选项中,()不属于变频器按控制方式分类。
A.U/f B.SF C.VC D.通用变频器章节:1.2(第一章第二节)题型:选择题难度系数:5答案:D12.下列选项中,()不属于按用途分类。
《变频器技术应用》试题库一、选择题1、正弦波脉冲宽度调制英文缩写是()。
A:PWM B:PAM C:SPWM D:SPAM2、对电动机从基本频率向上的变频调速属于()调速。
A:恒功率B:恒转矩C:恒磁通D:恒转差率3、下列哪种制动方式不适用于变频调速系统()。
A:直流制动B:回馈制动C:反接制动D:能耗制动4、对于风机类的负载宜采用()的转速上升方式。
A:直线型B:S型C:正半S型D:反半S型5、N2系列台安变频器频率控制方式由功能码()设定。
A:F009 B:F010 C:F011 D:F0126、型号为N2-201-M的台安变频器电源电压是()V。
A:200 B:220 C:400 D:4407、三相异步电动机的转速除了与电源频率、转差率有关,还与()有关系。
A:磁极数B:磁极对数C:磁感应强度D:磁场强度8、目前,在中小型变频器中普遍采用的电力电子器件是()。
A:SCR B:GTO C:MOSFET D:IGBT9、IGBT属于()控制型元件。
A:电流B:电压C:电阻D:频率10、变频器的调压调频过程是通过控制()进行的。
A:载波B:调制波C:输入电压D:输入电流11、为了适应多台电动机的比例运行控制要求,变频器设置了()功能。
A:频率增益 B:转矩补偿 C:矢量控制 D:回避频率12、为了提高电动机的转速控制精度,变频器具有()功能。
A:转矩补偿 B:转差补偿 C:频率增益 D:段速控制13、变频器安装场所周围振动加速度应小于()g 。
A: 1 B:0.5 C:0.6 D:0.814、变频器种类很多,其中按滤波方式可分为电压型和()型。
A:电流B:电阻C:电感D:电容15、N2系列台安变频器操作面板上的SEQ指示灯在()发光。
A:F10=0 B:F10=1 C:F11=0 D:F11=116、N2系列台安变频器操作面板上的显示屏幕可显示()位数字或字母。
A:2 B:3 C:4 D:517、在U/f控制方式下,当输出频率比较低时,会出现输出转矩不足的情况,要求变频器具有()功能。
A:频率偏置B:转差补偿C:转矩补偿D:段速控制18、变频器常用的转矩补偿方法有:线性补偿、分段补偿和()补偿。
A:平方根 B :平方率C:立方根D:立方率19、平方率转矩补偿法多应用在()的负载。
A:高转矩运行B:泵类和风机类C:低转矩运行D:转速高20、变频器的节能运行方式只能用于()控制方式。
A:U/f开环B:矢量C:直接转矩D:CVCF21、型号为FRN30G11S-40的富士变频器适配的电机容量为()KW。
A:30 B:11 C:40 D:1022、高压变频器指工作电压在()kV以上的变频器。
A:3 B;5 C:6 D:1023、二、填空题1.变频器种类很多,其中按滤波方式可分为电压型和型;按用途可分为通用型和型。
2.变频器的组成可分为主电路和电路。
3.为了使变频器制动电阻免遭烧坏,采用的保护方法是。
4.变频器安装要求,其正上方和正下方要避免可能阻挡进风、出风的大部件,四周距控制柜顶部、底部、隔板或其他部件的距离不应小于mm。
5.变频器是由计算机控制,将工频交流电变为和可调的相交流电的电器设备。
6.变频器恒压供水的优点有:、、延长系统的使用寿命和系统管理维护方便。
7.变频器要求恒转矩起动,主要靠设置___ 参数。
8.变频器可以在本机控制,也可在远程控制。
本机控制是由来设定运行参数,远控时,通过来对变频调速系统进行外控操作。
9.变频调速时,基频以下的调速属于调速,基频以上的属于调速。
10.变频器的显示屏可分为显示屏和显示屏。
、11.LED显示屏除了可显示数字量,还可显示。
12.SPWM是的英文缩写。
13.输入电源必须接到变频器输入端子上,电动机必须接到变频器输出端子上。
14.变频器段速功能的设置与执行分为和两种情况。
15.通过接口可以实现在变频器与变频器之间或变频器与计算机之间进行联网控制。
16.变频器的通、断电控制一般均采用,这样可以方便的进行自动或手动控制,一旦变频器出现问题,可立即自动切断电源。
17.当电动机再生电流增加,使得主电路电压达到过电压检出值时,变频器会发出报警信号。
18.LED 数码显示屏可显示位数,显示内容有:(1),(2),(3)。
19.变频器外部紧急停止信号输入后,显示屏上会显示。
20.变频器外部遮断信号输入后,显示屏上会显示。
21.变频器的加速时间是指的时间;减速时间是指的时间。
22.变频器的加速曲线有三种:线形上升方式、和,电梯的曳引电动机应用的是方式。
23.当故障排除后,必须先,变频器才可重新运行。
24.为了避免机械系统发生谐振,采用设置的方法。
25.回避频率的预置方法有、、三种。
26.某变频器需要回避的频率为18Hz~22Hz,可设置回避频率值为Hz,回避频率范围为Hz。
27.工业洗衣机甩干时转速快,洗涤时转速慢,烘干时转速更慢,故需要变频器的功能。
28.变频调速过程中,为了保持磁通恒定,必须保持。
29.变频器利用增加输出电压来提高电动机转矩的方法,称为。
30.变频器的平方率补偿法,过应用于和负载。
31.变频器进行节能运行时,每次搜索周期在,调整电压幅度在以下。
32.为了提高电动机的转速控制精度,变频器具有功能。
33.变频器的转差补偿设定范围一般为。
34.变频器的转差补偿原理是当电动机转速随着转矩的增加而时,通过内部计算机控制变频器的输出频率,用以补偿电动机转速的,使转速基本保持为设定值。
35.变频调速系统中禁止使用制动。
36.设置矢量控制时,为了防止漏电流的影响,变频器与电动机之间的电缆长度应不大于。
37.一台变频器可以控制台电动机。
38.变频器的各种功能设置与有关。
39.矢量控制是变频器的一种控制方式。
40.变频器的PID功能中,P指,I指,D指。
41.变频器交流电源输入端子为R、S、T,根据应用电压不同,可分为220V单相和380V 三相两种规格,当三相时,接入R、S、T的端上,当单相时,接入R、S、T的端上。
42.变频器的输出侧不能接或浪涌吸收器,以免造成开关管过流损坏或变频器不能正常工作。
43.变频器与电动机之间不可连接控制电动机起动停止的开关,以免造成变频器跳闸及损坏。
44.变频器输入控制端子分为端子和端子。
45.变频器运行控制端子中,FWD代表,REV代表,JOG代表,STOP代表。
46.变频器中频率增益功能的用途是。
47.变频器主电路由整流及滤波电路、和制动单元组成。
48.变频器回馈制动中有两个能量转换,分为机械能转换成电能和。
49.频率控制功能是变频器的基本控制功能。
控制变频器输出频率有以下几种方法:(1);(2);(3);(4)。
50.变频器具有多种不同的类型:按变换环节可分为交—交型和___________型;按改变变频器输出电压的方法可分为脉冲幅度调制(PAM)型和___________________型;按用途可分为专用型变频器和___________________型变频器。
51.为了适应多台电动机的比例运行控制要求,变频器具有___________________功能。
52.电动机在不同的转速下、不同的工作场合需要的转矩不同,为了适应这个控制要求,变频器具有___________________功能。
53.有些设备需要转速分段运行,而且每段转速的上升、下降时间也不同,为了适应这些控制要求,变频器具有___________________功能和多种加、减速时间设置功能。
54.直流电抗器的主要作用是改善变频器的输入,防止电源对变频器的影响,保护变频器及抑制。
55.输出电磁滤波器安装在变频器和之间。
抑制变频器输出侧的电压。
56.变频器安装场所的周围振动加速度应不小于g。
57.变频器具有多种不同的类型:按变换环节可分为交—交型和___________型;按改变变频器输出电压的方法可分为脉冲幅度调制(PAM)型和___________________型;按用途可分为专用型变频器和___________________型变频器。
58.为了适应多台电动机的比例运行控制要求,变频器具有___________________功能。
59.电动机在不同的转速下、不同的工作场合需要的转矩不同,为了适应这个控制要求,变频器具有___________________功能。
60.有些设备需要转速分段运行,而且每段转速的上升、下降时间也不同,为了适应这些控制要求,变频器具有___________________功能和多种加、减速时间设置功能。
61.频率控制功能是变频器的基本控制功能。
控制变频器输出频率有以下几种方法:(1)______ ____;(2);(3);(4)外端子控制频率。
62.变频器接点控制端子可由以下信号控制其通断:(1)接点开关控制;(2)___________。
三、简答题1.变频调速时,改变电源频率ƒ1的同时须控制电源电压U1,试说明其原因。
2.描绘三相异步电动机基频以下变频调速的机械特性曲线,并说明其特点。
3.变频调速时,由于ƒ1降低使电动机处于回馈制动状态,试说明其制动的原理,并描绘制动前后的机械特性曲线。
4.在定性分析变频电路时,大功率开关器件的工作状态有哪两种?并画出其伏安特性曲线。
5.说明什么是脉冲宽度调制技术?6.PWM逆变电路的单极性控制和双极性控制有什么区别?7.以三相桥式SPWM逆变电路为例,说明脉宽调制逆变电路调压调频的原理。
8.变频器由几部分组成?各部分都具有什么功能?9.变频器的主电路由整流、滤波和逆变三大部分组成,试述各部分的工作过程。
10.变频器是怎样分类的?11.变频器为什么要设置上限频率和下限频率?12.变频器为什么具有加速时间和减速时间设置功能?如果变频器的加、减速时间设为0,起动时会出现什么问题?加、减速时间根据什么来设置?13.变频器的回避频率功能有什么作用?在什么情况下要选用这些功能?14.变频器的输出频率可以分段运行,分段运行又分为“程序运行”和“外端子控制运行”,解释这两种段速运行的主要区别。
15.什么是基本U∕f控制方式?为什么在基本U∕f控制基础上还要进行转矩补偿?转矩补偿分为几种类型?各在什么情况下应用?16.变频器为什么要有瞬时停电再起动功能?若变频器瞬时停电时间很短,采取什么样的再起动方法?17.变频器的外控制端子中除了独立功能端子之外,还有多功能控制端子。
多功能控制端子有什么优点?18.变频器可以由外接电位器用模拟电压信号控制输出频率,也可以由升(UP)、降(DOWN)速端子来控制输出频率。
哪种控制方法容易引入干扰信号?19.已知变频器为远距离操作,即操作室与变频器不在一处。
为了知道变频器是正常运行还是停止,输出频率是多少,能否进行正、反转及停止控制,应该选用哪些控制端子来满足以上控制要求?20.G11S变频器的多功能输入控制端子共有多少个?这些多功能输入控制端子可预置多少种功能?如将功能参数码设置为:E03=8,请问这是什么含义?21.G11S变频器的多功能输出量监视端子共有多少个?这些多功能监视端子可预置多少种功能?如将功能参数码设置为:E21=2,请解释这是什么含义?22.变频器的多功能输出量监视端子当有信号输出时,这个输出信号是模拟信号还是开关信号?23.在多段速控制电路中,如果用3只开关控制X1、X2、X3的通断来得到7段速,这样电路虽然变简单了,但在使用中会有什么问题?24.制动电阻如果因为发热严重而损坏,将会对运行中的变频器产生什么影响?为了使制动电阻免遭烧坏,采用了什么保护方法?25.具有抱闸控制功能的控制电路是怎样工作的?变频器用什么信号作为抱闸信号?26.在图3和图4两个并联控制电路中,如果变频器和控制台离的较远,哪个电路的抗干扰能力更强一些?为什么?图3 图4 27.既然变频器的输出频率可以从0Hz调节到额定频率以上,为什么有些场合还要采取一级齿轮降速传动?28.既然矢量控制变频器性能优于基本U/f控制变频器,为什么很多应用场合还要选择基本U/f控制变频器?29.为什么根据工作电流选取变频器,更能使其安全工作?30.变频器的信号线和输出线都采用屏蔽电缆安装,其目的有什么不同?三、分析题1.画出GTO的伏安特性曲线,并说明其工作原理。