玻璃钢化粪池技术要求
- 格式:doc
- 大小:130.00 KB
- 文档页数:6
玻璃钢化粪池安装规范使用方法l、玻璃钢化粪池的选用根据不同建筑物,由单项工程设计人员计算得出设计参数。
2、玻璃钢化粪池的地点设置,原则以不影响建筑基础即可;一般距离生活饮用水池不得小于10m.距离地下取水构筑物不得小于30m.当建筑物基础平面高于化粪池基础平面时,化粪池外壁距离不宜小于2m.当建筑物基础平面低于化粪池基础平面时,化粪池外壁距离建筑物外墙净距不宜小于5m。
3、整体玻璃钢化粪池也最小覆土0.3m.最大覆土不宜超过3m。
在寒冷区,最低温度低于-10℃时化粪池的覆土深度不得小于l2m.在最冷月平均气温小于-13℃的地区,设计人员在考虑玻璃钢化粪池的设置深度时,玻璃钢化粪池的睡眠应设置在该地区的冷冻线以下为宜。
4、玻璃钢化粪池安装在绿化带、草坪、人行道下、覆土不宜超过l.5m;也可安装在道路地段。
5、井盖:在不过汽车时,采用加锁轻型双层井盖及盖座;可过汽车时,采用加锁重型双层。
玻璃钢化粪池也虑到小区绿化的需要或道路广场铺砌的需要,铸铁或高分子井盖与地面平,在有铺砌地面处,井盖可适当降低至铺砌地面砖下,当井盖上的铺砌地面砖必须在需要打开井盖时可以开启。
6、玻璃钢化粪池容积如超过50 m³;可用两个单罐并联或串联设置,若串联,设计人员与用户必须提前通知口厂家预置,罐体外壁间距不得小于500mm。
安装使用基坑开挖及处理玻璃钢化粪池产品定位放线应根据工程设计图确定,按所选型号可参考所给尺寸开挖基坑。
基坑开挖到预定标高时,地步灰土垫层夯实,地基承载力不引低于1OOKN/㎡,在采用黄砂厚500mm-1OOmm作垫层,剔除砂中夹带的较大的砖石或哽杂物,并找平密实,准备整体型化粪池安装就位。
玻璃钢化粪池组合安装或有地下水且基土土质很差时,要铺厚1OOmm的卵石或碎石夯实,基上设置1OOmm-300mmC1O级混凝土垫层,混凝土垫层上铺1OOmm砂垫层,罐体两侧用素土填实。
吊装注意事项1.吊装就位前基底垫层必须找平2.吊装时必须注意化粪池也进出口方向3.化粪池标高必须符合工程设计要求4.吊装就位后,局部调整使之水平化粪池灌水玻璃钢化粪池在吊装就位符合要求后,池内必须灌注1/3清水使之稳定,再进行人工夯实。
玻璃钢化粪池方案一、简介玻璃钢化粪池是一种常用的处理污水和固体废物的设备,其优良的性能和耐用度使其成为处理污水的理想选择。
本文将介绍玻璃钢化粪池的基本原理、施工要求以及使用维护等方面的内容。
二、玻璃钢化粪池的原理玻璃钢化粪池是一种由玻璃纤维增强塑料(玻璃钢)制成的容器,具有优异的耐腐蚀性和抗渗透性能。
它采用先进的处理工艺,将污水和固体废物进行分离,通过物理和化学的方法对其进行处理,使其得到合理的处理和净化。
三、玻璃钢化粪池的施工要求1. 安装位置选择:玻璃钢化粪池需要放置在适当的位置上,远离住宅区和地下水源,以防止可能的污染。
2. 基础处理:在安装玻璃钢化粪池之前,需要对基础进行处理,确保其平坦和稳固。
3. 材料准备:在施工之前,需要准备好玻璃钢、环氧树脂和其他所需的材料。
4. 模具制作:根据设计要求制作相应的模具,确保玻璃钢化粪池的形状和尺寸符合标准。
5. 玻璃钢制作:使用玻璃纤维布和环氧树脂进行玻璃钢制作,确保其结构牢固和防水性能良好。
6. 安装细节:在安装过程中,需要注意连接件的选择和安装,确保其密封性和稳定性。
7. 施工质量检查:在施工完成后,进行必要的质量检查,确保玻璃钢化粪池的安装符合相关标准。
四、玻璃钢化粪池的使用维护1. 定期清理:根据需要,定期进行清理和清洗,确保玻璃钢化粪池内部的废物得到有效处理。
2. 检查和修复:定期检查玻璃钢化粪池的密封性和结构,如有发现问题及时修复,确保其正常运行。
3. 防止损坏:在使用过程中,需要避免重物碰撞和化学物质的腐蚀,以免造成玻璃钢化粪池的损坏。
4. 防止结冰:在寒冷地区,需要采取相应的措施,防止玻璃钢化粪池在冬季结冰,影响其正常使用。
5. 安全注意事项:在使用和维护过程中,需要注意个人安全,佩戴相应的防护用品,并遵守相关规定。
五、总结玻璃钢化粪池作为一种处理污水和固体废物的设备,具有优异的性能和耐用度。
它的施工要求和使用维护措施对于其正常运行至关重要。
玻璃钢化粪池厚度尺寸标准摘要:1.玻璃钢化粪池简介2.玻璃钢化粪池的尺寸规格3.玻璃钢化粪池的厚度标准4.影响玻璃钢化粪池厚度的因素5.玻璃钢化粪池的选购与使用建议正文:玻璃钢化粪池是一种采用合成树脂为基体、玻璃纤维增强材料制成的专门用于处理生活污水的设备。
它广泛应用于工业企业生活间和城市居民生活小区等民用建筑的生活污水净化处理。
玻璃钢化粪池在暂时储存排泄物的同时,使其在池内初步分解,以减少排放污水中的固体含量。
玻璃钢化粪池的尺寸规格多种多样,根据不同的容积和用途可分为多种型号。
常见的规格包括2立、100立等。
至于厚度,玻璃钢化粪池的壁厚根据容积大小有所不同,一般为9mm到25mm不等。
在选购玻璃钢化粪池时,应根据实际需求和预算选择合适的尺寸和厚度。
玻璃钢化粪池的厚度标准主要受以下几个因素影响:1.质量等级:玻璃钢化粪池的质量等级一般分为一级、二级、三级,不同等级的产品厚度不同。
越高级别的产品,厚度越大。
2.规格尺寸:同一质量等级的玻璃钢化粪池,不同规格尺寸需要不同的厚度。
主要考虑因素是强度和稳定性。
3.设计负荷:化粪池所能承受的设计负荷是非常重要的考虑因素,不同设计负荷所需厚度也有所不同。
4.设计寿命:为保证使用寿命和稳定性,玻璃钢化粪池的厚度需要根据使用环境和负荷进行合理选择。
在选购玻璃钢化粪池时,应注意以下几点建议:1.选择正规厂家生产的产品,保证质量和售后服务。
2.根据实际需求和预算,选择合适的尺寸和厚度。
3.了解产品的使用寿命和维护保养方法,确保长期稳定运行。
4.注意玻璃钢化粪池的安装位置和环境,确保符合相关法规和标准。
玻璃钢化粪池质量保障措施玻璃钢化粪池是一种常用的储存和处理污水的设备,具有耐腐蚀、耐酸碱、耐高温、抗压强度高等优点。
在使用过程中,为了确保玻璃钢化粪池的质量和使用寿命,需采取一系列的质量保障措施。
一、设计阶段:1. 根据实际需要确定化粪池的容量和尺寸,并结合场地环境、排放要求等因素进行合理设计。
2. 选择合适的材料,玻璃钢是一种常用材料,具有优异的耐腐蚀性能,能够长期稳定地承受污水的作用。
二、材料选择:1. 玻璃钢材质:选择质量可靠、具有一定厚度的玻璃钢材料,以确保强度和耐久性。
2. 配件选择:选用优质的阀门、管道、密封件等配件,以确保化粪池正常运作和密封性。
三、制造工艺:1. 玻璃钢制造:确保制造过程严格按照规范进行,避免材料加工过程中出现缺陷。
2. 玻璃钢模具:选用制造精良的模具,以确保玻璃钢化粪池的外形尺寸和表面质量。
3. 焊接工艺:采用专业的焊接工艺,确保管道和配件之间的连接牢固,避免漏水和损坏。
四、施工工艺:1. 施工前检查:在施工之前,要进行详细的材料和配件检查,并核对设计图纸,以确保施工符合要求。
2. 质量管控:施工过程中,严格控制施工质量,尤其是关键部位的施工,包括焊接、连接和密封等。
3. 环境保护:施工现场要做好环境保护工作,避免施工过程中对周围环境造成污染。
五、验收和监管:1. 现场验收:在完成施工之后,进行验收工作,对化粪池进行质量检测,包括外观检查、压力测试、密封性测试等。
2. 监管机构:建立相应的监管机构,加强对制造和施工企业的监管力度,确保质量达标。
六、定期维护:1. 清洗和保养:定期对化粪池进行清洗和保养,清除污物和沉淀物,避免管道堵塞和异味产生。
2. 检修和更换:定期检查化粪池的密封性能和配件状况,并根据实际情况及时更换。
七、故障处理:1. 定期巡检:定期进行化粪池的巡检工作,及时发现和处理问题,避免故障发生。
2. 处理措施:当发现故障或问题时,要及时采取相应的处理措施,可根据情况进行维修、更换等操作。
玻璃钢化粪池安装规范使用方法l、玻璃钢化粪池的选用根据不同建筑物,由单项工程设计人员计算得出设计参数。
2、玻璃钢化粪池的地点设置,原则以不影响建筑基础即可;一般距离生活饮用水池不得小于10m.距离地下取水构筑物不得小于30m.当建筑物基础平面高于化粪池基础平面时,化粪池外壁距离不宜小于2m.当建筑物基础平面低于化粪池基础平面时,化粪池外壁距离建筑物外墙净距不宜小于5m。
3、整体玻璃钢化粪池也最小覆土0.3m.最大覆土不宜超过3m。
在寒冷区,最低温度低于-10℃时化粪池的覆土深度不得小于l2m.在最冷月平均气温小于-13℃的地区,设计人员在考虑玻璃钢化粪池的设置深度时,玻璃钢化粪池的睡眠应设置在该地区的冷冻线以下为宜。
4、玻璃钢化粪池安装在绿化带、草坪、人行道下、覆土不宜超过l.5m;也可安装在道路地段。
5、井盖:在不过汽车时,采用加锁轻型双层井盖及盖座;可过汽车时,采用加锁重型双层。
玻璃钢化粪池也虑到小区绿化的需要或道路广场铺砌的需要,铸铁或高分子井盖与地面平,在有铺砌地面处,井盖可适当降低至铺砌地面砖下,当井盖上的铺砌地面砖必须在需要打开井盖时可以开启。
6、玻璃钢化粪池容积如超过50 m³;可用两个单罐并联或串联设置,若串联,设计人员与用户必须提前通知口厂家预置,罐体外壁间距不得小于500mm。
安装使用基坑开挖及处理玻璃钢化粪池产品定位放线应根据工程设计图确定,按所选型号可参考所给尺寸开挖基坑。
基坑开挖到预定标高时,地步灰土垫层夯实,地基承载力不引低于1OOKN/㎡,在采用黄砂厚500mm-1OOmm作垫层,剔除砂中夹带的较大的砖石或哽杂物,并找平密实,准备整体型化粪池安装就位。
玻璃钢化粪池组合安装或有地下水且基土土质很差时,要铺厚1OOmm的卵石或碎石夯实,基上设置1OOmm-300mmC1O级混凝土垫层,混凝土垫层上铺1OOmm砂垫层,罐体两侧用素土填实。
吊装注意事项1.吊装就位前基底垫层必须找平2.吊装时必须注意化粪池也进出口方向3.化粪池标高必须符合工程设计要求4.吊装就位后,局部调整使之水平化粪池灌水玻璃钢化粪池在吊装就位符合要求后,池内必须灌注1/3清水使之稳定,再进行人工夯实。
玻璃钢化粪池装置规范之青柳念文创作使用方法l、玻璃钢化粪池的选用根据分歧建筑物,由单项工程设计人员计算得出设计参数.2、玻璃钢化粪池的地点设置,原则以不影响建筑基础即可;一般间隔生活饮用水池不得小于10m.间隔地下取水构筑物不得小于30m.当建筑物基础平面高于化粪池基础平面时,化粪池外壁间隔不宜小于2m.当建筑物基础平面低于化粪池基础平面时,化粪池外壁间隔建筑物外墙净距不宜小于5m.3、整体玻璃钢化粪池也最小覆土0.3m.最大覆土不宜超出3m.在寒冷区,最低温度低于-10℃℃的地区,设计人员在思索玻璃钢化粪池的设置深度时,玻璃钢化粪池的睡眠应设置在该地区的冷冻线以下为宜.4、玻璃钢化粪池装置在绿化带、草坪、人行道下、覆土不宜超出l.5m;也可装置在道路地段.5、井盖:在不过汽车时,采取加锁轻型双层井盖及盖座;可过汽车时,采取加锁重型双层.玻璃钢化粪池也虑到小区绿化的需要或道路广场铺砌的需要,铸铁或高分子井盖与地面平,在有铺砌地面处,井盖可适当降低至铺砌地面砖下,当井盖上的铺砌地面砖必须在需要打开井盖时可以开启.6、玻璃钢化粪池容积如超出50 m³;可用两个单罐并联或串联设置,若串联,设计人员与用户必须提前通知口厂家预置,罐体外壁间距不得小于500mm.装置使用基坑开挖及处理玻璃钢化粪池产品定位放线应根据工程设计图确定,按所选型号可参考所给尺寸开挖基坑.基坑开挖到预定标高时,地步灰土垫层夯实,地基承载力不引低于1OOKN/㎡,在采取黄砂厚500mm-1OOmm作垫层,剔除砂中夹带的较大的砖石或哽杂物,并找平密实,准备整体型化粪池装置就位.玻璃钢化粪池组合装置或有地下水且基土土质很差时,要铺厚1OOmm的卵石或碎石夯实,基上设置1OOmm-300mmC1O级混凝土垫层,混凝土垫层上铺1OOmm砂垫层,罐体两侧用素土填实.吊装注意事项1.吊装就位前基底垫层必须找平2.吊装时必须注意化粪池也进出口方向3.化粪池标高必须符合工程设计要求4.吊装就位后,部分调整使之水平化粪池灌水玻璃钢化粪池在吊装就位符合要求后,池内必须灌注1/3清水使之稳定,再停止人工夯实.分层回填玻璃钢化粪池就位后场面地步回填,池下部四周用砂土填实(高度应不小于池体直径二分之一)严禁使用建筑渣滓作为土壤回填,回填土中的石块应剔除,回填土应分层夯实,每层接30mm停止.宜用人工夯实,回填时切忌不克不及部分猛力冲击(如气夯等),必须使池子周围回填土密实.。
玻璃钢化粪池技术要求
玻璃钢化粪池是指以合成树脂为基体、玻璃纤维增强材料制作而成的专门用于处理生活污水的设备。
以下是一些常见的玻璃钢化粪池技术要求:
1. 材料要求:使用的材料应符合相关的国家标准和行业标准,具备耐腐蚀、耐磨损、耐高温等特性。
2. 结构设计:玻璃钢化粪池的结构应设计合理,具有足够的强度和稳定性,能够承受一定的压力和载荷。
3. 容量要求:根据使用场所和人口数量,玻璃钢化粪池的容量应满足相应的需求,一般分为不同的规格和型号。
4. 防渗要求:玻璃钢化粪池应具备良好的防渗性能,防止污水渗漏对周围环境造成污染。
5. 排气要求:为了防止化粪池内产生有害气体积聚,应设置合适的排气系统,保证气体的正常排放。
6. 清理要求:玻璃钢化粪池应设计方便清理和维护的结构,定期进行清理和消毒,以保证其正常运行。
7. 安装要求:玻璃钢化粪池的安装应符合相关的施工规范和标准,确保安装牢固、密封良好。
8. 质量认证:产品应通过相关的质量认证和检测,如ISO 质量体系认证、环保认证等。
以上是玻璃钢化粪池的一些技术要求,具体的要求可能因地区、行业和用户需求的不同而有所差异。
在选择和使用玻璃钢化粪池时,建议参考相关的产品标准和技术规范,并咨询专业人士的意见。
长沙红腾建材有限公司玻璃钢化粪池技术参数注:初始环刚度(Ⅰ型、Ⅱ型)根据罐体使用位置选择。
代号为13(容积为100m³),初始环刚度为Ⅱ型的玻璃钢化粪池型号表示为:BH-13(100)-Ⅱ。
化粪池选择型号可参考:《03S702钢筋混凝土化粪池图集》或《02S701砖砌化粪池图集》。
化粪池技术参数:巧用《玻璃钢化粪池技术要求》GJ/T409-2012的关键指标,可以确保选用的产品满足如下要求:产品不坍塌、罐体不渗漏、使用寿命长。
一、产品不坍塌的技术要求:1、(引用标准4.1.2)初始环刚度“初始环刚度大于等于5000N/m2规定为Ⅰ型;初始环刚度大于等于10000N/m2规定为Ⅱ型”。
理由:选型须根据化粪池所处位置(绿地、人行道、小区车道、城市主干道等),顶部的覆土深度、土质特性、周围环境等整合评估。
2、(引用标准3.2)增强材料设立原因:增强材料的使用是为了提高产品的拉伸强度、弯曲强度和冲击强度等。
标准要求:应采用无碱(或中碱)成分玻璃纤维无捻粗纱或玻璃纤维无捻粗纱布。
不应使用:陶土坩堝生产的含有高碱成分的玻璃纤维无捻粗纱或玻璃纤维无捻粗纱布作为增强材料。
3、(引用标准5.3.1)拉伸强度设立原因:在试件拉伸过程中考察玻璃钢抗拉伸性能和玻璃纤维及不饱和聚酯树脂两种原材料的结合性能。
试验方法:拉伸强度(GB/T 1447)。
4、(引用标准5.3.1)弯曲强度设立原因:考察在试件弯曲过程中玻璃钢导致断裂的强度值。
试验方法:弯曲强度(GB/T 1449)。
5、(引用标准5.3.2)巴氏硬度设立原因:玻璃钢产品的常规检查项目,采用增强塑料巴柯尔硬度试验方法检查玻璃钢化粪池的表面硬度。
试验方法:巴氏硬度(GB/T 3854)。
二、罐体不渗漏的技术要求:1、(引用标准5.3.6)渗漏试验设立原因:该项可检查玻璃钢化粪池罐体防渗漏效果。
试验方法:化粪池宜以回填或其它方式固定,进出口封闭后注满水,放置24h观察,无渗漏现象及无明显变形。
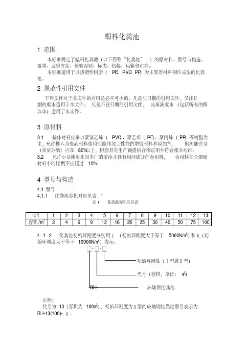
玻璃钢化粪池技术要求塑料化粪池1范围本标准规定了塑料化粪池(以下简称“化粪池”)的原材料、型号与构造、要求、试验方法、检验规则、标志、包装、运输和贮存。
本标准适用于以热塑性树脂(PE、PVG PP为主要原材料制作成型的化粪池。
2规范性引用文件下列文件对于本文件的应用是必不可少的。
凡是注日期的引用文件,仅注日期的版本适用于本文件。
凡是不注日期的引用文件,其最新版本(包括所有的修改单)适用于本文件。
3原材料3.1 基体材料应采以聚氯乙烯(PVG、聚乙烯(PE)、聚丙烯(PP等树脂为主,允许掺入为提高材料使用性能和加工性能的增强材料和添加剂,但树脂含量(质量分数)应在80鸠上,树脂具有生产商提供合格证明并符合相关标准。
3.2 允许少量使用来自本厂的洁净并具有相同成分的会用料,会用料在全部原材料中的比例不应超过10%4型号与构造4.1型号4.1.1 化粪池容积对应见表1表1 化粪池容积对应表4. 1. 2 化粪池初始环刚度分别用1(初始环刚度大于等于5000N/m、和U (初始环刚度大于等于10000N/m)□- □ - □初始环刚度(I型或U型)代号(容积,单位:m、l BH-玻璃钢化粪池示例:代号为13 (容积为ioom),初始环刚度为U型的玻璃钢化粪池型号表示为:BH-13(100)- Ho4.2 构造421 化粪池在长度方向可分两格或三格。
各格容量应符合GB 50015的要求。
4.2.2 化粪池构造应包括通气管、清掏孔、进水管接口、出水管接口。
进出水口高差不应小于100mm清掏孔当两格时为一个,三格时为两个。
4.2.3 化粪池结构不应采用金属类材料增强。
5 要求5.1 外观5.1.1 罐体外表面应光滑、无裂纹、色泽应均匀、不应有明显划痕。
5.1.2 罐体内表面应为富树脂层,表面应光滑平整,不应有玻璃纤维裸露,无目测可见裂纹、划痕、疵点及白化分层等缺陷。
5.1.3 罐体清掏孔直径不应小于500mm高度不应小于100mm边缘应整齐, 厚度应均匀、无分层,加工断面应加封树脂。
塑料化粪池1 范围本标准规定了塑料化粪池(以下简称“化粪池”)的原材料、型号与构造、要求、试验方法、检验规则、标志、包装、运输和贮存。
本标准适用于以热塑性树脂(PE、PVC、PP)为主要原材料制作成型的化粪池。
2 规范性引用文件下列文件对于本文件的应用是必不可少的。
凡是注日期的引用文件,仅注日期的版本适用于本文件。
凡是不注日期的引用文件,其最新版本(包括所有的修改单)适用于本文件。
3 原材料3.1基体材料应采以聚氯乙烯(PVC)、聚乙烯(PE)、聚丙烯(PP)等树脂为主,允许掺入为提高材料使用性能和加工性能的增强材料和添加剂,但树脂含量(质量分数)应在80%以上,树脂具有生产商提供合格证明并符合相关标准。
3.2 允许少量使用来自本厂的洁净并具有相同成分的会用料,会用料在全部原材料中的比例不应超过10%。
4 型号与构造4.1型号4.1.1 化粪池容积对应见表 1表 1 化粪池容积对应表代号 1 2 3 4 5 6 7 8 9 10 11 12 13 容积/m3 2 4 6 9 12 16 20 25 30 40 50 75 1004.1.2 化粪池初始环刚度分别用Ⅰ(初始环刚度大于等于5000N/m2)和Ⅱ(初始环刚度大于等于10000N/m2)表示。
□-□-□初始环刚度(Ⅰ型或Ⅱ型)代号(容积,单位:m3) BH-玻璃钢化粪池示例:代号为13(容积为100m3),初始环刚度为Ⅱ型的玻璃钢化粪池型号表示为:BH-13(100)-Ⅱ。
4.2 构造4.2.1 化粪池在长度方向可分两格或三格。
各格容量应符合GB 50015的要求。
4.2.2 化粪池构造应包括通气管、清掏孔、进水管接口、出水管接口。
进出水口高差不应小于100mm。
清掏孔当两格时为一个,三格时为两个。
4.2.3 化粪池结构不应采用金属类材料增强。
5 要求5.1 外观5.1.1 罐体外表面应光滑、无裂纹、色泽应均匀、不应有明显划痕。
5.1.2 罐体内表面应为富树脂层,表面应光滑平整,不应有玻璃纤维裸露,无目测可见裂纹、划痕、疵点及白化分层等缺陷。
玻璃钢化粪池技术方案玻璃钢化粪池是一种使用玻璃钢材料制造而成的环保设备,能够有效地处理和储存粪便和废水。
相比传统的混凝土化粪池,玻璃钢化粪池具有重量轻、强度高、耐腐蚀、密封性好等优点。
下面是一份玻璃钢化粪池技术方案的详细说明。
1.设计要求:(1)玻璃钢化粪池的设计应符合国家相关标准和规范的要求;(2)玻璃钢化粪池应具有良好的密封性,且能够防止气味和污染物泄露;(3)玻璃钢化粪池的容量应根据实际需要进行合理的确定;(4)玻璃钢化粪池应配备相应的进出口管道和通气装置。
2.工艺流程:(1)清理:首先,将现有的化粪池清理干净,将废物和废水排除,并进行清洗和消毒处理;(2)定位:根据实际情况确定玻璃钢化粪池的位置,确保在施工过程中不受到其他建筑物的影响;(3)挖掘:使用挖掘机挖掘出足够大小的坑,以容纳玻璃钢化粪池,并确保底部平整稳固;(4)安装:将玻璃钢化粪池放入挖掘好的坑中,并确保与周围土壤紧密贴合;(5)接口处理:根据需要安装进出口管道和通气装置,并进行密封处理;(6)填土:使用适量的土壤将挖掘的坑填平,并进行压实处理;(7)校验:对玻璃钢化粪池进行校验,确保其性能和密封性满足设计要求;(8)使用和维护:玻璃钢化粪池安装完成后,可以开始使用,并根据需要定期进行检查和维护。
3.材料选择:(1)玻璃钢:玻璃钢是一种由玻璃纤维增强塑料制成的复合材料,具有良好的耐酸碱性和耐腐蚀性;(2)密封材料:选择耐酸碱和耐高温的密封胶条或密封胶水进行密封处理;(3)管道材料:根据需要选择耐腐蚀的管材,如玻璃钢管或塑料管。
4.设备参数:(1)容量:根据实际需要进行选择,一般可选用1000L、2000L、3000L等不同容量;(2)厚度:根据容量和使用要求选择适当的厚度,一般可选用5mm、8mm、10mm等;(3)进出口管道:根据需要选择适当的口径和材料。
5.安全措施:(1)施工过程中应遵守相关安全操作规程,确保安全施工;(2)使用防滑设备和防护措施,防止人员意外滑倒和坠落等事故;(3)在使用过程中,应定期检查容器的密封性和安全性,及时进行维护和修复;(4)应定期清理和消毒玻璃钢化粪池,以确保其正常运行和环保处理效果。
玻璃钢化粪池施工注意事项
1,首先确定开槽长宽深,长与宽按照所安装化粪池尺寸各外扩700mm。
深度根据市政标高与我方进水管位置决定(进水管上管壁与罐顶距离50mm,出水管上管壁与罐顶距离100mm也可根据采购方需要调整落差)。
2,地耐力要大于10吨,否则需做100mm厚混凝土垫层。
3,有地下水时,需铺设100mm卵石层,然后再100mm混凝土垫层,再100mm砂垫层。
4,无地下水时,地耐力大于10吨时只需铺设100mm砂垫层。
5,回填土时尖角石块必须剔除。
同时回填300mm一夯,回填夯实尤其重要,对日后的使用具有直接影响。
6,覆土深度大于1200mm,路面荷载汽-15级。
如小于1200mm需要过车时需做路面构造。
如荷载大于15吨同时也需要做路面构造。
路面构造配筋图厂家可以提供。
7,玻璃钢化粪池出厂前采购方需提供进出水管位置与尺寸。
玻璃钢化粪池都有个清掏周期。
以前砖混的化粪池清掏不干净会日积月累的有效容积会减小,影响清掏周期。
所以现在的玻璃钢化粪池是化粪池的革命。
现在的玻璃钢化粪池是圆形,不存在死角所以清掏到位。
有效容积不会减小。
而且不会被腐蚀,渗漏。
是新型的革命性产品。
正在被大家所认可。
其实在日本玻璃钢化粪池早在30年前就已经成为法律规定的化粪池。
玻璃钢化粪池国家标准
玻璃钢化粪池是一种用于收集和处理家庭和工业废水的设备,它具有耐腐蚀、
耐压、耐高温、密封性好等优点,因此在污水处理领域得到了广泛的应用。
为了规范玻璃钢化粪池的设计、制造和使用,国家制定了一系列的标准,以确保其安全性、稳定性和环保性。
首先,玻璃钢化粪池的国家标准对其材料和制造工艺进行了详细规定。
玻璃钢
化粪池的主要材料是玻璃纤维增强塑料,国家标准规定了玻璃纤维增强塑料的质量标准、成分比例、加工工艺等,以确保玻璃钢化粪池具有足够的强度和耐腐蚀性。
同时,标准还对玻璃钢化粪池的制造工艺进行了严格规定,包括模具设计、成型工艺、固化工艺等,以确保玻璃钢化粪池的质量稳定和一致性。
其次,国家标准对玻璃钢化粪池的设计和安装进行了详细规定。
玻璃钢化粪池
的设计应符合一定的标准,包括容积大小、结构设计、进出水口设置、排气系统等,以确保其具有良好的污水处理效果和稳定的运行性能。
同时,标准还规定了玻璃钢化粪池的安装要求,包括基础施工、设备安装、管道连接等,以确保其安全可靠地运行。
此外,国家标准还对玻璃钢化粪池的使用和维护进行了规定。
玻璃钢化粪池在
使用过程中需要进行定期的清理和维护,国家标准规定了清理周期、清理方法、维护要点等,以确保玻璃钢化粪池始终保持良好的运行状态,避免污水外泄和设备损坏。
总的来说,玻璃钢化粪池国家标准的制定对于规范玻璃钢化粪池的设计、制造、安装、使用和维护起到了至关重要的作用。
只有严格遵守国家标准,才能保证玻璃钢化粪池的质量和安全性,为污水处理工作提供可靠的保障。
希望各相关部门和企业能够严格执行国家标准,共同努力推动我国污水处理行业的健康发展。
玻璃钢化粪池质量标准
玻璃钢化粪池作为污水处理设备,需要符合一定的质量标准以确保其使用寿命和环境效益。
一般来说,玻璃钢化粪池的质量标准包括以下几个方面:
1. 规格尺寸:玻璃钢化粪池的规格尺寸应符合相关设计要求,包括容积、长度、宽度、深度等。
2. 材质:玻璃钢化粪池的材质应当选用高强度、耐腐蚀的玻璃钢材料,确保其具有良好的耐候性和耐化学腐蚀性。
3. 紧密性:玻璃钢化粪池的制造需要确保密封性和防渗性,以防止污水泄漏和地下水渗入。
4. 结构强度:玻璃钢化粪池需要具有足够的结构强度,能够承受地下水压力和外部荷载,并且能够保持稳定的形状,避免变形和破裂。
5. 抗老化性能:玻璃钢化粪池需要经过特殊的防腐处理,以确保其在恶劣环境下具有良好的抗老化性能,长期使用不会出现开裂、脆化等现象。
6. 环保标准:制造和使用玻璃钢化粪池需要符合当地的环保法规,采用环保的材料和工艺,不会对周围环境造成污染。
7. 安全标准:制造和使用玻璃钢化粪池需要符合相关的安全标准,包括施工安全、使用安全和防火安全等。
在购买和使用玻璃钢化粪池时,建议选择正规厂家生产的产品,并遵循相关标准和规范进行安装和使用,以确保其性能和质量符合要求。
玻璃钢化粪池施工方案设计与施工须知一、前言玻璃钢化粪池是一种常见的处理生活污水的设备,它具有耐腐蚀、耐高温、抗老化等优点,成为许多地区使用的主要化粪池类型之一。
本文将针对玻璃钢化粪池的施工方案设计以及施工须知做详细说明,以确保施工过程顺利进行。
二、施工方案设计1. 场地选择选择施工场地时,应确保地势平坦,无积水问题,并充分考虑附近居民的生活影响,尽量选择远离居民区域的位置。
2. 施工材料准备2.1 玻璃钢板材:选择质量可靠的玻璃钢板材,确保其具备耐腐蚀、耐老化的特性。
2.2 玻璃钢化粪池配件:根据设计要求,准备好各种尺寸合适的配件,如进出水口、通风口等。
3. 基坑挖掘3.1 按照设计要求进行基坑的尺寸和深度挖掘,确保基坑底部平整、坚实,边坡稳定。
3.2 基坑挖掘过程中,应注意安全,保持斜坡的稳定,防止坍塌事故。
4. 安装池体4.1 将预制好的玻璃钢板材按照设计要求进行组装,确保板材之间的连接紧密。
4.2 安装过程中,应注意保护玻璃钢板材的表面,防止划伤和损坏。
4.3 安装完成后,通过检查确保池体完整无缺,并且各个连接口处无渗漏现象。
5. 排水管道连接5.1 根据设计要求,将进水口、出水口等管道连接到相应位置,并确保连接紧密。
5.2 排水管道连接完成后,进行试水,检查是否存在漏水情况,并及时进行修复。
6. 完善附属设施6.1 安装通风口和气味处理设备,确保化粪池内部通风良好,有效处理污水的气味。
6.2 安装检修口,方便后续对化粪池进行维护和清理。
三、施工须知1. 安全第一在施工过程中,必须严格按照安全操作规范进行施工,佩戴好相关防护设备,确保施工人员的人身安全。
2. 细致施工施工过程中应仔细核对设计要求,确保每个环节的施工质量达到标准,并做好相应的记录。
3. 施工现场保洁施工结束后,及时清理现场杂物,确保施工现场整洁,避免对周围环境造成污染。
4. 质量检查在施工过程中,应定期进行质量检查,确保施工质量符合要求,并记录相关数据,以备查证。
玻璃钢化粪池技术及方案1.玻璃钢化粪池的制作材料:玻璃钢是由玻璃纤维和树脂(通常是聚酯树脂)组成的复合材料。
玻璃纤维提供了强度和刚度,而树脂提供了耐腐蚀性能。
这种材料既具有玻璃的硬度又具有塑料的韧性,可以抵御大部分化学物质的侵蚀。
2.玻璃钢化粪池的制作工艺:首先,根据设计要求,制作玻璃钢化粪池的模具。
然后,将玻璃纤维和树脂按照一定的比例混合,加入催化剂进行反应。
接着,将混合好的树脂浆料涂在模具表面,再铺一层预浸玻璃纤维布,然后用刮刀将多余的树脂挤出。
最后,等待树脂固化后,将模具拆除,得到成品。
3.玻璃钢化粪池的设计要点:(1)尺寸:根据实际需求和使用人数确定粪池的尺寸,一般根据每天产生的废物量和每天清理的次数来决定粪池容量。
同时,为了方便清理和维修,粪池的尺寸也需要考虑进去。
(2)结构:粪池应该具备进、出水口,以及通风孔。
进水管和出水管的位置应当合理,以便于排放废物和冲洗,同时通风孔可以排出粪池内部产生的恶臭气体。
(3)强度:玻璃钢化粪池需要具备足够的强度,以承受外部环境的压力和重量。
通常,粪池底部和侧面应该增加加强筋或者加厚设计,以提高整个池体的承载能力。
4.玻璃钢化粪池的安装:(1)选择合适的位置:粪池应该离居住区或者食品加工区远,以防止产生恶臭气味对生活和工作造成影响。
同时,位置也应该方便排水管道的接入。
(2)建立完善的排水系统:粪池的出水口应该与排水管道相连接,以便于排放废物。
同时,出水管道还需要设置防止恶臭气体进入室内的装置。
(3)定期清理和维护:为了保持粪池的正常运行和延长使用寿命,定期清理和维护是必要的。
清理时应戴防护手套和口罩,以防止接触废物和呼吸有害气体。
玻璃钢化粪池技术及方案,可以有效解决人类生活中产生的有机废物的处理问题。
它具有耐腐蚀、无渗漏、易清理和长寿命等优点,并且制作工艺简便,安装方便。
因此,玻璃钢化粪池在农村地区和一些没有下水道的地方具有广泛的应用前景。
塑料化粪池
1 范围
本标准规定了塑料化粪池(以下简称“化粪池”)的原材料、型号与构造、要求、试验方法、检验规则、标志、包装、运输和贮存。
本标准适用于以热塑性树脂(PE、PVC、PP)为主要原材料制作成型的化粪池。
2 规范性引用文件
下列文件对于本文件的应用是必不可少的。
凡是注日期的引用文件,仅注日期的版本适用于本文件。
凡是不注日期的引用文件,其最新版本(包括所有的修改单)适用于本文件。
3 原材料
3.1基体材料应采以聚氯乙烯(PVC)、聚乙烯(PE)、聚丙烯(PP)等树脂为主,允许掺入为提高材料使用性能和加工性能的增强材料和添加剂,但树脂含量(质量分数)应在80%以上,树脂具有生产商提供合格证明并符合相关标准。
3.2 允许少量使用来自本厂的洁净并具有相同成分的会用料,会用料在全部原材料中的比例不应超过10%。
4 型号与构造
4.1型号
4.1.1 化粪池容积对应见表1
表 1 化粪池容积对应表
4.1.2 化粪池初始环刚度分别用Ⅰ(初始环刚度大于等于5000N/m2)和Ⅱ(初始环刚度大于等于10000N/m2)表示。
m3)
玻璃钢化粪池
示例:
代号为13(容积为100m3),初始环刚度为Ⅱ型的玻璃钢化粪池型号表示为:BH-13(100)-Ⅱ。
4.2 构造
4.2.1 化粪池在长度方向可分两格或三格。
各格容量应符合GB 50015的要求。
4.2.2 化粪池构造应包括通气管、清掏孔、进水管接口、出水管接口。
进出水口高差不应小于100mm。
清掏孔当两格时为一个,三格时为两个。
4.2.3 化粪池结构不应采用金属类材料增强。
5 要求
5.1 外观
5.1.1 罐体外表面应光滑、无裂纹、色泽应均匀、不应有明显划痕。
5.1.2 罐体内表面应为富树脂层,表面应光滑平整,不应有玻璃纤维裸露,无目测可见裂纹、划痕、疵点及白化分层等缺陷。
5.1.3 罐体清掏孔直径不应小于500mm,高度不应小于100mm,边缘应整齐,厚度应均匀、无分层,加工断面应加封树脂。
清掏孔的数量根据化粪池分格而定,分为两格的化粪池可设置一个清掏孔,分为三格的化粪池应设置两个(或两个以上)清掏孔。
5.2 罐体尺寸偏差
罐体尺寸偏差应符合表2的要求
表2 罐体尺寸偏差
5.3 化粪池罐体物理性能
5.3.1封头的拉伸强度和弯曲强度应符合表3的要求。
表3 封头的拉伸强度和弯曲强度表
5.3.2巴氏硬度应大于等于34。
5.3.3 吸水率应小于等于1%。
5.3.4 耐水性:经耐水实验后,罐体应无异状,强度保留85%以上。
5.3.5 冲击强度:按
6.8试验后,表面应无裂纹。
5.3.6 渗漏试验:按
6.9试验后,应无渗漏现象且无明显变形。
5.3.7 初始环刚度:Ⅰ型初始环刚度应大于等于5000N/m2, Ⅱ型初始环刚度应大于等于10000N/m2。
6 试验方法
6.1 外观
目测
6.2 尺寸偏差
长度用卷尺进行测量,壁厚用游标卡尺进行测量。
6.3 拉伸强度
拉伸强度按GB/T 1447进行测量。
6.4 弯曲强度
弯曲强度按GB/T 1449进行测量。
6.5 巴氏硬度
巴氏硬度按GB/T 3854进行测量。
6.6 吸水率
吸水率按GB/T 1462进行测量。
6.7 耐水性
耐水性按GB/T 2575进行测量。
6.8 冲击强度
在化粪池罐体的中央部位的上方(避开清掏孔),用一个质量2000g的钢球,从2m高度自由落下,在钢球冲击处,进行测定。
6.9 渗漏试验
化粪池宜以回填或其他方式固定,将进出口封闭后注满水,放置24h观察,无渗漏现象及无明显变形。
6.10 初始环刚度
初始环刚度GB/T 21238进行测定。
7 检验规则
检验分出厂检验和型式检验。
7.1 出厂检验
7.1.1 检验项目
每台化粪池出厂前,应进行5.1、5.2和5.3.6项目检验。
7.1.2 判定规则
出厂检验各项均符合要求,判产品合格。
若有不符合要求项目,允许修补一次重新进行检验,修补后仍不合格则判为不合格品。
7.2 型式检验
7.2.1 型式检验条件
型式检验为第5章全部项目。
有下列情况之一时,应进行型式检验:
a)产品定型投产时;
b)原材料、配方有重大改变,可能影响产品性能时;
c)正常生产每三年进行一次;
d)停产半年以上恢复生产时;
7.2.2 抽样
从出厂检验合格产品中进行抽样。
7.2.3 判定
产品经检验后,若有不合格项,允许加倍抽样进行复检。
如仍有一项不合格,则判该批产品不合格。
8 标志、包装、运输和贮存
8.1 标志
产品经检验合格应印有如下标志:
a)商标;
b)编号;
c)产品名称;
d)规格、型号;
e)进、出水管方向标识;
f)制造厂名;
g)联系电话;
h)生产所依据的标准。
8.2 包装
化粪池一般不包装。
化粪池出厂应有合格证、产品说明书。
8.3 运输和贮存
8.3.1 在装卸、运输过程中应平稳,在摩擦处应放置软质垫固定,防止与车厢碰撞。
超高应加红色标志。
8.3.2 化粪池在搬运、安装时,钢丝绳不应直接与化粪池接触,不应捆缚清掏孔与进出水管等附件提吊,不应加载吊装。
8.3.3 多台化粪池同时装运时应用软垫隔开,不应直接接触和碰撞。
8.3.4 化粪池贮存时应注意防火,露天存放时应避免紫外线直射。