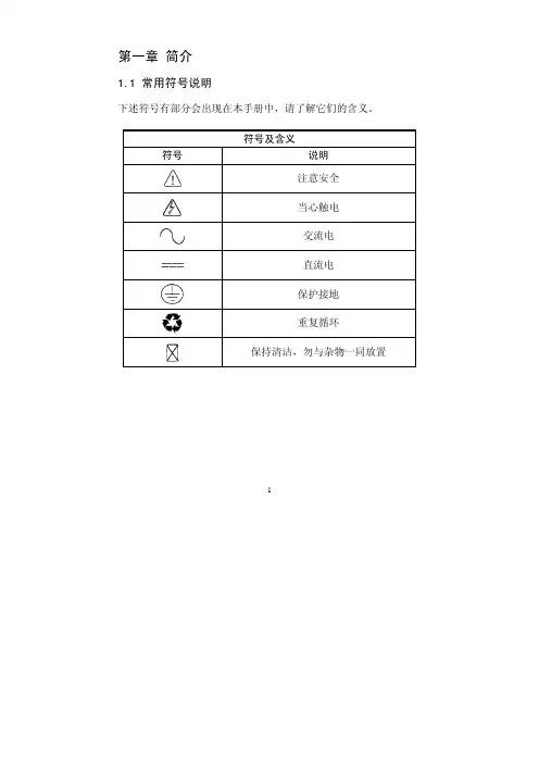
英威腾一体化机柜操作手册-空调操作指导
- 格式:docx
- 大小:2.31 MB
- 文档页数:3
INVT英威腾变频器说明书CHE说明书(1目录安全注意事项 (5)1概况 (6)1.1变频器的综合技术特性 (6)1.2 变频器铭牌说明 (7)1.3 变频器系列机型 (7)1.4 变频器各部件名称说明 (9)1.5 变频器外形尺寸 (10)2 开箱检查………………………………………………………………………133 拆卸和安装 (14)安全警告………………………………………………………………………143.1 变频器安装运行环境……………………………………………………153.2 变频器安装间隔及距离…………………………………………………163.3 外引键盘的安装尺寸……………………………………………………173.4 盖板的拆卸和安装………………………………………………………184 接线……………………………………………………………………………20安全警告………………………………………………………………………204.1 与外围设备的连接图……………………………………………………214.2 接线端子图………………………………………………………………224.3 标准接线图………………………………………………………………234.4 断路器、熔断器、电缆、接触器规格一览表 (24)4.5 主回路的连接……………………………………………………………254.5.1 主回路电源侧的连接 (25)4.5.2 主回路变频器侧的连接 (25)4.5.3 主回路电机侧的连接 (26)4.5.4 回馈单元的连接 (26)4.5.5 共直流母线的连接………………………………………………274.5.6 接地线的连接 (28)4.6 控制回路的连接…………………………………………………………284.6.1 注意事项 (28)4.6.2 控制板端子说明 (28)4.6.3 控制板跳线说明 (29)4.7 符合EMC要求的安装指导………………………………………………294.7.1 EMC一般常识………………………………………………………294.7.2 变频器的EMC特点.........................................................304.7.3 EMC安装指导 (30)5 操作5.1 操作面板说明……………………………………………………………335.1.1 面板示意图 (33)5.1.2 按键功能说明 (33)5.1.3 指示灯说明 (34)5.2 操作流程…………………………………………………………………345.2.1 参数设置 (34)5.2.2 故障复位 (35)5.2.3 参数拷贝 (36)5.2.4 电机参数自学习 (36)5.2.5 密码设置 (37)5.3运行状态…………………………………………………………………375.3.1 上电初始化 (37)5.3.2 待机 (37)5.3.3 电机参数自学习 (37)5.3.4 运行 (37)5.3.5 故障 (38)5.4 快速调试 (38)6 功能详细说明…………………………………………………………………39P0 基本功能组 (39)P1 起停控制组 (45)P2 电机参数组 (48)P3 矢量控制组 (49)P4 V/F控制组 (50)P5 输入端子组 (51)P6 输出端子组 (55)P7 人机界面组 (57)P8 增强功能组 (60)P9 PID控制组 (64)PA 多段速控制组 (67)PB 保护参数组 (68)PC 串行通讯组 (71)PD 保留功能组 (74)PE 厂家功能组 (74)7 故障与排除……………………………………………………………………757.1 故障信息及排除方法 (75)7.2 常见故障及其处理方法 (76)8 保养与维护……………………………………………………………………788.1 日常保养及维护………………………………………………………788.2 定期维护………………………………………………………………788.3 变频器易损件更换……………………………………………………798.4 变频器的保修…………………………………………………………799 功能参数一览表………………………………………………………………8010 制动电阻/制动单元选型 (91)10.1 选型参考 (91)10.2 连接方法 (91)10.2.1制动电阻连接 (91)10.2.2制动单元连接 (92)10.2.3制动单元并联连接 (92)11 通讯协议………………………………………………………………………9311.1 协议内容 (93)11.2 应用方式 (93)11.3 总线结构 (93)11.4 协议说明 (93)11.5 通讯帧结构 (94)11.6 命令码及通讯数据描述 (96)插图图1-1 变频器铭牌说明 (7)图1-2 15KW及以下塑料外壳变频器各部件名称 (9)图1-3 18.5KW及以上金属外壳变频器各部件名称 (10)图1-4 15KW以下机型的外形尺寸 (11)图1-5 18.5KW~110KW以上机型外形尺寸 (11)图1-6 132KW~315KW机型有底座和无底座外形尺 (12)图3-1 安装地点的海拔高度…………………………………………………15图3-2 安装的间隔距离………………………………………………………16图3-3 多台变频器的安装……………………………………………………16图3-4 外引键盘(小)的安装尺寸 (17)图3-5 外引键盘(小)的开孔尺寸 (17)图3-6 外引键盘(大)的安装尺寸 (17)图3-7 外引键盘(大)的开孔尺寸 (17)图3-8 塑胶盖板的拆卸和安装示意图………………………………………18图3-9 钣金盖板的拆卸和安装示意图………………………………………18图3-10 柜式结构的拆卸和安装示意图 (19)21图4-2 主回路接线端子图1.5~2.2kW (22)图4-3 主回路接线端子图1.5~2.2kW (22)图4-4 主回路接线端子图1.5~2.2kW (22)图4-5 主回路接线端子图18.5KW~110KW (22)图4-6 主回路接线端子图132KW~315KW (22)图4-7 1.5~2.2kW控制回路接线端子图 (23)图4-8 3.7~30kW控制回路接线端子图 (23)图4-9 标准接线图 (23)图4-10 主回路电源侧的连接 (25)图4-11 主回路电机侧的连接 (26)图4-12 能量回馈单元连接图………………………………………………27图4-13 共直流母线的连接 (28)图5-1 操作面板示意图 (33)图5-2 三级菜单操作流程图 (35)图5-3 快速调试流程图 (38)图6-1 加减速时间示意图 (42)图6-2 载频对环境的影响关系图 (43)图6-3 直流制动示意图 (47)图6-4 正反转死区时间示意图 (47)图6-6 V/F曲线示意图 (50)图6-7 手动转矩提升示意图 (51)图6-8 两线式运转模式1示意图 (53)图6-9 两线式运转模式2示意图 (53)图6-10 三线式运转模式1示意图 (53)图6-11 三线式运转模式2示意图 (54)图6-12 模拟给定与设定量的对应关系 (55)图6-13 给定量与模拟量输出的对应关系 (57)图6-14 跳跃频率示意图 (61)图6-15 摆频运行示意图 (62)图6-16 FDT电平示意图 (63)图6-17 频率到达检出幅值示意图 (63)图6-18 过程PID原理框图 (64)图6-19 偏差极限与输出频率的对应关系 (67)图6-20 多段速运行逻辑图 (68)图6-21 电机过载保护系数设定 (69)图6-22 过压失速功能示意图 (70)图6-23 限流保护功能示意图 (71)图10-1 制动电阻的安装 (92)图10-2 制动单元的连接 (92)图10-3 制动单元的并联连接 (92)安全注意事项安装、运行、维护或检查之前要认真阅读本说明书。
目录用户须知 (2)注意事项 (2)拆卸和安装 (3)变频器的功能特点 (4)型号、防爆形式及基本参数 (4)变频器工作原理 (4)使用与维护 (5)操作 (7)操作面板说明 (7)操作流程 (10)运行状态 (14)快速调试 (15)详细功能说明 (16)P0组基本功能组 (16)P1组起停控制组 (22)P2组电机参数组 (25)P3组矢量控制参数 (26)P4组V/F控制参数 (28)P5组输入端子组 (30)P6组输出端子组 (36)P7组人机界面组 (39)P8组增强功能组 (42)P9组PID控制组 (48)PA组简易PLC及多段速控制组 (50)PB组保护参数组 (53)PC组串行通讯组 (56)PD组补充功能组 (58)PE组厂家功能组 (58)故障检查与排除 (59)故障信息及排除方法 (59)常见故障及其处理方法 (61)连接方式 (62)远控故障输出和总调连接方式 (62)工频运行注意事项 (62)两台联控图 (63)直流母线的作用及连接方法 (64)密码功能 (64)保养和维护 (65)原理图 (66)用户须知1.该变频调速装置为电力电子器件组成,在运输及安装过程中,尽量避免强烈的震动,尽量垂直运输。
2.该变频调速装置尽量安装在干燥通风的区域,变频器的散热片距墙壁(或遮挡物)距离应大于1.0米。
3.长期不用时,应存放清洁干燥的地方;在井下安装好而不运行的状况下,该设备尽量不停电。
注意事项1.变频调速装置其隔爆外壳及本安控制盒的结构和非本安及本安电路的电气参数,在出厂前均已装配调试合格,用户严禁改动变频调速装置壳体的结构和电气参数,以确保本产品的防爆性能、电气性能和本安性能。
2.设备在带电情况下,严禁松动隔爆壳紧固件,在检修或处理故障时,请注意“断电后十分钟开盖”。
(注:本安型参数程序控制器和本安型速度按钮控制腔盖不受此限制)3.外壳应接地良好。
4.装置电源A、B、C停电以后10分钟内禁止对变频器隔爆主腔内的任何电路进行操作,且必须用仪表确认机内电容已放电完毕,方可实施进内作业。
英威腾变频器怎么调试!英威腾变频器参数重新设定-奕灿网一、英威腾变频器参数重新设定断开启动端子,恢复出厂设置之后,重新设置参数即可。
二、英威腾变频器调什么可以看到转速以英威腾CHF系列变频器为例,在变频器运行状态中,循环按压操作面板上面的S HIFT按键,当变频器面板数码显示屏幕右边的三个红灯第一个和第二个亮的时候,此时屏幕显示的就是变频器通过计算得出的电动机的实际转速。
三、英威腾变频器设置求助可以这么切换,控制15千瓦的罗茨风机,用S曲线,加速时间设置为10S左右都可以,停车方式用自由停车就好,减速时间不用设置。
四、英威腾变频器初始化调哪一个CHF100系列的是P0.13=1,变频器将所有参数恢复缺省值。
不能保证所有的系列都一样啊,最好是自己找一下使用手册,看一下。
五、英威腾CHF100A变频器,如何设置高中低3段频率,分别为50、40、30Hz,设置哪几个参数?P0.07-5P5.02-16 P5.03-17 P5.04-18PA.06-60 PA.10-80 PA.18-100六、英威特变频器如何调速英威腾变频器啊,最简单的办法就是按上面的上下键,出厂设置就是的,如果不管用的话,请查看参数P0.06(频率给定方式),改成0就能够了。
七、变频器怎么调试1.首先通过漏电保护开关将变频器的电源输入端子连接到电源,然后将变频器的接地端子接地。
2.确认变频器名牌标签的电压频率等级是否与电网一致,无误后开始送电。
3.当主接触器接合且风扇运转时,使用万用表ac测试输入电源电压是否在标准规格范围内。
4.设置变频器工作频率为50hz,测试变频器U、V、W相输出电压平衡,断电完全不显示后连接电机线。
参考文档下载:《英威腾变频器怎么调试.pdf》下载:《英威腾变频器怎么调试.doc》更多关于《英威腾变频器怎么调试》的文档...声明:本文来自网络,不代表【奕灿网】立场,转载请注明出处。
深圳市英威腾电源有限公司UPS开、关机步骤和注意事项一、UPS正常开机1、闭合电网到UPS之间的输入配电空开;2、UPS自动开机,等待90秒左右逆变器正常工作,此时STATUS、BAT红灯常亮,REC、INV、OUTPUT绿灯常亮,BYP灯灭;3、把电池柜空开闭合,STATUS、REC、INV、OUTPUT、BAT绿灯常亮,BYP灯灭;4、以上正常工作后把UPS输出端设备负载开关逐一闭合(只有一个输出空开直接闭合即可),设备正常供电。
二、UPS正常关机1、把UPS输出后端设备正常关闭,再断开所有负载开关;2、把UPS电池空开断开;3、把电网到UPS 的输入配电空开断开;4、等待UPS完全关机下电,液晶显示屏不亮。
三、电池放电观察1、市电停电后电池正常放电观察电池电压和查看面板上BAT指示灯,当BAT指示灯红灯闪烁时,此时UPS会报电池电压低,此时电池放电后备时间不足,需要手动关闭负载,避免电池放电到EOD关闭逆变器UPS无输出对负载造成冲击。
四、功能按键介绍及注意事项1、EPO:紧急关机; BYP:长按,切换到旁路(需将前门后面的使能开关拨到ON位置);INV:长按,由旁路切换到逆变输出;MUTE:长按,关掉蜂鸣。
注意: EPO按键为发生紧急事件时操作(常按2秒后有效),非紧急情况下禁止操作,以免造成不必要的损失。
2、日常维护和注意事项:UPS和蓄电池应使用在恒温、恒湿、无粉尘、无腐蚀性气体环境下,温度22±3℃,湿度50%±10%,负载率一般使用在30%~70%之间,但同时保证有1个模块冗余。
3、对于全年都不停电的场所应每半年对蓄电池做一次放电测试,保证蓄电池的放电活跃性,延长蓄电池使用寿命。
4、如您还需了解其它详细信息请参考UPS电源说明书,发现有异常请及时拨打“深圳市英威腾电源有限公司”全国统一服务热线400-7009997转2线。
目录目录 (i)第1章安全注意事项 (1)1.1 安全信息定义 (1)1.2 警告标识 (1)1.3 安全指导 (1)第2章产品简介 (4)2.1 快速启动 (4)2.2 产品规格 (5)2.3 产品铭牌 (6)2.4 型号代码 (7)2.5 产品额定值 (7)2.6 结构示意图 (7)第3章安装指导 (9)3.1 机械安装 (9)3.2 标准接线 (11)3.3 配线保护 (14)第4章键盘操作流程 (15)4.1 键盘简介 (15)4.2 键盘显示 (16)4.3 键盘操作 (17)第5章功能参数一览表 (20)第6章故障 (37)6.1 故障预防 (37)6.2 故障处理 (39)第7章通讯协议 (42)7.1 Modbus 协议简介 (42)7.2 本变频器应用方式 (42)7.3 RTU命令码及通讯数据描述 (47)附录A 技术数据 (57)A.1 降额使用变频器 (57)A.2 CE (58)A.3 EMC 规范 (58)附录B 尺寸图 (60)B.1 键盘结构图 (60)B.2 变频器尺寸表 (61)附录C 外围选配件 (62)C.1 电源 (62)C.2 电缆 (62)附录D 更多信息 (63)D.1 产品和服务咨询 (63)D.2 提供INVT变频器手册的反馈意见 (63)D.3 Internet上的文件库 (63)第1章安全注意事项在进行搬运、安装、运行、维护之前,请详细阅读使用说明书,并遵循说明书中所有安全注意事项。
如果忽视,可能造成人身伤害或者设备损坏,甚至人员死亡。
因贵公司或贵公司客户未遵守使用说明书的安全注意事项而造成的伤害和设备损坏,本公司将不承担责任。
1.1 安全信息定义危险:如不遵守相关要求,就会造成严重的人身伤害,甚至死亡。
警告:如不遵守相关要求,可能造成人身伤害或者设备损坏。
注意:为了确保正确的运行而采取的步骤。
培训并合格的专业人员:是指操作本设备的工作人员必须经过专业的电气培训和安全知识培训并且考试合格,已经熟悉本设备的安装,调试,投入运行以及维护保养的步骤和要求,并能避免产生各种紧急情况。
【精品】INVT英威腾变频器说明书CHE说明书(13版) 目录安全注意事项………………………………………………………………………51 概况…………………………………………………………………………………61.1 变频器的综合技术特性…………………………………………………………61.2 变频器铭牌说明…………………………………………………………………71.3 变频器系列机型…………………………………………………………………71.4 变频器各部件名称说明…………………………………………………………91.5 变频器外形尺寸………………………………………………………………102 开箱检查………………………………………………………………………133 拆卸和安装……………………………………………………………………14 安全警告………………………………………………………………………14 3.1 变频器安装运行环境……………………………………………………15 3.2 变频器安装间隔及距离…………………………………………………16 3.3 外引键盘的安装尺寸……………………………………………………17 3.4 盖板的拆卸和安装………………………………………………………184 接线……………………………………………………………………………20 安全警告………………………………………………………………………20 4.1 与外围设备的连接图……………………………………………………21 4.2 接线端子图………………………………………………………………22 4.3 标准接线图………………………………………………………………23 4.4 断路器、熔断器、电缆、接触器规格一览表…………………………24 4.5 主回路的连接……………………………………………………………25 4.5.1 主回路电源侧的连接…………………………………………… 25 4.5.2 主回路变频器侧的连接…………………………………………25 4.5.3 主回路电机侧的连接回馈单元的连接………………………………………………… 26 4.5.5 共直流母线的连接……………………………………………… 27 4.5.6 接地线的连接………………………………………………………28 4.6 控制回路的连接…………………………………………………………28 4.6.1 注意事项…………………………………………………………28 4.6.2 控制板端子说明…………………………………………………28 4.6.3 控制板跳线说明…………………………………………………29 4.7 符合 EMC 要求的安装指导……………………………………………… 29 4.7.1 EMC 一般常识……………………………………………………… 29 4.7.2 变频器的 EMC 特点…………………………………………………30 4.7.3 EMC 安装指导………………………………………………………305 操作 5.1 操作面板说明……………………………………………………………33 5.1.1 面板示意图………………………………………………………33 5.1.2 按键功能说明……………………………………………………33 5.1.3 指示灯说明………………………………………………………34 5.2 操作流程…………………………………………………………………34 5.2.1 参数设置………………………………………………………… 34 5.2.2 故障复位………………………………………………………… 35 5.2.3 参数拷贝………………………………………………………… 36 5.2.4 电机参数自学习………………………………………………… 36 5.2.5 密码设置………………………………………………………… 37 5.3 运行状态…………………………………………………………………37 5.3.1 上电初始化……………………………………………………… 37 5.3.2 待机……………………………………………………………… 37 5.3.3 电机参数自学习………………………………………………… 37 5.3.4 运行……………………………………………………………… 37 5.3.5 故障……………………………………………………………… 38 5.4 快速调试……………………………………………………………… 386 功能详细说明………………………………………………………………… 39 P0 基本功能组………………………………………………………………39 P1 起停控制组………………………………………………………………45 P2 电机参数组………………………………………………………………48 P3 矢量控制组………………………………………………………………49 P4 V/F 控制组……………………………………………………………… 50 P5 输入端子组………………………………………………………………51 P6 输出端子组………………………………………………………………55 P7 人机界面组………………………………………………………………57 P8 增强功能组………………………………………………………………60 P9 PID 控制组……………………………………………………………… 64 PA 多段速控制组……………………………………………………………67 PB 保护参数组………………………………………………………………68 PC 串行通讯组………………………………………………………………71 PD 保留功能组………………………………………………………………74 PE 厂家功能组………………………………………………………………747 故障与排除……………………………………………………………………75 7.1 故障信息及排除方法…………………………………………………75 7.2 常见故障及其处理方法…………………………………………………768 保养与维护…………………………………………………………………… 78 8.1 日常保养及维护……………………………………………………… 78 8.2 定期维护……………………………………………………………… 78 8.3 变频器易损件更换…………………………………………………… 79 8.4 变频器的保修………………………………………………………… 799 功能参数一览表………………………………………………………………8010 制动电阻/制动单元选型………………………………………………………91 10.1 选型参考………………………………………………………………91 10.2 连接方法………………………………………………………………91 10.2.1 制动电阻连接…………………………………………………91 10.2.2 制动单元连接…………………………………………………92 10.2.3 制动单元并联连接……………………………………………9211 通讯协议………………………………………………………………………93 11.1 协议内容………………………………………………………………93 11.2 应用方式………………………………………………………………93 11.3 总线结构………………………………………………………………93 11.4 协议说明……………………………………………………………93 11.5 通讯帧结构…………………………………………………………94 11.6 命令码及通讯数据描述………………………………………………96 插图图 1-1 变频器铭牌说明……………………………………………………7 图 1-2 15KW 及以下塑料外壳变频器各部件名称……………………………9 图 1-3 18.5KW 及以上金属外壳变频器各部件名称………………………10 图 1-4 15KW 以下机型的外形尺寸…………………………………………11 图 1-5 18.5KW,110KW 以上机型外形尺寸…………………………………11 图 1-6 132KW,315KW 机型有底座和无底座外形尺……………………12 图 3-1 安装地点的海拔高度…………………………………………………15 图 3-2 安装的间隔距离………………………………………………………16 图 3-3 多台变频器的安装……………………………………………………16 图 3-4 外引键盘(小)的安装尺寸…………………………………………17 图 3-5 外引键盘(小)的开孔尺寸…………………………………………17 图 3-6 外引键盘(大)的安装尺寸…………………………………………17 图 3-7 外引键盘(大)的开孔尺寸…………………………………………17 图 3-8 塑胶盖板的拆卸和安装示意图………………………………………18 图 3-9 钣金盖板的拆卸和安装示意图………………………………………18 图 3-10 柜式结构的拆卸和安装示意图……………………………………19 图 4-1 外围设备的连接图……………………………………………………21 图 4-2 主回路接线端子图1.5,2.2kW……………………………………22 图 4-3 主回路接线端子图1.5,2.2kW……………………………………22 图 4-4 主回路接线端子图1.5,2.2kW……………………………………22 图 4 -5 主回路接线端子图 1 8.5 KW, 11 0K W…… …………… ……2 2 图 4 - 6 主回路接线端子图 1 3 2 K W , 3 1 5 K W … … … … …… … … … 2 2 图 4-7 1.5,2.2kW 控制回路接线端子图……………………………………23 图 4-83.7,30kW 控制回路接线端子图……………………………………23 图 4-9 标准接线图……………………………………………………………23 图 4-10 主回路电源侧的连接………………………………………………25图 4-11 主回路电机侧的连接………………………………………………26图 4-12 能量回馈单元连接图………………………………………………27图 4-13 共直流母线的连接…………………………………………………28图 5-1 操作面板示意图……………………………………………………33图 5-2 三级菜单操作流程图………………………………………………35图 5-3 快速调试流程图……………………………………………………38图 6-1 加减速时间示意图…………………………………………………42图 6-2 载频对环境的影响关系图…………………………………………43图 6-3 直流制动示意图……………………………………………………47图 6-4 正反转死区时间示意图……………………………………………47图 6-5 PI 参数示意图…………………………………………………… 49图 6-6 V/F 曲线示意图…………………………………………………… 50图 6-7 手动转矩提升示意图………………………………………………51图 6-8 两线式运转模式 1 示意图…………………………………………53图 6-9 两线式运转模式 2 示意图…………………………………………53图 6-10 三线式运转模式 1 示意图…………………………………………53图 6-11 三线式运转模式 2 示意图…………………………………………54图 6-12 模拟给定与设定量的对应关系……………………………………55图 6-13 给定量与模拟量输出的对应关系…………………………………57图 6-14 跳跃频率示意图……………………………………………………61图 6-15 摆频运行示意图……………………………………………………62图 6-16 FDT 电平示意图…………………………………………………… 63图 6-17 频率到达检出幅值示意图…………………………………………63图 6-18 过程 PID 原理框图…………………………………………………64图 6-19 偏差极限与输出频率的对应关系…………………………………67图 6-20 多段速运行逻辑图…………………………………………………68图 6-21 电机过载保护系数设定……………………………………………69图 6-22 过压失速功能示意图………………………………………………70图 6-23 限流保护功能示意图………………………………………………71图 10-1 制动电阻的安装……………………………………………………92图 10-2 制动单元的连接……………………………………………………92图 10-3 制动单元的并联连接………………………………………………92 安全注意事项安装、运行、维护或检查之前要认真阅读本说明书。
英威腾变频器说明书1.1 安全信息定义危险:如不遵守相关要求,就会造成严重的人身伤害,甚至死亡。
警告:如不遵守相关要求,可能造成人身伤害或者设备损坏。
注意:为了确保正确的运行而采取的步骤。
培训并合格的专业人员:是指操作本设备的工作人员必须经过专业的电气培训和安全知识培训并且考试合格,已经熟悉本设备的安装,调试,投入运行以及维护保养的步骤和要求,并能避免产生各种紧急情况。
1.2 警告标识警告用于对可能造成严重的人身伤亡或设备损坏的情况进行警示,给出建议以避免发生危险。
本手册中使用下列警告标识:标识名称说明简写危险危险如不遵守相关要求,可能会造成严重的人身伤害,甚至死亡。
警告警告如不遵守相关要求,可能造成人身伤害或者设备损坏。
禁止静电敏感如不遵守相关要求,可能造成PCBA 板损坏。
高温注意高温变频器底座产生高温,禁止触摸。
注意注意为了确保正确的运行而采取的步骤。
注意1.3 安全指导只有经过培训并合格的人员才允许进行相关操作。
禁止在电源接通的情况下进行接线,检查和更换器件等作业。
进行接线及检查之前,必须确认所有输入电源已经断开,并等待不短于变频器上标注的时间或者确认直流母线电压低于36V 。
等待时间表如下:变频器机型至少等待时间单相220V 0.4kW-2.2kW 分钟三相220V 0.4kW-7.5kW 分钟三相380V 0.75kW-55kW 分钟严禁对变频器进行未经授权的改装,否则可能引起火灾,触电或其他伤害。
机器运行时,散热器底座可能产生高温,禁止触摸,以免烫伤。
变频器内电子元器件为静电敏感器件,进行操作时,必须做好防静电措施。
Goodrive20 变频器安全注意事项-3- 1.3.1 搬运和安装:禁止将变频器安装在易燃物上,并避免变频器紧密接触或粘附易燃物。
请按接线图连接制动选配件。
如果变频器被损坏或者缺少元器件,禁止运行。
禁止用潮湿物品或身体部位接触变频器,否则有触电危险。
选择合适的搬运和安装工具,保证变频器的正常安全运行,避免人身伤害。
目录安全运行的注意事项…………………………………………………………… 3-61、验收 (7)1-1、检验 (7)2、安装 (8)2-1、卸下和重新装上前盖 (8)2-2、取下和重新装上数字操作器 (9)2-3、选择安装变频器的地点 (9)2-4、安装间隙 (10)3、接线 (1)3-1、周围机械的接线方法 (11)3-2、连接图 (12)3-3、主回路的接线 (13)3-4、接地 (16)3-5、控制电路的接线 (16)3-6、接线检查 (18)4、运行 (1)84-1、操作方式的选择 (19)4-2、试运行前的检查 (19)4-3、试运行 (19)4-4、运行检查 (19)5、键盘操作、功能说明 (20)6、应用运行 (22)6-1、参数设定准备 (22)6-2、基本参数的设定 (24)6-3、运行指令 (27)6-4、输出功能 (29)6-5、输入功能 (32)6-6、多段速度和程序运行 (38)6-7、PI控制参数 (47)6-8、保护参数 (48)6-9、其它功能 (52)6-10、RS-485控制 (54)7、故障查找 (59)7-1故障诊断和纠正措施 (59)7-2报警显示和解释 (60)7-3电动机故障和纠正措施 (61)8、质量保证 (62)附录1:技术规范 (63)附录2:功能参数一览表 (64)附录3:外形尺寸 (72)附录4:各型号额定输出电流表 (76)附录5:注塑机专用变频器补充说明 (78)附录6:制动组件 (83)附录7:电抗器 (84)安全运行的注意事项 INVT-G9/P9安装、运行、维护或检查之前要认真阅读本说明书。
说明书中有关安全运行的注意事项分类成“警告”或“当心”。
指出潜在的危险情况,如果不避免,可能会导致人身伤亡。
指出潜在的危险情况,如果不避免,可能会导致人身轻度或中度的伤害和设备损坏。
这也可用来对不安全操作进行警戒。
在某些情况下,甚至在 当心 中所述的内容也会导致重大的事故。
英威腾变频器说明书
1:正转运行(FWD)2:反转运行(REV)
当运行指令通道为端子控制时,变频器的运行命令由上述端子功能给定.
3、:三线式运行控制
三线控制输入端子,具体参见P5.07三线制功能码介绍
4:正转寸动5:反转寸动
具体寸动频率和加减速时间参见P3.06~P3.08的说明。
6:自由停车
命令有效后,变频器立即封锁输出,电机停车过程不受变频器控制,对于大惯量负载且对停车时间没有要求时,建议采用该方式,该方式和P1.08所述自由停车含义相同。
外部故障复位功能,用于远距离故障复位,与键盘上的STOP/RST键功能相同。
8:运行暂停
20:多段速暂停
屏蔽多段速选择端子功能,使设定值维持在当前状态。
21、22:加减速时间选择端子1、2
通过此两个端子的状态组合来选择4组加减速时间:
32:频率增减设定暂时清零
当端子闭合时,可清除UP/DOWN设定的频率值,使各定频率恢复到由频率指令通道给定的频率,当端子断开时重新回到频率增减设定后的频率值。
33~39:保留
设置S1~S4,HDI端子采样的滤波时间。
在干扰大的情况下,应增大该参数,以防止误操作。
23:简易PLC复位
重新开始简易PLC过程,清除以前的PLC状态记忆信息。
24:简易PLC暂停
PLC在执行过程中程序暂停,以当前速度段一直运行,功能撤销后,简易PLC继续运行。
25:PID控制暂停
PID暂时失效,变频器维持当前频率输出
26:摆频暂停
变频器暂停在当前输出,功能撤销后,继续以当前频率开始摆频运行。
word 格式精心整理版目录安全注意事项⋯⋯⋯⋯⋯⋯⋯⋯⋯⋯⋯⋯⋯⋯⋯⋯⋯⋯⋯⋯⋯⋯⋯⋯⋯⋯⋯51 概况⋯⋯⋯⋯⋯⋯⋯⋯⋯⋯⋯⋯⋯⋯⋯⋯⋯⋯⋯⋯⋯⋯⋯⋯⋯⋯⋯⋯⋯⋯⋯6 1.1变频器的综合技术特性⋯⋯⋯⋯⋯⋯⋯⋯⋯⋯⋯⋯⋯⋯⋯⋯⋯⋯⋯⋯⋯⋯6 1.2变频器铭牌说明⋯⋯⋯⋯⋯⋯⋯⋯⋯⋯⋯⋯⋯⋯⋯⋯⋯⋯⋯⋯⋯⋯⋯⋯⋯7 1.3变频器系列机型⋯⋯⋯⋯⋯⋯⋯⋯⋯⋯⋯⋯⋯⋯⋯⋯⋯⋯⋯⋯⋯⋯⋯⋯⋯7 1.4变频器各部件名称说明⋯⋯⋯⋯⋯⋯⋯⋯⋯⋯⋯⋯⋯⋯⋯⋯⋯⋯⋯⋯⋯⋯9 1.5变频器外形尺寸⋯⋯⋯⋯⋯⋯⋯⋯⋯⋯⋯⋯⋯⋯⋯⋯⋯⋯⋯⋯⋯⋯⋯⋯10 2开箱检查⋯⋯⋯⋯⋯⋯⋯⋯⋯⋯⋯⋯⋯⋯⋯⋯⋯⋯⋯⋯⋯⋯⋯⋯⋯⋯⋯13 3拆卸和安装⋯⋯⋯⋯⋯⋯⋯⋯⋯⋯⋯⋯⋯⋯⋯⋯⋯⋯⋯⋯⋯⋯⋯⋯⋯⋯14安全警告⋯⋯⋯⋯⋯⋯⋯⋯⋯⋯⋯⋯⋯⋯⋯⋯⋯⋯⋯⋯⋯⋯⋯⋯⋯⋯⋯143.1变频器安装运行环境⋯⋯⋯⋯⋯⋯⋯⋯⋯⋯⋯⋯⋯⋯⋯⋯⋯⋯⋯⋯153.2变频器安装间隔及距离⋯⋯⋯⋯⋯⋯⋯⋯⋯⋯⋯⋯⋯⋯⋯⋯⋯⋯⋯163.3外引键盘的安装尺寸⋯⋯⋯⋯⋯⋯⋯⋯⋯⋯⋯⋯⋯⋯⋯⋯⋯⋯⋯⋯173.4盖板的拆卸和安装⋯⋯⋯⋯⋯⋯⋯⋯⋯⋯⋯⋯⋯⋯⋯⋯⋯⋯⋯⋯⋯184接线⋯⋯⋯⋯⋯⋯⋯⋯⋯⋯⋯⋯⋯⋯⋯⋯⋯⋯⋯⋯⋯⋯⋯⋯⋯⋯⋯⋯⋯20安全警告⋯⋯⋯⋯⋯⋯⋯⋯⋯⋯⋯⋯⋯⋯⋯⋯⋯⋯⋯⋯⋯⋯⋯⋯⋯⋯⋯204.1与外围设备的连接图⋯⋯⋯⋯⋯⋯⋯⋯⋯⋯⋯⋯⋯⋯⋯⋯⋯⋯⋯⋯214.2接线端子图⋯⋯⋯⋯⋯⋯⋯⋯⋯⋯⋯⋯⋯⋯⋯⋯⋯⋯⋯⋯⋯⋯⋯⋯224.3标准接线图⋯⋯⋯⋯⋯⋯⋯⋯⋯⋯⋯⋯⋯⋯⋯⋯⋯⋯⋯⋯⋯⋯⋯⋯234.4断路器、熔断器、电缆、接触器规格一览表⋯⋯⋯⋯⋯⋯⋯⋯⋯⋯244.5主回路的连接⋯⋯⋯⋯⋯⋯⋯⋯⋯⋯⋯⋯⋯⋯⋯⋯⋯⋯⋯⋯⋯⋯⋯254.5.1主回路电源侧的连接⋯⋯⋯⋯⋯⋯⋯⋯⋯⋯⋯⋯⋯⋯⋯⋯⋯254.5.2主回路变频器侧的连接⋯⋯⋯⋯⋯⋯⋯⋯⋯⋯⋯⋯⋯⋯⋯⋯254.5.3主回路电机侧的连接⋯⋯⋯⋯⋯⋯⋯⋯⋯⋯⋯⋯⋯⋯⋯⋯⋯264.5.4 回馈单元的连接⋯⋯⋯⋯⋯⋯⋯⋯⋯⋯⋯⋯⋯⋯⋯⋯⋯⋯⋯264.5.5共直流母线的连接⋯⋯⋯⋯⋯⋯⋯⋯⋯⋯⋯⋯⋯⋯⋯⋯⋯⋯274.5.6接地线的连接⋯⋯⋯⋯⋯⋯⋯⋯⋯⋯⋯⋯⋯⋯⋯⋯⋯⋯⋯⋯⋯284.6控制回路的连接⋯⋯⋯⋯⋯⋯⋯⋯⋯⋯⋯⋯⋯⋯⋯⋯⋯⋯⋯⋯⋯⋯284.6.1注意事项⋯⋯⋯⋯⋯⋯⋯⋯⋯⋯⋯⋯⋯⋯⋯⋯⋯⋯⋯⋯⋯⋯284.6.2控制板端子说明⋯⋯⋯⋯⋯⋯⋯⋯⋯⋯⋯⋯⋯⋯⋯⋯⋯⋯⋯284.6.3控制板跳线说明⋯⋯⋯⋯⋯⋯⋯⋯⋯⋯⋯⋯⋯⋯⋯⋯⋯⋯⋯29 4.7符合 EMC要求的安装指导⋯⋯⋯⋯⋯⋯⋯⋯⋯⋯⋯⋯⋯⋯⋯⋯⋯⋯294.7.1 EMC 一般常识⋯⋯⋯⋯⋯⋯⋯⋯⋯⋯⋯⋯⋯⋯⋯⋯⋯⋯⋯⋯⋯294.7.2变频器的 EMC特点⋯⋯⋯⋯⋯⋯⋯⋯⋯⋯⋯⋯⋯⋯⋯⋯⋯⋯⋯304.7.3 EMC 安装指导⋯⋯⋯⋯⋯⋯⋯⋯⋯⋯⋯⋯⋯⋯⋯⋯⋯⋯⋯⋯⋯30 5操作word 格式精心整理版5.1 操作面板说明⋯⋯⋯⋯⋯⋯⋯⋯⋯⋯⋯⋯⋯⋯⋯⋯⋯⋯⋯⋯⋯⋯⋯335.1.1面板示意图⋯⋯⋯⋯⋯⋯⋯⋯⋯⋯⋯⋯⋯⋯⋯⋯⋯⋯⋯⋯⋯335.1.2按键功能说明⋯⋯⋯⋯⋯⋯⋯⋯⋯⋯⋯⋯⋯⋯⋯⋯⋯⋯⋯⋯335.1.3指示灯说明⋯⋯⋯⋯⋯⋯⋯⋯⋯⋯⋯⋯⋯⋯⋯⋯⋯⋯⋯⋯⋯345.2操作流程⋯⋯⋯⋯⋯⋯⋯⋯⋯⋯⋯⋯⋯⋯⋯⋯⋯⋯⋯⋯⋯⋯⋯⋯⋯345.2.1参数设置⋯⋯⋯⋯⋯⋯⋯⋯⋯⋯⋯⋯⋯⋯⋯⋯⋯⋯⋯⋯⋯⋯345.2.2故障复位⋯⋯⋯⋯⋯⋯⋯⋯⋯⋯⋯⋯⋯⋯⋯⋯⋯⋯⋯⋯⋯⋯355.2.3参数拷贝⋯⋯⋯⋯⋯⋯⋯⋯⋯⋯⋯⋯⋯⋯⋯⋯⋯⋯⋯⋯⋯⋯365.2.4电机参数自学习⋯⋯⋯⋯⋯⋯⋯⋯⋯⋯⋯⋯⋯⋯⋯⋯⋯⋯⋯365.2.5密码设置⋯⋯⋯⋯⋯⋯⋯⋯⋯⋯⋯⋯⋯⋯⋯⋯⋯⋯⋯⋯⋯⋯375.3运行状态⋯⋯⋯⋯⋯⋯⋯⋯⋯⋯⋯⋯⋯⋯⋯⋯⋯⋯⋯⋯⋯⋯⋯⋯⋯375.3.1上电初始化⋯⋯⋯⋯⋯⋯⋯⋯⋯⋯⋯⋯⋯⋯⋯⋯⋯⋯⋯⋯⋯375.3.2待机⋯⋯⋯⋯⋯⋯⋯⋯⋯⋯⋯⋯⋯⋯⋯⋯⋯⋯⋯⋯⋯⋯⋯⋯375.3.3电机参数自学习⋯⋯⋯⋯⋯⋯⋯⋯⋯⋯⋯⋯⋯⋯⋯⋯⋯⋯⋯375.3.4运行⋯⋯⋯⋯⋯⋯⋯⋯⋯⋯⋯⋯⋯⋯⋯⋯⋯⋯⋯⋯⋯⋯⋯⋯375.3.5故障⋯⋯⋯⋯⋯⋯⋯⋯⋯⋯⋯⋯⋯⋯⋯⋯⋯⋯⋯⋯⋯⋯⋯⋯385.4快速调试⋯⋯⋯⋯⋯⋯⋯⋯⋯⋯⋯⋯⋯⋯⋯⋯⋯⋯⋯⋯⋯⋯⋯⋯386功能详细说明⋯⋯⋯⋯⋯⋯⋯⋯⋯⋯⋯⋯⋯⋯⋯⋯⋯⋯⋯⋯⋯⋯⋯⋯⋯39 P0基本功能组⋯⋯⋯⋯⋯⋯⋯⋯⋯⋯⋯⋯⋯⋯⋯⋯⋯⋯⋯⋯⋯⋯⋯⋯39 P1起停控制组⋯⋯⋯⋯⋯⋯⋯⋯⋯⋯⋯⋯⋯⋯⋯⋯⋯⋯⋯⋯⋯⋯⋯⋯45 P2电机参数组⋯⋯⋯⋯⋯⋯⋯⋯⋯⋯⋯⋯⋯⋯⋯⋯⋯⋯⋯⋯⋯⋯⋯⋯48 P3矢量控制组⋯⋯⋯⋯⋯⋯⋯⋯⋯⋯⋯⋯⋯⋯⋯⋯⋯⋯⋯⋯⋯⋯⋯⋯49 P4 V/F控制组⋯⋯⋯⋯⋯⋯⋯⋯⋯⋯⋯⋯⋯⋯⋯⋯⋯⋯⋯⋯⋯⋯⋯⋯50 P5输入端子组⋯⋯⋯⋯⋯⋯⋯⋯⋯⋯⋯⋯⋯⋯⋯⋯⋯⋯⋯⋯⋯⋯⋯⋯51 P6输出端子组⋯⋯⋯⋯⋯⋯⋯⋯⋯⋯⋯⋯⋯⋯⋯⋯⋯⋯⋯⋯⋯⋯⋯⋯55 P7人机界面组⋯⋯⋯⋯⋯⋯⋯⋯⋯⋯⋯⋯⋯⋯⋯⋯⋯⋯⋯⋯⋯⋯⋯⋯57 P8增强功能组⋯⋯⋯⋯⋯⋯⋯⋯⋯⋯⋯⋯⋯⋯⋯⋯⋯⋯⋯⋯⋯⋯⋯⋯60 P9 PID 控制组⋯⋯⋯⋯⋯⋯⋯⋯⋯⋯⋯⋯⋯⋯⋯⋯⋯⋯⋯⋯⋯⋯⋯⋯64 PA 多段速控制组⋯⋯⋯⋯⋯⋯⋯⋯⋯⋯⋯⋯⋯⋯⋯⋯⋯⋯⋯⋯⋯⋯⋯67 PB 保护参数组⋯⋯⋯⋯⋯⋯⋯⋯⋯⋯⋯⋯⋯⋯⋯⋯⋯⋯⋯⋯⋯⋯⋯⋯68 PC 串行通讯组⋯⋯⋯⋯⋯⋯⋯⋯⋯⋯⋯⋯⋯⋯⋯⋯⋯⋯⋯⋯⋯⋯⋯⋯71 PD 保留功能组⋯⋯⋯⋯⋯⋯⋯⋯⋯⋯⋯⋯⋯⋯⋯⋯⋯⋯⋯⋯⋯⋯⋯⋯74 PE 厂家功能组⋯⋯⋯⋯⋯⋯⋯⋯⋯⋯⋯⋯⋯⋯⋯⋯⋯⋯⋯⋯⋯⋯⋯⋯747故障与排除⋯⋯⋯⋯⋯⋯⋯⋯⋯⋯⋯⋯⋯⋯⋯⋯⋯⋯⋯⋯⋯⋯⋯⋯⋯⋯757.1故障信息及排除方法⋯⋯⋯⋯⋯⋯⋯⋯⋯⋯⋯⋯⋯⋯⋯⋯⋯⋯⋯757.2常见故障及其处理方法⋯⋯⋯⋯⋯⋯⋯⋯⋯⋯⋯⋯⋯⋯⋯⋯⋯⋯⋯76 8保养与维护⋯⋯⋯⋯⋯⋯⋯⋯⋯⋯⋯⋯⋯⋯⋯⋯⋯⋯⋯⋯⋯⋯⋯⋯⋯⋯788.1日常保养及维护⋯⋯⋯⋯⋯⋯⋯⋯⋯⋯⋯⋯⋯⋯⋯⋯⋯⋯⋯⋯⋯78word 格式精心整理版8.3变频器易损件更换⋯⋯⋯⋯⋯⋯⋯⋯⋯⋯⋯⋯⋯⋯⋯⋯⋯⋯⋯⋯798.4变频器的保修⋯⋯⋯⋯⋯⋯⋯⋯⋯⋯⋯⋯⋯⋯⋯⋯⋯⋯⋯⋯⋯⋯799功能参数一览表⋯⋯⋯⋯⋯⋯⋯⋯⋯⋯⋯⋯⋯⋯⋯⋯⋯⋯⋯⋯⋯⋯⋯⋯80 10制动电阻 / 制动单元选型⋯⋯⋯⋯⋯⋯⋯⋯⋯⋯⋯⋯⋯⋯⋯⋯⋯⋯⋯⋯⋯9110.1选型参考⋯⋯⋯⋯⋯⋯⋯⋯⋯⋯⋯⋯⋯⋯⋯⋯⋯⋯⋯⋯⋯⋯⋯⋯9110.2连接方法⋯⋯⋯⋯⋯⋯⋯⋯⋯⋯⋯⋯⋯⋯⋯⋯⋯⋯⋯⋯⋯⋯⋯⋯9110.2.1 制动电阻连接⋯⋯⋯⋯⋯⋯⋯⋯⋯⋯⋯⋯⋯⋯⋯⋯⋯⋯⋯9110.2.2 制动单元连接⋯⋯⋯⋯⋯⋯⋯⋯⋯⋯⋯⋯⋯⋯⋯⋯⋯⋯⋯9210.2.3 制动单元并联连接⋯⋯⋯⋯⋯⋯⋯⋯⋯⋯⋯⋯⋯⋯⋯⋯⋯92 11通讯协议⋯⋯⋯⋯⋯⋯⋯⋯⋯⋯⋯⋯⋯⋯⋯⋯⋯⋯⋯⋯⋯⋯⋯⋯⋯⋯⋯9311.1协议内容⋯⋯⋯⋯⋯⋯⋯⋯⋯⋯⋯⋯⋯⋯⋯⋯⋯⋯⋯⋯⋯⋯⋯⋯9311.2应用方式⋯⋯⋯⋯⋯⋯⋯⋯⋯⋯⋯⋯⋯⋯⋯⋯⋯⋯⋯⋯⋯⋯⋯⋯9311.3总线结构⋯⋯⋯⋯⋯⋯⋯⋯⋯⋯⋯⋯⋯⋯⋯⋯⋯⋯⋯⋯⋯⋯⋯⋯9311.4协议说明⋯⋯⋯⋯⋯⋯⋯⋯⋯⋯⋯⋯⋯⋯⋯⋯⋯⋯⋯⋯⋯⋯⋯9311.5通讯帧结构⋯⋯⋯⋯⋯⋯⋯⋯⋯⋯⋯⋯⋯⋯⋯⋯⋯⋯⋯⋯⋯⋯9411.6命令码及通讯数据描述⋯⋯⋯⋯⋯⋯⋯⋯⋯⋯⋯⋯⋯⋯⋯⋯⋯⋯96插图图 1-1变频器铭牌说明⋯⋯⋯⋯⋯⋯⋯⋯⋯⋯⋯⋯⋯⋯⋯⋯⋯⋯⋯⋯7图 1-2 15KW 及以下塑料外壳变频器各部件名称⋯⋯⋯⋯⋯⋯⋯⋯⋯⋯⋯9图 1-318.5KW及以上金属外壳变频器各部件名称⋯⋯⋯⋯⋯⋯⋯⋯⋯10图 1-4 15KW以下机型的外形尺寸⋯⋯⋯⋯⋯⋯⋯⋯⋯⋯⋯⋯⋯⋯⋯⋯11图 1-5 18.5KW~110KW以上机型外形尺寸⋯⋯⋯⋯⋯⋯⋯⋯⋯⋯⋯⋯⋯11图 1-6132KW ~ 315KW机型 ( 有底座和无底座 ) 外形尺⋯⋯⋯⋯⋯⋯⋯⋯12图 3-1安装地点的海拔高度⋯⋯⋯⋯⋯⋯⋯⋯⋯⋯⋯⋯⋯⋯⋯⋯⋯⋯⋯15图 3-2安装的间隔距离⋯⋯⋯⋯⋯⋯⋯⋯⋯⋯⋯⋯⋯⋯⋯⋯⋯⋯⋯⋯⋯16图 3-3多台变频器的安装⋯⋯⋯⋯⋯⋯⋯⋯⋯⋯⋯⋯⋯⋯⋯⋯⋯⋯⋯⋯16图 3-4外引键盘(小)的安装尺寸⋯⋯⋯⋯⋯⋯⋯⋯⋯⋯⋯⋯⋯⋯⋯⋯17图 3-5外引键盘(小)的开孔尺寸⋯⋯⋯⋯⋯⋯⋯⋯⋯⋯⋯⋯⋯⋯⋯⋯17图 3-6外引键盘(大)的安装尺寸⋯⋯⋯⋯⋯⋯⋯⋯⋯⋯⋯⋯⋯⋯⋯⋯17图 3-7外引键盘(大)的开孔尺寸⋯⋯⋯⋯⋯⋯⋯⋯⋯⋯⋯⋯⋯⋯⋯⋯17图 3-8塑胶盖板的拆卸和安装示意图⋯⋯⋯⋯⋯⋯⋯⋯⋯⋯⋯⋯⋯⋯⋯18图 3-9钣金盖板的拆卸和安装示意图⋯⋯⋯⋯⋯⋯⋯⋯⋯⋯⋯⋯⋯⋯⋯18图 3-10柜式结构的拆卸和安装示意图⋯⋯⋯⋯⋯⋯⋯⋯⋯⋯⋯⋯⋯⋯19图 4-1外围设备的连接图⋯⋯⋯⋯⋯⋯⋯⋯⋯⋯⋯⋯⋯⋯⋯⋯⋯⋯⋯⋯21图 4-2主回路接线端子图(1.5 ~2.2kW) ⋯⋯⋯⋯⋯⋯⋯⋯⋯⋯⋯⋯⋯⋯22图 4-3主回路接线端子图(1.5 ~2.2kW) ⋯⋯⋯⋯⋯⋯⋯⋯⋯⋯⋯⋯⋯⋯22图 4-4主回路接线端子图(1.5 ~2.2kW) ⋯⋯⋯⋯⋯⋯⋯⋯⋯⋯⋯⋯⋯⋯22图 4-5主回路接线端子图(18.5KW ~ 110KW) ⋯⋯⋯⋯⋯⋯⋯⋯⋯22图 4-6主回路接线端子图(132 KW~ 315KW) ⋯⋯⋯⋯⋯⋯⋯⋯⋯ 22图 4-7 1.5~2.2kW 控制回路接线端子图⋯⋯⋯⋯⋯⋯⋯⋯⋯⋯⋯⋯⋯⋯23word 格式精心整理版图 4-9标准接线图⋯⋯⋯⋯⋯⋯⋯⋯⋯⋯⋯⋯⋯⋯⋯⋯⋯⋯⋯⋯⋯⋯⋯23图 4-10主回路电源侧的连接⋯⋯⋯⋯⋯⋯⋯⋯⋯⋯⋯⋯⋯⋯⋯⋯⋯⋯25图 4-11主回路电机侧的连接⋯⋯⋯⋯⋯⋯⋯⋯⋯⋯⋯⋯⋯⋯⋯⋯⋯⋯26图 4-12能量回馈单元连接图⋯⋯⋯⋯⋯⋯⋯⋯⋯⋯⋯⋯⋯⋯⋯⋯⋯⋯27图 4-13共直流母线的连接⋯⋯⋯⋯⋯⋯⋯⋯⋯⋯⋯⋯⋯⋯⋯⋯⋯⋯⋯28图 5-1操作面板示意图⋯⋯⋯⋯⋯⋯⋯⋯⋯⋯⋯⋯⋯⋯⋯⋯⋯⋯⋯⋯33图 5-2三级菜单操作流程图⋯⋯⋯⋯⋯⋯⋯⋯⋯⋯⋯⋯⋯⋯⋯⋯⋯⋯35图 5-3快速调试流程图⋯⋯⋯⋯⋯⋯⋯⋯⋯⋯⋯⋯⋯⋯⋯⋯⋯⋯⋯⋯38图 6-1加减速时间示意图⋯⋯⋯⋯⋯⋯⋯⋯⋯⋯⋯⋯⋯⋯⋯⋯⋯⋯⋯42图 6-2载频对环境的影响关系图⋯⋯⋯⋯⋯⋯⋯⋯⋯⋯⋯⋯⋯⋯⋯⋯43图 6-3直流制动示意图⋯⋯⋯⋯⋯⋯⋯⋯⋯⋯⋯⋯⋯⋯⋯⋯⋯⋯⋯⋯47图 6-4正反转死区时间示意图⋯⋯⋯⋯⋯⋯⋯⋯⋯⋯⋯⋯⋯⋯⋯⋯⋯47图 6-5PI参数示意图⋯⋯⋯⋯⋯⋯⋯⋯⋯⋯⋯⋯⋯⋯⋯⋯⋯⋯⋯⋯49图 6-6V/F曲线示意图⋯⋯⋯⋯⋯⋯⋯⋯⋯⋯⋯⋯⋯⋯⋯⋯⋯⋯⋯⋯50图 6-7手动转矩提升示意图⋯⋯⋯⋯⋯⋯⋯⋯⋯⋯⋯⋯⋯⋯⋯⋯⋯⋯51图 6-8两线式运转模式 1 示意图⋯⋯⋯⋯⋯⋯⋯⋯⋯⋯⋯⋯⋯⋯⋯⋯53图 6-9两线式运转模式 2 示意图⋯⋯⋯⋯⋯⋯⋯⋯⋯⋯⋯⋯⋯⋯⋯⋯53图 6-10三线式运转模式 1 示意图⋯⋯⋯⋯⋯⋯⋯⋯⋯⋯⋯⋯⋯⋯⋯⋯53图 6-11三线式运转模式 2 示意图⋯⋯⋯⋯⋯⋯⋯⋯⋯⋯⋯⋯⋯⋯⋯⋯54图 6-12模拟给定与设定量的对应关系⋯⋯⋯⋯⋯⋯⋯⋯⋯⋯⋯⋯⋯⋯55图 6-13给定量与模拟量输出的对应关系⋯⋯⋯⋯⋯⋯⋯⋯⋯⋯⋯⋯⋯57图 6-14跳跃频率示意图⋯⋯⋯⋯⋯⋯⋯⋯⋯⋯⋯⋯⋯⋯⋯⋯⋯⋯⋯⋯61图 6-15摆频运行示意图⋯⋯⋯⋯⋯⋯⋯⋯⋯⋯⋯⋯⋯⋯⋯⋯⋯⋯⋯⋯62图 6-16 FDT 电平示意图⋯⋯⋯⋯⋯⋯⋯⋯⋯⋯⋯⋯⋯⋯⋯⋯⋯⋯⋯⋯63图 6-17频率到达检出幅值示意图⋯⋯⋯⋯⋯⋯⋯⋯⋯⋯⋯⋯⋯⋯⋯⋯63图 6-18过程 PID 原理框图⋯⋯⋯⋯⋯⋯⋯⋯⋯⋯⋯⋯⋯⋯⋯⋯⋯⋯⋯64图 6-19偏差极限与输出频率的对应关系⋯⋯⋯⋯⋯⋯⋯⋯⋯⋯⋯⋯⋯67图 6-20多段速运行逻辑图⋯⋯⋯⋯⋯⋯⋯⋯⋯⋯⋯⋯⋯⋯⋯⋯⋯⋯⋯68图 6-21电机过载保护系数设定⋯⋯⋯⋯⋯⋯⋯⋯⋯⋯⋯⋯⋯⋯⋯⋯⋯69图 6-22过压失速功能示意图⋯⋯⋯⋯⋯⋯⋯⋯⋯⋯⋯⋯⋯⋯⋯⋯⋯⋯70图 6-23限流保护功能示意图⋯⋯⋯⋯⋯⋯⋯⋯⋯⋯⋯⋯⋯⋯⋯⋯⋯⋯71图 10-1制动电阻的安装⋯⋯⋯⋯⋯⋯⋯⋯⋯⋯⋯⋯⋯⋯⋯⋯⋯⋯⋯⋯92图 10-2制动单元的连接⋯⋯⋯⋯⋯⋯⋯⋯⋯⋯⋯⋯⋯⋯⋯⋯⋯⋯⋯⋯92图 10-3制动单元的并联连接⋯⋯⋯⋯⋯⋯⋯⋯⋯⋯⋯⋯⋯⋯⋯⋯⋯⋯92安全注意事项安装、运行、维护或检查之前要认真阅读本说明书。