煤炭报告中煤的物理性质及煤岩特征编写范例
- 格式:doc
- 大小:39.00 KB
- 文档页数:3
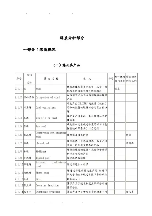
煤质分析部分一部分:煤质概况(一)煤及其产品(二)煤的采样和制样(三)煤的分析(四)煤质分析结果的表示方法(五)煤的工艺性试验(六)煤的分类(七)煤质分析常用数理统计术语(八)煤炭粒度分级煤和褐煤的分级1.长焰煤,不粘煤、弱粘煤、气煤、瘦煤、贫煤和无烟煤,根据粒度不同分为下列各级:注:1)本标准不规定焦煤、肥煤以及全部作为炼焦配煤用的气煤和瘦煤的粒度级别,但焦煤肥煤作燃料直接使用而用户又要求分级时,其粒度尺寸应符合本标准的规定。
2)当长烟煤、不粘煤、弱粘煤、气煤、瘦煤、贫煤和无烟煤的水分较高或者用于粉煤燃烧装置,不能或不需要筛出6~13毫米的煤炭时,可生产小于13毫米的煤炭,称为抹煤,符号为M。
3)各级煤炭的限下含量,应符合煤炭产品质量标准的规定。
2.褐煤根据粒度不同,分为下列各级:注:1)当水分较高,不能保证生产13~25毫米的煤炭时,可生产小于25毫米的煤炭,称为混末,符号为XM。
2)当煤层结构不能保证生产25~50毫米的煤炭时,可生产13~50毫米的煤炭,称为混中块,符号为ZXM。
3)各级煤炭的限下含量,应符合煤炭产品质量标准的规定3.各企业可根据用户需要,结合煤质特点和筛分可能,合理确定煤炭粒度分级级数,但应符合本标准规定粒度的响应筛孔尺寸。
若筛出的块煤包含标准中的两级或两极以上的块煤时,所用符号应取连写的方法表示,例如中块和小块混合而不再分级时,其符号为ZX。
4.如果用户对煤炭有特殊要求,煤炭生产企业却不能按本标准规定粒度的响应筛孔尺寸筛分、供应时,可以生产粒度符合该用户的工业用煤标准的煤炭;在工业用煤标准颁布前,由煤矿管理局审批,报悲叹部备案。
5.特大块最大尺寸,不得超过300毫米。
(九)中国煤炭分类表1 煤炭分类总表*凡Vr>37.%、G<5,再用透光率Pm来区分烟煤和褐煤(在地质勘探中,Vr>37.0%,在不压饼的条件下测定的焦渣特征为1~2号的煤,再用Pm>30%~50%的煤)。
煤的物理性质及化学组成分析煤是一种重要的化石燃料,广泛应用于能源、化工等领域。
了解煤的物理性质和化学组成分析对于研究煤的利用价值、燃烧特性以及环境影响具有重要意义。
一、煤的物理性质煤的物理性质主要包括外观、密度、热值、挥发分、灰分等指标。
首先,煤的外观可以分为煤块、煤粉、煤炭等形态,不同形态的煤在燃烧过程中的特性也有所不同。
其次,煤的密度是指单位体积煤的质量,密度的高低与煤的组织结构、矿物质含量等因素有关。
再次,煤的热值是指单位质量煤所释放的热量,煤的热值与其碳含量、氢含量等有关。
此外,煤的挥发分是指在一定温度下,煤中可挥发的成分,挥发分的含量与煤的燃烧性能密切相关。
最后,煤的灰分是指在煤的燃烧过程中,残留下来的无机物质,灰分的含量与煤的燃烧效率、环境污染等有关。
二、煤的化学组成分析煤的化学组成分析主要包括元素组成、有机质组成等指标。
首先,煤的元素组成是指煤中各种元素的含量,其中碳、氢、氧、氮、硫等元素是煤中主要的组成成分。
其次,煤的有机质组成是指煤中有机物质的种类和含量,有机质主要包括纤维素、半纤维素、木质素等。
煤的有机质组成对于煤的燃烧特性、煤的利用价值等具有重要影响。
三、煤的利用价值与环境影响煤作为一种重要的能源资源,具有广泛的利用价值。
煤可以用于发电、冶金、化工等行业,为社会经济的发展提供了重要的能源支持。
然而,煤的利用也带来了一系列的环境问题。
煤的燃烧会释放大量的二氧化碳、二氧化硫等有害气体,对大气环境造成污染,加剧了全球气候变化。
此外,煤矿开采和煤炭运输等过程也会对生态环境造成破坏。
因此,研究煤的物理性质和化学组成分析,既有助于提高煤的利用效率,又有助于减少煤燃烧对环境的影响。
总结起来,煤的物理性质和化学组成分析对于研究煤的利用价值、燃烧特性以及环境影响具有重要意义。
通过了解煤的外观、密度、热值、挥发分、灰分等物理性质,可以更好地评估煤的质量和燃烧特性。
同时,煤的化学组成分析可以揭示煤中各种元素和有机质的含量,为研究煤的利用价值提供依据。
煤的物理性质与燃烧特性分析煤是一种重要的化石燃料,广泛应用于工业和能源领域。
本文将对煤的物理性质和燃烧特性进行分析,以帮助读者更好地理解和利用煤资源。
煤的物理性质是指煤在自然状态下的一些基本特征。
首先,煤是一种含碳的岩石,主要由有机质组成。
煤的含碳量通常在50%到90%之间,不同种类的煤含碳量有所差异。
其次,煤的颜色和质地也是其物理性质的重要表征。
煤的颜色可以分为黑色、褐色和灰色等,这与其煤化程度和有机质含量有关。
质地方面,煤可以是块状、粉状或颗粒状,不同质地的煤在燃烧过程中的燃烧速率和热值也有所不同。
煤的燃烧特性是指煤在燃烧过程中的一些表现和性质。
首先,煤的燃烧需要氧气的参与,产生二氧化碳、水蒸气和热能等。
煤的燃烧过程可以分为三个阶段:干燥阶段、挥发分解阶段和燃烧阶段。
在干燥阶段,煤中的水分被蒸发出来;在挥发分解阶段,煤中的挥发分解产物被释放出来;在燃烧阶段,煤中的固定碳和挥发分解产物被完全氧化。
其次,煤的燃烧特性还与其热值、燃烧速率和燃烧温度等因素有关。
煤的热值是指单位质量煤所释放的热能,不同种类的煤热值差异较大。
煤的燃烧速率是指单位时间内煤的燃烧速度,与煤的质地和粒度有关。
燃烧温度是指煤的燃烧过程中所达到的最高温度,不同种类的煤燃烧温度也有所不同。
了解煤的物理性质和燃烧特性对于煤的利用和燃烧过程的控制具有重要意义。
首先,通过了解煤的物理性质,可以对煤进行分类和鉴别。
不同种类的煤在燃烧特性和燃烧效果上有所不同,因此对煤进行分类可以更好地选择合适的煤种进行利用。
其次,了解煤的燃烧特性可以指导煤的燃烧过程的控制。
例如,通过调整煤的粒度和燃烧条件,可以控制煤的燃烧速率和燃烧温度,从而提高燃烧效率和减少污染物的排放。
然而,煤的利用和燃烧也存在一些问题和挑战。
首先,煤的燃烧会产生大量的二氧化碳和其他有害气体,对环境造成污染。
因此,如何减少煤的燃烧排放对于环境保护至关重要。
其次,煤的燃烧也会产生大量的灰渣和烟尘,对空气质量造成影响。
煤炭的物理性质 -CAL-FENGHAI-(2020YEAR-YICAI)_JINGBIAN煤炭的物理性质煤的物理性质是煤的一定化学组成和分子结构的外部表现。
它是由成煤的原始物质及其聚积条件、转化过程、煤化程度和风、氧化程度等因素所决定。
包括颜色、光泽、粉色、比重和容重、硬度、脆度、断口及导电性等。
其中,除了比重和导电性需要在实验室测定外,其他根据肉眼观察就可以确定。
煤的物理性质可以作为初步评价煤质的依据,并用以研究煤的成因、变质机理和解决煤层对比等地质问题。
1.颜色:是指新鲜煤表面的自然色彩,是煤对不同波长的光波吸收的结果。
呈褐色—黑色,一般随煤化程度的提高而逐渐加深。
2.光泽:是指煤的表面在普通光下的反光能力。
一般呈沥青、玻璃和金刚光泽。
煤化程度越高,光泽越强;矿物质含量越多,光泽越暗;风、氧化程度越深,光泽越暗,直到完全消失。
3.粉色:指将煤研成粉末的颜色或煤在抹上釉的瓷板上刻划时留下的痕迹,所以又称为条痕色。
呈浅棕色—黑色。
一般是煤化程度越高,粉色越深。
4.比重和容重:煤的比重又称煤的密度,它是不包括孔隙在内的一定体积的煤的重量与同温度、同体积的水的重量之比。
煤的容重又称煤的体重或假比重,它是包括孔隙在内的一定体积的煤的重量与同温度、同体积的水的重量之比。
煤的容重是计算煤层储量的重要指标。
褐煤的容重一般为1.05~1.2,烟煤为1.2~1.4,无烟煤变化范围较大,可由1.35~1.8。
煤岩组成、煤化程度、煤中矿物质的成分和含量是影响比重和容重的主要因素。
在矿物质含量相同的情况下,煤的比重随煤化程度的加深而增大。
5.硬度:是指煤抵抗外来机械作用的能力。
根据外来机械力作用方式的不同,可进一步将煤的硬度分为刻划硬度、压痕硬度和抗磨硬度三类。
煤的硬度与煤化程度有关,褐煤和焦煤的硬度最小,约2~2.5;无烟煤的硬度最大,接近4。
6.脆度:是煤受外力作用而破碎的程度。
成煤的原始物质、煤岩成分、煤化程度等都对煤的脆度有影响。
第26卷第2期燃 料 化 学 学 报V o l126 N o12 1998年4 月JOU RNAL O F FU EL CH E M ISTR Y AND T ECHNOLO GY A p r1 1998 中煤的煤岩学特征Ξ曾凡桂(太原理工大学资源与环境工程系 太原 030024)王祖讷(中国矿业大学北京研究生部 北京 100083)摘 要 中煤是煤洗选加工过程中的副产品,其煤岩组成及特征不同于原煤。
煤岩分析表明中煤的煤显微组成中,镜质组及壳质组含量比原煤少,惰质组比原煤多,矿物质则大幅度上升。
对中煤的进一步加工最有意义的是中煤的显微煤岩类型组成特征。
在中煤中微二合煤含量最高,为70163%,其次是微三合煤,为251945%,微四合煤为31425%。
大部分显微煤岩类型都含有矿物质。
矿物质主要为黄铁矿及粘土矿物,其它矿物含量极少,矿物质以细粒分散状分布为主,其粒度为黄铁矿小于10微米,粘土20微米左右。
对中煤的浮沉产品的煤岩分析表明,不同密度段产品的煤岩特征有极大的差别。
关键词 煤显微类型,黄铁矿,粘土,细粒分散分布,中煤中煤是煤炭洗选加工过程中的副产品。
中煤的基本特点是相对于原煤来说煤中矿物质、硫含量均高。
由于中煤这些特点,进一步的加工利用是极其必要的。
否则如直接进行燃烧,将对环境造成极大的危害。
但是,中煤中矿物质的组成及赋存状态决定了中煤必须在一定的粒度下才能进行有效的分选。
有效粒度的大小取决于矿物质的赋存状态。
因此,中煤的煤岩学研究和分析对粉碎粒度大小、洗选工艺的确定都有重要的作用。
但是,国内外对中煤的煤岩学特征极少甚至没有进行过研究,对其特征一直认识不清,认为其特征和原煤的没有多大的差别。
这些制约了我们对中煤的进一步加工。
为此,我们对淮南中煤及其浮沉分离产品的煤岩学特征进行初步的研究。
1 样品及试验原煤样采自淮南潘集煤矿,其基本性质见表1。
中煤样为自制,制备过程为摇床分选。
中煤样破碎成5~013mm,作浮沉分离,分离液为ZnC l2溶液,配制成113,114,115,116,117,118六个不同密度的溶液,将煤样分离成七个不同密度段的产品。
表- 煤炭的理化性质及危险特性表 - 煤炭的理化性质及危险特性
该表列举了煤炭的一些重要理化性质和危险特性。
煤炭是一种黑色固体,具有可燃性,其燃烧产物为二氧化碳。
另外,煤炭也具有一定的危险特性,包括易燃性、烟雾毒性和爆炸性。
根据风险评估,煤炭的风险级别属于中等。
为了保护安全,使用煤炭时需要注意防火和远离火源,并且在应急情况下远离爆炸源,使用呼吸防护器。
请注意,以上信息仅供参考,具体数值应参考相关资料进行确认。
煤的物理性质及化学组成分析煤是一种重要的化石燃料,广泛应用于能源、工业和生活领域。
了解煤的物理性质和化学组成分析对于研究燃烧过程、提高燃烧效率以及环境保护具有重要意义。
一、煤的物理性质煤是一种多孔、多组分的矿物质,其物理性质受到煤的煤种、煤质以及煤的成熟度等因素的影响。
首先,煤的密度通常较低,一般在1.2-1.5 g/cm³之间。
这是由于煤中含有大量的孔隙和气体,使得煤的密度相对较小。
煤的密度可以通过测量煤的质量和体积来确定,对于煤的分类和评价具有重要意义。
其次,煤的颜色和外观也是煤的物理性质的重要表征。
煤的颜色通常分为黑色、棕黑色和棕红色等,这是由于煤中的有机质含量和成熟度不同所致。
煤的外观通常呈块状或颗粒状,可以通过煤的煤块大小和颗粒度来描述。
此外,煤的硬度和断裂性也是煤的物理性质的重要指标。
煤的硬度通常通过摩氏硬度来测量,可以反映煤的抗压强度。
煤的断裂性通常分为块状断裂和层状断裂,这与煤的内部组织结构和断裂面的形态有关。
二、煤的化学组成分析煤的化学组成分析是研究煤的重要手段,可以揭示煤的燃烧性能和环境影响。
首先,煤的主要化学组成是碳、氢、氧、氮、硫和灰分等元素。
其中,碳是煤的主要组成元素,其含量通常在50%-80%之间。
氢和氧是煤中的主要挥发分,其含量通常在3%-6%和5%-15%之间。
氮和硫是煤中的有害元素,其含量通常在0.5%-3%和0.2%-5%之间。
灰分是煤中的无机物质,其含量通常在5%-40%之间。
其次,煤的化学组成分析还包括煤的挥发分和固定碳含量的测定。
煤的挥发分是指在一定温度下煤中挥发出的气体和液体,其含量通常在10%-40%之间。
煤的固定碳是指在高温下煤中残留的固体物质,其含量通常在40%-90%之间。
煤的挥发分和固定碳含量可以通过煤的热解实验来测定,对于研究煤的燃烧性能具有重要意义。
最后,煤的化学组成分析还包括煤的有机质和无机质的测定。
煤的有机质主要由煤中的有机质和挥发分组成,其含量通常在50%-90%之间。
煤的物理性质与燃烧特性分析煤是一种重要的能源资源,广泛应用于工业、农业和生活领域。
了解煤的物理性质和燃烧特性对于合理利用煤资源、提高燃烧效率具有重要意义。
本文将对煤的物理性质和燃烧特性进行分析。
一、煤的物理性质1. 煤的成分煤主要由碳、氢、氧、氮、硫等元素组成。
其中,碳是煤的主要成分,其含量决定了煤的热值。
不同种类的煤其成分差异较大,如无烟煤含碳量高达80%以上,而褐煤则只有40%左右。
2. 煤的热值煤的热值是指单位质量煤所释放的热量。
煤的热值与其成分密切相关,一般来说,含碳量越高的煤其热值越高。
煤的热值可以通过实验测定或计算得出,它是评价煤质优劣的重要指标。
3. 煤的密度煤的密度是指单位体积煤的质量。
煤的密度与煤的成分、孔隙度等因素有关。
一般来说,煤的密度越大,其质量越大,热值也相应增加。
煤的密度可以通过实验测定或计算得到。
4. 煤的孔隙度煤的孔隙度是指煤中孔隙所占的体积比例。
煤中的孔隙可以分为微孔、介孔和宏孔三类。
孔隙度对煤的燃烧特性有重要影响,孔隙度越大,煤的燃烧速度越快,燃烧效率也相应提高。
二、煤的燃烧特性1. 煤的燃点和燃烧温度煤的燃点是指煤开始燃烧的温度。
不同种类的煤其燃点也不同,一般来说,无烟煤的燃点较高,褐煤的燃点较低。
煤的燃烧温度取决于煤的成分和燃烧条件,一般在600℃至1300℃之间。
2. 煤的燃烧过程煤的燃烧过程可以分为三个阶段:干燥阶段、热解阶段和燃烧阶段。
在干燥阶段,煤中的水分被蒸发;在热解阶段,煤中的挥发分开始热解,释放出可燃气体;在燃烧阶段,煤中的固定碳和挥发分被氧化,释放出热量。
3. 煤的燃烧特性煤的燃烧特性包括燃烧速率、燃烧效率和烟气特性等方面。
煤的燃烧速率取决于煤的成分和煤粒的大小,一般来说,煤粒越小,燃烧速率越快。
煤的燃烧效率与煤的成分、煤粒的大小、燃烧条件等因素有关,煤的燃烧效率越高,其热值的利用率也越高。
煤的燃烧产生的烟气中含有大量的二氧化碳、一氧化碳、氮氧化物等有害物质,对环境和人体健康造成威胁。
8.4.3煤的物理性质及宏观特征井田内各煤层煤岩物理性质基本相同,煤层为黑色,条痕黑褐色。
沥青光泽节理不发育,煤的质地较坚硬,但性脆易破碎,断口以参差状为主,局部贝壳状和平整状,具反光性。
各煤层宏观煤岩组份大致相同,以亮煤为主,暗煤为次,丝炭很少,条带状结构,层状构造,宏观煤岩类型为半亮煤、半暗煤。
煤的有机质组份占75.3~94.0%,平均87.9%,无机质组份为6.0~24.7%,平均12.1%。
无机质组分是以粘土类为主,碳酸盐类次之。
有机质组分以镜质体及惰质体为主,半镜质体次之,壳质体少量,显微煤岩类型统计结果各煤层均为亮暗煤型。
以上说明井田范围内煤质比较均匀,形成机制具有横向上和纵向上的均一性。
8.4.4煤的化学性质(1)发热量(Qgr.daf)矿井煤层发热量普遍较高,原煤(Q b.d)两极值为27.49~30.16MJ/kg,B21煤层平均值最高为30.16MJ/kg,B2最低为27.49MJ/kg。
原煤(Q b.daf)两极值为30.89~32.89MJ/kg ,B21煤层平均值最高为32.89MJ/kg,B4最低为30.89MJ/kg,属高发热量煤。
(2)灰份(A d)各煤层原煤灰份产率普遍较低,灰份产率两极值为3.51%~17.24%,平均值为9.43%,变化标准差2.79,变异系数29.56。
浮煤灰份两极值为1.39%~10.35%,平均值为4.09%,变化标准差1.63,变异系数39.96。
由此可知矿区内9层可采煤层中B2、B5、B7三层煤为低灰份煤外,其余煤层均为特低灰份煤。
(3)挥发份(V daf)各煤层属中挥发份煤,原煤挥发份为24.47~44.42%,平均33.47%,变化标准差4.32,变异系数12.49。
主要煤层原煤挥发份均小于37%,全区原煤挥发份大于37%的有5个,分布在B7、B6、B5煤层中,其中B7煤层2个,B6煤层1个,B5煤层2个,煤层挥发份集中在中等挥发份等级中,其它分析结果均在25~37%中间,除B7煤层为高挥发份煤,B6、B5煤层局部为高挥发份煤外,其它煤层为中挥发等级的煤。
四、煤质(一)物理性质各煤层的物理性质基本相似,颜色呈深黑色,条痕深棕色—黑色,具沥青光泽至玻璃光泽,硬度中等,性脆,无节理,断口参差状、贝壳状,层面常可见薄膜状黄铁矿,均一结构,层状构造,宏面煤岩类型为光亮-半光亮煤。
(二)煤岩特性井田内各煤层中显微组分占63.70~92.2%,平均82.76%,无机质组分占7.8~36.3%,平均17.54%。
(见各煤层煤岩鉴定显微组分一览表1—3—2)。
1.煤的有机显微组分井田内各煤层有机质组分均以镜质体和惰质体为主,壳质体少量。
镜质体多为基质镜质体,次为均质镜质体及结构镜质体,细胞结构不发育,反射色多为浅灰~深灰色,呈碎片状和条带状分布。
各煤层镜质体含量在 3.7~52.0%之间,其中Ⅳ14煤层含量最小,而Ⅳ11煤层含量最大,其余的介于二者之间。
惰质体中半丝质体占绝大多数,其它少见,多呈碎片状或碎屑状分布,各煤层惰质体含量在48.0~96.3%之间,其中Ⅳ11煤层含量最小,而Ⅳ14煤层含量最大,其余的介于二者之间。
壳质体主要为沥青质体、角质体及胞子体等,分布在镜质体中,各煤层壳质体含量为0。
表1—3—2 各煤层煤岩鉴定显微组分一览表煤层编号煤的总成分%反射率去矿物基% 含矿物基%镜质组半镜质组惰质组壳质组总测点数显微组分总量粘土类硫化物类碳酸盐类氧化硅类其它总测点数Ⅳ138.50.061.50.0 455 89.2 9.6 / 1.2 / / 5100.95Ⅳ736.80.063.20.0 451 88.312.6/ 0.6 / / 5111.34Ⅳ1152.0.048.0.0 410 80.417.6/ 2.0 / / 5101.05Ⅳ1337.0.063.0.0 470 92.2 7.1 / 0.7 / / 5101.17Ⅳ143.7 0.096.30.0 325 63.736.3/ / / / 5100.57 2.煤的无机质组分矿物质主要为粘土矿物和碳酸盐矿物,多分布在细胞腔或裂隙中。
煤岩分析报告概述本文档为煤岩分析报告,旨在通过对煤岩样本进行分析,评估其煤质特征和潜力,为煤矿开发和利用提供参考依据。
1. 样本来源和采集方法本次煤岩分析所使用的煤样来自XXX煤矿,采集方法为地下开采,样本为矿井中采取的煤样。
2. 样本性质及化学成分分析经过实验室测试与分析,得出样本的主要性质及化学成分如下:•水分含量:xx%(质量分数)•灰分含量:xx%(质量分数)•挥发分含量:xx%(质量分数)•全硫含量:xx%(质量分数)•固定碳含量:xx%(质量分数)•空干基低位发热量:xx MJ/kg3. 煤质评估3.1 煤质特征分析通过对样本的化学成分分析,结合煤的其他特征参数,可以进行煤质特征分析。
从样本的性质及化学成分分析结果来看,可以得出以下结论:•水分含量较高,注意在煤矿生产过程中要进行降低水分含量的处理;•灰分含量在合理范围内,不会对煤的利用产生较大影响;•挥发分含量适中,表明煤的燃烧性能较好;•全硫含量较高,煤中的硫元素可能会在燃烧过程中产生环境污染物;•固定碳含量较高,煤的构成偏重于固定碳,适宜作为燃料使用;•空干基低位发热量也较高,表明煤的燃烧热效率较好。
3.2 可燃物含量评估通过对样本的化学成分分析,可以进一步评估其可燃物含量。
根据样本中的固定碳和挥发分含量计算可得可燃物含量为xx%(质量分数),高含量的可燃物有利于煤的利用。
3.3 煤炭分类与级别评估根据煤质特征分析结果,可以将样本进行煤炭分类。
根据国家标准,将样本确定为某一特定的煤炭级别,如无烟煤、烟煤、贫煤等。
具体的煤炭分类结果需要参考国家标准和相关规范。
3.4 外围元素含量评估除了样本中的主要化学成分,还需要对样本中的一些外围元素进行分析,以评估其对煤的利用的影响。
从该样本的分析结果来看,在煤中的外围元素含量符合相关行业标准要求,不会对煤的利用造成明显影响。
4. 煤矿开发与利用建议根据对样本的煤质特征分析和评估结果,可以得出以下煤矿开发与利用建议:1.在煤矿生产过程中,注意采取措施降低煤样的水分含量,以提高煤的燃烧效率。
子长煤质分析报告1、煤质分析煤的物理性质及煤岩特征物理性质:5号和3号煤均呈黑、灰黑色,条痕色为褐黑色。
玻璃光泽,沥青光泽,阶梯、参差断口,内生裂隙发育,局部垂直节里多被方解石薄膜充填,燃烧浓烟。
条带状结构,层状构造。
视密度:5号煤层为l.28~1.43g/cm3,平均1.36 g/cm3;3号煤层为l.26~1.39 g/cm3,平均1.31 g/cm3。
宏观煤岩特征:煤岩组分为亮煤和暗煤,多呈条带状分布。
少量镜煤以条带或扁平透镜状夹于亮、暗煤之间,丝碳含量较少;煤岩类型:5号煤以半光亮型、半暗淡型为主,光亮型少量,3号煤以半光亮型为主。
煤的变质程度:根据煤的物理性质、宏、微观煤岩特征、镜煤最大反射率等特征表明,区内煤层为ll变质阶段的低变质烟煤,属气煤范畴。
煤的化学性质1、工业分析(1)全水分(Mt)、水分(Mad)5号煤层原煤全水分含量为2.7~5.2%,平均3.61%;水分含量1.70~3.77%,平均2.51%;浮煤水分含量l.17~3.30%,平均l.97%。
3号煤层原煤全水分含量为2.8~5.8%,平均3.79%;水分含量1.91~4.45%,平均2.86%;浮煤水分含量0.97~2.86%,平均l.92%。
两层煤属低水分煤。
(2)灰分(A d) .5号煤层原煤干基灰分产率(A d)变化在3.13~23.18%之间,平均13.49%;浮煤干基灰分产率(A d)变化在2.37~9.76%之间,平均5.93%。
3号煤层原煤干基灰分产率(A d)变化在2.66~22.51%之间,平均8.62%;浮煤干基灰分产率(A d)变化在1.84~7.99%之间,平均4.80%。
两层煤均属低~中灰分煤,根据区内l 00多个煤样统计结果,原煤灰分低于10%的样品占73%,以低灰分煤为主。
经1.4比重液洗选后的浮煤,灰分较原煤有大幅度的下降,平均降幅达到55%,灰份值均降到10%以下,全为特低灰级煤。
(3)挥发分(V daf)5号煤层原煤可燃基挥发分产率(V daf)变化在36.23~46.66%之间;浮煤可燃基挥发分产率(V daf)变化在35.97~45.34%之间,平均42.07%。
山西省太原组和山西组煤的煤岩特征分析
山西省太原市煤和山西省煤,作为我国重要的能源煤炭资源,对于中国的经济发展至关重要。
因此,关于独特地质特征的全面认识,对于更好的煤矿开发与提高采煤效率都有重要的作用。
首先,太原市煤是中国山西省太原地区的一种中低变形热持续性改造产煤,包括多种后天构造煤层。
其岩矿特征表现为:气态状况良好,密度约为1.15~1.25
g/cm~3,主要来源于缅甸热流角砾街坊群和累积沉积煤层组成;粒度分布集中在0.07~0.1 mm,散煤率达13%,分选程度偏低,低挥发分3.0%~4.4%,低硫分
0.5%~0.6%,热值4200 kcal的左右,加工性能优良。
其次,山西省煤地煤为中低变形型产煤,在山西省多处出露,露天资源丰富。
它的岩矿特征表现为:物理性质,密度为1.06~1.21 g/cm~3,分选程度中等,散煤率达12.9%,低挥发分3.2~4.2%,低硫分0.5~0.7,高硫分0.2~2.1,热值4300 kcal 左右,发烟量17.6~22.0mL/min,燃烧性能优良。
总之,山西省太原市煤和山西省煤,虽然属于低变形型产煤,但它们在煤层特征方面有明显的差异,物理性质和加工性能也有很大的区别。
这些差异是由于煤层的不同构造、矿物组成以及气体条件及热变形程度的区别而反映出来的。
煤炭的物理性质煤的物理性质是煤的一定化学组成和分子结构的外部表现。
它是由成煤的原始物质及其聚积条件、转化过程、煤化程度和风、氧化程度等因素所决定。
包括颜色、光泽、粉色、比重和容重、硬度、脆度、断口及导电性等。
其中,除了比重和导电性需要在实验室测定外,其他根据肉眼观察就可以确定。
煤的物理性质可以作为初步评价煤质的依据,并用以研究煤的成因、变质机理和解决煤层对比等地质问题。
1.颜色:是指新鲜煤表面的自然色彩,是煤对不同波长的光波吸收的结果。
呈褐色—黑色,一般随煤化程度的提高而逐渐加深。
2.光泽:是指煤的表面在普通光下的反光能力。
一般呈沥青、玻璃和金刚光泽。
煤化程度越高,光泽越强;矿物质含量越多,光泽越暗;风、氧化程度越深,光泽越暗,直到完全消失。
3.粉色:指将煤研成粉末的颜色或煤在抹上釉的瓷板上刻划时留下的痕迹,所以又称为条痕色。
呈浅棕色—黑色。
一般是煤化程度越高,粉色越深。
4.比重和容重:煤的比重又称煤的密度,它是不包括孔隙在内的一定体积的煤的重量与同温度、同体积的水的重量之比。
煤的容重又称煤的体重或假比重,它是包括孔隙在内的一定体积的煤的重量与同温度、同体积的水的重量之比。
煤的容重是计算煤层储量的重要指标。
褐煤的容重一般为1.05~1.2,烟煤为1.2~1.4,无烟煤变化范围较大,可由1.35~1.8。
煤岩组成、煤化程度、煤中矿物质的成分和含量是影响比重和容重的主要因素。
在矿物质含量相同的情况下,煤的比重随煤化程度的加深而增大。
5.硬度:是指煤抵抗外来机械作用的能力。
根据外来机械力作用方式的不同,可进一步将煤的硬度分为刻划硬度、压痕硬度和抗磨硬度三类。
煤的硬度与煤化程度有关,褐煤和焦煤的硬度最小,约2~2.5;无烟煤的硬度最大,接近4。
6.脆度:是煤受外力作用而破碎的程度。
成煤的原始物质、煤岩成分、煤化程度等都对煤的脆度有影响。
在不同变质程度的煤中,长焰煤和气煤的脆度较小,肥煤、焦煤和瘦煤的脆度最大,无烟煤的脆度最小。
5 号和3 号煤均呈黑、灰黑色,条痕色为褐黑色。
玻璃光泽,沥青光泽,阶梯、参差断口,内生裂隙发育,局部垂直节里多被方解石薄膜充填,燃烧浓烟。
条带状结构(ji égòu),层状构造。
视密度:5 号煤层为l.28 ~ 1.43g/cm3 ,平均1.36 g/cm3;3 号煤层为l.26 ~ 1.39 g/cm3 ,平均1.31 g/cm3。
煤岩组分为亮煤和暗煤,多呈条带状分布。
少量镜煤以条带或者扁平透镜状夹于亮、暗煤之间,丝碳含量较少;煤岩类型:5 号煤以半光亮型、半暗淡型为主,光亮型少量,3 号煤以半光亮型为主。
根据煤的物理性质、宏、微观煤岩特征、镜煤最大反射率等特征表明,区内煤层为ll 变质阶段的低变质烟煤,属气煤范畴。
5 号煤层元煤全水分含量(hánliàng)为2.7 ~ 5.2%,平均3.61%;水分含量1.70 ~ 3.77%,平均2.51%;浮煤水分含量l.17 ~ 3.30%,平均l.97%。
3 号煤层元煤全水分含量(hánliàng)为2.8 ~ 5.8%,平均3.79%;水分含量1.91 ~4.45%,平均2.86%;浮煤水分含量0.97 ~ 2.86%,平均l.92%。
两层煤属低水分(shuǐfèn)煤。
.5 号煤层(méicéng)元煤干基灰分产率(A )变化在3.13 ~d23.18%之间,平均13.49%;浮煤干基灰分产率(A )变化在2.37 ~d9.76%之间,平均5.93%。
3 号煤层元煤干基灰分产率(A )变化在2.66 ~ 22.51%之间,平d均8.62%;浮煤干基灰分产率(A )变化在1.84 ~ 7.99%之间,平均d4.80%。
两层煤均属低~中灰分煤,根据区内l 00 多个煤样统计结果,元煤灰分低于10%的样品占73%,以低灰分煤为主。
经1.4 比重液洗选后的浮煤,灰分较元煤有大幅度的下降,平均降幅达到55%,灰份值均降到10%以下,全为特低灰级煤。
煤的物理性质主要包括5个方面,即光学性质、机械性质、空间结构性质、电磁性质和热性质,具体如颜色、光泽、反射率、折射率、吸收率,硬度、脆度、可磨性、断口,密度、表面积、孔隙度、压缩性,介电常数、导电性、磁性,比热、导热性等。
煤的物理性质是煤的化学组成和分子结构的外部表现,受到煤化程度、煤岩组成和煤风化程度的影响。
1.颜色煤的颜色是煤对不同波长可见光波吸收的结果。
在不同的光学条件下,煤呈现不同的颜色。
在普通白光照射下,煤表面反射光线所显示的颜色称为表色。
腐植煤的表色随煤化程度的增高而变化,褐煤通常为褐色、褐黑色;低中煤化程度的烟煤为黑色,高煤化程度的烟煤为黑色略带灰色,无烟煤往往为灰黑色,带有铜黄色或银白色的色彩。
因此,根据表色可以明显地区别出褐煤、烟煤和无烟煤。
腐泥煤的表色变化较大,有深灰色、棕褐色,甚至灰绿色至黑色。
煤中的水分能使颜色加深,而煤中的矿物质往往使煤的颜色变浅。
煤研成粉末的颜色称为粉色。
它可用钢针刻划煤的表面或用镜煤在未上釉的瓷板上刻划条痕而得,粉色也称条痕色。
煤的粉色一般略浅于表色。
粉色较固定,用粉色判断煤的煤化程度效果较好。
褐煤的粉色为浅褐色、褐色,低煤级烟煤为深褐色到黑褐色,中煤级烟煤为褐黑色,高煤级烟煤为黑色有时略带褐色,无烟煤为深黑色或灰黑色。
腐泥煤的粉色一般比腐植煤要浅,随煤级的增高,粉色也逐渐加深。
煤的粉色不但取决于煤化程度,还与煤岩类型和风氧化程度有关。
为了统一对比条件,一般应以新鲜的较纯净的光亮型煤的粉色为准。
把煤磨成薄片(厚约0.03mm),用显微镜在普通透射光下观察,煤薄片显示出的颜色为透光色,又称体色。
透光色是煤对不同波长可见光选择性吸收的结果。
不同的煤岩组分具有不同的透光色,常见的有黄色、红色和黑色;同一煤岩组分在不同煤化阶段显示出不同的透光色。
煤级越高,透光性越差,无烟煤几乎不透明。
把煤的表面磨光,用显微镜在普通反射光下观察,煤光面上显示出的颜色称为反光色。
煤炭报告
煤的物理性质及煤岩特征编写范例
一、物理性质
煤田内各煤层煤岩的物理性质基本相同,光泽较暗,为蜡状光泽,黑色,易染手,条痕黑褐–褐色,硬度低,比重中等,性脆易碎,节理发育,钻孔中取出的煤芯样大多呈粉末状,少量呈短柱状,很难见到块状,块状煤样断口平直或粒状为主,局部可见贝壳状。
各煤层煤岩视相对密度大小见表1-1。
两极值
注:1、
平均值
〈样点
〉
二、宏观煤岩组份及煤岩类型
各煤层煤岩组份大致相同,以暗煤为主,次为亮煤,少量镜煤,呈暗淡无光状,断口、节理不明显,条带状结构,层状–块状构造,煤岩类型为半暗型和半亮型。
三、显微煤岩组份及煤岩类型
井田内对各煤层采取了煤岩样。
区内各煤层煤岩显微煤岩组分见表1-2,各煤层煤岩中有机质组分占76.97~88.73%,平均93.03%,无机质组分占4.90~14.03%,平均6.97%。
1、煤的有机显微组分
井田内各煤层有机质组分均以镜质组分和惰质组分为主,壳质组
分少量,无半镜质组分。
表1-2 各煤层煤岩显微组分统计表
镜质组分:主要以无结构镜质体中的基质镜质体和碎屑镜质体为主。
基质镜质体油浸反射色为深灰色,不显示细胞结构,表面不纯净且不平整,镜质体大多呈基质状分布,不显突起。
各煤层镜质组分的含量在7.10~66.40%之间。
A5属低镜质组煤,A1、A2、A4属中镜质组煤,仅A3、A6煤层刚刚跨入中高镜质组煤。
惰质组分:以丝质体中的氧化丝质体和碎屑惰质体为主,油浸反射色为白色,氧化丝质体结构保存较完整,突起较高。
各煤层惰质组分的含量在24.90~65.27%之间。
壳质组分:多为孢粉体中的小孢子体,小孢子体呈蠕虫状分布。
各煤层壳质组分的含量在0.00~2.30%之间。
多数煤层属低壳质组煤,仅A3煤层刚刚跨入中低壳质组煤。
2、煤的无机质组分
井田内各煤层显微无机质组分主要为碳酸盐类,次为粘土矿物,几乎不含硫化物及氧化硅类。
粘土矿物呈浸染状或薄层状分布于镜质体裂隙间,碳酸盐矿物为方解石脉。
无机质组分中粘土矿物含量在0.40~17.00%之间,碳酸盐类含量在0~27.3%之间,氧化硅类含量
在0~0.90%之间。
3、显微煤岩类型
经煤岩鉴定,井田内各煤层的显微煤岩类型均为微镜惰煤。
四、煤的成因类型、变质阶段及煤化程度
1、煤的成因类型
库-拜侏罗纪聚煤盆地属大型内陆拗陷盆地,煤田内塔里奇克组和阳霞组煤层是在水退早期湖泊三角洲平原沼泽化基础上发展形成的,聚煤期植物群主要为高大的蕨类植物,××煤矿区地处库-拜盆地中段,其成煤原始植物的类别和聚煤环境与区域上是一脉相承的,故煤的成因类型为腐植煤类。
2、煤的变质阶段
各煤层反射率在0.632-0.90%,变质阶段相当于Ⅰ~Ⅲ阶段,属中变质阶段的烟煤。
3、煤化程度
根据测定结果,井田内A4、A5、A6煤层镜质组最大反射率R0max 在0.764~0.900之间;A1、A2、A3煤层镜质组最大反射率R0max在0.632~0.726之间。
依据《镜质体反射率的煤化程度分级》(MT/T 1158-2011),A1、A2、A3、A4煤层镜煤最大反射率在0.65≤Romax<0.90之间,煤化程度分级为中煤级煤Ⅱ;A5、A6煤层镜煤最大反射率在0.50≤Romax<0.65之间,煤化程度分级为中煤级煤Ⅰ。