4-68风机参数表
- 格式:doc
- 大小:240.00 KB
- 文档页数:5
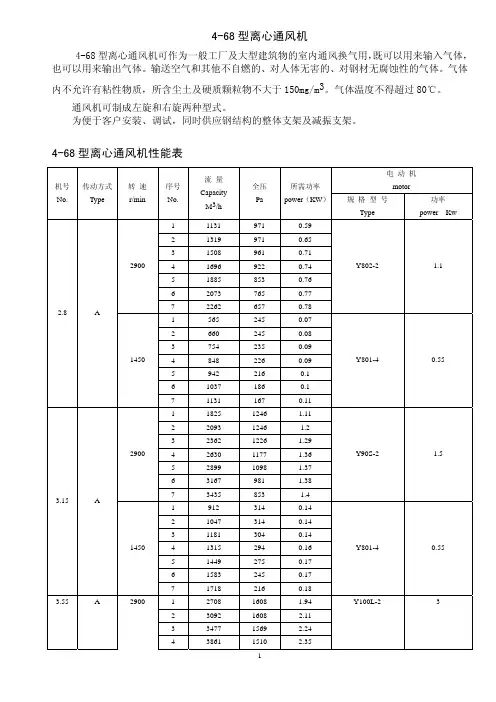
4-68型离心通风机4-68型离心通风机可作为一般工厂及大型建筑物的室内通风换气用,既可以用来输入气体,也可以用来输出气体。
输送空气和其他不自燃的、对人体无害的、对钢材无腐蚀性的气体。
气体内不允许有粘性物质,所含尘土及硬质颗粒物不大于150mg/m 3。
气体温度不得超过80℃。
通风机可制成左旋和右旋两种型式。
为便于客户安装、调试,同时供应钢结构的整体支架及减振支架。
4-68型离心通风机性能表 电 动 机 motor 机号No. 传动方式 Type 转 速 r/min 序号 No. 流 量 CapacityM 3/h 全压 Pa 所需功率 power (KW ) 规 格 型 号Type 功率 power Kw1 1131 971 0.592 1319 971 0.653 1508 961 0.714 1696 922 0.745 1885 853 0.766 2073 765 0.772900 7 2262 657 0.78Y802-2 1.1 1 565 245 0.072 660 245 0.083 754 235 0.094 848 226 0.095 942 216 0.16 1037 186 0.12.8 A 1450 7 1131 167 0.11Y801-4 0.55 1 1825 1246 1.112 2093 1246 1.23 2362 1226 1.294 2630 1177 1.365 2899 1098 1.376 3167 981 1.382900 7 3435 853 1.4Y90S-2 1.5 1 912 314 0.142 1047 314 0.143 1181 304 0.144 1315 294 0.165 1449 275 0.176 1583 245 0.173.15 A 1450 7 1718 216 0.18Y801-4 0.551 2708 1608 1.942 3092 1608 2.113 3477 1569 2.243.55 A 2900 4 3861 1510 2.35Y100L-2 35 4245 1402 2.446 4629 1265 2.567 5013 1108 2.41电 动 机 motor 机号No. 传动方式 Type 转 速 r/min 序号 No. 流 量 CapacityM 3/h 全压 Pa 所需功率power (KW )规 格 型 号Type 功率 power Kw1 1354 402 0.292 1546 402 0.33 1738 392 0.324 1930 373 0.335 2122 353 0.366 2315 314 0.363.55 A 1450 7 2507 275 0.38Y801-4 0.55 1 3984 2069 3.342 4534 2060 3.613 5083 2010 3.834 5633 1932 4.035 6182 1795 4.186 6732 1628 4.372900 7 7281 1432 4.44Y112M-2 4 1 1992 520 0.532 2267 510 0.563 2542 500 0.64 2816 481 0.635 3091 451 0.666 3366 402 0.654 A 1450 7 3641 353 0.69Y802-4 0.75 1 5790 2658 5.92 6573 2628 6.343 7355 2569 6.744 8137 2462 7.075 8920 2295 7.336 9702 2069 7.592900 7 10485 1834 7.73Y132S2-2 7.5 1 2895 667 0.92 3286 657 0.973 3678 638 1.024 4069 619 1.085 4460 569 1.116 4851 520 1.164.5 A 1450 7 5242 461 1.19 Y90S-4 1.1电 动 机 motor 机号No. 传动方式 Type 转 速 r/min 序号 No. 流 量 CapacityM 3/h 全压 Pa 所需功率power (KW )规 格 型 号Type 功率 power Kw1 8050 3315 10.022 9123 3266 10.863 10197 3187 11.534 11270 3050 12.065 12343 2844 12.496 13416 2589 13.012900 7 14490 2305 13.25Y160M2-2 15 1 4025 824 1.422 4562 814 1.533 5098 794 1.634 5635 765 1.725 6172 716 1.786 6708 647 1.835 A 1450 7 7245 579 1.89Y100L1-4 2.2 1 8320 1324 4.422 9393 1304 4.733 10467 1275 5.014 11540 1216 5.225 12614 1138 5.416 13687 1040 5.631450 7 14761 922 5.69Y132S-4 5.5 1 5508 579 1.382 6219 569 1.473 6930 559 1.584 7641 530 1.635 8351 500 1.716 9062 451 1.756.3 D 960 7 9773 402 1.78Y112M-6 2.2 1 12852 3159 16.092 14511 3109 17.213 16169 3030 18.194 17828 2893 18.965 19486 2707 19.656 21144 2491 20.446.3 C 2240 7 22803 2197 20.8Y180M-2 22 电 动 机 motor 机号No. 传动方式 Type 转 速 r/min 序号 No. 流 量 CapacityM 3/h 全压 Pa 所需功率power (KW )规 格 型 号Type功率 power Kw 6.3 C 2000 1 11476 2511 11.42Y160M2-2 156 18879 1971 14.567 20359 1756 14.781 10328 2040 8.352 11660 2010 8.943 12993 1952 9.424 14325 1863 9.825 15658 1746 10.19 6 16991 1589 10.561800 7 18324 1422 10.77Y160M1-2 111 9180 1608 5.852 10365 1589 6.283 11550 1550 6.654 12734 1471 6.895 13918 1383 7.176 15103 1255 7.421600 7 16287 1118 7.53Y132S2-2 7.5 1 8032 1236 4.12 9069 1216 4.393 10105 1187 4.654 11142 1128 4.825 12178 1059 5.026 13215 961 5.191400 7 14251 863 5.31Y132S-4 5.5 1 7172 981 2.912 8098 971 3.133 9024 942 3.294 9949 902 3.445 10874 843 3.576 11799 765 3.691250 7 12724 687 3.77 Y112M-4电 动 机 motor 机号No. 传动方式 Type 转 速 r/min 序号 No. 流 量 CapacityM 3/h 全压 Pa 所需功率power (KW )规 格 型 号Type 功率 power Kw1 6426 785 2.262 7255 775 2.423 8085 755 2.564 8913 726 2.696.3 C 1120 5 9743 677 2.78Y100L2-4 33 7218 608 1.844 7958 579 1.915 8699 540 1.976 9439 490 2.051000 7 10179 441 2.09Y100L1-4 2.2 1 5164 510 1.272 5830 500 1.353 6497 490 1.44 7163 471 1.445 7829 441 1.466 8496 402 1.51900 7 9162 353 1.51Y90L-4 1.5 1 4590 402 0.892 5182 392 0.943 5775 383 14 6367 373 1.065 6959 343 1.086 7552 314 1.13800 7 8144 284 1.17 Y90S-4 1.1电 动 机 motor 机号No. 传动方式 Type 转 速 r/min 序号 No. 流 量 CapacityM 3/h 全压 Pa 所需功率power (KW )规 格 型 号Type 功率 power Kw1 17585 2158 14.42 19783 2118 15.43 21982 2060 16.24 24179 1971 16.95 26378 1844 17.46 28576 1677 181450 7 30774 1501 18.3Y180M-4 18.51 11643 942 4.32 13098 932 4.73 14553 902 4.94 16009 863 5.15 17464 804 5.36 18919 736 5.5960 7 20375 657 5.5Y132M2-6 5.5 1 8853 549 2.12 9960 539 2.28 D 730 3 11067 520 2.3 Y132M-8 31 21830 3315 28.42 24559 3266 30.43 27288 3178 324 30016 3030 33.35 32745 2834 34.46 35474 2589 35.611800 7 38202 2315 36.1Y200L2-2 371 19404 2619 19.932 21830 2579 21.33 24256 2511 22.54 26681 2293 23.45 29108 2236 24.16 31532 2050 25.18 C 1600 7 33958 1834 25.4 Y200L1-2 30电 动 机 motor 机号No. 传动方式 Type 转 速 r/min 序号 No. 流 量 CapacityM 3/h 全压 Pa 所需功率power (KW )规 格 型 号Type 功率 power Kw1 16979 2010 13.42 19101 1971 14.33 21224 1922 15.14 23346 1834 15.75 25468 1716 16.26 27591 1569 16.81400 7 29713 1402 17Y180M-4 18.51 15159 1599 9.52 17054 1569 10.13 18949 1530 10.74 20844 1461 11.15 22739 1363 11.56 24634 1246 11.91250 7 26528 1118 12.1Y160L-4 15 1 13583 1285 6.82 15281 1265 7.33 16979 1226 7.74 18677 1177 85 20375 1098 8.38 C 1120 6 22073 1000 8.6 Y160M-4 114 16676 932 5.95 18192 873 6.16 19708 794 6.11000 7 21224 716 6.2Y132M-4 7.5 1 10915 834 3.72 12279 8144 3 13644 794 4.2 4 15008 755 4.35 16373 706 4.56 17738 647 4.7900 7 19101 579 4.8Y132S-4 5.5 电 动 机 motor 机号No. 传动方式 Type 转 速 r/min 序号 No. 流 量 CapacityM 3/h 全压 Pa 所需功率power (KW )规 格 型 号Type 功率 power Kw1 9702 657 2.62 10915 638 2.83 12128 628 2.94 13340 598 35 14554 559 3.16 15767 510 3.3800 7 16979 461 3.3Y112M-4 41 8611 520 22 9687 510 2.13 10763 490 2.24 11840 471 2.35 12916 441 2.46 13992 402 2.5710 7 15069 363 2.5Y100L2-4 31 7641 402 1.42 8596 402 1.53 9551 392 1.64 10506 373 1.65 11461 343 1.66 12416 314 1.78 C 630 7 13371 284 1.7Y100L1-4 2.2 1 35420 3442 45.32 39713 3364 48.23 44006 3266 50.810 D 1450 4 48299 3109 52.6Y250M-4 555 52593 2923 54.46 56886 2687 56.37 61179 2422 571 23450 1510 13.12 26293 1481 14.13 29135 1432 14.84 31978 1363 15.35 34820 1275 15.76 37662 1177 16.3960 7 40505 1059 16.5 Y200L1-6 18.5电 动 机 motor 机号No. 传动方式 Type 转 速 r/min 序号 No. 流 量 CapacityM 3/h 全压 Pa 所需功率power (KW )规 格 型 号Type 功率 power Kw1 17832 873 5.82 19993 853 6.13 22155 824 6.54 24316 785 6.75 26478 736 6.96 28639 677 7.110 D 730 7 30801 618 7.3Y160L-8 7.51 30534 2560 302 34235 2501 31.93 37936 2422 33.54 41637 2315 34.85 45338 2167 35.96 49040 1991 37.11250 7 52740 1795 37.6Y225S-4 37 1 27358 2050 21.52 30674 2010 233 33990 1942 24.14 37307 1854 255 40623 1736 25.86 43939 1599 26.71120 7 47256 1442 27Y200L-4 30 1 24427 1638 15.42 27388 1599 16.33 30349 1550 17.14 33310 1481 17.85 36270 1383 18.36 39233 1275 191000 7 42192 1147 19.2Y180L-4 22 1 21984 1324 11.210 C 900 2 24649 1295 11.9Y160L-4 153 27314 1255 12.5 4 29978 1197 135 32644 1128 13.56 35308 1030 13.87 37974 932 14电 动 机 motor 机号No. 传动方式 Type 转 速 r/min 序号 No. 流 量 CapacityM 3/h 全压 Pa 所需功率power (KW )规 格 型 号Type 功率 power Kw1 19541 1049 7.872 21910 1020 8.313 24279 991 8.774 26648 942 9.075 29017 883 9.36 6 31385 814 9.7800 7 33754 736 9.85 Y160M-4 111 17343 824 5.72 2 19446 804 6.073 21548 785 6.164 23650 745 6.375 25752 696 6.55 6 27854 647 6.85 710 7 29956 579 6.88 Y132M-4 7.5 1 15389 647 3.99 2 17254 638 4.27 3 19119 618 4.494 20985 588 4.665 22850 549 4.786 24716 510 5 6307 26581 461 5.08 Y132S-4 5.5 1 13679 510 2.79 2 15337 500 2.98 3 16995 490 3.174 18654 461 3.245 20311 432 3.346 21969 402 2.5560 7 23627 363 3.57 Y112M-4 41 12214 412 2.01 2 13694 402 2.143 15175 392 2.264 16655 373 2.345 18135 343 2.376 19616 314 2.44 10 C 5007 21096 284 2.48Y100M-4 3电 动 机 motor 机号No. 传动方式 Type 转 速 r/min 序号 No. 流 量 CapacityM 3/h 全压 Pa 所需功率power (KW )规 格 型 号Type 功率 power Kw1 45800 2354 40.132 51353 2305 42.71 3 56904 2236 44.97 4 62456 2128 46.585 68008 2001 48.196 73559 1834 49.67960 7 79111 1657 50.45Y280M-6 551 34828 1363 17.662 39050 1334 18.83 43271 1295 19.84 47492 1236 20.565 51714 1157 21.196 55936 1059 21.81 12.5 D 7307 60157 961 22.25 Y225M-8 22 1 53434 32.7 65.76 2 59912 3138 69.99 3 66388 3040 73.59 Y280S-4 75 4 72865 2903 76.455 79342 2717 78.756 85819 2501 81.51 11207 92296 2256 82.62 Y280M-4 90 1 47710 2560 46.86 2 53492 2501 49.8 3 59276 2422 52.354 65058 2315 54.43Y250M-4 55 5 70841 2167 56.1 6 76624 1991 57.94 1000 7 82407 1975 58.7 Y280S-4 75 1 42938 2069 34.1 2 48144 2030 36.38 3 53348 1961 38.15 4 58552 1873 39.645 63758 1756 40.9 6 68962 1618 42.39 12.5 C 9007 74166 1451 42.27 Y280S-6 45机号No. 传动方式 Type 转 速 r/min 序号 No. 流 量 Capacity 全压 Pa 所需功率power (KW )电 动 机 motorM 3/h规 格 型 号Type功率 power Kw1 38168 1638 23.992 42794 1599 25.473 47420 1550 26.794 52046 1481 27.065 56673 1383 28.636 61300 1275 29.68 8007 65926 1147 30.02 Y225M-6 301 33874 1285 16.72 37980 1265 17.893 42086 1226 18.814 46191 1167 19.485 50297 1089 20.016 54403 1000 20.67 7107 58509 902 20.95 Y200L2-6 221 30057 1010 11.752 33700 991 12.43 3 37344 961 13.094 40987 912 13.515 44630 863 14.076 48273 794 14.57 6307 51917 706 14.55 Y1810L-6 151 26717 8004 8.242 29956 785 8.753 33194 755 9.144 36433 726 9.565 39671 677 9.816 42910 628 10.23 5607 46148 559 10.24 Y160L-6 111 23855 638 6.62 26746 628 6.253 29638 608 6.574 32529 579 6.85 35421 539 6.986 38312 500 7.28 12.5 C 5007 41204 451 7.38Y160M-6 7.5电 动 机motor机号 No.传动方式 Type转 速 r/min序号 No.流 量 Capacity M 3/h全压 Pa所需功率power (KW )规 格 型 号Type功率 power Kw1 21469 520 4.472 24071 510 4.76 12.5 C 4503 26674 490 4.98Y132M2-6 5.54 29276 471 5.195 31897 441 5.376 34481 402 5.497 37083 363 5.57 1 19084 412 3.14 2 21397 402 3.34 3 23710 392 3.544 26023 373 3.665 28337 343 3.716 30650 314 3.81 4007 32963 284 3.88 Y132M1-6 41 96052 3864 142 2 107694 3776 1513 119337 3658 1604 130980 3491 165 5 142623 3276 171 6 154265 3011 176 9607 165908 2717 179 Y355M2-6 200 1 80043 2687 83 2 89745 2628 88 Y315M1-6 90 3 99448 2540 924 109150 2422 965 118852 2275 996 128554 2089 102 8007 138257 1883 103 Y315M2-6 110 1 71035 2118 58 2 79649 2069 61 3 88260 2001 644 96871 1912 675 105481 1795 696 114092 1648 71 16 B 7107 122703 1481 72Y315S-6 75电 动 机motor机号 No.传动方式 Type转 速 r/min序号 No.流 量 Capacity M 3/h全压 Pa所需功率power (KW )规 格 型 号Type功率 power Kw1 63034 1667 402 70675 1628 43 3 78315 1579 454 85956 1501 475 93596 1412 48 6 101237 1295 50 6307 108877 1167 50Y280M-6 5516 B 560 1 56030 1314 28.3Y250M-6372 62822 1285 303 69613 1246 31.64 76405 1187 32.8 5 83197 1118 346 89988 1020 34.97 96780 922 35.4 1 50027 1049 20.1 2 56091 1030 21.5 3 62155 991 22.44 68219 951 23.5 5 747283 892 24.26 80346 814 24.8 5007 86410 736 25.2 Y225M-6 301 45024 853 14.72 50482 834 15.73 55939 804 16.44 61397 765 17 5 66854 716 17.5 6 72312 657 18 4507 77769 598 18.5 Y200L1-6 18.5 1 40022 667 10.2 2 44873 657 11 3 49724 638 11.64 54575 608 12 5 59426 569 12.4 6 64277 520 12.7 4007 69128 471 12.9Y180L-6 15电 动 机motor机号 No.传动方式 Type转 速 r/min序号 No.流 量 Capacity M 3/h全压 Pa所需功率power (KW )规 格 型 号Type功率 power Kw1 35519 530 7.22 2 39825 520 7.713 44130 500 8.054 48435 481 8.41 5 52471 451 8.696 57046 412 8.923557 61351 373 9.07 Y160L-6 111 31517 412 5.2 2 35337 402 5.53 39158 392 5.84 42978 37365 46798 353 6.36 50618 324 6.49 16 B3157 54439 294 6.62Y160M-6 7.51 138747 3305 1762 155565 3227 1873 172383 3128 1974 189200 2981 2045 206018 2795 2106 222836 2569 217 7107 239654 2324 221 Y355M-8 2201 123113 2599 1232 138036 2540 1313 152959 2462 1374 167882 2354 1435 182805 2207 1476 197728 2030 151 6307 212650 1824 154 Y355M2-8 160 1 109434 2060 86.5 2 122699 2010 91.8 3 135964 1952 96.74 149228 1854 1005 162493 1745 1046 175758 1599 107 20 B 5607 189023 1442 108Y315M3-8 110电 动 机motor机号 No.传动方式 Type转 速 r/min序号 No.流 量 Capacity M 3/h全压 Pa所需功率power (KW )规 格 型 号Type功率 power Kw1 97709 1638 61.42 109553 1599 65.2 3 121396 1550 68.64 133240 1481 71.35 145083 1393 73.86 156927 1275 76 5007 168770 1147 76.9 Y315M2-8 751 87938 1324 44.72 98597 1295 47.53 109257 1255 504 119916 1197 51.95 130575 1128 53.86 141234 1030 55.2 4507 151893 932 56.2Y315S-8 55 1 78167 1049 31.5 2 87642 1030 33.6 3 97117 991 35.1 4 106592 951 36.7 20 B 4005 116067 892 37.8Y280M-8 456 125541 814 38.87 135016 736 39.4 1 69373 824 21.9 2 77782 804 23.3 3 86191 785 24.74 94600 745 25.5 5 103009 696 26.2 6 111418 647 27.4 3557 119827 579 27.5 Y250M-8 301 61557 647 15.32 69018 638 16.43 76480 618 17.24 83941 588 17.95 91402 549 18.36 98864 510 19.2 3157 106325 461 19.5Y225M-8 22电 动 机motor机号 No.传动方式 Type转 速 r/min序号 No.流 量 Capacity M 3/h全压 Pa所需功率power (KW )规 格 型 号Type功率 power Kw1 54717 510 1072 61349 500 11.423 67982 490 12.154 74614 461 12.435 81247 432 12.816 87879 402 13.422807 94511 363 13.61 Y200L-8 151 18855 412 7.72 2 54776 402 8.23 60698 392 8.684 66620 373 8.975 72542 343 9.16 78463 324 9.65 20 B2507 84385 284 9.52Y180L-8 11进风口法兰出风口法兰外形尺寸安装尺寸联结螺栓联结螺栓地脚螺栓孔机号D1 D2 D3M 数量A1 A2 A3 A4M 数量 x1×n x2×nE1 E2 E3 E4 B1 a b cΦ数量2.8 284 320 3508 8 162 208 2122588 14 63×3 59×4 574 212 470 280 448 128.5350270 15 43.15 319 355 3858 8 182 233 2322838 14 69×3 65×4 638 238.5531 310 497 141 170260 18 43.55 355 395 4258 8 210 262 2543128 14 77×3 72.5×4 721 269 596 348 614 155 220270 18 44 400 450 490108 224 291 2793458 14 85×3 80.5×4 799 302 660 382 638 162 220300 18 44.5 450 500 545108 253 328 3083828 14 71×4 72×5 895 340 741 430 710 176.5250360 18 45 500 560 6101012 289 370 3394208 20 63×5 66×6 994 378 842 495 858 194 340406 18 4164-68-6.3C、D风机外形及安装尺寸图17184-68型C、D 式传动离心通风机外形及安装尺寸进 风 口 法 兰出 风 口 法 兰外 形 尺 寸基 础 尺 寸 机 号D1D2D3 n1×d1 A1A2A3A4 n2×d2X1×nX2×nEFGKMHLabcd e fNO.8 800 860 91016-15 448 59255769822-12 103×5109×6336 556132260517442801530520440177.5590 510 527NO.10 1000 1070 112016-15 560 72866983422-15 125×5133×6424 690163875621172801675520440169.5590 510 639 NO.12.5 1250 1320 138020-15700921810103030-15 109×7123×8530 861205394526283752043700620209.5780 510 780各出风口方向机壳中心高及基础尺寸右0° 右45° 右90° 右135° 右180° 右225°机 号N i jN i j Ni j N i j N i j N i j S1 S2NO.8 1000 400 400890 450 400810450400 750 450 400 7004504006504504008 0.8-2.4 NO.10 1220 500 5501050 500 5501000550500 930 550 500 85055050079050055010 1-3 NO.12.5 1515 660 6601405 660 12951295660660 1200 660 660 1110660660103566066012.51.3-3.8194-68型B 式传动离心通风机外形及安装尺寸进 风 口 法 兰出 风 口 法 兰外 形 尺 寸机 号D1D2D3 n1×d1 A1A2A3A4n2×d2X1×nX2×nEFGKNMHLNO.16 1600 1680175024-19 1165896 1274100836-15 123×10120×8 675108026861210 19003245985 2455 NO.20 2000 2080215024-19 145611201591125844-15 128×12 120×10845134933561512 23504042685 2723各出风口方向机壳中心高及基础尺寸右90° 右180°基 础 尺 寸机 号 N1 i j M1 G1 F1 N2 i j M2 G2F2 abcdefNO.16 1550 168021602630 31721847130016802160 3147 2686 1080950 950 218.5 12001070995 NO.20 1950 200026973299 39632308165020002697 3958 3356 1349950 950 189 120010701250。
风机常识-风机知识风机是一种用于压缩和输送气体的机械,从能量观点来看,它是把原动机的机械能量转变为气体能量的一种机械。
风机分类及用途:透平式风机--通过旋转叶片压缩输送气体的风机。
容积式风机—用改变气体容积的方法压缩及输送气体机械。
离心式风机—气流轴向驶入风机叶轮后,在离心力作用下被压缩,主要沿径向流动。
轴流式风机—气流轴向驶入旋转叶片通道,由于叶片与气体相互作用,气体被压缩后近似在园柱型表面上沿轴线方向流动。
混流式风机—气体与主轴成某一角度的方向进入旋转叶道,近似沿锥面流动。
横流式风机—气体横贯旋转叶道,而受到叶片作用升高压力。
(以绝对压力计通风机—排气压力低于112700Pa ;鼓风机—排气压力在112700Pa~343000Pa之间;压缩机—排气压力高于343000Pa 以上; (在标准状低压离心通风机:全压P ≤1000Pa 中压离心通风机:全压P=1000~5000Pa 高压离心通风机:全压P=5000~30000Pa 低压轴流通风机:全压P ≤500Pa 高压轴流通风机:全压P=500~5000Pa 一般通风机全称表示方法型式和品种组成表示方法压力:离心通风机的压力指升压(相对于大气的压力), 即气体在风机内压力的升高值或者该风机进出口处气体压力之差。
它有静压、动压、全压之分。
性能参数指全压(等于风机出口与进口总压之差), 其单位常用Pa 、KPa 、mH2O 、mmH2O 等。
流量:单位时间内流过风机的气体容积, 又称风量。
常用Q 来表示, 常用单位是;m3/s、m3/min、m3/h(秒、分、小时)。
(有时候也用到“质量流量”即单位时间内流过风机的气体质量, 这个时候需要考虑风机进口的气体密度, 与气体成份, 当地大气压, 气体温度, 进口压力有密切影响, 需经换算才能得到习惯的“气体流量”。
转速:风机转子旋转速度。
常以n 来表示、其单位用r/min(r表示转速,min 表示分钟。
机号№: 6.3传动方式:D温度(℃):20大气压力(Pa):101325转速(rpm):1450序号流量(m3/h)全压(Pa)内效率(%)内功率(Kw)所需功率Kw188********.8 3.85 4.7 29929134388.1 4.095 311003130290.5 4.26 5.2 412076124191.4 4.46 5.5 513150116390.2 4.58 5.6 614223106985.9 4.75 5.8 71529768881.3 4.83 5.9 G4-68离心通风机性能表机号№: 6.3传动方式:D温度(℃):20大气压力(Pa):101325转速(rpm):960序号流量(m3/h)全压(Pa)内效率(%)内功率(Kw)所需功率Kw1586360184.8 1.12 1.5 2657458788.1 1.19 1.6 3728556990.5 1.24 1.6 4799554391.4 1.29 1.7 5870650990.2 1.33 1.8 6941746885.9 1.38 1.8 71012830181.3 1.4 1.9 G4-68离心通风机性能表机号№:8传动方式:D温度(℃):20大气压力(Pa):101325转速(rpm):1450序号流量(m3/h)全压(Pa)内效率(%)内功率(Kw)所需功率Kw118134222286.112.714.9 220332217289.113.5115.9 322530210591.314.0516.5 424728200692.114.7317.3 52692618809115.1417.8 629124172887.115.6818.4 731322111182.915.9518.7机号№:8传动方式:D温度(℃):20大气压力(Pa):101325转速(rpm):960序号流量(m3/h)全压(Pa)内效率(%)内功率(Kw)所需功率Kw11200697086.1 3.68 4.5 21346194889.1 3.92 4.8 31491691991.3 4.085 41637287692.1 4.27 5.2 51782782191 4.39 5.4 61928275587.1 4.55 5.6 72073748682.9 4.63 5.7 G4-68离心通风机性能表机号№:8传动方式:D温度(℃):20大气压力(Pa):101325转速(rpm):730序号流量(m3/h)全压(Pa)内效率(%)内功率(Kw)所需功率Kw1912956086.1 1.62 2.1 21023654789.1 1.72 2.3 31134353191.3 1.79 2.4 41244950692.1 1.88 2.5 51355647491 1.93 2.6 61466243687.12 2.4 71576928182.9 2.03 2.5 G4-68离心通风机性能表机号№:9传动方式:D温度(℃):20大气压力(Pa):101325转速(rpm):1450序号流量(m3/h)全压(Pa)内效率(%)内功率(Kw)所需功率Kw125819281886.822.8826.8 228949275589.724.3528.6 332079266991.725.3329.7 435208254492.626.5431.1 538338238491.527.2732 641467219087.828.2533.2 744597140883.828.7433.7机号№:9传动方式:D温度(℃):20大气压力(Pa):101325转速(rpm):960序号流量(m3/h)全压(Pa)内效率(%)内功率(Kw)所需功率Kw117094122886.8 6.647.8 219166120189.77.078.3 321238116491.77.358.6 423310110992.67.79 525382104091.57.929.3 62745495687.88.29.6 72952661583.88.349.8 G4-68离心通风机性能表机号№:9传动方式:D温度(℃):20大气压力(Pa):101325转速(rpm):730序号流量(m3/h)全压(Pa)内效率(%)内功率(Kw)所需功率Kw11299970986.8 2.92 3.6 21457469389.7 3.11 3.8 31615067291.7 3.234 41772564092.6 3.39 4.2 51930160191.5 3.48 4.3 62087755287.8 3.6 4.4 72245235583.8 3.67 4.5 G4-68离心通风机性能表机号№:10传动方式:D温度(℃):20大气压力(Pa):101325转速(rpm):1450序号流量(m3/h)全压(Pa)内效率(%)内功率(Kw)所需功率Kw135417348687.638.7545.5 239710340990.341.2448.4 344004330292.242.8950.3 44829731479344.9552.7 55259029499246.1954.2 656883270988.547.8456.1 761176174084.748.6657.1机号№:10传动方式:D温度(℃):20大气压力(Pa):101325转速(rpm):960序号流量(m3/h)全压(Pa)内效率(%)内功率(Kw)所需功率Kw123449151887.611.2413.2 226291148490.311.9714 329133143892.212.4514.6 43197613719313.0515.3 53481812859213.415.7 637660118188.513.8816.3 74050276084.714.1216.6 G4-68离心通风机性能表机号№:10传动方式:D温度(℃):20大气压力(Pa):101325转速(rpm):730序号流量(m3/h)全压(Pa)内效率(%)内功率(Kw)所需功率Kw11783187687.6 4.946 21999285690.3 5.26 6.2 32215383092.2 5.47 6.4 42431579193 5.74 6.7 52647674292 5.89 6.9 62863768288.5 6.17.2 73079943984.7 6.217.3 G4-68离心通风机性能表机号№:11.2传动方式:D温度(℃):20大气压力(Pa):101325转速(rpm):1450序号流量(m3/h)全压(Pa)内效率(%)内功率(Kw)所需功率Kw149759438788.568.2980.1 25579042899172.6885.3 361822415592.875.5988.7 467853395893.579.2293 573885370992.681.495.5 679916340689.384.3198.9 785947218685.885.76100.6机号№:11.2传动方式:D温度(℃):20大气压力(Pa):101325转速(rpm):960序号流量(m3/h)全压(Pa)内效率(%)内功率(Kw)所需功率Kw132944190788.519.8223.3 23693718649121.0924.7 340930180692.821.9425.7 444923172293.522.9927 548917161492.623.6227.7 652910148389.324.4728.7 75690395485.824.8929.2 G4-68离心通风机性能表机号№:11.2传动方式:D温度(℃):20大气压力(Pa):101325转速(rpm):730序号流量(m3/h)全压(Pa)内效率(%)内功率(Kw)所需功率Kw125051109988.58.7110.2 2280881075919.2710.9 331124104292.89.6511.3 43416199393.510.1111.9 53719793192.610.3912.2 64023485689.310.7612.6 74327055185.810.9412.8G4-68离心通风机性能表机号№:12.5传动方式:D温度(℃):20大气压力(Pa):101325转速(rpm):1450序号流量(m3/h)全压(Pa)内效率(%)内功率(Kw)所需功率169175548589.5118.25138.8 277560536191.8125.85147.7 385944519393.3130.89153.6 494329494794.1137.19161 5102714463493.2140.96165.4 6111099425590.3146171.3 7119484272887148.51174.3 G4-68离心通风机性能表机号№:12.5传动方式:D温度(℃):20大气压力(Pa):101325转速(rpm):960序号流量(m3/h)全压(Pa)内效率(%)内功率(Kw)所需功率Kw145798237989.534.3240.3 251350232691.836.5242.9 356901225493.337.9944.6 462452214894.139.8146.7 568004201393.240.9148 673555185090.342.3749.7 77910611898743.150.6 G4-68离心通风机性能表机号№:12.5传动方式:D温度(℃):20大气压力(Pa):101325转速(rpm):730序号流量(m3/h)全压(Pa)内效率(%)内功率(Kw)所需功率Kw134826137189.515.0917.7 239047134091.816.0618.8 343269129993.316.719.6 447490123894.117.5120.5 551711116193.217.9921.1 655932106790.318.6321.9 7601546868718.9522.2G4-68离心通风机性能表机号№:14传动方式:D温度(℃):20大气压力(Pa):101325转速(rpm):1450序号流量(m3/h)全压(Pa)内效率(%)内功率(Kw)所需功率197185691390.6208.39244.5 2108966675792.7221.8260.3 3120746654494230.68270.7 4132526623394.7241.77283.7 5144306583793.9248.42291.5 6156086535891.3257.29301.9 7167866343088.4261.73307.1 G4-68离心通风机性能表机号№:14传动方式:D温度(℃):20大气压力(Pa):101325转速(rpm):960序号流量(m3/h)全压(Pa)内效率(%)内功率(Kw)所需功率Kw164343299090.660.4871 272143292492.764.3775.5 37994228339466.9478.6 487741269994.770.1682.3 595540253093.972.0984.6 6103340232491.374.6787.6 7111139149388.475.9689.1 G4-68离心通风机性能表机号№:14传动方式:D温度(℃):20大气压力(Pa):101325转速(rpm):730序号流量(m3/h)全压(Pa)内效率(%)内功率(Kw)所需功率Kw148928172190.626.5931.2 254859168392.728.333.2 36078916319429.4434.5 466720155594.730.8536.2 572650145793.931.737.2 678581133991.332.8338.5 78451286288.433.439.2G4-68离心通风机性能表机号№:16传动方式:D温度(℃):20大气压力(Pa):101325转速(rpm):960序号流量(m3/h)全压(Pa)内效率(%)内功率(Kw)所需功率196046391892.1117.91138.4 2107688383093.9125.5147.3 3119330371195130.52153.2 4130972353695.6136.79160.5 5142614331394.9140.56164.9 6154256304392.7145.58170.8 7165898195490.2148.09173.8 G4-68离心通风机性能表机号№:16传动方式:D温度(℃):20大气压力(Pa):101325转速(rpm):730序号流量(m3/h)全压(Pa)内效率(%)内功率(Kw)所需功率Kw173035225392.151.8460.8 281888220293.955.1864.8 39074121349557.3967.3 499593203495.660.1570.6 5108446190794.961.872.5 6117299175292.764.0175.1 7126152112690.265.1176.4 G4-68离心通风机性能表机号№:16传动方式:D温度(℃):20大气压力(Pa):101325转速(rpm):580序号流量(m3/h)全压(Pa)内效率(%)内功率(Kw)所需功率Kw158028141892.12630.5 265062138693.927.6832.5 37209513439528.7833.8 479129128195.630.1735.4 586163120194.93136.4 693196110392.732.137.7 710023071090.232.6638.3。
FP系列风机盘管简述FP系列风机盘管主要由风机、盘管、凝结水盘、控制和手动放气阀等组成,具有结构简单、节能、噪音低、耗电省及安装维护简便、操作方便等优点,是目前配合户室空调、中央空调进行室内温度及空气调节的理想产品。
本公司可提供用户多种规格及型式选择,标准工况下风量340m3/h~2380m3/h,机组余压0Pa~50Pa;型式有:普通型卧式/立式暗装、超薄型卧式/立式/明装/暗装、嵌入式、扇形吊顶式、立柜式、挂壁式等,更多了一份人性化设计,以完全满足用户对风量、冷量、风压及安装条件的要求。
特点产品换热器系用美国TRIDAN公司的生产线制造而成,由无缝紫铜管串套高效双边翻铝片,采用机械涨管工艺,使管片结合紧密,传热性能优良,并经过特殊处理,在使用过程中,换热器的空气阻力明显减少,在风速较大时,不会产生冷凝水珠分溅,同时表面防腐蚀性能加强,采用锻黄铜结构集水头,大大延长了产品的使用寿命;电动机采用三速低噪音专用马达,高精度封闭轴承,运行过程中无需加油维护,运转平稳可靠,使用寿命长达35000小时,电机引出线用金属软管保护,以免损伤;采用广角蜗壳,金属多叶离心风轮,动平衡性高;凝结水盘整体冲压一次成型,杜绝滴漏水现象,表面喷塑防腐处理,经久耐用;保温材料采用高密度聚氨酯,导热系数小,耐水性能高,抗老化、阻燃、无毒,能保证各地全天候使用而无凝露现象发生。
吊装孔配有橡胶减震垫,最大限度降低机组噪音。
FP系列风机盘管性能参数表注:低静压机组的额定风量是机外余压为0Pa时的值,在不带风口和过滤器的余压值为12Pa。
供冷工况参数:进口空气干球温度27℃,湿球温度19.5℃,进水温度7℃,水温差5℃。
供热工况参数:进口空气干球温度21℃,进水温度60℃,热水流量同供冷工况。
上述表格中性能参数如有更改,恕不另行通知。
FP系列暗装风机盘管外型及安装尺寸(请在订货时注明出风及回风形式)FP系列立式暗装风机盘管外型及安装尺寸FP系列暗装风机盘管风管安装示意图CFP系列超薄型风机盘管特点超薄型豪华风机盘管系吸取国外同类产品之精华,并采纳空调专家和工程安装技术人员的宝贵意见,精心研制而成,具有:机体厚度薄(明装仅188mm),占地面积小,就位安装方便,可任意调节安装高度;超静音设计,采用精心研制的铝合金贯流风叶,同时采用优质吸音保温材料,使噪音降到最低;采用优质注塑面板,整体外形设计美观流畅;可内置双盛水盘,立式、卧式任意选择安装;产品包装采用专用模具制成塑料泡沫内衬,确保机组在运输中不被损坏。
风机常识-风机知识风机是一种用于压缩和输送气体的机械,从能量观点来看,它是把原动机的机械能量转变为气体能量的一种机械。
风机分类及用途:按作用原理分类透平式风机--通过旋转叶片压缩输送气体的风机。
容积式风机—用改变气体容积的方法压缩及输送气体机械。
按气流运动方向分类离心式风机—气流轴向驶入风机叶轮后,在离心力作用下被压缩,主要沿径向流动。
轴流式风机—气流轴向驶入旋转叶片通道,由于叶片与气体相互作用,气体被压缩后近似在园柱型表面上沿轴线方向流动。
混流式风机—气体与主轴成某一角度的方向进入旋转叶道,近似沿锥面流动。
横流式风机—气体横贯旋转叶道,而受到叶片作用升高压力。
按生产压力的高低分类(以绝对压力计算)通风机—排气压力低于112700Pa;鼓风机—排气压力在112700Pa~343000Pa之间;压缩机—排气压力高于343000Pa以上;通风机高低压相应分类如下(在标准状态下)低压离心通风机:全压P≤1000Pa中压离心通风机:全压P=1000~5000Pa高压离心通风机:全压P=5000~30000Pa低压轴流通风机:全压P≤500Pa高压轴流通风机:全压P=500~5000Pa一般通风机全称表示方法型式和品种组成表示方法压力:离心通风机的压力指升压(相对于大气的压力),即气体在风机内压力的升高值或者该风机进出口处气体压力之差。
它有静压、动压、全压之分。
性能参数指全压(等于风机出口与进口总压之差),其单位常用Pa、KPa、mH2O、mmH2O等。
流量:单位时间内流过风机的气体容积,又称风量。
常用Q来表示,常用单位是;m3/s、m3/min、m3/h(秒、分、小时)。
(有时候也用到“质量流量”即单位时间内流过风机的气体质量,这个时候需要考虑风机进口的气体密度,与气体成份,当地大气压,气体温度,进口压力有密切影响,需经换算才能得到习惯的“气体流量”。
转速:风机转子旋转速度。
常以n来表示、其单位用r/min(r表示转速,min表示分钟)。
各类大中型工厂和民用建筑,大型场馆等通风场所离心风机参数一、特性及应用4-68离心风机,其效率和比A声级均达到或优于机械工业部制定的A级标准。
广泛用于各类大中型工厂和民用建筑,大型场馆等通风场所。
4-68离心风机作为一般通风换气用,输送空气或其它不自然、无腐蚀性的、对人体无害的气体,气体内无粘性物质,所含尘土及颗粒物不大于150mg/m3,温度不超过80℃。
二、产品图片三、4-68风机性能参数表机号N o. 转速(r/min)风量(m3/h)全压(Pa)内效率(%)内功率(kW)所需功率(kW)电动机型号功率(kW)2. 8 A 2900113113191508169618852073226297196596192285376765778.583.286.587.986.180.173.50.390.430.470.490.520.550.560.590.650.710.740.760.770.78Y82-21.114505656607548489421037113124524023522521618616778.583.286.587.986.180.173.50.0490.0540.0570.0600.0660.0670.0710.070.080.090.090.100.100.11Y81-40.553.1 5 A 29001825209323622630124612401225117779.984.387.388.60.790.860.920.971.111.201.291.36Y9S1.52899 3167 3435 109898185387.081.375.21.021.061.081.371.381.40-21450 91210471181131514491583171831430830429427524521679.984.387.388.687.081.375.20.100.110.110.120.130.130.140.140.140.140.160.170.170.18Y81-40.553. 5 5 A 29002708309234773861424546295013160816001569151014021265110881.185.388.189.487.882.576.71.491.621.721.811.881.972.011.942.112.242.352.442.562.41Y1L-23 1450135415461738193021222315250740239739237335331427581.185.388.189.487.882.576.70.190.200.210.220.240.240.250.290.300.320.330.360.360.38Y81-40.554 A 29003984453450835633618267327281206920602010193217951628143282.386.288.990.088.683.678.22.783.013.193.363.483.643.703.343.613.834.034.184.374.44Y112M-24 1450199222672542286130913366364152051050048145140135382.386.288.990.088.683.678.20.350.370.400.420.440.450.460.530.560.600.630.660.680.69Y82-40.754. 52900579065732658262883.387.05.135.515.906.34Y17.5A 735581378920970210485 2569246222952069183489.590.589.284.579.45.866.156.376.606.726.747.077.337.597.7332S2-21450 289532863678406944604851524267765763861956952046183.387.089.590.589.284.579.40.640.690.730.770.790.830.850.900.971.021.081.111.161.19Y9S-41.15 A 29008050912310197112701234313416144903315326631897305028442589230584.287.690.091.089.885.380.58.89.4410.0310.4910.8611.3111.5210.1210.8611.5312.0612.4913.0113.25Y16M2-2151450402545625098563561726708724582481479476571664757984.287.690.091.089.885.380.51.091.181.251.321.371.411.451.421.531.631.721.781.831.89Y1L1-42.26. 3 D 145083209393104671154012614136871476113241304127512161138104092284.888.190.591.490.285.981.33.613.864.094.264.424.604.654.424.735.015.225.415.635.69Y132S-45.5960550862196930764157956955953084.888.190.591.41.041.111.191.231.381.471.581.63Y1122.28351 9062 9773 50045140290.285.981.31.291.321.341.711.751.78M-68 D 145017585197832198224179263782857630774215821182060197118441677150185.788.891.091.990.886.782.412.2913.1013.8114.4014.8715.3515.5614.415.416.216.917.418.018.3Y18M-418.59601164313098145531600917464189192037594293290286380473665785.788.891.091.990.886.782.43.553.824.014.174.304.464.514.34.74.95.15.35.55.5Y132M2-65.573088539960110671217313280143871540354953952050047142238385.788.891.091.990.886.782.41.551.651.761.841.911.942.002.12.22.32.42.52.572.7Y132M-831 0 D 145035420397134400648299525935688661179344233643266310929232687242287.690.392.293.092.088.584.738.641.143.344.846.448.048.645.348.250.852.654.456.357.0Y25M455 96023450232932913531978348203766240505151014811432136312751177105987.690.392.293.092.088.584.711.212.012.613.013.413.914.113.114.414.815.315.716.316.5Y2L1-618.5730 1783219993221552431626478286393080187385382478573667761887.690.392.293.092.088.584.74.95.25.55.75.96.16.25.86.16.56.76.97.17.3Y16L-87.51 2. 5 D 96045800513535690462456680087355979111235423052236212820011834165787.690.392.293.092.088.584.734.2036.4038.3239.6941.0742.3342.9940.1342.7144.9746.5848.1949.6750.45Y28M-6557303482839050432714749251714559366015713631334129512361157105996187.690.392.293.092.088.584.715.0516.0216.8717.5218.0618.5918.9617.6618.8019.8020.5621.1921.8122.25Y225M-8226. 3 C 224012852145111616917828194862114422803315931093030289327072491219784.888.190.591.490.285.981.313.2914.2215.0315.6716.2416.8917.1116.0917.2118.1918.9619.6520.4420.80Y18M-222200011476129561443715917173981887920359251124812413230521581971175684.888.190.591.490.285.981.39.4310.1310.6911.1511.5612.0312.2111.4212.2712.9413.4914.0014.5614.78Y16M2-215180010328116601299314325204020101952186384.888.190.591.46.907.397.788.118.358.949.429.82Y161115658 16991 18324 17461589142290.285.981.38.418.738.9010.1910.5610.77M1-21600 9180103651155012734139181510316287160815891550147113831255111884.888.190.591.490.285.981.34.835.195.495.695.926.136.225.856.286.656.897.177.427.53Y132S2-27.51400 8032960910105111421217813215142511236121611871128105996186384.888.190.591.490.285.981.33.253.483.683.823.974.114.204.104.394.654.825.025.195.31Y132S-45.51250 717280989024994910874117991272498197194290284376568784.888.190.591.490.285.981.32.302.482.612.732.822.922.982.913.133.293.443.573.693.77Y112M-441120 64267255808589139743105721140178577575572667761854984.888.190.591.490.285.981.31.651.771.871.972.032.112.142.262.422.562.692.782.882.93Y1L2-431000 57376478721879588699943962861860857954049084.888.190.591.490.285.91.181.261.351.401.441.501.611.731.841.911.972.05Y1L12.210179 441 81.3 1.53 2.09 -46 C 900516458306497716378298496916251050049047144140235384.888.190.591.490.285.981.30.8620.9190.9781.021.061.11.11.271.351.441.451.461.511.51Y9L-41.5 800459051825775636769597552814440239238337334331428484.888.190.591.490.285.981.30.600.640.680.720.740.770.790.890.941.001.061.081.131.17Y9S-41.18 C 180021830245592728830016327453547438202331532663178303028342589231585.788.891.091.990.886.782.423.4525.0826.4627.4828.3829.4229.8028.430.432.033.334.435.6136.1Y2L2-237 160019404218302425626681291083153233958261925792511239322362050183485.788.891.091.990.886.782.416.4617.6118.5819.2919.9020.7020.9819.9321.322.523.424.125.125.4Y2L1-230 140016979191012122423346254682759129713201019711922183417161569140285.788.891.091.990.886.782.411.0611.7812.4612.9413.3713.8714.0413.414.315.115.716.216.817.0Y18M-418.5 1250 15159 1599 85.7 7.85 9.5 Y1517054 18949 20844 22739 24634 26528 15691530146113631246111888.891.091.990.886.782.48.428.859.209.489.839.9910.110.711.111.511.912.116L-41120 1358315281169791867720375220732377012851265122611771098100089285.788.891.091.990.886.782.45.656.056.356.646.847.077.156.87.37.78.08.38.68.7Y16M-4111000 121281364415160166761819219708212241020101098193287379471685.788.891.091.990.886.782.44.004.314.544.704.865.015.125.15.45.75.96.16.16.2Y132M-47.58 C 9001091512279136441500816373177381910183481479475570664757985.788.891.091.990.886.782.42.953.133.313.423.543.683.723.74.04.24.34.54.74.8Y132S-45.5 800970210915121281334014554157671697965763862859855951046185.788.891.091.990.886.782.42.072.182.322.412.492.582.642.62.82.93.03.13.33.3Y112M-44 710861196871076311840129161339252051049047144140285.788.891.091.990.886.71.451.521.611.681.741.802.02.12.22.32.42.5Y1L2315069 363 82.4 1.84 2.5 -4630 7641859695511050611461124161337140240239237334331428485.788.891.091.990.886.782.41.001.081.141.181.201.251.281.41.51.61.61.61.71.7Y1L1-42.21 0 C 125030534342353793641637453384904052740256025012422231521671991179587.690.392.293.092.088.584.724.826.327.728.829.730.631.030.031.933.534.835.937.137.6Y225S-437 112027358306743399037307406234393947256205020101942185417361599144287.690.392.293.092.088.584.717.819.019.920.621.322.022.321.523.024.125.025.826.727.0Y2L-430 100024427273883034933310362703923342192163815991550148113831275114787.690.392.293.092.088.584.712.713.514.214.715.115.715.915.416.317.117.818.319.019.2Y18L-422 9002198424649273142997832644353083797413241295125511971128103093287.690.392.293.092.088.584.79.239.8010.310.711.111.411.611.211.912.513.013.513.814.0Y16L-415机转速风量全内内功所需功电动机号N o . (r/min)(m3/h)压(Pa)效率(%)率(kW)率(kW)型号功率(kW)1 0 C 80019541219124279266482901731385337541049102099194288381473687.690.392.293.92.88.584.76.506.877.247.497.738.028.147.878.318.779.079.369.709.85Y16M-411 710173431944621548236525752278542995682480478574569664757987.690.392.293.92.88.584.74.534.815.095.265.415.665.685.726.076.166.376.556.856.88Y132M-47.5 63015389172541911920986476386185887.690.392.293.3.163.383.563.693.793.954.023.994.274.494.664.785.005.08Y132S-45.52285 0 2471 6 2658 1 5495146192.88.584.7560 1367915337169951865420311219692362751504946143240236387.690.392.293.92.88.584.72.212.362.512.572.652.772.812.792.983.173.243.343.503.57Y112M-44500 1221413694151751665518135196162109641240239237334331428487.690.392.293.92.88.584.71.591.691.781.851.871.931.972.012.142.262.342.372.442.48Y10M-431 2. 5 C 112053434599126638320731383087.690.392.54.3257.8260.9765.7669.9973.59Y280S-4757286 5 7934 2 8581 9 9229 6 290327172501225693.92.88.584.763.1665.0667.3468.2576.4578.7581.5182.62Y28M-4901000 4771534925927665068256025012422231587.690.392.293.38.7141.1443.2544.9646.8649.8052.3554.43Y25M-45570841766248240721671991179592.88.584.746.3447.8648.4956.1057.9458.70Y280S-475900 42938481445334858552637586896274166206920301961187317561618145187.690.392.293.92.88.584.728.1730.0631.5132.7533.7835.0135.2934.1036.3838.1539.6440.9042.3942.72Y280S-64512 .80038168427916381587.690.19.8221.0422.1323.9925.4726.79Y225305 C4474252046566736130659269915501481138312751147392.293.92.88.584.723.0123.6524.5224.8027.0628.6329.6830.02M-6710338743798420864619150297544035850912851265122611671089100090287.690.392.293.92.88.584.713.8014.7815.5416.1016.5017.0717.3116.7017.8918.8119.4820.0120.6720.95Y200L2-622 630300573370373444098744634827351917101099196191286379470687.690.392.293.92.88.584.79.6210.2710.8111.1611.6212.0312.0211.7512.4313.0913.5114.0714.5714.55Y180L-615 560 26718087. 6.81 8.24 Y117 2995 6 3319 4 3643 3 3967 1 4291 0 4614 8 4785755726677628559690.392.293.92.88.584.77.237.557.898.108.458.468.759.149.569.8110.2310.24160L-6500 238552674629638325293542138312412046386286085795395045187.690.392.293.92.88.584.74.825.165.435.625.776.016.096.606.256.576.806.987.287.38Y16M-67.5450 21469240712667429276318793441837085251494714414023687.690.392.293.92.88.584.3.543.773.944.114.254.354.414.474.764.985.195.375.495.57Y132M2-65.53 3 7400 19084213972371260232833730653296341240239237334331428487.690.392.293.92.88.584.72.492.652.802.902.943.023.073.143.343.543.663.713.813.88Y132M1-641 6 B 96096052107694119337130980142623154265165908386437763658349132763011271787.690.392.293.92.88.584.7118125132137141146148142151160165171176179Y355M2-6200 80080043897452687262887.690.368738388Y315M1-690994481091501188254024222292.293.92.7679828485929699102103Y315M2-11052 1285 54 1382 57 752089188388.584.76710 7103879649882696871105481114092122703211820692001191217951648148187.690.392.293.92.88.584.74851535557596058616467697172Y315S-675630 6303470675783158595693596101237108877166716281579150114121295116787.690.392.293.92.88.584.73335373940414240434547485050Y28M-655560 5603628226961376401314128512461187.690.392.293.23.324.826.127.128.128.829.328.330.031.632.834.034.935.4Y25M-6375 8319 7 8998 8 9678 0 871118102092292.88.584.7500 50027560916215568219742838034686411049103099195189281473687.690.392.293.92.88.584.716.617.818.519.420.020.520.820.121.522.423.524.224.825.2Y225M-630450 4502450482559396139766854723127776985383480476571665759887.690.392.293.92.88.584.712.212.913.514.014.414.915.314.715.716.417.017.518.018.5Y200L1-618.516 B 400400224487349726676576387.690.392.8.509.079.559.9110.210.211.011.612.012.4Y180L-6154 54575 59426 6427 7 69128 860856952471293.92.88.584.710.510.712.712.9355 355193982544134843552741570466135153525048145141237387.690.392.293.92.88.584.75.966.376.656.957.187.377.507.227.718.058.418.698.929.07Y160L-611315 3151735337391584297846798506185443941240239237335332429487.690.392.293.92.88.584.74.124.384.684.784.995.145.255.25.55.86.06.36.496.62Y16M-67.520 B 710138747155533053287.690.145154162176187197Y35522065 1723 83 1892 00 2060 18 2228 36 2396 54 2731282981279525692324392.293.92.88.584.7168174180183204210217221M-8630 123113138036152959167882182805197728212650259925402462235422072030182487.690.392.293.92.88.584.7101108113118122126127123131137143147151154Y355M2-8160560 109434122699135964149228162493175758189023206020101952185417461599144287.690.392.293.92.88.584.771.475.979.982.685.688.289.386.591.896.7100104107108Y315M3-8110500 97701687.50.7 61.4 Y759 1095 53 1213 96 1332 40 1450 83 1569 27 1687 70 38159915501481139312751147690.392.293.92.88.584.753.856.758.961.062.863.565.268.671.373.876.076.9315M2-82 0 B 450879389859710925711991613057514123415189313241295125511971128103093287.690.392.293.92.88.584.736.939.341.342.844.445.646.444.747.550.051.953.855.256.2Y315S-855 4007816787642971171065921160671255411350104910309919518928147387.690.392.293.92.88.584.26.027.829.030.331.332.132.631.533.635.136.737.838.839.4Y28M-845355 693737778286191946010300911141811982782480478574569664757987.690.392.293.92.88.584.718.119.220.421.121.622.622.721.923.324.725.526.227.427.5Y25M-830315 615576901876488394191402988641063256476386185885495146187.690.392.293.92.88.584.712.613.514.214.715.215.816.115.316.417.217.918.319.219.5Y225M-8122280 547176134967982746148124787875150494614324087.690.392.293.92.88.8.859.4410.0410.2710.5811.0911.2410.7011.4212.1512.4312.8113.4213.61Y200L-815。
4-68型离心风机型号离心风机型号与风量表4-68型离心风机型号|离心风机型号与风量表4-68型离心通风机一、风机的用途:4-68型离心通风机(以下简称风机)可作为一般通风换气。
其使用条件如下:1、应用场所:作为一般工厂及大建筑物的室内通风换气,既可用作输入气体,也可用作输出气体。
2、输送气体的种类:空气和其他不自燃的、对人体无害的、对钢铁材料无腐蚀性的气体。
3、气体内的杂质:气体内不许有粘性物质,所含的尘土及硬质颗粒物不大于150毫克/立方米。
4、气体的温度:不得超过80度。
二、风机的型式:1、本风机制成单吸入,机号有:№2.8、3.15、3.55、4、4.5、5、6.3、8、10、12.5、16、20等十二个机号。
2、每种风机又可制成右旋转或左旋转两种型式,从电动机一端正视,叶轮按顺时针方向旋转,称为右旋转风机,以“右”表示。
按逆时针方向旋转,称为左旋转风机,以“左”表示。
3、风机的出口位置,以机壳的出风口角度表示。
“左”、“右”均可制成0o,45o,如135o,180o,225o共六种角度。
4、风机的传动方式:有A、B、C、D四种,№2.8-5采用A式,以电动机直联传动,风机的叶轮、机壳直接固定在电动机轴和法兰盘上(电动机用D2/T2型);N06.3-12.5采用悬臂支承装置,又分为C 式(皮带传动皮带轮在轴承外侧)和D式(用联轴器联接传动)两种传动方式;№l6、20为B式悬臂支承装置,皮带传动,皮带轮在轴承中间。
三、主要组成部分的结构特征4-68型风机的№2.8-5主要由叶轮、机壳、进风口等部分配直联电动机组成。
№6.3-20除上述部分外还有传动部分。
1、叶轮:由12片后倾翼形叶片焊接于孤锥型的轮盖与平板型的轮盘中间。
均用钢板制造,并经过静动平衡较正,空气性能良好,效率高,运转平稳。
2、机壳:机壳是普通钢板焊接而成的蜗形体,机壳作成两种不同型式,№2.8-12.5机壳作成整体,不能拆开。
离心风机型号————————————————————————————————作者:————————————————————————————————日期:4-72.B4-72.F4-72型离心风机4-72型离心式通风机可输送空气和其他不自燃的、对人体无害的、对钢材无腐蚀性的气体。
气体内不允许有粘性物质,所含尘土及硬质颗粒物不大于150mg/m3。
气体温度不得超过80。
C。
该风机具有良好的气动性能,叶轮、皮带轮均经严格的静、动平衡较正,故运转平衡、振动小、效率高、寿命长等特点。
广泛适用于工矿企业、大型建筑物、宾馆酒楼等室内通风换气排烟。
4-72型有四种转动方式:A式为电机直联传动;B式为皮带轮在两大支撑点中间传动;C式为电机通过轴承箱联轴器传动;D式为电机通过轴承箱联轴器传动。
NO.2.8-6采用A式传动;NO.8-12采用C、D式传动;NO.16-20采用B式传动。
B4-72为防暴型离心式通风机主要由铝叶轮、机壳、进风口等部分与防爆机组成,可作为易燃挥发性气体的通风换气之用,其性能与地基尺寸同于4-72型。
F4-72为防腐性离心式通风机主要有不锈钢(或玻璃钢)材质做成叶轮、机壳、进风口等部分与电机组成,可用于输送腐蚀性气体,其性能与地基尺寸同于4-72。
主要参数The main technical parameters机号(No.)转速(r/min)配用电机(Kw-p)流量(m3/h)全压(Pa)2.5A 2900 0.78-2 805-1677 792-483 2.8A 2900 1.5-2 1131-2356 994-6063.2A 2900 2.2-2 1688-3517 1300-792 1450 1.1-4 884-1958 324-1983.6A 2900 3.0-2 2664-5268 1578-989 1450 1.1-4 1332-2634 393-2474A 2900 5.5-2 4012-7419 2014-1320 1450 1.1-4 2006-3709 501-3294.5A 2900 7.5-2 5712-10562 2554-1673 1450 1.1-4 2856-5281 634-4165A 2900 15-2 7728-15445 3187-2019 1450 2.2-4 3864-7728 790-5026A 1450 4.0-4 6677-13359 1139-724 960 1.5-6 4420-8841 498-3176D 1450 4.0-4 6677-13353 1139-724 960 1.5-6 4420-8841 498-3178D 1450 18.5-4 15826-29344 2032-1490 960 5.5-6 10478-19428 887-651 730 3.0-8 7968-14773 512-37610D 1450 55-4 40441-56605 3202-2532 960 18.5-6 26775-37476 1395-1104 730 7.5-8 20360-27497 805-63712D 960 45-6 46267-64759 2013-1593730 18.5-8 35182-49244 1169-9194-68型离心通风机一、风机的用途:4-68型离心通风机(以下简称风机)可作为一般通风换气。
风机盘管型号参数表讲解风机盘管型号参数表讲解FP系列风机盘管简述FP系列风机盘管主要由风机、盘管、凝结⽔盘、控制和⼿动放⽓阀等组成,具有结构简单、节能、噪⾳低、耗电省及安装维护简便、操作⽅便等优点,是⽬前配合户室空调、中央空调进⾏室内温度及空⽓调节的理想产品。
本公司可提供⽤户多种规格及型式选择,标准⼯况下风量340m3/h~2380m3/h,机组余压0Pa~50Pa;型式有:普通型卧式/⽴式暗装、超薄型卧式/⽴式/明装/暗装、嵌⼊式、扇形吊顶式、⽴柜式、挂壁式等,更多了⼀份⼈性化设计,以完全满⾜⽤户对风量、冷量、风压及安装条件的要求。
特点产品换热器系⽤美国TRIDAN公司的⽣产线制造⽽成,由⽆缝紫铜管串套⾼效双边翻铝⽚,采⽤机械涨管⼯艺,使管⽚结合紧密,传热性能优良,并经过特殊处理,在使⽤过程中,换热器的空⽓阻⼒明显减少,在风速较⼤时,不会产⽣冷凝⽔珠分溅,同时表⾯防腐蚀性能加强,采⽤锻黄铜结构集⽔头,⼤⼤延长了产品的使⽤寿命;电动机采⽤三速低噪⾳专⽤马达,⾼精度封闭轴承,运⾏过程中⽆需加油维护,运转平稳可靠,使⽤寿命长达35000⼩时,电机引出线⽤⾦属软管保护,以免损伤;采⽤⼴⾓蜗壳,⾦属多叶离⼼风轮,动平衡性⾼;凝结⽔盘整体冲压⼀次成型,杜绝滴漏⽔现象,表⾯喷塑防腐处理,经久耐⽤;保温材料采⽤⾼密度聚氨酯,导热系数⼩,耐⽔性能⾼,抗⽼化、阻燃、⽆毒,能保证各地全天候使⽤⽽⽆凝露现象发⽣。
吊装孔配有橡胶减震垫,最⼤限度降低机组噪⾳。
FP系列风机盘管性能参数表注:低静压机组的额定风量是机外余压为0Pa时的值,在不带风⼝和过滤器的余压值为12Pa。
供冷⼯况参数:进⼝空⽓⼲球温度27℃,湿球温度19.5℃,进⽔温度7℃,⽔温差5℃。
供热⼯况参数:进⼝空⽓⼲球温度21℃,进⽔温度60℃,热⽔流量同供冷⼯况。
上述表格中性能参数如有更改,恕不另⾏通知。
FP 系列暗装风机盘管外型及安装尺⼨(请在订货时注明出风及回风形式)吊孔(减震垫)4-9X 18型号规格34WA 51WA 68WA 85WA 102WA 136WA 170WA 204WA 238WA 166514801100865765665565465C(mm) 13651510895795695595495B(mm)13951840124011401040940840A(mm)174011301540169519701只风机电机1只2只2只3只2只4只4只4只1只1只1只1只2只1只2只2只4只略重(kg)181624213527434046FP 系列⽴式暗装风机盘管外型及安装尺⼨冷凝⽔管 3/4"型号规格34LA51LA 68LA 85LA 102LA 136LA 170LA 204LA 238LA 171015251145910810710610510C(mm) 141016501040940840740640A(mm)1540127518402风机(只)12232444111121222净重(kg)201826233829474450电机(只)FP 系列暗装风机盘管风管安装⽰意图回风⼝(检修⼝)侧出风⼝侧出风安装法回风⼝(检修⼝)下出风安装法回风风管及下出风安装法下吹出风⼝回风⼝下吹出风⼝检修⼝CFP 系列超薄型风机盘管特点超薄型豪华风机盘管系吸取国外同类产品之精华,并采纳空调专家和⼯程安装技术⼈员的宝贵意见,精⼼研制⽽成,具有:机体厚度薄(明装仅188mm ),占地⾯积⼩,就位安装⽅便,可任意调节安装⾼度;超静⾳设计,采⽤精⼼研制的铝合⾦贯流风叶,同时采⽤优质吸⾳保温材料,使噪⾳降到最低;采⽤优质注塑⾯板,整体外形设计美观流畅;可内置双盛⽔盘,⽴式、卧式任意选择安装;产品包装采⽤专⽤模具制成塑料泡沫内衬,确保机组在运输中不被损坏。