汽机主再蒸汽系统及旁路系统
- 格式:ppt
- 大小:1.16 MB
- 文档页数:9
4.3 热力系统方案4.3.1 主蒸汽系统主蒸汽系统采用切换母管制,主蒸汽从锅炉过热器出口集箱接出,经电动闸阀一路接至主蒸汽母管,另一路接至汽轮机。
为确保供热的可靠性,主蒸汽母管的一端接减温减压器,通过其向热网管道供汽。
锅炉主蒸汽出口电动闸阀和进入汽轮机自动主汽门前的电动闸阀均设有小旁路,在暖管和暖机时使用。
4.3.2 主给水系统主给水热母管采用切换制系统。
设低压给水母管、高压给水热母管。
给水经低压给水母管分别进入四台给水泵,一台定速泵和一台调速泵为一组,每组给水泵加压后,分别送至两台高加去加热,加热后热水采用切换母管制,一路直接送至锅炉,另一路与高压给水热母管相接。
系统配置四台电动给水泵,二台运行,一台备用。
为防止给水泵在低负荷时产生汽化,另设给水再循环管与再循环母管。
高压加热器设有电动旁路,当高压加热器发生故障时,高加旁路自动开启,系统经由高加旁路直接向省煤器供水。
为保证给减温减压器提供减温水,系统设置了一根减温水母管,分别接自每台电动给水泵出口管道。
4.3.3 回热抽汽系统汽机回热系统,设有二级非调整抽汽及一级调整抽汽,非调整抽汽分别向一台高压加热器和一台除氧器供汽。
在调整抽汽管道上接一路供低压加热器用汽,另一路接至热网母管送至换热站。
为了防止在机组甩负荷时蒸汽倒入汽缸,而使汽轮机超速,以及防止因加热器水位过高而使汽轮机进水,在各级抽汽管道上分别装有抽汽逆止阀和闸阀,并且在调整抽汽管道上加装了抽汽速关阀,以此保证运行安全。
4.3.4 除氧系统为保证锅炉给水除氧可靠性,本工程设置二台150t/h的旋膜式热力除氧器,水箱容积40m3。
可以保证本期工程锅炉给水的除氧。
进入除氧器的汽水管道均采用母管制,两台除氧器之间设置汽、水平衡母管。
进入除氧器前的除盐水管道、加热蒸汽管道、热网疏水管道上均设置自动调节阀。
4.3.5 抽真空系统为保证汽轮机凝汽器运行时的真空度,本工程设置二台射水抽气器(一运一备)一个射水箱和两台射水泵。
汽机旁路系统简介概述汽机旁路系统首先用于欧洲的直流炉中,几乎所有的欧洲国家均使用了高低压汽机旁路系统,包括汽包炉。
高压旁路把来自锅炉过热器的蒸汽排到再热器,低压旁路把来自再热器的蒸汽排到凝汽器,欧洲国家的旁路通常为100%的容量,中国的系统主要容量多选用在40%MCR,并且具有安全保护功能。
为了满足大型汽轮机组启动运行和安全的需要,给机组配置旁路装置和切实可行的控制系统是十分必要的,旁路系统主要有电动和液动两大流派,气动系统主要应用于中小型机组。
旁路系统装置是火电机组重要的辅助设备,旁路系统设备的可靠性对电厂安全和经济运行影响较大,而系统设备的设计、安装、调试对旁路的运行效果有很大的影响。
因此,选择一套启闭及调节特性好的阀门、操作灵活便于维护且可靠性高的执行机构、经济实用且组态灵活型的控制系统从投资性价比的角度来看已是广大用户的共识。
1 旁路系统设计概况1. 功能设置1.1.1旁路系统有启动、溢流和安全三个主要功能(即三用阀功能),此外还有回收工质、暖管、清洗、减少汽阀和叶片侵蚀等功能。
A启动功能:其目的是为改善机组的启动特性而设置的。
可以提高锅炉在启动过程中的燃烧率;使蒸汽温度与汽轮机缸温得到最佳匹配;从而缩短机组启动的时间,减少寿命损耗。
B溢流功能:其目的实际为吸收机、炉之间的不平衡负荷而设置的。
可以排泄机组在负荷瞬变过度过程中的剩余蒸汽;调整稳定蒸汽压力;维持锅炉在不投油情况下的最低稳燃负荷。
C安全功能:取代锅炉安全阀的功能1.1.2采用高、低两极串联的旁路系统设有启动或溢流功能,可以分为如下两类:A以启动功能为旁路设置的主要功能,并附有稳定蒸汽压力,以及在事故工况下的保护功能。
可适应机组冷、热态等各种条件下的启动要求;定压、滑压运行;负荷变化过程的压力调节;保护过热、减少安全阀动作、回收工质等。
B以启动功能为旁路设置的基本功能,并设有溢流功能。
除能满足第A类功能外,还可适应:汽轮机甩负荷维持空负荷运行:汽轮机跳闸实现停机不停炉;电网故障机组带厂用电运行等各种运行方案。
主再热蒸汽及旁路系统流程一、主蒸汽系统流程。
1.1 主蒸汽的产生。
咱们先来说说主蒸汽是咋来的哈。
那是在锅炉里,水经过一系列复杂的加热过程,就像小火慢炖似的,一点点升温、升压。
燃料在炉膛里熊熊燃烧,就像一个大火炉,给水提供热量,水变成蒸汽后,压力和温度不断升高,最后就形成了主蒸汽。
这主蒸汽可不得了,就像一个充满力量的小巨人,憋着一股劲儿呢。
1.2 主蒸汽的输送。
这充满能量的主蒸汽啊,从锅炉出来后,就沿着管道开始它的旅程了。
这管道就像小巨人的专用通道,它得把主蒸汽安全、高效地送到汽轮机那里去。
这一路上啊,管道得保证密封性良好,不能让蒸汽偷偷溜走,要是有泄漏那可就像竹篮打水一场空了,能量都浪费了。
二、再热蒸汽系统流程。
2.1 再热蒸汽的形成原因。
为啥要有再热蒸汽呢?这就像人干活累了需要休息一下再接着干一样。
主蒸汽在汽轮机里做了一部分功之后,压力和温度都降低了,就像一个泄了气的皮球。
但是咱不能让它就这么没劲儿下去啊,所以把它再送回锅炉里重新加热,这就形成了再热蒸汽。
这过程就像是给这个“泄了气的皮球”重新打气,让它又充满活力。
2.2 再热蒸汽的循环过程。
再热蒸汽从锅炉再热器出来后,又雄赳赳气昂昂地奔向汽轮机了。
它再次进入汽轮机,就像一个满血复活的战士,继续在汽轮机里做功。
这个循环过程就像是一个接力赛,主蒸汽先跑一段,再热蒸汽接着跑一段,这样就能充分利用蒸汽的能量,不会造成能源的浪费,这就叫物尽其用嘛。
三、旁路系统流程。
3.1 旁路系统的作用。
旁路系统啊,就像是一个备用的小道。
当汽轮机不需要那么多蒸汽的时候,或者是机组启动、停机的时候,旁路系统就发挥作用了。
它就像一个贴心的小助手,能够调节蒸汽的流量,避免蒸汽在不需要的时候硬往汽轮机里挤,不然就会造成汽轮机的负担过重,就像一个人吃撑了难受一样。
3.2 旁路系统的工作方式。
旁路系统有自己的一套管道和阀门呢。
当需要启动旁路的时候,阀门就像忠诚的卫士一样,按照指令打开或者关闭,让蒸汽按照预定的路线走。
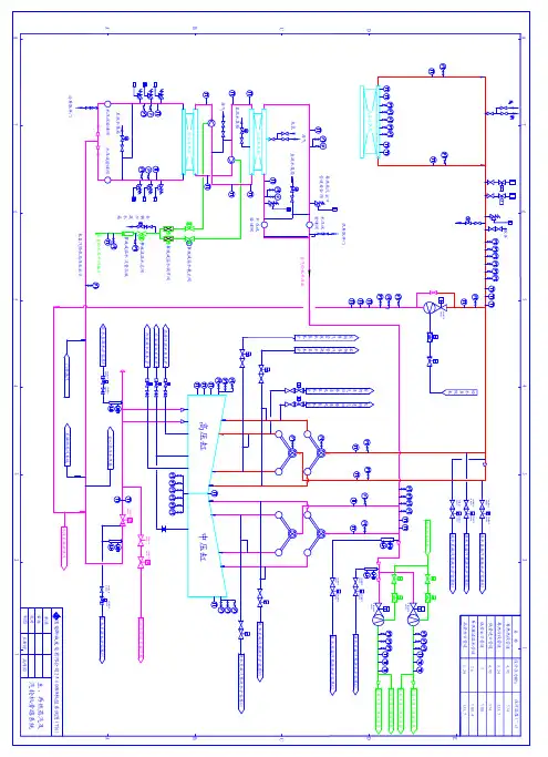
汽轮机热力系统概述第一节主、再热蒸汽及旁路系统本机组主蒸汽及再热蒸汽系统采用单元制、一次中间再热型式。
通常我们将进入高压缸的蒸汽称为主蒸汽;高压缸排汽称为冷再热蒸汽;冷再热蒸汽经锅炉再热器重新加热后进入中压缸的蒸汽称为热再热蒸汽;从主蒸汽管道经高压旁路控制阀至冷再热蒸汽管道称为高压旁路管道;从热再热蒸汽管道经低压旁路控制阀以及喷水减温器后至凝汽器的管道称为低压旁路管道。
一、主蒸汽系统1、主蒸汽管道主蒸汽管道采用A335P91优质合金钢。
最大蒸汽流量为锅炉B-MCR工况时的最大连续蒸发量1025t/h。
设计蒸汽压力18.2Mpa,设计蒸汽温度546℃,主蒸汽管道计算压力降约为0.6556MPa(MCR工况)。
主蒸汽从锅炉过热器出口联箱,由单根管道接出通往汽机房。
至汽机主汽门前分成两根支管,各自接到汽轮机高压缸左右侧主汽及调节汽阀。
然后再由四根高压主汽管导入高压缸。
在高压缸内作功后的蒸汽通过两个高压排汽止回阀,在出口不远处汇合成单根管道进入锅炉再热器。
这种单管系统的优点〈比较双管系统〉是简化管道布置,并能节省管材投资费用,同时,还有利于消除进汽轮机的主蒸汽和热再热蒸汽由于锅炉可能产生的热偏差,以及由于管道阻力不同产生的压力偏差。
两个主汽门出口与汽轮机调速汽门阀壳相接。
主汽门的主要功用是在汽轮机故障或甩负荷情况下迅速切断进入缸内的主蒸汽,汽轮机正常停机时,主汽门也用于切断主蒸汽,调速汽门通过各自蒸汽导管进汽到汽轮机第一级喷嘴。
调速汽门用于调节进入汽轮机的蒸汽流量,以适应机组负荷变化的要求。
由过热器出口至汽轮机主汽门入口的范围内,在主蒸汽管道上依次设有两只电动对空排汽阀、一只高整定压力的弹簧安全阀、一只低整定压力的弹簧安全阀和一个电磁释放阀、水压试验堵阀。
水压试验堵阀的作用是当过热器水压试验时,隔离主蒸汽管道,防止由于主汽门密封不严而造成汽轮机进水。
由主汽主管上沿汽流方向依次接出的管道有:汽机高压旁路接管及启动初期向汽机汽封系统及汽机夹层加热的供汽管。
图 号
图 名 QJ-#5-000
图例 QJ-#5-001
主、再热蒸汽及旁路系统 QJ-#5-002
抽汽系统 QJ-#5-003
凝结水系统 QJ-#5-004
给水系统 QJ-#5-005
汽机轴封及本体疏水系统 QJ-#5-006
辅助蒸汽系统 QJ-#5-007
高加疏水放气系统 QJ-#5-008
低加疏水放气系统 QJ-#5-009
真空系统 QJ-#5-010
原水补给水系统 QJ-#5-011
循环水系统 QJ-#5-012
凝汽器胶球清洗系统 QJ-#5-013
开式冷却水系统 QJ-#5-014
真空泵冷却水、空调冷却水及循环水排污系统QJ-#5-015
闭式冷却水系统 QJ-#5-016
工业水系统 QJ-#5-017
主机润滑油系统 QJ-#5-018 汽机润滑油净化系统
汉川三期#5机组汽机专业系统图目录 图 号 图 名 QJ-#5-019 主机EH 油系统 QJ-#5-020 小机润滑油系统 QJ-#5-021 小机调速保安油系统 QJ-#5-022 小机轴封及本体疏水系统 QJ-#5-023 汽机氮气系统 QJ-#5-024 发电机密封油系统 QJ-#5-025 发电机定子水系统 QJ-#5-026 凝汽器疏水连接系统 QJ-#5-027 空调制冷、加热系统。
主再热蒸汽及旁路系统介绍本机组的主蒸汽系统采用双管一单管-双管布置. 主蒸汽由锅炉过热器出口集箱经两根支管接出,汇流成一根单管通往汽轮机房,在进汽轮机前用一个45°斜三通分为两根管道,分别接至汽轮机高压缸进口的左右侧主汽门。
汽轮机高压缸两侧分别设一个主汽门。
主汽门直接与汽轮机调速汽门蒸汽室相连接.主汽门的主要作用是在汽轮机故障或甩负荷时迅速切断进入汽轮机的主蒸汽。
汽轮机正常停机时,主汽门也用于切断主蒸汽,防止水或主蒸汽管道中其它杂物进入主汽门区域。
一个主汽门对应两个调速汽门。
调速汽门用于调节进入汽轮机的蒸汽流量,以适应机组负荷变化的需要。
汽轮机进口处的自动主汽门具有可靠的严密性,因此主蒸汽管道上不装设电动隔离门。
这样,既减少了主蒸汽管道上的压损,又提高了可靠性,减少了运行维护费用。
在锅炉过热器的出口左右主蒸汽管上各设有一只弹簧安全阀,为过热器提供超压保护.该安全阀的整定值低于屏式过热器入口安全阀,以便超压时过热器出口安全阀的开启先于屏式过热器入口安全阀,保证安全阀动作时有足够的蒸汽通过过热器,防止过热器管束超温。
所有安全阀装有消音器。
在过热器出口主汽管上还装有两只电磁泄压阀,作为过热器超压保护的附加措施.设置电磁泄压阀的目的是为了避免弹簧安全阀过于频繁动作,所以电磁泄压阀的整定值低于弹簧安全阀的动作压力。
运行人员还可以在控制室内对其进行操作。
电磁泄压阀前装设一只隔离阀,以供泄压阀隔离检修。
主蒸汽管道上设有畅通的疏水系统,它有两个作用。
其一是在停机后一段时间内,及时排除管道内的凝结水。
另一个更重要的作用是在机组启动期间使蒸汽迅速流经主蒸汽管道,加快暖管升温,提高启动速度.疏水管的管径应作合适选择,以满足设计的机组启动时间要求。
管径如果太小,会减慢主蒸汽管道的加热速度,延长启动时间,而如果太大,则有可能超过汽轮机的背包式疏水扩容器的承受能力。
本机组的冷再热蒸汽系统也采用双管一单管—双管布置。
第一章汽轮机自启停和旁路控制系统第一节汽轮机自启停系统一、概述汽轮机自启动指汽轮机启动过程中的各步序都自动完成,即从暖阀到日标负荷,包括选择目标转速、升速率、高低速暖机时间、初负荷保持时间、目标负荷、升负荷率等。
汽轮机在启动过程中要测定和控制转子热应力、汽缸及主要阀门的有关温差,使其在允许条件下,以最快速度升速,以缩短启动时间;在给机组加载或减载时,应根据应方是否在允许范围内,决定加裁或减载速率,尽可能地提高机组响应外界负荷的能力,又将汽轮机的寿命消耗控制在正常范围以内;还要控制汽轮机各辅助系统和辅机的运行。
在升速期间,机组升速到第一次保持转速时,一方面进行速度保持,一方面定时计算转子最大应力,直到计算出的结果小于允许应力时便中断保持,将速度升到上一档并保持转速。
在给机组加载或减载时,随着应力的增加,加载率就会自动降低,如果超过了允许应力水平时,就保持负荷,允许应力是可以由操作员选择的,其数值相对于寿命消耗而变化。
高、正常和低的寿命消耗对应的应力限值不一样,当采用较高的应力限值时就意味着选择了较高的寿命消耗。
在启动全过程中,还要监视汽缸及主要阀门的有关温差,如果有任何温差接近其限值,就要开始保持加热量不变或者负荷不变。
因此汽轮机启动和加载/减载是一个极其复杂的测定和控制过程.对于大型再热机组其任务尤为繁重。
汽轮机自启动系统(TAS)又称自动汽轮机控制(A TC),要具有极其复杂的测定、计算和控制功能,一般要通过使用计算机方能实现。
平圩电厂、北仑港电厂的600MW机组汽轮机自启动功能是内汽轮机的DEH系统来实现的;华能上海石洞口二厂600MW超临界机组的自启动系统的功能扩大到整个单元机组的自启动.从锅炉点火前的机、炉辅机的启动、锅炉点火、升温升压、制粉系统(磨煤机组)的投运等,直到带满负荷,均由机组自动管理系统(UAM),即机组自动启动系统发出指令,在操作人员少量干预下自动完成。
例如,磨煤机组启动台数需操作员预先手动设置后自动完成启动。
汽机旁路系统简介概述汽机旁路系统首先用于欧洲的直流炉中,几乎所有的欧洲国家均使用了高低压汽机旁路系统,包括汽包炉。
高压旁路把来自锅炉过热器的蒸汽排到再热器,低压旁路把来自再热器的蒸汽排到凝汽器,欧洲国家的旁路通常为100%的容量,中国的系统主要容量多选用在40%MCR,并且具有安全保护功能。
为了满足大型汽轮机组启动运行和安全的需要,给机组配置旁路装置和切实可行的控制系统是十分必要的,旁路系统主要有电动和液动两大流派,气动系统主要应用于中小型机组。
旁路系统装置是火电机组重要的辅助设备,旁路系统设备的可靠性对电厂安全和经济运行影响较大,而系统设备的设计、安装、调试对旁路的运行效果有很大的影响。
因此,选择一套启闭及调节特性好的阀门、操作灵活便于维护且可靠性高的执行机构、经济实用且组态灵活型的控制系统从投资性价比的角度来看已是广大用户的共识。
1 旁路系统设计概况1.功能设置1.1.1旁路系统有启动、溢流和安全三个主要功能(即三用阀功能),此外还有回收工质、暖管、清洗、减少汽阀和叶片侵蚀等功能。
A启动功能:其目的是为改善机组的启动特性而设置的。
可以提高锅炉在启动过程中的燃烧率;使蒸汽温度与汽轮机缸温得到最佳匹配;从而缩短机组启动的时间,减少寿命损耗。
B溢流功能:其目的实际为吸收机、炉之间的不平衡负荷而设置的。
可以排泄机组在负荷瞬变过度过程中的剩余蒸汽;调整稳定争气压力;维持锅炉在不投油情况下的最低稳燃负荷。
C安全功能:取代锅炉安全阀的功能1.1.2采用高、低两极串联的旁路系统设有启动或溢流功能,可以分为如下两类:A以启动功能为旁路设置的主要功能,并附有稳定蒸汽压力,以及在事故工况下的保护功能。
可适应机组冷、热态等各种条件下的启动要求;定压、滑压运行;负荷变化过程的压力调节;保护过热、减少安全阀动作、回收工质等。
B以启动功能为旁路设置的基本功能,并设有溢流功能。
除能满足第A类功能外,还可适应:汽轮机甩负荷维持空负荷运行:汽轮机跳闸实现停机不停炉;电网故障机组带厂用电运行等各种运行方案。