膨胀螺栓采购技术规格书
- 格式:pdf
- 大小:611.47 KB
- 文档页数:14
DKBA0.480.0145 结构外购件技术要求DKBA0.480.0145 REV.C拉爆膨胀螺栓技术规范主要起草人:许志敏审核人:邓顺庆、赵华松会签人:张斌、汪海清、徐艳丽标准化审核人:洪霓玉批准人:杨四明2011-07-30发布2011-07-30实施华为技术有限公司发布HUAWEI TECHNOLOGIES CO., LTD.Page 1 of 10修订记录1 目的和适用范围1.1 目的结构外购件技术要求是描述公司结构外购件的受控性文件,其作用为:●供应厂商进行产品设计、生产和检验的依据。
●品质部门验货、退货的依据。
●物料部门进行采购的依据。
●对供应厂商产品质量进行技术认证的依据。
●结构设计部门选用结构外购件的依据。
1.2 适用范围本标准规定了华为技术有限公司产品所用镀彩锌拉爆膨胀螺栓的技术要求。
本技术要求适用于镀彩锌拉爆膨胀螺栓的选型、采购与检验。
2 引用的相关标准下列文件中的条款通过本规范的引用而成为本规范的条款。
凡是注日期的引用文件,其随后所有的修改单(不包括勘误的内容)或修订版均不适用于本规范,然而,鼓励根据本规范达成协议的各方研究是否可使用这些文件的最新版本。
凡是不注日期的引用文件,其最新版本适用于本规范。
GB/T 3103.1 紧固件公差螺栓、螺钉和螺母GB/T 1804 一般公差未注公差的线性和角度尺寸的公差GB/T 2828 逐批检查计数抽样程序及抽样表(适应于连续批的检查)DKBA 2332华为采购物料环保规范DKBA04500017 电镀锌质量要求3 项目编码与建模命名3.1 项目编码编码的分类代码:无项目描述:无对内英文描述:无3.2 建模命名NAME:dkba04800145_m12x80(以M12X80规格为例)PCODE:DKBA0.480.0145PNAME:Anchor Bolt M12x80PDESC:zinc plated,yellowPBOM_CODE:无4 功能描述镀彩锌拉爆膨胀螺栓用于室内设备在墙体或水泥基础上安装,适合于A、B类环境下使用。
目 录1. 适用范围适用范围2. 引用文件引用文件3. 分类分类4. 材料材料5. 质量保证质量保证6. 文件提交文件提交1. 适用范围适用范围本技术规格书仅适用于红沿河核电站1号和2号机组主要和次要钢结构膨胀螺栓号机组主要和次要钢结构膨胀螺栓的采购。
的采购。
2.2.引用文件引用文件引用文件---- B.T.S 5.02----《膨胀螺栓》《膨胀螺栓》---- NFA 35-576(81-1081-10)):铁和钢制品、易切割的不锈钢。
铁和钢制品、易切割的不锈钢。
---- NFE 03-001(59-2):ISO 三角型公制螺栓。
三角型公制螺栓。
---- NFE 27-005(69-10):通用螺栓,技术规定,验收,订货,交货。
通用螺栓,技术规定,验收,订货,交货。
---- NFE 27-815(82-7):膨胀螺栓—抗拔试验。
膨胀螺栓—抗拔试验。
3. 分类分类金属膨胀螺栓可按法国标准NFE 27-815分成三类,图1和图2表示了不同种类的表示了不同种类的螺栓及其主要尺寸。
螺栓及其主要尺寸。
3.1 A 类-靠旋拧紧固的螺栓靠旋拧紧固的螺栓旋拧螺杆或螺母以产生膨胀力而使装置紧固。
旋拧螺杆或螺母以产生膨胀力而使装置紧固。
这类螺栓又可分为两种:这类螺栓又可分为两种:---- 衬套式螺栓:衬套式螺栓:A1A1种---- 柱螺栓:柱螺栓:A2A2种A1种—衬套式螺栓种—衬套式螺栓这类螺栓随生产厂家不同又有不同的设计和名称,如下:这类螺栓随生产厂家不同又有不同的设计和名称,如下:---- 正锁螺栓正锁螺栓---- 单膨胀式螺栓单膨胀式螺栓---- 双膨胀式螺栓,等等双膨胀式螺栓,等等这类螺栓既有阳模配合螺杆和螺母,亦有阴模配合螺栓。
其孔洞直径大于螺杆直径。
径。
A2种—柱螺栓种—柱螺栓孔洞直径与螺杆直径相同。
孔洞直径与螺杆直径相同。
B 类—锤打螺杆来安装的衬套式螺栓类—锤打螺杆来安装的衬套式螺栓用特殊工具击打位于衬套内的螺杆及锥形物来得到膨胀力。
钢筋采购工程技术规格书(总3页)-CAL-FENGHAI.-(YICAI)-Company One1-CAL-本页仅作为文档封面,使用请直接删除编制人:审核人:批准人:渤海石油建筑工程有限公司一、工程概述本技术规格书适用于渤海石油建筑工程有限公司工程中所需建筑钢材的采购。
是供应商在建筑钢材供货范围、生产、检验与运输等方面做出的最基本要求。
供应商应按照本规格书中的技术参数及要求,按照相应的标准和规范进行生产、检验,并提供良好的售后服务。
二、标准和规范除满足本技术条件中规定的技术参数和要求外,其余均应遵循最新版本的国家标准(GB)、行业标准(JG)、地方标准(DB)和国际单位制(SI)。
《碳素结构钢》 GB/T 700-2006,《优质碳素结构钢》 GB/T699-1999《热轧型钢》 GB/T706-2008《钢筋混凝土用钢》 GB1499.2-2007《钢筋混凝土用钢》 GB1499.1-2008以上标准均执行最新版本。
三、技术质量要求1、本次工程产品限定以下厂家:邯钢、邢钢、首钢、唐钢(宣钢)、承钢、2672钢厂或其他产品质量、品质不低于以上品牌的合格产品,投标时应对各种型号钢材注明生产厂家。
2、供应商应严格按照国家、部(专业)有关标准和技术要求进行生产和检验,确保钢材级别、强度等级、公称尺寸、屈服强度、抗拉强度、伸长率和冷弯等主要技术指标符合国家及行业标准规定,并且完全符合质量监督部门规定的质量、规格和性能要求。
3、所提供产品必须按照天津市工程质量与安全生产要求的检验项目进行材料复验;即:屈服强度检测、抗拉强度检测、断后伸长检测、弯曲性能检测及重量偏差检测等;复试检测材料应在所供应的材料中随机抽取,材料复试不合格所发生的费用应由材料供应商自行承担。
4、单次供货同一规格产品最多为两个批号,如超过两个批号所发生的材料检测费用由中标供应商承担。
5、所供钢材表面应光滑,不得有裂纹、起皮、结疤和折叠等外观缺陷;弯曲变形应不影响正常使用;端部应剪切正直。
膨胀螺栓相关技术参数膨胀螺栓是一种常用的连接件,具有安装简单、拆卸方便、受力均匀等优点。
下面将介绍膨胀螺栓的一些相关技术参数。
1.材料:膨胀螺栓一般采用碳钢材质,如Q235、45钢等。
在特殊工况下,也可选用不锈钢、合金钢等材质。
2. 直径与长度:膨胀螺栓的直径和长度是根据具体工程要求确定的。
一般情况下,直径范围为M6-M48,长度范围为60-2000mm。
3.膨胀体材料:膨胀螺栓的膨胀体通常由镀锌钢管制成。
膨胀体的直径和长度与螺栓的直径和长度相对应,以保证良好的连接效果。
4.膨胀体长度和外径比:膨胀螺栓的膨胀体长度和外径比是膨胀效果的重要参数。
一般情况下,该比值范围为1.5-3.0。
5.胀销:膨胀螺栓的胀销是通过螺栓内部的槽孔和膨胀体上的扣槽来实现的。
胀销的材质通常为碳钢或不锈钢。
6.螺母材质:膨胀螺栓的螺母通常采用碳钢或不锈钢材质。
螺母的类型有各种不锈钢螺母、六角螺母、尼龙螺母等。
7.预埋套筒:膨胀螺栓的预埋套筒通常由钢板制成,其用途是固定膨胀螺栓。
预埋套筒的直径和长度要与螺栓相匹配。
8.最大承载力:膨胀螺栓的最大承载力是指膨胀螺栓在正常工作状态下能够承受的最大拉力。
最大承载力可根据膨胀螺栓的材质、直径、长度等参数计算得出。
9.安装方式:膨胀螺栓的安装方式可以是静力负载或动力钻孔。
静力负载是指通过手工或机械工具将膨胀螺栓固定在钻孔内,动力钻孔是指通过钻孔机将膨胀螺栓固定在钻孔内。
10.施工方法:膨胀螺栓的施工方法包括钻孔、清洗孔洞、安装螺栓、固定预埋套筒、拉伸螺栓等步骤。
以上就是膨胀螺栓的一些相关技术参数。
膨胀螺栓作为一种重要的连接件,在工程中应用广泛,通过合理选择膨胀螺栓的技术参数,可以在工程中实现稳固的连接。
膨胀螺丝膨胀螺栓国家标准JB/ZQ4763-2006 膨胀螺栓规格表膨胀螺栓执行标准一、膨胀螺丝之固定原理膨胀螺丝之固定乃是利用挈形斜度来促使膨胀产生摩擦握裹力,达到锚定效果。
二、膨胀螺丝之埋入深度一般膨胀螺丝之埋入深度以其固定用螺栓径之 4 倍为计算基准,当然埋入越深其所能承受之拉力、剪力也越大,但因厂家设计时需要考虑因素含材质及锚定等问题。
三、膨胀螺丝使用之参考依据(一)混凝土之强度(二)固定螺丝之强度(依材质计算之)(三)膨胀螺丝之强度(厂家设计)四、膨胀螺丝的强度膨胀螺丝的强度测试,以往均以油压器加压,在拉出膨胀螺丝的最大力量为其抗拉强度,这种测试方法的缺点就是未能测知螺丝离开水泥的变位情况,也就是说,我们无法知道膨胀本身材料的弹性应力是在几牛顿之内,因此新型的测试仪器,是把拉力与变位以坐标图画出,Y 轴为拉力,X 轴为变位(如图)当拉力上升时,变位随之增大,直到水泥破裂或膨胀螺丝,拔出或拉断。
此一曲线的最高点,即为极限抗拉力,另外当拉力上升到某一点,如去除拉力后,变位仍能回到原处者,这一点正是膨胀螺丝本身材料的降伏点,也正是我们设计上所要的比例荷重。
拉爆螺丝常用膨胀螺丝的变位曲线,约可分为 5 钟。
1、化学锚栓,SB 高拉力膨胀螺丝 2、NC 型锤钉式.H 型.DR 型 3、SH 型套管式 SHF 型 4、尼龙套 5、木塞五、安全率之采用一般安全采用方向有二:(一)极限强度法:此法乃是将膨胀打入混凝土内拉出,以其破坏点为基准,再以 4-5 倍之安全率为可用强度。
此法于国外之采用已有数十年之历史。
(二)比例强度法:此法测试方法用(一),但重点为求出变形点(即为比例荷重),以此为采用基准,再考虑以安全率 2 倍为可用强度,因其可为路德线(Luder' s Line) '观知“应力一应变”情形,故较为精确及便捷,但因其欲求出变点(比例荷重),较极限强度法复难,且须使用而较精准之仪器,故一般为研究上采用,此法亦符合 ASTME488-88 规定。
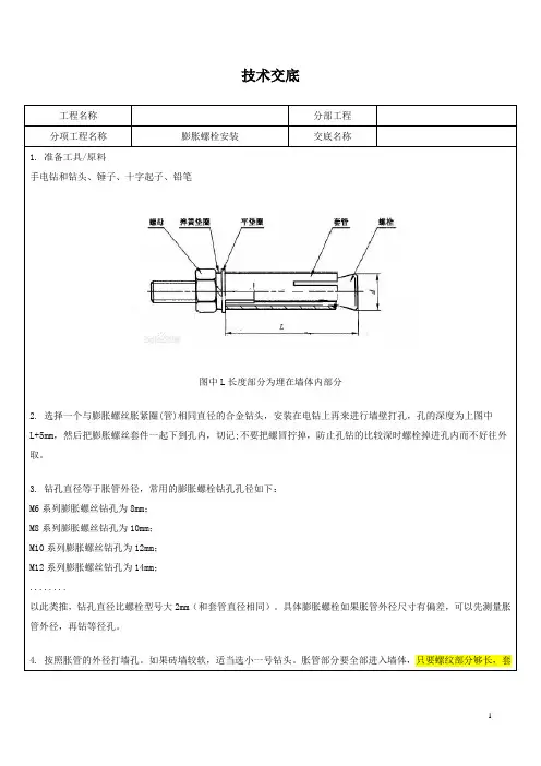
技术交底
工程名称分部工程
分项工程名称膨胀螺栓安装交底名称
1.准备工具/原料
手电钻和钻头、锤子、十字起子、铅笔
图中L长度部分为埋在墙体内部分
2.选择一个与膨胀螺丝胀紧圈(管)相同直径的合金钻头,安装在电钻上再来进行墙壁打孔,孔的深度为上图中
L+5mm,然后把膨胀螺丝套件一起下到孔内,切记;不要把螺冒拧掉,防止孔钻的比较深时螺栓掉进孔内而不好往外取。
3.钻孔直径等于胀管外径,常用的膨胀螺栓钻孔孔径如下:
M6系列膨胀螺丝钻孔为8mm;
M8系列膨胀螺丝钻孔为10mm;
M10系列膨胀螺丝钻孔为12mm;
M12系列膨胀螺丝钻孔为14mm;
........
以此类推,钻孔直径比螺栓型号大2mm(和套管直径相同)。
具体膨胀螺栓如果胀管外径尺寸有偏差,可以先测量胀管外径,再钻等径孔。
4.按照胀管的外径打墙孔。
如果砖墙较软,适当选小一号钻头。
胀管部分要全部进入墙体,只要螺纹部分够长,套
7.安装在混凝土中(C13-15)的受力强度是在砖体中的五倍。
8.膨胀螺栓安装在150号及以上强度混凝土中,允许受力(此表格仅看受力,不要看前面钻孔):
9.膨胀螺栓安装在砖体上,允许受力:
交底人签名:被交底人签名:。
膨胀螺丝购销合同范本甲方(购货方):名称:______________________法定代表人:________________地址:____________________联系电话:________________乙方(供货方):名称:______________________法定代表人:________________地址:____________________联系电话:________________一、产品名称、规格、数量、单价及总价产品名称规格数量单价总价膨胀螺丝 [具体规格] [具体数量] [具体单价] [具体总价]二、质量标准1. 乙方所提供的膨胀螺丝应符合国家相关标准及行业标准,确保产品质量合格。
2. 产品的材质、规格、型号等应符合甲方的要求及双方确认的样品标准。
三、交货时间、地点及方式1. 交货时间:乙方应在______年______月______日前将货物交付至甲方指定地点。
2. 交货地点:甲方指定的地点(详细地址:____________________)。
3. 交货方式:乙方负责将货物运输至交货地点,并承担运输费用及风险。
货物到达交货地点后,甲方应及时进行验收。
四、付款方式1. 甲方在签订本合同后______个工作日内,向乙方支付合同总价款的______%作为预付款,即人民币(大写):________________元整(小写:¥__________元)。
2. 乙方将货物交付至甲方指定地点并经甲方验收合格后______个工作日内,甲方支付合同总价款的______%,即人民币(大写):________________元整(小写:¥__________元)。
3. 剩余合同总价款的______%作为质量保证金,在质保期届满后无质量问题的情况下,甲方在______个工作日内无息支付给乙方。
五、验收1. 甲方应在货物到达交货地点后______个工作日内进行验收。
如甲方在验收过程中发现产品存在质量问题或数量不符,应及时通知乙方,乙方应在______个工作日内予以解决。
膨胀螺丝购销合同范本甲方(卖方):____________________法定代表人:____________________地址:____________________联系电话:____________________乙方(买方):____________________法定代表人:____________________地址:____________________联系电话:____________________一、产品明细产品名称:膨胀螺丝规格型号:__________数量:__________单价:__________总价:__________二、质量标准甲方所提供的膨胀螺丝应符合国家相关质量标准。
三、交货地点及时间交货地点:____________________交货时间:__________四、运输方式及费用承担运输方式:__________运输费用承担:__________五、付款方式乙方应在______(具体时间)前支付货款的______%作为预付款,剩余款项在货物验收合格后______日内付清。
六、验收标准及方法乙方应在收到货物后及时进行验收,如发现质量问题应在______日内提出,双方共同协商解决办法。
七、违约责任1. 若甲方未能按时交货,每逾期一天,应按照合同总价的______%向乙方支付违约金。
2. 若乙方未能按时付款,每逾期一天,应按照未付金额的______%向甲方支付违约金。
八、争议解决本合同在履行过程中发生的争议,由双方协商解决;协商不成的,任何一方均可向有管辖权的人民法院提起诉讼。
九、其他条款1. 本合同自双方签字(盖章)之日起生效。
2. 本合同一式两份,双方各执一份,具有同等法律效力。
甲方(盖章):____________________法定代表人(签字):____________________签订日期:______年______月______日乙方(盖章):____________________法定代表人(签字):____________________签订日期:______年______月______日。
膨胀螺丝购销合同范本甲方(需方):_______________________法定代表人:_______________________地址:_______________________联系方式:_______________________乙方(供方):_______________________法定代表人:_______________________地址:_______________________联系方式:_______________________一、产品名称、规格、数量及价格产品名称:膨胀螺丝规格:[具体规格]数量:[具体数量]单价:[具体价格]总价:[总价]二、质量标准乙方所提供的膨胀螺丝应符合国家相关标准及甲方的质量要求。
三、交货地点及时间交货地点:[具体交货地点]交货时间:[具体交货时间]四、付款方式甲方应在收到货物并验收合格后的[具体天数]日内支付货款。
五、包装及运输乙方负责产品的包装及运输,确保产品在运输过程中不受损坏。
六、验收甲方应在收到货物后的[具体天数]日内进行验收,如发现质量问题应及时通知乙方,乙方应负责更换或退货。
七、违约责任1. 若甲方未能按时支付货款,每逾期一天,应按照未支付货款的[百分比]向乙方支付违约金。
2. 若乙方未能按时交货,每逾期一天,应按照货款的[百分比]向甲方支付违约金。
3. 若乙方所提供的产品质量不符合要求,甲方有权要求乙方更换或退货,并由乙方承担由此产生的一切费用。
八、争议解决本合同在履行过程中如发生争议,双方应友好协商解决;协商不成的,可向有管辖权的人民法院提起诉讼。
九、其他条款1. 本合同自双方签字(盖章)之日起生效。
2. 本合同一式两份,双方各执一份,具有同等法律效力。
甲方(需方):_______________________(盖章)法定代表人或授权代表(签字):_______________________签订日期:______年____月____日乙方(供方):_______________________(盖章)法定代表人或授权代表(签字):_______________________签订日期:______年____月____日。
膨胀螺丝购销合同范本甲方(卖方):__________法定代表人:__________地址:__________联系方式:__________乙方(买方):__________法定代表人:__________地址:__________联系方式:__________一、产品明细产品名称:膨胀螺丝规格型号:__________数量:__________单价:__________总价:__________二、质量标准甲方保证所供应的膨胀螺丝符合国家相关质量标准和行业标准。
三、交货时间及地点交货时间:______年____月____日交货地点:乙方指定地点四、运输方式及费用承担运输方式:由______方负责运输。
费用承担:运输费用由______方承担。
五、付款方式乙方应在收到货物后的______天内,通过______(如现金、转账等)方式向甲方支付全部货款。
六、验收标准及方法乙方应在收到货物后及时进行验收,如发现质量问题应在______天内提出,甲方应负责处理。
验收方法按照国家相关标准执行。
七、违约责任1. 若甲方未能按时交货,每逾期一天,应按照货款的______%向乙方支付违约金。
2. 若乙方未能按时支付货款,每逾期一天,应按照未付货款的______%向甲方支付违约金。
八、争议解决如双方在履行本合同过程中发生争议,应友好协商解决;协商不成的,任何一方均可向有管辖权的人民法院提起诉讼。
九、其他条款1. 本合同自双方签字(盖章)之日起生效。
2. 本合同一式两份,双方各执一份,具有同等法律效力。
甲方(盖章):__________法定代表人(签字):__________签订日期:______年____月____日乙方(盖章):__________法定代表人(签字):__________签订日期:______年____月____日。
膨胀螺丝购销合同范本甲方(购货方):名称:______________________法定代表人:________________地址:____________________联系电话:________________乙方(供货方):名称:______________________法定代表人:________________地址:____________________联系电话:________________一、产品名称、规格、数量及价格产品名称规格数量单价(元)总价(元)膨胀螺丝 [具体规格 1] [数量 1] [单价 1] [总价 1]膨胀螺丝 [具体规格 2] [数量 2] [单价 2] [总价 2]总价款:人民币(大写)________________元整(小写:¥______元)上述价格包含产品的运输、包装、税费等一切费用。
二、质量标准1. 符合国家相关标准及行业规范。
三、交货地点及时间1. 交货地点:甲方指定的地点(____________________)2. 交货时间:______年______月______日前交付。
四、付款方式1. 甲方在签订本合同后的______个工作日内,向乙方支付合同总价款的______%作为预付款,即人民币(大写)________________元整(小写:¥______元)2. 乙方将货物交付至指定地点,经甲方验收合格后的______个工作日内,甲方支付合同总价款的______%,即人民币(大写)________________元整(小写:¥______元)3. 剩余合同总价款的______%作为质量保证金,在质保期届满后无质量问题的情况下,甲方在______个工作日内支付给乙方。
五、包装及运输1. 乙方负责产品的包装,确保产品在运输过程中不受损坏。
2. 运输方式由乙方选择,运输费用由乙方承担。
六、验收1. 甲方应在收到货物后的______个工作日内进行验收。
膨胀螺丝购销合同范本合同编号:_________________甲方(卖方):_________________法定代表人:_________________地址:_________________联系方式:_________________乙方(买方):_________________法定代表人:_________________地址:_________________联系方式:_________________一、产品名称、规格、数量及价格产品名称:膨胀螺丝规格:[具体规格]数量:[具体数量]单价:[具体价格]总价:[总价]二、质量标准甲方所提供的膨胀螺丝应符合国家相关标准及乙方的要求。
三、交货地点及时间交货地点:[具体交货地点]交货时间:[具体交货时间]四、付款方式乙方应在签订本合同后的[具体天数]日内支付货款的[具体比例]作为定金;在甲方交货后,乙方应在[具体天数]日内支付剩余货款。
五、验收乙方应在收到货物后的[具体天数]日内进行验收。
如乙方在验收过程中发现货物存在质量问题,应及时通知甲方,甲方应负责解决。
六、违约责任1. 若甲方未能按时交货,每逾期一天,应按货款的[具体比例]向乙方支付违约金。
2. 若乙方未能按时付款,每逾期一天,应按货款的[具体比例]向甲方支付违约金。
3. 若双方违反本合同的其他约定,应承担相应的违约责任。
七、争议解决本合同在履行过程中如发生争议,双方应友好协商解决;协商不成的,任何一方均可向有管辖权的人民法院提起诉讼。
八、其他条款1. 本合同自双方签字(或盖章)之日起生效。
2. 本合同一式两份,双方各执一份,具有同等法律效力。
3. 本合同未尽事宜,可由双方另行签订补充协议。
补充协议与本合同具有同等法律效力。
甲方(卖方):_________________(盖章)法定代表人或授权代表(签字):_________________签订日期:______年____月____日乙方(买方):_________________(盖章)法定代表人或授权代表(签字):_________________签订日期:______年____月____日。
膨胀螺栓规格重量表
膨胀螺栓是一种常用的紧固件,常用于钢结构、混凝土结构、桥梁等工程中。
它的主要功能是通过膨胀力而紧固连接件和基材,确保结构的安全可靠。
膨胀螺栓的规格重量表是一种常见的查询工具,用于确定不同规格的膨胀螺栓的尺寸和重量。
通过规格重量表,用户可以快速找到所需膨胀螺栓的相关规格和重量信息,从而更好地选择合适的螺栓,确保工程的质量和安全性。
膨胀螺栓的规格一般包括螺栓的直径、长度、螺纹数目、螺纹长度等。
重量表则是指不同规格膨胀螺栓的重量信息,通常以公制单位(如克或千克)来表示。
在膨胀螺栓的规格重量表中,通常会列出不同直径和长度的螺栓的重量。
同时,还会标注出螺栓所适用的基材和相关的技术参数。
这样,用户可以根据具体的工程需求,在规格重量表中查找到符合要求的膨胀螺栓规格,并了解其重量,从而做出合理的选择。
需要注意的是,膨胀螺栓规格重量表中的数据可能会因不同的生产厂家、标准和材料而有所差异。
因此,在使用规格重量表时,用户应该选择可靠的数据来源,并结合实际需求进行判断和选择。
综上所述,膨胀螺栓规格重量表是一种重要的工程查询工具,可以帮助用户快速准确地获取膨胀螺栓的规格和重量信息。
通过合理选择膨胀螺栓规格,确保工程的质量和安全性。
M12膨胀螺栓质量尺寸及强制性要求
重要说明:1.外幕墙使用的膨胀螺栓按《JGJ133-2001金属与石材幕墙工程技术规范》附录C的要求,其植入结构混凝土内深度不应少于110mm,从现场取样的M12膨胀螺栓总长度为110mm,与上列《JB/ZQ4763-2006膨胀螺栓》标准尺寸不相符。
2.需要说明的是,按《GB50367-2006混凝土结构加固设计规范》、《JGJ145-2004混凝土结构后锚固技术规程》相关要求,外墙连接主体结构锚点固定是严禁使用膨胀螺栓的;退一万步讲,就算设计图中采用了膨胀螺栓,材料的质量和尺寸必须符合《JB/ZQ4763-2006膨胀螺栓》标准的要求。
3.膨胀螺栓出厂检验报告、合格证、使用说明书和技术条款要求的相关资料是否齐全。
规范强制性要求
《JGJ145-2004混凝土结构后锚固技术规程》“4.1.3膨胀型锚栓和扩孔型锚栓不得用于受拉、边缘受剪(c<10hef)、拉剪复合受力的结构构件及生命线工程非结构构件的后锚固连接”。
条文说明,“膨胀型锚栓由于定型较为粗短,埋深一般较浅,受力时主要表现为混凝土基材受拉破坏,属脆性破坏。
因此,按我国《建筑结构可靠度设计统一标准》精神;不适用于受拉、边缘受剪(c<10hef)、拉剪复合受力之结构构件及生命线工程非结构构件的后锚固连接”。
《GB50367-2006混凝土结构加固设计规范》条文说明,“13.1.4膨胀锚栓在承重结构中应用不断出现危及安全的问题己是多年来有目共睹的事实。
因此,以本规范也作出了相应的强制性规定”。