产品设计的要求
- 格式:docx
- 大小:11.69 KB
- 文档页数:4
产品设计任职要求1. 背景介绍在当今竞争激烈的市场中,产品设计在企业的成功中起着至关重要的作用。
产品设计是指通过研究、分析和创造,将产品从概念转化为实际可行的产品。
一个优秀的产品设计师需要具备多个方面的能力和素质,才能在产品设计领域脱颖而出。
本文将从不同角度详细探讨产品设计任职要求。
2. 知识和技能要求2.1 产品知识•对不同类型的产品有深入的了解,包括消费品、工业品、软件等。
•熟悉产品的生命周期和市场趋势,能够预测产品未来的发展方向。
•掌握产品设计的基本原理和方法,如用户研究、创新思维等。
2.2 创造力和创新能力•具备创造力,能够提出独特而前瞻性的设计理念。
•拥有创新能力,能够将新颖的创意转化为实际可行的产品。
•能够不断跟进市场变化,及时调整设计思路,保持创新。
2.3 设计软件和工具•熟练使用产品设计相关软件和工具,如Adobe设计套件、Sketch、CAD等。
•能够根据项目需求选择合适的软件和工具,并灵活运用。
2.4 团队合作和沟通能力•具备良好的团队合作意识,能够与其他职能团队密切协作,共同推进项目。
•能够清晰表达自己的设计理念和意图,与团队成员有效沟通。
•乐于接受他人的反馈和建议,能够积极适应团队的意见。
3. 经验和素质要求3.1 项目经验•在产品设计领域拥有一定的实际项目经验,能够独立处理项目中的各个环节。
•了解产品设计的工作流程和常见问题,并能够有效解决。
3.2 用户研究•具备用户研究的经验,能够深入了解用户需求和偏好。
•能够通过调研和用户反馈改进产品设计,提高产品的用户体验。
3.3 专业知识和学术背景•有相关的专业知识和学术背景,如工业设计、人机交互等。
•持续学习和关注产品设计领域的最新发展,保持专业前沿。
3.4 解决问题的能力•面对产品设计过程中的挑战和问题,能够快速找到解决方案。
•具备分析问题和判断问题根源的能力,能够提供有效且可行的解决方案。
4. 总结•优秀的产品设计师需要具备丰富的产品知识和创新能力,能够将独特的设计理念转化为实际可行的产品。
产品设计工程师任职要求产品设计工程师是一个非常重要且具有挑战性的职位,要求候选人具备一定的技术和设计能力,同时需要具备良好的沟通和协调能力。
以下是产品设计工程师的一些基本要求。
一、技术能力要求1.具备较为扎实的工程学基础知识,包括机械、电子、材料等方面的知识,能够理解和应用相关原理。
2.熟悉CAD、CAM等设计软件,能够使用计算机辅助设计工具进行产品设计和模拟分析。
3.了解产品制造和工艺流程,能够根据产品的设计要求进行制造和工艺的选择。
4.对产品的安全性和可靠性具有较高的要求,能够制定相关测试方案和标准,保证产品的质量和性能。
二、设计能力要求1.具备较高的创新能力和设计思维,能够从用户的角度出发,提出切实可行的产品设计方案。
2.善于分析和解决问题,能够梳理和解决设计过程中遇到的各种技术和工艺问题。
3.具备良好的美学意识和设计感,能够将产品的外观和功能有机结合,使产品更具吸引力和使用价值。
4.熟悉人机工程学等相关标准和规范,能够设计出符合人体工程学和人体力学原理的产品。
三、沟通和协调能力要求1.具备较好的沟通能力,能够与用户、市场部门以及供应链等多个相关部门进行良好的沟通和协调。
2.能够有效处理各方的需求和冲突,并能够在技术和商业之间进行平衡,找到最优解决方案。
3.具备团队合作精神,能够与团队成员和其他相关部门进行良好的合作,完成产品设计和开发任务。
四、学习和创新能力要求1.具备较强的学习能力,能够不断跟进新技术、新材料和新工艺的发展,为产品设计和开发提供创新的思路和方法。
2.积极参加技术培训和学术交流,保持对行业前沿的了解,提高自身的专业水平和竞争力。
3.具备较强的问题解决能力,能够在设计和开发过程中灵活应对各种技术和工艺问题,找到合理的解决方案。
综上所述,产品设计工程师是一个既需要具备技术和设计能力,又需要具备沟通和协调能力的职位。
只有具备扎实的工程学基础知识,熟悉CAD、CAM等设计软件,具备较高的创新能力和设计思维,具备良好的沟通和协调能力,具备较强的学习和创新能力,才能够胜任产品设计工程师的工作。
产品设计师岗位要求产品设计师是一个关键的职位,他们在产品的开发阶段发挥着重要的作用。
一个优秀的产品设计师不仅需要具备创造力和审美眼光,还需要具备一系列的技能和能力。
本文将探讨产品设计师岗位的要求以及他们需要具备的相关技能。
一、专业知识和技能1.1 扎实的设计基础知识产品设计师需要掌握基本的设计理论和原则,包括色彩搭配、构图布局、比例和尺寸等方面的基础知识。
他们还需了解不同设计风格的特点,能够根据具体需求选择合适的风格。
1.2 熟悉行业趋势和市场需求优秀的产品设计师需要保持对行业趋势和市场需求的敏感性,了解当前最新的设计潮流和消费者的需求变化。
他们应该经常关注行业动态,紧跟市场变化,以便更好地满足用户需求。
1.3 掌握相关工具和软件产品设计师需要熟练掌握设计软件,如Adobe系列软件、Sketch、Axure等,能够高效地运用这些工具进行设计和原型制作。
他们应该熟悉这些软件的各种功能和操作,以提高工作效率。
二、创造力和审美眼光2.1 创造力作为产品设计师,创造力是非常重要的。
他们需要能够从空白的画布上构思出独特并且实用的设计方案。
创造力不仅仅是在图形和色彩上,还包括解决问题的能力和创新思维。
2.2 审美眼光优秀的产品设计师应该具备良好的审美眼光,能够辨别出美与不美之间的差异。
他们需要对色彩、形状、比例等设计要素有敏锐的感知力,并且能够将这些要素组合起来,创造出美观的产品设计。
三、沟通和团队合作能力3.1 良好的沟通能力产品设计师需要与项目经理、开发人员和用户进行有效的沟通和合作。
他们需要能够准确地理解并满足用户需求,同时能够向团队成员清晰地传达设计理念和思路。
3.2 团队合作精神在产品开发过程中,产品设计师需要与其他团队成员密切合作,如工程师、市场人员等。
他们应该能够融入团队,善于倾听和接受不同观点,并能够与团队成员有效协作,共同推动项目的进展。
四、问题解决和时间管理能力4.1 问题解决能力产品设计师需要具备解决问题的能力,能够在面对挑战和困难时迅速找出解决方案。
产品结构设计要求1.功能性要求功能性要求指产品应满足用户的各种功能需求。
在产品结构设计中,需要对产品的各个功能进行细分和分析,确保产品结构可以支持和实现这些功能。
同时,还需考虑各个功能之间的协调和一致性,避免冲突和混乱。
2.性能要求性能要求指产品在使用中需要满足的性能指标,如速度、精度、可靠性等。
在产品结构设计中,需考虑如何优化产品结构,以提高产品的性能。
这包括选用合适的材料和工艺,合理设置各个组件的尺寸和比例,以及考虑产品的工作环境和使用条件,以确保产品的性能要求得以满足。
3.结构强度和稳定性结构强度和稳定性是产品结构设计的重要考虑因素。
产品的结构应能够承受预定的工作负荷,并保持稳定的工作状态,避免因承载能力不足或结构失稳而导致事故或故障。
在产品结构设计中,需要合理选择材料、增加结构强度,并通过分析和测试来验证产品的结构强度和稳定性。
4.可制造性和可维修性可制造性要求产品结构设计能够满足制造过程的要求,如能否合理加工和装配、是否需要特殊的设备和工艺等。
同时,产品结构设计还应考虑产品的可维修性,即产品是否容易进行维修和保养。
合理的产品结构设计可以降低制造成本和维修成本,并提高产品的可靠性和可持续性。
5.节能和环保节能和环保是现代产品设计的重要指导原则之一、在产品结构设计中,需要考虑如何降低产品的能耗和环境污染,如采用节能材料、提高能源利用率等。
产品结构设计还应遵循环保原则,在材料选择、制造过程和产品使用中减少对环境的影响。
6.人性化设计人性化设计是指产品结构设计要考虑用户的使用习惯、人体工程学要求和用户体验。
产品结构设计应遵循人性化原则,使产品的使用更加方便、舒适和安全。
在产品结构设计中,需要关注产品的人机界面、操作方式、外观设计等,以提高产品的可用性和用户满意度。
以上是产品结构设计要求的一些基本要点,每个具体的产品都会有不同的设计要求,需要根据具体情况进行进一步分析和设计。
产品结构设计要求是一个综合性的考虑,需要在满足功能要求、性能要求、制造要求、环保要求等多个方面进行权衡和取舍,以实现一个符合用户需求、可持续发展和经济效益的产品设计。
产品设计标准化综合要求
1. 产品设计得有一致性呀!就像士兵排队一样整齐,不能今天这样明天那样。
比如说手机的按键布局,总不能每款都随意变吧?
2. 实用性那可是超级重要的!这不就和鞋子合不合脚一样嘛。
一个产品如果不实用,难道是摆着好看的呀?比如那些复杂难用的电器,谁会喜欢呢?
3. 美观性也不能丢啊!产品就像是人的脸,得让人看着舒服喜欢。
像那些设计精美的杯子,就是让人爱不释手啊!
4. 易操作性得有保障!不能让人觉得像走迷宫一样难。
就好比遥控器,要简单易上手才行,不然怎么用啊?
5. 安全性绝对是底线啊!这就好像开车要系安全带一样重要。
要是产品有安全隐患,那可不得了,谁还敢用呀?比如电器的漏电保护就得做好。
6. 成本控制也得考虑呀!不能不管不顾乱花钱。
就像过日子要算计着花钱一样,得把钱花在刀刃上。
不然怎么能有性价比呢?
7. 创新性可不能少!产品得有点与众不同的地方啊。
就像在一群人中,那个有独特气质的人总会吸引人注意一样。
比如一些新功能的加入,会让人眼前一亮呢!
总之,产品设计标准化综合要求真的很重要啊!只有把这些都做好了,产品才能真正受欢迎,才能在市场上立足呀!。
工业产品设计的基本要求包括以下几个方面:
1. 功能性:工业产品设计首先要满足其预期的功能需求。
产品设计师需要了解用户的需求,并将其转化为产品的功能要求。
产品的功能性要求包括产品的基本功能、性能指标、使用便捷性等。
2. 可靠性:工业产品设计需要考虑产品的可靠性,即产品在使用过程中的稳定性和持久性。
产品设计师需要选择合适的材料和制造工艺,以确保产品的可靠性和耐用性。
3. 可维护性:工业产品设计需要考虑产品的可维护性,即产品在出现故障时的维修和保养的便捷性。
产品设计师需要设计易于拆卸和更换的零部件,以方便维修和保养。
4. 安全性:工业产品设计需要考虑产品的安全性,即产品在使用过程中对用户和环境的安全保障。
产品设计师需要遵守相关的安全标准和法规,设计安全可靠的产品。
5. 美观性:工业产品设计需要考虑产品的外观美观性,即产品的外观设计和造型。
产品设计师需要考虑产品的整体形象和品牌形象,设计出符合市场需求和用户喜好的外观。
6. 可持续性:工业产品设计需要考虑产品的可持续性,即产品在整个生命周期中对环境的影响。
产品设计师需要选择环保材料和制造工艺,设计可回收和可再利用的产品。
综上所述,工业产品设计的基本要求包括功能性、可靠性、可维护性、安全性、美观性和可持续性。
产品设计师需要综合考虑这些要求,设计出满足用户需求和市场需求的优秀产品。
产品设计方案的格式有哪些要求产品设计方案的格式有哪些要求作为一名职业策划师,产品设计方案的制定是我们日常工作中非常重要的一环。
一个好的产品设计方案可以为我们的企业或客户带来无限商机,但是要想制定出一份优秀的产品设计方案,必须要遵循一定的格式要求。
本文将从六个方面详细介绍产品设计方案的格式要求。
一、封面设计作为产品设计方案的最前沿,封面设计是展示我们企业或客户品牌形象的重要一环。
封面要求简洁明了、色彩搭配得当,同时要突出主题,让读者能够一眼看出这份产品设计方案的主要内容。
在封面设计时,我们可以根据不同的产品类型选择不同的设计元素。
比如,对于一款高端电子产品设计方案,我们可以采用简洁的黑白配色和现代感十足的字体;而对于一份家居产品设计方案,则可以使用温馨舒适的色彩和柔和的字体。
二、产品概述产品概述是产品设计方案中不可或缺的一部分。
在产品概述中,我们需要详细阐述产品的功能、优势、定位等内容,让读者能够对产品有一个基本的认识。
在编写产品概述时,我们需要注意以下几点:一是要简短明了,不要过于冗长,以免影响读者的阅读体验;二是要突出产品的核心优势,让读者能够清晰地了解这款产品的独特之处;三是要注重语言表达的准确性和流畅性,避免语病和错别字的出现。
三、市场分析市场分析是产品设计方案编写过程中的一个重要环节。
在市场分析中,我们需要对当前市场的竞争情况、消费者需求、行业趋势等进行全面的调研和分析,以便为产品定位和推广提供有力支持。
在编写市场分析部分时,我们需要考虑以下几个方面:一是要收集尽可能多的市场数据,包括市场规模、竞争对手、消费者需求等,以便做出更为准确的分析和预测;二是要注重数据的可信度和准确性,避免数据造假或误导读者;三是要结合实际情况,针对性地分析市场状况,提出合理的建议和策略。
四、产品设计产品设计是产品设计方案的核心部分。
在产品设计中,我们需要详细介绍产品的外观设计、功能设计、材料选用等方面的内容,以便读者能够全面了解产品的设计思路和特点。
产品设计的基本要求一个产品,只有在技术性能、经济指标、整体造型、操作使用和可维修性等方面能够做到统筹兼顾、协调一致,这样的设计才是合理的,才会受到用户的欢迎。
因此,如何拟定机械设计的要求,是产品设计中一个重要的前提。
1. 拟定设计要求的原则与方法▲设计要求拟定的一般原则是:详细而明确,合理而先进。
详细就是尽可能列出全部设计要求,编制出一份设计要求明细表;明确就是对设计要求尽可能定量化。
合理就是对设计要求的提出要适度、要实事求是;先进就是与国内外同类产品相比,产品在功能或技术性能、经济指标方面具有一定的领先优势。
设计要求定量化方法,视具体产品的情况而定。
有些产品可依据国际标准、国家标准或专业标准来确定;有些可通过直接计算而得;有些可通过统计法、类比法、估算法、试验法等来确定。
2. 设计要求设计要求可分为主要要求和次要要求。
主要要求是指直接关系到产品的功能、性能、技术经济指标的那些要求,次要要求是指间接关系到产品质量的那些要求。
(1)主要要求▲功能要求:即产品的功用。
可以从人机功能分配、价值工程原理和技术可行性等三方面来分析。
▲适应性要求:即对作业对象的特征、工作状况、环境条件等工况发生变化的适应程度。
▲性能要求:即指产品所具有的工作特征。
▲生产能力要求:是指产品在单位时间内所能完成工作量的多少。
▲可靠性要求:是指产品在规定使用条件下,在预期使用寿命内能完成规定功能的概率。
▲使用寿命:是指正常使用条件下,因磨损等原因引起产品技术性能、经济指标下降在允许范围内而无须大修的延续工作的期限。
▲效率要求:是指输入量的有效利用程度。
▲使用经济性要求:是指单位时间内生产的价值与同时间内使用费用的差值。
▲成本要求。
▲人机工程学要求。
▲安全防护、自动报警要求。
▲与环境适应的要求。
▲运输、包装的要求。
(2)其他设计要求(为了保证实现主要设计要求而提出的要求)▲强度、刚度要求。
▲制造工艺要求。
▲零件加工技术要求。
▲各作业动作间的协调配合要求。
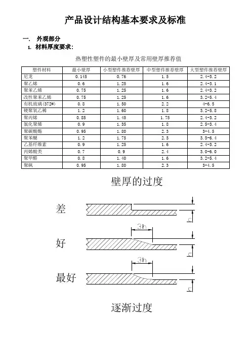
产品设计结构基本要求及标准一. 外观部分1.差好最好逐渐过度壁厚的过度2.表面晒纹出模斜度塑膠可分為第一類硬質如(PC、ABS、PS、K膠或加纖等)、第二類一般如(PP、NY、二. 内部结构1.螺丝柱2.扣位α=25°~30°α>45°初始插入面角度(a)保持面深度(b)保持面角度b T L b 或/T u ≈5时,γ<γ=时,10≈u T 或/b L T b β≈35°,用于不需要外部分离力的可拆卸锁紧件用于需小的外部分离力的可拆卸锁紧件β≈45°,用于需很大分离力的非可拆卸锁紧件β≈80°~90°,初始保持面深度和角度梁的初始长度保持元梁梁的长度(L b)应该至少为5倍的壁厚(5T b),但首选为10倍的壁厚(10T b).若梁的长度大于10倍的壁厚,可能会发生翘曲和充模问题.因此,应对照材料的螺旋流动曲线核查设计,以确保功能件的完全充满.长度小于5倍壁厚(5T b)的梁将承受很大的剪切作用以及梁根部的弯曲.这样不仅会增大装配过程中损坏的可能性,而且也会使分析计算(依据梁理论)变得很不准确.较短梁的柔性较差,但在根部会产生较高的应变,较长的梁对装配来说柔性好,但保持能力较差.对于较硬的和较脆的塑料,推荐采用较大的长度与厚度的比值.3.筋位肋间间距>4T 肋高L<3T1. 利用变化肉厚及形状 1) 侧壁加强既可防止变形﹐也可改善流动性 2) 边缘加强用变化的边缘形状来加强﹐防止变形 3) 周边加强较大的平面易发生翘曲变形﹐用周边凹凸或波浪形来防止变形 三.1、 弯管最小半径;A 、弯管弯曲半径(中径)应该是弯管直径的2倍以上; 2、 内置火牛注意项目;A 、安装内置内置火牛时应该注意排插应该可以插到火牛底部; 3、 开关设计注意项目;A 、做开关时必需考虑到开关锁的问题,在零件做跌落实验时不能允许开关开起; 4、 包胶零件设计A 、 零件需要包胶时,如果采用PVC 包胶则必需做出扣位将PVC 扣在零件表面;B 、 如果采用TPR 包胶可以不需要做扣位(如能做扣位时尽可能做这与材料价格相关); 5、 LED 座设计LED 座在设计时,应该保证在装配LED 时,LED 两脚不能相碰 6、 圆角设计3.02.52.001.500.20.60.41.21.41.00.8应力集中因素R/T壁厚与圆角半径的关系F-负荷 R-圆角半径 T-厚度合理的圆角半径:1/4≤R/T≤3/5或R min ≥0.4mm不推荐不好不合理设计合理设计a)b)c)d)制品转角半径易a)b)c)b)a)制品的内外圆角a)不好 b)较好 c)好a)不好 c)好模具上的尖角及其改进结构。
产品结构设计要求一、功能要求:产品结构设计应能满足产品的功能要求。
即通过合理的结构设计,保证产品能够完成预期的功能。
对于多功能产品,需要考虑各个功能之间的协调和互补。
二、性能要求:产品结构设计应能满足产品的性能要求。
即通过合理的结构设计,保证产品能够达到用户对性能的期望。
性能要求往往包括产品的负载能力、精度、稳定性等方面。
三、制造要求:产品结构设计应能满足产品的制造要求。
即通过合理的结构设计,保证产品可以在规定的制造工艺和工艺设备条件下进行生产。
制造要求往往包括结构的可加工性、装配性、可靠性等方面。
四、外观要求:产品结构设计应能满足产品的外观要求。
即通过合理的结构设计,使产品具有良好的外观和工艺性能。
外观要求往往包括产品的外形、色彩、表面处理等方面。
五、环境要求:产品结构设计应能满足产品的使用环境要求。
即通过合理的结构设计,保证产品能够适应不同的使用环境。
环境要求往往包括产品的温度、湿度、腐蚀性等方面。
六、维修要求:产品结构设计应能满足产品的维修要求。
即通过合理的结构设计,便于对产品进行维修和保养。
维修要求往往包括产品各个部件的可拆卸性、易损件的可更换性等方面。
七、安全要求:产品结构设计应能满足产品的安全要求。
即通过合理的结构设计,保证产品在正常使用和维修过程中不会对用户和环境造成危害。
安全要求往往包括产品的稳定性、防护措施、预防事故能力等方面。
八、经济要求:产品结构设计应能满足产品的经济要求。
即通过合理的结构设计,以最小的成本实现产品的功能和性能。
经济要求往往包括材料成本、制造成本、使用成本等方面。
总之,产品结构设计要求是在满足产品的功能、性能、制造、外观、环境、维修、安全和经济等要求的前提下,通过合理的结构设计,使产品具有优良的性能和竞争力。
产品结构设计的要求内容丰富多样,需要综合考虑不同方面的要求,并适应产品的特点和市场需求。
只有充分满足各项要求,才能设计出具有高质量和高价值的产品。
产品设计规范要求1. 引言本文档旨在详细说明产品设计规范的要求,以确保产品设计满足用户需求、行业标准和公司政策。
本规范适用于所有产品设计项目,设计师应遵循本文档中的要求,以确保产品设计的一致性和高质量。
2. 设计目标产品设计应实现以下目标:- 满足用户需求和期望- 符合行业标准和法规要求- 具有高质量、可靠性和可维护性- 易于使用和操作- 具有竞争力3. 设计原则产品设计应遵循以下原则:- 用户中心:以用户需求为导向,关注用户体验和满意度- 简洁性:设计简洁、直观,减少用户操作步骤- 一致性:界面元素、交互方式应保持一致,提高用户熟悉度- 可用性:确保产品易于使用,降低用户学习成本- 可访问性:考虑不同用户群体,满足无障碍访问需求- 可靠性:确保产品在各种环境下稳定运行,降低故障率- 可维护性:设计易于维护和升级,降低后期成本4. 设计要素产品设计应包括以下要素:- 用户界面(UI):界面布局、色彩、字体、图标等- 交互设计(UX):用户操作流程、交互逻辑、动效等- 功能设计:产品功能模块、业务流程、数据结构等- 架构设计:系统架构、模块划分、技术选型等- 界面原型:使用原型工具绘制界面原型,展示产品功能和交互- 设计规范:制定设计规范,确保产品设计一致性5. 设计流程产品设计应遵循以下流程:1. 需求分析:深入了解用户需求,明确产品目标2. 竞品分析:分析竞争对手产品,汲取优点,弥补不足3. 概念设计:提出创新性概念,为产品增值4. 原型设计:绘制界面原型,展示产品功能和交互5. 设计评审:组织相关人员对设计方案进行评审,确保质量6. 设计修改:根据评审意见对设计方案进行优化和完善7. 设计输出:输出设计成果,包括图纸、规范等6. 设计规范1. 界面布局:合理规划界面元素布局,关注用户体验2. 色彩:使用符合产品调性的色彩,提高视觉舒适度3. 字体:选择合适字体,保证阅读清晰,具备辨识度4. 图标:制作简洁、直观、符合风格的图标5. 交互逻辑:确保交互逻辑清晰,操作流畅6. 动效:合理使用动效,提高用户体验7. 界面风格:保持界面风格一致,提高产品熟悉度7. 验收标准产品设计成果应满足以下标准:1. 符合设计目标和要求2. 界面美观、简洁、易于操作3. 交互逻辑清晰,用户体验良好4. 设计成果完整,包括图纸、规范等5. 代码规范,可维护性强8. 变更管理在产品设计过程中,如遇变更需求,需进行以下操作:1. 评估变更对项目的影响,包括时间、成本、资源等2. 分析变更的必要性和可行性3. 修改设计方案,重新评审4. 通知相关人员进行调整5. 更新设计成果和相关文档9. 附录本文档未涵盖的所有内容,请参考以下文献:1. 《产品设计手册》2. 《交互设计原则》3. 《界面设计规范》4. 《系统架构设计》10. 修订历史- 版本号:V1.0- 修订日期:2021年10月1日- 修订人:张三- 说明:制定本文档,用于指导产品设计工作。
文化创意产品设计流程、分类及要求
2.创意发现:通过头脑风暴、市场调研等方法,寻找创意灵感
和创新点。
3.概念设计:将创意转化为具体的概念设计,包括产品的草图、模型等。
4.详细设计:进一步完善概念设计,确定产品的细节和规格,
包括尺寸、颜色、材料等。
5.原型制作:制作产品的原型,以便进行功能测试和用户体验
评估。
6.用户测试:邀请目标用户参与测试,收集反馈意见并对产品
进行改进。
7.生产制造:根据最终设计确定的规格和要求,进行批量生产
和制造。
8.市场推广:将产品推向市场,并进行宣传和销售。
2.手工艺品类:包括纺织品、木工品、金属工艺品等,以传统工艺和技艺为特色。
3.数字创意类:包括数字艺术、虚拟现实、游戏等,以数字技术和创新形式为核心。
4.功能产品类:包括家居用品、装饰品、礼品等,以功能性和实用性为重点。
5.文化体验类:包括文化展览、演出、活动等,以体验和参与为主要方式。
2.可实施性:设计的产品应具备可行性,能够实际制造和生产。
3.艺术性:文化创意产品设计应注重艺术表现和审美价值,展
现独特的艺术风格和文化内涵。
4.可持续性:产品设计应考虑材料和生产过程的可持续性,注
重环境保护和资源节约。
5.用户体验:文化创意产品设计应着重考虑用户的使用体验和
感受,追求用户友好性和舒适度。
请注意,本文所提供的信息仅供参考,并不构成法律意见。
产品设计的基本要求首先,产品设计的基本要求是实用性。
产品应该具有实际的功能和用途,满足用户的需求并解决他们的问题。
产品设计师应该通过深入了解用户和市场需求,将功能和用户体验结合在一起,创建一个实用的产品。
其次,产品设计应具备可靠性和耐久性。
产品设计师应通过选择合适的材料和制造工艺,确保产品的质量和稳定性。
产品设计应考虑到产品的寿命,并确保在正常使用情况下不容易损坏或磨损。
除此之外,产品设计应具备美观性。
产品的外观设计应吸引消费者的眼球,并符合当前的审美趋势。
产品设计师也应考虑到产品的人机工程学,确保产品的人体工学和可用性。
合理的人体工程学设计可以提高产品的易用性和舒适度,并增强用户的满意度。
另外,产品设计应具备安全性。
产品设计师应通过选择安全材料和合适的结构,确保产品在正常使用情况下不会对用户造成伤害。
对于一些特定行业或场景(如食品包装、医疗器械等),产品设计应满足相关的安全标准和法规。
此外,产品设计应具备可维护性和可升级性。
设计师应考虑到产品的维修和保养,确保用户能够方便地维护产品的正常运行。
产品还应具有一定的可升级性,以便满足不断变化的用户需求和技术进步。
最后,产品设计应具备环保性。
设计师应该考虑到产品的环保性,在产品设计过程中尽量减少对环境的负面影响,包括选择可再生材料、减少能源消耗和废弃物产生等。
综上所述,产品设计的基本要求包括实用性、可靠性和耐久性、美观性、安全性、可维护性和可升级性以及环保性。
产品设计师应根据不同的产品和市场需求,综合考虑这些要求,创造出能够满足用户需求并具有竞争力的产品。
这些基本要求可以帮助设计师创造出具有高品质和良好用户体验的产品。
产品结构设计要求产品结构设计是指在产品设计过程中,根据产品功能、性能以及市场需求等因素的要求,对产品的结构进行设计和优化的过程。
产品结构设计的目标是实现产品功能的最佳化,提高产品的性能和可靠性,降低成本和制造难度,提高产品的市场竞争力。
以下是产品结构设计的一些要求:1.功能要求:产品结构设计要满足产品的基本功能需求。
设计师需要深入了解用户需求,并根据需求确定产品的功能布局和功能模块的划分。
同时,还需要考虑产品的扩展性和可升级性,以满足用户不断变化的需求。
2.性能要求:产品结构设计要满足产品的性能要求。
性能要求包括产品的工作效率、精度、速度、稳定性等方面。
设计师需要根据产品的性能需求,选择合适的材料、零部件和结构形式,以实现产品的高性能。
3.可靠性要求:产品结构设计要满足产品的可靠性要求。
可靠性是产品正常运行的基础,设计师需要考虑产品的寿命、可靠性和维修性等方面。
在设计过程中,需要选择高质量的材料和零部件,设计合理的结构,以提高产品的可靠性。
4.成本要求:产品结构设计要满足成本要求。
成本是产品设计过程中一个重要的考虑因素,设计师需要在满足功能和性能要求的前提下,尽可能降低产品的制造成本。
可以通过合理的结构设计、材料选择和工艺优化等方式来实现成本的控制。
5.制造要求:产品结构设计要满足制造要求。
设计师需要考虑产品的制造工艺和生产线的条件,选择适合的制造工艺和工艺路线,以提高产品的制造效率和质量。
6.美观要求:产品结构设计要满足美观要求。
产品的外观和形式对产品的市场竞争力有重要影响,设计师需要注重产品的外观设计,使产品在外观上具有吸引力和独特性。
7.可维护性要求:产品结构设计要满足产品的可维护性要求。
设计师需要考虑产品的维修和保养的方便性,选择易于维修和更换的零部件和结构,以降低产品的维修成本。
8.环境要求:产品结构设计要满足环境要求。
设计师需要考虑产品在不同环境条件下的工作性能和可靠性,选择适合的材料和防护措施,以保证产品在不同环境下的正常运行。
产品安规设计要求规范产品安规设计要求是指在产品设计阶段对产品的安全性能、安全功能及其评价方法进行规范化的设计要求。
这些设计要求旨在确保产品在使用过程中不会对用户、环境以及其他相关人员造成伤害或损害,并符合国际安全标准和法规的要求。
1.产品安全性能要求:产品安规设计要求应明确产品在正常使用条件下的安全性能要求。
这包括设计安全保护装置、防止电击等措施,并确保产品符合电气安全、机械安全、化学安全等方面的标准要求。
2.安全功能要求:产品安规设计要求应明确产品的安全功能要求,例如应急停机按钮、防误操作装置、报警装置等。
这些安全功能能够及时警示用户并采取相应的措施,以避免危险事件的发生。
3.评价方法要求:产品安规设计要求应规定相应的评价方法,包括安全评价、风险评估等。
安全评价旨在评估产品在设计和使用阶段的安全性能,以确定产品是否满足相关的安全标准和法规要求。
风险评估则是对产品使用过程中的潜在风险进行评估,以确定风险等级,并采取相应的措施进行风险控制。
4.符合国际安全标准和法规:产品安规设计要求应符合国际安全标准和法规的要求,例如国际电工委员会(IEC)的相关标准、欧盟(EU)的CE认证要求等。
这意味着产品在设计和生产过程中需要满足这些标准和法规的要求,并进行相应的测试和认证。
5.安全性能测试要求:产品安规设计要求还应包括相应的安全性能测试要求,以确保产品在使用过程中能够满足相应的安全标准和法规要求。
这包括产品在正常使用和异常使用条件下的安全性能测试,例如电气安全测试、机械安全测试等。
总之,产品安规设计要求的规范化对于确保产品的安全性能、安全功能以及符合国际安全标准和法规要求是非常重要的。
这些规范化的要求可以确保产品在设计和使用过程中不会对用户、环境以及其他相关人员造成伤害或损害。
此外,产品安规设计要求还可以提高产品的市场竞争力,增强消费者对产品的信任度和可靠性。
因此,制定和遵守产品安规设计要求对于企业来说是非常重要的。
产品设计的基本要求一、前言产品设计是现代工业生产中不可或缺的一个环节,它直接关系到产品的质量、外观和性能。
而一个好的产品设计必须具备一定的基本要求,本文将从多个方面详细探讨产品设计的基本要求。
二、功能性要求1.符合用户需求一个好的产品设计必须以用户为中心,充分了解用户需求,并在此基础上进行设计。
只有满足用户需求,才能使产品得到广泛应用。
2.功能完善产品设计必须保证其功能完善,能够满足用户使用需求。
同时,在满足基本功能的前提下,还应该考虑一些附加功能,以提高产品竞争力。
3.易于操作一个好的产品设计必须易于操作,使得用户能够快速上手使用。
同时,在操作过程中应该尽可能地避免出现错误或误操作。
4.稳定可靠稳定可靠是一个好的产品设计最重要的特点之一。
在使用过程中不应该出现故障或损坏等情况,并且需要长期保持稳定性。
三、外观美观要求1.符合审美标准外观美观是一个好的产品设计必须具备的要素之一。
产品的外观设计应该符合大众审美标准,能够引起人们的兴趣和好感。
2.简洁明了一个好的产品设计应该具备简洁明了的外观特点,能够直接表达产品的功能和特性。
同时,也需要避免过于复杂或繁琐的设计。
3.符合品牌形象外观设计还需要符合品牌形象,能够体现品牌风格和文化内涵。
这样可以提高品牌认知度和忠诚度。
4.优质材料外观材料也是一个好的产品设计必须考虑的因素之一。
优质材料可以保证产品外观长期耐用,并且具备良好的手感和视觉效果。
四、人机工程学要求1.符合人体工程学原理人机工程学是一个好的产品设计必须考虑到的因素之一。
在设计过程中需要充分考虑人体工程学原理,以保证用户舒适、健康地使用产品。
2.易于维护一个好的产品设计还需要考虑到易于维护这个因素。
在日常维护过程中,用户应该能够方便地进行清洁、更换零部件等操作。
3.符合人类认知规律产品设计还需要符合人类认知规律,能够让用户快速理解和掌握产品的使用方法。
同时,还需要考虑到用户习惯和心理需求。
4.安全性安全性是一个好的产品设计必须考虑到的因素之一。
产品设计师岗位职责职位要求
岗位职责:
1. 基于市场研究和用户需求,进行产品需求分析和功能设计,制定产品设计方案;
2. 负责产品原型的绘制及交互流程的设计,根据用户反馈进行优化;
3. 负责产品的界面设计、风格设计、icon设计等视觉设计工作;
4. 撰写产品设计手册、用户使用说明书等相关文件,编写设计思路、设计原则等文档;
5. 负责与团队成员沟通协调、整合各方面资源,协助工程师解决技术问题;
6. 参与产品测试,记录并处理产品缺陷、问题反馈,推进产品迭代优化。
职位要求:
1. 本科及以上学历,设计、艺术等相关专业毕业,有2年以上工作经验;
2. 熟练掌握相关设计软件和工具:如Sketch、PS、Ai等;
3. 熟悉产品设计流程和各阶段的具体工作内容,有成功案例更佳;
4. 具备优秀的视觉表现能力,对设计有独特的理解和审美;
5. 具备较强的沟通协调能力、理解能力和团队协作精神;
6. 具备一定的项目管理能力和资源协调能力;
7. 熟悉网络应用的建议,了解前端技术者优先。
以上是产品设计师岗位职责和职位要求的详细介绍,希望能对您有所帮助。
产品设计的要求
一项成功的设计,应满足多方面的要求。
这些要求,有社会发展方面的,有产品功能、质量、效益方面的,也有使用要求或制造工艺要求。
一些人认为,产品要实用,因此,设计产品首先是功能,其次才是形状;而另一些人认为,设计应是丰富多采的、异想天开的和使
人感到有趣的。
设计人员要综合地考虑这些方面的要求。
下面详细讲述这些方面的具体要求:
1、社会发展的要求
2、经济效益的要求
3、使用的要求
・使用的安全性件;
・使用的可靠性。
*易于使用。
*美观的外形和良好的包装。
・制造工艺的要求
生产工艺对产品设计的最基本要求,就是产品结构应符合工艺原则。
也就是在规定的产量规模条件下,能采用经济的加工方法,制造出合乎质量要求的产品。
这就要求所设计的产品结构能够最大限度地降低产品制造的劳动量,减轻产品的重量,减少材料消耗,缩短生产周期和制造成本。
产品设计必须严格遵循“三段设计”程序
技术任务书
技术任务书是产品在初步设计阶段内,由设计部门向上级对计划任务书提出体现产品合理设计方案的改进性和推荐性意见的文件。
经上级批准后,作为产品
技术设计的依据。
其目的在于正确地确定产品最佳总体设计方案、主要技术性能参数、工作原理、系统和主体结构,并由设计员负责编写(其中标准化综合要求会同标准化人员共同拟订),其编号内容和程序作如下规定:
1. 设计依据(根据具体情况可以包括一个或数个内容):
⑴部、省安排的重点任务:说明安排的内容及文件号;
(2) 国内外技术情报:在产品的性能和使用性方面赶超国内外先进水平或产品品种方面填补国内“空白”:
(3) 市场经济情报:在产品的形态、型式(新颖性)等方面满足用户要求,适应市场需要,具有竞争能力;
(4) 企业产品开发长远规划和年度技术组织措施计划,详述规划的有关内容,并说明现在进行设计时机上的必要性。
2. 产品用途及使用范围。
3. 对计划任务书提出有关修改和改进意见。
4. 基本参数及主要技术性能指标。
5. 总体布局及主要部件结构叙述:用简略画法勾出产品基本外形,轮廊尺寸及主要部件的布局位置,并叙述主要部件的结构。
6. 产品工作原理及系统:用简略画法勾出产品的原理图、系统图,并加以说明。
7. 国内外同类产品的水平分析比较:列出国内外同类型产品主要技术性能、规格、
结构、特征一览表,并作详细的比较说明;
8. 标准化综合要求:
(1) 应符合产品系列标准和其它现行技术标准情况,列出应贯彻标准的目标与范围,提出贯彻标准的技术组织措施;
(2) 新产品预期达到的标准化系数:列出推荐采用的标准件,通用件清单,提出一定范围内的标准件,通用件系数指标;
(3) 对材料和元器件的标准化要求:列出推荐选用标准材料及外购元器件清
单,提出一定范围内的材料标准化系数和外购件系数标准;
⑷与国内外同类产品标准化水平对比,提出新产品标准化要求;
(5) 预测标准化经济效果:分析采用标准件、通用件、外购件及贯彻材料标准和选用标准材料后预测的经济效果。
9. 关键技术解决办法及关键元器件,特殊材料资源分析;
10. 对新产品设计方案进行分析比较,运用价值工程,着重研究确定产品的合理性能(包括消除剩余功能)及通过不同结构原理和系统的比较分析,从中选出最佳方案;
11. 组织有关方面对新产品设计的方案进行(A评价),共同商定设计或改进的方案是否能满足用户的要求和社会发展的需要。
12. 叙述产品既满足用户需要,又适应本企业发展要求的情况。
13. 新产品设计试验,试用周期和经费估算。
[编辑]
技术设计
技术设计的目的,是在已批准的技术任务书的基础上,完成产品的主要计算和主要零部件的设计。
1. 完成设计过程中必须的试验研究(新原理结构、材料元件工艺的功能或模具试验),并写出试验研究大纲和研究试验报告。
2•作出产品设计计算书(如对运动、刚度、强度、振动、热变形、电路、液气路、能量转换、能源效率等方面的计算、核算);
3. 画出产品总体尺寸图、产品主要零部件图,并校准;
4. 运用价值工程,对产品中造价高的、结构复杂的、体积笨重的、数量多的主要
零部件的结构、材质精度等选择方案进行成本与功能关系的分析,并编制技术经济分析报告;
5. 绘出各种系统原理图(如传动、电气、液气路、联锁保护等系统);
6. 提出特殊元件、外购件、材料清单;
7. 对技术任务书的某些内容进行审查和修正;
8. 对产品进行可靠性、可维修性分析。
[编辑]
工作图设计
工作图设计的目的,是在技术设计的基础上完成供试制(生产)及随机出厂用的全部工作图样和设计文件。
设计者必须严格遵守有关标准规程和指导性文件的规定,设计绘制各项产品工作图。
1. 绘制产品零件图、部件装配图和总装配图。
(1) 零件图:图样格式、视图、投影、比例、尺寸、公差、形位公差、表面粗糙度、表面处理、热处理要求及技术条件等应符合标准;
(2) 部件装配图:除保证图样规格外,包括装配、焊接、加工、检验的必要数据和技术要求;
(3) 总装配图:给出反映产品结构概况,组成部分的总图,总装加工和检验
的技术要求,给出总体尺寸;
2. 产品零件、标准件明细表,外购件、外协件目录。
3. 产品技术条件包括:
(1) 技术要求
(2) 试验方法
(3) 检验规则
(4) 包装标志与储运
4. 编制试制鉴定大纲:
试制鉴定大纲是样品及小批试制用必备技术文件。
要求大纲具备:
(1) 能考核和考验样品(或小批产品)技术性能的可靠性、安全性,规定各种测试性能的标准方法及产品试验的要求和方法。
(2) 能考核样品在规定的极限情况下使用的可行性和可靠性;
(3) 能提供分析产品核心功能指标的基本数据。
(4) 批试鉴定大纲还必须提出工艺、工装、设备、检测手段等与生产要求、质量保证、成本、安全、环保等相适应的要求。
5. 编写文件目录和图样目录。
(1) 文件目录包括:图样目录、明细表、通(借)用件、外购件、标准件汇总
表、技术条件、使用说明书、合格证、装箱单、其它。
(2) 图样目录:总装配图、原理图和系统图、部件装配图、零件图、包装物图及包装图、安装图(只用于成套设备);
6. 包装设计图样及文件(含内、外包装及美术装潢和贴布纸等)。
7. 随机出厂图样及文件。
8. 产品广告宣传备样及文件。
9. 标准化审查报告:指产品工作图设计全部完成,工作图样和设计文件经标准化
审查后,由标准化部门编写的文件,以便对新设计的产品在标准化、系列化、通用化方面作出总的评价,是产品鉴定的重要文件。
标准化审查报告分样品试制标准化审查报告和小批试制标准化审查报告。
[编辑]
产品设计的方法
1、组合设计
组合设计(又称模块化设计)是将产品统一功能的单元,设计成具有不同用途或不同性能的可以互换选用的模块式组件,以便更好地满足用户需要的一种设
计方法。
当前,模块式组件已广泛应用于各种产品设计中,并从制造相同类型的产品发展到制造不同类型的产品。
组合设计的核心是要设计一系列的模块式组件。
为此,要从功能单元,即研究几个模块式组件应包含多少零件、组件和部件,以及在组合设计时每种模块式组件需要多少等。
当今,在面临竞争日益加剧、市场分割争夺异常激烈的情况下,仅仅生产一种产品的企业是很难生存的。
因此,大多数制造厂家都生产很多品种。
者不仅对企业生产系统的适应能力提出新的要求,而且显然要影响产品设计的技能。
生产管理的
任务之一,就是要寻求新的途径,使企业的系列产品能以最低的成本设计并生产出来。
而组合设计则是解决这个问题的有效方法之一。
2、计算机辅助设计
计算机辅助设计是运用计算机的能力来完成产品和工序的设计。
其主要职能是设计计算和制图。
设计计算是利用计算机进行机械设计等基于工程和科学规律的计算,以及在设计产品的内部结构时,为使某些性能参数或目标达到最优而应用优化技术所进行的计算。
计算机制图则是通过图形处理系统来完成,在这一系统中,操作人员只需把所需图形的形状、尺寸和位置的命令输入计算机,计算机就可以自动完成图形设计。
3、面向可制造与可装配的设计
面向可制造与可装配的设计是在产品设计阶段设计师与制造工程师进行协商探讨,利用这种团队工作,避免传统的设计过程之中“我设计,你制造”的方式而引起的各种生产和装配问题以及因此产生的额外费用的增加和最终产品交付使用的延误。