亚硝态氮的测定流程和步骤
- 格式:docx
- 大小:41.75 KB
- 文档页数:1
硝态氮的测定方法
硝态氮的测定方法主要有以下几种:
1. 硝酸还原法:该方法是最常用的硝态氮分析方法。
基本原理是将样品中的硝酸还原为亚硝酸,然后通过亚硝酸与铁离子反应生成显色物,根据显色物的吸光度或荧光强度来确定硝态氮的浓度。
2. 球囊发泡法:该方法通过将样品中的硝态氮与硫酸反应生成氮气,然后通过气泡的形成来判断硝态氮的浓度。
硝态氮浓度越高,气泡形成越多。
3. 原子吸收光谱法:该方法是通过测量硝态氮溶液中的硝酸根离子在特定波长下被原子吸收光的强度来确定硝态氮的浓度。
4. 电化学法:该方法是通过测量硝态氮在电极上的氧化还原反应电流来确定硝态氮的浓度。
以上方法根据实际需求和仪器设备的不同,选择适合的方法进行硝态氮的测定。
植物体内硝态氮含量的测定【实验目的】伤流是植物根系主动吸水的证明,不同植物或同一种植物在不同季节的伤流强度均不同,伤流强度反应根系生理活动强弱和根系又吸收面积大小。
伤流除含有大量水分外,还含有各种无机盐及根部合成有机物包括植物激素。
硝态氮是植物最主要的氮源。
植物体内硝态氮含量往往能反映土壤中硝态氮供应情况,因此可作为土壤肥氮肥的指标。
测定植物体内的硝态氮含量,不仅能够反映出植物的氮素营养情况,而且对鉴定蔬菜和植物为原料的加工制品的品质也有重要的意义。
【原理】硝态氮与硝酸试粉作用,生成粉红色的偶氮化合物,其颜色深浅与硝态氮的浓度成正相关,将样品显示的颜色与标准比色阶进行比较,可快速求得硝态氮的浓度。
硝酸试粉主要是由锌粉、柠檬酸、ɑ-萘胺、对氨基苯磺酸混合而成,硝态氮与硝酸试粉反应如下:【实验材料】接骨木伤流液【实验试剂】硝酸试粉、50%醋酸、50mg/L氮流液【实验步骤】在比色盘的五个孔中加入如表所示溶液:5min后即成5个不同浓度20、40、60、80、100mg/mL硝态氮的比色阶。
再用6号孔中加入伤流液5滴及硝酸试粉1勺,搅拌,5min后,将其所显粉红色与标准比色阶比较确定样品液中硝态氮的浓度。
【实验结果及处理】1.经过比色样品溶液的颜色介于2~3之间。
2.根据结果,伤流液中硝态氮的浓约为(10/5+20/10)/2=2mg/mL原理及方法如下:— 1 —硝态氮在经过硫酸2过氧化氢消煮的植物消煮液中,硝态氮和亚硝态氮以硝酸根离子(NO3-)存在,利用NO3-在紫外光区220nm处有特征吸收峰,可以直接测定试液的吸光度来定量硝态氮。
测定时,吸取5mL 消煮液于50mL比色管中,无氨水稀释至刻度,摇匀,在波长210nm处,用1cm石英比色皿,以无氨水作参比,在紫外分光光度计进行硝态氮测定。
3.通过伤流法测定植物中硝态氮含量中,伤流法需要收集伤流液,此环节消费时间长。
— 2 —。
水质中的硝态氮测定(紫外分光光度法)原理:利用硝酸盐在220nm 波长具有紫外吸收和在275nm 波长不具吸收的性质进行测定,于275nm 波长测出有机物的吸收值在测定结果中校正.试剂:1.无硝酸盐纯水:采用重蒸馏或者蒸馏--- 去离子法制备,用于配制试剂及稀释样品.2.盐酸溶液(1+11).3.硝酸盐氮标准储备溶液[p(N03---N)=100ug/mL]:称取经105'C烤箱干燥2h的硝酸钾(KN03) 0.7218g,溶于纯水中并定容至1000mL,每升中加入2mL 三氯甲烷,至少可稳定6 个月.4.硝酸盐氮标准使用溶液[p(N03---N)=10ug/mL].仪器:1.紫外分光光度计以及石英比色皿.2. 具有比色管:50mL分析步骤:1.水预样处理:吸收50mL 水样于50mL 比色管中加1mL 盐酸溶液酸化.2.标准系列制备:分别吸收硝酸盐氮标准使用溶液0mL/L~7mg/L 硝酸盐氮标准系列,用纯水稀释到50mL,各加1mL盐酸溶液.3.用纯水调节仪器吸光度为0,分别在220nm和275nm波长测量吸光度.计算:在标准样品的220nm 波长吸光度中减去2倍于275nm 波长的吸光度,绘制标准曲线和在曲线上直接读出样品中的硝酸盐氮的质量浓度.注:若275nm波长吸光度的2倍大于220nm波长吸光度的10%时,本标准将不能适用.水质中亚硝态氮的测定(重氮偶合分光光度法)原理:在pH1.7 以下,水中亚硝酸盐与对氨基苯磺酰胺氮化,再与盐酸N-(1- 萘)-乙二胺产生偶合反应,生成紫红色的偶氮染料,比色定量.试剂:1.氢氧化铝悬浮液2.对氨基苯磺酰胺溶液3. 盐酸N-(1- 萘)-乙二胺溶液4. 亚硝酸盐氮标准储备液[p(NO2 —N)=50ug/mL]: 称取0.2463g 在玻璃干燥器内放置24h 的亚硝酸钠(NaNO2), 溶于纯水中,并定容至1000mL. 每升中加2mL 三氯甲烷保存.5. 亚硝酸盐氮标准使用溶液[p(NO2 —N)=0.10ug/mL]仪器:1.具塞比色管:50mL.2.分光光度计.分析步骤:1. 若水样浑浊或色度较深,可先取100mL, 加入2mL 氢氧化铝悬浮液,搅拌后静置数分钟,过滤.2.先将水样或处理后的水样用酸或碱调近中性.取50.0mL 置于比色管中.3.另取50mL 比色管8 支, 分别加入亚硝酸盐氮标准液0,0.50,1.00,2.50,5.00,7.50,10.00 和12.50mL, 用纯水稀释至50mL.4.向水样以及标准色列管分别加入1mL 对氨基苯磺酰胺溶液,摇匀后放置2min~8min.加入I.OmL盐酸N-(1-萘)-乙二胺溶液,立刻混匀.5.于540nm波长,用1cm比色皿,以纯水作参比,在10min至2h内,测定吸光度.如亚硝酸盐氮浓度低于4ug/L 时,改用3cm 比色皿.6.绘制曲线,查出亚硝态氮含量.计算:水样中亚硝态氮质量浓度计算见式:P(NO2-N)= m / VP(NO2-N):mg/L, 亚硝酸氮质量浓度M:从标准曲线上查的样品管中亚硝酸盐氮的质量,单位为微克(ug)V: 水样体积,mL。
亚硝酸盐氮测定操作规程(N-(1-萘基)-乙二胺光度法)
1、操作前应先准备以下试剂:无亚硝酸盐的水;磷酸(ρ=1.70g/ml);显色剂:250ml水和50ml磷酸,加入20.0g对氨基苯磺酰胺,再加入1.00g N-(1-萘基)-乙二胺二盐酸盐溶液中,转移至500ml容量瓶中,用水稀释至标线,混匀;亚硝酸盐氮标准贮备液;亚硝酸盐氮标准中间液;亚硝酸盐氮标准使用液;氢氧化铝悬浮液;高锰酸钾标准溶液(1/5KMnO4mol/L)。
2、校准曲线的绘制:在一组6支50ml比色管中,分别加入0、1.00、3.00、5.00、7.00和10.0亚硝酸盐标准使用液,用水释至标线。
加入1.0ml显色剂,密闭,混匀。
静置20min后,在2h以内,于540nm处,用光程10mm的比色皿,以水为参比,测量吸光度。
从测量的吸光度,减去零浓度空白管的吸光度后,获得校正吸光度,绘制以氮含量(μg)对校正吸光度的校准曲线。
3、水样的测定:当水样pH≥11时,可加入1滴酚酞指示液,边搅拌边逐滴加入(1+9)磷酸溶液,至红色刚消失。
水样如有颜色和悬浮物,可向每100ml水中加入2ml氢氧化铝悬浮液,搅拌,静置,过滤,弃去25ml 初滤液。
分取经预处理的水样于50ml比色管中,加入1.0ml显色剂,然后按
校准曲线绘制的相同步骤操作,测量吸光度。
经空白校正后,从校准曲线上查得亚硝酸盐含氮量。
4、空白试验:用实验用水代替水样,按相同步骤进行全程序测定。
5、计算:亚硝酸盐氮(N , mg/L)=m/V
式中:m—由水样测得的校正吸光度,从校准曲线上查得相应的亚硝酸盐氮的含量(μg);
V—水样的体积(ml)。
亚硝酸盐氮的测定亚硝酸盐氮是氮循环的中间产物,不稳定。
在水环境不同的条件下,可氧化成硝酸盐氮,也可被还原成氨。
亚硝酸盐氮在水中可受微生物作用很不稳定,采集后应立即分析或冷藏抑制生物影响。
N-(1-萘基)-乙二胺光度法:1、原理在磷酸介质中,PH值为1.8±0.3时,亚硝酸盐与对氨基苯磺酰胺(简称磺胺)反应,生成重氮盐,再与N-(1-萘基)-乙二胺偶联生成红色染料,在波长540nm处有最大吸收。
2、仪器:分光光度计、G-3玻璃砂心漏斗试剂:(1)显色剂:于500ml烧杯中加入250ml水和50ml磷酸,加入20.0g对氨基苯磺酰胺;再将1.00gN-(1-萘基)-乙二胺二盐酸盐溶于上述溶液中,转移至500ml容量瓶中,用水稀至标线(2)亚硝酸盐氮标准贮备液:称取1.232g亚硝酸钠溶于150ml水中,移至1000ml容量瓶中,稀释到标线。
每毫升约含0.25mg亚硝酸盐氮。
本溶液加入1ml三氯甲烷,保存一个月。
(3)亚硝酸盐氮标准中间液:分取适量亚硝酸盐标准贮备液(使含12.5mg亚硝酸盐氮),置于250ml棕色容量瓶中,稀至标线,可保存一周。
此溶液每毫升含50微克亚硝酸盐氮。
(4)亚硝酸盐氮标准使用液:取10.00ml中间液,置于500ml容量瓶中,稀至标线。
每毫升含1.00微克亚硝酸盐氮。
三、实验步骤:1、校准曲线的绘制(1)在一组6支50ml的比色管中,分别加入0、1.00、3.00、5.00、7.00和10.0ml亚硝酸盐标准使用液,用水稀至标线,加入1.0ml显色剂,密塞混匀。
静置20min后,在2h内,于波长540nm处,用光程长10mm的比色皿,以水为参比,测量吸光度。
(2)从测定的吸光度,减去空白吸光度后,获得校正吸光度,根据回归方程(y=bx+a)绘制校准曲线。
2、水样的测定(1)当水样pH≧11时,加入1滴酚酞指示剂,边搅拌边逐滴加入(1+9)磷酸溶液,至红色消失。
(2)水样如有颜色或悬浮物,可向每100ml水中加入2ml氢氧化铝悬浮液,搅拌,静置,过滤弃去25ml初滤液。
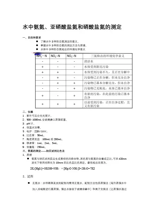
水中氨氮、亚硝酸盐氮和硝酸盐氮的测定一、目的和要求⏹了解水中3种形态氮测定的意义。
⏹掌握水中3种形态氮的测定方法与原理。
⏹水体中3种形态氮检出的环境化学意义二、仪器1.紫外可见分光光度计。
2.500~1000mL全玻璃磨口蒸馏装置。
3.pH计。
4.恒温水浴槽。
5.电炉:220V/1kW。
6.比色管:50mL。
7.陶瓷蒸发皿:100mL或200mL。
8.移液管:1mL、2mL、5mL。
9.容量瓶:250mL。
三、氨氮的测定——纳氏试剂比色法1、原理⏹氨氮与纳氏试剂反应生成黄棕色的络合物,其色度与氨氮的含量成正比,可在420nm波长下使用光程长为10mm的比色皿比色测定,最低检出浓度为。
2K2[HgI4]+3KOH+NH3=[Hg2O·NH2]I+2H2O+7KI2、试剂⏹无氨水:水样稀释及试剂配制均需用无氨水。
配制方法包括蒸馏法〔每升蒸馏水中加入浓硫酸进行重蒸馏,馏出水接收于玻璃容器中〕和离子交换法〔让蒸馏水通过强酸型阳离子交换树脂柱来制备〕。
⏹磷酸盐缓冲液〔pH为〕:称取磷酸二氢钾和磷酸氢二钾,溶于水中并稀释至1000mL,配制后用pH计测定其pH值,并用磷酸二氢钾或磷酸氢二钾调节pH为。
⏹吸收液:2%硼酸或硫酸。
⏹纳氏试剂:碘化汞-碘化钾-氢氧化钠。
称取16g氢氧化钠溶于50mL水中,冷却至室温。
称取7g碘化钾和10g碘化汞,溶于水中,然后将此溶液在搅拌下,缓慢加入到氢氧化钠溶液中,并稀释至100mL。
贮存于棕色瓶内,用橡皮塞塞紧,于暗处存放,有效期可达一年。
⏹50%酒石酸钾钠溶液:称取50g酒石酸钾钠溶于100mL水中,加热煮沸,以驱除氨,充分冷却后稀释至100mL。
⏹氨氮标准溶液:CN=1mg/mL。
称取无水氯化铵〔于100~105℃下干燥2h〕溶于无氨水中,转入1000mL容量瓶内,用无氨水稀释至刻度,摇匀,准确吸取该溶液于1000mL容量瓶内,用无氨水稀释至刻度,其浓度为10ug/mL。
土壤硝态氮测定方法转氨酶、硝态氮、铵态氮等测定方法六、氮含量(硝酸盐、亚硝酸盐、游离氨基酸、铵态氮等)的测定:(2g)样品提取液的提取: 称取新鲜植物组织2g,加入15ml无离子水研磨成匀浆,置于45℃振荡机中摇动浸提(或超声波)lh后用5ml无离子水冲洗干净,然后离心或过滤(如含色素需用活性炭脱色),滤液备用。
备注(lg的经验):可溶性糖、可溶性蛋白质、VC等需要研磨提取的简单指标也可以使用此提取液按比例测定。
1硝态氮的测定:标准氮试剂:精称KNO3 0.9021g,溶于少量重蒸无离子水中,并定容至250ml,含N 量为500µgNO3一N/ml。
5%水杨酸一硫酸溶液:称取水杨酸5g,溶于100ml浓H2SO4(比重1.84)中,搅拌溶解后贮于棕色瓶内,冰箱中至多保存l周,最好现用现配。
2mol/L NaOH溶液:称取NaOH 80g放入500ml硬质烧杯中,加入重蒸无离子水200ml,溶解后定容至l000ml。
操作方法标准曲线制作取:50ml容量瓶6只(编号),依次加入标准氮试剂5、l0、l5、20、25、30ml,用无离子水定容,则成为50、100、l50、200、250、300 ug/ml的氮系列标准溶液;再取干沽50ml三角瓶7只,分别装入上述系列溶液0.2ml,剩下的1只三角瓶加入无离水0.2ml(作为O 点);然后分别加入5%水杨酸一硫酸溶液0.8ml,混匀静置20--30min(显色);最后加入2mol/L NaOH溶液l9ml,混匀。
冷却后利用751分光光度计,于410nm下比色,记录光密度(OD)值;并以OD 值为纵座标,以标准氮(0、50、l00、150、200、250、300 ug)为横座标,绘制一条标准曲线(通过原点的直线)。
0.1ml滤液+0.4ml 5%水杨酸一硫酸溶液,混匀静置20--30min(显色);最后加入2mol/L NaOH溶液9.5ml,混匀。
水中氨氮、亚硝酸盐氮和硝酸盐氮的测定一、目的和要求⏹了解水中3种形态氮测定的意义。
⏹掌握水中3种形态氮的测定方法与原理。
⏹水体中3种形态氮检出的环境化学意义二、仪器1.紫外可见分光光度计。
2.500~1000mL全玻璃磨口蒸馏装置。
3.pH计。
4.恒温水浴槽。
5.电炉:220V/1kW。
6.比色管:50mL。
7.陶瓷蒸发皿:100mL或200mL。
8.移液管:1mL、2mL、5mL。
9.容量瓶:250mL。
三、氨氮的测定——纳氏试剂比色法1、原理⏹氨氮与纳氏试剂反应生成黄棕色的络合物,其色度与氨氮的含量成正比,可在420nm波长下使用光程长为10mm的比色皿比色测定,最低检出浓度为。
2K2[HgI4]+3KOH+NH3=[Hg2O·NH2]I+2H2O+7KI2、试剂⏹无氨水:水样稀释及试剂配制均需用无氨水。
配制方法包括蒸馏法〔每升蒸馏水中加入浓硫酸进行重蒸馏,馏出水接收于玻璃容器中〕和离子交换法〔让蒸馏水通过强酸型阳离子交换树脂柱来制备〕。
⏹磷酸盐缓冲液〔pH为〕:称取磷酸二氢钾和磷酸氢二钾,溶于水中并稀释至1000mL,配制后用pH计测定其pH值,并用磷酸二氢钾或磷酸氢二钾调节pH为。
⏹吸收液:2%硼酸或硫酸。
⏹纳氏试剂:碘化汞-碘化钾-氢氧化钠。
称取16g氢氧化钠溶于50mL水中,冷却至室温。
称取7g碘化钾和10g碘化汞,溶于水中,然后将此溶液在搅拌下,缓慢加入到氢氧化钠溶液中,并稀释至100mL。
贮存于棕色瓶内,用橡皮塞塞紧,于暗处存放,有效期可达一年。
⏹50%酒石酸钾钠溶液:称取50g酒石酸钾钠溶于100mL水中,加热煮沸,以驱除氨,充分冷却后稀释至100mL。
⏹氨氮标准溶液:CN=1mg/mL。
称取无水氯化铵〔于100~105℃下干燥2h〕溶于无氨水中,转入1000mL容量瓶内,用无氨水稀释至刻度,摇匀,准确吸取该溶液于1000mL容量瓶内,用无氨水稀释至刻度,其浓度为10ug/mL。
氨氮硝酸氮亚硝酸氮测定方法总结氨氮的测定方法主要有取样后直接测定法、氨滴定法和厌氧颜色反应测定法等。
取样后直接测定法适用于含氨浓度较高的水样,通过将水样直接加入酸性介质中,利用比色法测定产生的氨气,快速测定氨氮的浓度。
氨滴定法是一种常用的氨氮测定方法,通过在酸性介质中逐滴加入氯仿溶液或氯铁溶液,实现氨氮与试剂中的氯离子反应生成稳定的铁胞啉络合物,从而测定氨氮的浓度。
厌氧颜色反应测定法则是通过在碱性环境中,将氨氮与甲基绿反应生成蓝色络合物,通过比色法测定氨氮的浓度。
硝酸氮的测定方法主要有浓缩—滴定法、进样—滴定法和自动分析仪法等。
浓缩—滴定法是一种常用的测定硝酸氮浓度的方法,通过将取样液经过硝酸浓缩后加入碱性介质中滴加硝酸铀溶液或硝酸汞溶液,根据试剂消耗量计算硝酸氮浓度。
进样—滴定法则是将水样直接进入滴定仪进行滴定,通过检测试剂的消耗量测定硝酸氮的浓度。
自动分析仪法是使用现代化仪器分析硝酸氮浓度,利用化学反应和光学仪器测定。
亚硝酸氮的测定方法主要有硫酸盐法、试纸法和高效液相色谱法等。
硫酸盐法是一种常用的测定亚硝酸氮浓度的方法,通过加入硫酸盐试剂使亚硝酸氮氧化成硝酸氮,再通过硝酸氮测定方法进行测定。
试纸法则是使用专用试纸或试纸片对亚硝酸盐进行测定,试纸会在与亚硝酸盐接触后发生颜色变化,根据颜色的变化来测定亚硝酸氮的浓度。
高效液相色谱法则是使用液相色谱仪,通过化学反应后,利用色谱仪分离和测定样品中的亚硝酸氮浓度。
这些测定方法各有优缺点。
取样后直接测定法简便快速,适用于氨氮浓度较高的水样,但对于氨氮浓度较低的水样限制较大。
氨滴定法和厌氧颜色反应测定法都是常用的氨氮测定方法,灵敏度高,但需要使用试剂和仪器来测定。
浓缩—滴定法是常用的硝酸氮测定方法,但需要加入试剂进行处理,操作复杂。
自动分析仪法则在测定硝酸氮浓度时具有较高的准确性和稳定性。
亚硝酸氮的测定方法中,硫酸盐法操作简单,但存在反应较慢的问题,试纸法虽然方便快捷但准确性较差,高效液相色谱法准确性较高但需要使用昂贵的仪器。
二.亚硝态氮、硝态氮、铵态氮、尿素测定1.硝态氮测定(紫外分光光度校正因数法)1.约测:吸取水样(土壤浸提液)注入1cm光径石英比色杯中,以浸提剂为参比,在210nm波长处约测吸收值。
根据约测结果,测定浸出液应予稀释的倍数,使吸收溶液吸收值在0.1~0.8之间。
2.测定:水样(浸出液)稀释一定倍数后,吸取25ml放入50ml三角瓶中,加入1.00ml 1:9硫酸溶液,摇匀。
装入1cm光径石英比色杯在紫外分光光度计上分别于210nm和275nm处测定吸光度A210和A275,以同样稀释酸化后的饱和硫酸钙溶液为参比溶液,调节仪器的零点。
3.工作曲线绘制:吸取10mg/LNO3—N标准溶液0.00、1.00、2.00、4.00、6.00、8.00ml于50ml容量瓶中,(加一定体积浸提剂)定容。
即得0.00、0.20、0.40、0.80、1.20、1.60mg/LNO3—N标准溶液。
各取25.00mL于50ml三角瓶中,加1.00ml1:9硫酸溶液,摇匀。
装入1cm光径石英比色杯在紫外分光光度计上分别于210nm和275nm处测定吸光度A210和A275。
4.结果计算:ΔA= A210-A275f其中f为校正因数,在土壤有机质含量小于50g/kg时,f可取2.2,若大于土壤有机质含量大于50g/kg,需重新测定。
硝态氮含量(mg/kg)=c*V*D/m其中c为溶液中硝态氮浓度(mg/L),V为浸提液体积(mL),m为烘干土样质量(g),D为浸出液稀释倍数,不稀释时为1。
2.亚硝酸根的测定(重氮化耦合分光光度法)吸取50mL水样于100mL容量瓶中,加4mL对氨基苯磺酸显色剂及4mLa-萘胺显色剂,加蒸馏水至刻度摇匀。
放置20min后在分光光度计上用530nm波长进行比色,读取透光度。
绘制标准曲线:吸取亚硝酸盐标准溶液0、0.5、1、3、5mL,分别放入100mL容量瓶中,此标准系列含亚硝酸根分别为0、0.05、0.1、0.3、0.5mg/L,与待测水样同样条件进行比色,绘制标准曲线。
中华人民共和国国家标准水质亚硝酸盐氮的测定分光光度法本标准等效采用ISO 6777-1984《水质亚硝酸氮测定分子吸收分光光度法》。
本标准根据我国标准的格式对ISO6777-1984标准技术上稍作修改和补充。
1 适用范围本标准规定了用分光光度法测定饮用水、地下水、地面水及废水中亚硝酸盐氮的方法。
1.1测定上限当试份取最大体积(50 ml)时,用本方法可以测定亚硝酸盐氮浓度高达0.20 mg/L。
1.2最低检出浓度采用光程长为10 mm的比色皿,试份体积为50 ml,以吸光度0.01单位所对应的浓度值为最低检出限浓度,此值为0.003 mg/L。
采用光程长为10 mm的比色皿,试份体积为50 ml,最低检出浓度为0.001 mg/L。
1.3灵敏度采用光成长为10 mm的比色皿,试份体积为50 ml时,亚硝酸盐氮浓度c N=0.20 mg/L,给出的吸光度约为0.67单位。
1.4干扰当试样pH>11时,可能遇到某些干扰,遇此情况,可向试份中加入酚酞溶液(3.12)一滴,边搅拌边逐滴加入磷酸溶液(3.4),至红色刚消失。
经此处理,则在加入显色剂后,体系pH值为1.8±0.3,而不影响测定。
试样如有颜色和悬浮物,可向每100 ml试样中加入2ml氢氧化铝悬浮液(3.9),搅拌,静置,过滤,弃去25 ml初滤液后,再取试份测定。
水样中常见的产生明显干扰的物质有氯胺、氯、硫代硫酸盐、聚磷酸钠和三价铁离子。
2原理在磷酸介质中,pH值为1.8时,试份中的亚硝酸根离子与4-氨基苯磺酰胺(4-aminobenzene sulfonamide)反应生成重氮盐,它再与N-(1-萘基)-乙二胺二盐酸盐[N-(1-naphthyl)-1,2-diaminoethane dihydrochlo-ride)]偶联生成红色染料,在540 nm波长处测定吸光度。
如果使用光程长为10 mm的比色皿,亚硝酸盐氮的浓度在0.2 mg/L以内其呈色符合比尔定律。
水中氨氮、亚硝酸盐氮和硝酸盐氮的测定一、目的和要求⏹了解水中3种形态氮测定的意义;⏹掌握水中3种形态氮的测定方法与原理;⏹水体中3种形态氮检出的环境化学意义二、仪器1.紫外可见分光光度计;2.500~1000mL全玻璃磨口蒸馏装置;3.pH计;4.恒温水浴槽;5.电炉:220V/1kW;6.比色管:50mL;7.陶瓷蒸发皿:100mL或200mL;8.移液管:1mL、2mL、5mL;9.容量瓶:250mL;三、氨氮的测定——纳氏试剂比色法1、原理⏹氨氮与纳氏试剂反应生成黄棕色的络合物,其色度与氨氮的含量成正比,可在420nm波长下使用光程长为10mm的比色皿比色测定,最低检出浓度为L;2K2HgI4+3KOH+NH3=Hg2O·NH2I+2H2O+7KI2、试剂⏹无氨水:水样稀释及试剂配制均需用无氨水;配制方法包括蒸馏法每升蒸馏水中加入浓硫酸进行重蒸馏,馏出水接收于玻璃容器中和离子交换法让蒸馏水通过强酸型阳离子交换树脂柱来制备;⏹磷酸盐缓冲液pH为:称取磷酸二氢钾和磷酸氢二钾,溶于水中并稀释至1000mL,配制后用pH计测定其pH值,并用磷酸二氢钾或磷酸氢二钾调节pH为;⏹吸收液:2%硼酸或L硫酸;⏹纳氏试剂:碘化汞-碘化钾-氢氧化钠;称取16g氢氧化钠溶于50mL水中,冷却至室温;称取7g碘化钾和10g碘化汞,溶于水中,然后将此溶液在搅拌下,缓慢加入到氢氧化钠溶液中,并稀释至100mL;贮存于棕色瓶内,用橡皮塞塞紧,于暗处存放,有效期可达一年;⏹50%酒石酸钾钠溶液:称取50g酒石酸钾钠溶于100mL水中,加热煮沸,以驱除氨,充分冷却后稀释至100mL;⏹氨氮标准溶液:CN=1mg/mL;称取无水氯化铵于100~105℃下干燥2h溶于无氨水中,转入1000mL容量瓶内,用无氨水稀释至刻度,摇匀,准确吸取该溶液于1000mL容量瓶内,用无氨水稀释至刻度,其浓度为10ug/mL;⏹硫酸锌溶液:10%m/V;⏹氢氧化钠溶液:25%m/V;3、步骤1水样蒸馏先在蒸馏瓶中加200mL无氯水,加10mL磷酸盐缓冲液和数粒玻璃珠,加热至馏出物中不含氨为止,冷却,然后将蒸馏液倾出留下玻璃珠;量取水样200mL置于蒸馏瓶中如水样的含氨量较大,则取适量的水样,用无氨水稀释至200mL,加入10mL磷酸盐缓冲液;另取一只盛有50mL吸收液的250mL锥形瓶收集馏出液,收集时应将冷凝管的导管末端浸入吸收液,其蒸馏速度为6 ~ 8 mL/min,至少收集150mL馏出液;蒸馏结束前2~3min,应把锥形瓶放低,使吸收液面脱离冷凝管子,并再蒸馏片刻以冼净冷凝管和导管,用无氨水稀释至250mL备用;2凝聚沉淀取100mL水样,加入1mL硫酸锌溶液和~氢氧化钠溶液,调节pH约为,混匀,放置使之沉淀,倾取上清液作试份;必要时,用经水冲洗过的中速滤纸过滤,弃去初滤液20mL;3测定a. 水样;如为清洁水样,可直接取50mL置于50mL比色管中; 一般水样则用凝聚沉淀法进行预处理,倾取上清液作试份;如果凝聚沉淀后样品仍浑浊和带色,则应采用蒸馏法,收集馏出液并稀释到50mL;若氨氮含量很高,也取适量水样稀释到50mL;b. 制备标准系列;取浓度为10mg/mL氨氮标准溶液、、、、、、、,分别加入50mL比色管中,以无氨水稀释到刻度;c. 测定;在水样及标准系列中分别加入酒石酸钾钠,摇匀,再加纳氏试剂,摇匀,放置10min后,在λ=420nm 处,用10mm比色皿,以蒸馏水为参比测定吸光度,绘制标准曲线,并从标准曲线上查得水样中氨氮的含量;四、亚硝酸盐氮的测定——盐酸萘乙二胺比色法1. 原理在pH为~时,水中亚硝酸盐与对氨基苯磺酸生成重氮盐,再与盐酸萘乙二胺发生偶联后生成红色染料,最大吸收波长为543nm,其色度深浅与亚硝酸盐含量成正比,可用比色法测定,检出限为mL,测定上限为mL;2. 试剂1制备不含亚硝酸盐的水;在蒸馏水中加入少许高锰酸钾晶体,再加氢氧化钙或氢氧化钡,使之呈碱性;重蒸馏后,弃去50mL初滤液,收集中间70%的无亚硝酸馏分;2亚硝酸盐标准储备液;称取亚硝酸钠溶于水中,加入1mL氯仿,稀释至1000mL;由于亚硝酸盐氮在潮湿环境中易被氧化,所以储备液在测定时需标定;标定方法如下:在250mL具塞锥型瓶内依次加入L高锰酸钾溶液,5mL浓硫酸及亚硝酸钠储备液加亚硝酸钠储备液时应将吸管插入高锰酸钾溶液液面以下,混匀,在水浴上加热至70~80℃后,按每次的量加入过量的L草酸钠标准溶液,使溶液紫红色褪去,记录草酸钠标准溶液用量V2;再以L高锰酸钾溶液滴定过量的草酸钠,至溶液呈微红色,记录高锰酸钾溶液的用量V1;再以50mL不含亚硝酸盐的水代替亚硝酸钠储备液,并按上步骤操作,用草酸钠标准溶液标定高锰酸钾溶液,按下式计算高锰酸钾溶液浓度mol/L:按下式计算亚硝酸盐标准储备液的浓度mg/L:式中:C亚硝酸盐氮-------亚硝酸钠储备溶液浓度以N计,mg/L;V1-------滴定亚硝酸盐氮标准储备液时,所用高锰酸钾溶液总量,mL;C1/5KMnO4-------经标定的高锰酸钾标准溶液的浓度,mol/L;V2-----滴定亚硝酸盐氮标准储备液时,所加草酸钠标准溶液总量,mL;草酸钠标准溶液的浓度1/2Na2C2O4,L;亚硝酸钠标准储备液用量,mL;7------亚硝酸盐氮1/2N的摩尔质量,g/mol;V4------滴定水时,加入草酸钠标准溶液的总量,mL;V3------滴定水时,所加高锰酸钾标准溶液的总量,mL ;3亚硝酸盐使用液:临用时将标准储备液稀释为mL的亚硝酸盐氮的标准使用液;4草酸钠标准溶液1/2Na2C2O4,L:称取经105℃干燥2h的优级纯无水草酸钠溶于水中,转入1000mL 容量瓶内加水稀释至刻度;5高锰酸钾溶液1/5KMnO4,L:溶解高锰酸钾于水中,煮沸~1h,使体积减少至1000mL左右,放置过夜,用G3号熔结玻璃漏斗过滤后,滤液贮存于棕色试剂瓶中,用上述草酸钠标准溶液标定其准确浓度;6氢氧化铝悬浮液;溶解125g硫酸铝钾AlKSO42·12H2O,CP级于1L水中,加热到60℃;在不断搅拌下慢慢加入55mL氨水,放置约1h后,用水反复洗涤沉淀到洗出液中不含氨、氯化物、硝酸盐和亚硝酸盐为止;待澄清后,倾出上层清液,只留浓的絮凝物,最后加入100mL水;使用前应振荡均匀;7盐酸萘乙二胺显色剂:50mL冰醋酸与900mL的水混合,加入对氨基苯磺酸,加热使其全部溶解,再加入盐酸萘乙二胺,搅拌溶解后用水稀释至1000mL;溶液无色,贮存于棕色瓶中,在冰箱中保存可稳定一个月;3.步骤1 水样预处理水样如有颜色和悬浮物,可以每100mL水样中加入2mL氢氧化铝悬浮液搅拌,静置过滤,弃去25mL初滤液;2 标准曲线的绘制及样品测定取50mL比色管7支,分别加入亚硝酸盐氮1ug/mL的标准溶液、、、、、、,用无氨水稀释到刻度;取50mL澄清水样置于50mL比色管中,如亚硝酸盐含量高,可适量少取水样,用无亚硝酸盐的水稀释至50mL;向上述各比色管中分别加入2mL盐酸萘乙二胺显色剂,混匀,20min后;于λ=543nm处,用20mm比色皿测定吸光度;绘制标准曲线,查出水样中亚硝酸盐氮的含量;五、硝酸盐氮的测定——二磺酸酚比色法1. 原理浓硫酸与苯酚作用生成二磺酸酚,在无水条件下二磺酸酚与硝酸盐作用生成二磺酸硝基酚,二磺酸硝基酚在碱性溶液中发生分子重排生成黄色化合物,最大吸收波长在410nm处,利用其色度和硝酸盐含量成正比,可进行比色测定;检出限为mL,检测上限为mL;2. 试剂1二磺酸酚试剂:称取15g精制苯酚,置于250mL三角烧瓶中,加入100mL浓硫酸,瓶上放一个漏斗,置于沸水浴内加热6h,试剂应为浅棕色稠液,保存于棕色瓶内;2硝酸盐标准储备液:称取分析纯硝酸钾经105~110℃烘4h溶于水中, 稀释至1000mL,其浓度为100mg/L;3硝酸盐标准溶液:准确移取50mL 硝酸盐标准储备液,置于蒸发皿中,在水浴上蒸干,然后加入二磺酸酚,用玻棒研磨,使试剂与蒸发皿内残渣充分接触,静置10min,加入少量蒸馏水,移入250mL 容量瓶中,用蒸馏水稀释至标线,即为20ug/mL 的NO 3――N 标准溶液;4浓氨水;5硫酸银溶液:称取硫酸银溶于水中,稀释至1000mL,于棕色瓶中避光保存;此溶液相当于含氯Cl -;6高锰酸钾溶液1/5KMnO 4,L :溶解高锰酸钾于水中,并稀释至1000mL;7乙二胺四乙酸二钠溶液EDTA :称取50g 乙二胺四乙酸二钠,用20mL 蒸馏水调成糊状,然后加入60mL 浓氨水,充分混合,使之溶解;8碳酸钠溶液1/2Na 2CO 3,L :称取无水碳酸钠,溶于1000mL 水中;3. 步骤1水样预处理⏹ 脱色:污染严重或色泽较深的水样即色度超过10度,可在100mL 水样中加入2mL 氢氧化铝悬浮液,摇匀后,静置数分钟,澄清后过滤,弃去最初滤出的部分溶液5~10mL;⏹ 除去氯离子:取50mL 水样,滴加一定量的硫酸银溶液直到不产生白色沉淀为止,再通过离心或过滤除去氯化银沉淀,滤液转移至100mL 的容量瓶中定容至刻度;⏹ 去除亚硝酸盐氮影响:如水样中亚硝酸盐氮含量超过L,可事先将其氧化为硝酸盐氮;具体方法:在已除氯离子的100mL 容量瓶中加入L 硫酸溶液,混合均匀后滴加L 高锰酸钾溶液,至淡红色出现并保持15min 不褪色,以使亚硝酸盐完全转变为硝酸盐,最后从测定结果中减去亚硝酸盐含量;2标准曲线的绘制⏹ 分别吸取硝酸盐氮标准溶液、、、、、、于50mL 比色管中,加入二磺酸酚,浓氨水,用蒸馏水稀释至刻度,摇匀;用1mL 比色皿,以蒸馏水作为参比,于波长410nm 处测定吸光度,绘制标准曲线;3水样测定⏹ 吸取经预处理的水样如硝酸盐氮含量较高可酌情减少至蒸发皿内,如有必要可用L 碳酸钠溶液调节水样pH 至中性pH7~8,置于水浴中蒸干;取下蒸发皿,加入二磺酸酚,用玻棒研磨,使试剂与蒸发皿内残渣充分接触,静止10min,加入少量蒸馏水,搅匀,滤入50mL 比色管中,加入3mL 浓氨水使溶液明显呈碱性;如有沉淀可滴加EDTA 溶液,使水样变清,用蒸馏水稀释至刻度,摇匀,测定吸光度;根据标准曲线,计算出水样中硝酸盐氮的含量ug/mL;六、数据处理⏹ 根据NH 3--N 、NO 2--N 、和NO 3--N 的浓度与吸光度的标准曲线,以及样品吸光度,计算水样中三氮的含量,通过比较水样中三氮的含量,评价水体的自净程度;⏹ 氨氮浓度或亚硝酸盐氮、硝酸盐氮以N 计 ⏹ mg/L=水样体积酸盐氮、硝酸盐氮)测定的氨氮量(或亚硝七、注意事项⏹ 在氨氮测定时,水样中若含钙、镁、铁等金属离子会干扰测定,可加入络合剂或预蒸馏消除干扰;纳氏试剂显色后的溶液颜色会随时间面变化,所以必须在较短时间内完成比色操作;⏹ 亚硝酸盐是含氮化合物分解过程中的中间产物,很不稳定,采样后的水样应尽快分析;⏹ 可溶性有机物、亚硝酸盐、+6价铬和表面活性剂均干扰硝酸盐氮的测定;可溶性有机物用校正法消除;亚硝酸盐干扰可用氨基磺酸法消除;+6价铬和表面性剂可制备各自的校正曲线进行校正;。
亚硝酸盐氮的监测方法亚硝酸盐氮是水体中一种重要的污染物,也是衡量水体富营养化程度的重要指标之一、亚硝酸盐氮来自于水体中的有机氮和氨氮的氧化过程,它具有一定的毒性,并对生态环境和人体健康产生潜在风险。
因此,监测亚硝酸盐氮浓度对于环境保护具有重要意义。
下面将介绍一些常用的亚硝酸盐氮监测方法。
一、标准色谱法标准色谱法是测定亚硝酸盐氮浓度的经典方法之一、该方法基于亚硝酸盐氮与萘乙酸钠反应生成偶氮染料,然后使用高效液相色谱(HPLC)或气相色谱(GC)进行分离和检测。
该方法具有高灵敏度和准确性,适用于亚硝酸盐氮浓度低的水样分析。
二、纳米颗粒纯化法纳米颗粒纯化法是一种基于纳米颗粒对亚硝酸盐氮的选择性吸附和纯化的方法。
该方法利用亚硝酸盐氮与纳米颗粒之间的特异性相互作用,将亚硝酸盐氮从水样中进行富集和纯化,然后使用分光光度法、荧光法等进行测定。
该方法具有简单、快速、灵敏度高的特点,适用于亚硝酸盐氮的在线监测。
三、电化学方法电化学方法是基于电化学原理进行亚硝酸盐氮浓度测定的方法。
常用的电化学方法包括极谱法、电化学发光法和电化学阻抗法等。
其中,极谱法是一种基于电极表面反应测定亚硝酸盐氮浓度的方法,通过控制电化学电位,使亚硝酸盐氮在电极表面发生氧化还原反应,然后通过测量电流信号来计算亚硝酸盐氮浓度。
电化学方法具有灵敏度高、选择性好的特点,适用于亚硝酸盐氮浓度较低的水样监测。
四、分子光谱法分子光谱法是基于亚硝酸盐氮与特定试剂在一定条件下发生化学反应,形成有色化合物后利用分光光度计进行测定的方法。
常用的试剂包括格里芬试剂、吡啶酮试剂等。
该方法具有简单、快速、准确性好的特点,适用于亚硝酸盐氮浓度高的水样监测。
五、生物传感技术生物传感技术是基于生物酶或生物反应器与亚硝酸盐氮发生特异性反应,通过测量反应过程中的生物信号来进行测定的方法。
常用的生物传感技术包括光生物传感技术、电生物传感技术和荧光生物传感技术等。
该方法具有灵敏度高、选择性好的特点,适用于亚硝酸盐氮浓度低的水样监测。
土壤中亚硝态氮的测定分析---- 磺胺/盐酸萘乙二胺-分光光度法试剂及其配制1. 浓磷酸:2. 氯化钾:(KCl):优级纯3. 化钾溶液c(KCl)=1mol/L(74.55gKCl,1L水)4. 亚硝酸钠:优级纯,干燥器中干燥24h。
1) 亚硝酸钠标准储备液:;(4.926g亚硝酸钠,适量水溶解,定容至1L)(存于PE瓶中,4,6个月)2) 亚硝酸钠标准使用液1:;(10ml储备液。
定容至100ml容量瓶)3) 亚硝酸钠标准使用液2:;(10ml使用液1。
定容至100ml容量瓶)a) 磺胺溶液();(1000ml容量瓶中加入600ml水,再加入200ml浓磷酸,再加入80g磺胺,定容,4,1年)b) 盐酸N-(1-萘基)-乙二胺溶液;(0.4g该物质溶于100ml水中。
4保存,溶液颜色变深时停止使用)c) 显色剂;(20ml磺胺、20ml盐酸萘基溶液、20ml浓磷酸与100ml棕色试剂瓶中,混合,4保存,溶液变黑时停止使用)样品的采集保存和制备样品采集样品保存:样应该在4下保存和运输,在3日内分析完毕,否则应该在-20(深度冷冻)下保存。
试样制备:采集后去除杂物,混匀,过筛,一份测定干物质质量,一份测定亚硝态氮试料制备:1. 40g试样(空白不加试样),放入500ml PE瓶中,加入200mlKCl (aq),在20很稳水浴振荡器中振荡提取1h。
a) 转移约60ml提取液,于100ml聚乙烯离心管中,在3000rpm的条件下分离10min。
取离心后上清液50ml于100ml比色管中b) 或者在4下,以静置4h的方式代替离心分离,制得试料亚硝态氮的分析操作步骤波长543nm处,水为参比,测定吸光度各加入0.2ml显色剂,混匀,静置60min~90min,室温显色加入20ml水,摇匀各取1ml于25具塞比色管100mL容量瓶定容。