GB894186轴用弹性挡圈A型.(DOC)
- 格式:doc
- 大小:81.50 KB
- 文档页数:3
关于轴用弹性挡圈,你需要的知识都在这!轴用弹性挡圈是一种安装于槽轴上,用作固定零部件的轴向运动,这类挡圈的内径比装配轴径稍小。
安装时须用卡簧钳,将钳嘴插入挡圈的钳孔中,扩张挡圈,才能放入预先加工好的轴槽上。
常规包装以油纸或塑料为一个批次包装,表面一般以磷化发黑为主,俗称外卡。
轴用挡圈生产时需要注意的几方面;一是表面平整;二是硬度弹性合格;三是不能有边角毛刺。
轴用弹性挡圈安装方法:用卡簧钳,将钳嘴插入挡圈的钳孔中,扩张挡圈,将挡圈放入预先加工好的轴槽上。
展开剩余94%轴用弹性挡圈A型与轴用弹性挡圈B型的区别:一、市场应用不同A型与B型市场上都有,区别在于安装孔部分的形状,A型是圆弧过渡,而B型是直角过度。
一般来说,A型在欧美,日本,台湾等地都是占主流的,基本地B型。
B型国内还有人生产,珠三角地区,A 型多于B型。
其他的地区,个人没有统计,但是主观认为A型多于B型。
二、成型工艺不同A型系采用板材—冲切工艺制成,可适合动态运动及纵向承重;B 型系采用线材—冲切工艺制成,适合静态及横向旋转运动。
三、热处理前后硬度它们的热处理后硬度也不一样,B型的热处理硬度稍高于A型。
这类挡圈的内径比装配轴径稍小。
安装时须用卡簧钳,将钳嘴插入挡圈的钳孔中,扩张挡圈,才能放入预先加工好的轴槽上。
所以我们在选择的时候一定要注意,不能出现错误。
下面贤集网小编再为您介绍一下应该如何选择轴用弹性挡圈。
两者在大多数场合没有本质上的区别,差异主要还是体现在制造成本和对接触面的保护上。
一、成本A型是冲压板材出来的,冲了这么一个圆圈之后,这个圆圈的中间部分就是落料废材,比较难以再次利用。
而B型是个线材制品,只要“绕出”这么个圆圈,没有浪费的材料,所以目前B型比较多采用,因为B型耗材少,价格较低。
二、接触面A型它和被连接件是面接触的,A的截面的可以做到很宽或者很厚,甚至做到很扁的矩形使其有更大的负重能力和抗变形能力。
在一些挡圈不能很厚的场合,比如螺杆长度有限,或者,螺母很大需要大面积支垫的时候,很宽截面的A型平面可以起到更大的负载能力和更好的保护被连接件的接触面。
挡圈
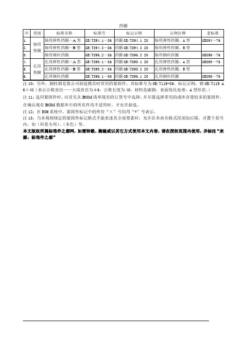
注10:另外,圆柱销是我公司制造模具时常用的紧固件,其标准号为GB/T119-86,标记示例:销GB/T119 A 6×40(表示公称直径——大端直径为φ6,公称长度为40,材料是碳钢,表面氧化处理,A型形状。
)
注11:选用紧固件时,应首先从BOM清单现有的订货号中选择,并尽量选择常用的或库存量较多的紧固件。
在确认现有BOM数据库中的所有件均不适用时,才允许新选。
注12:在BOM系统中,紧固件标记中的所有“×”号均用“*”号表示。
注13:当本规则规定的紧固件标记格式不能表述其全部要素时,允许在本命名格式尾部加后缀,并置于括号内,如(科星专用)、(本色)等。
本文版权所属标准件之都网,如需转载、摘编或以其它方式使用本文内容,请在授权范围内使用,并标注“来源:标准件之都”。
孔用轴用弹性挡圈尺寸标准
孔用+轴用弹性挡圈-标准规格 - A型卡簧标准规格参考...孔用弹性挡圈标准规格/A 型(GB/T893.1-1986)轴用弹性挡圈标准规格/A 型(GB/T894.1-1986...
嘉善屿金挡圈制造,主要产品有孔用弹性挡圈、轴用挡圈、钢丝挡圈、开口挡圈、活塞挡圈、波形垫圈、非标挡圈、圆螺母、内齿垫圈、外齿垫圈、内外锯齿垫圈、止退垫圈、止动环、圆柱销、弹性销、锥型垫圈……产品广泛用于家用电器、汽车、电子电器、仪表仪器、缝纫机、造纸机械、机械设备、等工业产品配件。
同时还可为贵厂按图纸要求冲制各类非标产品。
我厂长期备有现货,信守诺言,交货及时,欢迎广大新老用户订购。
.质量决定企业的命运!你想你的外协外加工件质量有保证吗?那你就选择屿金紧固件!电器冲压件、汽车冲压件、各种精加工件、车零件加工、用我们的专业技术为你加工高质量产品!你将再也不会为外协外加工件质量难以控制而烦恼!专业的技术水平,合理的加工工艺,精益求精的工作理念,在公司发展当中得到广大客户的认可,并与多家企业建立了长期的合作伙伴.。
产品介绍
应用于造船、汽车制造、机械设备、铁路、电站、建筑工程、机电设备安装、仪器仪表、机箱机柜、家具、电子、电器等行业。
产品俗称轴用挡圈、轴用卡簧、轴卡、轴档、轴用档卡。
轴用弹性挡圈GB894是安装于圆轴外,用作固定零部件的轴向运动,外径比装配圆孔直径径稍大。
安装时须用卡簧钳,将钳嘴插入挡圈的钳孔中,夹紧挡圈,才能放入预先加工好的圆轴外槽。
尺寸规格说明
规格:轴径d0=50mm、材料65Mn、热处理HRC44~51、经表面氧化处理的A型轴用弹性挡圈的标记:挡圈GB894.150
电镀类型中性盐雾试验时间(H)本色0
兰锌24
黄锌72
三价铬72
三价铬黑锌48
三价铬镍13
达克罗480
304不锈钢本色48
304不锈钢钝化240。