压力表选型和压力表规格型号Word版
- 格式:doc
- 大小:103.00 KB
- 文档页数:4
压力表选型指南
◆样本中所列仪表,一般适用于测量无爆炸危险、不结晶、不凝固以及对铜和铜合金
不起腐蚀作用的液体、气体和蒸汽等介质的压力。
仪表内部采用不锈钢材质的,可用于测量具有腐蚀性,但无爆炸危险、不结晶、不凝固的液体、气体和蒸汽等介质的压力。
隔膜式仪表,可用于测量具有强腐蚀性、高粘度、易结晶或含有固体颗粒的液体介质的压力。
◆压力表一般使用至测量上限值的3/4,测量波动压力时,使用至测量上限值的2/3。
◆耐震型1.6MPa以下的仪表,因大气压的变化会造成仪表内外压差,可能会出现指针
不回零的现象,此时可在仪表注油橡胶塞上扎一小孔,让仪表内腔与大气相通即可。
◆
◆本公司样本中字母代号的含义为:
◆本公司仪表的接头螺纹采用国家标准,也可根据用户的要求,制成管累纹,如G1/4、
ZG1/4、Z1/4、G3/8、ZG3/8、Z3/8、G1/2、ZG1/2等。
◆本样本中所给出的外形尺寸,随着科技的发展和产品的不断改进,会有所不同,请
届时和我公司保持联系。
◆本公司样本中所列法兰,均按化工部HG标准、国家GB标准,也可按日本HS标准、
美国ANSI标准制造。
◆订货须知:
订货时请注明产品名称、型号规格、测量范围、精度等级、接口螺纹、法兰通径尺寸等参数,以及购货数量和到货日期等。
以免影响你的使用。
◆压力单位换算表:
无锡市惠华特种仪表有限公司。
压力表选型介绍压力表精度等级是压力表精确度等级或准确度等级的简称,(GB/T1226-2001《一般压力表》国家标准称之为仪表的精确度等级,JJG52-1999《弹簧管式一般压力表、压力真空表和真空表》称之为仪表的准确度等级.压力表精度等级含义压力表的准确度等级用压力表量程内允许误差的百分比表示,一般分为0.5、1、1.5、2、2.5、3、4级(锅炉上不使用3、4级)。
值越小,精确度越高。
例如,表盘量程0~2.5 MPa精度2.5级的压力表,它的指针所示压力值与被测介质的实际压力值之间的允许误差,不得超过上2.5MPa×2.5%=±0.062 5 MPa;当压力表指示压力为0.8MPa时,实际气压在0.737 5~0.862 5MPa之间。
可见,压力表的实际误差不仅与精度有关,还与压力表的量程有关。
量程相同时,精度越高(即数字越小),压力表的允许误差越小。
在精度相同的情况下,量程越大,压力表的误差越大。
压力表选用压力表的选用应根据使用要求,在满足技术要求的前提下,本着经济实用的原则综合考虑,合理选择精度等级、量程、类型和型号。
1、压力表精度等级的确定精密压力表的精度等级分别为0.1、0.16、0.25和0.4。
一般压力表的精度等级分别为1.0、1.6、2.5、4.0。
压力表准确度等级的选择方法:准确度等级应根据生产工艺要求、经济实用性、检测方法和被测压力最小值所要求的允许误差来确定。
2、压力表量程的选择1). 测量稳定压力时,最大工作压力不应超过量程的2/3。
2). 测量脉动压力时,最大工作压力不应超过量程的1/23). 测量高压时,最大工作压力不应超过量程的3/54).为保证测量准确度,最小工作压力应不低于量程的1/3。
根据上述原则,根据测得的最大压力计算出一个值后,从压力表的量程系列中选择一个略大于该值的值作为选择量程。
3.压力表种类的选择测量不同介质和使用环境要选用不同种类压力表1).一般介质,如空气、水、蒸汽、油等,可用普通压力表。
压力表选型及规格型号介绍一、量程选择在测稳定压力时,一般压力表最大量程选择接近或大于正常压力测量值的1・5倍;在测脉动压力时,一般压力表最大量程选择接近或大于正常压力测量值的2倍;在测机泵出口压力时,一般压力表最大量程选择接近机泵出口最大压力值;在测高压压力时,一般压力表最大量程选择应大于最大压力测量值的1・7倍;为了保证压力测量精度,最小压力测量值应高于压力表测量量程的1/3二、型式选择测压>0.4MPa时,可选用弹簧管压力表;测压<0.04MPa时,可选用波纹管和膜盒压力表;测粘稠、易结晶、腐蚀性、含固体颗粒的场合,可采用膜片压力表或附带化学密封装置;测蒸汽或高于60 C的介质压力测量应选择不锈钢压力表或安装冷凝圈;脉动压力测量应附加阻尼器或耐震压力表;测含有粉尘气体时应设置除尘器;测含有液体的气体压力时应设置气液分离器;测某些化工介质应选用专用压力表:对含氨介质压力测量采用氨 用压力表,对含氧气压力测量采用氧气压力表, 对乙炔压力测量采用乙炔压力表,对含硫介质压力采用抗硫压力表 ;高压压力表(大于10MPa )应有泄压安全设施。
压力真空表 YZ-50/60/75/100/150压力真空表适用测量无爆炸,不结晶,不凝固,对铜和铜合 金无腐蚀作用的液体、气体的真空及压力。
压力真空表既能测量真空, 同时能测量压力,广泛应用于石油、化工、冶金等工业。
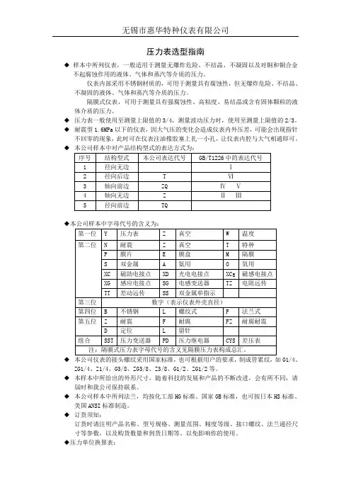
无彳弋号:径向无边 z :轴向无边ZQ :轴商帝前边「径向蒂后边 50 60100150 压力真空表技术参数:型号结构形式 精确度% 测量范围 MPaY Z-50Z 轴向无边翌.5-0.1 〜0;- •0.1 〜 YZ-60径向无边0.06 ; -0.1 〜0.15 ;结构形式表壳公祢直径 型号命名:压力真空表使用工作温度:-40 〜70压力真空表执行标准:GB/T1226-2001 外形尺寸:YZ □YZ-DTVZ^QZ YZ^DZQ注:连接螺纹可按要求订货.。
压力类仪表的选型<一>压力表的选择1按照使用环境和测量介质的性质选择(1)在大气腐蚀性较强、粉尘较多和易喷淋液体等环境恶劣的场合,宜选用密闭式全塑压力表。
(2)稀硝酸、醋酸、氨类及其它一般腐蚀性介质,应选用耐酸压力表、氨压力表或不锈钢膜片压力表。
(3)稀盐酸、盐酸气、重油类及其类似的具有强腐蚀性、含固体颗粒、粘稠液等介质,应选用膜片压力表或隔膜压力表。
其膜片或隔膜的材质,必须根据测量介质的特性选择。
(4)结晶、结疤及高粘度等介质,应选用膜片压力表。
(5)在机械振动较强的场合,应选用耐震压力表或船用压力表。
(6)在易燃、易爆的场合,如需电接点讯号时,应选用防爆电接点压力表。
(7)下列测量介质应选用专用压力表:•气氨、液氨:氨压力表、真空表、压力真空表;•氧气:氧气压力表;•氢气:氢气压力表;•氯气:耐氯压力表、压力真空表;•乙炔:乙炔压力表;•硫化氢:耐硫压力表;•碱液:耐碱压力表、压力真空表。
2精确度等级的选择(1)一般测量用的压力表、膜盒压力表和膜片压力表,应选用1.5级或2.5级。
(2)精密测量和校验用压力表,应选用0.4级、0.25级或0.16级。
3外型尺寸的选择(1)在管道和设备上安装的压力表,公称直径为φ100mm 或φ150mm。
(2)在仪表气动管路及其辅助设备上安装的压力表,公称直径为φ60mm。
(3)安装在照度较低、位置较高以及示值不易观测场合的压力表,公称直径为φ200mm或φ250mm。
4测量范围的选择(1)测量稳定的压力时,正常操作压力值应在仪表测量范围上限值的2/3~1/3。
(2)测量脉动压力(如:泵、压缩机和风机等出口处压力)时,正常操作压力值应在仪表测量范围上限值的1/2~1/3。
(3)测量高、中压力(大于4MPa)时,正常操作压力值不应超过仪表测量范围上限值的1/2。
5单位及标度(刻度)(1)压力仪表一律使用法定计量单位。
即:帕(Pa)、千帕(kPa)和兆帕(MPa)。
压力表选型及规格型号介绍一、量程选择在测稳定压力时,一般压力表最大量程选择接近或大于正常压力测量值的 1.5 倍;在测脉动压力时,一般压力表最大量程选择接近或大于正常压力测量值的 2 倍;在测机泵出口压力时,一般压力表最大量程选择接近机泵出口最大压力值 ;在测高压压力时,一般压力表最大量程选择应大于最大压力测量值的 1.7 倍;为了保证压力测量精度,最小压力测量值应高于压力表测量量程的1/3二、型式选择测压 >0.4MPa 时,可选用弹簧管压力表;测压 <0.04MPa 时,可选用波纹管和膜盒压力表;测粘稠、易结晶、腐蚀性、含固体颗粒的场合,可采用膜片压力表或附带化学密封装置 ;测蒸汽或高于 60℃的介质压力测量应选择不锈钢压力表或安装冷凝圈 ;脉动压力测量应附加阻尼器或耐震压力表 ;测含有粉尘气体时应设置除尘器 ;测含有液体的气体压力时应设置气液分离器;测某些化工介质应选用专用压力表:对含氨介质压力测量采用氨用压力表,对含氧气压力测量采用氧气压力表,对乙炔压力测量采用乙炔压力表,对含硫介质压力采用抗硫压力表 ;高压压力表 (大于 10MPa) 应有泄压安全设施。
压力真空表 YZ-50/60/75/100/150压力真空表适用测量无爆炸,不结晶,不凝固,对铜和铜合金无腐蚀作用的液体、气体的真空及压力。
压力真空表既能测量真空,同时能测量压力,广泛应用于石油、化工、冶金等工业。
型号命名:技术参数:型号结构形式精确度%测量范围MPa YZ-50Z轴向无边-0.1 ~0; -0.1~±2.5YZ-60径向无边0.06 ;-0.1~0.15 ;YZ-60T径向带后边-0.1 ~0.3 ;-0.1 ~YZ-60Z轴向无边0.5 ;-0.1 ~0.9;YZ-60ZQ轴向带前边-0.1 ~1.5 ;-0.1 ~2.4 ;YZ-100径向无边0~0.1;0~0.16 ;YZ-100T径向带后边0~0.25 ;0~0.4;YZ-100Z轴向无边0~0.6;0~1.0 ;0~1.6;0~2.5 ;YZ-100ZQ轴向带前边0~4;0~6;0~±1.6YZ-150径向无边10 ;0~16;0~25;YZ-150T径向带后边0~40;0~60;0~YZ-150Z轴向无边100 ;YZ-150ZQ轴向带前边注:轴向可按要求带方形前边。
压力表选型(1)量程选择在测稳定压力时,一般压力表最大量程选择接近或大于正常压力测量值的1.5倍; 在测脉动压力时,一般压力表最大量程选择接近或大于正常压力测量值的2倍; 在测机泵出口压力时,一般压力表最大量程选择接近机泵出口最大压力值; 在测高压压力时,一般压力表最大量程选择应大于最大压力测量值的1.7倍; 为了保证压力测量精度,最小压力测量值应高于压力表测量量程的1/3。
(2)型式选择测压>0.4MPa时,可选用弹簧管压力表; 测压<0.04MPa时,可选用波纹管和膜盒压力表; 测粘稠、易结晶、腐蚀性、含固体颗粒的场合,可采用膜片压力表或附带化学密封装置; 测蒸汽或高于60℃的介质压力测量应选择不锈钢压力表或安装冷凝圈; 脉动压力测量应附加阻尼器或耐震压力表; 测含有粉尘气体时应设置除尘器; 测含有液体的气体压力时应设置气液分离器; 测某些化工介质应选用专用压力表:对含氨介质压力测量采用氨用压力表,对含氧气压力测量采用氧气压力表,对乙炔压力测量采用乙炔压力表,对含硫介质压力采用抗硫压力表; 高压压力表(大于10MPa)应有泄压安全设施。
压力表的选择、校验和安装(图)压力表种类、型号、量程、精度等级的选择。
选择主要考虑三个方面:(1)根据被测压力的大小,确定仪表量程。
对于弹性式压力表,为了保证弹性元件在弹性变形的安全范围内可靠地工作,在选择压力表量程时,必须考虑到留有充分的余地,一般在被测压力较稳定的情况下,最大的压力值应不超过满量程的3/4;在被测压力波动较大的情况下,最大压力值应不超过满量程的2/3。
为了保证测量精度,被测压力值应不低于全量程的1/3为宜。
(2)根据生产允许的最大测量误差确定仪表的精度,选择时,应在满足生产要求的情况下尽可能选用精度较低,价廉耐用的压力表。
(3)选择时要考虑被测介质的性质。
如温度高低,粘度大小,腐蚀性,脏污程度,易燃易爆等。
还要考虑现场的环境条件,例如高温、腐蚀、潮湿、振动等。
单圈弹簧管压力表测量范围(量程)如下(MPa)压力表:0~0。
06;0~0。
1;0~0.16;0~0.25;0~0.4;0~0。
6;0~1;0~1。
6;0~2。
5;0~4;0~6;0~10;0~16;0~25;0~40;0~60;0~80;0~100;0~160真空表:-0.1~0真空压力表:—0。
1~0。
06;—0。
1~0.15;-0。
1~0。
3;-0.1~0.5;—0。
1~0.9;-0.1~1.5;-0。
1~2。
4压力表的量程和精度选择方法以及安装和使用的要求1、压力表量程的选择;应根据锅炉工作压力来选择,量程刻度的极限值应为工作压力的1。
5~3.0倍,最好是2倍。
ﻫ在工业锅炉中,实际情况是锅炉实际运行时的工作压力总是比铭牌上的额定压力要低,工业蒸汽锅炉和热水采暖锅炉均是如此。
例如4t/h的蒸汽锅炉,额定压力为1MPa,制造厂如按1.5倍来配备压力表,应配备1。
6MPa量程压力表。
若用户由于生产工艺需要,实际运行在0。
5MPa压力下即能满足工艺要求,这时运行量程,压力表的指针就指在量程的三分之一不到的位置,指针转过的角度很小,即选用的压力表量程太大。
热水锅炉亦是如此,例如采暖锅炉额定压力为0.7MPa,配备压力表应为1MPa或1.6MPa,如配备1MPa的压力表,怕在水压试验时使压力表过载,于是便配备量程为1。
6MPa的压力表。
实际运行时,只要0。
2MPa就能满足采暖要求,压力表的指针指在量程八分之一的位置,很难使人相信压力表的准确性和灵敏性。
为解决上述问题,应采用两种压力表,即在水压试验时,采用锅炉厂按额定压力配备的压力表;在日常运行时按实际工作压力的2倍来配备压力表。
如工作压力为0。
2MPa,即配用0.4MPa量程的压力表。
这样指针在刻度盘中间位置,垂直向上.安全阀的起座压力也是按工作压力来调整,压力表仍有足够的裕度应付超压指示。
2、选用压力表的精度应符合下列规定:1)锅炉工作压力小于2。
一、量程选择在测稳定压力时,一般压力表最大量程选择接近或大于正常压力测量值的1. 5倍;在测脉动压力时,一般压力表最大量程选择接近或大于正常压力测量值的2倍;在测机泵出口压力时,一般压力表最大量程选择接近机泵出口最大压力值;在测高压压力时,一般压力表最大量程选择应大于最大压力测量值的1.7倍;为了保证压力测量精度,最小压力测量值应高于压力表测量量程的1/3。
二、型式选择测压#gt;0.4MPa时,可选用弹簧管压力表;测压#lt;0.04MPa时,可选用波纹管和膜盒压力表;测粘稠、易结晶、腐蚀性、含固体颗粒的场合,可采用膜片压力表或附带化学密封装置;测蒸汽或高于60℃的介质压力测量应选择不锈钢压力表或安装冷凝圈;脉动压力测量应附加阻尼器或耐震压力表;测含有粉尘气体时应设置除尘器;测含有液体的气体压力时应设置气液分离器;测某些化工介质应选用专用压力表:对含氨介质压力测量采用氨用压力表,对含氧气压力测量采用氧气压力表,对乙炔压力测量采用乙炔压力表,对含硫介质压力采用抗硫压力表;高压压力表(大于10MPa)应有泄压安全设施。
压力表的选择单位及标度(刻度)压力仪表一律使用法定计量单位。
即:帕(Pa)、千帕(kPa)和兆帕(MPa)o 对于涉外设计项目,可以采用国际通用标准或相应的国家标准。
在执行本规定时,尚应符合国家现行有关标准的规定。
按照使用环境和测量介质的性质选择1 在大气腐蚀性较强、粉尘较多和易喷淋液体等环境恶劣的场合,应根据环境条件,选择合适的外壳材料及防护等级。
2 对一般介质的测量(1) 压力在一40kPa- 0 一十40kPa时,宜选用膜盒压力表。
(2 ) 压力在+40kPa以上时,一般选用弹簧管压力表或波纹管压力计。
(3) 压力在一100kPa一0一+2400kPa时,应选用压力真空表。
(4) 压力在一100kPa一OkPa时,宜选用弹簧管真空表。
3 稀硝酸、醋酸及其它一般腐蚀性介质,应选用耐酸压力表或不锈钢膜片压力表。
压力表的分类及技术参数一、Y系列压力表1、Y系列一般压力表、压力真空表、真空表该系列压力表广泛应用于管道及容器中测量无爆炸危险、无结晶体、不凝固及对合金不起腐蚀作用的液体、气体、蒸汽等介质的压力大小。
具有体积小,性能安全可靠,显示清晰等优点。
●选型表名称型号测量范围(MPa)精度压力表Y-40 1.5;2.5Y-60 1.5;2.5Y-100 1.0;1.5Y-150 1.0;1.5Y-200 1.0;1.5真空表Z-40 -0.1~0; 1.5;2.5Z-60 1.5;2.5Z-100 1.0;1.5Z-150 1.0;1.5Z-200 1.0;1.5压力真空表YZ-40 -0.1~0.06;-0.1~0.15;-0.1~0.3;-0.1~0.5;-0.1~0.9;-0.1~1.5;-0.1~2.4; 1.5;2.5YZ-60 1.5;2.5YZ-100 1.0;1.5YZ-150 1.0;1.5YZ-200 1.0;1.5使用环境条件温度-40~70℃;相对温度≤85%2、Y系列不锈钢压力表该系列压力表的零件采用耐腐蚀的不锈钢及耐腐蚀的合金材料制成,使仪表具有良好的耐腐蚀性能,可广泛应用于石油、化工、冶金、矿山、机械、电力及食品行业。
直接测量不结晶体,但有腐蚀性的气体、液体的压力。
●技术参数公称直径:Ф100结构形式:径向直接安装式接头螺纹:M20×1.5精度等级:1.5;2.5测量量范围:-0.1~0MPa;-0.1~0.15至-0.1~2.4MPa;0~0.1至0~60MPa耐振等级:YBF为V.H.3;YBFN为V.H.4材料:0Cr18Ni9Ti、1Cr18Ni9Ti、316L●规格示意名称型号公称直径测量范围(MPa)接头螺纹精度等级耐振等级YBF 100 -0.1~0;-0.1~0.15;-0.1~2.4;0~0.1;0~60;M20×1.5 1.5;2.5 V.H.3不锈钢耐振压力表YBFN 100 -0.1~0;-0.1~0.15;-0.1~2.4;0~0.1;0~60;M20×1.5 1.5;2.5 V.H.4二、YTN系列耐震压力表耐震压力表适用于环境剧烈振动场所,可耐受介质的脉动,冲击及突然卸荷,仪表指示稳定清晰。
压力表如何选型的正确方法压力表的选用:单位及标度(刻度)压力仪表一律使用法定计量单位。
即:帕(Pa)、千帕(kPa)和兆帕(MPa)o对于涉外设计项目,可以采用国际通用标准或相应的国家标准。
在执行本规定时,尚应符合国家现行有关标准的规定。
按照使用环境和测量介质的性质选择1在大气腐蚀性较强、粉尘较多和易喷淋液体等环境恶劣的场合,应根据环境条件,选择合适的外壳材料及防护等级。
2对一般介质的测量(1)压力在一40kPa-0一十40kPa时,宜选用膜盒压力表。
(2)压力在+40kPa以上时,一般选用弹簧管压力表或波纹管压力计。
(3)压力在一100kPa一0一+2400kPa时,应选用压力真空表。
(4)压力在一100kPa一OkPa时,宜选用弹簧管真空表。
3稀硝酸、醋酸及其它一般腐蚀性介质,应选用耐酸压力表或不锈钢膜片压力表。
4稀盐酸、盐酸气、重油类及其类似的具有强腐蚀性、含固体颗粒、粘稠液等介质,应选用膜片压力表或隔膜压力表。
其膜片及隔膜的材质,必须根据测量介质的特性选择。
5结晶、结疤及高粘度等介质,应选用法兰式隔膜压力表。
6在机械振动较强的场合,应选用耐震压力表或船用压力表。
7在易燃、易爆的场合,如需电接点讯号时,应选用防爆压力控制器或防爆电接点压力表。
8对于测量高、中压力或腐蚀性较强的介质的压力表,宜选择壳体具有超压释放设施的压力表。
下列测量介质应选用专用压力表:(1)气氨、液氨:氨压力表、真空表、压力真空表;(2)氧气:氧气压力表;(3)氢气:氢气压力表;(4)氯气:耐氯压力表、压力真空表;(5)乙炔:乙炔压力表;(6)硫化氢:耐硫压力表;(7)碱液:耐碱压力表、压力真空表。
10测量差压时,应选用差压压力表。
精确度等级的选择1一般测量用压力表、膜盒压力表和膜片压力表,应选用1.5级或2.5.级。
2精密测量用压力表,应选用0.4级、0.25级或0.16级。
外型尺寸的选择1在管道和设备上安装的压力表,表盘直径为中l00mm或中150mmo2在仪表气动管路及其辅助设备上安装的压力表,表盘直径为小60mmo3安装在照度较低、位置较高或示值不易观测场合的压力表,表盘直径为中150mm或中200mmo测量范围的选择1测量稳定的压力时,正常操作压力值应在仪表测量范围上限值的1/3一2/3,2测量脉动压力(如:泵、压缩机和风机等出口处压力)时,正常操作压力值应在仪表测量范围上限值的1/3~1/23侧量高、中压力(大于4MPa)时,正常操作压力值不应超过仪表测量范围上限值的1/2变送器的选择1以标准信号传输时,应选用变送器。
最新压力表测量范围及选型1单圈弹簧管压力表测量范围(量程)如下(MPa)2压力表:0~0.06;0~0.1;0~0.16;0~0.25;0~0.4;0~0.6;0~1;0~31.6;0~2.5;0~4;0~6;0~10;0~16;0~25;0~40;0~60;0~80;0~4100;0~1605真空表:-0.1~06真空压力表:-0.1~0.06;-0.1~0.15;-0.1~0.3;-0.1~0.5;-0.1~0.9;7-0.1~1.5;-0.1~2.48压力表的量程和精度选择方法以及安装和使用的要求91、压力表量程的选择;应根据锅炉工作压力来选择,量程刻度的极限值应为10工作压力的1.5~3.0倍,最好是2倍。
11在工业锅炉中,实际情况是锅炉实际运行时的工作压力总是比铭牌12上的额定压力要低,工业蒸汽锅炉和热水采暖锅炉均是如此。
例如4t/h的蒸汽13锅炉,额定压力为1MPa,制造厂如按1.5倍来配备压力表,应配备1.6MPa量程14压力表。
若用户由于生产工艺需要,实际运行在0.5MPa压力下即能满足工艺要15求,这时运行量程,压力表的指针就指在量程的三分之一不到的位置,指针转16过的角度很小,即选用的压力表量程太大。
17热水锅炉亦是如此,例如采暖锅炉额定压力为0.7MPa,配备压力表应为1MPa 18或1.6MPa,如配备1MPa的压力表,怕在水压试验时使压力表过载,于是便配备19量程为1.6MPa的压力表。
实际运行时,只要0.2MPa就能满足采暖要求,压力20表的指针指在量程八分之一的位置,很难使人相信压力表的准确性和灵敏性。
21为解决上述问题,应采用两种压力表,即在水压试验时,采用锅炉厂按额定22压力配备的压力表;在日常运行时按实际工作压力的2倍来配备压力表。
如工23作压力为0.2MPa,即配用0.4MPa量程的压力表。
这样指针在刻度盘中间位置,24垂直向上。
安全阀的起座压力也是按工作压力来调整,压力表仍有足够的裕度25应付超压指示。
单圈弹簧管压力表测量范围(量程)如下(MPa)压力表:0~0。
06;0~0.1;0~0。
16;0~0.25;0~0。
4;0~0.6;0~1;0~1.6;0~2。
5;0~4;0~6;0~10;0~16;0~25;0~40;0~60;0~80;0~100;0~160真空表:-0。
1~0真空压力表:-0.1~0。
06;-0.1~0。
15;—0。
1~0。
3;—0。
1~0。
5;—0.1~0.9;—0。
1~1。
5;-0.1~2。
4压力表的量程和精度选择方法以及安装和使用的要求1、压力表量程的选择;应根据锅炉工作压力来选择,量程刻度的极限值应为工作压力的1.5~3.0倍,最好是2倍。
在工业锅炉中,实际情况是锅炉实际运行时的工作压力总是比铭牌上的额定压力要低,工业蒸汽锅炉和热水采暖锅炉均是如此。
例如4t/h的蒸汽锅炉,额定压力为1MPa,制造厂如按1。
5倍来配备压力表,应配备1.6MPa量程压力表。
若用户由于生产工艺需要,实际运行在0.5MPa压力下即能满足工艺要求,这时运行量程,压力表的指针就指在量程的三分之一不到的位置,指针转过的角度很小,即选用的压力表量程太大。
热水锅炉亦是如此,例如采暖锅炉额定压力为0.7MPa,配备压力表应为1MPa 或1。
6MPa,如配备1MPa的压力表,怕在水压试验时使压力表过载,于是便配备量程为1.6MPa的压力表。
实际运行时,只要0.2MPa就能满足采暖要求,压力表的指针指在量程八分之一的位置,很难使人相信压力表的准确性和灵敏性。
为解决上述问题,应采用两种压力表,即在水压试验时,采用锅炉厂按额定压力配备的压力表;在日常运行时按实际工作压力的2倍来配备压力表。
如工作压力为0。
2MPa,即配用0。
4MPa量程的压力表。
这样指针在刻度盘中间位置,垂直向上.安全阀的起座压力也是按工作压力来调整,压力表仍有足够的裕度应付超压指示。
2、选用压力表的精度应符合下列规定:1)锅炉工作压力小于2。
一、量程选择在测稳定压力时,一般压力表最大量程选择接近或大于正常压力测量值的1.5倍;在测脉动压力时,一般压力表最大量程选择接近或大于正常压力测量值的2倍;在测机泵出口压力时,一般压力表最大量程选择接近机泵出口最大压力值;在测高压压力时,一般压力表最大量程选择应大于最大压力测量值的1.7倍;为了保证压力测量精度,最小压力测量值应高于压力表测量量程的1/3。
二、型式选择测压>0.4MPa时,可选用弹簧管压力表;测压<0.04MPa时,可选用波纹管和膜盒压力表;测粘稠、易结晶、腐蚀性、含固体颗粒的场合,可采用膜片压力表或附带化学密封装置;测蒸汽或高于60℃的介质压力测量应选择不锈钢压力表或安装冷凝圈;脉动压力测量应附加阻尼器或耐震压力表;测含有粉尘气体时应设置除尘器;测含有液体的气体压力时应设置气液分离器;测某些化工介质应选用专用压力表:对含氨介质压力测量采用氨用压力表,对含氧气压力测量采用氧气压力表,对乙炔压力测量采用乙炔压力表,对含硫介质压力采用抗硫压力表;高压压力表(大于10MPa)应有泄压安全设施。
压力真空表YZ-50/60/75/100/150压力真空表适用测量无爆炸,不结晶,不凝固,对铜和铜合金无腐蚀作用的液体、气体的真空及压力。
压力真空表既能测量真空,同时能测量压力,广泛应用于石油、化工、冶金等工业。
型号命名:技术参数:型号 结构形式 精确度%测量范围 MPaYZ-50Z 轴向无边 ±2.5-0.1~0;-0.1~0.06;-0.1~0.15;-0.1~0.3;-0.1~0.5;-0.1~0.9;-0.1~1.5;-0.1~2.4;0~0.1;0~0.16;0~0.25;0~0.4;0~0.6;0~1.0;0~1.6;0~2.5;0~4;0~6;0~10;0~16;0~25;0~40;0~60;0~100;YZ-60 径向无边 YZ-60T 径向带后边 YZ-60Z 轴向无边 YZ-60ZQ 轴向带前边 YZ-100 径向无边 ±1.6YZ-100T 径向带后边 YZ-100Z 轴向无边 YZ-100ZQ 轴向带前边YZ-150 径向无边 YZ-150T 径向带后边 YZ-150Z 轴向无边 YZ-150ZQ轴向带前边注:轴向可按要求带方形前边。
一、量程选择
在测稳定压力时,一般压力表最大量程选择接近或大于正常压力测量值的1.5倍;
在测脉动压力时,一般压力表最大量程选择接近或大于正常压力测量值的2倍;
在测机泵出口压力时,一般压力表最大量程选择接近机泵出口最大压力值;
在测高压压力时,一般压力表最大量程选择应大于最大压力测量值的1.7倍;
为了保证压力测量精度,最小压力测量值应高于压力表测量量程的1/3。
二、型式选择
测压>0.4MPa时,可选用弹簧管压力表;
测压<0.04MPa时,可选用波纹管和膜盒压力表;
测粘稠、易结晶、腐蚀性、含固体颗粒的场合,可采用膜片压力表或附带化学密封装置;
测蒸汽或高于60℃的介质压力测量应选择不锈钢压力表或安装冷凝圈;
脉动压力测量应附加阻尼器或耐震压力表;
测含有粉尘气体时应设置除尘器;
测含有液体的气体压力时应设置气液分离器;
测某些化工介质应选用专用压力表:对含氨介质压力测量采用氨用压力表,对含氧气压力测量采用氧气压力表,对乙炔压力测量采用乙炔压力表,对含硫介质压力采用抗硫压力表;
高压压力表(大于10MPa)应有泄压安全设施。
压力真空表YZ-50/60/75/100/150
压力真空表适用测量无爆炸,不结晶,不凝固,对铜和铜合金无腐蚀作用的液体、气体的真空及压力。
压力真空表既能测量真空,同时能测量压力,广泛应用于石油、化工、冶金等工业。
型号命名:
技术参数:
型号 结构形式 精确度%
测量范围 MPa
YZ-50Z 轴向无边 ±2.5
-0.1~0;-0.1~0.06;-0.1~0.15;-0.1~0.3;-0.1~0.5;-0.1~0.9;-0.1~1.5;-0.1~2.4;
0~0.1;0~0.16;0~0.25;0~0.4;0~0.6;0~1.0;0~1.6;0~2.5;0~4;0~6;0~10;0~16;0~25;0~40;0~60;0~100;
YZ-60 径向无边 YZ-60T 径向带后边 YZ-60Z 轴向无边 YZ-60ZQ 轴向带前边 YZ-100 径向无边 ±1.6
YZ-100T 径向带后边 YZ-100Z 轴向无边 YZ-100ZQ 轴向带前边
YZ-150 径向无边 YZ-150T 径向带后边 YZ-150Z 轴向无边 YZ-150ZQ
轴向带前边
注:轴向可按要求带方形前边。
压力真空表使用工作温度:-40℃~70℃ 压力真空表执行标准:GB/T1226-2001 外形尺寸:
型号
外形尺寸 mm
A B C D d d0M YZ-50Z2924050//14×1.5
YZ-60313214
60//
14×1.5
YZ-60T31321575 3.4
YZ-60Z30320//
YZ-60ZQ3032075 3.4
YZ-100444518100//20×1.5。