带传动齿轮传动设计
- 格式:ppt
- 大小:394.00 KB
- 文档页数:7
带传动和齿轮传动毕业设计引言带传动和齿轮传动是机械传动系统中常见的两种形式。
带传动是通过传动带连接两个或多个轮,通过摩擦力将动力传递给被传动轮,常见于许多家用电器和汽车中。
而齿轮传动则是通过齿轮的啮合来传输动力,广泛应用于工程机械和工业装备中。
本文将通过一项毕业设计项目,探讨带传动和齿轮传动的设计和优化方法。
该项目旨在设计和优化一个特定的机械传动系统,以满足特定的功率传输要求和空间限制。
设计目标该毕业设计项目的设计目标包括:1.实现指定的功率传输要求:根据设定的输入功率和输出转速,设计传动系统以满足这些要求。
2.考虑空间限制:在给定的物理空间内,确定传动系统的布局和尺寸。
3.提高传动效率:通过优化传动系统的设计和选择合适的传动比,以提高传动效率。
设计步骤1.需求分析在开始设计之前,我们需要先了解项目的需求。
主要包括输入功率、输出转速、物理空间限制等。
通过对这些需求的分析,我们可以确定传动系统的主要参数和约束条件。
2. 传动类型选择根据项目需求和特点,我们需要选择合适的传动类型。
在本项目中,带传动和齿轮传动都是可行的选择。
对于带传动,我们需要确定传动带的类型和尺寸;对于齿轮传动,我们需要确定齿轮的模数和齿数等参数。
3. 传动布局设计在确定传动类型后,我们需要设计传动系统的布局。
这包括确定主动轮、从动轮和其他传动部件的位置和相对位置。
考虑到空间限制和传动效率,我们需要进行合理的布局设计。
4. 传动尺寸设计在布局设计完成后,我们需要对传动系统的尺寸进行设计。
对于带传动,我们需要确定传动带的长度和宽度;对于齿轮传动,我们需要计算齿轮的模数和齿数等尺寸。
5. 动力学分析在设计完成后,我们需要进行动力学分析以验证传动系统的设计是否满足需求。
这包括计算传动系统的传动比、传动效率和输入功率等参数。
6. 优化设计根据动力学分析的结果,我们可以进行设计的优化。
通过调整传动比和其他参数,以达到更高的传动效率和更好的性能。
"带传动和齿轮传动毕业设计"是一个涉及机械传动原理和设计的课题,可以涵盖以下方面的内容:
1. 项目背景:
-简要介绍带传动和齿轮传动在工程中的应用和重要性,以及设计该传动系统的动机和意义。
2. 文献综述:
-回顾带传动和齿轮传动的基本原理、优缺点以及适用范围,分析已有设计案例和研究成果。
3. 设计目标:
-确定毕业设计的具体目标和要求,包括设计一个特定类型的带传动或齿轮传动系统,满足一定的传动比、功率传递需求等。
4. 传动系统设计:
-结合所选定的传动类型,进行传动系统的整体设计,包括选择合适的带或齿轮参数、计算传动比、确定轴距和传动布局等。
5. 零部件设计:
-针对带传动或齿轮传动系统中的关键零部件(如带轮、带、齿轮等),进行详细的设计计算和选择,确保符合传动要求。
6. 系统分析:
-进行传动系统的仿真分析,验证设计的合理性和可靠性,包括传动效率、传动误差、扭矩传递等方面的评估。
7. 制造与测试:
-根据设计方案制造实际零部件,组装传动系统,并进行实际测试和性能验证,记录测试数据和结果。
8. 结果与讨论:
-分析测试结果,对设计方案进行评价,总结设计过程中的经验和教训,提出改进建议和展望未来研究方向。
9. 结论:
-总结本次毕业设计的成果和收获,强调设计的创新点和实用性,展望传动系统设计领域的发展前景。
通过完成带传动和齿轮传动毕业设计,可以深入理解机械传动的工作原理和设计方法,提升对传动系统设计的能力和水平,为未来从事相关领域的工作打下坚实的基础。
传动方案有哪几种类型的设计传动方案有哪几种类型的设计一、引言传动方案是指将动力从一处传递到另一处的设计方案。
在机械工程中,传动方案的设计是非常重要的一环,它直接影响到机械设备的工作效率、可靠性和寿命。
本文将从六个方面介绍传动方案的设计,包括直线传动、旋转传动、带动方式、齿轮传动、链条传动和皮带传动。
二、直线传动直线传动是将动力沿直线方向传递的一种传动方式。
常见的直线传动方式有螺杆传动、滑块传动和链条传动。
螺杆传动适用于需要较大传动力和位移的场合,通过螺纹副的转动,将旋转运动转化为直线运动。
滑块传动主要是通过滑块在导轨上的滑动实现动力传递,适用于需要较高速度和较小传动力的场合。
链条传动通过链条的转动实现动力传递,适用于需要较大传动力和较高速度的场合。
三、旋转传动旋转传动是将动力沿旋转方向传递的一种传动方式。
常见的旋转传动方式有齿轮传动、皮带传动和链条传动。
齿轮传动是将齿轮之间的啮合实现动力传递,适用于需要较大传动力和较高精度的场合。
皮带传动是通过带动皮带的转动实现动力传递,适用于需要较小传动力和较高速度的场合。
链条传动是通过链条的转动实现动力传递,适用于需要较大传动力和较高速度的场合。
四、带动方式带动方式是指传动过程中动力的传递方式。
常见的带动方式包括直接传动、间接传动和联轴器传动。
直接传动是指将动力直接传递到被驱动件上,适用于动力传递距离较近的场合。
间接传动是通过中间件将动力传递到被驱动件上,适用于动力传递距离较远的场合。
联轴器传动是通过联轴器将动力传递到被驱动件上,适用于需要隔离振动和调整传动间隙的场合。
五、齿轮传动齿轮传动是一种常见的旋转传动方式,通过齿轮之间的啮合将动力传递到被驱动件上。
齿轮传动常见的类型有直齿轮传动、斜齿轮传动、曲线齿轮传动和蜗杆传动。
直齿轮传动是将动力沿平行轴线传递的一种方式,适用于需要较大传动力和较高精度的场合。
斜齿轮传动是将动力沿斜轴线传递的一种方式,适用于需要较大传动力和较小传动误差的场合。
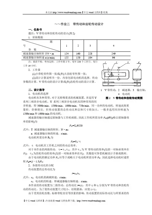
~~作业二 带传动和齿轮传动设计一、任务书题目:V 带传动和齿轮传动的设计(图2)注:载荷平稳,单向运转,工作年限5年,每年250个工作日,每日工作16小时。
2.工作量(1)小带轮零件图一张或(和)大齿轮零件图一张;(2)设计计算说明书一份,内容包括电动机的选择,传动参数的计算,V 带传动的设计计算或(和)齿轮传动的设计计算。
二、设计指导 1.电动机的选择 电动机有各种类型,对于无特殊要求的机械装置,多选用Y 系列三相异步电动机。
Y 系列三相异步电动机有四种常用的同步转速,即3000r/min 、1500r/min 、1000r/min 、750r/min 。
同一功率的电动机,转速高则重量轻,价格便宜,但传动装置的总传动比和总体尺寸将加大,一般多选用同步转速为1500r/min 和1000r/min 的电动机。
减速器的输出轴通过联轴器与工作机相联,因此工作机所需功率P w (kW)(略去联轴器效率的影响)为P w =T n /9550式中:T--减速器输出轴的转矩,N ·m ;n--减速器输出轴的转速,r/min 。
电动机所需功率P 0为P 0=P w /η式中:η--电动机至工作机之间的传动总效率。
对于本作业的两级传动,η=η1η2。
其中η1为V 带传动的效率(包括一对轴承效率在内),η2为齿轮传动的效率(包括一对轴承效率在内)。
其数值可参看机械设计手册或教材。
由于电动机的额定功率P m 应等于或略大于电动机所需功率P 0,因此选择电动机时通常取P m =(1~1.3)P 0。
2.各级传动比的分配传动装置的总传动比为i =n m /n w式中:n m --电动机的满载转速,r/min ;n w --电动机的转速,即减速器输出轴转速,r/min 。
本作业的传动装置为二级传动,总传动比i =i 1i 2。
其中i 1和i 2分别为V 带传动和齿轮传动的传动比。
为了使传动装置尺寸较小,结构紧凑,应使i 1<i 2。
机械设计作业2题目:带传动和齿轮传动设计姓名:浩佐隆徐迅学号:*************一. 任务书 1.原始数据注:载荷平稳,单向运转,工作年限5年,每年250个工作日,每日工作16小时2.工作量(1)小带轮零件图一张或(和)大齿轮零件图一张;(2)设计计算说明书一份,内容包括电动机的选择,传动参数的计算,V 带传动的设计计算或(和)齿轮传动的设计计算。
二.电动机的选择电动机有各种类型,对于无特殊要求的机械装置,多选用Y 系列三相异步电动机。
Y 系列三相异步电动机有四种常用的同步转速,即3000r/min 、1500r/min 、1000r/min 、750r/min 。
同一功率的电动机,转速高则重量轻,价格便宜,但传动装置的总传动比和总体尺寸将加大,一般多选用同步转速为1500r/min 和1000r/min 的电动机。
减速器的输出轴通过联轴器与工作机相联,因此工作机所需功率P w (kW)(略去联轴器效率的影响)为P w =T n /9550式中:T --减速器输出轴的转矩,N ·m ;n --减速器输出轴的转速,r/min 。
电动机所需功率P 0为P 0=P w /η式中:η--电动机至工作机之间的传动总效率。
对于本作业的两级传动,η=η1η2。
其中η1为V 带传动的效率(包括一对轴承效率在内),η2为齿轮传动的效率(包括一对轴承效率在内)。
其数值可参看机械设计手册或教材。
由于电动机的额定功率P m 应等于或略大于电动机所需功率P 0,因此选择电动机时通常取P m =(1~1.3)P 0。
三.各级传动比的分配传动装置的总传动比为i =n m /n w式中:n m --电动机的满载转速,r/min ;n w --电动机的转速,即减速器输出轴转速,r/min 。
1---V 带传动;2---减速器;3---输出轴;4---电动机图2 V 带传动和齿轮传动简图本作业的传动装置为二级传动,总传动比i=i1i2。
齿轮、皮带传动设计计算仅供参考一、传动方案拟定第二组第三个数据:设计带式输送机传动装置中的一级圆柱齿轮减速器(1)工作条件:使用年限10年,每年按300天计算,两班制工作,载荷平稳。
(2)原始数据:滚筒圆周力F=1.7KN;带速V=1.4m/s;滚筒直径D=220mm。
运动简图二、电动机的选择1、电动机类型和结构型式的选择:按已知的工作要求和条件,选用Y系列三相异步电动机。
2、确定电动机的功率:(1)传动装置的总效率:η总=η带×η2轴承×η齿轮×η联轴器×η滚筒=0.96×0.992×0.97×0.99×0.95=0.86(2)电机所需的工作功率:Pd=FV/1000η总=1700×1.4/1000×0.86=2.76KW3、确定电动机转速:滚筒轴的工作转速:Nw=60×1000V/πD=60×1000×1.4/π×220=121.5r/min根据【2】表2.2中推荐的合理传动比范围,取V带传动比Iv=2~4,单级圆柱齿轮传动比范围Ic=3~5,则合理总传动比i的范围为i=6~2 0,故电动机转速的可选范围为nd=i×nw=(6~20)×121.5=729~2 430r/min符合这一范围的同步转速有960 r/min和1420r/min。
由【2】表8.1查出有三种适用的电动机型号、如下表方案电动机型号额定功率电动机转速(r/min)传动装置的传动比KW 同转满转总传动比带齿轮1 Y132s-6 3 1000 960 7.9 3 2.632 Y100l2-43 1500 1420 11.68 3 3.89综合考虑电动机和传动装置尺寸、重量、价格和带传动、减速器的传动比,比较两种方案可知:方案1因电动机转速低,传动装置尺寸较大,价格较高。
内蒙古化工职业学院毕业论文题目:带式输送机V带传动及一级直齿圆柱齿轮减速器的设计系部:测控与机电工程系专业:机电一体化班级:机电09-2班学号:学生姓名:指导教师:——内蒙古化工职业学院毕业设计(论文、专题实验)任务书摘要带式输送机一级圆柱齿轮的设计是我们的毕业设计题目。
也是我们对对大学所学课程的一次深入的的综合性连接,也是一次理论联系实际的训练。
更是我们全方面地进行机械传动系统运动学、动力学分析和机械结构的设计的一个十分重要实践性的环节。
因此它是我们的大学生涯中占有十分重要的地位。
我希望通过这次毕业设计可以对自己在将来从事的工作进行一次适应性的训练。
从中可以锻炼自己分析问题、解决问题的能力。
为今后参加工作打下良好的基础。
关键词:电动机的选择、V带的设计、齿轮的设计、轴承、密封AbstractBelt conveyor is a cylindrical gear design is our graduation project topic. We also on the university course of an in-depth and comprehensive connection, is also a theory with practical training. We are all aspects of mechanical transmission system of kinematics, dynamics analysis and the design of the mechanical structure of a very important practical link. Therefore it is our university life occupies a very important position.I hope that through this graduation design can be on their own in the future to engage in the work of an adaptive training. From which we can exercise itself to analyze the question, to solve the question ability. For future work to lay a good foundation.Key words: the choice of motor, the design of V belt, gear, bearing, seal design目录1.1 减速器的主要型式及其特性 (1)1.2 减速器结构 (2)1.3 减速器润滑 (4)第2章、传动方案的拟定 (6)2.1 方案的选定 (6)2.2 方案的比较 (7)第3章、电动机的选择 (8)3.1 电动机类型的选择 (8)3.2 确定电动机型号 (9)3.3 计算总传动比及分配各级的传动比 (10)3.4 运动参数及动力参数计算 (11)第4章、传动系统的设计 (12)4.1 V带的设计 (12)4.2 一级减速器直齿齿轮的设计 (14)第5章、轴的设计计算 (19)5.1 输入轴的设计 (19)5.2 输出轴的设计 (21)第6章、滚动轴承的选择及计算 (25)6.1 输入轴承的计算 (25)6.2 输出轴承的计算 (20)第7章、键联接的选择及校核计算 (27)7.1 输入轴与大带轮轮毂联接采用平键联接 (27)7.2 输出轴与大齿轮联接用平键联接 (27)7.3 输出轴与联轴器联接用平键联接 (27)第8章、联轴器的选择 (28)第10章、润滑与密封 (30)10.1 齿轮的润滑 (30)10.2 密封方法的选取 (30)第11章、设计小结 (31)致谢 (32)参考文献 (33)符号说明P 功率 F 功V 速度 K A工况系数n 转速ί传动比T 转矩 a 中心距L d基准长度 F Q轴压力α带轮包角 q 每米长质量f0初拉力 Z 齿轮齿数K 载荷系数δ压力角μ齿数比 F t圆周力m 齿轮模数 F r径向力d d齿顶直径 N 应力循环次数Φd齿宽系数 Z E弹性系数[δ] 许用应力 Kα分配系数b 齿宽 HBS 布氏硬度第1章减速器概述1.1 减速器的主要型式及其特性减速器是一种由封闭在刚性壳体内的齿轮传动、蜗杆传动或齿轮—蜗杆传动所组成的独立部件,常用在动力机与工作机之间作为减速的传动装置;在少数场合下也用作增速的传动装置,这时就称为增速器。
机械设计课程设计计算说明书设计题目: 单级圆柱齿轮带传动(系)院专业机械设计制造及其自动化班设计人:指导老师:年月日XX大学目录设计任务书……………………………………………………………………一、传动方案旳确定及阐明…………………………………………………二、电动机旳选择……………………………………………………………三、传动装置运动和动力参数计算…………………………………………四、传动零件旳设计计算……………………………………………………五、轴旳设计计算……………………………………………………………六、滚动轴承旳选择及计算…………………………………………………七、键联接旳选择及校核计算………………………………………………八、联轴器旳选择……………………………………………………………九、润滑与密封………………………………………………………………十、设计小结…………………………………………………………………参照资料………………………………………………………………………《机械设计》课程设计任务书(三)一、设计题目带式输送机传动装置设计。
二、工作原理及已知条件工作原理: 带式输送机工作装置如下图所示己知条件1.工作条件: 两班制, 持续单向运转, 载荷平稳, 室内工作, 有粉尘;2.使用寿命: 8年(每年300工作日);3.检修间隔期: 四年一次大修, 两年一次中修, 一年一次小修;4.动力来源:电力, 三相交流, 电压380/220 V5.运送带速度容许误差;±5%;6.一般机械厂制造, 小批量生产;7.滚筒中旳摩擦力影响已包括在工作力F中了。
三、原始数据四、设计内容1.按照给定旳原始设计数据(编号) A2 和传动方案(编号) 1 设计减速器装置;2.传动方案运动简图1张(附在阐明书里);3.完毕减速器装配图1张(可计算机绘图, A0或A1);4.完毕二维重要零件图2张(传动零件、轴或箱体, A3或A4);5.设计阐明书1份(正文约20页, 6000~7000字)。
机械设计基础课程设计学生姓名:学号:年级:专业:院(系):指导教师:时间:设计任务书设计一用于带式传动的单级斜齿圆柱齿轮减速器。
带式运输机在常温下连续工作,单向运转,空载启动,工作载荷平稳,两班制使用期限:8年大修期:3年生产批量:大批量生产动力来源:电力,三相交流电,380v/220v题目数据:运输队允许速度误差±5%设计任务要求:(1)绘制减速器装配图一张(A1)(2)零件工作图1—2张(齿轮、轴、箱体等)(3)设计计算说明书1份(5000---7000字)第一章绪论1.1设计目的(1)通过课程设计,使我们能够综合运用机械设计基础课程和其他先修课程的理论和实践知识,解决机械设计问题。
(2)通过课程设计实践,使我们掌握机械设计的一般规律,树立正确的设计思想,培养分析和解决工程实际问题的能力。
(3)在课程设计实践中,对我们进行机械设计基本技能的培训,培养我们查阅和使用标准、规范、手册、图册及相关技术资料的能力,以及计算、绘图、数据处理、计算机辅助设计等方面的能力。
1.2传动方案拟定1传动系统的作用和传动方案的特点:机器一般由原动机,传动装置和工作装置组成。
传动装置是用来传递原动机的动力和运动,变换运动形式以满足工作装置的需求,是机器的重要组成部分。
传送装置是否合理将直接影响机器的工作性能,重量和成本。
合理的传动方案除满足工作装置的功能外,还要求结构简单,制作方便,成本低廉,传动效率高和使用维修方便。
本设计中原动机为电动机,工作机为皮带输送机。
传动方案采用两级传动,第一级为带传动,第二级为单级圆柱齿轮减速器。
带传动承载能力较低,在传递相同转矩时,结构尺寸较其他形式大,担有过载保护的优点。
还可缓和冲击和振动,故布置在传动的高速级,以降低传递的转矩,减小带传动的尺寸。
齿轮传动的传动效率高,适用的功率和范围广,使用寿命较长,是现代机器中应用最为广泛的机构之一,本设计采用的是单级圆柱齿轮传动。
减速器的相箱体采用水平剖分式结构,用HT200灰铸铁铸造而成。
带传动的设计准则传动是机械结构中不可或缺的部分之一,包括传动轴、齿轮、链轮、皮带轮等组件。
传动的设计不仅关乎机械结构的性能和寿命,而且也会影响到整个机械系统的运行稳定性和效率。
因此,在进行传动设计时,需要遵循一些准则,以确保传动组件能够达到最佳的性能和寿命。
以下是一些有关带传动设计的准则。
1、选择合适的传动比传动比指传动轴的转速比。
在进行传动设计时,需要根据实际需求选择合适的传动比。
传动比过大会导致传动部件强度不足;而传动比过小则会增加传动零件的重量和占用空间。
因此,需要根据实际情况来选择合适的传动比。
2、选择合适的齿轮参数齿轮是传动中最常用的传动部件之一,齿轮的参数对传动性能有着重要的影响。
为了保证齿轮的正常工作,设计时需要遵循以下准则:(1)齿数要合适:齿数越多,齿面积分布越均匀,齿面载荷分布也更加均匀。
但是齿数过多也会增加齿轮的生产难度和成本。
(2)模数要适中:模数是齿轮参数中重要的因素,模数越小,齿数越多,齿高与齿宽比也越小,齿轮的强度和耐磨性也会降低。
(3)压力角要合理:压力角越小,冲击载荷越小,齿轮强度和寿命都会提高。
但是压力角过小会导致磨合困难和加工难度增大。
皮带轮是带传动中常用的部件,其设计也需要遵循一些准则。
(1)直径要适中:皮带轮直径越小,接触应力越大,皮带寿命也随之缩短。
(2)角度要合理:皮带轮的角度对传动效率和皮带寿命都有影响。
角度太大会增加皮带弯曲损失,降低传动效率;角度太小会增加摩擦,使皮带老化加速。
(3)带宽要适当:带宽要根据传动功率和转速来确定。
带宽太宽会增加材料和成本,带宽太窄会影响皮带寿命。
(1)齿数要合适:与齿轮类似,链轮的齿数要根据应力和载荷条件来确定。
(2)齿宽要适当:齿宽要根据应力和载荷条件来确定,齿宽太小会使链轮齿面磨损加剧,齿宽太大会增加链轮的重量和占用空间。
(3)弧度要合理:链轮的弧度不能太小,否则会导致链条跳出轮齿;弧度太大则会增加链条张紧的难度。
带传动的设计步骤概述带传动是一种将动力从一个装置传递到另一个装置的机械系统。
它可以通过齿轮、链条、皮带等方式实现。
带传动广泛应用于各个领域,如汽车、工业生产线、农业机械等。
本文将介绍带传动的设计步骤,以便读者了解如何进行带传动的设计。
设计步骤1. 确定需求在进行带传动的设计之前,首先需要明确需求。
这包括确定所需传递的功率、转速比、轴间距以及工作环境等因素。
根据这些需求,我们可以选择合适的带式传动系统。
2. 选择传动类型根据需求确定后,我们需要选择适合的传动类型。
常见的传动类型包括齿轮传动、链条传动和皮带传动等。
每种类型都有其特点和适用范围。
齿轮传动适用于高功率和高精度要求的场合,而皮带传动则适用于较低功率和减震要求较高的场合。
3. 计算参数在选择了传动类型后,我们需要计算传动所需的参数。
这包括带宽、轮齿数、链条长度等。
通过这些参数的计算,我们可以确定具体的传动尺寸和结构。
4. 选择材料根据设计要求和工作环境,选择适合的材料。
常见的传动材料包括钢、铝合金、塑料等。
材料的选择应考虑到其强度、耐磨性、耐腐蚀性以及成本等因素。
5. 进行力学分析在进行带传动设计时,需要进行力学分析以确保传动系统的稳定性和可靠性。
这包括静力学分析和动力学分析。
通过分析,我们可以确定传动系统所能承受的最大载荷和转速,并根据这些数据进行设计。
6. 进行结构设计在完成力学分析后,我们可以进行具体的结构设计。
这包括确定轴承位置、安装方式、紧固件选型等。
同时还需考虑制造工艺和装配要求,确保传动系统能够顺利生产和安装。
7. 进行模拟仿真在进行最终设计之前,可以使用计算机辅助设计软件进行模拟仿真。
通过仿真,我们可以验证设计的可行性,发现潜在问题,并进行优化调整。
8. 制造和装配完成设计后,我们可以将设计图纸转化为实际的产品。
这包括材料采购、加工制造和装配等过程。
在制造和装配过程中,需要严格按照设计要求进行操作,确保传动系统能够正常工作。
目录摘要 (2)正文 (3)一、传动方案拟定 (3)二、电动机的选择 (3)三、计算齿轮总传动比及分配各级的传动比 (4)四、运动参数及动力参数计算 (4)五、传动零件和齿轮的设计计算 (5)六、轴的设计计算 (9)七、滚动轴承的选择及校核计算 (13)八、键联接的选择及计算 (15)谢辞 (16)参考文献 (16)附件 (18)摘要齿轮传动是应用极为广泛和特别重要的一种机械传动形式,它可以用来在空间的任意轴之间传递运动和动力,目前齿轮传动装置正逐步向小型化,高速化,低噪声,高可靠性和硬齿面技术方向发展,齿轮传动具有传动平稳可靠,传动效率高(一般可以达到94%以上,精度较高的圆柱齿轮副可以达到99%),传递功率范围广(可以从仪表中齿轮微小功率的传动到大型动力机械几万千瓦功率的传动)速度范围广(齿轮的圆周速度可以从0.1m/s到200m/s或更高,转速可以从1r/min到20000r/min或更高),结构紧凑,维护方便等优点。
因此,它在各种机械设备和仪器仪表。
关键词:键轴啮合直齿圆柱齿轮减速器AbstractGear is the application of a wide range of important and special formof a mechanical transmission, which can be used to the arbitrary axis in the space between the movement and power transmission, gear device is gradually to the small, high-speed, low noise, high reliability Hardened and technical direction of transmission gear is smooth and reliable, high transmission efficiency (generally above 94% can be achieved, the higher the accuracy of cylindrical gear can be achieved 99%), a wide range of power transmission (gear can be Instrument Micro power transmission to large-scale power plant tens of thousands of kilowatts of power transmission) wide speed range (the circumferential speed gear from 0.1m / s to 200 m / s or higher, speed can be an r / min to 20000 r / min or higher ), compact structure, the advantages of easy maintenance. Therefore, in the machinery and equipment and instrumentation.KEY WORD:Key Shaft Smesh Spur Gear Reducer带式传送机减速器的高级齿轮传动设计的优点1.承载能力高,尺寸紧凑。
例 1 设计用于带式输送机传动装置的闭式单级直齿圆柱齿轮传 动。
传递功率 P=2.7kW ,小齿轮转速 n 1=350r/min ,传动比 i=3.57。
输送机工作平稳,单向运转,两班工作制,齿轮对称布置,预期寿命 10 年,每年工作 300天。
解: 1. 选择齿轮精度等级、材料、齿数1)带式输送机属于一般机械,且转速不高,故 初选择 8 级精度。
2)因载荷平稳,传递功率较小,可采用软齿面齿轮。
参考表 5-6, 小齿轮选用 45 钢调质处理,齿面硬度 220~250HBS ,σHLim1 =595MPa , σ FE1=230MPa ;大齿轮选用 45 钢正火处理,齿面硬度 170~200HBS , σ HLim2 =520MPa ,σ FE2=200MPa 。
3)初选小齿轮齿数 z 1=24,则 z 2=iz 1=3.57×24=85.68,取 z 2=87。
故实际传动比 i=z 2/ z 1=87/ 24=3.62,与要求的传动比 3.57的误差小于 3%。
对于齿面硬度小于 350 HBS 的闭式软齿面齿轮传动,应按齿面 接触强度设计,再按齿根弯曲强度校核。
2. 按齿面接触强度设计1)查表 5-8,原动机为电动机, 工作机械是输送机, 且工作平稳, 取载荷系数 K=1.2。
2)小齿轮传递的转矩T19550 P 9550 2.7 73.671N m 1 n 1 350设计公式 5-48 d 12000KT 1 2u 1 Z E Z H Z3)查表5-13,齿轮为软齿面,对称布置,取齿宽系数φd=14)查表 5-10,两齿轮材料都是锻钢,故取弹性系数 Z E =189.8 MPa 1/2。
5)两齿轮为标准齿轮,且正确安装,故节点区域系数 Z H =2.5,取重合度系数 Z ε=0.96)计算许用接触应力HHLimZ N Z W Z XSH① 应力循环次数小齿轮 N 1=60n 1jL h =60×350×1×(2×8×300×10)=10.08 ×108 大齿轮 N 2= N 1/i=10.08×108/ 3.62=2.78×108② 据齿轮材料、热处理以及 N 1、N 2,查接触疲劳寿命系数图表,不允许出现点蚀,得接触疲劳寿命系数 软齿面故 ZW=1,ZX=1 。
一、电动机的选择与运动参数的计算1. 电动机的选择 ① 电动机类型的选择 ② 选择电动机的容量(1) 工作机所需功率 Pw=Fv/1000=4.16kw (见《机械设计课程设计》P7〜9)(2) 传动装置的总效率为:n = n 1 n 2…n n按《机械设计课程设计》P8表2-2确定各部分的效率为:V 带传 动n 1=0.95 ;滚动轴承(每一对)效率:n 2=0.99,圆柱齿轮传 动效率n 3=0.96;弹性联轴器效率n 4=0.995,卷筒轴滑动轴承效 率:n 5=0.96.则:n =0.96*0.993*0.962*0.995*0.96 〜0.828(3 ) 确定电动机的转速。
由转轮的线速度"晟(朋河推出转轮的速度为:般选用同步转速为 1000 r/min 或1500r/min 的电动机作为 原动机 通常V 带传动常用传动范围i 仁2~4,圆柱齿轮3~6,则电机转速 n d =n w i 带i 1i 2= (2*3〜4*5 ) *95.497=572.982〜1909.94因载荷平稳,电动机的额定功率 Ped 大于Pd 即可,由表17-1选 Y132S-4型电动机,额定功率为 5.5kw ,转速为:n m =1440 r/min6 104v =D6 104 1.632095.49表2-5电动机主要性能参数、尺寸③计算传动装置的总传动比及分配各级传动比④ 2.3.1 总传动比:Q = n m=l440= 15.07n w 95.49⑤分配各级传动比选取V带传动的传动比:i带2,则i2为圆柱齿轮减速器的传动比。
由i总i带i i i2, h 1.1i2得:i1 2.87, i2 2.61(4)计算机传动装置的运动参数和动力参数0轴——电机轴1轴一一高速轴R T P0 1n。
i带P on oT oP d4.16kwn m 1440r / minP9550」27.58N ?m4.16144029550旦nn o0.957209550遊7203.95KWr/m in52.41N ?m2轴——中速轴 P 2Pi 23.95 0.99 0.96 3.75KWn 2nii i720 2 .87250 .87 r/m in3轴——低速轴P 3n 3工作轴:3.564 9550 P 2 n 2P2 2n 29550 P0.99 n 33.75 9550 250.87142.75N ?m3.75 0.99250 .87 2 .619550鎏 96.110.96 3.564KW96 .11 r/m in354.13N ?m0.995 0.96 3.37KWn 4 n w 95.49r/m inT 49550p 4 9550玉7 337.03N ?mn 4 95.49计算所的动力参数与计算参数2. V 带传动的设计计算 ① V 带传动的计算功率P ea由参考文献,表8-8得工作情况系数K A 1.1,故:F C a K A P 1.1 5.5 6.05kw② 确定V 带的截型根据P ea 及n1查参考文献确定选用 A 型带 ③ 确定带轮的基本直径d d 1、d d2(1 )由参考文献表8-8和表8-6得,dd1 9°mm(3)验算带速v 为;因为5m/s 10.15m/s 25m/s ,所以带速合适。
带传动设计知识点总结导言传动设计是机械设计中非常重要的一个领域,涉及到机械传动系统的设计、分析、优化等方面,直接影响到机械设备的性能、效率和可靠性。
传动设计的知识点涵盖了机械传动的基本原理、传动元件的选型和设计、传动系统的分析与优化等内容。
本文将对传动设计的相关知识进行总结和归纳,以便读者对传动设计有更深入的了解。
一、传动基础知识1. 机械传动的基本原理机械传动是利用机械元件(如齿轮、带轮、链轮等)传递动力和运动的一种方式。
传动系统包括传动比、传动方式、传动力矩等概念。
了解机械传动的基本原理对于传动设计至关重要。
2. 动力传动的分类动力传动按用途可分为变速传动、定速传动和连接传动;按传动方式可分为齿轮传动、带传动、链传动和联轴器传动等。
3. 传动元件的选型与计算传动元件的选型和计算是传动设计的基础工作,包括齿轮的模数、齿数、分度圆直径的计算、带传动的带轮选型和计算、链传动的链条选型和计算等。
二、传动元件的设计与制造1. 齿轮传动的设计与制造齿轮传动是传动系统中常用的一种传动方式,其设计和制造涉及到齿轮的齿形设计、啮合角度、齿面硬度、齿轮精度等方面的内容。
2. 带传动的设计与制造带传动是一种使用柔性带进行传动的方式,其设计和制造主要包括带轮的选型、带的选型和计算、带轮与带的配合设计等内容。
3. 链传动的设计与制造链传动是一种使用链条进行传动的方式,其设计和制造主要包括链条的选型和计算、链轮的设计与制造、链条的张紧设计等内容。
4. 联轴器的设计与制造联轴器是用于连接两个轴的机械元件,在传动系统中起着连接传动的作用,其设计和制造主要包括弹性联轴器、齿式联轴器和蜗轮联轴器等。
三、传动系统的分析与优化1. 传动系统的分析传动系统的分析是对传动系统中各个元件进行计算和分析,以确定传动系统的性能、传动比、传动效率等参数,进而确定传动系统的工作能力和可靠性。
2. 传动系统的优化传动系统的优化是在分析结果的基础上,对传动系统进行结构和参数的优化设计,以提高传动系统的效率、降低噪音、减小体积和重量等方面。