最新八年级物理上册声现象实验(培优篇)(Word版 含解析)
- 格式:doc
- 大小:297.50 KB
- 文档页数:12
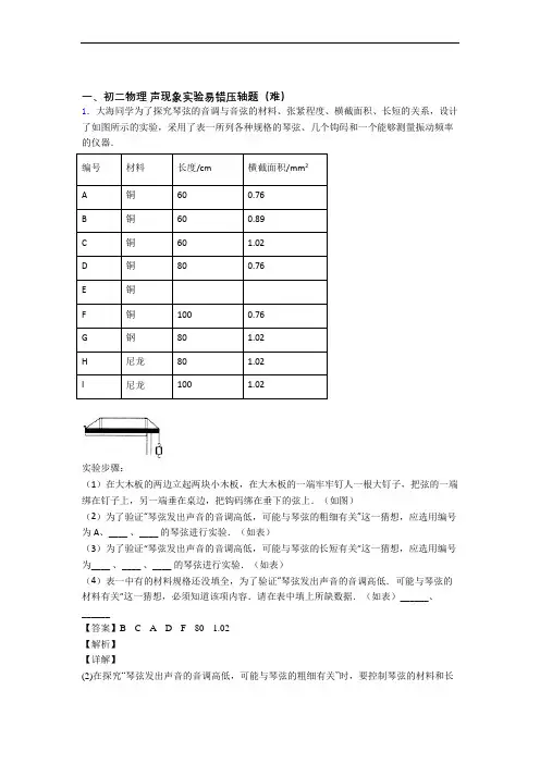
一、初二物理声现象实验易错压轴题(难)1.大海同学为了探究琴弦的音调与音弦的材料、张紧程度、横截面积、长短的关系,设计了如图所示的实验,采用了表一所列各种规格的琴弦、几个钩码和一个能够测量振动频率的仪器.编号材料长度/cm 横截面积/mm2A 铜60 0.76B 铜60 0.89C 铜60 1.02D 铜80 0.76E 铜F 铜100 0.76G 钢80 1.02H 尼龙80 1.02I 尼龙100 1.02实验步骤:(1)在大木板的两边立起两块小木板,在大木板的一端牢牢钉人一根大钉子,把弦的一端绑在钉子上,另一端垂在桌边,把钩码绑在垂下的弦上.(如图)(2)为了验证“琴弦发出声音的音调高低,可能与琴弦的粗细有关”这一猜想,应选用编号为A、____ 、____ 的琴弦进行实验.(如表)(3)为了验证“琴弦发出声音的音调高低,可能与琴弦的长短有关”这一猜想,应选用编号为____ 、____ 、____ 的琴弦进行实验.(如表)(4)表一中有的材料规格还没填全,为了验证“琴弦发出声音的音调高低.可能与琴弦的材料有关”这一猜想,必须知道该项内容.请在表中填上所缺数据.(如表)______、______【答案】B C A D F80 1.02【解析】【详解】(2)在探究“琴弦发出声音的音调高低,可能与琴弦的粗细有关”时,要控制琴弦的材料和长度相同,故选A. B. C的琴弦进行实验;(3)探究“琴弦发出声音的音调高低,可能与琴弦的长短有关”时,应控制琴弦的材料和横截面积相同,所以选A. D. F的琴弦进行实验;(4)为了验证“琴弦发出声音的音调高低。
可能与琴弦的材料有关”时,应控制琴弦的长度和横截面积相同,材料不同,符合条件的只有G、H,所以D项中应是:80;1.02.2.小华和小刚用棉线连接了两个纸杯制成了一个“土电话”.以下是他们对“土电话”的探究.()1他们用“土电话”能实现10m间的通话,这表明________.()2两人位置不变,以相同的响度讲话,改用细金属丝连接,则听到的声音就大些.这一实验表明________.()3小华和小刚利用以上两个纸杯和一些长短、粗细不同的琴弦,又进行了探究“音调和哪些因素有关”的活动.他们选用的琴弦长度、材料在如图中标出(其中琴弦的直径关==<),并且每根琴弦固定在“音箱”上的松紧程度一致.系:a c d b()4①若他们想探究“音调的高低与琴弦材料”的关系应选择琴弦_____(从“a”、“b”、“c”或“d”中选两根).②若选择琴弦a和b,则是为了研究音调的高低与________的关系.【答案】固体能够传声金属的传声效果好a、c材料粗细【解析】【分析】【详解】(1他们用“土电话”能实现10m间的通话,是因为固体能够传声,即这表明固体能够传声.()2两人位置不变,以相同的响度讲话,改用细金属丝连接,则听到的声音就大些.这一实验表明金属的传声效果好.()4①根据控制变量法的思路,若他们想探究“音调的高低与琴弦材料”的关系,应选择粗细相同,而材料不同的两根琴弦,即选择a和c;②若选择琴弦a和b,长度和材料相同,粗细不同,所以是为了研究音调的高低与材料粗细的关系.3.王伟同学研究了均匀拉紧的琴弦发音频率与弦长的关系,并记录了实测的数据(如下表所示).分析表格中频率和弦长两行数据可知,均匀拉紧的琴弦发音频率随着弦长变长而________(选填“变大”、“不变”或“变小”);且通过计算可知,琴弦发音频率与弦长的乘积的大小________(选填“是”或“否”)变化的.估算出他有意留出的空格中应该填写的数据①应该是________,②应该是________.【答案】变小否35l495【解析】【分析】【详解】分析表格中频率和弦长两行数据可知,均匀拉紧的琴弦发音频率随着弦长变长而变小;通过计算可知,琴弦发音频率与弦长的乘积都是264L,不发生变化;空格中应该填写的数据①应该是:26434405LL=,②应该是:264495815LL=4.在学习吉他演奏的过程中,小明发现琴弦发出声音的音调高低是受各种因素影响的,他决定对此进行研究,经过和同学们讨论,提出了以下猜想:猜想一:琴弦发出声音的音调高低,可能与琴弦的横截面积有关;猜想二:琴弦发出声音的音调高低,可能与琴弦的长短有关;猜想三:琴弦发出声音的音调高低,可能与琴弦的材料有关.为了验证上述猜想是否正确,他们找来下表的几种规格的琴弦进行实验:(1)为了验证猜想一,应选用编号为___、___的琴弦进行实验;(2)选用编号A、C的两根琴弦进行实验,是为了验证猜想_______;(3)如果小明还想验证猜想三,则他可以选择编号为_______、_______的琴弦进行实验,此时表中所缺的数据应该填_______.【答案】A B 二 C D 0.76【解析】(1)根据控制变量法的思路,为了验证猜想一,应选择长度和材料相同,而横截面积不同的琴弦,所以应选用编号为A和B的琴弦进行实验;(2)选用编号A、C的两根琴弦进行实验,材料和横截面积相同,而长度不同,所以是为了验证猜想二;(3)验证猜想三,同样根据控制变量法的思路,应保证横截面积和长度相同,而材料不同的琴弦进行实验,所以则他可以选择编号为C和D的琴弦进行实验;则此时表中所缺的数据应该填入和C的横截面积相同,即0.76mm2.点睛:关键是实验中控制变量法的应用,当一个结果受多个因素的影响时都使用此方法进行实验,实验时让一个因素变化,而其它因素都控制相等或相同即控制变量.5.根据如图所示的实验情景,回答问题:(1)如图①所示的实验现象表明:________.(2)如图②所示,从左向右敲击瓶子时,各瓶发音的音调变化是:________.(选填“由高变低”或“由低变高”)(3)如图③所示,用手指轻叩课桌,使正坐在对面的同学刚好听不到叩击声,再让对面的同学将耳朵紧贴在桌面上,用同样的力度轻叩课桌,这时对面的同学则能听到叩击声.这个实验表明:________(4)如图④所示,正在发声的手机悬挂在密闭的广口瓶内,将瓶内的空气不断抽出时,手机铃声逐渐变小.由这个实验事实得到的推论是:________.(5)如图⑤所示,我们把水倒入瓶中时,通常根据声音的________来判断瓶中水的多少.【答案】声音由物体振动产生由高变低固体传声效果比空气好真空不能传声音调变化【解析】【详解】(1)小纸片的跳动是由于扬声器振动造成的,扬声器发出声音的原因正是由于里边纸盆的振动;所以如图①所示的实验现象表明:声音由物体振动产生;(2)敲击瓶子时,声音主要是瓶身和水柱振动发出的,瓶中盛水越多,瓶子和水的质量越大,越难振动,音调越低,因此从左向右敲打瓶子,音调由高变低;(3)敲课桌的另一端的时候,耳朵贴在桌面上是靠固体传播声音;耳朵离开桌子的时候靠空气传播声音,固体传声效果比气体好,所以耳朵紧贴在桌面上,用同样的力度轻叩课桌,这时对面的同学则能听到叩击声.(4)当用抽气机不断抽气时,手机播放的音乐声逐渐减弱,经过科学推理可得:真空不能传声;(5)往暖水瓶中灌水时,是由暖水瓶内的空气柱振动发出声音,水越来越多,空气柱越来越短,越容易振动,音调越高.所以可以通过发出声音的音调变化来判断暖水瓶中水的多少.6.小丽同学在观察小提琴、二胡等乐器的弦振动时猜想:在弦张紧程度相同的条件下,发声的音调高低还可能与弦的粗细、长短及弦的材料有关。
一、初二物理声现象实验易错压轴题(难)1.某兴趣小组计划探究“铝棒的发声”.同学们使用一根表面光滑的实心铝棒,一只手捏住铝棒的中间部位,另一只手的拇指和食指粘少许松香粉,在铝棒表面由手捏部位向外端摩擦,可以听见铝棒发出声音,而且发现在不同情况下铝棒发声的频率是不同的,为了探究铝棒发声频率的影响因素,该兴趣小组找到不同规格的铝棒、虚拟示波器等器材进行探究.实验前同学们提出了以下猜想:猜想A:铝棒发声的频率可能和铝棒的横截面积有关猜想B:铝棒发声的频率可能和铝棒的长度有关猜想C:铝棒发声的频率可能和手捏铝棒的部位有关为了验证猜想A,同学们选择4根铝棒,每次均捏住铝棒的中间部位,由手捏部位向外端摩擦,实验所得的数据记录于下面的表格中,在2%的误差允许范围内(频率相差在70Hz 以内)的测量值可以认为是相等的.(1)分析表格中数据,可知铝棒的发声频率与横截面积是______________的.(选填“有关”或“无关”)(2)为了验证猜想B,同学们选择横截面积均为2.9×10﹣5m2的铝棒,实验所得的数据记录于下面的表格中,同学们从表中前两列数据很难得出频率f与长度L之间的关系,他们利用图象法处理数据,画出了频率f与长度的倒数1/L的关系如图所示,分析可知发生频率f 与铝棒的长度L的关系是成______(正/反)比.(3)同学们又通过实验探究了铝棒发声的频率和手捏铝棒部位的关系,在实验过程中,有同学们将发声的铝棒一端插入水中,可以看到______________现象,有同学用手迅速握住正在发声的铝棒,可以听见声音很快衰减,原因是____________________________.【答案】无关反比例水花四溅振幅减小,响度减小【解析】(1)通过比较表格中的1和3(或者2和4)可知,,当铝棒长度都为0.71m时,横截面积不同,频率为3500hHz和3530Hz,由于这两个频率在2%的误差允许范围内(频率相差在70Hz以内),故频率是相同的,故结论为:铝棒的发声频率与横截面积是无关的;(2)由图象可知,频率f与长度的倒数1L的关系是一条直线,即成正比,故发生频率f与铝棒的长度L的关系是成反比; (3)有同学们将发声的铝棒一端插入水中,铝棒振动,引起水的振动,故可以看到水花四溅;有同学用手迅速握住正在发声的铝棒,可以听见声音很快衰减,原因是铝棒的振幅减小,响度减小。
苏科版物理八年级上册全册全套试卷(培优篇)(Word版含解析)一、初二物理声现象实验易错压轴题(难)1.在学习吉他演奏的过程中,小华发现琴弦发出声音的音调高低是受各种因素影响的,他决定对此进行研究。
经过和同学们讨论,提出了以下猜想:猜想一:琴弦发出声音的音调高低,可能与琴弦的横截面积有关猜想二:琴弦发出声音的音调高低,可能与琴弦的长短有关猜想三:琴弦发出声音的音调高低,可能与琴弦的材料有关为了验证上述猜想是否正确,他们找到了下表所列9种规格的琴弦,因为音调高低取决于声源振动的频率,于是借来一个能够测量振动频率的仪器进行实验。
(1)为了验证猜想一,应选用编号为_______、_______、_______的琴弦进行实验。
为了验证猜想二,应选用编号为_______、_______、_______的琴弦进行实验。
(2)表中有的材料规格还没填全,为了验证猜想三,必须知道该项内容。
请在表中填上所缺数据_______、_______。
(3)本探究实验中研究方法是:__________________【答案】A B C A D F80 1.02控制变量法【解析】【详解】(1)[1][2][3]为了验证猜想一,即音调高低可能与横截面积有关,需要保持琴弦的长短和琴弦的材料不变,从表格的数据可以看出,编号A、B、C符合要求,它们的材料相同,都是铜,长度相同,都是60cm,只是横截面积不同;[4][5][6]为了验证猜想二,即音调高低可能与长短有关,需要保持琴弦的材料和琴弦的横截面积不变,从表格的数据可以看出,编号A、D、F符合要求,它们的材料相同,都是铜,横截面积也相同,长短不同;(2)[7]为了验证猜想三,即音调高低可能与琴弦的材料有关,从表格的数据可以看出,编号G、H的长度和横截面积都相同,只是材料不同,和J作对比,只需要长度也是80cm、横截面积也是1.02mm2即可;(3)[8]本探究实验过程中,三个变量,保持其中两个量不变,对比第三个量的变化与音调高低的关系,这是用到了控制变量法。
一、初二物理声现象实验易错压轴题(难)1.探究声音的特征:(1)为了探究音调与什么因素有关,小明设计了下面几个实验,如图所示,你认为能够完成探究目的是_____,通过探究可知:音调是由发声体振动的_____决定的.(2)如图所示,将一把钢尺紧按在桌面上,一端伸出桌面适当的长度,拨动钢尺,就可听到_____(选填“钢尺”或“桌面被拍打”)振动发出的声音,若改用更大的力拨动钢尺,则听到声音的_____(选填“音调”、“音色”或“响度”)变大;逐渐增加钢尺伸出桌面的长度,仔细聆听钢尺振动发出声音后,发现音调逐渐变_____(选填“高”或“低”)了,观察发现此时钢尺振动慢了,当钢尺伸出桌面超过一定长度时,虽然用同样的力拨动钢尺,却听不到声音了,这是由于_____.【答案】A、B、C 频率(快慢)钢尺响度低钢尺的振动频率低于20HZ【解析】(1)A、硬纸板接触齿数不同的齿轮,振动的频率不同,发出的声音的音调不同,符合题意;B. 改变钢尺伸出桌边的长度振动的频率不同,发出的声音的音调不同,符合题意;C. 用塑料尺子在梳子齿上快慢不同的滑动时,梳子齿振动的频率不同,发出的声音的音调不同,符合题意;D. 改变吹笔帽的力度,振幅不同,响度不同,研究响度跟振幅的关系,不符合题意;故选D.通过探究可知:音调是由发声体振动的频率决定的; (2)将一把钢尺紧紧按在桌面上,一端伸出桌面适当的长度,拨动钢尺,就可听到钢尺振动发出的声音;若改用更大的力拨动钢尺,钢尺的振幅变大,响度变大;改变钢尺伸出桌面的长度,用同样大小的力拨动其伸出桌面的一端,这样会导致钢尺振动的快慢不同,即发出声音的音调不同;钢尺伸出桌面超过一定长度,振动得很慢,即钢尺振动的频率小于20Hz,所以人耳听不到.2.小华和小刚用棉线连接了两个纸杯制成了一个“土电话”.以下是他们对“土电话”的探究.()1他们用“土电话”能实现10m间的通话,这表明________.()2两人位置不变,以相同的响度讲话,改用细金属丝连接,则听到的声音就大些.这一实验表明________.()3小华和小刚利用以上两个纸杯和一些长短、粗细不同的琴弦,又进行了探究“音调和哪些因素有关”的活动.他们选用的琴弦长度、材料在如图中标出(其中琴弦的直径关==<),并且每根琴弦固定在“音箱”上的松紧程度一致.系:a c d b()4①若他们想探究“音调的高低与琴弦材料”的关系应选择琴弦_____(从“a”、“b”、“c”或“d”中选两根).②若选择琴弦a和b,则是为了研究音调的高低与________的关系.【答案】固体能够传声金属的传声效果好a、c材料粗细【解析】【分析】【详解】(1他们用“土电话”能实现10m间的通话,是因为固体能够传声,即这表明固体能够传声.()2两人位置不变,以相同的响度讲话,改用细金属丝连接,则听到的声音就大些.这一实验表明金属的传声效果好.()4①根据控制变量法的思路,若他们想探究“音调的高低与琴弦材料”的关系,应选择粗细相同,而材料不同的两根琴弦,即选择a和c;②若选择琴弦a和b,长度和材料相同,粗细不同,所以是为了研究音调的高低与材料粗细的关系.3.为了探究收音机接收电磁波的情况好坏与哪些因素有关,小明将一只袖珍收音机调好电台节目和音量后完成了以下实验:①将收音机放进一只铝锅内,发现声音明显变小,取出后又恢复了原来的音量。
一、初二物理声现象实验易错压轴题(难)1.某同学为了探究物体发声时振动的频率高低与哪些因素有关,他选择了四根钢丝进行实验,如图所示。
具体数据如下表:编号材料长度粗细松紧甲钢丝10cm0.2mm2紧乙钢丝10cm0.1mm2紧丙钢丝5cm0.1mm2紧丁钢丝5cm0.1mm2松(1)用同样的力拨动钢丝甲和乙,发现拨动______钢丝时的音调高。
由此可以得出的结论是:在弦的长度、松紧程度相同时,振动的频率高低与弦的_________有关。
(2)为了探究发声体振动的频率高低与弦的长度的关系时,他应用同样大小的力先后拨动_______和________钢丝。
(3)先后用同样大小的力拨动钢丝丙和丁,可以得出的结论是: _____________【答案】乙粗细乙丙在钢丝的长度,粗细相同时,钢丝越紧,音调越高。
【解析】【分析】本题考查实验探究能力。
【详解】(1)[1][2]因为甲、乙两根钢丝的长度、松紧度一样,甲比乙粗,乙振动的频率大音调高,该过程是利用控制变量法来研究发声体的音调与其粗细的关系;(2)[3] [4]如果探究发声体音调高低与弦的长度的关系,必须控制两根钢丝的粗细、松紧度一样符合条件的是乙和丙两根钢丝;(3)[5]由图可以知道钢丝丙和丁长度、粗细相同,钢丝的松紧不同先后用同样大小的力拔动丙和丁两根钢丝,丙钢丝发出的音调高丁钢丝发出音调低,由此可以得出的结论是:在钢丝的长度、粗细相同时钢丝越紧音调越。
2.为了探究声音的产生与传播,小明和小华一起做了几个实验:小明把手放在发声的音箱上,感觉音箱在晃动;小华把发声的音叉放在水中,可以激起水花.(1)小华把发声的音叉放在水中,可以激起水花,他这样做的目的是________.(2)小明用手使劲敲桌子,发出很大的响声,但是他看到桌子几乎没有振动,为了使看到的实验现象更明显,你的改进方法是________.(3)如图所示,将正在发声的手机放在与抽气机连通的密闭玻璃瓶内.①在用抽气机把玻璃瓶内的空气逐渐抽出的过程中,听到的声音将会逐渐________.②分析实验现象,运用的科学方法可得出结论________.【答案】验证声音是由物体振动产生的在桌子上放一些碎纸屑变小真空不能传声【解析】(1) 小明把手放在发声的音箱上,感觉音箱在晃动;小华把发声的音叉放在水中,可以激起水花,都能证明声音是由于物体振动产生的.(2)桌子是较大的物体,发声振动不易观察,可转换成桌面上小纸屑的振动,所以可在桌子上放一些小纸屑;(3)当把玻璃罩内的空气逐渐抽出时,传声介质越来越少,所以传声效果越来越不好,实验过程中听到声音越来越小,设想空气全部抽净时,就不传声了,也就听不到声音了,故可的结论:真空不能传声.点睛:利用转换法解答,把发声体的振动转换成一些较明显的小物体的振动.3.吉他演奏会上,小组同学发现琴弦发出声音的音调高低是受各种因素影响的,经过讨论,他们提出以下猜想.猜想1:琴弦发出声音的音调高低,可能与琴弦的横截面积有关猜想2:琴弦发出声音的音调高低,可能与琴弦的长短有关猜想3:琴弦发出声音的音调高低,可能与琴弦的材料有关.为了验证上述猜想是否正确,同学们找到如下表所列的6种规格的琴弦,以及专门测量声音频率的仪器.(1)为了验证猜想1:应选用编号为_____、_____的琴弦进行实验.(2)为了验证猜想2:应选用编号为_____、_____的琴弦进行实验.(3)为了验证猜想3,请在表中填入所缺数据_________.【答案】A B C E 100 1.1【解析】【分析】【详解】控制变量法就是控制其它的因素不变,研究物理量与该因素的关系;(1)当研究琴弦发出声音的音调高低可能与琴弦的横截面积有关时,应控制材料和长度相同,所以应选A、B;(2)当研究琴弦发出声音的音调高低可能与琴弦的长短有关时,应控制材料和横截面积相同,所以应选C、E选项;(3)如果验证猜想三:琴弦发出声音的音调高低,可能与琴弦的材料有关,应控制长度和横截面积相同,故表格应该填入与尼龙和钢的数据相同,即100、1.1.因此,本题正确答案是:(1)A、B;(2)C、E;((3)100;1.1.【点睛】猜想琴弦发出声音的音调高低,可能与琴弦的横截面积、琴弦的长短、琴弦的材料有关,在探究过程中,应用控制变量法.4.探究响度与什么因素有关器材:音叉,橡皮槌,铁架台,硬泡沫塑料小球,细线等.操作:(1)如图所示用细线栓在硬泡沫塑料小球,悬挂在铁架台上,小球的作用是_______________________;(2)用橡皮槌轻轻敲击音叉使它振动后,发出一个较小的声音.让音叉一臂的外侧靠近并接触小球(如图),可以看到小球被音叉弹开一个__________(填“较大”或“较小”)的角度;(3)以橡皮槌用力敲击音叉,可听到较响的声音,且让音叉一臂的外侧接触小球,可看到小球被音叉弹开一个________(填“较大”或“较小”)的角度.说明:声源发出声音的响度与_________有关.除此之外响度还与_________有关.(4)如果在真空中做这个实验,小球________(选“能”或“不能”)弹开.【答案】将微小的振动放大,便于观察较小较大振幅距离发声体的远近能【解析】【分析】【详解】(1)因为音叉的振动我们看不到,把小球悬挂在铁架台上是为了把音叉的振动传给小球,用小球可以放大音叉的振动,所以小球的作用是将微小的振动放大,便于观察;(2)当轻轻敲击音叉时因为音叉振动幅度小,所以发出较小的声音,振动的音叉接触小球会把小球弹起较小的角度;(3)当用力敲击音叉发出较响的声音,音叉振动剧烈,接触小球会把小球弹起更大的角度,这说明响度与振幅有关,响度的大小还与距离发声体的远近有关;(4)如果在真空中做这个实验,音叉能振动,小球也能被弹开,但听不到声音.5.(1)把正在发声的手机放在玻璃罩内(如图甲所示),逐渐抽出其中的空气听到的声音越来越小,最后几乎听不到铃声,这说明______.(2)图乙是探究“”的实验装置图,把平面镜放在水平桌面上,再把一张可以沿ON 向前或向后折的纸板竖直地立在平面镜上,纸板上的ON垂直于镜面。
一、初二物理声现象实验易错压轴题(难)1.同学们围绕着水瓶发声的有关问题进行了以下探究。
(提出问题)敲瓶(瓶内含水)时发出的声音主要是由什么振动产生的?(猜想与假设)A.瓶子振动;B.瓶内水振动;C.瓶内空气柱振动(进行实验)(1)将瓶子装满水后用筷子敲击瓶子,瓶子仍能发出声音,故可以将猜想________排除。
(2)将瓶内水全部倒出后用筷子敲击瓶子,瓶子仍能发出声音,故可以将猜想________排除。
(得出结论)由上述实验分析可知,敲瓶发声,主要是由________振动产生的。
(提出新的问题)(1)瓶子发声的音调跟瓶内水的多少有什么关系?(2)随着瓶内水的增多,敲瓶发声的音调变化和吹瓶发声的音调变化又有何不同呢?(设计实验)(1)如图甲所示,先将8个空的玻璃瓶子放到桌子上一字摆开,再向瓶内注入不等量的水,从左到右,瓶内注入的水逐渐增多,最后用筷子从左到右依次敲击瓶口,同时用耳朵仔细听,辨别音调的高低。
(2)用嘴从左到右依次吹瓶口,同时用耳朵仔细听,辨别音调的高低。
(再得出结论)(1)敲瓶发声的音调随着瓶内水的增多而变______(选填高或低)。
(2)吹瓶发声的音调随着瓶内水的增多而变______(选填高或低)。
(拓展应用)如图乙所示. 用嘴分别对着5个高度不同的小瓶的瓶口吹气,发现瓶子越高,发出声音的音调越低。
(1)用嘴对着5个小瓶的瓶口吹气,5个小瓶均发出声音,则发出的声音是由________的振动产生的。
(2)5个小瓶产生的声音音调不同,其原因是________________。
【答案】C B瓶子低高瓶内空气柱空气柱的长短、粗细不同,导致空气柱振动的频率不同【解析】【分析】【详解】[1]将瓶子装满水后,瓶内没有空气,用筷子敲击瓶子,瓶子仍能发出声音,说明敲瓶时发出的声音不是由空气柱的振动产生的。
所以可以将猜想C排除。
[2]将瓶内水全部倒出后,瓶内没有水,用筷子敲击瓶子,瓶子仍能发出声音,说明敲瓶时发出的声音不是由瓶内水振动产生的。
一、初二物理声现象实验易错压轴题(难)1.在观看交响乐队演奏的过程中,小华发现同属于管乐器的圆号、小号、长号、大号发出声音的高低各不相同,他决定对此进行研究.经过和同学们讨论,提出了以下猜想:猜想一:管乐器发出声音的音调高低,可能与管内空气柱的长度有关猜想二:管乐器发出声音的音调高低,可能与管内空气柱的横截面积(粗细)有关小明找来了两个未使用过的一次性注射器制成了一些哨子(如下图所示).注射器的规格分别为2.5ml和5ml.他一边吹哨子一边调整注射器内空气柱的长度,同时利用专用仪器测出声音的频率和响度,详见下表(表中“ml”表示毫升,“cm”表示厘米)(1)选用序号为A、B、C的三次实验做对比,可以得出:在空气柱的______相同时,管内空气柱越短,音调越______.(2)选用序号为______的两次实验做对比,可以得出:在空气柱的______相同时,管内空气柱横截面积越大,音调越______.(3)序号为C、D的两次实验中,响度大的是______(选填“C”或“D”).【答案】横截面积(或粗细)高 A、D(或B、E或C、F)长度低 D【解析】【分析】【详解】要研究音调的高低和什么因素有关,需用控制变量法.(1)选用序号为A、B、C的三次实验做对比,可以得出:在空气柱的横截面积(或粗细)相同时,管内空气柱越短,单位时间内振动的次数越多,频率越快,音调越高.(2)琴弦发出声音的音调高低,可能与琴弦的横截面积有关,需控制琴弦的长短和琴弦的材料不变,所以要选择A、D(或B、E或C、F).由此可得,在空气柱的长度相同时,管内空气柱横截面积越大,音调越低;(3)序号为C、D的两次实验中,D实验时的声音强度为75分贝,大于C实验时的声音强度.2.根据如图所示的实验情景,回答问题:(1)如图①所示的实验现象表明:________.(2)如图②所示,从左向右敲击瓶子时,各瓶发音的音调变化是:________.(选填“由高变低”或“由低变高”)(3)如图③所示,用手指轻叩课桌,使正坐在对面的同学刚好听不到叩击声,再让对面的同学将耳朵紧贴在桌面上,用同样的力度轻叩课桌,这时对面的同学则能听到叩击声.这个实验表明:________(4)如图④所示,正在发声的手机悬挂在密闭的广口瓶内,将瓶内的空气不断抽出时,手机铃声逐渐变小.由这个实验事实得到的推论是:________.(5)如图⑤所示,我们把水倒入瓶中时,通常根据声音的________来判断瓶中水的多少.【答案】声音由物体振动产生由高变低固体传声效果比空气好真空不能传声音调变化【解析】【详解】(1)小纸片的跳动是由于扬声器振动造成的,扬声器发出声音的原因正是由于里边纸盆的振动;所以如图①所示的实验现象表明:声音由物体振动产生;(2)敲击瓶子时,声音主要是瓶身和水柱振动发出的,瓶中盛水越多,瓶子和水的质量越大,越难振动,音调越低,因此从左向右敲打瓶子,音调由高变低;(3)敲课桌的另一端的时候,耳朵贴在桌面上是靠固体传播声音;耳朵离开桌子的时候靠空气传播声音,固体传声效果比气体好,所以耳朵紧贴在桌面上,用同样的力度轻叩课桌,这时对面的同学则能听到叩击声.(4)当用抽气机不断抽气时,手机播放的音乐声逐渐减弱,经过科学推理可得:真空不能传声;(5)往暖水瓶中灌水时,是由暖水瓶内的空气柱振动发出声音,水越来越多,空气柱越来越短,越容易振动,音调越高.所以可以通过发出声音的音调变化来判断暖水瓶中水的多少.3.如图所示,小明和小刚用细棉线连接了两个纸杯制成了一个“土电话”。
一、初二物理声现象实验易错压轴题(难)1.噪声是一种严重的环境污染,李明想制作一个防噪声的耳罩,他通过比较几种材料(衣服、锡箔纸、泡沫塑料)的隔音性能,来选择一种隔音性能好的材料做耳罩的填充物。
实验器材除了待检测的材料外,还有:音叉、机械闹钟、鞋盒。
(1)在本实验中适合作声源的是_____,另一个仪器不适合作声源的理由是___(2)李明将声源放入鞋盒内,在其四周塞满待测填充材料,他设想了以下A、B两种实验方案.你认为最佳的是________方案。
A.让人站在距鞋盒一定的距离处,比较所听见声音的响度B.让人一边听声音,一边向后退,直至听不见声音为止,比较此处距鞋盒的距离实验中测得的数据如下表所示,则待测材料中隔音性能最好的是____________。
(3)实验过程中应将声源响度________(选填“调大”或“调小”),因为铃声响度越大时,人要听不到声音时与声源的距离将越_____(选填大或小),导致实验在教室中难以进行.同时在比较不同材料时铃声响度应____(选填“随材料而改变”或“保持不变”),这种物理方法叫_______。
(4)小红从家中也找出下列一些材料开始探究:一张报纸、一件羽绒服、一个薄塑料袋、一些泡沫板,李明认为小红选择这些材料直接进行实验存在一个明显问题,不能有效地说明这些材料的隔声性能,请指出这个明显的问题:_______。
(5)对材料进行科学调整后,他们通过探究得到如下实验数据:由此数据可将这些材料隔声性能最好的是____________。
【答案】机械闹钟音叉发出的声音不稳定,不能持续发声B泡沫塑料调小大保持不变控制变量法没有控制材料厚度相同羽绒服【解析】【分析】【详解】(1)[1][2]机械闹钟,发出的声音稳定,能持续发声,所以选用机械闹钟,而音叉发出的声音不稳定,不能持续发声,所以不选用音叉。
(2)[3]A方案中,由于人耳听到的响度无法测量,只能凭感觉判断,没有可靠的实验数据;在B方案中,通过比较到鞋盒的距离判断隔音效果,因为距离可以测量,有可靠地实验数据,能够较好的判断隔音效果。
苏科版物理八年级上册全册全套试卷(培优篇)(Word版含解析)一、初二物理声现象实验易错压轴题(难)1.探究响度与什么因素有关器材:音叉,橡皮槌,铁架台,硬泡沫塑料小球,细线等.操作:(1)如图所示用细线栓在硬泡沫塑料小球,悬挂在铁架台上,小球的作用是_______________________;(2)用橡皮槌轻轻敲击音叉使它振动后,发出一个较小的声音.让音叉一臂的外侧靠近并接触小球(如图),可以看到小球被音叉弹开一个__________(填“较大”或“较小”)的角度;(3)以橡皮槌用力敲击音叉,可听到较响的声音,且让音叉一臂的外侧接触小球,可看到小球被音叉弹开一个________(填“较大”或“较小”)的角度.说明:声源发出声音的响度与_________有关.除此之外响度还与_________有关.(4)如果在真空中做这个实验,小球________(选“能”或“不能”)弹开.【答案】将微小的振动放大,便于观察较小较大振幅距离发声体的远近能【解析】【分析】【详解】(1)因为音叉的振动我们看不到,把小球悬挂在铁架台上是为了把音叉的振动传给小球,用小球可以放大音叉的振动,所以小球的作用是将微小的振动放大,便于观察;(2)当轻轻敲击音叉时因为音叉振动幅度小,所以发出较小的声音,振动的音叉接触小球会把小球弹起较小的角度;(3)当用力敲击音叉发出较响的声音,音叉振动剧烈,接触小球会把小球弹起更大的角度,这说明响度与振幅有关,响度的大小还与距离发声体的远近有关;(4)如果在真空中做这个实验,音叉能振动,小球也能被弹开,但听不到声音.2.某兴趣小组计划探究“铝棒的发声”。
同学们使用一根表面光滑的实心铝棒,一只手捏住铝棒的中间部位,另一只手的拇指和食指粘少许松香粉,在铝棒表面由手捏部位向外端摩擦,可以听见铝棒发出声音,而且发现在不同情况下铝棒发声的频率是不同的,为了探究铝棒发声频率的影响因素,该兴趣小组找到不同规格的铝棒、虚拟示波器等器材进行探究,实验前同学们提出了以下猜想:猜想A:铝棒发声的频率可能和铝棒的横截面积有关猜想B:铝棒发声的频率可能和铝棒的长度有关猜想C:铝棒发声的频率可能和手捏铝棒的部位有关为了验证猜想A,同学们选择4根铝棒,每次均捏住铝棒的中间部位,由手捏部位向外端摩擦,实验所得的数据记录于下面的表格中,在2%的误差允许范围内(频率相差在70Hz 以内)的测量值可以认为是相等的。
一、初二物理声现象实验易错压轴题(难)1.噪声是一种严重的环境污染,李明想制作一个防噪声的耳罩,他通过比较几种材料(衣服、锡箔纸、泡沫塑料)的隔音性能,来选择一种隔音性能好的材料做耳罩的填充物。
实验器材除了待检测的材料外,还有:音叉、机械闹钟、鞋盒。
(1)在本实验中适合作声源的是_____,另一个仪器不适合作声源的理由是___(2)李明将声源放入鞋盒内,在其四周塞满待测填充材料,他设想了以下A、B两种实验方案.你认为最佳的是________方案。
A.让人站在距鞋盒一定的距离处,比较所听见声音的响度B.让人一边听声音,一边向后退,直至听不见声音为止,比较此处距鞋盒的距离实验中测得的数据如下表所示,则待测材料中隔音性能最好的是____________。
(3)实验过程中应将声源响度________(选填“调大”或“调小”),因为铃声响度越大时,人要听不到声音时与声源的距离将越_____(选填大或小),导致实验在教室中难以进行.同时在比较不同材料时铃声响度应____(选填“随材料而改变”或“保持不变”),这种物理方法叫_______。
(4)小红从家中也找出下列一些材料开始探究:一张报纸、一件羽绒服、一个薄塑料袋、一些泡沫板,李明认为小红选择这些材料直接进行实验存在一个明显问题,不能有效地说明这些材料的隔声性能,请指出这个明显的问题:_______。
(5)对材料进行科学调整后,他们通过探究得到如下实验数据:由此数据可将这些材料隔声性能最好的是____________。
【答案】机械闹钟音叉发出的声音不稳定,不能持续发声B泡沫塑料调小大保持不变控制变量法没有控制材料厚度相同羽绒服【解析】【分析】【详解】(1)[1][2]机械闹钟,发出的声音稳定,能持续发声,所以选用机械闹钟,而音叉发出的声音不稳定,不能持续发声,所以不选用音叉。
(2)[3]A方案中,由于人耳听到的响度无法测量,只能凭感觉判断,没有可靠的实验数据;在B方案中,通过比较到鞋盒的距离判断隔音效果,因为距离可以测量,有可靠地实验数据,能够较好的判断隔音效果。
一、初二物理声现象实验易错压轴题(难)1.同学们围绕着水瓶发声的有关问题进行了以下探究。
(提出问题)敲瓶(瓶内含水)时发出的声音主要是由什么振动产生的?(猜想与假设)A.瓶子振动;B.瓶内水振动;C.瓶内空气柱振动(进行实验)(1)将瓶子装满水后用筷子敲击瓶子,瓶子仍能发出声音,故可以将猜想________排除。
(2)将瓶内水全部倒出后用筷子敲击瓶子,瓶子仍能发出声音,故可以将猜想________排除。
(得出结论)由上述实验分析可知,敲瓶发声,主要是由________振动产生的。
(提出新的问题)(1)瓶子发声的音调跟瓶内水的多少有什么关系?(2)随着瓶内水的增多,敲瓶发声的音调变化和吹瓶发声的音调变化又有何不同呢?(设计实验)(1)如图甲所示,先将8个空的玻璃瓶子放到桌子上一字摆开,再向瓶内注入不等量的水,从左到右,瓶内注入的水逐渐增多,最后用筷子从左到右依次敲击瓶口,同时用耳朵仔细听,辨别音调的高低。
(2)用嘴从左到右依次吹瓶口,同时用耳朵仔细听,辨别音调的高低。
(再得出结论)(1)敲瓶发声的音调随着瓶内水的增多而变______(选填高或低)。
(2)吹瓶发声的音调随着瓶内水的增多而变______(选填高或低)。
(拓展应用)如图乙所示. 用嘴分别对着5个高度不同的小瓶的瓶口吹气,发现瓶子越高,发出声音的音调越低。
(1)用嘴对着5个小瓶的瓶口吹气,5个小瓶均发出声音,则发出的声音是由________的振动产生的。
(2)5个小瓶产生的声音音调不同,其原因是________________。
【答案】C B瓶子低高瓶内空气柱空气柱的长短、粗细不同,导致空气柱振动的频率不同【解析】【分析】【详解】[1]将瓶子装满水后,瓶内没有空气,用筷子敲击瓶子,瓶子仍能发出声音,说明敲瓶时发出的声音不是由空气柱的振动产生的。
所以可以将猜想C排除。
[2]将瓶内水全部倒出后,瓶内没有水,用筷子敲击瓶子,瓶子仍能发出声音,说明敲瓶时发出的声音不是由瓶内水振动产生的。
一、初二物理声现象实验易错压轴题(难)1.为了探究声音的产生与传播,小明和小华一起做了几个实验:小明把手放在发声的音箱上,感觉音箱在晃动;小华把发声的音叉放在水中,可以激起水花.(1)小华把发声的音叉放在水中,可以激起水花,他这样做的目的是________.(2)小明用手使劲敲桌子,发出很大的响声,但是他看到桌子几乎没有振动,为了使看到的实验现象更明显,你的改进方法是________.(3)如图所示,将正在发声的手机放在与抽气机连通的密闭玻璃瓶内.①在用抽气机把玻璃瓶内的空气逐渐抽出的过程中,听到的声音将会逐渐________.②分析实验现象,运用的科学方法可得出结论________.【答案】验证声音是由物体振动产生的在桌子上放一些碎纸屑变小真空不能传声【解析】(1) 小明把手放在发声的音箱上,感觉音箱在晃动;小华把发声的音叉放在水中,可以激起水花,都能证明声音是由于物体振动产生的.(2)桌子是较大的物体,发声振动不易观察,可转换成桌面上小纸屑的振动,所以可在桌子上放一些小纸屑;(3)当把玻璃罩内的空气逐渐抽出时,传声介质越来越少,所以传声效果越来越不好,实验过程中听到声音越来越小,设想空气全部抽净时,就不传声了,也就听不到声音了,故可的结论:真空不能传声.点睛:利用转换法解答,把发声体的振动转换成一些较明显的小物体的振动.2.探究声音的特征:(1)为了探究音调与什么因素有关,小明设计了下面几个实验,如图所示,你认为能够完成探究目的是_____,通过探究可知:音调是由发声体振动的_____决定的.(2)如图所示,将一把钢尺紧按在桌面上,一端伸出桌面适当的长度,拨动钢尺,就可听到_____(选填“钢尺”或“桌面被拍打”)振动发出的声音,若改用更大的力拨动钢尺,则听到声音的_____(选填“音调”、“音色”或“响度”)变大;逐渐增加钢尺伸出桌面的长度,仔细聆听钢尺振动发出声音后,发现音调逐渐变_____(选填“高”或“低”)了,观察发现此时钢尺振动慢了,当钢尺伸出桌面超过一定长度时,虽然用同样的力拨动钢尺,却听不到声音了,这是由于_____.【答案】A、B、C 频率(快慢)钢尺响度低钢尺的振动频率低于20HZ【解析】(1)A、硬纸板接触齿数不同的齿轮,振动的频率不同,发出的声音的音调不同,符合题意;B. 改变钢尺伸出桌边的长度振动的频率不同,发出的声音的音调不同,符合题意;C. 用塑料尺子在梳子齿上快慢不同的滑动时,梳子齿振动的频率不同,发出的声音的音调不同,符合题意;D. 改变吹笔帽的力度,振幅不同,响度不同,研究响度跟振幅的关系,不符合题意;故选D.通过探究可知:音调是由发声体振动的频率决定的; (2)将一把钢尺紧紧按在桌面上,一端伸出桌面适当的长度,拨动钢尺,就可听到钢尺振动发出的声音;若改用更大的力拨动钢尺,钢尺的振幅变大,响度变大;改变钢尺伸出桌面的长度,用同样大小的力拨动其伸出桌面的一端,这样会导致钢尺振动的快慢不同,即发出声音的音调不同;钢尺伸出桌面超过一定长度,振动得很慢,即钢尺振动的频率小于20Hz,所以人耳听不到.3.如图所示,在8个相同的水瓶中灌入质量不同的水,水面的高度不等.(1)若用相同的力敲击它们,就可以发出不同音调的声音,此时发出声音的声源是________(填“空气柱”或“水瓶和水”),盛水越多,敲击时发出声音的音调就越________.(2)若用嘴依次吹瓶口,也可以发出不同音调的声音,此时发出声音的声源是________(填“空气柱”或“水瓶和水”),瓶中的空气柱越短,发出声音的音调就越________.(3)往保温瓶里灌开水的过程中,听声音就能判断保温瓶里水位的高低,因为________.A.随着水位升高,音调逐渐升高 B.随着水位升高,音调逐渐降低C.灌水过程中音调保持不变,响度越来越大 D.灌水过程中音调保持不变,响度越来越小【答案】水瓶和水低空气柱高 A【解析】【分析】【详解】(1)[1]当用相同的力敲击水瓶时,振动发声的物体主要是水瓶和水;[2] 敲击水瓶时,瓶中的水越多,水瓶和水越难振动,音调越低;(2)[3]当用嘴依次吹瓶口时,振动发声的物体主要是空气柱;[4] 吹瓶口时,瓶中盛水越多,空气柱越短,越容易振动,频率越大,音调越高;(3)[5]往保温瓶里灌开水的过程中,保温瓶内的水越来越多,空气柱越来越短,越容易振动,频率越大,高调越高;故BCD项错误,A项正确.4.为了探究声音的反射与吸收特点,章杰同学进行了实验研究:(1)在玻璃筒内垫上一层棉花,棉花上放一个小闹钟,耳朵靠近玻璃筒口正上方l0cm处,能清晰地听见闹钟声,闹钟声是通过________传播的。
一、初二物理声现象实验易错压轴题(难)1.某同学为了探究物体发声时振动的频率高低与哪些因素有关,他选择了四根钢丝进行实验,如图所示。
具体数据如下表:编号材料长度粗细松紧甲钢丝10cm0.2mm2紧乙钢丝10cm0.1mm2紧丙钢丝5cm0.1mm2紧丁钢丝5cm0.1mm2松(1)用同样的力拨动钢丝甲和乙,发现拨动______钢丝时的音调高。
由此可以得出的结论是:在弦的长度、松紧程度相同时,振动的频率高低与弦的_________有关。
(2)为了探究发声体振动的频率高低与弦的长度的关系时,他应用同样大小的力先后拨动_______和________钢丝。
(3)先后用同样大小的力拨动钢丝丙和丁,可以得出的结论是: _____________【答案】乙粗细乙丙在钢丝的长度,粗细相同时,钢丝越紧,音调越高。
【解析】【分析】本题考查实验探究能力。
【详解】(1)[1][2]因为甲、乙两根钢丝的长度、松紧度一样,甲比乙粗,乙振动的频率大音调高,该过程是利用控制变量法来研究发声体的音调与其粗细的关系;(2)[3] [4]如果探究发声体音调高低与弦的长度的关系,必须控制两根钢丝的粗细、松紧度一样符合条件的是乙和丙两根钢丝;(3)[5]由图可以知道钢丝丙和丁长度、粗细相同,钢丝的松紧不同先后用同样大小的力拔动丙和丁两根钢丝,丙钢丝发出的音调高丁钢丝发出音调低,由此可以得出的结论是:在钢丝的长度、粗细相同时钢丝越紧音调越。
2.小明和小红想比较棉布、锡箔纸、泡沫塑料这三种材料的隔声性能.(1)小明将机械闹钟放入鞋盒内,分别盖上(不同/相同)______厚度的不同隔声材料.接着他一边听秒针走动的声音,一边向后退,直到听不见声音为止.小明在远离声源的过程中,他所听到声音的_______(响度/音调)发生改变.然后分别测量并记录此处到鞋盒的距离(如上表).分析表中数据可知:待测材料中隔声性能最好的可能是___________.(2)为了进一步验证,小红认为还可以保持__________________________相同,分别改变不同隔声材料的厚度,直到测试者听不见声音为止.然后通过比较材料的厚度来确定材料的隔声性能.若材料越厚,则说明其隔声性能越________(好/差)【答案】相同响度泡沫塑料人到声源的距离差【解析】(1)根据控制变量法,比较棉布、锡箔纸、泡沫塑料这三种材料的隔声性能,要控制不同隔声材料厚度的相同,音调大小由振动的频率决定,发出的声音音调不会改变,听到响度与听者与声源的距离有关,故小明在远离声源的过程中,他所听到声音的响度发生改变.由表可知,分析表中数据可知:泡沫塑料听不见声音的距离最小,故待测材料中隔声性能最好的可能是泡沫塑料;(2)根据控制变量法,为了进一步验证,小红认为还可以保持人到声源的距离相同,分别改变不同隔声材料的厚度,直到测试者听不见声音为止.然后通过比较材料的厚度来确定材料的隔声性能.若材料越厚,则说明其隔声性能越差.故答案为:(1). 相同 (2). 响度 (3). 泡沫塑料 (4). 人到声源的距离 (5). 差【点睛】本题比较棉布、锡箔纸、泡沫塑料这三种材料的隔声性能,控制变量法的运用及音调的决定因素及响度大小什么有关和分析数据的能力是关键.3.为了探究声音的产生与传播,小明和小华一起做了几个实验:小明把手放在发声的音箱上,感觉音箱在晃动;小华把发声的音叉放在水中,可以激起水花.(1)小华把发声的音叉放在水中,可以激起水花,他这样做的目的是________.(2)小明用手使劲敲桌子,发出很大的响声,但是他看到桌子几乎没有振动,为了使看到的实验现象更明显,你的改进方法是________.(3)如图所示,将正在发声的手机放在与抽气机连通的密闭玻璃瓶内.①在用抽气机把玻璃瓶内的空气逐渐抽出的过程中,听到的声音将会逐渐________.②分析实验现象,运用的科学方法可得出结论________.【答案】验证声音是由物体振动产生的在桌子上放一些碎纸屑变小真空不能传声【解析】(1) 小明把手放在发声的音箱上,感觉音箱在晃动;小华把发声的音叉放在水中,可以激起水花,都能证明声音是由于物体振动产生的.(2)桌子是较大的物体,发声振动不易观察,可转换成桌面上小纸屑的振动,所以可在桌子上放一些小纸屑;(3)当把玻璃罩内的空气逐渐抽出时,传声介质越来越少,所以传声效果越来越不好,实验过程中听到声音越来越小,设想空气全部抽净时,就不传声了,也就听不到声音了,故可的结论:真空不能传声.点睛:利用转换法解答,把发声体的振动转换成一些较明显的小物体的振动.4.噪声是一种严重的环境污染,小明想比较几种材料(毛衣、报纸、棉花、泡沫塑料)的隔音性能,来选择一种隔音性能好的材料做耳罩的填充物,实验器材除了待检测的材料外,还有:音叉、机械闹钟、鞋盒,完成下面各题:(1)本实验中适合做声源的是________ .(2)小明将声源放入鞋盒内,在其四周塞满待测材料,再盖上盒盖,他设想了两种实验比较方案,你认为最佳的是________ .A.让人站在距鞋盒一定距离外,比较所听见声音的响度B.让人一边听声音,一边向后退,直至听不见声音为止,比较此处距鞋盒的距离(3)下面的表格是为了上述两种实验方案而设计的,其中与方案B对应的是________ .(4)待测材料隔声性能由好到差的排列顺序为________ .【答案】机械闹钟B表二棉花泡沫毛衣报纸【解析】【分析】【详解】(1)发声体需要持续发声,所以音叉不合适,应该选择机械闹钟;(2)比较响度依靠感觉,不够准确;听不见声音的距离比较准确而且容易进行比较,隔音性能好,响度越小,听不见声音的距离就越小;隔音性能差,响度越大,听不见声音的距离就越大,因此选B.(3)表二比较的是距离,所以其中与方案B对应的是表二.(4)隔音性能好,响度越小,听不见声音的距离就越小;隔音性能差,响度越大,听不见声音的距离就越大.距离由短到长依次是棉花泡沫毛衣报纸,因此隔声性能由好到差应该是棉花泡沫毛衣报纸.5.为了探究收音机接收电磁波的情况好坏与哪些因素有关,小明将一只袖珍收音机调好电台节目和音量后完成了以下实验:①将收音机放进一只铝锅内,发现声音明显变小,取出后又恢复了原来的音量。
一、初二物理声现象实验易错压轴题(难)1.学习吉他演奏的过程中,小华发现琴弦发出声音的音调高低是受各种因素影响的,他决定对此进行研究。
经过和同学们讨论,提出了以下猜想:猜想一:琴弦发出声音的音调高低,可能与琴弦的横截面积有关。
猜想二:琴弦发出声音的音调高低,可能与琴弦的长短有关。
猜想三:琴弦发出声音的音调高低,可能与琴弦的材料有关。
为了验证上述猜想是否正确,他们找到了下表所列9种规格的琴弦进行实验。
(1)为了验证猜想一,应选用编号为_______________的琴弦进行实验。
(2)为了验证猜想二,应选用编号为_______________的琴弦进行实验。
(3)表中有的材料规格还没填全,为了验证猜想三,必须知道该项内容。
请在表中填上所缺数据_____,___。
(4)随着实验的进行,小华又觉得琴弦音调的高低,可能还与琴弦的松紧程度有关,为了验证这一猜想他还需进行操作是__________________。
【答案】ABC ADF 80 1.02 选定某一根琴弦,调节它的松紧程度,比较音调是否变化【解析】【详解】(1)[1]为了验证猜想一,即要保证材料和长度相同,横截面积不同,观察编号A、B、C的数据,它们的材料都是铜,长度都是60cm,横截面积不同,这三种规格的琴弦符合要求;(2)[2]为了验证猜想二,即要保证材料和横截面积相同,长度不铜,观察编号A、D、F的数据,它们的材料都是铜,横截面积都是0.76 mm2,长度不铜,这三种规格的琴弦符合要求;(3)[3][4]为了验证猜想三,即要保证长度和横截面积相同,材料不同,观察G、H可知,它们长度都是80cm,横截面积都是1.02 mm2,一个是钢材料,另一个是尼龙材料,此时编号E材料是铜,只要长度也是80cm,横截面积也是1.02 mm2即可验证猜想三;(4)[5]为了验证这一猜想,他需要选定某一根琴弦,调节它的松紧程度,比较音调是否变化。
2.探究响度与什么因素有关器材:音叉,橡皮槌,铁架台,硬泡沫塑料小球,细线等.操作:(1)如图所示用细线栓在硬泡沫塑料小球,悬挂在铁架台上,小球的作用是_______________________;(2)用橡皮槌轻轻敲击音叉使它振动后,发出一个较小的声音.让音叉一臂的外侧靠近并接触小球(如图),可以看到小球被音叉弹开一个__________(填“较大”或“较小”)的角度;(3)以橡皮槌用力敲击音叉,可听到较响的声音,且让音叉一臂的外侧接触小球,可看到小球被音叉弹开一个________(填“较大”或“较小”)的角度.说明:声源发出声音的响度与_________有关.除此之外响度还与_________有关.(4)如果在真空中做这个实验,小球________(选“能”或“不能”)弹开.【答案】将微小的振动放大,便于观察较小较大振幅距离发声体的远近能【解析】【分析】【详解】(1)因为音叉的振动我们看不到,把小球悬挂在铁架台上是为了把音叉的振动传给小球,用小球可以放大音叉的振动,所以小球的作用是将微小的振动放大,便于观察;(2)当轻轻敲击音叉时因为音叉振动幅度小,所以发出较小的声音,振动的音叉接触小球会把小球弹起较小的角度;(3)当用力敲击音叉发出较响的声音,音叉振动剧烈,接触小球会把小球弹起更大的角度,这说明响度与振幅有关,响度的大小还与距离发声体的远近有关;(4)如果在真空中做这个实验,音叉能振动,小球也能被弹开,但听不到声音.3.小丽同学在观察小提琴、二胡等乐器的弦振动时猜想:在弦张紧程度相同的条件下,发声的音调高低还可能与弦的粗细、长短及弦的材料有关。
八年级上册物理全册全套试卷(培优篇)(Word版含解析)一、初二物理声现象实验易错压轴题(难)1.如图所示,某同学用尺子探究音调和响度分别与什么有关时,做了以下实验:(1)该同学把钢尺紧按在桌面上,一端伸出桌边,拨动钢尺,听它振动发出的声音,同时注意钢尺振动的快慢;改变钢尺伸出桌边的长度,再次拨动,使钢尺每次振动的幅度大致相同.实验发现:尺子伸出桌面的长度越长,振动越慢,发出声音的音调越________;由此可得出结论:音调的高低与发声体振动的________有关;(2)又把钢尺紧按在桌面上,一端伸出桌边,拨动钢尺,听它振动发出的声音,同时注意钢尺振动幅度;改变拨动钢尺的力度,再次拨动,使钢尺每次的振动快慢大致相同.实验发现拨动尺子的力度越大,尺子________越大,发出声音的________越大;(3)在实验中会发现:当尺子伸出桌面超过一定长度时,虽然用较大的力拨动钢尺,却听不到声音,这是由于________【答案】低频率振动的幅度响度尺子伸出桌面的长度越长时,振动频率越低,发出声音的音调越低,当尺子伸出桌面超过一定长度时,发出声音的音调低于20Hz,属于次声波,低于人类听觉的下限.【解析】【分析】(1)音调指声音的高低,是由发声体振动的频率决定,物体振动越快,音调就越高,物体振动越慢,音调就越低;(2)响度指声音的强弱,是由发声体振动的振幅决定,振幅越大,响度越大;(3)大多数人能够听到的频率范围从20Hz到20000Hz.【详解】(1)当尺子伸出桌面的长度越长时,振动越慢,发出声音的音调越低;当尺子伸出桌面的长度越短时,振动越快,发出声音的音调越高;由此可得出结论:音调的高低与发声物体的振动频率有关;(2)拨动尺子的力度越大尺子振动幅度越大,发出声音的响度越大;拨动尺子的力度越小尺子振动幅度越小,发出声音的响度越小;由此可得出结论:响度的大小与发声物体的振动幅度有关;(3)尺子伸出桌面的长度越长时,振动频率越低,发出声音的音调越低,所以当尺子伸出桌面超过一定长度时,虽然用较大的力拨动钢尺,但发出声音的频率低于20Hz,属于次声波,人听不到声音.2.如图所示的是小明在课余时间制作的一个竹笛,在竹管开口处①向管内吹气时,竹笛可以发出美妙的笛声,推拉铁丝环⑥时,音调可以改变,吹奏歌曲.(1)吹奏竹笛时,振动发声的物体是________.(2)当布团⑤分别位于a、b、c三个位置时,竹笛发声音调最高的位置是________,音调最低的位置是________.【答案】空气柱a c【解析】解答:(1)声音是由物体的振动产生的.吹奏竹笛时,笛声是由笛子内的空气柱振动发出的;且音调的高低取决于空气柱的长短,空气柱越长,产生的笛声的音调越低,空气柱越短,音调越高.(2)可以看出在图示的三个位置中,当布团在a位置时,管内的空气柱最短,因为空气柱越长(短)竹笛发出的声音的音调越低(高),所以此时发出的声音的音调最高;在c点是空气柱最长,发出的声音的音调最低.3.探究影响音调的高低有关因素:装置事实如图(1)所示,某小组同学在甲、乙、丙、丁四个相同的玻璃瓶里装入高度不同的水,来研究“音调高低与哪些因素有关”.首先,小组同学用嘴贴着瓶口吹气,发现甲、乙、丙、丁四个玻璃瓶会依次发出“fa(4)”“mi(3)”“ri”“do(1)”四个音阶不同的声音,接着小组同学用橡皮锤轻轻敲击瓶身,发现甲、乙、丙、丁四个玻璃瓶会依次发出“do(1)”“ri (2)”“mi(3)”“fa(4)”四个音阶不同的声音由此现象,回答下列问题:步骤(1)同样的瓶子,如玻璃瓶甲,为什么向瓶口吹气发出“fa(4)”的音,而用橡皮锤轻轻敲击瓶身则发出“do(1)”的音?小组同学经过讨论后发现主要是由于______不同.(2)小组同学由两次实验现象初步得出结论:______不同,音调不同.(3)接着,小组同学又用示波器来显示敲击丙、丁两瓶身时的振动波形图,如图(2)所示,其中图(a)是敲击______瓶身的振动波形图,图(b)是敲击______瓶身的振动波形图;同时,小组同学还发现由于两次敲击时的用力程度不同,从波形图上能反映出瓶身发出的响度也不同,其中敲击______瓶身的响度大(均填“丙”或“丁”)评价(4)小组同学经过讨论还得出可以用此实验的规律判断生活中一些实例的发声体.例如:吹【答案】振动物体频率丙丁丁向瓶口吹气向瓶口歇气【解析】【详解】[1]用嘴贴着瓶口吹气,振动发声的是由于瓶内空气的振动发出的,用橡皮锤轻轻敲击瓶子的外侧,声音是由瓶子和瓶内水的振动发声,振动物体不同;[2]用嘴贴着瓶口吹气时,空气柱长度越短,其振动越快,音调越高;用橡皮锤轻轻敲击瓶子的外侧,水越多,振动越慢,音调越低;发声的频率不同,音调不同;[3]由图(1)可知,丙比丁中水多,用橡皮锤轻轻敲击瓶子外侧时,丙中水多,振动的频率低,由图(2)可知,(a)的频率低,则(a)是敲击丙瓶身的振动波形图;[4]同理可知(b)是敲击丁瓶身的振动波形图;[5]由图(2)可知,(b)的振幅较大,说明敲击丁瓶身的响度大;[6]吹笛子时,用手堵住笛孔能产生不同的声音,是靠改变空气柱的长度来改变音调的,与向瓶口吹气实验的发声体是相同的;[7]提着水壶向热水瓶里灌开水时,随着水的灌入,空气柱越来越短,振动的频率越来越高,与向瓶口吹气实验的发声体是相同的。
一、初二物理声现象实验易错压轴题(难)1.在学习吉他演奏的过程中,小华发现琴弦发出声音的音调高低是受各种因素影响的,他决定对此进行研究。
经过和同学们讨论,提出了以下猜想:猜想一:琴弦发出声音的音调高低,可能与琴弦的横截面积有关猜想二:琴弦发出声音的音调高低,可能与琴弦的长短有关猜想三:琴弦发出声音的音调高低,可能与琴弦的材料有关为了验证上述猜想是否正确,他们找到了下表所列9种规格的琴弦,因为音调高低取决于声源振动的频率,于是借来一个能够测量振动频率的仪器进行实验。
(1)为了验证猜想一,应选用编号为_______、_______、_______的琴弦进行实验。
为了验证猜想二,应选用编号为_______、_______、_______的琴弦进行实验。
(2)表中有的材料规格还没填全,为了验证猜想三,必须知道该项内容。
请在表中填上所缺数据_______、_______。
(3)本探究实验中研究方法是:__________________【答案】A B C A D F80 1.02控制变量法【解析】【详解】(1)[1][2][3]为了验证猜想一,即音调高低可能与横截面积有关,需要保持琴弦的长短和琴弦的材料不变,从表格的数据可以看出,编号A、B、C符合要求,它们的材料相同,都是铜,长度相同,都是60cm,只是横截面积不同;[4][5][6]为了验证猜想二,即音调高低可能与长短有关,需要保持琴弦的材料和琴弦的横截面积不变,从表格的数据可以看出,编号A、D、F符合要求,它们的材料相同,都是铜,横截面积也相同,长短不同;(2)[7]为了验证猜想三,即音调高低可能与琴弦的材料有关,从表格的数据可以看出,编号G、H的长度和横截面积都相同,只是材料不同,和J作对比,只需要长度也是80cm、横截面积也是1.02mm2即可;(3)[8]本探究实验过程中,三个变量,保持其中两个量不变,对比第三个量的变化与音调高低的关系,这是用到了控制变量法。
一、初二物理声现象实验易错压轴题(难)1.某兴趣小组计划探究“铝棒的发声”.同学们使用一根表面光滑的实心铝棒,一只手捏住铝棒的中间部位,另一只手的拇指和食指粘少许松香粉,在铝棒表面由手捏部位向外端摩擦,可以听见铝棒发出声音,而且发现在不同情况下铝棒发声的频率是不同的,为了探究铝棒发声频率的影响因素,该兴趣小组找到不同规格的铝棒、虚拟示波器等器材进行探究.实验前同学们提出了以下猜想:猜想A:铝棒发声的频率可能和铝棒的横截面积有关猜想B:铝棒发声的频率可能和铝棒的长度有关猜想C:铝棒发声的频率可能和手捏铝棒的部位有关为了验证猜想A,同学们选择4根铝棒,每次均捏住铝棒的中间部位,由手捏部位向外端摩擦,实验所得的数据记录于下面的表格中,在2%的误差允许范围内(频率相差在70Hz 以内)的测量值可以认为是相等的.(1)分析表格中数据,可知铝棒的发声频率与横截面积是______________的.(选填“有关”或“无关”)(2)为了验证猜想B,同学们选择横截面积均为2.9×10﹣5m2的铝棒,实验所得的数据记录于下面的表格中,同学们从表中前两列数据很难得出频率f与长度L之间的关系,他们利用图象法处理数据,画出了频率f与长度的倒数1/L的关系如图所示,分析可知发生频率f 与铝棒的长度L的关系是成______(正/反)比.(3)同学们又通过实验探究了铝棒发声的频率和手捏铝棒部位的关系,在实验过程中,有同学们将发声的铝棒一端插入水中,可以看到______________现象,有同学用手迅速握住正在发声的铝棒,可以听见声音很快衰减,原因是____________________________.【答案】无关反比例水花四溅振幅减小,响度减小【解析】(1)通过比较表格中的1和3(或者2和4)可知,,当铝棒长度都为0.71m时,横截面积不同,频率为3500hHz和3530Hz,由于这两个频率在2%的误差允许范围内(频率相差在70Hz以内),故频率是相同的,故结论为:铝棒的发声频率与横截面积是无关的;(2)由图象可知,频率f与长度的倒数1L的关系是一条直线,即成正比,故发生频率f与铝棒的长度L的关系是成反比; (3)有同学们将发声的铝棒一端插入水中,铝棒振动,引起水的振动,故可以看到水花四溅;有同学用手迅速握住正在发声的铝棒,可以听见声音很快衰减,原因是铝棒的振幅减小,响度减小。
一、初二物理声现象实验易错压轴题(难)1.噪声是一种严重的环境污染,李明想制作一个防噪声的耳罩,他通过比较几种材料(衣服、锡箔纸、泡沫塑料)的隔音性能,来选择一种隔音性能好的材料做耳罩的填充物。
实验器材除了待检测的材料外,还有:音叉、机械闹钟、鞋盒。
(1)在本实验中适合作声源的是_____,另一个仪器不适合作声源的理由是___(2)李明将声源放入鞋盒内,在其四周塞满待测填充材料,他设想了以下A、B两种实验方案.你认为最佳的是________方案。
A.让人站在距鞋盒一定的距离处,比较所听见声音的响度B.让人一边听声音,一边向后退,直至听不见声音为止,比较此处距鞋盒的距离实验中测得的数据如下表所示,则待测材料中隔音性能最好的是____________。
(3)实验过程中应将声源响度________(选填“调大”或“调小”),因为铃声响度越大时,人要听不到声音时与声源的距离将越_____(选填大或小),导致实验在教室中难以进行.同时在比较不同材料时铃声响度应____(选填“随材料而改变”或“保持不变”),这种物理方法叫_______。
(4)小红从家中也找出下列一些材料开始探究:一张报纸、一件羽绒服、一个薄塑料袋、一些泡沫板,李明认为小红选择这些材料直接进行实验存在一个明显问题,不能有效地说明这些材料的隔声性能,请指出这个明显的问题:_______。
(5)对材料进行科学调整后,他们通过探究得到如下实验数据:由此数据可将这些材料隔声性能最好的是____________。
【答案】机械闹钟音叉发出的声音不稳定,不能持续发声B泡沫塑料调小大保持不变控制变量法没有控制材料厚度相同羽绒服【解析】【分析】【详解】(1)[1][2]机械闹钟,发出的声音稳定,能持续发声,所以选用机械闹钟,而音叉发出的声音不稳定,不能持续发声,所以不选用音叉。
(2)[3]A方案中,由于人耳听到的响度无法测量,只能凭感觉判断,没有可靠的实验数据;在B方案中,通过比较到鞋盒的距离判断隔音效果,因为距离可以测量,有可靠地实验数据,能够较好的判断隔音效果。
故选B。
[4]由实验数据可知,利用泡沫塑料作为填充物时,在很短的距离时就听不到声音了,所以其隔音效果最好。
(3)[5][6]声音的响度与距离有关,铃声响度越大时,人要听不到声音时与声源的距离将越大,所以要实验在教室中进行需要适当调小声源响度。
[7]比较不同材料时,铃声响度应当控制不变,通过听不到声音时与声源的距离,反映不同材料的隔音性能。
[8]在探究不同材料隔音性能时,控制铃声响度不变的方法是控制变量法。
(4)[9]材料的厚度对隔音效果有影响,实验中没有控制隔音材料的厚度相同。
(5)[10]由表中实验数据可知,用羽绒服做隔音材料时,听不到声音的距离最小,因此,羽绒服的隔音性能最好。
2.在观看交响乐队演奏的过程中,小华发现同属于管乐器的圆号、小号、长号、大号发出声音的高低各不相同,他决定对此进行研究.经过和同学们讨论,提出了以下猜想:猜想一:管乐器发出声音的音调高低,可能与管内空气柱的长度有关猜想二:管乐器发出声音的音调高低,可能与管内空气柱的横截面积(粗细)有关小明找来了两个未使用过的一次性注射器制成了一些哨子(如下图所示).注射器的规格分别为2.5ml和5ml.他一边吹哨子一边调整注射器内空气柱的长度,同时利用专用仪器测出声音的频率和响度,详见下表(表中“ml”表示毫升,“cm”表示厘米)(1)选用序号为A、B、C的三次实验做对比,可以得出:在空气柱的______相同时,管内空气柱越短,音调越______.(2)选用序号为______的两次实验做对比,可以得出:在空气柱的______相同时,管内空气柱横截面积越大,音调越______.(3)序号为C、D的两次实验中,响度大的是______(选填“C”或“D”).【答案】横截面积(或粗细)高 A、D(或B、E或C、F)长度低 D【解析】【分析】【详解】要研究音调的高低和什么因素有关,需用控制变量法.(1)选用序号为A、B、C的三次实验做对比,可以得出:在空气柱的横截面积(或粗细)相同时,管内空气柱越短,单位时间内振动的次数越多,频率越快,音调越高.(2)琴弦发出声音的音调高低,可能与琴弦的横截面积有关,需控制琴弦的长短和琴弦的材料不变,所以要选择A、D(或B、E或C、F).由此可得,在空气柱的长度相同时,管内空气柱横截面积越大,音调越低;(3)序号为C、D的两次实验中,D实验时的声音强度为75分贝,大于C实验时的声音强度.3.如图所示,某同学用尺子探究音调和响度分别与什么有关时,做了以下实验:(1)该同学把钢尺紧按在桌面上,一端伸出桌边,拨动钢尺,听它振动发出的声音,同时注意钢尺振动的快慢;改变钢尺伸出桌边的长度,再次拨动,使钢尺每次振动的幅度大致相同.实验发现:尺子伸出桌面的长度越长,振动越慢,发出声音的音调越________;由此可得出结论:音调的高低与发声体振动的________有关;(2)又把钢尺紧按在桌面上,一端伸出桌边,拨动钢尺,听它振动发出的声音,同时注意钢尺振动幅度;改变拨动钢尺的力度,再次拨动,使钢尺每次的振动快慢大致相同.实验发现拨动尺子的力度越大,尺子________越大,发出声音的________越大;(3)在实验中会发现:当尺子伸出桌面超过一定长度时,虽然用较大的力拨动钢尺,却听不到声音,这是由于________【答案】低频率振动的幅度响度尺子伸出桌面的长度越长时,振动频率越低,发出声音的音调越低,当尺子伸出桌面超过一定长度时,发出声音的音调低于20Hz,属于次声波,低于人类听觉的下限.【解析】【分析】(1)音调指声音的高低,是由发声体振动的频率决定,物体振动越快,音调就越高,物体振动越慢,音调就越低;(2)响度指声音的强弱,是由发声体振动的振幅决定,振幅越大,响度越大;(3)大多数人能够听到的频率范围从20Hz到20000Hz.【详解】(1)当尺子伸出桌面的长度越长时,振动越慢,发出声音的音调越低;当尺子伸出桌面的长度越短时,振动越快,发出声音的音调越高;由此可得出结论:音调的高低与发声物体的振动频率有关;(2)拨动尺子的力度越大尺子振动幅度越大,发出声音的响度越大;拨动尺子的力度越小尺子振动幅度越小,发出声音的响度越小;由此可得出结论:响度的大小与发声物体的振动幅度有关;(3)尺子伸出桌面的长度越长时,振动频率越低,发出声音的音调越低,所以当尺子伸出桌面超过一定长度时,虽然用较大的力拨动钢尺,但发出声音的频率低于20Hz,属于次声波,人听不到声音.4.小明同学在学习完课本上“探究声音的响度与哪些因素有关”的实验后,回到家中想用铁脸盆和水等材料来做这个实验,请帮助她完成探究报告.(1)提出问题:声音的响度与振幅有什么关系?(2)猜想与假设:______________.(3)进行实验与收集证据:A.需要实验器材:铁脸盆、水、钢勺.B.在铁脸盆中装入适量的水,用钢勺轻敲铁脸盆,会发现铁脸盆中的水在跳动.C.用较大的力敲铁脸盆,发现铁脸盆中的水跳动比步骤B中的水跳动________(选填“高”“低”或“不变”).(4)结论:通过分析,结合提出的问题,你能初步得出结论:___________________.(5)评估:你还可以用这些器材来探究什么问题____________?(写出探究的问题即可)【答案】振幅越大,响度越大高响度与振幅有关,振幅越大,响度越大声音是怎样产生的或音调高低与水多少有关吗?【解析】【分析】【详解】(2)本题所研究的问题是声音的响度与振幅有什么关系?因此,可以猜想:振幅越大,响度越大;(3)根据实验现象可知,用较大的力敲铁脸盆,发现铁脸盆中的水跳动比步骤B中的水跳动高;(4)通过实验分析,我们可以得出的结论是:响度与振幅有关,振幅越大,响度越大;(5) 因为实验中可以看到水的跳动,故还可以用这些器材来研究:声音怎样产生;另外在水盆中将入不同深度的水时,盆的振动频率会变化,所以还可以研究:音调高低与水的多少有关吗?5.吉他演奏会上,小组同学发现琴弦发出声音的音调高低是受各种因素影响的,经过讨论,他们提出以下猜想.猜想1:琴弦发出声音的音调高低,可能与琴弦的横截面积有关猜想2:琴弦发出声音的音调高低,可能与琴弦的长短有关猜想3:琴弦发出声音的音调高低,可能与琴弦的材料有关.为了验证上述猜想是否正确,同学们找到如下表所列的6种规格的琴弦,以及专门测量声音频率的仪器.(1)为了验证猜想1:应选用编号为_____、_____的琴弦进行实验.(2)为了验证猜想2:应选用编号为_____、_____的琴弦进行实验.(3)为了验证猜想3,请在表中填入所缺数据_________.【答案】A B C E 100 1.1【解析】【分析】【详解】控制变量法就是控制其它的因素不变,研究物理量与该因素的关系;(1)当研究琴弦发出声音的音调高低可能与琴弦的横截面积有关时,应控制材料和长度相同,所以应选A、B;(2)当研究琴弦发出声音的音调高低可能与琴弦的长短有关时,应控制材料和横截面积相同,所以应选C、E选项;(3)如果验证猜想三:琴弦发出声音的音调高低,可能与琴弦的材料有关,应控制长度和横截面积相同,故表格应该填入与尼龙和钢的数据相同,即100、1.1.因此,本题正确答案是:(1)A、B;(2)C、E;((3)100;1.1.【点睛】猜想琴弦发出声音的音调高低,可能与琴弦的横截面积、琴弦的长短、琴弦的材料有关,在探究过程中,应用控制变量法.6.小红是一个爱思考、爱观察的同学,有一次,在她欣赏了一场音乐会后,想到了如下问题,请你帮她回答一下:⑴琴声、歌声是通过传播到小红耳朵的;⑵小红能清楚的分辨出哪是提琴声、哪是小号声,原因是;⑶女高音歌唱家演唱时声音的高,男低音歌唱家演唱时声音的大。
(填音调、音色或响度)⑷小红观察到乐手在演奏提琴、吉它、二胡等弦乐器时,这些乐器的弦在振动。
并且,弦张的越紧,振动的越,发声的音调越。
小红猜测:在弦张紧程度相同的条件下,发声的音调还可能与弦的粗细、长短、及弦的材料有关。
于是,她想通过实验来探究一下自己的猜想是否正确。
下表是她在实验时控制的琴弦条件。
琴弦的材料琴弦的长度/cm琴弦的横截面积/mm2A钢200.3为的琴弦。
②探究过程通常采用下列一些步骤:㈠实验研究;㈡分析归纳;㈢提出问题(或猜想);㈣得出结论等。
你认为小红要完成本探究的全过程,所采取步骤的合理顺序应该是。
③在上述探究过程中,主要用到了的研究方法。
⑸问题探讨:小红想进一步了解有关声音的一些知识,于是她查找了如下资料:共鸣两个发声频率相同的物体,如果彼此相隔不远,使其中一个物体发声,另一个也有可能跟着发声,这种现象就叫“共鸣”。