换热器说明书
- 格式:docx
- 大小:352.62 KB
- 文档页数:16
换热器的设计1.1 换热器概述换热器是化工、石油、动力、食品及其它许多任务业部门的通用设备,在生产中占有重要地位。
换热器种类很多,但根据冷、热流体热量交换的原理和方式基本上可分三大类即:间壁式、混合式和蓄热式。
在三类换热器中,间壁式换热器应用最多。
换热器随着换热目的的不同,具体可分为加热器、冷却器、蒸发器、冷凝器,再沸器和热交换器等。
由于使用条件的不同,换热设备又有各种各样的形式和结构。
换热器选型时需要考虑的因素是多方面的,主要有:①热负荷及流量大小;②流体的性质;③温度、压力及允许压降的范围;④对清洗、维修的要求;⑤设备结构、材料、尺寸、重量;⑥价格、使用安全性和寿命;按照换热面积的形状和结构进行分类可分为管型、板型和其它型式的换热器。
其中,管型换热器中的管壳式换热器因制造容易、生产成本低、处理量大、适应高温高压等优点,应用最为广泛。
管型换热器主要有以下几种形式:(1)固定管板式换热器:当冷热流体温差不大时,可采用固定管板的结构型式,这种换热器的特点是结构简单,制造成本低。
但由于壳程不易清洗或检修,管外物料应是比较清洁、不易结垢的。
对于温差较大而壳体承受压力较低时,可在壳体壁上安装膨胀节以减少温差应力。
(2)浮头式换热器:两端管板只有一端与壳体以法兰实行固定连接,称为固定端。
另一端管板不与壳体连接而可相对滑动,称为浮头端。
因此,管束的热膨胀不受壳体的约束,检修和清洗时只要将整个管束抽出即可。
适用于冷热流体温差较大,壳程介质腐蚀性强、易结垢的情况。
(3)U形管式换热器换:热效率高,传热面积大。
结构较浮头简单,但是管程不易清洗,且每根管流程不同,不均匀。
表1-1 换热器特点一览表在过程工业中,由于管壳式换热器具有制造容易,生产成本低,选材范围广,清洗方便,适应性强,处理量大,工作可靠,且能适应高温高压等众多优点,管壳式换热器被使用最多。
工业中使用的换热器超过90%都是管壳式换热器,在工业过程热量传递中是应用最为广泛的一种换热器。
板式换热器使用说明书一、产品简介板式换热器是一种高效的换热设备,采用金属板通过特殊的工艺加工而成。
它主要通过板间热交换的方式,将两种流体进行热量传递,以实现能量的高效利用。
本产品广泛应用于化工、制药、石油、食品等行业的热交换工艺中。
二、产品特点1. 换热效率高:板式换热器采用平整的金属板材制成,具有大的传热面积,能够实现高效的传热效果。
2. 维护方便:板式换热器采用模块化设计,结构简单,清洗和维护方便。
3. 节能环保:板式换热器能够实现多种流体之间的有效换热,能够降低能耗,减少能源的浪费,符合节能环保要求。
4. 适用范围广:板式换热器能够适应不同工艺条件和介质要求,具有很好的适应性。
三、安装与使用1. 安装前准备:在安装前,请仔细检查板式换热器的包装是否完好,是否有损坏。
检查换热介质的流量和压力参数是否符合产品的使用要求。
2. 安装位置选择:根据使用场合的实际情况选择合适的安装位置。
确保换热器的进出口口法兰与管道连接的紧密,并采取相应的密封措施。
3. 连接管道:按照图纸要求连接进出口管道,并确保连接处无泄漏。
4. 进一步处理:根据实际使用需求,可以根据需要添加温度、压力传感器等附件设备。
5. 启动使用:在确认安装无误后,按照操作手册的要求启动板式换热器,并根据实际情况调节流量、温度等参数。
四、操作与维护1. 操作注意事项:- 在使用过程中,严禁将非换热介质泄漏或倒灌至换热器内部,以免影响换热效果。
- 定期检查换热器内部的结垢情况,如有需要及时清洗处理。
- 注意定期检查和维护换热器的密封件,如有老化或损坏应及时更换。
2. 维护保养:- 定期清洗换热器内部,清除污垢和沉积物,以保证换热效率。
- 检查换热器外部的散热管道是否有堵塞,如果有需要及时清理。
- 定期检查换热器的支撑和固定设施,确保其牢固可靠。
五、注意事项1. 请确保使用场合的环境温度和介质温度不超过换热器的额定工作温度。
2. 使用过程中请注意操作规范,避免撞击、损坏换热器设备。
板式换热器使用说明书本文档涉及附件:1. 图片:板式换热器示意图2. 表格:技术参数表本文所涉及的法律名词及注释:1. 液压系统 - 一种利用流体传递能量和控制信号的工程学科,常见于机械设备中。
2. 温度差异 - 在不同区域或物体之间存在的温度变化。
【正文开始】第一章引言板式换热器是一种高效、紧凑型且可靠性强的换热设备。
它广泛应用于各个领域,如冷却剂回收、空调系统以及工业生产过程中等。
为了确保您正确使用并维护该产品,请仔细阅读以下说明书。
第二章结构与原理2.1 主要组成部分板式换热器由多块金属板堆叠而成,并通过密封垫圈将其固定在一个整体结构内。
2.2 工作原理当两种介质(例如水和蒸汽)经过交错排列在相邻金属板上时,在这些接触点处会发生传导现象从而实现对介质之间进行有效地散热或传热。
第三章安装与调试3.1 安全注意事项在安装和操作板式换热器时,请务必遵循以下安全措施: - 确保设备处于停机状态并断开电源。
- 使用适当的个人防护设备,如手套、眼镜等。
3.2 安装步骤a) 将板式换热器放置在平坦且稳固的基础上,并确保其位置正确对准管道连接口。
3.3 调试方法a) 打开冷却剂进水阀门,观察系统是否正常运行。
如果有异常情况出现,请立即关闭阀门并检查问题所在。
第四章维护与清洁4.1 常规维护每隔一段时间(建议每月)进行下列维护工作以确保板式换热器长期有效地运行:- 清除堆积物:使用软布擦拭金属表面上可能存在的污垢或油渍;- 检查密封性能:定期检查垫圈是否完好无损;4.2 清洁方法当发现堆积物较为严重时,可采用以下清洁方法: - 使用专业的换热器清洗剂进行冲刷;- 通过水压将污垢从板式换热器表面冲掉。
第五章故障排除在使用过程中可能会遇到一些常见问题,请参考以下故障排除步骤以解决这些问题。
a) 无法正常启动:检查电源是否连接正确,并确保开关处于打开状态。
【文档结尾】1、本文档涉及附件。
请参阅所附图片和技术参数表以获取更多详细信息。
双管板换热器说明书温州利祥机械有限公司目录一、设备用途 (2)二、结构及特点 (2)三、技术参数 (2)四、设备安装与使用注意事项 (3)双管板式换热器使用说明书一、用途管壳式(又称列管式) 换热器是最典型的间壁式换热器,它在工业上的应用有着悠久的历史,而且至今仍在所有换热器中占据主导地位。
广泛应用于制药、化工、生物、造纸等领域。
二、结构及特点结构:管式换热器由壳体、传热管束、管板、折流板(挡板)和管箱等部件组成。
壳体多为圆筒形,内部装有管束,管束两端固定在管板上。
进行换热的冷热两种流体,一种在管内流动,称为管程流体;另一种在管外流动,称为壳程流体。
为提高管外流体的传热分系数,通常在壳体内安装若干挡板。
挡板可提高壳程流体速度,迫使流体按规定路程多次横向通过管束,增强流体湍流程度。
换热管在管板上可按等边三角形或正方形排列。
等边三角形排列较紧凑,管外流体湍动程度高,传热分系数大;正方形排列则管外清洗方便,适用于易结垢的流体。
特点:1、换热管采用无缝钢管。
2、全部是316L不锈钢材质。
3、双管板设计杜绝交叉污染。
4、产品接触侧全排空设计。
5、换热通道无死角。
6、结构紧凑,体型小,占地面积小。
7、换热性能好,传热系数高。
三、技术参数1. 设计压力壳程内:常压管程内:常压2. 工作压力壳程内:常压管程内:常压3. 设计温度壳程内: 100℃管程内:90℃4. 工作温度壳程内: 95℃管程内:80℃5. 工作介质壳程内:热水管程内:物料6. 主要受压元件材料:SUS316L7.焊接系数: 0.858.换热面积: 2.0m2本设备按GMP设计规范进行设计,制造,试验和验收;罐体采用电弧焊和氩弧焊,焊缝质量符合GB151-1999《管壳式换热器》,接头型式除图中注明外,按GB/T985-2008中规定,角焊缝的焊角尺寸按较薄板厚度,法兰焊接按相应的法兰标准。
各管口方位按府视图。
四、安装和使用注意事项1.设备运行前检查各部件安装是否正确、安全可靠。
换热设备使用说明书使用说明书一、产品简介本产品是一款高效、安全、易操作的换热设备,用于加热或冷却工业流体。
以下是对该设备的详细使用说明。
二、安全须知1. 本设备需由专业技术人员操作,务必确保操作人员具备相关知识和经验。
2. 操作人员须严格按照使用手册进行操作和维护,避免发生误操作造成人员伤害或设备故障。
3. 在设备运行期间,禁止擅自拆卸、更换零部件,以免损坏设备或导致安全事故。
4. 设备长期停用时,应切断电源并进行相应的保养措施,以确保设备的安全性能。
三、操作步骤1. 启动设备前,应先检查设备的外部和内部是否有异物或杂质,确保设备正常。
2. 根据加热或冷却需求,调整设备温度控制器的设定值,并确保设备正常工作电压范围内。
3. 连接输入和输出管道,确保管道连接紧密、无漏水现象,并确保流体流动方向正确。
4. 开启设备电源,按下启动按钮,设备开始工作。
5. 设备运行期间,应定期检查温度控制器的工作状态,并及时调整设定温度值以满足工艺要求。
6. 设备停止运行时,先切断电源,再关闭设备的输入和输出阀门,确保设备安全停机。
四、维护保养1. 每天使用结束后,应清洁设备的外部表面,并检查设备的各个部件是否完好。
2. 定期清洗过滤器、检查管道连接是否松动,并进行必要的紧固和更换。
3. 清洗设备或更换流体时,应等待设备完全停机,并排空管道中的液体,避免操作人员受伤。
4. 定期检查设备的电气线路和控制系统是否正常,及时修复或更换损坏的部件。
五、故障排除本设备异常运行时,可通过以下方法进行故障排除:1. 当设备无法启动时,首先检查电源是否正常连接,然后检查是否有断路或短路现象。
2. 当设备温度无法达到设定值时,先检查温度控制器的设定值是否正确,然后检查加热系统是否正常工作。
3. 当设备发生漏水时,先检查管道连接部位是否松动或密封圈是否磨损,然后及时更换密封圈并重新紧固。
如果以上排除方法无法解决问题,请立即联系售后服务中心或设备供应商寻求帮助。
一、 设计题目与参数1.1设计题目:管壳式换热器 1.2设计参数:二、热交换器型式/台数及流动的选择根据已知条件,选定一台<1-2>型管壳式固定管板上式热交换器工作,采用错流方式。
热流体为水,冷流体为氨,由于水比氨更易结垢,并且管侧和壳侧压力和温度都不是很高,因此综合考虑,宜采用管程走水,壳程走氨。
三、设计计算与数据3.1原始数据1.水进口温度:C t ︒=110'12.水出口温度:C t ︒=90"1:3.氨进口温度:C t ︒=15'24.氨出口温度:C t ︒=38"25.水工作表压力:MPa p 4.01=6.氨工作压力:MPa p 5.12=7.水的质量流量:13.89kg/s 50t/h M 1==:3.2流体的物性参数 8.水的定性温度:C t t o m 100)/2t'"(11=+=9.水的比热:1p C =4.220)/(C kg kJ o ⋅ 10.水的密度:1ρ=958.43/m kg 11.水的粘度:1μ=s)kg/(m 10282.5-6⋅⨯12.水的导热系数:1λ=0.683)/(C m W o ⋅ 13.水的普朗特数:1r P =1.7514.氨的定性温度:C t t t m ︒=+=''+'=26.5238152222 15. 氨的比热:2p C =4.813)/(C kg kJ o ⋅ 16. 氨的密度:2ρ=600.73/m kg 17. 氨的粘度:2μ=)/(105.1326s m kg ⋅⨯- 18. 氨的导热系数:2λ=0.4656)/(C m W o ⋅19. 氨的普朗特数:2r P =1.37 3.3传热量及平均温差 20.热量损失系数:l η=0.9821.传热量:KW t t C M Q p 1148.8798.090)-(110220.489.13)"'(1111=⨯⨯⨯=-= 22.氨的流量:s kg t t C Q M p /0.38115)-(3810813.4101148.87)(33'1"222=⨯⨯⨯=-= 23.逆流时算数平均温差:C t t t ︒=-=-=∆751590'2''1max C t t t ︒=-=-=∆7238110''2'1minC t t t c m ︒==∆-∆=∆73.497275ln 72-752min max ,124.参数P 及R :242.015-10115-38'2'1'2''1==--=t t t t P0.870153890110'2''2''1'1=--=--=t t t t R25.温差修正系数:299.0=ϕ,由<1-2>型图查得26.有效平均温差:C C t tm c m 90.7249.37299.0,1=︒⨯=∆⋅=∆ϕ3.4以外径为准,估算传热面积及传热面结构 27.初选传热系数:)/(11002'C m W K ⋅=28.估算传热面积:2''.334190.72011010008.87411m K Q F tm =⨯⨯=∆⋅=29.管子材料及规格:选用碳钢无缝钢管,5.225⨯φ30.管程内水的流速:s m /1.52=ω31.管程所需流通截面:2222009662.01.54.95898.13m M A t =⨯==ωρ32.每程管数:3130.7702.0009662.04422≈=⨯⨯==ππi t d A n ,取31根管子 33.每根管长:m d nZ F l o t 0.349.2025.0231.3341'≈=⨯⨯⨯==ππ,取标准管长3.0m34.管子的排列方式:等边三角形。
工程热力学与传热学课程设计管壳式换热器设计说明书目录一、设计任务书———————————11、换热器的概念及意义2、固定管板式换热器构造3、工作原理4、设计参数二、设计计算书———————————31、换热管的材料、内径、长度、管间距等确实定2、壳体内径3、管程接收直径4、折流板缺口高度、间距、数目以及折流板直径5、壳程接收直径确实定6、传热面积和传热面积之比三、计算表格四、设计结果汇总表—————————7五、设计自评————————————8六、参考文献————————————9一、设计任务书1、换热器的概念及意义在化工生产中为了实现物料之间能量传递过程需要一种传热设备。
这种设备统称为换热器。
在化工生产中,为了工艺流程的需要,往往进展着各种不同的换热过程:如加热、冷却、蒸发和冷凝。
换热器就是用来进展这些热传递过程的设备,通过这种设备,以便使热量从温度较高的流体传递到温度较低的流体,以满足工艺上的需要。
它是化工炼油,动力,原子能和其他许多工业部门广泛应用的一种通用工艺设备,对于迅速开展的化工炼油等工业生产来说,换热器尤为重要。
换热器在化工生产中,有时作为一个单独的化工设备,有时作为某一工艺设备的组成局部,因此换热器在化工生产中应用是十分广泛的。
任何化工生产中,无论是国内还是国外,它在生产中都占有主导地位。
2、固定管板式换热器构造3、工作原理:管壳式换热器和螺旋板式换热器、板式换热器一样属于间壁式换热器,其换热管内构成的流体通道称为管程,换热管外构成的流体通道称为壳程。
管程和壳程分别通过两不同温度的流体时,温度较高的流体通过换热管壁将热量传递给温度较低的流体,温度较高的流体被冷却,温度较低的流体被加热,进而实现两流体换热工艺目的。
4、设计参数:二、设计计算书根据设计任务书进展设计计算:204565''2'1max =-=-=∆t t t ℃ 252550'2''1min =-=-=∆t t t ℃热损失系数取0.98传热量:()()kJ t t c M Q L p 48098.0506561.244.14''1'121=⨯-⨯⨯=-=η 冷却水量:()()s kg t t c M p 73.52545187.4480'2''222=-⨯=-逆流时的对数平均数温差:41.222025ln 2025ln minmax min max 1=-=∆∆∆-∆=∆⋅t t t t t c m 参数;P 、R5.025652545'2'1'2''2=--=--=t t t t P 75.025455065'2''2''1'1=--=--=t t t t R设计本管壳式换热器为2壳程-4管程<2-4>型,那么975.0=ψ 有效平均温差:85.214.22975.01=⨯=∆=∆⋅c m m t t ψ 初选传热系数:()C kg w K ︒⋅=300'0 估算传热面积:2'0'022.7385.21300480000m t K Q F m =⨯=∆= 管子材料:铝制管5.320⨯φ管程所需流通截面:222100573.0110003.57m M A t =⨯==ωρ每程管数:根43013.000573.044221=⨯⨯==ππd A n t每根管长:m l d nZ F l t 60'0==取π管子排列方式为:等边三角形 管间距s=26mm 分程隔板槽处管间距mm l E 40=平行于流向的管距mm s s p 5.2230cos =⨯=ο垂直于流向的管距mm s s n 1330sin =⨯=ο 拉杆直径取12mm 估计管壳直径mm 400≤ 管排列可做如下草图那么六边形层数为6层,一台管子数为86=t n ,一台拉杆数为4根一台传热面积为24.32602.086m dl n c =⨯⨯⨯=ππ 两台传热面积:2''08.64m F =管束中心至最外层管束中心距离为0.135m ,管束外缘直径m D L 29.0=壳体m 325.0取S D 那么长径比5.18325.06==s D l管程接收直径:6895.511100073.513.113.122⨯=⨯==φρω取M D 管程雷诺数:1793110725013.010001Re 621222=⨯⨯⨯==-μρωd 管程换热系数:52469.417931023.0013.0621.0Re 023.04.08.04.08.0122=⨯⨯⨯=⨯=τλαP d 折流板形式选弓形,折流板缺口高度m D h S 08.035.025.025.0=⨯== 折流板的圆心角为120度,折流板间距取m l s 4.0=,折流板数目为14块,折流板上管孔数为60个,折流板上管孔直径m d H 0204.0=,通过折流板管子数为56个,折流板缺口处管子数为30根,折流板直径m D b 3.0=。
列管式换热器说明书⽬录⼀、设计任务 (2)⼆、概述与设计⽅案简介 (3)2.1 概述 (3)2.2设计⽅案简介 (3)2.2.1 换热器类型的选择 (3)2.2.2流径的选择 (5)2.2.3流速的选择 (5)2.2.4材质的选择 (6)2.2.5管程结构 (6)2.2.6 换热器流体相对流动形式 (6)三、⼯艺及设备设计计算 (6)3.1确定设计⽅案 (7)3.2确定物性数据 (7)3.3计算总传热系数 (7)3.4计算换热⾯积 (8)3.5⼯艺尺⼨计算 (8)3.6换热器核算 (10)3.6.1传热⾯积校核 (10)3.6.2.换热器内压降的核算 (11)四、辅助设备的计算及选型 (12)4.1拉杆规格 (12)4.2接管 (12)五、换热器结果总汇表 (13)六、设计评述 (14)七、参考资料 (14)⼋、主要符号说明 (14)九、致谢 (15)⼀、设计任务⼆、概述与设计⽅案简介2.1 概述在⼯业⽣产中⽤于实现物料间热量传递的设备称为换热设备,即换热器。
换热器是化⼯、动⼒、⾷品及其他许多部门中⼴泛采⽤的⼀种通⽤设备。
换热器的种类很多,根据其热量传递的⽅法的不同,可以分为3种形式,即间壁式、直接接触式、蓄热式。
间壁式换热器⼜称表⾯式换热器或间接式换热器。
在这类换热器中,冷、热流体被固体壁⾯隔开,互不接触,热量从热流体穿过壁⾯传给冷流体。
该类换热器适⽤于冷、热流体不允许直接接触的场合。
间壁式换热器的应⽤⼴泛,形式繁多。
将在后⾯做重点介绍。
直接接触式换热器⼜称混合式换热器。
在此类换热器中,冷、热流体相互接触,相互混合传递热量。
该类换热器结构简单,传热效率⾼,适⽤于冷、热流体允许直接接触和混合的场合。
常见的设备有凉⽔塔、洗涤塔、⽂⽒管及喷射冷凝器等。
蓄热式换热器⼜称回流式换热器或蓄热器。
此类换热器是借助于热容量较⼤的固体蓄热体,将热量由热流体传给冷流体。
当蓄热体与热流体接触时,从热流体处接受热量,蓄热体温度升⾼后,再与冷流体接触,将热量传给冷流体,蓄热体温度下降,从⽽达到换热的⽬的。
列管换热器使用说明书概述说明1. 引言1.1 概述本篇文章是一份列管换热器使用说明书的概述说明。
列管换热器作为一种重要的传热设备,广泛应用于各个领域。
它具有高效、节能、可靠等特点,在工业生产和日常生活中起到了关键作用。
因此,正确理解和使用列管换热器对于提高能源利用效率,改善工艺性能,保证设备正常运行至关重要。
1.2 文章结构本文主要分为四个部分:引言、正文、使用说明书以及结论。
在引言部分,我们将对整篇文章进行概述并介绍其结构。
正文部分将详细介绍列管换热器的原理、构造和工作原理以及应用领域。
在使用说明书中,我们将提供列管换热器的安装指南、操作步骤和维护与保养方法。
最后,在结论部分,我们会总结列管换热器的优点和重要性,并展望其未来的发展方向。
1.3 目的撰写这篇文章的目的是为了向读者提供关于列管换热器相关知识和正确使用方法的指导。
通过深入了解列管换热器的原理、构造和工作原理,读者可以更好地理解其在各个领域中的应用。
此外,通过使用说明书的提供,读者能够正确安装、操作和进行维护与保养,以确保列管换热器的长期正常运行并发挥最佳性能。
以上就是“1. 引言”部分的内容介绍,请根据需要展开叙述,提供更加详尽的说明。
2. 正文:2.1 列管换热器原理列管换热器是一种常见的热交换设备,通过管道内部和外部的流体之间的传热来实现换热过程。
其原理基于传导、对流和辐射三种方式,通过将热量从一个介质转移到另一个介质来实现能量的转移。
在列管换热器中,管子内部通常是一种流体(如水或蒸汽),而管子外部通常是另一种流体(如空气或液态物质)。
这两种流体在不同温度下传递时,会产生温度梯度,并且由于温度差异而发生传热。
列管换热器具有高效率和紧凑的特点,因此在许多工业领域得到广泛应用。
2.2 列管换热器的构造和工作原理列管换热器由两个主要部分组成:壳体和管束。
壳体是一个容器,通常由金属制成,并具有进出口口和连接口。
壳体内包含着交错排列的管束,它们通过支撑装置固定在壳体内。
板式换热器说明书篇一:板式换热器使用说明书_secret板式换热器使用说明书一、概况板式换热器是液—失情况下,其传热系数比管式换热器高3—5收率可高达90%以上。
板式换热器广泛应用于冶金、石油、化工、食品、制药、船舶、纺织、造纸等行业,是加热、冷却、热回收、快速灭菌等用途的优良设备。
二、结构及外形尺寸BR型系列产品,整机装配有普通式结构(不经常拆洗工况采用)和悬挂式结构(拆洗较频繁的工况采用)两种。
普通式结构由人字形波纹板片、密封垫、压紧板、上下定位螺栓、压紧螺栓等主要零件组成。
悬挂式结构由人字形波纹板片、密封垫、固定压紧板、中间板、活动压紧板、支架、上下定位横梁、压紧螺栓等主要零件组成。
三、技术参数及规格型号表示方法 1、技术参数2、规格型号表示方法:表示:人字形板式换热器,单板片换热面积0.2㎡,经过第一次改型,工作压力1.6Mpa,工作温度150℃,单机公称换热面积20㎡,流程组合形式 2×25 ,式中分子表示热介质,分母表示冷介质,2表示程数有2程,亦为折流次数,25表示每程有25条流道。
四、流程工作原理板式换热器由于板片波纹表面的特殊作用,使流体沿着狭窄弯曲的通道流动其速度的大小方向不断的改变,致使流体在不大的流速下(Rc=200时),激起了强烈端动,因而加快了流体边界层的破坏,强化了传热过程,有效地提高了传热能力。
并使其具有结构紧凑、金优点。
板和B板交替排列,板片间形成网状通道四个角孔形成分配管和汇合管,密封垫把冷热介质密封在换热器里,同时又合理的将冷热介质分开而不致混合。
在通道里面冷热流体间隔流动,可以逆流也可以顺流,在流动过程中冷热流体通过板壁进行热交换。
板式换热器的流程组合形式很多,都是采用不同的换向板片和不同组装来实现的,流程组合形式可分为单流程,多流程和汽液交换流程,混合流程形式。
要根据工艺条件来选择换热器的流程组合。
(图二)五、换热器安装1、板式换热器的两块压紧板上有4个吊耳,供起吊时用,吊绳不得挂在接管、定位横梁或板片上。
换热器使用说明书使用说明书尊敬的用户,感谢您选用我们的换热器产品。
为了确保您能正确、安全地使用本产品,特提供本使用说明书,请您在使用前仔细阅读并按照说明进行操作。
一、产品概述本换热器为热交换设备,适用于工业、建筑、能源等领域,用于传递热量或冷量,实现不同介质之间的换热。
产品具有高效、稳定、耐用等特点,可以满足不同使用场景的需求。
二、安全须知1. 在使用前,请确保产品完好无损。
如发现任何破损、变形等异常现象,请勿使用,并及时联系售后服务。
2. 安装前请确保环境通风良好,确保换热器正常工作。
3. 进行维护或清洗时,请先切断电源并等待冷却后再操作,以免烫伤或其他意外伤害。
4. 使用过程中,请勿向产品内部注入腐蚀性液体,避免损坏设备或对人身安全造成威胁。
三、安装步骤1. 将换热器放置在预留位置,并确保底座平稳。
2. 根据实际需要调整管道的连接方向,确保与进出口管道相连接。
3. 使用扳手和螺丝刀等工具将进出口管道固定,确保不漏水、不松动。
4. 连接好电源,并按照产品面板上的指示开启换热器。
四、使用方法1. 开机前,请先阅读产品面板上的指示,并根据实际需要进行设置。
2. 按下开机按钮,等待设备启动并进入工作状态。
3. 使用调控面板上的按钮或旋钮,对换热效果进行调整,以满足实际使用需求。
4. 使用过程中,请注意观察设备运行情况,如发现任何异常现象,请立即停机并联系售后服务。
五、维护与保养1. 每个月对换热器进行清洗,以去除附着在设备表面的尘埃和污垢。
2. 每季度检查设备的电源线、管道连接等部位,确保正常使用。
3. 如需更换零部件,请联系售后服务,并使用原厂提供的配件。
六、注意事项1. 请勿随意拆卸换热器,以免影响产品性能或造成设备损坏。
2. 请勿将产品暴露在高温、潮湿等极端环境下使用。
3. 请勿将反应性强的物质直接倒入换热器内部,以免引发化学反应或设备损坏。
4. 请勿在换热器上放置重物或进行过多震动,以免对设备造成损坏。
9.2 换热器的设计与选型9.2.1 概述换热器是一种在不同温度的两种或两种以上流体间实现物料之间热量传递的节能设备,是使热量由较高的流体传递给温度较低的流体,使流体温度达到流程规定的指标,以满足过程工艺条件的需要,同时也提高能源利用率的主要设备之一。
对于迅速发展的化工、炼油等工业生产来说,换热器尤为重要。
通常在化工厂的建设中,换热器约占总投资的10~20%。
在石油炼厂中,换热器约占全部工艺设备投资的35~40%。
换热器包括过程流股的冷却器,加热器,塔的再沸器和冷凝器,以及不同温位的工艺物流相互进行显热交换的换热器。
根据工艺要求掌握物料流量、温度、压力、化学性质、物性参数等特性等,初步确定设计方案。
在设计过程中,主要考虑如下几个方面的问题。
1) 满足工艺和操作的要求设计出来的流程和设备首先要保证质量,操作稳定,这就必须配置必要的阀门和计量仪表等。
并在确定方案时,考虑流体的流量,温度和压力变化时采取什么措施来调剂节,而在设备发生故障时,检修应方便。
2) 满足经济上的要求既能满足工艺操作的要求,又使施工简便,材料来源容易,价格低。
如果有废热可利用,要尽量节省热能,充分利用废热,或者采取适当的措施达到降低成本的目的。
3) 保证生产安全在工艺流程和操作中若有爆炸,中毒等危险性,要考虑安全措施。
又如设备材料的强度验算,除按规定应有一定的安全系数外,还应考虑由于设备中压力突然升高或者造成真空而需要安装安全阀9.2.2 换热器的分类1.按工艺功能分类:可分为冷却器、加热器、再沸器、冷凝器、蒸发器、过热器、废热锅炉等。
2.按传热方式和结构分类:可分为间壁传递热量式和直接接触传递热量式,其中间壁传递热量式又可分为:①管壳式换热器:固定管板式、浮头式、填料函式、U型管式、滑动管板式。
②板式换热器:板翅式、螺旋板式、伞板式、波纹板式。
③管式换热器:空冷式、套管式、喷淋管式、箱管式。
④液膜式换热器:升降模式、括板薄膜式、离心薄膜式。
板式换热器的说明书
中英双语版换热器使用说明
一、产品简介
换热器是一种非常常见的热能设备,本产品是一种板式换热器,具有
节能、高效、稳定可靠等特点。
采用特殊板框结构铝箔换热器,具有高温
抗腐蚀能力,高效率,安全可靠,操作简单,维护方便等特点,广泛应用
于冷却、冷凝、加热、蒸发等行业。
二、产品特点
1、高效率:本产品采用特殊板框结构,结构紧凑,换热效率高,提
高了换热器的换热率,更好地满足用户的需求;
2、节能:本产品板式换热器结构紧凑,换热面积大,铝箔材料有节
能功效,可以节约能源,大大降低运行成本;
3、可靠:采用优质不锈钢材料制造,耐腐蚀性强,安全可靠性能高,能够满足不同工况的使用;
4、设计合理、结构紧凑:本产品采用特殊板框结构,驱动力输入小,输出大,结构紧凑,节省空间;
5、维护方便:本产品拆装方便,维护和保养方法简单,安装即可使用。
三、安全须知
1、安装使用前,请仔细阅读产品相关资料,确保正确安装和使用;
2、换热器热水温度过高,禁止摸操作,注意安全;
3、安装使用后,检查连接处是否牢固。
丹佛斯钎焊板式换热器说明书
丹佛斯钎焊板式换热器
一、产品简介
丹佛斯钎焊板式换热器是一种紧凑、高效的热传递装置,适用于化工、冶金、电力、造纸等行业中的热交换过程,能够完成液体与液体之间、气体与液体之间、气体与气体之间等多种热交换方式。
该产品采用钎焊技术制作,具有优异的性能和可靠的使用寿命。
二、产品特点
1. 紧凑型结构,占用空间小,重量轻,易于安装和维护。
2. 内部流体采用对流换热方式,换热效率高。
3. 耐腐蚀性能好,适用于恶劣环境下的使用。
4. 单元板式设计,易于清洗和更换。
5. 板式换热器尺寸可根据不同的工况要求进行定制。
三、产品用途
1. 化工行业:用于吸收、脱水、冷却、加热等热传递过程。
2. 冶金行业:用于高温流体的冷却、加热等热传递过程。
3. 电力行业:用于冷却水和循环水之间的热传递。
4. 造纸行业:用于纸浆汁液处理的热传递过程。
四、使用注意事项
1. 在使用前必须仔细阅读本说明书,并按照操作规程正确使用。
2. 定期检查换热器的密封性能和换热效果。
3. 当液体中含有颗粒物质时,应在管道中加装滤网等过滤设备,以免堵塞管道。
4. 当气体中含有腐蚀性气体时,应选用具有良好耐腐蚀性能的材料制作。
5. 在维护时应注意安全,使用保护设备,避免发生意外。
以上是丹佛斯钎焊板式换热器的说明书,如有任何疑问或需要更多详细信息,请联系厂家。
9.2 换热器的设计与选型
9.2.1 概述
换热器是一种在不同温度的两种或两种以上流体间实现物料之间热量传递的节能设备,是使热量由较高的流体传递给温度较低的流体,使流体温度达到流程规定的指标,以满足过程工艺条件的需要,同时也提高能源利用率的主要设备之一。
对于迅速发展的化工、炼油等工业生产来说,换热器尤为重要。
通常在化工厂的建设中,换热器约占总投资的10~20%。
在石油炼厂中,换热器约占全部工艺设备投资的35~40%。
换热器包括过程流股的冷却器,加热器,塔的再沸器和冷凝器,以及不同温位的工艺物流相互进行显热交换的换热器。
根据工艺要求掌握物料流量、温度、压力、化学性质、物性参数等特性等,初步确定设计方案。
在设计过程中,主要考虑如下几个方面的问题。
1) 满足工艺和操作的要求
设计出来的流程和设备首先要保证质量,操作稳定,这就必须配置必要的阀门和计量仪表等。
并在确定方案时,考虑流体的流量,温度和压力变化时采取什么措施来调剂节,而在设备发生故障时,检修应方便。
2) 满足经济上的要求
既能满足工艺操作的要求,又使施工简便,材料来源容易,价格低。
如果有废热可利用,要尽量节省热能,充分利用废热,或者采取适当的措施达到降低成本的目的。
3) 保证生产安全
在工艺流程和操作中若有爆炸,中毒等危险性,要考虑安全措施。
又如设备材料的强度验算,除按规定应有一定的安全系数外,还应考虑由于设备中压力突然升高或者造成真空而需要安装安全阀
9.2.2 换热器的分类
1.按工艺功能分类:可分为冷却器、加热器、再沸器、冷凝器、蒸发器、过热器、废热锅炉等。
2.按传热方式和结构分类:可分为间壁传递热量式和直接接触传递热量式,其中间壁传递热量式又可分为:
①管壳式换热器:固定管板式、浮头式、填料函式、U型管式、滑动管板式。
②板式换热器:板翅式、螺旋板式、伞板式、波纹板式。
③管式换热器:空冷式、套管式、喷淋管式、箱管式。
④液膜式换热器:升降模式、括板薄膜式、离心薄膜式。
⑤其他型式换热器:板壳式、热管等。
9.2.3 换热器选型标准
1.温度
冷却水的温度不宜高于60℃,以免结垢严重;高温端的温差不应小于20℃,低温端不应小于5℃;当两工艺流体之间进行热交换时,低温端的温差不应小于20℃;当采用多管程、单壳程的管壳式换热器,并用水作为冷却剂时,冷却剂的出口温度不应高于工艺流体的出口温度。
在冷却或冷凝工艺流体时,冷却剂的入口温度应高于工艺流体中易结冻组分的冰点,一般应高于5℃;当冷凝带有惰性气体的工艺流体时,冷却剂的出口温度应该低于工艺流体的露点,一般低于5℃;在冷却反应物时,为了控制反应,应维持反应流体和冷却剂之间的温差不小于10℃。
2.压力降
管壳式换热器工作时,增加工艺流体的流速,可相应增加传热膜系数,从而提高总的传热系数,使换热器结构更紧凑。
但流速增加后将相应增大换热器的压力降,从而加剧换热器的磨蚀和振动破坏等;同时,压力降的增大也使得换热器运行过程中的动力消耗增大。
因此,一般应限制管壳式换热器的最大压力降,下面列出了允许的压力降范围。
表9-6 换热器压力降允许范围
>0.17 >0.034
3.流体空间的选择
①为了使管壳式换热器正常而有效地工作,应慎重地选择流体的走向。
②当两流体温差大,高温流体一般走管程,可以节省保温层和减少壳体厚度。
有时为了便于高温流体的散热,也可以使高温流体走壳程,单为了保证操作人员的安全,需设置保温层。
③较高压力的流体走管程,以减少壳体厚度。
④腐蚀性较强的流体宜走管程,以节省耐腐蚀材料。
⑤较脏和易结垢的流体尽可能走管程,以便于清洗和控制结垢。
如必须走壳程,则应采取正方形排列,并采取可拆式(浮头式、填料函式、U型管式)的换热器。
⑥黏度较大的流体应走壳程,以得到较高的传热系数。
⑦流量较小的流体应走壳程,易使流体形成湍流状态,从而增加传热系数。
9.2.4 换热器设计选型依据
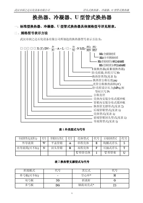
《浮头式换热器和冷凝器型式与基本参数》JB/T 4714—92
《固定管板式换热器型式与基本参数》JB/T 4715—92
《立式热虹吸式重沸器型式与基本参数》JB/T 4716—92
《管壳式换热器用金属包垫片》JB/T 4718—92
《管壳式换热器用缠绕垫片》JB/T 4719—92
《管壳式换热器用非金属垫片》JB/T 4720—92
《U形管式换热器型式与基本参数JB/T 4717—92
《管壳式换热器》GB151-1999
《化工工艺设计手册》化学工业出版社
《换热器》化工设备设计全书化学工业出版社
《管壳式换热器》GB 151-1999
换热器包括过程流股的冷却器,加热器,塔的再沸器和冷凝器,以及不同温位的
工艺物流相互进行显热交换的换热器。
根据工艺要求掌握物料流量、温度、压力、化学性质、物性参数等特性等,初步确定设计方案。
在设计过程中,主要考虑如下几个方面的问题。
1) 满足工艺和操作的要求
设计出来的流程和设备首先要保证质量,操作稳定,这就必须配置必要的阀门和计量仪表等。
并在确定方案时,考虑流体的流量,温度和压力变化时采取什么措施来调剂节,而在设备发生故障时,检修应方便。
2) 满足经济上的要求
既能满足工艺操作的要求,又使施工简便,材料来源容易,价格低。
如果有废热可利用,要尽量节省热能,充分利用废热,或者采取适当的措施达到降低成本的目的。
3) 保证生产安全
在工艺流程和操作中若有爆炸,中毒等危险性,要考虑安全措施。
又如设备材料的强度验算,除按规定应有一定的安全系数外,还应考虑由于设备中压力突然升高或者造成真空而需要安装安全阀等。
9.2.5 换热管
1. 管径
管子的尺寸和形状对传热有很大影响。
采用小管径时,换热器单位体积的换热面积较大,设备较紧凑,单位传热面积的金属消耗量少,传热系数也高。
据估算,将同直径换热器中的换热管由Φ25mm改为Φ19mm,其传热面积可增加40%左右,节约20%金属以上;但增加了制造难度,且小管子容易结垢,不易清洗。
表9-7为常见换热管规格:
表9-7 换热管常用直径规格
2. 排列形式
如图9-5所示,换热管在管板上的排列方式主要有正三角形、正方形和转角
正三角形、转角正方形。
正三角形排列形式使用最为普遍,由于管距都相等,可以在同样的管板面积上排列最多的管数。
但因管外不易清洗,其使用场合受到限制,主要适用于壳程介质污垢少,且不需要进行机械清洗的场合。
而采用正方形和转角正方形排列的管束,能够使管间小桥形成一条直线通道,便于管外机械清洗。
图9-5换热管排列型式
3. 管间中心距
换热管中心要保证管子与管板连接时,管壳有足够的强度和刚度。
管间需要清洗时还要留有进行清洗的通道。
换热管中心距一般不小于1.25倍的换热管外径,常用的换热管中心距如图所示。
表9-8 常用换热管中心距
4.管长
在满足换热面积和设计要求的条件下,尽量选用较短的管子,以降低压降。
5.管程数
管程数增加,管内流速增加,传热系数增加,但不选用过高的管程数,以免压力降过大,一般选在1~2。
6.换热面积
有些物流所需的换热面积大,采用多个换热器并联,而不采用串联,避免压力降过高,影响传热系数。
7.余量
对于工艺物流间的换热,留有25~40%的余量;对于工艺物流与公用工程间的换热,留有15~30%的余量;对于操作相对稳定的换热留有余量可相对较少。
8.密封条数
按照换热器设计建议,每五排管设置一对密封条。
9.折流板
折流板数目和间距按照《化工工艺设计手册》的推荐值设定。
表9-9 折流板间距常用数值
表9-10 折流板数目
9.2.6 具体设计过程
下面以BTX预热器(2)为例进行换热器的设计。
设计参数:
表9-11 换热器E0202物流参数
1. ChemCAD模拟
利用ChemCAD对所设计预热器进行模拟,得到各工段物料的组分、流量、压力、温度等特性,利用ChemCAD设计出了全场的换热设备。
初步模拟各工段物流的参数如
初步模拟结果如下表
本换热器采用BEM形式的换热器,
B型代表封头管箱,管箱端部为椭圆封头;
E型代表单程壳体。
M型代表与B相似的固定管板结构;
换热器分为固定管板式,浮头式,U型管式等,而每一种换热器由于各部件或型式不同又有不同的表示方法;
BEM就是根据部件的具体型式表示的一种换热器,表示为封头管箱,单程壳程,后端也是与B相似的固定管板结构。
列管式固定管板换热器内的管数与管的布置有关,一般情况下不可随意改变,每个标准型号的换热器都有固定的管数,但是可以封死某几根管子减少管数,来改变传热面积以满足要求,管心距为管径的1.25~1.5倍,按照给定的标准进行选择。
在满足换热面积和设计要求的条件下,尽量选用较短的管子,以降低压降。
2. 根据以上ChemCAD的模拟结果,利用SW6-1998进行强度校核结果如下:
表9-14换热器E0202强度校核
(1)筒体
(2)管板。