煤矿各类管理牌板制作尺寸标准
- 格式:doc
- 大小:2.24 MB
- 文档页数:33
顶板矿压管理牌板尺寸要求标准
顶板矿压管理牌板是用于记录和管理矿井顶板压力的一种工具,其尺寸要求标准通常是根据矿井的实际情况和相关规范来确定的。
一般来说,顶板矿压管理牌板的尺寸要求标准包括以下几个方面:
1. 尺寸大小,通常来说,牌板的尺寸应该足够大,能够清晰地
显示压力数值和相关信息,以便于工作人员进行观测和记录。
一般
来说,牌板的尺寸不应小于一定的标准尺寸,以确保信息的清晰可见。
2. 材质要求,牌板的材质应具有一定的耐磨、耐腐蚀和耐高压
的特性,以适应矿井环境的要求。
常见的材质包括金属板、塑料板等,具体选择应根据实际情况和安全要求进行确定。
3. 标识要求,牌板上应清晰标注矿井的名称、编号、日期以及
压力测量数值的范围等信息,以便于工作人员进行及时的观测和记录。
4. 安装要求,牌板的安装位置应合理,能够方便工作人员进行
观测和记录,并且不会受到矿井设备和运输工具的影响,确保安全
和准确性。
总的来说,顶板矿压管理牌板的尺寸要求标准应根据矿井的实际情况和相关安全规范来确定,以确保其能够有效地发挥监测和管理压力的作用,保障矿井生产的安全和稳定。
地点建筑材料墙厚米建筑时间管理单位墙前禁放杂物320材质:铝板贴反光膜白底红字单位:mm测风牌板500地点:测定日期:年月日巷道断面积m2瓦斯浓度 %平均风速m/s二氧化碳浓度%风量m3/min空气温度℃大气压力Pa测风员680材质:铝板贴反光膜白底红字:20块(正反向各10块)单位:mm材质:铝板贴反光膜白底红字:2块材质:铝板贴反光膜白底红字:2块单位:mm材质:铝板贴反光膜白底红字:2块单位:mm材质:铝板贴反光膜白底红字:50块单位:mm探放水管理牌板(物探)地点:年月日物探成果允许掘进进尺米本班掘进进尺米验证钻孔布置三视图累计掘进进尺米剩余掘进进尺米验证钻探情况1000×800单位:mm安全出口280mm400mm单位:mm欧阳歌谷创编2021年2月1探放水管理牌板(钻探)地点: 年 月 日探水 时间钻孔编号 钻 孔 及 钻 深 情 况钻孔方位钻孔倾角钻孔深度 岩性有无出水 三视图1 度 度 米2 度 度 米3 度 度 米4 度 度 米5度度 米距()号基准点米 超前距米允许掘进进尺米 本班掘进进尺米 累计掘进进尺米剩余掘进进尺米钻探人员钻孔验收人员驻矿安监员1000×800材质:现场订贺 白底:共做10块局部通风机管理牌板安 装 地 点 局 扇 型 号 风筒规格(mm ) 风筒长度(m ) 安 装 时 间每班运行检查(签字)吸入风量(m 3/min) 倒台试验试验情况排出风量(m 3/min) 试验人员 (签字)局扇管理人检查时间500400欧阳歌谷创编 2021年2月1灭火器材管理牌密闭管理牌板标志牌数量统计表3001禁带烟火300×4002禁止酒后上岗300×4003禁止停留300×4004禁止明火作业300×4005禁止启动300×4006禁止送电300×4007禁止跨、采输送带300×4008禁止攀牵线缆300×4009禁止入内300×400 10禁止通行300×40011禁止放明炮、糊炮300×40012禁止同时打开两道风门300×40013禁止穿化纤服300×40014注意防尘300×40015禁止停车600×40016禁止井下睡觉300×40017禁止驶入300×400 18注意安全300×400 19当心瓦斯300×40020当心火灾300×40021当心有害气体中毒300×40022当心爆炸300×400 23当心触电300×400 24当心坠落300×40025当心坠入300×400 26当心滑坡300×40027当心行车行驶300×40028当心绊倒300×400 29当心滑跌300×40030当心交叉道口300×40031请勿带电操作300×40032当心冒顶300×400 33当心弯道300×40034必须戴安全帽300×40035必须戴防护眼镜300×40036必须穿防护服300×40037必须戴防护手套300×40038必须穿防护靴300×40039必须戴防尘口罩300×40040必须桥上通过300×40041必须系安全带300×40042必须走入行道300×40043鸣笛300×400 44必须加锁300×40045必须持证上岗300×40046文明排队300×40047紧急出口(左)300×40048紧急出口(右)300×40049躲避硐300×400 50主水仓300×40051付水仓300×400 52电话300×400 53爆破禁戒线300×400 54前方慢行5300×400 55指示牌300×40056机电硐室300×400 57红牌300×400 58黄牌300×40059避火灾、瓦斯爆炸路线300×40060瓦斯盲巷栅栏前300×40061进风巷道300×40062回风巷道300×40063避有毒有害气体路线300×40010807采煤工作面280mm600mm材质:铝板蓝底白字:1块(字体大小与排版相适应即可)10807采面运输巷280mm 600mm材质:铝板蓝底白字:2块(字体大小与排版相适应即可)。
山西沁和能源集团牌板制作标准质标办制度类牌板技术参数牌和设备包机牌规格为:600×400mm,不锈钢边框,白底,表格边框为红色,标题为红色字,内容为黑色字。
以上牌板内容必须经质标办审核,各科队同一种牌板内容必须统一。
巷道名称牌巷道指向牌采掘类牌板规格:150×120mm 规格:300×200mm 白底,蓝色椭圆框,红字 白底、蓝框、红字单体柱编号牌规格:105×70mm ,进风巷为白底蓝字,回风巷为白底红字。
压风管路编号牌 防尘管路编号牌规格:100×60mm 规格:100×60mm 白底,蓝色椭圆框,蓝字白底,蓝色椭圆框,红字排水管路编号牌 防尘管路指向牌规格:100×60mm绿底、红色椭圆框,红字 规格:120×90mm白底、红箭头(左右向),白字压风管路指向牌排水管路指向牌规格:120×90mm 规格:120×90mm 白底,蓝箭头(左右向),白字 白底,蓝箭头(左右向),白钻场管理牌规格:600×400mm。
黑底白字钻孔管理牌放水器管理牌红字规格:400×300mm,白底红字规格:250×150mm,红底白字传感器管理牌规格:600×400mm,黑底白字,可开启金属框局部通风机用途标识牌规格:200×150mm,白底红字机电科牌板架空乘人装置制度牌板规格:800×600mm 。
白底、红标题、黑字,绿(蓝)框,金属边框设备入井检验合格证 机电设备管理牌规格:105×60mm (50×25mm ) 规格:80×50mm 白底,红字,纸质材料白底,红字电缆指向牌规格:140×70mm (70×红底,白字。
分左右两种方向广播分站管理牌设备编号牌规格:500×350mm,白底红字,金属边框。
煤矿各类管理牌板制作尺寸标准煤矿作为国民经济支柱产业,尤其是在我国能源结构中的地位举足轻重。
随着经济的发展和市场需求的增加,煤矿的产值不断提升。
但是,在煤矿的生产过程中,由于工作环境恶劣以及人工疲劳等因素,使得煤矿发生了不少安全事故。
因此,煤矿管理尤其重要。
在煤矿中,各类管理牌板是监管部门对煤矿生产管理的重要工具。
为了确保各类管理牌板的制作尺寸标准,防止出现安全隐患,本文将为大家介绍煤矿各类管理牌板制作尺寸标准。
一、煤矿各类管理牌板的种类煤矿中各类管理牌板主要有:煤矿矿山安全生产牌、煤矿通用禁令牌、煤矿通行牌、煤矿矿工证、煤矿工作证、煤矿安全许可证等等。
煤矿矿山安全生产牌、煤矿通用禁令牌和煤矿通行牌是煤矿最常见的管理牌板。
二、煤矿矿山安全生产牌制作尺寸标准煤矿矿山安全生产牌是用来告知工作人员矿山安全生产管理制度的牌板。
煤矿矿山安全生产牌基本规格为A4或A3,上面一般需要印有公司名称、安全标准和安全措施等内容。
制作尺寸标准一般为800*600mm。
三、煤矿通用禁令牌制作尺寸标准煤矿通用禁令牌是用来告知工人有哪些工作是禁止的和需要注意什么的牌板。
这种牌板一般规格为A4,上面通常标识禁止性标志、文字内容和其它必要信息。
制作尺寸标准一般为210*297mm。
四、煤矿通行牌制作尺寸标准煤矿通行牌通常需要用来告诉人员哪些区域需要谨慎通行的牌板。
这种牌板一般规格为A4,上面包含了通行标志、文字内容和煤矿内部规定的必要信息。
制作尺寸标准一般为210*297mm。
五、煤矿各类管理牌板的材质煤矿各类管理牌板的材质应当具有一定的防火、防腐、防水和防尘等性能,以确保其维护和使用的持久性和可靠性。
一般情况下,煤矿的各类管理牌板均采用进口高强度耐磨性塑料制成,也可以选用铝制、亚克力板等制成。
六、结语在煤矿生产过程中,各类管理牌板作为煤矿生产管理的必要工具,对确保安全生产很重要。
为了防止出现安全隐患,煤矿矿山安全生产牌、煤矿通用禁令牌、煤矿通行牌等各类管理牌板的制作尺寸标准十分重要。
260挡风墙管理牌板地点
建筑材料墙厚米建筑时间管理单位
墙前禁放杂物
320
材质:铝板贴反光膜白底红字:单位:mm
260监测监控设备管理牌板设备名称监控地点
型号报警点
断电点复电点
标校时间管理人
320
材质:铝板贴反光膜白底红字:共做50块400隔爆水袋管理牌板
使用地点断面(㎡)
水袋长度(米)
剩余掘进进尺米验证钻探情况
1000×800
单位:mm
安全出口280mm
400mm
单位:mm
探放水管理牌板(钻探)
地点:年月日
探水时间钻孔
编号
钻孔及钻深情况钻孔方位钻孔倾角钻孔深度岩性有无出水
1 度度米
2 度度米
3 度度米
4 度度米
5 度度米
距()号基准点米超前距米允许掘进进尺米本班掘进进尺米累计掘进进尺米剩余掘进进尺米
钻探人员
钻孔验收人员驻矿安监员
1000×800
材质:现场订贺白底:共做10块
局部通风机管理牌板
安装地点局扇型号
风筒规格(mm)风筒长度(m)
安装时间每班运行检查
(签字)
吸入风量(m3/min)
倒
台
试
验
试验情况
排出风量(m3/min) 试验人员(签字)
局扇管理人检查时间
500
4。
山西XX能源集团煤矿牌板制作标准质标办技术参数牌和设备包机牌规格为:600×400mm,不锈钢边框,白底,表格边框为红色,标题为红色字,内容为黑色字。
规格:150×120mm 规格:300×200mm 白底,蓝色椭圆框,红字 白底、蓝框、红字单体柱编号牌规格:105×70mm ,进风巷为白底蓝字,回风巷为白底红字。
压风管路编号牌 防尘管路编号牌规格:100×60mm 规格:100×60mm 白底,蓝色椭圆框,蓝字 白底,蓝色椭圆框,红字排水管路编号牌 防尘管路指向牌规格:100×绿底、红色椭圆框,红字 规格:120×90mm白底、红箭头(左右向),白字压风管路指向牌 排水管路指向牌规格:120×90mm 规格:120×90mm白底,蓝箭头(左右向),白字 白底,蓝箭头(左右向),白规格:600×400mm 。
黑底白字钻孔管理牌 放水器管理牌规格:200×150mm 。
白底红字栅栏警示牌规格:250×150mm ,红底白字规格:105×60mm (50×25mm ) 规格:80×50mm 白底,红字,纸质材料 白底,红字电缆指向牌规格:140×70mm (70×36mm ) 红底,白字。
分左右两种方向设备名称牌规格:170×65mm ,白底、红框、黑字,用于中变内设备的名称牌。
开关操作警示牌规格:100×150mm 规格:200×100mm白底,红字,磁性牌板主水泵标识牌规格:300×150mm ,白底,红字探放水点指示牌绿底,黑字,红标题,金属边框钻孔管理牌规格:120×90mm。
红底白字规格:200×150 mm。
白底黑字红标题涌水点公示牌金属框,规格:500×350mm 工作面牌板金属框,规格:650×450mm分站管理牌金属框,规格:420×300mm中变图纸金属框,规格:940×640mm泵站、中变制度牌板,规格:3500×1500mm。
施工图牌板使用管理规定牌板外观(每一项不合格扣1分,共10分)1、整体框架式:长1200mm、宽400mm。
材质为铝塑板,框架中镶嵌透明硬质塑料板 (规格均为1200mm*400mm),图纸卡在透明硬质塑料板和铝塑板中间,图纸的规格为1100mm*330mm。
2、图板框架式:执行现在标准,(包括刷漆,统一自喷漆喷字,焊制尺寸规范)。
牌板吊挂位置及牌板保护(每条2分,共10分)牌板吊挂在距离迎头50m处的行人侧的巷道帮部,放在专用图牌板架上,稳定可靠,与巷道保持平行。
1、图牌板上不得有积尘;2、任何人员不得向图牌板上洒水;3、吊挂图牌板处两米范围内不得有其它工具及杂物,以方便人员查看;4、严禁任何人坐图牌板。
5、图牌板框架及表面不得损坏。
牌板内容施工牌板中应包括巷道施工断面图、爆破作业图表、避灾路线及通风系统图、平面布置图、地质剖面图、供电系统图、水沟、工程概况、技术要求;综掘施工的巷道应有综掘机的截割路线和循环作业图表(防突头面要补充预测孔施工示意图、超前地质孔施工示意图);牌板中的图纸应根据施工现场的变化及时更新,布置合理,字体符合要求,内容齐全且整洁、美观大方。
一、巷道施工断面图(比例为1:50)(每少一项2分,共30分)(1)锚网(索)喷支护①巷道断面尺寸;②锚杆及锚索的规格、间排距;③喷层的厚度;④施工中、腰线(激光指向的必须将激光点距拱顶、底板数据标明);⑤轨中、皮带机中与巷中的位置关系,皮带机宽度、链板机宽度;⑥风筒、管线吊挂的位置,风筒、管路严格按照1:50比例作图;⑦水沟;⑧电缆钩⑨风筒、管线规格、吊挂的位置,风筒、管路严格按照1:50比例作图,标注不得在风筒内(2)架U型棚支护①腰帮、过顶的材料及规格;②卡缆间距、搭接长度;③施工中、腰线(激光指向的必须将激光点距拱顶、底板数据标明);④轨中、皮带中与巷中的位置关系,皮带机宽度、链板机宽度;⑤风筒、管线规格、吊挂的位置,风筒、管路严格按照1:50比例作图,标注不得在风筒内⑥水沟;⑦电缆钩规格、安装高度要按现场实际标明(3)掘注一体化施工要有锚注断面图,标明锚注参数及注浆锚杆位置关系。
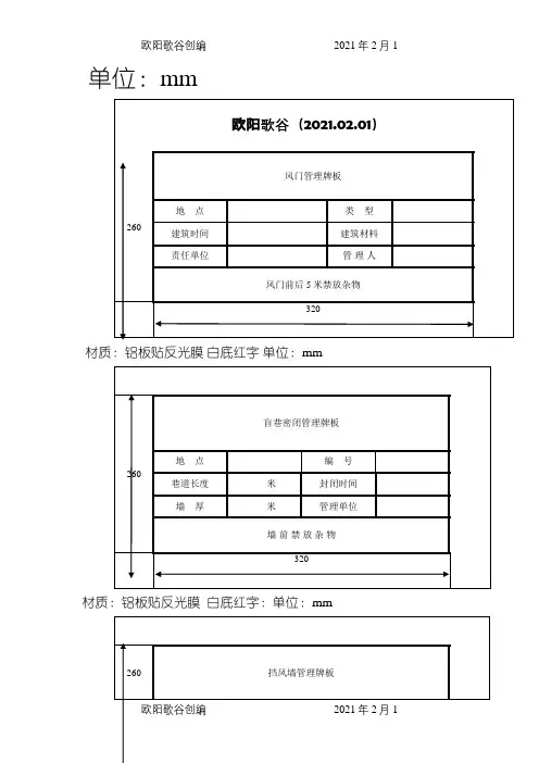
单位:mm260风门管理牌板地点类型建筑时间建筑材料责任单位管理人风门前后5米禁放杂物320材质:铝板贴反光膜白底红字单位:mm260盲巷密闭管理牌板地点编号巷道长度米封闭时间墙厚米管理单位墙前禁放杂物320材质:铝板贴反光膜白底红字:单位:mm260挡风墙管理牌板地点建筑材料墙厚米建筑时间管理单位墙前禁放杂物320材质:铝板贴反光膜白底红字:单位:mm260监测监控设备管理牌板设备名称监控地点型号报警点断电点复电点标校时间管理人320材质:铝板贴反光膜白底红字:共做50块400隔爆水袋管理牌板使用地点断面(㎡)水袋(个)长度(米)水量(L)间距(米)使用单位管理人500材质:铝板贴反光膜白底红字单位:mm测风牌板500地点:测定日期:年月日巷道断面积m2瓦斯浓度 % 平均风速m/s 二氧化碳浓度% 风量m3/min 空气温度℃大气压力Pa 测风员680材质:铝板贴反光膜白底红字单位:mm避火灾、瓦斯路线指示牌280mm红色400mm材质:铝板贴反光膜白底红字:20块(正反向各10块)单位:mm避水灾路线指示牌280mm蓝色400mm材质:铝板贴反光膜白底蓝字:20块(正反向各10块)单位:mm300材料管理牌板存放地点 材料名称 规 格 数 量 责任单位管 理 人400材质:铝板贴反光膜 白底红字:20块单位:mm600瓦 斯 检 测 牌 板检 测 地 点: 年 月 日 500班次 次数时间CH 4%CO 2%瓦斯检查工夜班 一次二次 早班一次二次中班一次二次一炮三检装药前(CH4%) 放炮前(CH4%) 放炮后(CH4%)检测人材质:铝板贴反光膜白底红字:单位:mm躲避硐280mm400mm材质:铝板贴反光膜白底红字:15块单位:mm运输顺槽280mm400mm材质:铝板贴反光膜白底红字:2块单位:mm回风顺槽280mm400mm材质:铝板贴反光膜白底红字:2块单位:mm工作面280mm400mm材质:铝板贴反光膜白底红字:2块单位:mm井下变电所280mm400mm材质:铝板贴反光膜白底红字:2块单位:mm水泵房280mm400mm材质:铝板贴反光膜白底红字:2块单位:mm消防材料库280mm400mm材质:铝板贴反光膜白底红字:2块单位:mm主暗斜井设计长度: m 倾角度副暗斜井设计长度: m 倾角度行人不行车行车不行人回风上山设计长度: m 倾角度西风井设计长度: m 倾角度400mm材质:铝板贴反光膜白底红字:单位:mm电气设备管理牌型号电压150mm 编号用途所在位置责任人200mm材质:铝板贴反光膜白底红字:50块探放水管理牌板(物探)地点:年月日物探成果允许掘进进尺米本班掘进进尺米验证钻孔布置三视图累计掘进进尺米剩余掘进进尺米验证钻探情况1000×800单位:mm安全出口280mm 400mm探放水管理牌板(钻探)地点:年月日探水时间钻孔编号钻孔及钻深情况钻孔方位钻孔倾角钻孔深度岩性有无出水三视图1 度度米2 度度米3 度度米4 度度米5 度度米距()号基准点米超前距米允许掘进进尺米本班掘进进尺米累计掘进进尺米剩余掘进进尺米钻探人员钻孔验收人员驻矿安监员1000×800材质:现场订贺白底:共做10块局部通风机管理牌板安装地点局扇型号风筒规格(mm)风筒长度(m)安装时间每班运行检查(签字)吸入风量(m3/min)倒台试验试验情况排出风量(m3/min) 试验人员(签字)局扇管理人检查时间500隔爆设施管理牌板安装地点巷道断面(m2)水袋规格(L/个)水量标准(L/m2)水袋数量(个)需要水量(L)实际水量(L)管理负责人安设时间4专业整理分享400灭火器材管理牌使用地点: 沙 箱 个 水 桶 个 灭火器 个责任人检验日期 年 月 日年 月 日检查人检查日期年 月 日密闭管理牌板施工地点: 密闭性质 密闭厚度使用材料 施工时间年 月 日 施工负责人 CH 4% 检查人检查日期年 月 日标志牌数量统计表序号参考图名称规格(mm)3001 禁带烟火300×400禁止酒后2300×400上岗3 禁止停留300×400禁止明火4300×400作业5 禁止启动300×4006 禁止送电300×400禁止跨、7300×400采输送带禁止攀牵8300×400线缆9 禁止入内300×40010 禁止通行300×40011禁止放明炮、糊炮300×40012 禁止同时打开两道风门300×40013禁止穿化纤服300×400 14 注意防尘300×40015 禁止停车600×400禁止井下16300×400睡觉17 禁止驶入300×40018 注意安全300×40019 当心瓦斯300×40020 当心火灾300×400当心有害21300×400气体中毒22 当心爆炸300×40023 当心触电300×40024 当心坠落300×40025 当心坠入300×40026 当心滑坡300×400当心行车27300×400行驶28 当心绊倒300×40029 当心滑跌300×40030当心交叉道口300×40031 请勿带电操作300×40032 当心冒顶300×40033 当心弯道300×40034必须戴安全帽300×400必须戴防35300×400护眼镜必须穿防36300×400护服必须戴防37300×400护手套必须穿防38300×400护靴必须戴防39300×400尘口罩必须桥上40300×400通过必须系安41300×400全带必须走入42300×400行道43 鸣笛300×40044 必须加锁300×400必须持证45300×400上岗46 文明排队300×400紧急出口47300×400(左)紧急出口48300×400(右)49 躲避硐300×40050 主水仓300×40051 付水仓300×40052 电话300×400爆破禁戒53300×400线前方慢行54300×400555 指示牌300×40056 机电硐室300×40057 红牌300×40058 黄牌300×40059 避火灾、瓦斯爆炸路线300×40060瓦斯盲巷栅栏前300×40061 进风巷道300×40062 回风巷道300×40063 避有毒有害气体路线300×40010807采煤工作面280mm600mm材质:铝板蓝底白字:1块(字体大小与排版相适应即可)10807采面运输巷280mm600mm材质:铝板蓝底白字:1块(字体大小与排版相适应即可)10807采面回风巷280mm600mm材质:铝板蓝底白字:1块(字体大小与排版相适应即可)8煤运输巷280mm BA MEI YUN SHU HANG600mm材质:铝板蓝底白字:3块(字体大小与排版相适应即可)运输斜巷280mm YUN SHU XIE HANG600mm材质:铝板蓝底白字:2块(字体大小与排版相适应即可)9 煤运输巷280mm JIU MEI YUN SHU HANG600mm材质:铝板蓝底白字:3块(字体大小与排版相适应即可)9 煤轨道巷280mm JIU MEI GUI DAO HANG600mm材质:铝板蓝底白字:2块(字体大小与排版相适应即可)副斜井280mm FU XIE JING600mm材质:铝板蓝底白字:1块(字体大小与排版相适应即可)主斜井280mm ZHU XIE JING600mm材质:铝板蓝底白字:1块(字体大小与排版相适应即可)8煤运输大巷280mm BA MEI YUN SHU DA HANG600mm材质:铝板蓝底白字:2块(字体大小与排版相适应即可)。
煤矿32个井下管理牌板明细表防火板材、反光字框、防火塑胶包边1、测风记录牌板(高400长600)25个×7矿=175个2、风门管理牌板(高600长500)10个×7矿=70个3、调节风门管理牌板(高400长600)5个×7矿=35个4、密闭管理牌板(高600长500)15个×7矿=105个5、火区管理牌板(高600长500)不做6、挡风墙管理牌板(高400长500)5个×7矿=35个7、盲巷管理牌板(高400长500)10个×7矿=70个8、盲巷栅栏管理牌板(高400长500)20个×7矿=140个9、材料管理牌板(高350长400)15个×7矿=105个10、灭火器材管理牌板(高350长400)3个×7矿=21个11、局部通风机管理牌板(高500长600)10个×7矿=70个12、局扇开关管理牌板(高300长400)10个×7矿=70个13、掘进工作面瓦斯检查牌板(高500长600)10个×7矿=70个14、采煤工作面瓦斯检查牌板(高500长600)6个×7矿=42个15、一炮三检记录牌板(高500长600)15个×7矿=105个16、巡回瓦斯检查公布牌(高400长500)15个×7矿=105个17、采煤工作面巡回瓦斯检查公布牌(高400长600)6个×7矿=42个18、掘进工作面巡回瓦斯检查公布牌(高400长600)10个×7矿=70个19、瓦斯传感器标校牌板(高350长400)40个×7矿=280个20、瓦斯监测设备管理牌板(高350长400)10个×7矿=70个21、瓦斯断电仪标志说明牌(高350长400)10个×7矿=70个21-2、瓦斯断电仪标志说明牌(高350长400)10个×7矿=70个22、矿级领导入井带班公示牌(高500长600)2个×7矿=14个23、水文观测站管理牌板(高400长500)3个×7矿=21个24、探放水作业管理牌板(高500长600)3个×7矿=21个25、排(抽)水作业管理牌板(高500长600)3个×7矿=21个26、隔爆水袋管理牌板(高300长400)5个×2矿=10个27、突出预测预报作业管理牌板(高700长800)3个×2矿=6个28、瓦斯抽放观测管理牌板(高400长500)30个×2矿=60个29、局部防突管理牌板(高500长600)3个×2矿=6个30、区域防突管理牌板(高500长600)3个×2矿=6个31、工作面防突施工管理牌板(高600长800)3个×2矿=6个。
煤矿各类管理牌板制作尺寸标准引言煤矿是一种特殊的工作场所,为了保障矿工的生命安全和工作环境的良好状态,煤矿各类管理牌板在煤矿内得到广泛应用。
煤矿各类管理牌板主要用于标识、警示和指导相关人员的行为,因此其制作尺寸标准是十分重要的。
本文将介绍煤矿各类管理牌板制作尺寸标准的相关要求。
1. 管理牌板的分类煤矿各类管理牌板可以根据其用途和功能进行分类。
常见的管理牌板包括安全警示牌、作业指导牌、风险提示牌、设备标识牌等。
2. 管理牌板的尺寸标准煤矿各类管理牌板的尺寸标准应符合相关法规和标准要求,以确保信息的清晰、易读和有效传达。
下面介绍一些常见管理牌板的尺寸标准:2.1 安全警示牌安全警示牌是用于提醒矿工注意安全事项和危险区域的牌板。
安全警示牌的尺寸标准应符合国家标准 GB/T 28987-2012《标志与表示用色和适用环境规范》的要求。
一般情况下,安全警示牌的尺寸为300mm x 400mm,牌板上的图案和文字应清晰可见。
2.2 作业指导牌作业指导牌是用于指导矿工正确操作和作业流程的牌板。
作业指导牌的尺寸标准应根据具体作业流程和操作要求进行设计。
一般情况下,作业指导牌的尺寸为400mm x 600mm,牌板上的文字和图案应清晰明了,易于理解和操作。
2.3 风险提示牌风险提示牌是用于提醒矿工注意潜在风险和安全防范措施的牌板。
风险提示牌的尺寸标准应符合国家标准 GB 28988-2012《标志与表示用形状和表示方法规范》的要求。
一般情况下,风险提示牌的尺寸为300mm x 300mm,牌板上的图案和文字应能够清晰传达风险信息。
2.4 设备标识牌设备标识牌是用于标识和说明设备性能、使用要求和注意事项的牌板。
设备标识牌的尺寸标准应根据具体设备的大小和形状进行设计。
一般情况下,设备标识牌的尺寸为200mm x 200mm,牌板上的文字和图案应能够清晰传达设备信息。
3. 其他注意事项除了制作尺寸标准外,煤矿各类管理牌板的制作材料和颜色也需要符合相关要求。
煤矿安全标识标志制作规范
说明:本制作规范主要为未列入国家安全生产行业标准(AQ1017-2005)、并在生产矿井实际使用的部分安全标识标志。
本规范共分井下采掘(8个)、煤矿安全文化或安全警示(7个)、机房硐室(9个)三大类,共计24个标志,其中1个为引用AQ1017-2005标准。
每个标识标志均配有实物效果图或制作图样,并对标识标志的名称、制作标准、制作材质及设置地点进行了必要的说明。
仅供参考,不当之处请指教。
一、井下采掘(8个)
二、煤矿安全文化或安全警示(7个)
三、机房硐室(9个)。
建筑材料墙厚米
建筑时间管理单位
墙前禁放杂物
320
材质:铝板贴反光膜白底红字:单位:mm
260监测监控设备管理牌板设备名称监控地点
型号报警点
断电点复电点
标校时间管理人
320
材质:铝板贴反光膜白底红字:共做50块400隔爆水袋管理牌板
使用地点断面(㎡)
水袋
长度(米)
(个)
水量
间距(米)
(L)
使用单位管理人
500
材质:铝板贴反光膜白底红字单位:mm
电气设备管理牌150mm 型号电压
编号用途
所在位置责任人
200mm
材质:铝板贴反光膜白底红字:50块
单位:mm
探放水管理牌板(物探)
地点:年月日
物探成果
允许掘进进尺米
本班掘进进尺米
验证钻孔
布置三视图
累计掘进进尺米
剩余掘进进尺米验证钻探情况
1000×800
单位:mm
安全出口280mm
400mm
单位:mm
探放水管理牌板(钻探)
地点:年月日
探水时间钻孔
编号
钻孔及钻深情况
钻孔方位钻孔倾角钻孔深度岩性有无出水三视
1 度度米
2 度度米
3 度度米
4 度度米
5 度度米
距()号基准点米超前距米允许掘进进尺米本班掘进进尺米累计掘进进尺米剩余掘进进尺米钻探人员
钻孔验收人员驻矿安监员
1000×800
材质:现场订贺白底:共做10块
令狐文艳创作
令狐文艳创作
400。
400
隔爆水袋管理牌板
使用地点断面(㎡)
水袋(个)长度(米)
水量(L)间距(米)
使用单位管理人
500
材质:铝板贴反光膜白底红字单位:mm
测风牌板
500
地点:测定日期:年月日巷道断面积m2瓦斯浓度% 平均风速m/s 二氧化碳浓度% 风量m3/min 空气温度℃大气压力Pa 测风员
680
材质:铝板贴反光膜白底红字
单位:mm
编号用途
所在位置责任人
200mm
材质:铝板贴反光膜白底红字:50块
单位:mm
探放水管理牌板(物探)
地点:年月日
物探成果
允许掘进进尺米
本班掘进进尺米
验证钻孔布置三视图累计掘进进尺米剩余掘进进尺米
验证钻探情况
1000×800 单位:mm
安全出口280mm
400mm
单位:mm
探放水管理牌板(钻探)地点:年月日
探水时间钻孔
编号
钻孔及钻深情况钻孔方位钻孔倾角钻孔深度岩性有无出水三视图
1 度度米
2 度度米
3 度度米
4 度度米
5 度度米
距()号基准点米超前距米允许掘进进尺米本班掘进进尺米累计掘进进尺米剩余掘进进尺米
钻探人员
钻孔验收人员驻矿安监员
1000×800
材质:现场订贺白底:共做10块
灭火器材管理牌
密闭管理牌板
施工负责人CH 4 % 检查人检查日期年月日
标志牌数量统计表
序
参考图名称规格(mm)
号
1 禁带烟火300×400
禁止酒后
2
300×400
上岗
3 禁止停留300×400
禁止明火
4
300×400
作业
5 禁止启动300×400
6 禁止送电300×400
禁止跨、
7
300×400
采输送带
禁止攀牵
8
300×400
线缆
9 禁止入内300×400
10 禁止通行300×400
11
禁止放明
炮、糊炮
300×400
12 禁止同时
打开两道
风门
300×400
13
禁止穿化
纤服
300×400
14 注意防尘300×400
15 禁止停车600×400
禁止井下
16
300×400
睡觉
17 禁止驶入300×400
18 注意安全300×400
19 当心瓦斯300×400
20 当心火灾300×400
当心有害
21
300×400
气体中毒
22 当心爆炸300×400
23 当心触电300×400
24 当心坠落300×400
25 当心坠入300×400
26 当心滑坡300×400
当心行车
27
300×400
行驶
28 当心绊倒300×400
29 当心滑跌300×400
30
当心交叉
道口
300×400
31 请勿带
电操作
300×400
32 当心冒顶300×400
33 当心弯道300×400
必须戴安
34
300×400
全帽
必须戴防
35
300×400
护眼镜
必须穿防
36
300×400
护服
必须戴防
37
300×400
护手套
必须穿防
38
300×400
护靴
必须戴防
39
300×400
尘口罩
必须桥上
40
300×400
通过
必须系安
41
300×400
全带
必须走入
42
300×400
行道
43 鸣笛300×400
44 必须加锁300×400
必须持证
45
300×400
上岗
46 文明排队300×400
紧急出口
47
300×400
(左)
紧急出口
48
300×400
(右)
49 躲避硐300×400
50 主水仓300×400
51 付水仓300×400
52 电话300×400
爆破禁戒
53
300×400
线
前方慢行
54
300×400
5
55 指示牌300×400
56 机电硐室300×400
57 红牌300×400
58 黄牌300×400
59 避火灾、
瓦斯爆炸
路线
300×400
60
瓦斯盲巷
栅栏前
300×400
61 进风巷道300×400
62 回风巷道300×400
63 避有毒有
害气体路
线
300×400
材质:铝板蓝底白字:1块(字体大小与排版相适应即可)
材质:铝板蓝底白字:1块(字体大小与排版相适应即可)
8煤运输巷
280mm BA MEI YUN SHU HANG
600mm
材质:铝板蓝底白字:3块(字体大小与排版相适应即可)
材质:铝板蓝底白字:3块(字体大小与排版相适应即可)
材质:铝板蓝底白字:1块(字体大小与排版相适应即可)。