罕遇地震作用下弹塑性变形验算
- 格式:xlsx
- 大小:22.61 KB
- 文档页数:3
武汉理工大学
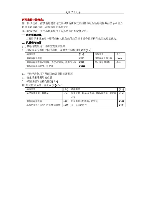
两阶段设计法概念:
第一阶段设计:按多遇地震作用效应和其他荷载效应的基本组合验算构件截面抗争承载力,以及多遇地震作用下验算结构的弹性变形;
第二阶段设计:按罕遇地震作用下验算结构的弹塑性变形。
一截面抗震验算
主要用于多遇地震作用效应和其他荷载效应的基本组合验算构件截面抗震承载力。
二抗震变形验算
(一)多遇地震作用下结构抗震变形验算
1.楼层内最大弹性层间位移角,及弹性层间位移角限值[θe]
结构类型[θe] 结构类型[θe] 钢筋混凝土框架1/550 钢筋混凝土框支层1/1000 钢筋混凝土框架-抗震墙、扳柱-抗震墙、框架核心筒1/800 多、高层钢结构1/250 钢筋混凝土抗震墙、筒中筒1/1000
(二)罕遇地震作用下薄弱层的弹塑性变形验算
1.确定结果薄弱层的位置
2.弹塑性层间位移角限值[θp]
附层间位移角的计算公司[θ]=D u/h
结构类型[θp] 结构类型[θp] 单层钢筋混凝土柱排架1/30 钢筋混凝土框架-抗震墙、板柱-抗震墙、框架核
1/100
心筒
钢筋混凝土框架1/50 钢筋混凝土抗震墙、筒中筒1/120 底部框架砌体房屋中的框架-抗震墙1/100 多、高层钢结构1/50。
《建筑结构抗震》(清华大学出版社)计算题及例题解答1.某两层房屋计算简图如图1所示。
已知楼层集中质量为1100t m =,250t m =,每层层高均为h ,楼板平面内刚度无限大,沿某抗震主轴方向的层间剪切刚度为120000kN m k =,210000kN m k =。
求该结构体系在该抗震主轴方向的自振周期、振型和振型参与系数。
图1 动力模型计算简图【解】1m 100t =,2m 50t =,m /kN 20000k 1=,m /kN 10000k 2=(1)自振圆频率⎥⎥⎦⎤⎢⎢⎣⎡+++⎪⎪⎭⎫ ⎝⎛-±++=ω)(2212112222112212122,1m k 2m k k 2m k m k m k m k m k k 21⎥⎥⎦⎤⎢⎢⎣⎡⨯++⨯+⎪⎭⎫ ⎝⎛-±++=)(50100002100100002000021001000050100001002000050100001001000020000212)(30020030021±+==100400⎧⎨⎩ s /rad 101=ω∴,s /rad 202=ω∴(2)自振周期628.01014.322T 11=⨯=ωπ=314.02014.322T 22=⨯=ωπ=(3)振型第一主振型:210000101001000020000k m k k X X 22211211112=⨯-+=ω-+=第二主振型:110000201001000020000k m k k X X 22221212122=⨯-+=ω-+=(4)振型参与系数3225011002501100X m X m X m X m Xm Xm 222122211112211121i 21ji21i 1ii1=⨯+⨯⨯+⨯=++==γ∑∑== 3115011001501100X m X m X m X m Xm X m 222222221122221121i 22ii21i 2ii2=-⨯+⨯-⨯+⨯=++==γ∑∑==)()(2. 某三层钢筋混凝土框架,如图2和图3所示。
常规岛主厂房在SL-2地震作用下弹塑性变形验算的简化计算方法摘要:根据《建筑抗震设计规范》规定的弹塑性变形简化计算方法,采用国标罕遇反应谱包络极限安全地震SL-2反应谱,用计算程序PKPM进行核电常规岛主厂房在SL-2地震作用下的弹塑性变形验算。
关键词:核电常规岛主厂房;极限安全地震;弹塑性变形验算;概述核电工程的常规岛主厂房,是核安全无关物项(抗震Ⅲ类物项),但它往往与核安全有关的重要物项(抗震Ⅰ类物项)相邻。
为了确保抗震Ⅰ类物项的安全,一般保证在极限安全地震SL-2作用下,常规岛主厂房能够保持结构的完整性(不倒塌)。
本文提出并论述说明对于常规岛主厂房,利用民用规范的抗震计算方法和计算程序进行在SL-2地震作用下结构完整性的简单校核计算方法。
常规民用工程与核电厂的抗震设计要求2.1常规民用工程的抗震要求《建筑抗震设计规范》是以“三个水准”为抗震设防目标的,即“小震不坏,中震可修,大震不倒”。
在设计中采用两阶段设计实现上述的设防目标,即:第一阶段设计是承载力验算、第二阶段设计是弹塑性变形验算。
2.2核电厂的抗震设计要求在HAD102/02《核电厂抗震设计与鉴定》中规定,与核安全有关的重要物项要考虑:SL-1(运行安全地震)和SL-2(极限安全地震)。
在SL-1地震水平下,与核安全有关的重要物项应保持正常运行状态,要求结构处于弹性范围。
在SL-2地震水平下,对于与核安全有关的重要物项而言,验收准则要比SL-1时有所降低,一般允许进入弹塑性范围。
2.3常规民用工程与核电厂的抗震设计要求对比(1)二者的所考虑的地震水平的超越概率不同。
例如根据《建筑抗震设叶规范》,当抗震设防烈度为8度时所对应的设计基本地震加速度值为0.2g,此值与SL-2地震峰值加速度0.2g的含义是不同的,前者对应的是475年一遇的地震,而后者对应的是10000年一遇的地震。
(2)《建筑抗震设计规范》和核电厂所使用的设计反应谱不同。
复杂高层建筑弹塑性动力分析作者:金诺来源:《城市建设理论研究》2013年第31期摘要:我国是一个多地震的国家,强震分布十分广泛。
通过对复杂高层建筑结构弹塑性动力分析方法的介绍,并结合工程实例,说明工程常用软件PKPM、ANSYS对复杂高层建筑进行弹塑性动力分析的可行性和必要性。
关键词:复杂高层建筑; PKPM工程软件;ANSYS工程软件;弹塑性地震反应分析中图分类号:TU97 文献标识码:A随着体型复杂、不规则的高层建筑大量出现,研究复杂体型高层建筑在地震作用下的反应,不仅可以促进结构理论的发展,而且可以丰富建筑创作的领域。
一、复杂高层建筑结构弹塑性动力分析方法(一)、地震时高层建筑结构弹塑性分析结构在强烈地震作用下,结构就会进入弹塑性阶段,结构刚度就会产生变化,塑性内力出现重分布。
对高层建筑结构的弹塑性变形计算和研究,进行结构的弹塑性分析非常有必要。
1、弹塑性结构分析方法分类目前,结构的弹塑性分析主要分为弹塑性静力分析和弹塑性动力分析两大类。
弹塑性动力分析是在计算大震作用下,采用动力时程分析法对结构反应特性进行的弹塑性分析,即作为弹塑性振动系统,将建筑物地面地震加速度记录直接输入,直接积分运动方程,从而获得系统各质点的速度、位移、结构构件地震剪力和加速度的时程变化曲线。
时程分析法考虑了结构的动力特性即加速度有效峰值、动频谱特性和有效持续时间三要素,因而在强烈地震作用下该方法完整地反映出结构反应的全过程状况,有利于快速寻找结构抗震的薄弱环节。
2、弹塑性梁单元建立梁元的局部坐标系如图1所示,假定梁的任一截面在变形后仍然保持为平面,且始终保持与中性轴垂直,所以,位移是y、z的一次函数。
位移沿x轴采用三次Hermit插值。
位移模式的变化主要体现在中轴线的位移,对于一般的杆件,中轴线的位移模式:图1 梁单元坐标系令u,v,w分别表示单元任意一点沿x,y,z轴的位移,则一般杆单元中都忽略了y和z方向的正应力和剪应力,只考虑x方向的正应力,使问题由三维降为一维问题。
建筑结构在罕遇地震下弹塑性变形验算的讨论
随着社会的发展,建筑结构在罕遇地震下弹塑性变形验算已经成为一个重要的研究课题。
弹塑性变形验算是指在罕遇地震作用下,建筑结构的变形量超过其弹性变形量,而进入塑性变形阶段的验算。
首先,在弹塑性变形验算中,需要考虑建筑结构的结构特性,包括结构的类型、材料的性质、结构的组成等。
其次,需要考虑地震作用下的力学特性,包括地震波的频率、振幅、持续时间等。
最后,需要考虑建筑结构的变形特性,包括建筑结构的弹性变形量、塑性变形量、变形率等。
此外,弹塑性变形验算还需要考虑建筑结构的抗震性能,包括抗震性能的指标、抗震性能的等级、抗震性能的改善措施等。
此外,还需要考虑建筑结构的抗震设计,包括抗震设计的原则、抗震设计的方法、抗震设计的技术要求等。
总之,弹塑性变形验算是一项复杂的工作,需要考虑建筑结构的结构特性、地震作用下的力学特性、建筑结构的变形特性、建筑结构的抗震性能以及建筑结构的抗震设计等多方面的因素。
只有全面考虑这些因素,才能确保建筑结构在罕遇地震下能够安全可靠地变形。
地震作用和结构抗震验算5.1 一般规定5.1.1各类建筑结构的地震作用应符合下列规定:1 一般情况下,应允许在建筑结构的两个主轴方向分别计算水平地震作用,并进行抗震验算各方向的水平地震作用应由该方向抗侧力构件承担。
2 有斜交抗侧力构件的结构,当相交角度大于15°时,应分别计算各抗侧力构件方向的水平地震作用。
3 质量和刚度分布明显不对称的结构,应计入双向水平地震作用下的扭转影响,其他情况,应允许采用调整地震作用效应的方法计入扭转影响。
4 8、9度时的大跨度和长悬臂结构及9度时的高层建筑,应计算竖向地震作用。
注:8、9度时采用隔震设计的建筑结构应按有关规定计算竖向地震作用。
5.1.2各类建筑结构的抗震计算,应采用下列方法:1 高度不超过40m 以剪切变形为主且质量和刚度沿高度分布比较均匀的结构,以及近似于单质点体系的结构,可采用底部剪力法等简化方法。
2 除1款外的建筑结构,宜采用振型分解反应谱法。
3 特别不规则的建筑、甲类建筑和表5.1.21所列高度范围的高层建筑,应采用时程分析法进行多遇地震下的补充计算,可取多条时程曲线计算结果的平均值与振型分解反应谱法计算结果的较大值。
采用时程分析法时,应按建筑场地类别和设计地震分组选用不少于二组的实际强震记录和一组人工模拟的加速度时程曲线,其平均地震影响系数曲线应与振型分解反应谱法所采用的地震影响系数曲线在统计意义上相符其加速度时程的最大值可按表5.1.2-2采用。
弹性时程分析,时每条时程曲线计算所得结构底部剪力不应小于振型分解反应谱法计算结果的65% ,多条时程曲线计算所得结构底部剪力的平均值不应小于振型分解反应谱法计算结果的80%。
注:括号内数值分别用于设计基本地震加速度为0.15g和0.30g的地区。
4 计算罕遇地震下结构的变形,应按本章第5.5节规定,采用简化的弹塑性分析方法或弹塑性时程分析法。
注:建筑结构的隔震和消能减震设计应采用本规范第12章规定的计算方法。
高层建筑结构设计名词解释1. 高层建筑:10层及10层以上或房屋高度大于28m 的建筑物。
2. 房屋高度:自室外地面至房屋主要屋面的高度。
3. 框架结构:由梁和柱为主要构件组成的承受竖向和水平作用的结构。
4. 剪力墙结构:由剪力墙组成的承受竖向和水平作用的结构。
5. 框架—剪力墙结构:由框架和剪力墙共同承受竖向和水平作用的结构。
6. 转换结构构件:完成上部楼层到下部楼层的结构型式转变或上部楼层到下部楼层结构布置改变而设置的结构构件.包括转换梁、转换桁架、转换板等。
7. 结构转换层:不同功能的楼层需要不同的空间划分.因而上下层之间就需要结构形式和结构布置轴线的改变.这就需要在上下层之间设置一种结构楼层.以完成结构布置密集、墙柱较多的上层向结构布置较稀疏、墙术较少的下层转换.这种结构层就称为结构转换层。
(或说转换结构构件所在的楼层)8. 剪重比:楼层地震剪力系数.即某层地震剪力与该层以上各层重力荷载代表值之和的比值。
9. 刚重比:结构的刚度和重力荷载之比。
是影响重力∆-P 效应的主要参数。
10. 抗推刚度(D ):是使柱子产生单位水平位移所施加的水平力。
11. 结构刚度中心:各抗侧力结构刚度的中心。
12. 主轴:抗侧力结构在平面内为斜向布置时.设层间剪力通过刚度中心作用于某个方向.若结构产生的层间位移与层间剪力作用的方向一致.则这个方向称为主轴方向。
13. 剪切变形:下部层间变形(侧移)大.上部层间变形小.是由梁柱弯曲变形产生的。
框架结构的变形特征是呈剪切型的。
14. 剪力滞后:在水平力作用下.框筒结构中除腹板框架抵抗倾复力矩外.翼缘框架主要是通过承受轴力抵抗倾复力矩.同时梁柱都有在翼缘框架平面内的弯矩和剪力。
由于翼缘框架中横梁的弯曲和剪切变形.使翼缘框架中各柱轴力向中心逐渐递减.这种现象称为剪力滞后。
15. 延性结构:在中等地震作用下.允许结构某些部位进入屈服状态.形成塑性铰.这时结构进入弹塑性状态。
结构抗震的弹塑性层间位移角限值探讨作者:李清炜来源:《科教导刊》2009年第01期摘要对结构在罕遇地震作用下的弹塑性变形验算目前是简化为层间弹塑性变形验算,而规范给出的容许变形值通常是层间弹塑性位移角限值。
本文主要探讨框架结构、钢结构、框架-抗震墙、框架-筒体等结构的弹塑性位移角限值。
关键词弹塑性框架结构变形验算位移角限值中图分类号:TU31文献标识码:A1 引言对结构在罕遇地震作用下的弹塑性变形验算目前一般是简化为层间弹塑性变形验算,因而大多数规范给出的容许变形值通常是层间弹塑性位移角限值。
结构的整体倒塌或局部倒塌往往是由于个别主要抗侧力构件在强烈地震下的最大变形超过其极限变形能力所造成的。
因此,弹塑性变形验算的变形限值,除了层间位移角限值外,尚应规定那些弯曲起控制作用的构件的截面塑性铰转角限值。
采用隔震和消能减震技术的建筑结构,在罕遇地震作用下隔震和消能减震部件应能起到降低地震效应和保护主体结构的作用,但是对隔震和消能减震部件应有位移限制,因此也要求进行抗震变形验算。
对建筑结构在罕遇地震作用下薄弱层(部位)的弹塑性变形计算,除12层以下且层刚度无突变的钢筋混凝土框架结构和填充墙框架结构、不超过20层且层刚度无突变的钢框架结构和支撑钢框架结构以及单层钢筋混凝土柱厂房可采用简化方法计算外,要求采用较为精确的结构弹塑性分析方法,可以是三维的静力弹塑性(如Push-over方法)或弹塑性时程分析方法。
2 框架结构的弹塑性位移角限值在框架结构中,由于柱子承受弯、剪、压的复合作用,其变形能力一般比梁差。
因此,框架柱的塑性变形能力在很大程度上决定了框架结构的抗倒塌的层间位移角限值。
根据美国UBC/EERC对大量试验数据的统计结果,剪跨比大于2.0的柱的极限位移角也几乎都大于1/50。
即使那些具有较小剪跨比或较大轴压比的柱试件,也具有比较大的极限位移角。
有关高轴压比试验表明,即使设计轴压比增大到0.9,试件的极限位移角也有1/40框架结构的弹塑性层间位移是梁、柱、节点等部件变形的综合结果。
地震按其成因分为哪几种类型按其震源的深浅又分为哪几种类型答:构造地震、火山地震、陷落地震、爆炸地震、诱发地震。
浅源地震、中源地震、深源地震。
什么是地震波地震波包含了哪几种波各种地震波各自的传播特点是什么,对地面和建筑物的影响如何答:地震引起的振动以弹性波的形式从震源向各个方向传播并释放能量(波动能),这就是地震波。
它包括体波和面波。
特点:体波中,纵波周期短,振幅小,速度快,产生颠簸,可以在固体液体中传播。
横波周期长,振幅大,只能在固体中传播,产生摇晃。
面波振幅大,周期长,只能在地表附近传播,能量大,破坏大,产生颠簸摇晃。
故面波的危害最大。
什么是震级什么是烈度、基本烈度和抗震设防烈度三种烈度如何确定答:震级是表征一次地震大小或强弱的等级,是地震释放能量多少的尺度。
烈度:表示某一地点地面震动的强烈程度或者说地震影响的强弱程度。
确定方法:当设计基准期为五十年时,50年内众值烈度的超越概率为%,这就是第一水准的烈度。
基本烈度:在50年期限内,一般场地条件下,可能遭遇超越概率为10%的地震烈度值。
确定方法:一般情况下,取50年内超越概率10% 的地震烈度,为第二水准烈度。
抗震设防烈度:按国家规定的权限批准作为一个地区抗震设防依据的地震烈度。
确定方法:一般情况下,取50年内超越概率10% 的地震烈度。
确定方法:它所产生的烈度在50年内的超越概率为2%,作为第三水准烈度。
基本烈度与众值烈度相差度,基本烈度与罕遇烈度相差1度。
简述众值烈度、基本烈度和罕遇烈度的划分及其关系。
答:当设计基准期为五十年时,50年内众值烈度的超越概率为%,这就是第一水准的烈度。
一般情况下,取50年内超越概率10% 的地震烈度,为第二水准烈度。
烈度在50年内的超越概率为2%,作为第三水准烈度。
基本烈度与众值烈度相差度,基本烈度与罕遇烈度相差1度。
何谓“抗震概念设计” “抗震概念设计”包括哪些方面的内容答:定义:抗震概念设计是根据地震灾害和工程经验等形成的基本设计原则和设计思想,进行建筑和结构总体布置并确定细部的过程。
常规岛主厂房在SL-2地震作用下弹塑性变形验算的简化计算方法作者:贾卫超石立超来源:《城市建设理论研究》2014年第09期摘要:根据《建筑抗震设计规范》规定的弹塑性变形简化计算方法,采用国标罕遇反应谱包络极限安全地震SL-2反应谱,用计算程序PKPM进行核电常规岛主厂房在SL-2地震作用下的弹塑性变形验算。
关键词:核电常规岛主厂房;极限安全地震;弹塑性变形验算;中图分类号:[TL48] 文献标识码:A概述核电工程的常规岛主厂房,是核安全无关物项(抗震Ⅲ类物项),但它往往与核安全有关的重要物项(抗震Ⅰ类物项)相邻。
为了确保抗震Ⅰ类物项的安全,一般保证在极限安全地震SL-2作用下,常规岛主厂房能够保持结构的完整性(不倒塌)。
本文提出并论述说明对于常规岛主厂房,利用民用规范的抗震计算方法和计算程序进行在SL-2地震作用下结构完整性的简单校核计算方法。
常规民用工程与核电厂的抗震设计要求2.1常规民用工程的抗震要求《建筑抗震设计规范》是以“三个水准”为抗震设防目标的,即“小震不坏,中震可修,大震不倒”。
在设计中采用两阶段设计实现上述的设防目标,即:第一阶段设计是承载力验算、第二阶段设计是弹塑性变形验算。
2.2核电厂的抗震设计要求在HAD102/02《核电厂抗震设计与鉴定》中规定,与核安全有关的重要物项要考虑:SL-1(运行安全地震)和SL-2(极限安全地震)。
在SL-1地震水平下,与核安全有关的重要物项应保持正常运行状态,要求结构处于弹性范围。
在SL-2地震水平下,对于与核安全有关的重要物项而言,验收准则要比SL-1时有所降低,一般允许进入弹塑性范围。
2.3常规民用工程与核电厂的抗震设计要求对比(1)二者的所考虑的地震水平的超越概率不同。
例如根据《建筑抗震设叶规范》,当抗震设防烈度为8度时所对应的设计基本地震加速度值为0.2g,此值与SL-2地震峰值加速度0.2g的含义是不同的,前者对应的是475年一遇的地震,而后者对应的是10000年一遇的地震。
★抗震设防目的:小震不坏,中震可修,大震不倒。
第一水准:当遭受低于本地区抗震设防烈度的多遇地震影响时,主体构造不受损坏或不需修理可继续使用第二水准:当遭受相当于本地区抗震设防烈度的设防地震影响时,建筑物可能损坏,经一般修理或不需修理仍可继续使用;第三水准:当遭受高于本地区抗震设防烈度预估的罕遇地震影响时,建筑物不致倒塌或发生危及生命的严重破坏★两个阶段设计第一阶段设计:按多遇地震作用效应和其他荷载效应的根本组合验算构件的承载才能,以及在多遇地震作用下验算构造的弹性变形,以满足第一水准抗震设防目的的要求。
第二阶段设计:罕遇地震作用下验算构造的弹塑性变形,以满足第三水准抗震设防目的的要求。
第三水准通过良好的抗震构造措施满足。
★选择建筑场地时,应根据工程需要和地震活动情况、工程地质和地震地质的有关资料,对抗震有利、一般、不利和危险地段做出综合评价。
对不利地段,应提出避开要求;当无法避开时应采取有效的措施。
对危险地段,严禁建造甲、乙类的建筑,不应建造丙类的建筑。
★地基和根底设计应符合以下要求:①同一构造单元的根底不宜设置在性质截然不同的地基上;②同一构造单元不宜局部采用天然地基局部采用桩基;当采用不同根底类型或根底埋深显著不同时,应根据地震时两局部地基根底的沉降差异,在根底、上部构造的相关部位采取相应措施。
③地基为软弱粘性土、液化土、新近填土或严重不均匀土时,应根据地震时地基不均匀沉降和其它不利影响,采取相应的措施。
★平面不规那么类型I〕改变不规那么:楼层的最大弹性程度位移(或层间位移),大于该楼层两端弹性程度位移(或层间位移)平均值的1.2倍。
II〕凹凸不规那么:构造平面凹进的一侧尺寸,大于相应投影方向总尺寸的30% 。
III〕楼板局部不连续:楼板的尺寸和平面刚度急剧变化,例如,有效楼板宽度小于该层楼板典型宽度的50%,或者开洞面积大于该层楼面面积的30%,或较大的楼层错层★竖向不规那么类型I〕侧向刚度不规那么:该层的侧向刚度小于相邻上一层的70%,或者小于其上相邻三个楼层侧向刚度平均值的80%;除顶层外,局部收进的程度向尺寸大于相邻下一层的25%II〕竖向抗侧力构件不连续:竖向抗侧力构件(柱、抗震墙、抗震支撑)的内力由程度转换构件(梁、桁架等)向下传递III〕楼层承载力突变:抗侧力构造的层间受剪承载力小于相邻上一楼层的80%★建筑设计应重视其平面、立面和竖向剖面的规那么性对抗震性能及经济合理性的影响,宜择优选用规那么的形体,其抗侧力构件的平面布置宜规那么对称、侧向刚度沿竖向宜均匀变化、竖向抗侧力构件的截面尺寸和材料强度宜自下而上逐渐减小、防止侧向刚度和承载力突变。