顶管验收要求
- 格式:doc
- 大小:22.50 KB
- 文档页数:3
沉井、顶管和拉管工程验收标准本文档将提供沉井、顶管和拉管工程的验收标准。
这些标准将帮助确保这些工程的高质量完成,并符合相关的法律和安全要求。
沉井工程验收标准沉井工程主要是指在水下或土中进行的工程,用于支撑结构、埋管或与地下水资源有关的其他工作。
以下是沉井工程验收的标准:1. 沉井的设计和施工必须符合相关的规范和标准,如国家建筑设计规范和地质勘察规范等。
2. 沉井的外观和结构应符合设计要求,没有明显的损坏或缺陷。
3. 沉井的防水和排水系统应运行正常,确保沉井内没有积水。
4. 沉井的支撑结构必须稳定可靠,能够承受预期的水压和土壤压力。
5. 沉井的设备和材料必须符合相关的质量标准,如耐腐蚀性能和强度要求等。
顶管工程验收标准顶管工程是一种通过推动顶管来建设管道或隧道的方法。
以下是顶管工程验收的标准:1. 顶管的设计和施工必须符合相关的规范和标准,如国家市政工程建设标准和隧道工程技术规范等。
2. 顶管的直线度和坡度应符合设计要求,确保管道能够顺利运输流体或通过人行。
3. 顶管的材料和防腐蚀涂层必须符合质量标准,以确保管道的耐久性和长寿命。
4. 顶管的敷设和连接必须牢固可靠,无渗漏和断裂现象。
5. 顶管的支撑结构和辅助设备必须符合安全要求,能够承受预期的地面载荷和挤压力。
拉管工程验收标准拉管工程是指利用钢制拉管的方法进行管道敷设和修复的工程。
以下是拉管工程验收的标准:1. 拉管的设计和施工必须符合相关的规范和标准,如国家燃气管道工程施工及验收规范和石油钢管道工程技术规程等。
2. 拉管的材料和焊接必须符合质量标准,以确保管道的密封性和耐久性。
3. 拉管的直线度和坡度应符合设计要求,确保管道能够顺利运输流体。
4. 拉管的支撑结构和固定设备必须符合安全要求,以防止管道移动和破损。
5. 拉管的防腐蚀措施必须有效并符合相关标准,以延长管道的使用寿命。
以上是沉井、顶管和拉管工程的验收标准。
通过按照这些标准进行验收,可以确保这些工程的质量和安全性。
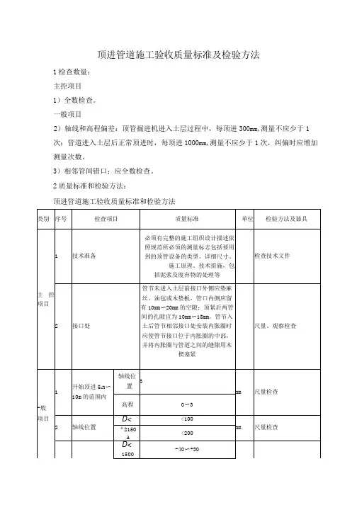
质量验收标准:一、工作井应符合下列规定:主控项目1工程原材料、成品、半成品的产品质量应符合国家相关标准规定和设计要求;检查方法:检查产品质量合格证、出厂检验报告和进场复验报告。
2工作井结构的强度、刚度和尺寸应满足设计要求,结构无滴漏和线流现象:检查方法:观察按规范规定逐座进行检查,检查施工记录。
3混凝土结构的抗压强度等级、抗渗等级符合设计要求;检查数量:沉井及其他现浇结构的同一配合比混凝土,每工作班且每浇筑100m,为一个验收批,抗压强度试块留置不应少于1组;每浇筑500m3混凝土抗渗试块留置不应少于1组;检查方法:检查混凝土浇筑记录,检查试块的抗压强度、抗渗试验报告。
—般项目4结构无明显渗水和水珠现象;检查方法:按本规范规定逐座观察。
5顶管顶进工作并、盾构始发工作井的后背墙应坚实、平整;后座与井壁后背墙联系紧密;检査方法:逐个观察;检查相关施工记录。
6两导轨应顺直、平行、等高,盾构基座及导轨的夹角符合规定;导轨与基座连接应牢固可靠,不得在使用中产生位移;检查方法:逐个观察、量测。
7工作井施工的允许偏差应符合表6.7. 2的规定。
表6.7.2 工作并施工的允许偏差注:H为后背墙的高度(mm);L为后背墙的长度(mm)。
二、顶管管道应符合下列规定:主控项目1管节及附件等工程材料的产品质量应符合国家有关标准的规定和设计要求;检查方法:检查产品质量合格证明书、各项性能检验报告,检查产品制造原材料质量保证资料;检查产品进场验收记录。
2接口橡胶圈安装位置正确,无位移、脱落现象:钢管的接口焊接质量应符合规范的相关规定,焊缝无损探伤检验符合设计要求;检查方法:逐个接口观察;检查钢管接口焊接检验报告。
3无压管道的管底坡度无明显反坡现象;曲线顶管的实际曲率半径符合设计要求;检查方法:观察;检查顶进施工记录、测量记录。
4管道接口端部应为破损、顶裂现象.接口处无滴漏;检查方法:逐节观察.其中渗漏水程度检查按规范执行。
专项顶管施工方案验收内容1. 引言本文档是为了对专项顶管施工方案的验收进行规范和说明。
专项顶管施工方案是在顶管施工前编制的,其中包含了施工的流程、计划和技术要求等内容。
验收是为了保证施工质量和安全,确保专项顶管施工方案符合相关规定和标准。
2. 验收目标专项顶管施工方案的验收目标主要包括: - 确保专项顶管施工方案符合相关规定和标准; - 确保施工过程中的安全、质量和进度符合要求; - 提供对施工方案的指导和监督。
3. 验收内容专项顶管施工方案的验收内容应包括但不限于以下方面:3.1 施工方案的完整性•确保施工方案包含了完整的顶管工程施工内容,包括顶管材料的选择、施工工艺和施工流程等。
3.2 技术要求的合理性•确保施工方案中的技术要求合理可行,并符合相关规定和标准。
3.3 施工过程的安全性•确保施工方案中考虑了施工过程的安全性,包括施工现场的安全措施、施工人员的安全培训和施工设备的安全使用等。
3.4 施工进度的可行性•确保施工方案中规定的施工进度可行,并符合项目计划。
3.5 质量控制的可行性•确保施工方案中规定的质量控制措施可行,并符合相关质量标准。
4. 验收流程专项顶管施工方案的验收流程应包括以下步骤:4.1 验收申请施工单位应按照项目要求,向项目管理单位提交专项顶管施工方案的验收申请。
4.2 验收准备项目管理单位应组织验收专家组,对专项顶管施工方案进行审查,确定验收时间和地点。
4.3 验收会议验收会议应邀请相关设计、施工和监理单位的代表参加,会议内容包括对专项顶管施工方案的详细说明和技术交流。
4.4 验收报告验收专家组应根据会议讨论结果和现场考察情况,撰写专项顶管施工方案的验收报告,并提出验收意见和建议。
4.5 验收结论项目管理单位根据验收报告和专家组的意见,做出专项顶管施工方案的验收结论,并通知施工单位。
5. 验收标准专项顶管施工方案的验收标准应参照相关的规范和标准,包括但不限于以下方面: - 顶管施工的安全要求; - 顶管施工的质量要求; - 顶管施工的进度要求。
顶管施工技术及验收规范标准1.总则1.1 为了统一全国顶管施工技术要求,使顶管施工规范化,中国非开挖技术协会特制定本规范,要求施工技术先进、经济合理、安全可靠,确保施工质量。
1.2 当地下管道或其他管线的铺设可以通过顶进施工方法在交通、建筑、经济和环境保护方面带来好的效益时,应该采用非开挖施工方法。
1.3 本规范适用于敞开式和封闭式顶管施工方法。
根据施工方法的不同,顶管机可分为敞开式顶管掘进机和封闭式顶管掘进机两大类。
敞开式顶管掘进机有手掘式、挤压式和网格式等;封闭式顶管掘进机有土压平衡、泥水平衡、混合型等型式。
1.4 本规范适用于所有预制管道的地下非开挖施工,包括常用的断面为圆形、长方形以及其他不规则形状的管道。
1.5 根据管道的材料和各自的连接方法来选择合适的管道之间的连接方法即:刚性连接或柔性连接。
1.6 对采用顶管施工方法引起的地表变形和对周围环境的影响,应事先做出充分预测,并使之符合建设单位的相关要求。
当预计影响难以确保地面建筑物、道路交通和地下管线的正常使用时,应在建设单位的组织下,会同有关部门商定采取有效的技术措施进行监测和保护。
1.7 当两条平行管道采用顶管法施工时,应贯彻先深后浅、先大后小的原则。
两段管道平行顶进时,其相邻管壁间最小净距应根据施工地区的地质条件、不同的顶进方法和施工时间等因素来确定。
一般情况下,相邻顶管外壁的间距应不小于大管道的外径。
1.8 一般情况下,顶管的覆土厚度不小于3m,或者不小于1.5倍的管道外径,否则应采取相应的技术措施。
1.9 在进行顶管工程施工设计前,应对施工线路进行工程勘察,调查分析施工区域的水文地质和工程地质情况,充分掌握与顶进施工有关的现场资料。
施工人员必须根据设计图纸、技术标准和现场施工条件等因素,认真编写施工组织设计,对操作人员进行详细的技术交底,明确职责分工。
1.10 对于机械化程度较高的土压平衡、泥水平衡和混合式顶管机操作员,应加强专业技术和安全教育,并须持证上岗。
顶管施工技术及验收一、顶进管道(一)顶进管道的基本要求1、所用管材必须满足如下基本要求:(1)能够抵抗管道内外的侵蚀;(2)能够承受一定的静、动荷载;(3)能够承受管道内外部的压力;(4)具有良好的过流性能;(5)较低的成本。
2、顶管施工的管材还应符合以下要求:(1)较高的轴向承载能力;(2)紧密的配合尺寸;(3)端部要平整、垂直;(4)管道长度方向上应保证平直度;(5)防水接头应设置在管道壁内,不允许突出于管道的内外壁;(6)管道接头应具有传递轴向载荷的能力,同时在发生一定角度的偏斜时应仍具有防水能力。
3、管道长度通常以2.0~3.0m为宜,有时也采用1.0~1.25m较短的管节。
对于大直径的管道,一般应采用较长的管节,这样可以相对减少管接头的次数、提高施工效率。
在通常情况下,采用的单根管节的长度不宜超过顶管机或微型隧道掘进机的机身长度。
4、顶进管道及其连接处应有足够的抵抗管道内外化学腐蚀和机械损伤的能力,管道的防护措施应和管道顶进工艺过程以及地层条件相适应。
5、管道的长度误差1200 ±5mm-0mm1200≤D<3000 ±5‰但是要少于-10mm或+25mm±1‰-+10mm;-0mm±1‰3000≤D ±5‰但是要少于-10mm或+25mm--6、管道端面的垂直度应满足下列要求:(1)管道端面的垂直度定义为下图所示的管道末端的角度。
管道端面的垂直度(2)管道端面垂直度要依据线垂直于管道轴的管壁为基准来测量。
如果没有可以参照的垂直管道轴线的参考面,可以假设将管道从平面翻转动180度,然后测量出其与水平线的角度,然后除以2就是工作面的垂直度。
(3)管道端面垂直度误差应符合下表的要求。
管道端面垂直度的允许误差(mm)直径混凝土管道纤维-水泥管道陶土管钢管玻璃钢管道铸铁管道150≤D≤600 2 0.5 0.5 1.0 0.5 0.5 600<D<1200 3 0.5 1.0 2.0 0.5 1.0 1200≤D<30004 0.5 3.0 0.5 2.03000≤D 5 -----7、管道水平方向的偏差的最大值为0.5%的管道直径(m)。
顶管工程施工验收1 验收程序1、程序目的:明确工程验收程序,规工程验收过程,保证工程验收全面、有效、合法。
2、适用范围:分项工程验收、分部工程验收、单项验收、单位(子单位)工程验收。
3、验收流程分项工程验收流程:总承包单位完成各分项工程并自检完毕后,填报工程验收申请表报监理部,由监理单位各专业工程师参加验收。
监理单位专业工程师初次检查验收,达到验收要求后,提报甲方项目部各专业主管工程师参加验收,验收合格后做好验收资料会签,甲方工程部填写内部验收单。
如验收中存在问题,总承包单位对提出的问题进行整改,整改完成后,报项目监理部。
由项目监理部与甲方工程部重新复验,复验合格后,由监理单位专业工程师通知施工方可进入下道工序施工。
分部工程验收流程:各分包单位各分项工程施工完成,资料齐全后,由监理单位专业工程师初次检查验收。
具备验收条件后,由建设单位工程部经理组织施工总承包(分包)单位、监理单位、设计单位、勘察单位、政府工程质量监督部门进行验收,同时进行验收资料审查,验收合格资料完善后,做好验收资料会签,同时由监理单位专业工程师通知施工方可进入下道工序施工。
交接验收流程:各分包单位承包工程自检完成后,可申请交接验收,由监理单位专业工程师初次检查验收,具备验收条件后,由建设单位工程部经理组织监理单位、总包与分包单位进行交接验收,验收合格后做好交接验收记录。
单项工程验收流程:各独立分包单位完成承包工程内容后,向项目监理部提出验收要求,同时填报工程验收申请表。
由监理单位各专业工程师初次检查验收,具备验收条件后,由监理单位专业工程师初次检查验收,具备验收条件后,由建设单位工程部经理组织施工总承包单位、监理单位、设计单位、勘察单位、政府工程质量监督部门进行验收,如验收中存在问题,对提出的问题进行整改,整改完成后,由建设单位重新组织施工总承包单位、监理单位、设计单位、勘察单位、政府工程质量监督部门进行复验和资料审查,验收合格后签署验收资料。
顶管、工作井质量验收标准工作井的质量验收标准如下:1.工程原材料、成品、半成品的产品质量应符合国家相关标准规定和设计要求。
检查方法包括检查产品质量合格证、出厂检验报告和进场复验报告。
2.工作井结构的强度、刚度和尺寸应满足设计要求,结构无滴漏和线流现象。
检查方法包括观察按规范规定逐座进行检查,检查施工记录。
3.混凝土结构的抗压强度等级、抗渗等级符合设计要求。
检查数量为沉井及其他现浇结构的同一配合比混凝土,每工作班且每浇筑100m,为一个验收批,抗压强度试块留置不应少于1组;每浇筑500m3混凝土抗渗试块留置不应少于1组。
检查方法包括检查混凝土浇筑记录,检查试块的抗压强度、抗渗试验报告。
4.结构无明显渗水和水珠现象。
检查方法为按本规范规定逐座观察。
5.顶管顶进工作并、盾构始发工作井的后背墙应坚实、平整;后座与井壁后背墙联系紧密。
检查方法为逐个观察,检查相关施工记录。
6.两导轨应顺直、平行、等高,盾构基座及导轨的夹角符合规定;导轨与基座连接应牢固可靠,不得在使用中产生位移。
检查方法为逐个观察、量测。
7.工作井施工的允许偏差应符合表6.7.2的规定。
表中包括检查项目、允许偏差、检查数量、检查方法等。
顶管管道的质量验收标准如下:1.管节及附件等工程材料的产品质量应符合国家有关标准的规定和设计要求。
检查管道质量的方法包括以下几点:检查产品质量合格证明书、各项性能检验报告,检查产品制造原材料质量保证资料;检查产品进场验收记录。
此外,还需要逐个接口观察,检查钢管接口焊接检验报告,观察顶进施工记录、测量记录,逐节观察管道是否有破损、顶裂、滴漏等现象,且渗漏水程度要按规范执行。
检查管道内是否线形平顺、无突变、变形现象,一般缺陷部位需要修补密实、表面光洁,管道内不应有明显渗水和水珠现象。
此外,管道与工作并出、进洞口的间隙连接牢固,洞口无渗漏水,管道内应清洁,无杂物、油污。
最后,顶管施工贯通后管道的允许偏差应符合表6.7.3的规定,检查数量和检查项目也需要按照规范执行。
顶管工程施工验收要求一、验收时间顶管工程的施工验收应在工程竣工后,尽快进行。
验收应在工程完工、设备安装调试、系统联合试验确认合格、验收资料齐全完备的前提下进行。
并应提前向相关部门报备,确保验收工作的顺利进行。
二、验收人员顶管工程的施工验收应由建设单位、设计单位、施工单位和监理单位等相关人员组成验收小组,以确保验收工作的客观性和公正性。
验收小组应由建设单位负责召集并主持,并应确定专门的验收负责人,负责组织和协调验收工作,确保验收工作的顺利进行。
三、验收内容1. 工程质量验收顶管工程的施工验收首先要对工程质量进行检验,确认顶管工程的各项质量指标是否符合设计要求和施工规范。
主要包括地质情况、材料选用、施工工艺、工程设备、质量标准等方面。
通过对这些方面的检查,可以全面了解顶管工程的质量情况,确保施工质量达到要求。
2. 安全验收顶管工程的安全性是工程质量的重要组成部分,施工验收也要对工程的安全性进行检查。
主要包括施工现场安全措施、作业人员安全防护、设备使用安全等方面。
验收人员要对这些方面进行仔细检查,确保工程的安全性达到标准要求。
3. 环保验收顶管工程的环保性也是施工验收的重要内容之一,环保验收主要包括施工现场的环境保护措施、废弃物处理方式、污染物排放控制等方面。
验收人员要对这些方面进行细致检查,确保工程的环保性达到要求。
4. 设计验收顶管工程的设计是工程施工的基础,设计验收也是工程施工验收的重要内容之一。
验收人员要对工程设计文件进行仔细检查,确认设计是否符合建设要求和施工规范。
并要对设计文件的完整性、准确性进行评估,确保设计文件的合理性和可行性。
5. 竣工验收顶管工程的竣工验收是整个验收工作的最后一步,验收人员要对工程的整体情况进行综合评估,确认工程是否符合竣工验收标准。
主要包括工程质量、安全性、环保性等方面。
验收人员要对这些方面进行全面检查,确保工程的整体质量符合标准要求。
四、验收标准对于顶管工程的施工验收,应根据相关国家标准和规范进行。
顶管施工技术及验收规范《顶管施工技术及验收规范》(试行)Specifications for Construction and Acceptance of Pipe Jacking(2006年12月)总则1.0.8 一般情况下,顶管的覆土厚度不小于3m,或者不小于1.5 倍的管道外径,否则应采取相应的技术措施。
1.0.13管道内施工的所有移动电机具和设备,必须有严格的接地措施。
井下、管道内的照明设备必须用12V~36V 安全电压。
施工组织设计的编写3.2 工程概况3.2.5 地下管线及地下构筑物对顶管、工作井、接收井及辅助施工可能影响到的各种地下管线,应注明所要施工的管道是与其平行还是相交,顶管与它们的间隔、距离都应标明。
还要标明该管线的名称、用途、接口、埋设年份及目前使用状况。
特别应该引起注意的是那些早已废弃的各种管道,如果调查不充分,会给顶管施工带来麻烦,甚至影响工程的顺利进展。
顶进管道5.1 顶进管道的基本要求5.1.1 所用管材必须满足如下基本要求:5.1.1.1 能够抵抗管道内外的侵蚀;5.1.1.2 能够承受一定的静、动荷载;5.1.1.3 能够承受管道内外部的压力;5.1.1.4 具有良好的过流性能;5.1.1.5 较低的成本。
5.1.2 除了满足5.1.1 中对管材的基本要求之外,顶管施工的管材还应符合以下要求:5.1.2.1 较高的轴向承载能力;5.1.2.2 紧密的配合尺寸;5.1.2.3 端部要平整、垂直;5.1.2.4 管道长度方向上应保证平直度;5.1.2.5 防水接头应设置在管道壁内,不允许突出于管道的内外壁;5.1.2.6 管道接头应具有传递轴向载荷的能力,同时在发生一定角度的偏斜时应仍具有防水能力。
5.1.9.2 管道端面垂直度要依据线垂直于管道轴的管壁为基准来测量。
5.3顶进用混凝土管道5.3.1 钢筋混凝土管是顶管中使用得最多的一种管材,且主要用于下水道中。
有时需用钢管做外壳,里面再浇上钢筋混凝土,可用于超长距离顶管施工。
填写说明6.7.3 顶管管道检验批质量验收记录1、验收依据:[规范名称及编号] 《给水排水管道工程施工及验收规范》CB50268-2008《建筑工程施工质量验收统一标准》GB50300-20132、规范摘要:以下内容摘录自《给水排水管道工程施工及验收规范》CB50268-2008;本表适用于顶管管道质量验收。
主控项目1、管节及附件等工程材料的产品质量应符合国家有关标准的规定和设计要求;检查方法:检查产品质量合格证明书、各项性能检验报告,检查产品制造原材料质量保证资料;检查产品进场验收记录。
2、接口橡胶圈安装位置正确,无位移、脱落现象;钢管的接口焊接质量应符合本规范第5章的相关规定,焊缝无损探伤检验符合设计要求;检查方法:逐个接口观察;检查钢管接口焊接检验报告。
3、无压管道的管底坡度无明显反坡现象;曲线顶管的实际曲率半径符合设计要求;检查方法:观察;检查顶进施工记录、测量记录。
4、管道接口端部应无破损、顶裂现象,接口处无滴漏;检查方法:逐节观察,其中渗漏水程度检查按本规范附录F第F.0.3条执行。
一般项目5、管道内应线性平顺、无突变、变形现象;一般缺陷部位,应修补密实、表面光洁;管道无明显渗水和水珠现象;检查方法:按本规范附录F第F.0.3条、附录G的规定逐节观察。
6、管道与工作井出、进洞口的间隙连接牢固,洞口无渗漏水;检查方法:观察每个洞口。
7、钢管防腐层及焊缝处的外防腐层及内防腐层质量验收合格;检查方法:观察;按本规范第5章的相关规定进行检查。
8、有内防腐层的钢筋混凝土管道,防腐层应完整、附着紧密;检查方法:观察。
9、管道内应清洁,无杂物、油污;检查方法:观察。
10、顶管施工贯通后管道的允许偏差应符合表6.7.3的规定。
表6 . 7 . 3 顶管施工贯通后管道的允许偏差注:Di为管道内径(mm);L为顶进长度(mm);ΔS为曲线顶管相邻管节接口允许的最大间隙与最小间隙之差(mm);R为曲线顶管的设计曲率半径(mm)。
顶管施工验收要求
一、所用管材必须满足如下基本要求:
(1)能够抵抗管道内外的侵蚀。
(2)能够承受一定的静、动荷载。
(3)能够承受管道内外部的压力。
(4)具有良好的过流性能。
(5)较低的成本。
二、除了满足管材的基本要求之外,顶管施工的管材还应符合以下要求:
(1)较高的轴向承载能力。
(2)紧密的配合尺寸。
(3)端部要乎整、垂直。
(4)管道长度方向上应保证平直度。
(5)防水接头应设置在管道壁内,不允许突出于管道的内外壁。
(6)管道接头应具有传递轴向载荷的能力,同时在发生一定角度的偏斜时应仍具有防水能力。
(7)管道长度通常以2.0~3.0m为宜,有时也采用1.0~1.25m较短的管节。
三、一般情况顶管施工的最大允许偏差(mm)
注:D为管道内径(mm)。
四、纠偏时应符合下列规定:
(1)应在顶进中纠偏。
(2)应采用小角度逐渐纠偏。
(3)纠正顶管掘进机旋转时,宜采用挖土方法进行调整或采用改变切削刀盘的转动方
向,或在管内相对于机头旋转的反向增加配重。
五、长距离顶管施工中,降低顶进阻力最有效的方法是进行注浆。
使管周外壁形成泥浆润滑套,从而降低了顶进时的摩阻力。
在铁道下面进行顶管施工,当在超挖空间进行注浆支护时,对于管径>DN/ID 1000的软土地层,其超挖量的允许值应<10mm;如果不进行注浆作业,超挖量不应大于5mm。
六、顶进施工结束后,顶进管道应满足如下要求:
1、顶进管道不偏移,管节不错口,管道内应线形平顺、无突变、变形现象;一般缺陷部位,应修补密实、表面光洁;管道无明显渗水和水珠现象。
2、管道接口套环应对正管缝与管端外周,管端垫板粘接牢固、不脱落。
3、管道接头密封良好,橡胶密封圈安放位置正确。
需要时应按要求进行管道管道密封检验;
4、管节无裂纹、不渗水,管道内部不得有泥土、建筑垃圾等杂物。
5、顶管结束后,管节接口的内侧间隙应按设计规定处理;设计无规定时,可采用石棉
6、水泥、弹性密封膏或水泥砂浆密封,填塞物应抹平,不得突入管内。
7、钢筋混凝土管道的接口应填料饱满、密实,且与管节接口内侧表面齐平,接口套环对正管缝、贴紧,不脱落。
8、安全撤离现场,恢复施工现场的本来面目,做到不留隐患,对环境没有破坏
和污染。
七、顶进结束后,应对泥浆套的浆液进行置换。
置换浆液一般可采用水泥砂浆掺合适量的粉煤灰。
待压浆体凝结后(一般在24小时以上)方可拆除注浆管路,并换上闷盖将注浆孔封堵。
八、工程竣工后,应编写竣工报告,认真完成资料的移交和存档。