冲压件毛刺检验指导书
- 格式:doc
- 大小:117.00 KB
- 文档页数:7
冲压件检验指导书(二)引言概述:冲压件作为一种常见的金属零件,在工业生产中扮演着重要角色。
为了确保冲压件的质量和性能符合要求,进行全面准确的检验是关键步骤。
本文档为冲压件检验指导书(二),将围绕冲压件的尺寸、外观、材质、硬度和表面处理等方面,介绍相关的检验要点和操作方法,以提供检验人员的参考。
正文:一、冲压件尺寸的检验1. 准备好冲压件的设计图纸和相关测量工具2. 采用适当的测量方法,如千分尺、卡尺等,对冲压件的长度、宽度、厚度等进行测量3. 检查冲压件的尺寸是否符合设计要求,并记录测量结果4. 对于存在不合格的情况,及时进行标记和记录,以便进一步处理5. 定期进行尺寸检验,确保冲压件的尺寸稳定性和一致性。
二、冲压件外观的检验1. 观察冲压件的表面是否存在划伤、凹陷、氧化和颜色不一致等缺陷2. 使用放大镜等工具对冲压件的微观结构进行观察,并记录所发现的问题3. 检查冲压件的焊缝是否牢固,有无裂纹和气泡等缺陷4. 对于外观不合格的冲压件,及时进行分类处理,避免出现混淆和错误使用的情况5. 定期进行外观检验,防止冲压件因外界因素损坏而影响其使用性能。
三、冲压件材质的检验1. 根据冲压件的设计要求,准备对应的材质检验工具和设备2. 通过化学分析或光谱分析等方法,对冲压件的材质成分进行检验和确认3. 检查冲压件的密度和硬度是否符合标准要求,并记录测试结果4. 对于材质未达到要求的冲压件,进行追溯调查和替换处理,以确保产品质量和安全性5. 定期进行材质检验,防止恶意替换或使用劣质材料导致的问题。
四、冲压件硬度的检验1. 根据冲压件的硬度要求,选择适当的硬度测量方法和仪器2. 对冲压件的不同位置进行硬度检测,并记录测试数据3. 检查冲压件的硬度是否均匀、稳定,符合设计要求4. 异常硬度的冲压件,需进行追踪分析,找出原因并进行处理5. 定期进行硬度检验,防止冲压件因材料变质或加工工艺问题导致硬度不符合要求。
五、冲压件表面处理的检验1. 对冲压件的表面处理工艺进行了解和研究,了解其要求和方法2. 观察冲压件表面处理是否平整光滑,达到要求的光洁度和平整度3. 检查冲压件的防锈涂层和涂装层是否均匀、牢固,不易脱落或剥落4. 对于出现表面处理缺陷的冲压件,进行清洗、修复或替换处理5. 定期进行表面处理的检验,确保冲压件的外观美观和防腐性能。
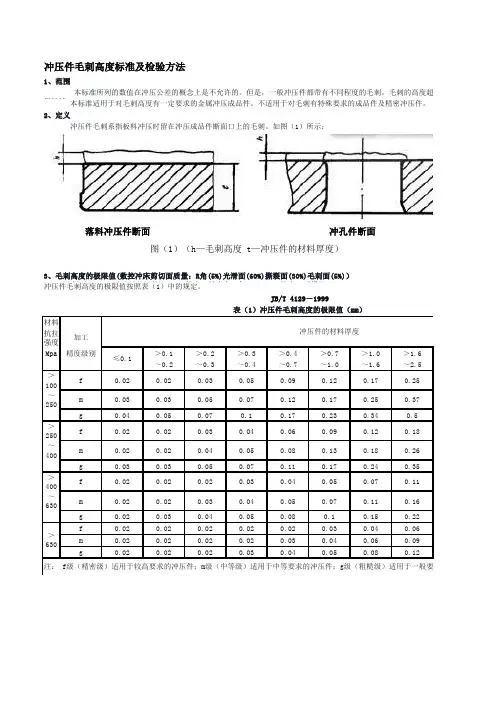
材料抗拉强度加工Mpa 精度级别>0.1>0.2>0.3>0.4>0.7>1.0>1.6~0.2~0.3~0.4~0.7~1.0~1.6~2.5>100f 0.020.020.030.050.090.120.170.25~250m 0.030.030.050.070.120.170.250.37g 0.040.050.070.10.170.230.340.5>250f 0.020.020.030.040.060.090.120.18~400m 0.020.020.040.050.080.130.180.26g 0.030.030.050.070.110.170.240.35>400f 0.020.020.020.030.040.050.070.11~630m 0.020.020.030.040.050.070.110.16g0.020.030.040.050.080.10.150.22f 0.020.020.020.020.020.030.040.06m 0.020.020.020.020.030.040.060.09g0.020.020.020.030.040.050.080.12Q235A抗拉强度MPa :432~461MP a本标准适用于对毛刺高度有一定要求的金属冲压成品件。
不适用于对毛刺有特殊要求的成品件及精密冲压件。
2、定义冲压件毛刺高度标准及检验方法1、范围本标准所列的数值在冲压公差的概念上是不允许的。
但是,一般冲压件都带有不同程度的毛刺。
毛刺的高度超过用性能。
冲压件毛刺系指板料冲压时留在冲压成品件断面口上的毛刺。
如图(1)所示:落料冲压件断面冲孔件断面图(1)(h—毛刺高度 t—冲压件的材料厚度)3、毛刺高度的极限值(数控冲床剪切面质量:R角(5%)光滑面(60%)撕裂面(30%)毛刺面(5%))(30%)毛刺面(5%),可切板厚最厚达4MM.。
特点:精度高,加工灵活.。
缺点:受模具限冲压件毛刺高度的极限值按照表(1)中的规定。
引言概述:冲压件是一种常见的金属加工零部件,广泛应用于汽车、家电、机械等领域。
为了确保冲压件的质量,提高生产效率和产品可靠性,进行冲压件检验工作是至关重要的。
本文是冲压件检验作业指导书的第二部分,旨在提供详细的工作指导,帮助检验员正确执行冲压件检验任务。
正文内容:一、检验前准备1.准备检验设备和工具:包括显微镜、测量工具(卡尺、千分尺、测微计等)、外观检验工具(手电筒、放大镜等)等。
2.准备冲压件技术标准和图纸:检验员需要熟悉冲压件的技术标准和图纸,了解要求的尺寸、外观等要求。
3.准备检验记录表格:根据实际需求,准备相关的检验记录表格,方便记录检验结果。
二、尺寸检验1.测量尺寸:使用合适的测量工具,按照冲压件的技术标准和图纸上的要求,测量冲压件的各个尺寸。
2.校验测量工具:定期校验测量工具,确保其准确性。
校验工具时,可以使用已知尺寸的标准样品进行比对,校验结果应在允许范围内。
3.记录尺寸:将测量结果记录在检验记录表格中,及时发现异常尺寸并进行记录。
三、外观检验1.观察表面缺陷:使用手电筒、放大镜等工具,仔细观察冲压件表面是否存在破损、划痕、氧化等缺陷。
2.检测涂层质量:如冲压件表面有涂层,利用视觉和手感,观察涂层是否均匀、无起皱、无脱落等。
3.检查装配性能:如冲压件需要用于装配,可以进行装配试验,检查冲压件的装配性能,确保其能够正常使用。
四、材料检验1.材料标识检查:检查冲压件上的材料标识是否清晰、准确,与技术要求一致。
2.化学成分分析:根据需要可以进行化学成分分析,以验证材料的成分符合要求。
3.硬度检验:使用硬度测量仪器,对冲压件进行硬度检验,确认其硬度符合技术要求。
五、其他检验1.物理性能检验:如冲压件需要承受一定的载荷或振动,可以进行物理性能检验,包括强度、刚性等。
2.功能性能检验:如冲压件需要具备特定的功能,可以进行功能性能检验,确保其能够满足产品要求。
3.环境适应性检验:对于要求耐腐蚀等特殊环境要求的冲压件,需要进行相应的环境适应性检验。
冲压件检验作业指导书(一)【引言概述】冲压件检验是在冲压件生产过程中必不可少的环节,其目的是确保产品的质量和一致性。
本作业指导书旨在指导操作人员进行冲压件检验工作,提供明确的操作流程和注意事项,以确保检验结果的准确性和可靠性。
【正文内容】一、检查冲压件外观1. 检查表面是否有明显的缺陷,如划痕、凸起、凹陷等。
2. 检查冲压件的尺寸是否符合图纸要求。
3. 检查冲压件的颜色、涂层等是否符合规定标准。
4. 检查冲压件的边缘是否整齐光滑,无毛刺、露铜等问题。
5. 检查冲压件的标志和标签是否清晰可辨认。
二、检测冲压件材料性能1. 使用金相显微镜检查冲压件的金相组织结构。
2. 进行硬度测试,确保冲压件的硬度符合标准要求。
3. 进行拉伸试验,检测冲压件的拉伸强度和延伸率。
4. 进行冲击试验,评估冲压件的抗冲击性能。
5. 进行化学成分分析,确保冲压件材料的成分符合标准要求。
三、检验冲压件的功能性能1. 进行装配试验,测试冲压件与其他零件的配合情况。
2. 进行泄漏测试,确保冲压件的密封性。
3. 进行开关试验,检验冲压件的开关性能和可靠性。
4. 进行负荷试验,评估冲压件的承载能力。
5. 进行振动测试,检测冲压件的耐振性能。
四、检验冲压件的可靠性1. 进行寿命试验,评估冲压件的使用寿命。
2. 进行可靠性验证,确保冲压件在规定的时间内正常工作。
3. 进行环境适应性测试,检查冲压件在不同环境条件下的工作稳定性。
4. 进行电磁兼容性测试,确保冲压件在电磁干扰下的正常工作。
5. 进行强度耐久性测试,评估冲压件在重复负荷下的耐久性能。
五、记录和处理检验结果1. 在检验过程中,及时记录冲压件的检验结果和相关数据。
2. 对于不合格的冲压件,及时进行标识和隔离,并记录不合格原因。
3. 对于合格的冲压件,进行标识和追溯,确保其质量可追溯。
4. 对于异常情况和重要的检验结果,及时向相关部门报告和处理。
5. 定期回顾和评估检验结果,以改进和优化冲压件生产和检验流程。
冲压件检验指导书冲压件检验指导书1、引言1.1 目的本文档旨在提供冲压件检验的指导,以确保冲压件的质量符合要求,并满足相关法律法规的要求。
1.2 适用范围本指导书适用于所有冲压件的检验工作。
2、规范和标准2.1 相关规范列出适用的相关规范,如GB、ISO等。
2.2 术语和定义解释相关术语的定义,以确保各方对术语的理解一致。
2.3 检验设备和工具描述使用的检验设备和工具,包括测量工具、检验设备等。
3、检验流程3.1 检验准备3.1.1 准备检验样品从生产线中抽取代表性样品,确保样品的数量符合要求。
3.1.2 样品标识对每个样品进行标识,包括批次号、生产日期等关键信息。
3.1.3 检验记录准备相关的检验记录表格,包括样品信息、检验项目及结果等。
3.2 外观检验3.2.1 表面平整度检验通过目视检查或使用测量仪器检测表面平整度,确保冲压件的表面平整度符合规范要求。
3.2.2 表面缺陷检验检查冲压件的外表面是否存在凹凸、划伤、氧化等缺陷,记录缺陷的位置和程度。
3.2.3 涂层检验检查冲压件的涂层质量,包括涂层厚度、均匀性、附着力等指标。
3.3 尺寸检验3.3.1 尺寸测量使用适当的测量工具测量冲压件的尺寸,包括长度、宽度、高度等关键尺寸。
3.3.2 公差检验将测量结果与规定的公差进行比较,确定冲压件的尺寸是否在允许范围内。
4、检验结果和记录4.1 检验结果判定根据检验结果和规范要求判定每个样品的合格与否。
4.2 检验记录将检验结果记录在相应的检验记录表格中,包括样品编号、检验项目、结果等。
5、相关附件本文档涉及以下附件:- 冲压件样品照片- 检验记录表格6、法律名词及注释6.1 法律名词1:注释1:的解释和相关要求。
6.2 法律名词2:注释2:的解释和相关要求。
7、结束语本文档提供了一套详细的冲压件检验指导,确保冲压件的质量符合要求,并遵守相关法律法规。
篇一:车辆冲压件检验作业指导书车辆冲压件检验作业指导书1 主题内容和适用范围本规范规定了冲焊件的抽检规定、检验方法和技术要求。
2 定义冲焊件:冲压件(含机械加工零件)和焊接件3 抽样3.1抽样对象定型产品、经各定点供应商质量部门检验合格并出具合格证和检测成绩表的产品。
3.2抽样方式3.3 质量接受准则:零缺陷,即:ac=0,re=1;3.4抽检地点生产厂家或我公司认可的成品库.3.5抽检说明需破坏才能检验的项目,同批次产品中随机抽检一件进行检验.4 检验方法和技术要求4.1对于法规件和/或形成整车关键质量特性的产品,供应商必须按国家/东渝司的要求提供国家指定检测机构出具的检测报告以证明其供货产品的符合性,当年的型式试验报告可代替年度确认检验报告。
4.2 零部件的包装、标志、标识必须符合技术协议或相关文件的要求,且标识规范、清晰.4.3 须随货附质量证明,其中合格证应有产品名称、图号、批次、数量,检验员签章、材质报告(必要时)、产品检查成绩表等。
4.4 外板件:左/右侧围外蒙皮、左/右前门外蒙皮、左/右中门外蒙皮、背门外蒙皮、前罩外板、左/右a立柱外蒙皮、左/右翼子板、顶盖、加油口盖板。
4.4.1 外观4.4.1.1 表面应平整光滑,装饰棱线清晰,左右对称及过度均匀,不允许有裂纹、碰伤、划伤、拉伤、滑移线、油痕、褶皱、凸凹痕、磨痕粗糙等,必要时可用油石打磨加以鉴别。
4.4.1.2表面不能有锈蚀或其他的污物;4.4.1.3 不允许有多料和少料现象(与样件和数模比较)。
4.4.1.4表面不能有氧化皮/磷化膜;4.4.1.5表面不能有浓厚的油脂,如拉延油等,但允许有一层薄而稀的防锈油;4.4.1.6表面不能有油漆;4.4.2 尺寸和精度等级4.4.2.14.4.2.2冲压件和成型件公差为st7,定位孔孔径公差为+0.15,定位孔孔距公差为±0.2,安装孔孔径公差为﹢0.3,安装孔孔距公差为±0.5。
本文部分内容来自网络整理,本司不为其真实性负责,如有异议或侵权请及时联系,本司将立即删除!== 本文为word格式,下载后可方便编辑和修改! ==冲压件检验指导书篇一:车辆冲压件检验作业指导书车辆冲压件检验作业指导书1 主题内容和适用范围本规范规定了冲焊件的抽检规定、检验方法和技术要求。
2 定义冲焊件:冲压件(含机械加工零件)和焊接件3 抽样3.1抽样对象定型产品、经各定点供应商质量部门检验合格并出具合格证和检测成绩表的产品。
3.2抽样方式3.3 质量接受准则:零缺陷,即:Ac=0,Re=1;3.4抽检地点生产厂家或我公司认可的成品库.3.5抽检说明需破坏才能检验的项目,同批次产品中随机抽检一件进行检验.4 检验方法和技术要求4.1对于法规件和/或形成整车关键质量特性的产品,供应商必须按国家/东渝司的要求提供国家指定检测机构出具的检测报告以证明其供货产品的符合性,当年的型式试验报告可代替年度确认检验报告。
4.2 零部件的包装、标志、标识必须符合技术协议或相关文件的要求,且标识规范、清晰.4.3 须随货附质量证明,其中合格证应有产品名称、图号、批次、数量,检验员签章、材质报告(必要时)、产品检查成绩表等。
4.4 外板件:左/右侧围外蒙皮、左/右前门外蒙皮、左/右中门外蒙皮、背门外蒙皮、前罩外板、左/右A立柱外蒙皮、左/右翼子板、顶盖、加油口盖板。
4.4.1 外观4.4.1.1 表面应平整光滑,装饰棱线清晰,左右对称及过度均匀,不允许有裂纹、碰伤、划伤、拉伤、滑移线、油痕、褶皱、凸凹痕、磨痕粗糙等,必要时可用油石打磨加以鉴别。
4.4.1.2表面不能有锈蚀或其他的污物;4.4.1.3 不允许有多料和少料现象(与样件和数模比较)。
4.4.1.4表面不能有氧化皮/磷化膜;4.4.1.5表面不能有浓厚的油脂,如拉延油等,但允许有一层薄而稀的防锈油;4.4.1.6表面不能有油漆;4.4.2 尺寸和精度等级4.4.2.14.4.2.2冲压件和成型件公差为ST7,定位孔孔径公差为+0.15,定位孔孔距公差为±0.2,安装孔孔径公差为﹢0.3,安装孔孔距公差为±0.5。
冲压件检验指导书引言:冲压件是一种重要的工程零部件,广泛应用于汽车、航空航天、电子设备等行业。
为了确保冲压件的质量和稳定性,对冲压件进行检验是十分必要的。
本文档旨在提供一份详尽的冲压件检验指导书,以帮助检验人员进行正确的冲压件检验流程。
一、检验前的准备工作1. 确定冲压件的检验标准:根据客户要求及相关规范,明确冲压件的检验标准和检验项目,如尺寸、外观、材质等。
2. 准备必要的检验设备:包括千分尺、卡尺、显微镜、硬度计等。
确保这些设备在检验前已经校准并处于良好状态。
3. 准备检验记录表:准备相关的检验记录表,用于记录每个冲压件的检验结果,确保数据的准确性和追溯性。
二、冲压件尺寸检验冲压件的尺寸是决定其可用性的重要参数。
在尺寸检验中,需要使用千分尺、卡尺等工具,按照设计图纸和客户要求进行检验。
具体步骤如下:1. 按照设计图纸确定冲压件的关键尺寸,并记录在检验记录表中。
2. 使用千分尺或卡尺测量冲压件的各个尺寸,确保测量结果的准确性。
3. 对比测量结果与设计要求的尺寸,判断冲压件是否合格。
如有超出范围的情况,需及时记录并进行分析处理。
三、冲压件外观检验冲压件的外观质量对于其使用效果和美观度有着直接影响。
在外观检验中,需要使用显微镜和裸眼观察等方法进行检验。
具体步骤如下:1. 仔细检查冲压件的表面是否有划痕、凹陷、氧化等缺陷,记录在检验记录表中。
2. 使用显微镜观察冲压件的微观结构,查看是否存在裂纹、伤痕等质量问题。
3. 确保冲压件外观符合设计要求和客户要求,对于存在缺陷的冲压件,进行记录并进行追踪及处理。
四、冲压件材质检验冲压件的材质直接影响其力学性能和耐久性。
材质检验可以通过硬度计等工具进行。
具体步骤如下:1. 确定冲压件的材质及可接受的硬度范围,并记录在检验记录表中。
2. 使用硬度计对冲压件进行硬度测试,确保测试结果的准确性。
3. 比对测试结果与可接受的硬度范围,判断冲压件的材质是否符合要求。
对于不合格的情况,需要进行记录并进行原因分析及处理。
篇一:车辆冲压件检验作业指导书车辆冲压件检验作业指导书1 主题内容和适用范围本规范规定了冲焊件的抽检规定、检验方法和技术要求。
2 定义冲焊件:冲压件(含机械加工零件)和焊接件3 抽样3.1抽样对象定型产品、经各定点供应商质量部门检验合格并出具合格证和检测成绩表的产品。
3.2抽样方式3.3 质量接受准则:零缺陷,即:ac=0,re=1;3.4抽检地点生产厂家或我公司认可的成品库.3.5抽检说明需破坏才能检验的项目,同批次产品中随机抽检一件进行检验.4 检验方法和技术要求4.1对于法规件和/或形成整车关键质量特性的产品,供应商必须按国家/东渝司的要求提供国家指定检测机构出具的检测报告以证明其供货产品的符合性,当年的型式试验报告可代替年度确认检验报告。
4.2 零部件的包装、标志、标识必须符合技术协议或相关文件的要求,且标识规范、清晰.4.3 须随货附质量证明,其中合格证应有产品名称、图号、批次、数量,检验员签章、材质报告(必要时)、产品检查成绩表等。
4.4 外板件:左/右侧围外蒙皮、左/右前门外蒙皮、左/右中门外蒙皮、背门外蒙皮、前罩外板、左/右a立柱外蒙皮、左/右翼子板、顶盖、加油口盖板。
4.4.1 外观4.4.1.1 表面应平整光滑,装饰棱线清晰,左右对称及过度均匀,不允许有裂纹、碰伤、划伤、拉伤、滑移线、油痕、褶皱、凸凹痕、磨痕粗糙等,必要时可用油石打磨加以鉴别。
4.4.1.2表面不能有锈蚀或其他的污物;4.4.1.3 不允许有多料和少料现象(与样件和数模比较)。
4.4.1.4表面不能有氧化皮/磷化膜;4.4.1.5表面不能有浓厚的油脂,如拉延油等,但允许有一层薄而稀的防锈油;4.4.1.6表面不能有油漆;4.4.2 尺寸和精度等级4.4.2.14.4.2.2冲压件和成型件公差为st7,定位孔孔径公差为+0.15,定位孔孔距公差为±0.2,安装孔孔径公差为﹢0.3,安装孔孔距公差为±0.5。
冲压件毛刺高度检验方法
1.目的
为使公司产品毛刺检验制度化、规范化,特制定本规定。
2.适用范围
公司内的所有冲压产品的毛刺测量。
3.定义
冲压件毛刺指板料冲压时留在冲压成品件断面口上的毛刺。
如图(1):
落料冲压件断面冲孔件断面图(1)(h—毛刺高度t—冲压件的材料厚度)
4.检测方法
4.1检测位置:检测时应检测毛刺的高度峰值。
峰值位置的确定采用目视+手摸来确定,产品外形的四个边要保证每个边至少测量一处,取最高测量值。
4.2检测方法:把千分尺放在毛刺测量点测量H,测量时力量不要过大,以免把面毛刺压倒,毛刺高度h=总厚度H-材料厚度t。
编制:审核:批准:。
冲压件检验作业指导书一、背景介绍冲压件是指利用冲压设备对金属板材进行冲压成型的零部件,广泛应用于汽车、电子、家电等领域。
为了保证冲压件的质量和性能符合要求,需要进行严格的检验。
本作业指导书将介绍冲压件检验的相关要点和标准,以便操作人员能够正确、高效地进行检验工作。
二、检验过程1. 检查外观首先对冲压件的外观进行检查。
注意检查零件表面是否有划痕、变形、生锈等缺陷,以及是否有遗漏冲压孔、裂纹等质量问题。
根据相关标准对外观缺陷进行分类和评估,并记录检查结果。
2. 尺寸测量对冲压件的尺寸进行测量,包括长度、厚度、宽度等尺寸参数。
使用适当的测量工具,如千分尺、卡尺等,保证测量的准确性。
根据图纸和产品规范,对尺寸参数进行评估,并记录测量结果。
3. 强度测试某些冲压件需要进行强度测试,以确保其承受特定负荷时不会发生破裂或变形。
根据产品规范,使用适当的测试设备,如拉力试验机、压力机等,对冲压件进行相应的强度测试,并记录测试结果。
4. 表面处理检查冲压件的表面处理对其防腐蚀、美观度等具有重要影响。
在检验过程中,需要检查冲压件的表面处理是否符合要求。
例如,对于喷塑涂层,可以通过检查涂层的平整度、附着力、颜色等进行评估。
5. 性能测试根据冲压件的特性和用途,进行相应的性能测试。
例如,对于汽车行业的冲压件,可能需要进行密封性测试、抗震性测试等。
根据产品规范,使用适当的测试设备进行测试,并记录测试结果。
三、检验标准冲压件的检验标准根据产品的要求和行业标准确定。
在进行检验工作时,必须熟悉并遵守相应的标准。
根据不同的冲压件,一般会涉及外观标准、尺寸标准、强度标准、表面处理标准、性能标准等。
四、记录与汇报在进行冲压件的检验过程中,需要及时、准确地记录测试结果。
选择适当的记录表格,将检验所得的数据和结果填写进去,并签字确认。
此外,如果发现任何问题或异常情况,应及时向相关主管报告,并采取相应的措施。
五、安全事项在进行冲压件检验的过程中,必须遵守安全操作规程,确保人员和设备的安全。
冲压件毛刺高度标准及检测方法
范围
一般冲压件都带有不同程度的毛刺。
毛刺的高度超过一定限度,将影响产品的质量和使用性能。
本标准适用于对毛刺高度有一定要求的金属冲压成品件。
定义
冲压件毛刺指板料冲压时留在冲压成品件断面口上的毛刺。
基准孔指图纸指定或工艺过程生产或检测所使用的基准孔。
装配孔指有重要搭接件装配需使用孔。
一般孔指产品过孔、减重孔、螺栓孔、螺母孔等。
重要搭接边线指与其他件有搭接关系且毛刺方向或有毛刺会影响加工的边线
一般边线指毛刺方向或有毛刺不会影响后续工序的边线
冲压件毛刺高度分类百分比
单位:毫米
分类冲压件毛刺高度与材料厚度的百分
比
备注
基准孔15%
装配孔20%
一般孔30%
重要搭接边线20%
一般边线30%
冲压件毛刺高度说明:如有客户特殊要求按客户特殊要求执行
检测
冲压件毛刺高度应在常温常压下检测。
使用千分尺、高度尺等检测工具进行检测。
编制:审核:批准:。
去毛刺作业指导书(一)引言概述:去毛刺是一项重要的作业,它能够消除产品表面的毛刺,提高产品的质量和外观。
本文将介绍去毛刺作业的指导步骤和注意事项,帮助操作人员正确进行去毛刺作业,并确保成品的优质。
正文内容:1. 准备工作- 检查毛刺区域:仔细检查产品表面的毛刺,确保标记清晰。
- 准备工具和材料:准备去毛刺所需的工具和材料,如砂纸、砂轮、研磨机等。
- 安全措施:佩戴个人防护装备,如手套、护目镜和口罩,确保操作人员的安全。
2. 毛刺去除步骤- 粗磨:使用砂轮或砂纸对毛刺部位进行粗磨,将明显突出的毛刺磨平。
- 细磨:使用细砂纸或研磨机对粗磨后的部位进行细磨,使表面更加光滑。
- 对比检查:磨磨细磨后,用手轻轻触摸表面,与其他无毛刺区域进行对比,检查是否还有残留毛刺。
- 重新处理:如发现残留毛刺,重复进行粗磨和细磨的步骤,直至完全去除毛刺。
- 清洁表面:用清洁布或刷子清洁表面,确保去除磨剂和杂质。
3. 注意事项- 定期检查工具磨损情况:及时更换磨损严重的砂纸、砂轮等工具,以保证去毛刺效果。
- 控制磨削力度:不可用过大的力度进行磨削,以免损坏产品表面。
- 注意磨削位置:确保只磨削毛刺区域,避免磨损其他无毛刺的表面。
- 避免过度磨削:在去毛刺过程中,适时停止磨削,以免磨损产品。
- 清理作业区域:进行去毛刺作业后,及时清理作业区域,防止残留的研磨粉末造成二次污染。
4. 产品质量检验- 视觉检查:对去毛刺后的产品进行视觉检查,确保表面光滑无毛刺。
- 用手触摸检查:用手轻轻触摸产品表面,检查是否仍有毛刺残留。
- 用量规检测:使用量规对产品尺寸进行检测,确保去毛刺过程中未造成尺寸变化。
5. 总结去毛刺作业是一项重要的工艺,通过准备工作、正确的磨削步骤和注意事项的遵守,能够有效地去除产品表面的毛刺。
正确进行去毛刺作业,不仅能提高产品质量,还能提升产品外观。
操作人员在进行去毛刺作业时,务必遵守安全规定,并定期检查工具的磨损情况。
冲压件毛刺检验指导书
1.0 目的
本指导书旨在定义冲压件毛刺高度的可接受范围,验收标准以及去刺方法,从而达到提高冲压件的报表面质量
2.0 范围
适用于公司的所有冲压件
3.0 责任
工程部负责本指导书的维护与更新工作
质量部依据本指导书对冲压件(含去刺返工返修件)的毛刺进行验收
生产部依据本指导书对需去刺的冲压件进行去刺工作
4.0 程序
4.1 本指导书所列的数值在冲压公差的概验上是允许的,但是一般的冲压件都有不同程度的毛刺,毛刺的高度超过一定的范围将影响产品的质量。
本指导书限于对于毛刺高度有一定要求的钢质冲压件,不适用于对毛刺有特殊要求的成品件、精冲件以及客户特别要求的产品。
4.2 定义冲压件毛刺,是指板料经冲压加工(冲裁等)留在板料断面上的毛刺
4.3 一般冲压件允许毛刺高度(mm)
板料厚度生产时允许毛刺高度试模时允许毛刺高度
≤0.3 ≤0.05 ≤0.015
〉0.3~0.5 ≤0.08 ≤0.02
〉0.5~1.0 ≤0.10 ≤0.03
〉1.0~1.5 ≤0.13 ≤0.04
〉1.5~2.0 ≤0.15 ≤0.05
〉2.0~3.0 ≤0.2 ≤0.06
对于料厚大于3mm的毛刺一般不超过料厚的1/10。
1.1毛刺的检验方法
1.目测:对比标准样件
2.手接触检查:用拇指轻轻押,沿着板厚移动,不刮手。
或带上棉手套触摸,不刮住手
套棉纱
3.指甲检查:在指定的位置,以”卡”着指甲的状态进行判定.
确认位置以各表面进行.不可”卡”着指甲
4.过纸检查:在指定的位置,以A4纸作R部,约45o倾斜,以前端部”卡”着状态移
动,进行判定..前端不可”卡”着
F
5.卡尺测量(毛刺较大),
4.5毛刺的清除
1、对于小毛刺可以先用锉刀或刮刀修锉,然后用砂纸进行精砂;对于较大毛刺先采用旋转
研磨机去除毛刺,然后用抛光轮抛光但注意造成零件的变形量,更不能伤到产品
其它表面。
注意在使工具手工去刺时,工具防向要与毛刺方向成一定的倾角。
2、喷砂。