机动车尾气排放检测外观检车记录单
- 格式:doc
- 大小:25.50 KB
- 文档页数:1
车辆检查记录一、任务背景车辆检查记录是指对车辆进行定期或者不定期的检查和维护,以确保车辆的安全性和正常运行。
通过记录车辆检查情况,可以及时发现并解决潜在的问题,提高车辆的使用寿命和行驶安全性。
二、任务目的本文旨在详细描述车辆检查记录的标准格式,以便车辆管理人员能够准确记录和管理车辆的检查情况。
三、车辆检查记录标准格式车辆检查记录应包括以下内容:1. 车辆信息- 车牌号码:粤A12345- 车辆型号:XXXXX- 车辆品牌:XXXXX- 车辆颜色:XXXXX- 车辆使用年限:X年2. 检查时间和地点- 检查日期:20XX年XX月XX日- 检查地点:XXXXX3. 检查项目- 发动机检查:- 引擎油液位:正常- 散热器冷却液:正常- 空气滤清器:清洁- 燃油滤清器:更换日期:20XX年XX月XX日 - 点火系统:正常- 刹车系统检查:- 刹车片磨损情况:正常- 刹车液液位:正常- 刹车盘磨损情况:正常- 轮胎检查:- 胎压:前轮X.XX,后轮X.XX- 轮胎磨损情况:正常- 灯光检查:- 大灯:正常- 刹车灯:正常- 转向灯:正常- 示廓灯:正常- 车身外观检查:- 车身漆面:正常- 玻璃:正常- 雨刮器:正常- 车牌:完好- 内部设备检查:- 安全带:正常- 空调系统:正常- 收音机:正常- 仪表盘:正常4. 检查结果- 检查结果:正常/异常- 异常情况描述:XXXXX5. 检查人员- 检查人员姓名:XXX- 检查人员工号:XXXX6. 备注- 其他需要补充的信息可在此处填写。
四、示例车辆信息:- 车牌号码:粤A12345- 车辆型号:XXXXX- 车辆品牌:XXXXX- 车辆颜色:XXXXX- 车辆使用年限:X年检查时间和地点:- 检查日期:20XX年XX月XX日- 检查地点:XXXXX检查项目:- 发动机检查:- 引擎油液位:正常- 散热器冷却液:正常- 空气滤清器:清洁- 燃油滤清器:更换日期:20XX年XX月XX日 - 点火系统:正常- 刹车系统检查:- 刹车片磨损情况:正常- 刹车液液位:正常- 刹车盘磨损情况:正常- 轮胎检查:- 胎压:前轮2.3,后轮2.4 - 轮胎磨损情况:正常- 灯光检查:- 大灯:正常- 刹车灯:正常- 转向灯:正常- 示廓灯:正常- 车身外观检查:- 车身漆面:正常- 玻璃:正常- 雨刮器:正常- 车牌:完好- 内部设备检查:- 安全带:正常- 空调系统:正常- 收音机:正常- 仪表盘:正常检查结果:- 检查结果:正常- 异常情况描述:无检查人员:- 检查人员姓名:XXX- 检查人员工号:XXXX备注:- 无五、总结车辆检查记录是车辆管理中重要的一环,通过详细记录车辆的检查情况,可以及时发现并解决潜在的问题,确保车辆的安全性和正常运行。
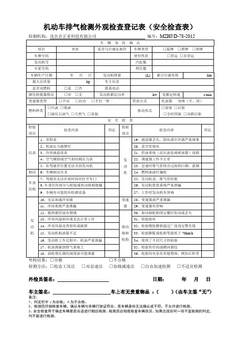
机动车环保(尾气检测)外观单
车辆类型:
里程表读数:
km车辆出厂日期:
年月日检测日期:
年月日检验内容判定检验内容判定
1、车辆号牌
16、车载OBD
2、车辆类型、品牌/型号
17、进气方式(增压)
3、车身颜色
18、三元催化
4、VIN(整车出厂编号)
19、驱动形式
5、发动机号码
20、起动
6、主要特征及技术参数
21、加速踏板控制
7、发动机各系统机件
22、关电熄火/ 柴油车停机装置
8、电器导线、各种管路
23、漏水、油、气
9、发动机水温
24、轮胎型号/规格/速度级别
10、机油压力
25、胎冠花纹深度、胎面
11、驾驶室各仪表指示
26、轮胎螺栓、半轴螺栓
12、发动机怠速
27、轮胎气压
13、车辆机械状况
28、进、排气管及消声器
14、燃料种类
29、驻车制动
15、供油系统形式
30、空调、暖风检验方式不合格项检测员签字车辆外观检测本车适用自由加速检测□ 加载减速工况法检测测□双怠速检测□ 简易瞬态工况法检测□备注。
车辆检查记录一、任务背景车辆检查记录是指对车辆进行定期检查和维护的过程中所产生的记录。
通过车辆检查记录,可以及时发现车辆存在的问题,采取相应的措施进行修复,确保车辆的安全性和正常运行。
二、任务目的编写车辆检查记录的标准格式,旨在规范车辆检查记录的内容和形式,提高车辆检查记录的可读性和可操作性,方便车辆管理人员对车辆的维护和管理。
三、任务内容车辆检查记录的标准格式应包括以下几个方面的内容:1. 车辆基本信息- 车牌号码:例如,粤B12345- 车辆品牌:例如,奥迪- 车辆型号:例如,A6- 车辆颜色:例如,黑色- 车辆所属部门:例如,销售部2. 检查时间和地点- 检查日期:例如,2022年10月10日- 检查地点:例如,公司停车场3. 检查项目- 发动机检查:例如,检查发动机油量、冷却液、皮带等- 车身外观检查:例如,检查车身是否有划痕、凹陷等- 轮胎检查:例如,检查轮胎胎压、磨损情况等- 刹车系统检查:例如,检查刹车片磨损情况、刹车液量等- 灯光系统检查:例如,检查大灯、示宽灯、刹车灯等- 电气系统检查:例如,检查电瓶电量、蓄电池等- 车内设备检查:例如,检查空调、音响、导航等4. 检查结果- 各项检查项目的具体情况和结果记录- 如有问题,需详细描述问题的性质和程度- 如有需要修复的问题,需记录修复措施和时间安排5. 检查人员- 检查人员的姓名和职务- 如有需要,可以记录多个检查人员的信息6. 备注- 其他与车辆检查相关的信息和备注四、任务完成标准完成车辆检查记录标准格式的编写后,应满足以下要求:1. 信息完整:车辆基本信息、检查时间和地点、检查项目、检查结果、检查人员等各项信息应完整记录。
2. 清晰明了:各项信息应以清晰明了的方式呈现,便于阅读和理解。
3. 规范统一:各项信息的格式、字号、排版等应统一规范,保持一致性。
4. 详实准确:检查结果应详实准确地记录,描述问题的性质和程度,记录修复措施和时间安排。
XX机动车检测公司记录表格汇总CJ/JL-2018第三版编写:XX机动车检测公司审核:批准:控制状态:2018年12月1日发布2019年1月1日XX机动车检测公司发布检测公正性检查记录表CJ/JL01-2018XX机动车检测公司保护机密信息和所有权工作检查记录表CJ/JL02—2018备注:记录表周期为三个月一次。
年度人员培训计划表CJ/JL03—2018- 5 -编制: 日期: 批准:日期:- 6 -人员培训考核记录表CJ/JL04-2018- 7 -XX机动车检测公司检测人员持证登记表CJ/JL05—2018- 8 -登记人:XX机动车检测公司- 9 -人员培训记录表CJ/JL06-2018- 10 -XX机动车检测公司质量监督调查表CJ/JL07—2018XX机动车检测公司内务管理检查表CJ/JL08—2018XX机动车检测公司仪器设备(标准物质)台帐CJ/JL09-2018- 15 -编制: 审核:日期:- 16 -仪器设备使用记录表CJ/JL10-2018 设备名称:设备编号:- 17 -XX机动车检测公司- 18 -仪器设备保养、维护记录表CJ/JL11-2018设备名称:设备编号:保养及维护周期:记录人:XX机动车检测公司仪器维护保养清单CJ/JL12—2018登记人: 批准:XX 设备日常点检表年月日CJ/JL13—2018- 23 -- 24 -标准物质使用记录标准物质名称:标准物质编号: CJ/JL14—2018- 25 -XX机动车检测公司- 26 -XX机动车检测公司温度湿度记录表年月CJ/JL15—2018仪器设备(标准物质)报废申报表CJ/JL16—2018XX机动车检测公司设备验收记录—----评价表CJ/JL17—2018XX机动车检测公司周期检定计划记录表CJ/JL18—2018- 33 -编制人:日期:审批人:日期:- 34 -仪器设备期间核查记录表CJ/JL19—2018XX机动车检测公司不符合记录表CJ/JL20-2018XX机动车检测公司计算机软件登记表CJ/JL21-2018XX机动车检测公司计算机内容变更申请表CJ/JL22-2018数据备份登记表CJ/JL23-2018XX机动车检测公司外来文件资料登记CJ/JL24-2018登记人:XX机动车检测公司体系文件更改审批表 CJ/JL25-2018XX机动车检测公司内部受控文件登记表 CJ/JL26-2018- 46 -- 47 -XX机动车检测公司文件借阅登记表CJ/JL28—2018- 48 -- 49 -XX机动车检测公司文件作废、销毁记录表CJ/JL29-2018。
机动车排气检测外观检查登记表(安全检查表)检测机构:茂名市正亚科技有限公司编号:MZHJ/D-78-2012车辆身份确认项目内容是否与行驶证相符车牌类型□蓝牌□黄牌□黑牌车牌号码使用性质□营运□非营运发动机号汽缸数车架号码档位数车辆生产日期年月日发动机排量(L) 累计行驶里程km 最大总质量kg 车主信息是否双燃料□是□否联系电话催化转换器情况□有□无发动机额定功率kw 发额定转速r/min 变速器类型□手动□自动□手自一体供油方式化油器电喷(开、闭)燃料种类□汽油□柴油□液化石油气□天然气□其他驱动形式□前驱□后驱□全时四驱□双桥后驱安全检查检验项目检查内容判定检验项目检查内容判定仪表1、里程表发动机19、滤清器丢失、损坏或中冷器严重堵塞2、机油压力报警灯20、真空管损坏3、冷却液温度表21、供油系统(高压油泵或喷油器)故障4、空气辅助或空气制动阀压力表22、调速器工作不正常5、在驾驶员位置无法关闭发动机23、怠速时排气管排出过浓的白烟、蓝烟制动6、车辆制动失灵24、燃料油油位偏低车身结构7、驾驶员无法在短时间内打开车门25、发动机进、排气管松脱8、车身任何部分与轮胎或传动轴相接触26、发动机排放系统严重泄漏9、车辆有可能损坏检测设备27、工作时发动机有异响发动机10、无法加满冷却液变速器28、变速器油严重泄漏11、冷却系统严重泄漏29、变速器有异响12、散热器管道有裂缝驱动轴和轮胎30、驱动轴轮胎固定螺钉松动或丢失13、冷却风扇损坏或无法正常工作31、轮胎损坏14、冷却风扇皮带损坏或破裂32、轮胎橡胶磨损超过厂商设定警告线15、发动机机油量不足33、轮胎膨胀或轮胎等级低于70km/h16、发动机工作过程中,机油严重泄漏34、使用了不同尺寸的轮胎17、机油泄露到排气系统上35、轮胎有径向或横向裂纹18、涡轮增压器的润滑油可能泄露36、轮胎间夹杂有其他物体,例如石粒等外检结果:□合格□不合格检测方法:□稳态工况法□双怠速法□加载减速法□自由加速检测□不适宜检测外检员签名:日期:年月日车主签名:车上有无贵重物品:()(由车主签“无”)备注:1、判定栏中√为合格;×为不合格。
尾气检测作业记录及评分表(参考)作业记录表
4.车辆故障现象检视记录:
发动机怠速偏高,加速不良(具体根据故障验证时记录的现象)
5.故障代码:填写实际检测到的故障码,应与故障验证时的一致
6.故障代码含义:
根据诊断仪读到的数据填写(大众车系会给出具体的故障代码含义,与故障验证时的一致)
7.数据流分析(仅列出明显超标的数据):
列出3条明显不同的故障数据(应与考前故障验证时,考评员记录的故障数据流一致)
8.波形分析(仅画出故障部件在正常情况下的波形图):
每格时间:1ms
每格电压:10V
裁判参照上图,结合选手实际绘制的波形图,分四段给选手判分。
作业记录
1.部件或系统测试:
1)判缸:经断缸试验确定X 缸缺缸(预先设置的那一缸,手工或仪器检测得出的结果均可)。
2)火花试验:经火花试验点火正常,排除因点火原因缺缸。
3)喷油器电源测试:可测到12V 电压,喷油器供电正常。
4)喷油器电阻测试:阻值正常。
调修 调修作业
评分表。