五金紧固件检验规范
- 格式:doc
- 大小:32.00 KB
- 文档页数:4
1. 目的为了严格控制紧固件产品质量,规范紧固件检验标准,为采购该产品的验收工作提供指导依据。
2. 适用范围本规范适用于螺钉、螺母、垫圈等相关的紧固件。
3. 引用标准GB/T 196-81普通螺纹基本尺寸GB/T 3103.1-82紧固件公差螺柱、螺钉和螺母GB1237-88紧固件的标记方法GB/T 90-85紧固件验收检查标志与包装GB/T 93-87 标准型弹簧垫圈GB/T 894.1-1986轴用弹性挡圈GB/T 5779.1-86紧固件表面缺陷——螺栓、螺钉和螺栓——一般要求。
GB/T 5779.2-86紧固件表面缺陷——螺母——一般要求JBT 9163.17-1999 带肩六角螺母尺寸GB/T 1096-2003 普通型平键4. 技术要求紧固件的应用非常广泛,其材质也很多。
螺钉螺母的主要材质有碳钢、不锈钢、高强度钢和塑钢等几个种类,其中碳钢螺母和不锈钢螺母较为常见,高强度钢螺母和塑钢螺母则多用于满足特殊环境要求。
垫圈通常材质有普通碳钢,不锈钢等,一般用Q235钢;弹簧垫圈用的一般是弹簧钢,一般用65Mn钢。
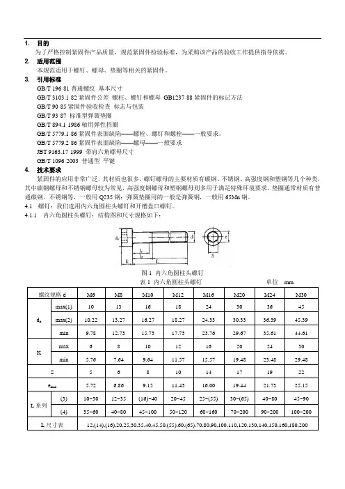
4.1螺钉:我们选用内六角圆柱头螺钉和开槽盘口螺钉。
4.1.1 内六角圆柱头螺钉:结构图和尺寸规格如下:图1 内六角圆柱头螺钉螺纹规格d M6 M8 M10 M12 M16 M20 M24 M30d k max(1) 10 13 16 18 24 30 36 45 max(2) 10.22 13.27 16.27 18.27 24.33 30.33 36.39 45.39 min 9.78 12.73 15.73 17.73 23.76 29.67 35.61 44.61Kmax 6 8 10 12 16 20 24 30min 5.76 7.64 9.64 11.57 15.57 19.48 23.48 29.48 S 5 6 8 10 14 17 19 22e min 5.72 6.86 9.15 11.43 16.00 19.44 21.73 25.15 L系列(3) 10~30 12~35 (16)~40 20~45 25~(55) 30~(65) 40~80 45~90(4) 35~60 40~80 45~100 50~120 60~160 70~200 90~200 100~200L尺寸表12,(14),(16),20,25,30,35,40,45,50,(55),60,(65),70,80,90,100,110,120,130,140,150,160,180,200页码:2/15注:(1)光滑头部(2)滚花头部(3)杆部螺纹距头部3倍螺距(P)以内(4)螺纹距头部大于3倍螺距(P)尽量不采用括号内的尺寸4.1.2开槽盘头螺钉:结构及尺寸规格如下:图2 开槽盘头螺钉螺纹规格d M2 M2.5 M3 (M3.5) M4 M5 M6 M8 M10 P(螺距)0.4 0.45 0.5 0.6 0.7 0.8 1 1.25 1.5d k 公称=max 4.0 5.0 5.6 7.00 8.00 9.50 12.00 16.00 20.00 min 3.7 4.7 5.3 6.64 7.64 9.14 11.57 15.57 19.48K公称=max 1.30 1.50 1.80 2.10 2.40 3.00 3.6 4.8 6.0 min 1.16 1.36 1.66 1.96 2.26 2.86 3.3 4.5 5.7n 公称0.5 0.6 0.8 1 1.2 1.2 1.6 2 2.5 max 0.7 0.8 1.0 1.20 1.51 1.51 1.91 2.31 2.81 min 0.56 0.66 0.86 1.06 1.26 1.26 1.66 2.06 2.56尽量不采用括号内的尺寸4.1.3螺杆螺纹长度尺寸:表3 螺杆螺纹长度尺寸及公差单位mm 公称min max 公称min max2 1.8 2.2 16 15.65 16.352.5 2.3 2.7 20 19.58 20.423 2.8 3.2 25 24.58 25.424 3.76 4.24 30 29.58 30.425 4.76 5.24 35 34.5 35.56 5.76 6.24 40 39.5 40.58 7.71 8.29 45 44.5 45.510 9.71 10.29 50 49.5 50.512 11.65 12.35 (55) 54.05 55.95页码:3/15(14) 13.65 14.35 60 59.05 60.95尽量不采用括号内的尺寸4.2 螺母:一般采用六角螺母,其结构及尺寸规格如下:图3 六角螺母结构图表4 六角螺母尺寸单位mmdS HD 公称尺寸允差公称尺寸允差粗制半精制6 10 —0.36 5 ±0.48 ±0.38 11.5 8 14 —0.43 6 16.210 17—0.52 8 ±0.58 ±0.45 19.612 19 10 21.9(14) 22 11±0.70 ±0.55 25.416 24 13 27.7(18) 27 14 31.220 30 16 34.6 4.3 垫圈:经常使用的是弹簧垫圈和平垫圈4.3.1 标准型弹簧垫圈:结构及尺寸规格如下:图4 标准型弹簧垫圈表5 标准型弹簧垫圈尺寸单位mm规格(螺纹大径d S(b) Hmin max 公称min max min max页码:4/152 2 2.35 0.5 0.42 0.58 1 1.252.5 2.6 2.85 0.65 0.57 0.73 1.3 1.633 3.1 3.4 0.8 0.7 0.9 1.6 24 4.1 4.4 1.1 1.0 1.2 2.2 2.755 5.1 5.4 1.3 1.2 1.4 2.6 3.256 6.1 6.68 1.6 1.5 1.7 3.2 48 8.1 8.68 2.1 2.0 2.2 4.2 5.2510 10.2 10.9 2.6 2.45 2.75 5.2 6.512 12.2 12.9 3.1 2.95 3.25 6.2 7.75(14) 14.2 14.9 3.6 3.4 3.8 7.2 916 16.2 16.9 4.1 3.9 4.3 8.2 10.2518 18.2 19.04 4.5 4.3 4.7 9 11.25(20) 20.2 21.04 5 4.8 5.2 10 12.5 4.3.2 平垫圈:结构及尺寸规格如下:图5 平垫圈螺纹大径d 内径d1外径d2厚度h公称(min) max 公称(max) min 公称max min2 2.2 2.34 5 4.7 0.3 0.35 0.252.5 2.7 2.84 6 5.7 0.5 0.55 0.453 3.2 3.38 7 6.64 0.5 0.55 0.454 4.3 4.48 9 8.64 0.8 0.9 0.75 5.3 5.48 10 9.64 1 1.1 0.96 6.4 6.62 12 11.57 1.6 1.8 1.48 8.4 8.62 16 15.57 1.6 1.8 1.410 10.5 10.77 20 19.48 2 2.2 1.8页码:5/1512 13 13.27 24 23.48 2.5 2.7 2.3(14) 15 15.27 28 27.48 2.5 2.7 2.316 17 17.27 30 29.48 3 3.3 2.7(18) 19 19.33 34 33.38 3 3.3 2.720 21 21.33 37 36.38 3 3.3 2.7(22) 23 23.33 39 38.38 3 3.3 2.724 25 25.33 44 43.38 4 4.3 3.7(27) 28 28.33 50 49.38 4 4.3 3.730 31 31.39 56 55.26 4 4.3 3.7(33) 34 34.62 60 58.8 5 5.6 4.436 37 37.62 66 64.8 5 5.6 4.4(39) 42 42.62 72 70.8 6 6.6 5.442 45 45.62 78 76.8 8 9 7(45) 48 48.62 85 83.6 8 9 748 52 52.74 92 90.6 8 9 7(52) 56 56.74 98 96.6 8 9 756 62 62.74 105 103.6 10 11 9(60) 66 66.74 110 108.6 10 11 94.4挡圈:4.4.1 轴用弹性挡圈:结构及尺寸规格如下:图6 轴用弹性挡圈(d0为轴径)表7 轴用弹性挡圈尺寸规格单位mm页码:7/1552 47.8 -0.1855 50.8 +0.46 -1.1056 51.8 6.1258 53.8 6055.84.4.2 孔用弹性挡圈:结构及尺寸规格如下:图7 孔用弹性挡圈A 型,B 型轴径 d 0 孔 用 挡 圈DSd 1b≈基本尺寸 极限偏差 基本尺寸 极限偏差15 16.2 +0.36 -0.101+0.05 -0.131.72.116 17.3 17 18.3 +0.42 -0.1318 19.5 19 20.5 22.520 21.5 21 22.5 22 23.5 2425.9+0.421.2页码:8/1525 26.9 -0.212.826 27.9 28 30.1 +0.50 -0.253.230 32.1 31 33.4 2.532 34.4 34 36.5 1.5+0.06 -0.153.635 37.8 36 38.8 37 39.8 38 40.8 40 43.5 +0.90 -0.391.5+0.06 -0.15442 45.5 345 48.5 4.747 50.5 +1.10 -0.4648 51.5 50 54.2 2+0.06 -0.1852 56.2 5559.24.5平键:4.5.1外形及尺寸如下图所示:图8 A 、B 、C 型平键结构表9 平键尺寸规格4.5.2 硬度:45#钢平键的硬度标准为:(230~295)kgf/mm2 。
1. 目的为了严格控制紧固件产品质量,规范紧固件检验标准,为采购该产品的验收工作提供指导依据。
2. 适用范围本规范适用于螺钉、螺母、垫圈等相关的紧固件。
3. 引用标准GB/T 196-81普通螺纹 基本尺寸GB/T 3103.1-82紧固件公差 螺柱、螺钉和螺母 GB1237-88紧固件的标记方法 GB/T 90-85紧固件验收检查 标志与包装 GB/T 93-87 标准型弹簧垫圈 GB/T 894.1-1986轴用弹性挡圈GB/T 5779.1-86紧固件表面缺陷——螺栓、螺钉和螺栓——一般要求。
GB/T 5779.2-86紧固件表面缺陷——螺母——一般要求 JBT 9163.17-1999 带肩六角螺母尺寸 GB/T 1096-2003 普通型 平键 4. 技术要求紧固件的应用非常广泛,其材质也很多。
螺钉螺母的主要材质有碳钢、不锈钢、高强度钢和塑钢等几个种类,其中碳钢螺母和不锈钢螺母较为常见,高强度钢螺母和塑钢螺母则多用于满足特殊环境要求。
垫圈通常材质有普通碳钢,不锈钢等,一般用Q235钢;弹簧垫圈用的一般是弹簧钢,一般用65Mn 钢。
4.1 螺钉:我们选用内六角圆柱头螺钉和开槽盘口螺钉。
4.1.1 内六角圆柱头螺钉:结构图和尺寸规格如下:图1 内六角圆柱头螺钉4.1.2开槽盘头螺钉:结构及尺寸规格如下:图2 开槽盘头螺钉4.1.3 螺杆螺纹长度尺寸:表3 螺杆螺纹长度尺寸及公差 单位 mm4.2 螺母:一般采用六角螺母,其结构及尺寸规格如下:图3 六角螺母结构图表4 六角螺母尺寸 单位 mm4.3.1 标准型弹簧垫圈:结构及尺寸规格如下:图4 标准型弹簧垫圈表5 标准型弹簧垫圈尺寸 单位 mm4.3.2 平垫圈:结构及尺寸规格如下:图5 平垫圈4.4挡圈:4.4.1 轴用弹性挡圈:结构及尺寸规格如下:图6 轴用弹性挡圈(d0为轴径)表7 轴用弹性挡圈尺寸规格单位mm4.4.2 孔用弹性挡圈:结构及尺寸规格如下:图7 孔用弹性挡圈A 型,B 型4.5平键:4.5.1外形及尺寸如下图所示:图8 A 、B 、C 型平键结构表9 平键尺寸规格4.5.2 硬度:45#钢平键的硬度标准为:(230~295)kgf/mm2 。
标准紧固件检验规范汇总修订记录⼀、⽬的对所采购的标准件的质量进⾏控制,对进货检验所涉及的技术要求、检验⽅法、抽样等进⾏规定。
⼆、适⽤范围适⽤于螺栓、螺母、平垫、弹垫、销轴等标准件的进货检验。
三、⼀般性检查(按S-3级, AQL=2.5)3.1 查随货技术资料质量证明书,证明该标准符合标准要求和订货合同证明书应包括:1. 供⽅名称或⼚标;2. 制造依据的标准;3. 精度级别;4. 表⾯处理⽅法。
3.2 外观检查a) 性能等级为4.6、5.6及≥8.8级的螺栓、螺钉必须标志;b) 性能等级为5级及≥8级的螺母必须标志;c) 螺纹直径≥5mm的螺栓、螺钉、螺母才需要标志。
3.2.2 螺钉表⾯:表⾯应光洁、平整、⽆⽑刺、⽆锈斑、⽆缺⽛、⽆烂⽛,镀层不得有起泡、脱落或锌⽩等缺陷,厚度应满⾜规定要求。
四、尺⼨检查(按S-3级,AQL= 2.5) 依据相关的国标或技术要求进⾏检查4.1 对螺栓、螺钉及螺母,应检查螺纹⼤⼩径、螺纹导⼊长度、螺距,同时使⽤相应的螺纹规⽌通规进⾏检测;a) 电镀前的螺栓、螺钉应使⽤公差等级为6g螺纹环规检查,电镀后的螺栓、螺钉应使⽤公差等级为6h螺纹环规检查;b) 电镀前的螺母应使⽤公差等级为6G螺纹⽌通规及塞规检查,电镀后的螺母应使⽤公差等级为6H螺纹⽌通规及塞规检查;c) 螺栓、螺母、螺钉通规检查须每个螺纹能顺利通过才合格,⽌规检查最多只能通过两个螺纹才合格。
4.2 对⾃攻螺钉类,按标准要求进⾏螺纹尺⼨检测:螺纹外径、末端外径、螺纹导⼊长度、螺距。
五、性能检查5.1 硬度检查(每批抽3Pcs试验,按Ac/Re=0/1判定)a) 根据实际情况,对⼤于或等于M8的螺栓、螺钉、螺母直接在洛⽒硬度计上测试即可;b) 有机械性能等级要求时,按对应的国标或图纸进⾏检验;未作要求时;螺栓、螺钉必须为4.8级,螺母必须为8级;c) 对于⾃攻、⾃挤螺钉,硬度检测应制成镶件,测试其表⾯硬度、芯部硬度及渗碳层深度。
紧固件来料抽样检验规范(ISO9001-2015)1.0目的为了规范紧固件来料检验及抽样计划,并促进来料质量的提高,特制定该检验规范。
2.0适用范围适用于公司IQC对紧固件来料的检验。
3.0规范性引用文件(版本以公司最新发布版本为准)GB/T 2828.1-2013 计数抽样检验程序第1部分GB/T 197-2003 普通螺纹公差4.0通用验收标准和基本规则4.1 如无特殊说明(如不锈钢、镀镍等),国标紧固件按照镀彩锌检验。
4.2 公差等级根据图纸要求进行检验,图纸尚未规定或无图纸的,按照下面要求执行:对外螺纹规定三种公差带位置:g、f、e;对内螺纹规定二种公差带位置:H、G;镀后螺纹的实际轮廓上的任何点均不应超越H、h确定的最大实体牙型;电镀螺纹紧固件必须同时满足镀层厚度和旋合性两方面的要求。
5.0检验内容检验项目检验方式检验方法、标准检验手段备注包装GB2828.1-2003IL=IAQL=1.0外包装实行全检(0,1)1、内、外包装均要求防潮且无破损。
2、内包装应有厂家标识,内容包括但不限于:物料名称、规格型号、数量、批次号。
目测外观GB2828.1-2003IL=IAQL=1.01、表面镀层致密、均匀一致,无麻点、黑点、疙瘩、起泡、脱落等缺陷。
电镀层应有光泽。
2、紧固件的螺纹牙型不能有磕碰、损伤现象,其余部分的损伤应不影响产品的使用性。
3、紧固件不能带有毛刺、利角。
目测尺寸螺纹尺寸1~100件抽 2PCS(0,1)>100件抽4PCS(0,1)应满足通规通,止规止(检验时可使用相对应的螺钉、螺母进行适配)。
螺纹通止规其它尺寸1~100件抽 2PCS(0,1)>100件抽4PCS(0,1)根据图纸进行检验,没有图纸的紧固件螺纹大小径、有效长度、头部直径、槽型符合国家标准要求。
卡尺镀层耐蚀性原则上1次/每厂家/每月,平时可根据需求随时抽测按照GB/T 10125-1997《人造气氛腐蚀试验盐雾试验》,采用中性(NSS)盐雾试验进行连续喷雾测试。
最新标准紧固件生产质量检验规范及新工艺管理实用手册第二篇标准紧固件产品质量检验螺栓一、螺栓综述1.螺栓的尺寸代号与标注(cB/15276—1985)2.六角产品的对边宽度(GB厂13104—1982)3.标准系列六角头螺栓的对边宽度和头部高度的极限值(GB/I5782—2000、GB厂r5783—2000)4.普通螺栓的螺纹长度(GB厂13106—1982)二、螺栓的尺寸1.c级六角头螺栓(GB/I5780—2000)2.c级全螺纹六角头螺栓(GB厂r5781—2000)3.六角头螺栓(GB厂r5782—2000)三、螺栓的重量1.B级细杆六角头螺栓(适用于GB/15784—1986)2.A和级六角头头部带槽螺栓(适用于Gl/1291—1988)3.十字憎凹穴六角头螺栓(适用于GB/rf西.2—19~08)、螺柱一、螺柱综述1.螺柱的尺寸代号与标注(GB/rF5276—1985)2.螺柱的有关结构尺寸3.螺柱的种类蔺介4.螺柱的用途简述二、螺柱的尺寸1.双头螺柱(bnl=l(1)(cI{厂1897—1988)2.双头螺柱(bnl=1.25d)(GB/1898—1988)3.双头螺柱(bm=1.5d)(GB/T899—1988)三、螺柱的重量1.双头螺柱(bm=ld)(适用于cB厂I897一1988)2.双头螺柱(bnl=1.25d)(适用于GB厂1898—1988)3.双头螺柱(bm=1.5d)(适用于GB厂11899—1988)、螺钉一、螺钉综述1.螺钉的尺寸代号与标注(GB厂r5276—1985)2.螺钉用十字槽(GB厂1944.1—1985)3.螺钉(和螺栓)用内六角花形(GB厂16188—2000)二、螺钉的尺寸1.开槽圆柱头螺钉(cB/I65—2000)2开槽盘头螺钉(cB厂F67—2000)3.开槽沉头螺钉(c13厂168~2000)三、螺钉的重量1.开槽圆柱头螺钉(适用于GB /1砸一2000)2.开槽盘头螺钉(适用于GIj/167—2000)3.开槽沉头螺钉(适用于GB/168—2000)4.开槽半沉头螺钉(适用于GB/F69-一2000)、螺母一、螺母综述1.螺母的尺寸代号与标注(GB/15276-一1985)2.粗牙螺纹螺母的机械性能(G13/13098.2—2000)3.细牙螺纹螺母的机械性能(GB/13098.4—2000)二、螺母的尺寸1.c级六角螺母(GI/l4l一2000)2.1型六角螺母(GB/l6170一2000)3.细牙l型六角螺母(GB/r617l一2000)4.2型六角螺母(GB/116175—2000)三、螺母的重量1.小六角特扁细牙螺母(适用于G13/1808—1988)2.六角厚螺母(适用于GB/I56—1988)3.球面六角螺母(适用于GB/I804—1988)、自攻螺钉一、自攻螺钉综述1.自攻螺钉的尺寸代号与标注2.自攻螺钉用螺纹(cB厂I5280—1985)3.沉头和半沉头自攻螺钉用沉孔的有关结构尺寸(GB厂n52.2—1988)二、自攻螺钉的尺寸1.开槽盘头自攻螺钉(GB厂15282—1985)2.开槽沉头自攻螺钉(cB/15283—1985)3.开槽半沉头自攻螺钉(cB厂I5284—1985)三、自攻螺钉的重量1.开槽盘头自攻螺钉(适用于GB/15282—1985)2.开槽沉头自攻螺钉(适用于GB/15283—1985)3.开槽半沉头自攻螺钉(适用于GB厂5284—1985)4.十字槽盘头自攻螺钉(适用于cB/I845—1985)、木螺钉一、木螺钉综述1.木螺钉的尺寸代号与标注2.沉头和半沉头木螺钉用沉孔尺寸(GB /11显2—1988)3.木螺钉的技术条件(cB/1922—1986)二、木螺钉的尺寸1.开槽圆头木螺钉的有关结构尺寸(G13僻1986)2.开槽沉头木螺钉的有关结构尺寸(Gln0D一1986)3.开槽半沉头木螺钉的有关结闯尺寸(GⅣ1101—1986)三、木螺钉的重量1.开槽圆头木螺钉(适用于cI199-一1986)2.开槽沉头木螺钉(适用于GI/r1130—1986)3.开槽半沉头木螺钉(适用于GB/1101—1986)、垫圈一、垫圈综述1.垫圈的尺寸代号与标注GⅣ15286-一1986)3.平垫圈的机械性能和表面处理4.弹簧垫圈的技术条件(GB/IW.1—1987)二、垫圈的尺寸1.A级小垫圈(GⅣ1848—1985、)2.A级平垫圈(GI{/1971—1985)3 7A级倒角型平垫圈(cB/1972—1985)三、垫圈的重量1.A级小垫圈(适用于cB/848—1985)2.A级平垫圈(适用于GB/1971—1985)3.A级倒角型平垫圈(适用于Gll197.2—1985)、挡圈一、挡圈综述1.当圈的尺寸代号与标注.弹性挡圈的技术条件(GB/1959.1—1986)3.钢丝挡圈的技术条件(GB/1959.2—1986)二、挡圈的尺寸1.A型孔用弹性挡圈(GB厂1893.1—1986)2.B型孔用弹性挡圈(GB厂I893.2—1986)3.A型轴用弹性挡圈(GB厂1894.1—1986)三、挡圈的重量1.A型孔用弹性挡圈(适用于GB/T893.1—1986)2.B型孔用弹性挡圈(适用于GB/I893.2一t986)3.A型轴用弹性挡圈(适用于GB/T894.1—1986)、销一、销的综述1.销的尺寸代号与标注2.开口销的技术条件(GB/119l一2000)3.销的技术条件(GB厂r121—1986)二、销的尺寸1.开口销(GB/19l一2000)2.不淬硬锈邢奥氏体不锈钢圆I赫肖(GB/n19.1—2f130)3.淬硬钢和马氏体不锈钢圆柱销(GB厂119.卜2000)4.不淬硬钢和奥氏体不锈钢内螺纹圆柱销(CB厂r120.1—2000)三、销的重量1.螺纹圆柱销(适用于GB/I878—1986)2.带孔销(适用于GB/I880-一1986)3.销轴(适用于GB/rI882—1986)4.开尾圆锥销(适用于GBI877—1986)、铆钉一、铆钉综述1.铆钉的尺寸代号与标注2.铆钉用通孔(GB厂r152.1—1988)3.铆钉的技术条件(GB/r116—1986)二、铆钉的尺寸1.半圆头铆钉(GB厂I867—1986)2.粗制半圆头铆钉(GB厂I863.1—1986)3.粗制小半圆头铆钉(GB/I863.2一1986)三、铆钉的重量1.半圆头铆钉(适用于GB/P867—1986)2.粗制半圆头铆钉(适用于GB/T863.1—1986)3.粗制小半圆头铆钉(适用于GB/I863.2—1986)4.平锥头铆钉(适用于GB厂I868一1986)、紧固件一组合件及连接副、焊钉无头焊钉(cB/r10432一1989)电弧螺柱焊用圆柱头焊钉(GB/T10433—2002)一、铆钉综述1.铆钉的尺寸代号与标注2.铆钉用通孔(GB厂r152.1—1988)3.铆钉的技术条件(GB/r116—1986)二、铆钉的尺寸1.半圆头铆钉(GB厂I867—1986)2.粗制半圆头铆钉(GB厂I863.1—1986)3.粗制小半圆头铆钉(GB/I863.2一1986)三、铆钉的重量1.半圆头铆钉(适用于GB/P867—1986)2.粗制半圆头铆钉(适用于GB/T863.1—1986)3.粗制小半圆头铆钉(适用于GB/I863.2—1986)4.平锥头铆钉(适用于GB厂I868一1986)第一篇标准紧固件生产技术基础知识第一章术语第二章标记和标注第三章结构要素第四章公差1.螺栓、螺钉和螺柱公差(c13厂13103l一2002)2.螺母公差(GI/13103.1—2002)3.自攻螺钉公差(GB厂13103.1—2002)第五章机械性能和工作性能1.螺栓、螺钉和螺柱(cB/13098.1—2000)2.螺母(GB厂13098.2—2000和c13/13098.4—2000)3.有效力矩型钢六角锁紧螺母(GI13098.9—2002)第六章试验及检测方法1.机械性能试验方法2.紧固件横向振动试验方法(Glj/r1043l一1989)3.螺纹紧固件轴向载荷疲劳试验方法(cIj/n3682~1992)第七章表面缺陷1.螺栓、螺钉和螺柱表面缺陷的一般要求(GB/T5779.1—2000)2.螺母表面缺陷(GB/15779.2—2000)3.螺栓、螺钉和螺柱表面缺陷的特殊要求(GB/i779.3—2000)第八章验收检查、标志与包装1.验收检查(cIj190.1—2002)2.标志与包装(GB/190.2—2002)第九章螺纹紧固件表面涂镀层1.电镀层(GB/15267.1—2002)2.非电解锌片涂层(GB/I5267.2—2002)第十章技术条件1.螺栓、螺钉、螺柱和螺母通用技术条件(GB/T16938—1997) 2.弹性垫圈技术条件(GB/rr94.1~94.3—1987)3.止动垫圈技术条件(GB厂198—1988)第二篇标准紧固件产品质量检验第一章螺栓一、螺栓综述1.螺栓的尺寸代号与标注(cB/15276—1985)2.六角产品的对边宽度(GB厂13104—1982)3.标准系列六角头螺栓的对边宽度和头部高度的极限值(GB/I5782—2000、GB厂r5783—2000)4.普通螺栓的螺纹长度(GB厂13106—1982)二、螺栓的尺寸1.c级六角头螺栓(GB/I5780—2000)2.c级全螺纹六角头螺栓(GB厂r5781—2000)3.六角头螺栓(GB厂r5782—2000)三、螺栓的重量1.B级细杆六角头螺栓(适用于GB/15784—1986)2.A和级六角头头部带槽螺栓(适用于Gl/1291—1988)3.十字憎凹穴六角头螺栓(适用于GB/rf西.2—19~08)第二章螺柱一、螺柱综述1.螺柱的尺寸代号与标注(GB/rF5276—1985)2.螺柱的有关结构尺寸3.螺柱的种类蔺介4.螺柱的用途简述二、螺柱的尺寸1.双头螺柱(bnl=l(1)(cI{厂1897—1988)2.双头螺柱(bnl=1.25d)(GB/1898—1988)3.双头螺柱(bm=1.5d)(GB/T899—1988)三、螺柱的重量1.双头螺柱(bm=ld)(适用于cB厂I897一1988)2.双头螺柱(bnl=1.25d)(适用于GB厂1898—1988)3.双头螺柱(bm=1.5d)(适用于GB厂11899—1988)第三章螺钉一、螺钉综述1.螺钉的尺寸代号与标注(GB厂r5276—1985)2.螺钉用十字槽(GB厂1944.1—1985)3.螺钉(和螺栓)用内六角花形(GB厂16188—2000)二、螺钉的尺寸1.开槽圆柱头螺钉(cB/I65—2000)2开槽盘头螺钉(cB厂F67—2000)3.开槽沉头螺钉(c13厂168~2000)三、螺钉的重量1.开槽圆柱头螺钉(适用于GB/1砸一2000)2.开槽盘头螺钉(适用于GIj/167—2000)3.开槽沉头螺钉(适用于GB/168—2000)4.开槽半沉头螺钉(适用于GB/F69-一2000)第四章螺母一、螺母综述1.螺母的尺寸代号与标注(GB/15276-一1985)2.粗牙螺纹螺母的机械性能(G13/13098.2—2000)3.细牙螺纹螺母的机械性能(GB/13098.4—2000)二、螺母的尺寸1.c级六角螺母(GI/l4l一2000)2.1型六角螺母(GB/l6170一2000)3.细牙l型六角螺母(GB/r617l一2000)4.2型六角螺母(GB/116175—2000)三、螺母的重量1.小六角特扁细牙螺母(适用于G13/1808—1988)2.六角厚螺母(适用于GB/I56—1988)3.球面六角螺母(适用于GB/I804—1988)第五章自攻螺钉一、自攻螺钉综述1.自攻螺钉的尺寸代号与标注2.自攻螺钉用螺纹(cB厂I5280—1985)3.沉头和半沉头自攻螺钉用沉孔的有关结构尺寸(GB厂n52.2—1988) 二、自攻螺钉的尺寸1.开槽盘头自攻螺钉(GB厂15282—1985)2.开槽沉头自攻螺钉(cB/15283—1985)3.开槽半沉头自攻螺钉(cB厂I5284—1985)三、自攻螺钉的重量1.开槽盘头自攻螺钉(适用于GB/15282—1985)2.开槽沉头自攻螺钉(适用于GB/15283—1985)3.开槽半沉头自攻螺钉(适用于GB厂5284—1985)4.十字槽盘头自攻螺钉(适用于cB/I845—1985)第六章木螺钉一、木螺钉综述1.木螺钉的尺寸代号与标注2.沉头和半沉头木螺钉用沉孔尺寸(GB/11显2—1988)3.木螺钉的技术条件(cB/1922—1986)二、木螺钉的尺寸1.开槽圆头木螺钉的有关结构尺寸(G13僻1986)2.开槽沉头木螺钉的有关结构尺寸(Gln0D一1986)3.开槽半沉头木螺钉的有关结闯尺寸(GⅣ1101—1986)三、木螺钉的重量1.开槽圆头木螺钉(适用于cI199-一1986)2.开槽沉头木螺钉(适用于GI/r1130—1986)3.开槽半沉头木螺钉(适用于GB/1101—1986)第七章垫圈一、垫圈综述1.垫圈的尺寸代号与标注GⅣ15286-一1986)3.平垫圈的机械性能和表面处理4.弹簧垫圈的技术条件(GB/IW.1—1987)二、垫圈的尺寸1.A级小垫圈(GⅣ1848—1985、)2.A级平垫圈(GI{/1971—1985)3 7A级倒角型平垫圈(cB/1972—1985)三、垫圈的重量1.A级小垫圈(适用于cB/848—1985)2.A级平垫圈(适用于GB/1971—1985)3.A级倒角型平垫圈(适用于Gll197.2—1985)第八章挡圈一、挡圈综述1.当圈的尺寸代号与标注:.弹性挡圈的技术条件(GB/1959.1—1986)3.钢丝挡圈的技术条件(GB/1959.2—1986)二、挡圈的尺寸1.A型孔用弹性挡圈(GB厂1893.1—1986)2.B型孔用弹性挡圈(GB厂I893.2—1986)3.A型轴用弹性挡圈(GB厂1894.1—1986)三、挡圈的重量1.A型孔用弹性挡圈(适用于GB/T893.1—1986)2.B型孔用弹性挡圈(适用于GB/I893.2一t986)3.A型轴用弹性挡圈(适用于GB/T894.1—1986)第九章销一、销的综述1.销的尺寸代号与标注2.开口销的技术条件(GB/119l一2000)3.销的技术条件(GB厂r121—1986)二、销的尺寸1.开口销(GB/19l一2000)2.不淬硬锈邢奥氏体不锈钢圆I赫肖(GB/n19.1—2f130) 3.淬硬钢和马氏体不锈钢圆柱销(GB厂119.卜2000) 4.不淬硬钢和奥氏体不锈钢内螺纹圆柱销(CB厂r120.1—2000)三、销的重量1.螺纹圆柱销(适用于GB/I878—1986)2.带孔销(适用于GB/I880-一:1986)3.销轴(适用于GB/rI882—1986)4.开尾圆锥销(适用于GBI877—1986)第十章铆钉一、铆钉综述1.铆钉的尺寸代号与标注2.铆钉用通孔(GB厂r152.1—1988)3.铆钉的技术条件(GB/r116—1986)二、铆钉的尺寸1.半圆头铆钉(GB厂I867—1986)2.粗制半圆头铆钉(GB厂I863.1—1986)3.粗制小半圆头铆钉(GB/I863.2一1986)三、铆钉的重量1.半圆头铆钉(适用于GB/P867—1986)2.粗制半圆头铆钉(适用于GB/T863.1—1986) 3.粗制小半圆头铆钉(适用于GB/I863.2—1986) 4.平锥头铆钉(适用于GB厂I868一1986)第十一章紧固件一组合件及连接副第十二章焊钉无头焊钉(cB/r10432一1989)电弧螺柱焊用圆柱头焊钉(GB/T10433—2002)第三篇新工艺管理概论第一章新工艺管理工作的意义及发展概况第二章新工艺及其管理的基本概念第三章全生命周期新工艺管理数字化系统第四章新工艺管理体系与责任制第四篇产品开发设计阶段的新工艺工作第一章生产的工艺准备第二章新工艺调查与研究第三章产品结构工艺性审查第四章零件结构的新工艺性第五章面向制造的设计技术第六章新工艺准备的计划与控制第五篇新工艺设计及其管理第一章新工艺方案和新工艺路线的设计第二章成组工艺设计第三章新工艺规程设计第四章计算机辅助新工艺过程设计第五章新工艺技术验证与工艺验证第六章数控程序编制第六篇工艺知识及其管理第一章知识与工艺知识概述第二章工艺知识分类和编码体系第三章工艺知识表达第四章=T二艺知识的存储第五章工艺知识数据仓库的优化第六章工艺知识挖掘第七章工艺知识的检索第八章工艺知识的发布第九章工艺知识管理水平评价。
紧固件的验收
一、外观检查
1.检查紧固件表面是否光滑、无毛刺、无裂纹、无变形等缺陷。
2.检查紧固件表面涂层是否均匀、无脱落、无锈蚀等现象。
二、尺寸检查
1.检查紧固件的尺寸是否符合图纸要求,包括长度、直径、孔径等。
2.检查紧固件的螺纹是否完整、无断丝、无滑丝等现象。
三、材质检查
1.检查紧固件的材料是否符合要求,包括材质、牌号、强度等级等。
2.对紧固件进行化学成分分析,以确保其材质符合相关标准。
四、性能试验
1.对紧固件进行拉伸试验,以检查其抗拉强度和伸长率是否符合要求。
2.对紧固件进行扭转试验,以检查其扭矩和摩擦性能是否符合要求。
3.对紧固件进行弯曲试验,以检查其弯曲强度和韧性是否符合要求。
五、清洁度检查
1.检查紧固件表面是否存在油污、锈蚀、氧化皮等污染物。
2.对紧固件进行清洗处理,确保其表面清洁度符合要求。
六、包装检查
1.检查紧固件的包装是否完好,有无破损、变形等现象。
2.检查包装上的标识是否清晰、准确,包括产品名称、规格型号、生产厂家
等信息。
七、标识检查
1.检查紧固件上的标识是否清晰、准确,包括产品名称、规格型号、生产厂
家等信息。
2.检查标识的颜色是否与实际产品相符,防止混淆和误用。
八、数量及批次检查
1.检查紧固件的数量是否与订单或图纸要求相符。
2.检查紧固件的批次号是否与实际产品相符,以避免混装和混用现象。
紧固件检验规范1.适用范围:适用于外购输电线路铁塔、输电线路附件及通讯塔用紧固件的检验。
2.引用标准:GB/T2694《输电线路铁塔制造技术条件》GB5780《六角头螺栓--C级》GB90《紧固件验收检查、标志与包装》GB/T2828.1《按接收质量限(AQL)检索的逐批检验抽样计划》GB/T41《六角头螺母--C级》GB/T3098.1《紧固件机械性能螺栓、螺钉和螺柱》GB/T3098.2《紧固件机械性能螺母粗牙螺纹》GB/T5779.1《紧固件表面缺陷螺栓、螺钉和螺柱》一般要求GB/T5779.2《紧固件表面缺陷螺母》GB/T90.1《紧固件验收检查》DL/T764.4《输电线路铁塔及电力金具紧固用冷镦热浸镀锌螺栓与螺母》GB95《平垫圈C级》3.职责质量管理部负责本规程的实施。
4.检验模式批量检验一般外购产品是在30000--150000件时,在批量中进行随机抽样检查,抽样样本单位为80件。
结构部分5.抽样项目5.1螺栓抽样项目及检验方法见表55.2螺母抽样项目及检验方法见表65.3脚钉抽样项目及检验方法见表75.4平垫圈抽样项目及检验方法见表86.质量等级产品批量检查应判定质量等级。
6.1螺栓质量等级判定按表1规定执行表1 螺栓质量等级判定表n--样本大小 c--合格判定数6.2螺母质量等级判定按表2规定执行表2 螺母质量等级判定表n--样本大小 c--合格判定数6.3脚钉质量等级判定按表3规定执行表3 脚钉质量等级判定表n--样本大小 c--合格判定数6.4平垫圈质量等级判定按表4规定执行表4平垫圈质量等级判定表n--样本大小 c--合格判定数7.检验程序7.1在批量中随机抽取样本。
7.2外观检查7.3尺寸精度检查7.4机械性能试验7.5质量等级判定8.检查8.1对样本进行逐项检查,并分项记录其缺陷数.若某项缺陷数大于该项的判定数c,则该项抽查不合格;若某项缺陷数小于或等于其判定数c,则该项抽查符合其质量等级。
五金件检验标准五金件是指金属制品中的五金配件,广泛应用于机械、汽车、电子、建筑等领域。
五金件的质量直接关系到产品的安全性和可靠性,因此制定和执行严格的检验标准对于保障产品质量至关重要。
本文将介绍五金件检验标准的相关内容,以便于相关人员能够准确进行五金件的检验工作。
一、外观检验。
1. 表面光洁度,应无明显裂纹、气泡、凹坑等缺陷。
2. 表面涂装,应均匀、无起泡、无剥落。
3. 尺寸偏差,应符合相关标准要求,不得超出允许范围。
二、材质检验。
1. 材料成分,应符合国家标准,不得有不合格成分。
2. 强度和硬度,应符合设计要求,不得低于标准数值。
三、功能性能检验。
1. 连接件的扭矩,应符合设计要求,不得低于或高于标准数值。
2. 螺纹连接的紧固力,应符合相关标准,不得出现松动现象。
3. 传动件的传动效率,应符合设计要求,不得低于标准数值。
四、耐久性检验。
1. 耐腐蚀性,应经过盐雾试验,不得出现锈蚀、腐蚀等现象。
2. 耐磨损性,应经过磨损试验,不得出现过量磨损。
五、环境适应性检验。
1. 温度适应性,应经过高温、低温试验,不得出现失效现象。
2. 湿度适应性,应经过湿热试验,不得出现绝缘失效、腐蚀等现象。
六、标识检验。
1. 产品标识,应清晰、完整、准确,不得有模糊、掉落等现象。
2. 产品包装,应符合相关标准,不得有破损、污染等现象。
七、检验记录。
1. 检验人员应按照相关规定进行检验,并填写检验记录。
2. 检验记录应详细、准确,不得有涂改、遗漏等情况。
八、检验报告。
1. 检验合格的产品应出具检验报告,报告内容应真实、完整。
2. 检验不合格的产品应及时通知相关部门,并按照相关流程处理。
以上即是五金件检验标准的相关内容,希望相关人员能够严格按照标准要求进行五金件的检验工作,确保产品质量,提升企业竞争力。
标准修订记录表QJ紧固件(螺栓、螺钉、螺柱和螺母)检验规范XXXXXXXXXXXXXXX有限公司发布目次前言................................................................... II1 范围 (1)2 规范性引用文件 (1)3 技术要求及试验方法 (1)4 检验规则 (3)5 标志、包装、运输和贮存 (4)附录 A (规范性附录)检验报告模板 (5)附录 B (规范性附录)头部坚固性试验 (6)前言发布的标准,作为公司内部使用的技术法规性文件。
本紧固件(螺栓、螺钉、螺柱和螺母)检验规范1 范围本标准规定了螺栓、螺钉、螺柱和螺母的技术要求及试验方法,标志、包装、运输和贮存。
本标准适用于公司产品用螺栓、螺钉、螺柱和螺母的检验。
2 规范性引用文件下列文件对于本文件的引用是必不可少的,凡是注日期的引用文件,仅注日期的版本适用于本文件。
凡是不注日期的引用文件,其最新版本(包括所有的修改单)适用于本文件。
GB/T 90.2 紧固件标志与包装GB/T 3098.1 紧固件机械性能螺栓、螺钉和螺柱GB/T 3098.2 紧固件机械性能螺母粗牙螺纹GB/T 3098.3 紧固件机械性能紧定螺钉GB/T 3098.4 紧固件机械性能螺母细牙螺母GB/T 3098.6 紧固件机械性能不锈钢螺栓、螺钉、螺柱和螺母GB/T 3098.15 紧固件机械性能不锈钢螺母GB/T 3098.16 紧固件机械性能不锈钢紧定螺钉GB/T 4334 金属和合金的腐蚀不锈钢晶间腐蚀试验方法GB/T 6478 冷镦和挤压用钢GB/T 17880.6 铆螺母技术条件Q 04 环保标识使用管理规定(试行)Q 1.001 静电粉末喷涂涂膜质量检验要求Q 1.011 外协外购件入厂验收通则Q 99.003 金属零部件涂(镀)层表面质量的检验规范Q 001 环保产品中有害物质控制管理规定3 技术要求及试验方法3.1 外观3.1.1 技术要求产品应消除污垢及金属屑,不应有任何部位上的淬火裂缝、凹痕、皱纹和损伤,表面不应有锈斑,表面镀层应光滑、色泽均匀,锐边倒钝。
文件编号:版本:A/0制定日期:2014/09/30 修订日期:拟案单位:品质部发行章:Revision History 修改記錄一、主题与适用范围本文规定了小五金件的检测标准,适用于本公司螺钉、螺母、弹簧垫片、码仔、壶嘴、蒸汽导管、装饰片、铝板、磁铁等小五金件。
二、引用标准凡是注日期的引用文件,其随后所有的修改单(不包括勘误的内容)或修订版均不适用于本标准,然而,鼓励根据本标准达成协议的各方研究是否可使用这些文件的最新版本。
凡是不注日期的引用文件,其最新版本适用于本标准。
GB/T5779.1 紧固件表面缺陷螺栓、螺钉和螺母一般要求GB/T3103.1 紧固件公差螺栓、螺钉和螺母GB/T3098.1 紧固件的机械性能螺栓、螺钉和螺母GB/T10125-1997 人造气氛腐蚀试验盐雾试验三、测试所需提供的资料3.1 五金件材料的 ROHS测试报告3.2 材质说明书3.3 出厂检验报告3.4 食品级测试报告(与水接触)四、测试所需样品数量小五金件20个。
五、技术要求5.1 外观检查5.1.1 标识与包装物料标识单须包含厂家名称、物料规格、物料编码、生产日期、物料数量、检验印章、订单编号等。
产品整齐的摆放在周转箱内,避免挤压、碰撞造成变形、刮花等不良现象。
5.1.2 技术要求:1、表面无生锈、裂缝、凹痕、皱纹、毛刺;脱脂干净无油污,电镀钝化无发黑等不良;2、螺钉螺母牙形完整良好,切口边缘无明显毛刺和攻牙不到底现象;检验方法:目视5.2 结构尺寸技术要求:标准件外形尺寸符合国标要求(表1);非标准件符合图纸要求;使用通止规检测螺纹的规格,机丝类螺钉通规通过顺畅,止规止;螺母能顺利通过通规孔,不能通过止规孔。
检验方法:游标卡尺测量,通止规测量。
5.3 螺钉硬度测试技术要求:加硬铁螺钉:表面硬度HV600-HV750,芯部硬度HV200-HV400;普通铁螺钉:表面硬度HV88-HV22;不锈钢螺钉:表面硬度HV220,芯部硬度HV95。
最新版五金检验标准规范五金产品作为工业和日常生活中不可或缺的一部分,其质量直接影响到产品的性能和安全性。
因此,制定一套科学、合理的五金检验标准规范至关重要。
以下是最新版的五金检验标准规范内容:一、前言随着五金行业的快速发展,对产品质量的要求也越来越高。
本规范旨在为五金产品的质量检验提供统一的标准和方法,确保产品符合市场和消费者的需求。
二、适用范围本规范适用于各类五金产品,包括但不限于工具、紧固件、锁具、铰链、门窗五金等。
三、检验分类1. 外观检验:检查产品表面是否有划痕、锈蚀、变形等缺陷。
2. 尺寸检验:测量产品的尺寸是否符合设计要求。
3. 性能检验:测试产品的功能是否正常,如锁具的开闭、工具的扭力等。
4. 耐久性检验:评估产品在长期使用过程中的稳定性和耐用性。
5. 安全性检验:确保产品在使用过程中不会对用户造成安全隐患。
四、检验方法1. 视觉检验:通过肉眼或放大镜检查产品的外观缺陷。
2. 测量工具:使用卡尺、千分尺等工具进行尺寸测量。
3. 性能测试设备:利用专业设备测试产品的性能指标。
4. 耐久性测试:模拟实际使用环境,进行循环测试。
5. 安全测试:进行压力测试、冲击测试等,确保产品结构安全。
五、检验标准1. 外观检验标准:产品表面应无明显划痕、锈蚀、变形等缺陷。
2. 尺寸检验标准:产品尺寸应严格控制在设计公差范围内。
3. 性能检验标准:产品应满足特定的性能要求,如扭力、开闭次数等。
4. 耐久性检验标准:产品应能承受一定次数的循环使用而不发生故障。
5. 安全性检验标准:产品在使用过程中应无安全隐患,如无锐边、无易脱落部件等。
六、检验流程1. 样品抽取:按照规定的比例从批次中抽取样品进行检验。
2. 检验准备:准备所需的检验工具和设备。
3. 检验实施:按照检验方法和标准对样品进行检验。
4. 结果记录:详细记录检验结果,并进行数据分析。
5. 问题反馈:对检验中发现的问题及时反馈给生产部门。
七、不合格品处理1. 对检验不合格的产品进行标识,并隔离存放。
紧固件规范紧固件规范是指在使用和安装紧固件(如螺栓、螺母、螺钉等)时需要遵守的一些标准和要求。
这些规范旨在确保紧固件能够正常工作,保证装配和拆卸的安全性,以及提高产品的质量和性能。
下面是关于紧固件规范的一些要点:1. 材料要求:紧固件应使用符合国家标准的优质原材料制造,以确保产品的强度、刚度和耐久性。
一般来说,紧固件应使用合适的钢材或不锈钢材料制造。
2. 尺寸要求:紧固件的尺寸应符合国家或行业标准,以确保其可以与其他零部件正确配合,并保证装配和拆卸的顺利进行。
此外,紧固件的尺寸还会受到工作环境和负荷条件的影响,需要根据实际情况进行设计和选择。
3. 强度要求:紧固件的强度是指其抗拉强度、抗剪强度和抗扭强度等,应根据实际需求进行选择。
一般来说,紧固件应具有足够的强度,以承受预期负荷而不发生破坏或松动。
4. 表面处理要求:紧固件的表面处理是为了提高其耐腐蚀性能,减少摩擦和磨损,并增加装配和拆卸的方便性。
常见的表面处理方法包括镀锌、镀镍、电镀等,应根据工作环境和要求来选择合适的表面处理方式。
5. 安装和拧紧要求:在安装紧固件时,需要严格按照要求选择合适的工具和方法,并正确控制拧紧力矩。
过紧或过松都会影响紧固件的正常工作,甚至引发安全隐患。
同时,也需注意安装顺序和拧紧顺序,以避免产生不均匀的力分布和应力集中。
6. 检验和质量控制:紧固件的质量检验和控制是确保产品质量和性能的重要环节。
包括外观质量、尺寸偏差、强度指标等的检验,以及模具和设备的日常维护和保养等方面的管理。
7. 标识和包装要求:紧固件应在产品上标注有关信息,如型号、规格、材料、强度等,以方便识别和使用。
同时,还需要进行合适的包装和标识,以减少运输和储存过程中的损坏和混乱。
总之,紧固件规范是确保紧固件能够正常工作,保证装配和拆卸的安全性,提高产品质量和性能的重要指导性文件。
企业和使用者应根据实际需求制定和遵守相关规范,以确保紧固件的可靠性和稳定性,从而提高整体产品的质量和可靠性。
贵阳高原矿山机械股份有限公司企业标准紧固件进厂检验规程1 目的规范及指导检验人员对紧固件的进厂检验工作,确保紧固件的质量。
2 适用范围本规程适用于紧固件的进厂检验。
3 检验依据标准GB/T5783《六角头螺栓—全螺纹—A和B级》标准GB/T6170《1型六角头螺母—A和B级》标准GB/T6171《1型六角头螺母—细牙—A和B级》标准GB93《标准型弹簧垫圈》4 抽样4.1 抽样方法对于批量,按5%进行抽样,如全部合格,则批件合格;其中有不合格者,加倍抽检;仍有不合格,则该批不合格。
5 检验内容及方法5.1 供方资质检查检查供方提供的产品质量合格证书、合格的质量保证体系证书。
5.2 螺栓、螺母外观、尺寸检查5.2.1用游标卡尺、钢板尺和卷尺进行尺寸检查应符合表1、表2、表3的规定。
5.2.2表面质量检查目测螺栓头、螺母表面等级标识,螺栓、螺母的螺纹表面不允许有妨碍螺纹自由旋入的碰伤和毛刺;不允许有影响使用的双牙尖,划痕和扣不完整,不允许有影响使用的凹痕、毛刺、裂纹、斑疤、条痕和氧化皮,不允许有浮锈和烧伤。
5.2.3硬度试验只用与于螺栓8.8级,用洛氏硬度机测量其硬度,测量值应符合d≤M16 HRC为22~32;d>M16 HRC为25~35。
5.3 垫圈外观、尺寸检查5.3.1目测垫圈表面不允许有裂缝、浮锈和氧化皮。
不允许有影响使用的纵向裂缝、凹痕、毛刺。
5.3.2用游标卡尺和台秤检查尺寸和重量,结果应符合表4的规定。
贵阳高原矿山机械股份有限公司2013-04-10 批准 2013-04-15 实施5.4弹性试验5.4.1标准型、轻型和重型垫圈应按5.4.2条进行弹性试验,试验后的自由高度应不小于1.67S(公称尺寸)。
5.4.2先将弹簧垫圈置于台虎钳上,连续三次压平。
再用平垫圈隔开穿在螺栓上,拧紧螺母直至压平。
至少保持24小时,取下弹簧垫圈检查其高度(H )。
5.4.3韧性试验将垫圈夹于虎钳和扳手之间,虎钳和扳手之间的距离等于垫圈外径的二分之一,将扳手向顺时针方向缓慢扭转至45°,不允许有裂缝。
紧固件检验规范1 主题内容与适用范围本标准规定了五金紧固件的技术要求、检验项目、抽样与检验方法。
本标准适用于电子、电信用五金紧固件成品的检验。
2 引用标准下列标准所包含的条文,通过在本标准中引用而构成为本标准的条文,本标准出版时,所示版本均为有效。
所有标准都会被修订,使用本标准的各方应探讨使用下列标准最新版本的可能性。
GB196-81普通螺纹基本尺寸GB197-81普通螺纹公差与配合GB3103.1-82紧固件公差螺柱、螺钉和螺母GB1237-88紧固件的标记方法GB3098.1-82紧固件机械性能螺栓、螺柱和螺钉GB3098.2-82紧固件机械性能螺母GB3098.4-82紧固件机械性能细牙螺母GB3098.6-82紧固件机械性能不锈钢螺栓、螺钉、螺栓和螺母GB90-85紧固件验收检查标志与包装GB5779.1-86紧固件表面缺陷——螺栓、螺钉和螺栓——一般要求GB5779.2-86紧固件表面缺陷——螺母——一般要求3 尺寸检验要求3.1 AQL的确定a.当机械性能等级≥8级时,AQL分别为:对边宽度1.0;对角尺寸1.0;螺纹通规1.5;螺纹止规2.5;其他所有项目2.5.b.当机械性能等级<8级时,AQL分别为:对边宽度对角尺寸及螺纹通规均为1.5;螺纹止规2.5;其他所有项目4.0.a.当公差等级为A、B级时,AQL分别为:对边宽度、对角尺寸、螺纹通规、螺纹止规均为1.0;头下圆角半径1.5;其他所有项目2.5.b.当公差等级为C级时,AQL分别为:对边宽度、对角尺寸、螺纹通规、螺纹止规均为1.5;其他所有项目4.0.a.当公差等级为A、B级时,AQL分别为:对边宽度、对角尺寸、螺纹通规、螺纹止规均为1.0;其他所有项目:2.5.b.当公差等级为C级时,AQL分别为:对边宽度、对角尺寸、螺纹通规、螺纹止规均为1.5;其他所有项目4.0.3.2检查比例(LQ10/AQL)的确定。
按生产者风险不大于5%的抽样方案定LQ10/AQL值为6.2(生产者风险等于5%)3.3检查项目3.3.1六角螺母a. 主要项目——对边高度(S);对角尺寸(e);螺纹通规、螺纹止规。
五金紧固件检验规范
1 主题内容与适用范围
本标准规定了五金紧固件的技术要求、检验项目、抽样与检验方法。
本标准适用于电子、电信用五金紧固件成品的检验。
2 引用标准
下列标准所包含的条文,通过在本标准中引用而构成为本标准的条文,本标准出版时,所示版本均为有效。
所有标准都会被修订,使用本标准的各方应探讨使用下列标准最新版本的可能性。
GB196-81普通螺纹基本尺寸
GB197-81普通螺纹公差与配合
GB3103.1-82紧固件公差螺柱、螺钉和螺母
GB1237-88紧固件的标记方法
GB3098.1-82紧固件机械性能螺栓、螺柱和螺钉
GB3098.2-82紧固件机械性能螺母
GB3098.4-82紧固件机械性能细牙螺母
GB3098.6-82紧固件机械性能不锈钢螺栓、螺钉、螺栓和螺母
GB90-85紧固件验收检查标志与包装
GB5779.1-86紧固件表面缺陷——螺栓、螺钉和螺栓——一般要求
GB5779.2-86紧固件表面缺陷——螺母——一般要求
3 尺寸检验要求
3.1 AQL的确定
3.1.1六角螺母:
a.当机械性能等级≥8级时,AQL分别为:
对边宽度1.0;对角尺寸1.0;螺纹通规 1.5;螺纹止规 2.5;其他所有项目2.5.
b.当机械性能等级<8级时,AQL分别为:
对边宽度对角尺寸及螺纹通规均为1.5;螺纹止规2.5;其他所有项目4.0.
3.1.2六角螺栓:a.当公差等级为A、B级时,AQL分别为:
对边宽度、对角尺寸、螺纹通规、螺纹止规均为1.0;头下圆角半径 1.5;其他所有项目 2.5.
b.当公差等级为C级时,AQL分别为:
对边宽度、对角尺寸、螺纹通规、螺纹止规均为1.5;其他所有项目4.0.
3.1.3双头螺柱:a.当公差等级为A、B级时,AQL分别为:
对边宽度、对角尺寸、螺纹通规、螺纹止规均为1.0;其他所有项目:2.5.
b.当公差等级为C级时,AQL分别为:
对边宽度、对角尺寸、螺纹通规、螺纹止规均为1.5;其他所有项目4.0.
3.2检查比例(LQ10/AQL)的确定。
按生产者风险不大于5%的抽样方案定LQ10/AQL值为6.2(生产者风险等于5%)
3.3检查项目
3.3.1六角螺母
a. 主要项目——对边高度(S);对角尺寸(e);螺纹通规、螺纹止规。
b. 次要项目——厚度(m),外倒角圆直径(dw)内倒角圆直径(Da)螺纹底孔(D1)
3.3.2六角螺栓
精锐科技企业标准系列五金紧固件检验规范文件编号Q/JR02.03 年月日版本号A/01 第2页共4页
a. A、B级公差等级的主要项目——对边宽度(S),对角尺寸(e),头下圆角半径rmin,螺纹通规,螺纹止规;
b. C级公差等级的主要项目,——对边宽度(S),对角尺寸(e),螺纹通规,螺纹止规。
c. A、B级公差等级的次要项目——头厚(K),无纹处直径(ds),螺纹长度(b),螺杆长度(L)
c. C级公差等级的次要项目——头厚(K),头下圆角半径(rmin)无纹处直径(ds),螺纹长度(b),螺杆长度(L)。
3.3.3双头螺栓
a. 所有公差等级的主要项目——螺纹通规,螺纹止规。
b. 所有公差等级的次要项目——螺纹外径(d),螺纹长度
(b、bm、L1、L0、b1),螺杆长度(L),无纹处直径(ds)。
合格判定数(AC)合格质量水平(AQL)比率(LQ10/AQL)生产者风险(%)
0.65 1.0 1.5 2.5 4
样本大小(n)
2 125 80 50 32 20 6.2 5
注:如果批量等于或小于要求的样本大小、则须实施100%的检查。
检查结果将合格品收下,不合格品全数退回(拒收)。
4 机械性能检验要求(仅对单一规格数量≥5000件时适用)
4.1 AQL的确定
a. 对破坏性试验(抗拉强度σ,屈服强度σ0.2,伸长率δ,保证应力SP,楔负载强度)AQL=1.5;
b. 对非破坏性试验(硬度)AQL=0.65
4.2检查比例的确定(LQ10/AQL)
由于机械性能检查费用较高,为减少检查工作量,采用生产者为12%(合格判定数为0)的抽样方案。
LQ10/AQL值为16.5。
4.3检查项目
4.3.1材料用碳钢或合金钢不锈钢制造的六角螺母:硬度;保证应力。
4.3.2材料用碳钢和合金钢制造的螺栓、螺柱:硬度;抗拉强度;楔负载强度;脱碳层。
4.3.3材料用不锈钢制造的螺栓螺柱:抗拉强度硬度;屈服强度;伸长率。
抽样方案
合格制度数(AC)合格质量水平(AQL)比率(LQ10/AQL)生产者风险(%)
0.65 1.0 1.5 2.5 4.0
样本大小(n)
0 20 13 8 5 3 16.5 12
精锐科技企业标准系列五金紧固件检验规范文件编号Q/JR02.03 年月日版本号A/01 第3页共4页
5 外观缺陷检验要求
5.1 AQL的确定。
非破坏性检查的合格质量水平,AQL规定为0.65。
5.2样本的确定。
样本大小为20件。
5.3检查项目。
检验项目技术要求
标识代码代号铸印清晰、正确,位置准确
印刷包装图案文字清晰、正确
表面表面整洁,无毛刺、无机械损伤、凹瘪、无锈蚀、无渣、无油污及其它杂质
焊接紧固件焊缝采用热锡焊焊接直焊缝补焊不多于两处,焊疤平整,宽度不大于原焊缝的一倍,总长度不超过直缝长度的8%
原材料物理和化学结构符合图纸要求
镀覆镀层平整光滑,颜色均匀,无起皮和流痕、气孔、杂质等缺陷
5.4抽样方案
非破坏性检查的抽样方案
样本大小(n)合格判定数(AC)
20 0
80 1
注:当对抽查结果有争议时,应换n=20,AC=0的抽样方案进行仲裁检查。
破坏性检查的抽样方案
破坏性检查的抽样方案
有缺陷样品的数量样本大小(n)合格判定数(AC)
大于至
/ 8 2 0
8 15 3 0
15 25 5 0
25 50 8 0
50 / 13 0
6 抽样方法
6.1检查程序
规定合格质量水平(AQL)--- 规定检查比例-- 提交产品--- 检查标记--- 确定抽样方案随与不合格--- 接收合格批入库--- 处理不合格批(填写不合格品记录单)。
6.2.样本的检验
按规定的检验项目对样本逐个进行检验,以确定每个样本是合格品还是不合格品;各项目的检验方法及技术要求应按照《成品紧固件验收(尺寸)数据》,《紧固件产品机械性能》以及GB5779-86《紧固件表面缺陷》要求。
6.3判定批合格与不合格
精锐科技企业标准系列五金紧固件检验规范文件编号Q/JR02.03 年月日版本号A/01 第4页共4页
样本检验中发现有缺陷的样本数量,大于合格判定数AC时,则判为批不合格。
如果有缺陷的样本数量、小于等于合格判定数AC时,则判为合格。
6.4批的处置
经抽样检查、判定为合格的批整批接收;但在检验中发现的不合格品,应及时做好不合格品标识,作隔离处理。
判定为不合格的批、原则上整批退回上道工序,有责任工序的检验员对拒收批中不合格项目作100%的重检,剔除不合格品后,再次向成品检验员提交检验。
设计(日期)审核(日期)核对(日期) 批准(日期)
标记处数更必文件号签名日期。