紧固件检验规范
- 格式:docx
- 大小:77.86 KB
- 文档页数:9
紧固件验收规范1.验收目的为保证我公司外购紧固件符合技术要求,满足整机装配的需求,最终生产出合格的产品,对外购紧固件进行质量控制,根据GB/T90.1-2002《紧固件验收检查》,制定本规范。
2.适用范围本规范为通用规范,主要适用于各种外购的紧固件,并包括客户财产,如螺栓、螺钉、螺柱和螺母,以及平垫圈、销、盲铆钉等等。
其他紧固件,没有相应的专用验收规范的,可以参照本规范执行。
否则,按照相应的专用验收规范执行。
3.验收规则3.1 紧固件必须有发货清单、产品合格证、质量检验报告、第三方材质、机械性能等报告,非标准紧固件还必须有图纸,有批次号的还必须核对批次号,否则拒绝验收。
3.2 对于高强度螺栓需出具产品经100%目视检查和100%磁粉检验或其他无损检验的报告否则拒绝验收3.3 紧固件的验收,在没有特殊规定的情况下,采取抽样检验的原则。
3.4 所有紧固件的入库检验由入库检验员负责,拉力试验、磁粉探伤等项目由其委托理化中心实施。
3.5 表面质量检验采用目测检验。
4.检验项目4.1 所有紧固件型号必须与交检清单提供的型号相符。
4.2 表面质量4.2.1紧固件表面无裂缝、裂纹、凹痕、切痕、皱纹、损伤,以及锈蚀、毛刺、磕碰伤等缺陷,具体可以参照GB/T5779.1-2000《紧固件表面缺陷螺栓、螺钉和螺柱一般要求》及GB/T5779.3-2000《紧固件表面缺陷螺栓、螺钉和螺柱特殊要求》。
4.2.2 交检过程中只要发现有一件裂纹,则该批次做退回处理。
4.2.3 紧固件表面电镀层或氧化层应均匀致密、完整光亮无色差。
4.2.4 紧固件的标志与包装按照GB/T90.2-2002《紧固件标志与包装》执行,标记方法按照GB/T1237-2000《紧固件标记方法》进行标记。
4.2.5紧表面质量检查采用抽样检验的方法,按照公司文件《抽样方案、判定准则ZG/NGC8.2.4-04》中规定的抽样检验用表加严检验方案实施。
4.3 尺寸特性4.3.1 紧固件的各部分尺寸应符合图纸或相应的国家标准。
1. 目的为了严格控制紧固件产品质量,规范紧固件检验标准,为采购该产品的验收工作提供指导依据。
2. 适用范围本规范适用于螺钉、螺母、垫圈等相关的紧固件。
3. 引用标准GB/T 196-81普通螺纹 基本尺寸GB/T 3103.1-82紧固件公差 螺柱、螺钉和螺母 GB1237-88紧固件的标记方法 GB/T 90-85紧固件验收检查 标志与包装 GB/T 93-87 标准型弹簧垫圈 GB/T 894.1-1986轴用弹性挡圈GB/T 5779.1-86紧固件表面缺陷——螺栓、螺钉和螺栓——一般要求。
GB/T 5779.2-86紧固件表面缺陷——螺母——一般要求 JBT 9163.17-1999 带肩六角螺母尺寸 GB/T 1096-2003 普通型 平键 4. 技术要求紧固件的应用非常广泛,其材质也很多。
螺钉螺母的主要材质有碳钢、不锈钢、高强度钢和塑钢等几个种类,其中碳钢螺母和不锈钢螺母较为常见,高强度钢螺母和塑钢螺母则多用于满足特殊环境要求。
垫圈通常材质有普通碳钢,不锈钢等,一般用Q235钢;弹簧垫圈用的一般是弹簧钢,一般用65Mn 钢。
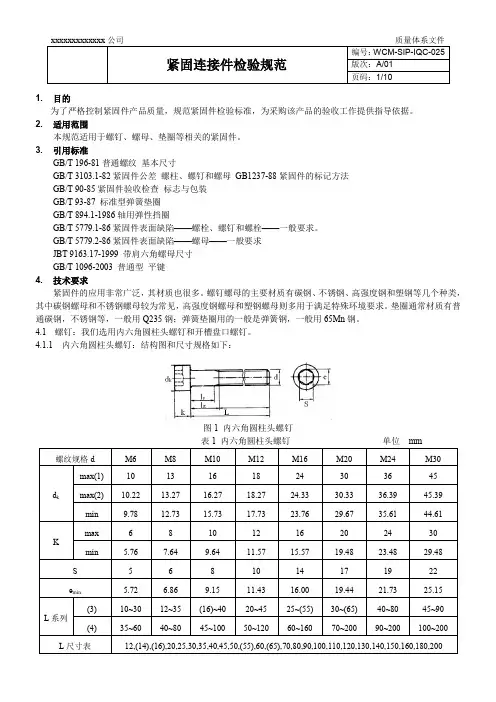
4.1 螺钉:我们选用内六角圆柱头螺钉和开槽盘口螺钉。
4.1.1 内六角圆柱头螺钉:结构图和尺寸规格如下:图1 内六角圆柱头螺钉4.1.2开槽盘头螺钉:结构及尺寸规格如下:图2 开槽盘头螺钉4.1.3 螺杆螺纹长度尺寸:表3 螺杆螺纹长度尺寸及公差 单位 mm4.2 螺母:一般采用六角螺母,其结构及尺寸规格如下:图3 六角螺母结构图表4 六角螺母尺寸 单位 mm4.3.1 标准型弹簧垫圈:结构及尺寸规格如下:图4 标准型弹簧垫圈表5 标准型弹簧垫圈尺寸 单位 mm4.3.2 平垫圈:结构及尺寸规格如下:图5 平垫圈4.4挡圈:4.4.1 轴用弹性挡圈:结构及尺寸规格如下:图6 轴用弹性挡圈(d0为轴径)表7 轴用弹性挡圈尺寸规格单位mm4.4.2 孔用弹性挡圈:结构及尺寸规格如下:图7 孔用弹性挡圈A 型,B 型4.5平键:4.5.1外形及尺寸如下图所示:图8 A 、B 、C 型平键结构表9 平键尺寸规格4.5.2 硬度:45#钢平键的硬度标准为:(230~295)kgf/mm2 。
修订记录一、目的对所采购的标准件的质量进行控制,对进货检验所涉及的技术要求、检验方法、抽样等进行规定。
二、适用范围适用于螺栓、螺母、平垫、弹垫、销轴等标准件的进货检验。
三、一般性检查(按S-3级, AQL=2.5)3.1 查随货技术资料质量证明书,证明该标准符合标准要求和订货合同证明书应包括:1. 供方名称或厂标;2. 制造依据的标准;3. 精度级别;4. 表面处理方法。
3.2 外观检查3.2.1抽查是否有等级钢印标志a) 性能等级为4.6、5.6及≥8.8级的螺栓、螺钉必须标志;b) 性能等级为5级及≥8级的螺母必须标志;c) 螺纹直径≥5mm的螺栓、螺钉、螺母才需要标志。
3.2.2 螺钉表面:表面应光洁、平整、无毛刺、无锈斑、无缺牙、无烂牙,镀层不得有起泡、脱落或锌白等缺陷,厚度应满足规定要求。
四、尺寸检查(按S-3级,AQL= 2.5) 依据相关的国标或技术要求进行检查4.1 对螺栓、螺钉及螺母,应检查螺纹大小径、螺纹导入长度、螺距,同时使用相应的螺纹规止通规进行检测;a) 电镀前的螺栓、螺钉应使用公差等级为6g螺纹环规检查,电镀后的螺栓、螺钉应使用公差等级为6h螺纹环规检查;b) 电镀前的螺母应使用公差等级为6G螺纹止通规及塞规检查,电镀后的螺母应使用公差等级为6H螺纹止通规及塞规检查;c) 螺栓、螺母、螺钉通规检查须每个螺纹能顺利通过才合格,止规检查最多只能通过两个螺纹才合格。
4.2 对自攻螺钉类,按标准要求进行螺纹尺寸检测:螺纹外径、末端外径、螺纹导入长度、螺距。
五、性能检查5.1 硬度检查(每批抽3Pcs试验,按Ac/Re=0/1判定)a) 根据实际情况,对大于或等于M8的螺栓、螺钉、螺母直接在洛氏硬度计上测试即可;b) 有机械性能等级要求时,按对应的国标或图纸进行检验;未作要求时;螺栓、螺钉必须为4.8级,螺母必须为8级;c) 对于自攻、自挤螺钉,硬度检测应制成镶件,测试其表面硬度、芯部硬度及渗碳层深度。
紧固件来料抽样检验规范(ISO9001-2015)1.0目的为了规范紧固件来料检验及抽样计划,并促进来料质量的提高,特制定该检验规范。
2.0适用范围适用于公司IQC对紧固件来料的检验。
3.0规范性引用文件(版本以公司最新发布版本为准)GB/T 2828.1-2013 计数抽样检验程序第1部分GB/T 197-2003 普通螺纹公差4.0通用验收标准和基本规则4.1 如无特殊说明(如不锈钢、镀镍等),国标紧固件按照镀彩锌检验。
4.2 公差等级根据图纸要求进行检验,图纸尚未规定或无图纸的,按照下面要求执行:对外螺纹规定三种公差带位置:g、f、e;对内螺纹规定二种公差带位置:H、G;镀后螺纹的实际轮廓上的任何点均不应超越H、h确定的最大实体牙型;电镀螺纹紧固件必须同时满足镀层厚度和旋合性两方面的要求。
5.0检验内容检验项目检验方式检验方法、标准检验手段备注包装GB2828.1-2003IL=IAQL=1.0外包装实行全检(0,1)1、内、外包装均要求防潮且无破损。
2、内包装应有厂家标识,内容包括但不限于:物料名称、规格型号、数量、批次号。
目测外观GB2828.1-2003IL=IAQL=1.01、表面镀层致密、均匀一致,无麻点、黑点、疙瘩、起泡、脱落等缺陷。
电镀层应有光泽。
2、紧固件的螺纹牙型不能有磕碰、损伤现象,其余部分的损伤应不影响产品的使用性。
3、紧固件不能带有毛刺、利角。
目测尺寸螺纹尺寸1~100件抽 2PCS(0,1)>100件抽4PCS(0,1)应满足通规通,止规止(检验时可使用相对应的螺钉、螺母进行适配)。
螺纹通止规其它尺寸1~100件抽 2PCS(0,1)>100件抽4PCS(0,1)根据图纸进行检验,没有图纸的紧固件螺纹大小径、有效长度、头部直径、槽型符合国家标准要求。
卡尺镀层耐蚀性原则上1次/每厂家/每月,平时可根据需求随时抽测按照GB/T 10125-1997《人造气氛腐蚀试验盐雾试验》,采用中性(NSS)盐雾试验进行连续喷雾测试。
最新标准紧固件生产质量检验规范及新工艺管理实用手册第二篇标准紧固件产品质量检验螺栓一、螺栓综述1.螺栓的尺寸代号与标注(cB/15276—1985)2.六角产品的对边宽度(GB厂13104—1982)3.标准系列六角头螺栓的对边宽度和头部高度的极限值(GB/I5782—2000、GB厂r5783—2000)4.普通螺栓的螺纹长度(GB厂13106—1982)二、螺栓的尺寸1.c级六角头螺栓(GB/I5780—2000)2.c级全螺纹六角头螺栓(GB厂r5781—2000)3.六角头螺栓(GB厂r5782—2000)三、螺栓的重量1.B级细杆六角头螺栓(适用于GB/15784—1986)2.A和级六角头头部带槽螺栓(适用于Gl/1291—1988)3.十字憎凹穴六角头螺栓(适用于GB/rf西.2—19~08)、螺柱一、螺柱综述1.螺柱的尺寸代号与标注(GB/rF5276—1985)2.螺柱的有关结构尺寸3.螺柱的种类蔺介4.螺柱的用途简述二、螺柱的尺寸1.双头螺柱(bnl=l(1)(cI{厂1897—1988)2.双头螺柱(bnl=1.25d)(GB/1898—1988)3.双头螺柱(bm=1.5d)(GB/T899—1988)三、螺柱的重量1.双头螺柱(bm=ld)(适用于cB厂I897一1988)2.双头螺柱(bnl=1.25d)(适用于GB厂1898—1988)3.双头螺柱(bm=1.5d)(适用于GB厂11899—1988)、螺钉一、螺钉综述1.螺钉的尺寸代号与标注(GB厂r5276—1985)2.螺钉用十字槽(GB厂1944.1—1985)3.螺钉(和螺栓)用内六角花形(GB厂16188—2000)二、螺钉的尺寸1.开槽圆柱头螺钉(cB/I65—2000)2开槽盘头螺钉(cB厂F67—2000)3.开槽沉头螺钉(c13厂168~2000)三、螺钉的重量1.开槽圆柱头螺钉(适用于GB /1砸一2000)2.开槽盘头螺钉(适用于GIj/167—2000)3.开槽沉头螺钉(适用于GB/168—2000)4.开槽半沉头螺钉(适用于GB/F69-一2000)、螺母一、螺母综述1.螺母的尺寸代号与标注(GB/15276-一1985)2.粗牙螺纹螺母的机械性能(G13/13098.2—2000)3.细牙螺纹螺母的机械性能(GB/13098.4—2000)二、螺母的尺寸1.c级六角螺母(GI/l4l一2000)2.1型六角螺母(GB/l6170一2000)3.细牙l型六角螺母(GB/r617l一2000)4.2型六角螺母(GB/116175—2000)三、螺母的重量1.小六角特扁细牙螺母(适用于G13/1808—1988)2.六角厚螺母(适用于GB/I56—1988)3.球面六角螺母(适用于GB/I804—1988)、自攻螺钉一、自攻螺钉综述1.自攻螺钉的尺寸代号与标注2.自攻螺钉用螺纹(cB厂I5280—1985)3.沉头和半沉头自攻螺钉用沉孔的有关结构尺寸(GB厂n52.2—1988)二、自攻螺钉的尺寸1.开槽盘头自攻螺钉(GB厂15282—1985)2.开槽沉头自攻螺钉(cB/15283—1985)3.开槽半沉头自攻螺钉(cB厂I5284—1985)三、自攻螺钉的重量1.开槽盘头自攻螺钉(适用于GB/15282—1985)2.开槽沉头自攻螺钉(适用于GB/15283—1985)3.开槽半沉头自攻螺钉(适用于GB厂5284—1985)4.十字槽盘头自攻螺钉(适用于cB/I845—1985)、木螺钉一、木螺钉综述1.木螺钉的尺寸代号与标注2.沉头和半沉头木螺钉用沉孔尺寸(GB /11显2—1988)3.木螺钉的技术条件(cB/1922—1986)二、木螺钉的尺寸1.开槽圆头木螺钉的有关结构尺寸(G13僻1986)2.开槽沉头木螺钉的有关结构尺寸(Gln0D一1986)3.开槽半沉头木螺钉的有关结闯尺寸(GⅣ1101—1986)三、木螺钉的重量1.开槽圆头木螺钉(适用于cI199-一1986)2.开槽沉头木螺钉(适用于GI/r1130—1986)3.开槽半沉头木螺钉(适用于GB/1101—1986)、垫圈一、垫圈综述1.垫圈的尺寸代号与标注GⅣ15286-一1986)3.平垫圈的机械性能和表面处理4.弹簧垫圈的技术条件(GB/IW.1—1987)二、垫圈的尺寸1.A级小垫圈(GⅣ1848—1985、)2.A级平垫圈(GI{/1971—1985)3 7A级倒角型平垫圈(cB/1972—1985)三、垫圈的重量1.A级小垫圈(适用于cB/848—1985)2.A级平垫圈(适用于GB/1971—1985)3.A级倒角型平垫圈(适用于Gll197.2—1985)、挡圈一、挡圈综述1.当圈的尺寸代号与标注.弹性挡圈的技术条件(GB/1959.1—1986)3.钢丝挡圈的技术条件(GB/1959.2—1986)二、挡圈的尺寸1.A型孔用弹性挡圈(GB厂1893.1—1986)2.B型孔用弹性挡圈(GB厂I893.2—1986)3.A型轴用弹性挡圈(GB厂1894.1—1986)三、挡圈的重量1.A型孔用弹性挡圈(适用于GB/T893.1—1986)2.B型孔用弹性挡圈(适用于GB/I893.2一t986)3.A型轴用弹性挡圈(适用于GB/T894.1—1986)、销一、销的综述1.销的尺寸代号与标注2.开口销的技术条件(GB/119l一2000)3.销的技术条件(GB厂r121—1986)二、销的尺寸1.开口销(GB/19l一2000)2.不淬硬锈邢奥氏体不锈钢圆I赫肖(GB/n19.1—2f130)3.淬硬钢和马氏体不锈钢圆柱销(GB厂119.卜2000)4.不淬硬钢和奥氏体不锈钢内螺纹圆柱销(CB厂r120.1—2000)三、销的重量1.螺纹圆柱销(适用于GB/I878—1986)2.带孔销(适用于GB/I880-一1986)3.销轴(适用于GB/rI882—1986)4.开尾圆锥销(适用于GBI877—1986)、铆钉一、铆钉综述1.铆钉的尺寸代号与标注2.铆钉用通孔(GB厂r152.1—1988)3.铆钉的技术条件(GB/r116—1986)二、铆钉的尺寸1.半圆头铆钉(GB厂I867—1986)2.粗制半圆头铆钉(GB厂I863.1—1986)3.粗制小半圆头铆钉(GB/I863.2一1986)三、铆钉的重量1.半圆头铆钉(适用于GB/P867—1986)2.粗制半圆头铆钉(适用于GB/T863.1—1986)3.粗制小半圆头铆钉(适用于GB/I863.2—1986)4.平锥头铆钉(适用于GB厂I868一1986)、紧固件一组合件及连接副、焊钉无头焊钉(cB/r10432一1989)电弧螺柱焊用圆柱头焊钉(GB/T10433—2002)一、铆钉综述1.铆钉的尺寸代号与标注2.铆钉用通孔(GB厂r152.1—1988)3.铆钉的技术条件(GB/r116—1986)二、铆钉的尺寸1.半圆头铆钉(GB厂I867—1986)2.粗制半圆头铆钉(GB厂I863.1—1986)3.粗制小半圆头铆钉(GB/I863.2一1986)三、铆钉的重量1.半圆头铆钉(适用于GB/P867—1986)2.粗制半圆头铆钉(适用于GB/T863.1—1986)3.粗制小半圆头铆钉(适用于GB/I863.2—1986)4.平锥头铆钉(适用于GB厂I868一1986)第一篇标准紧固件生产技术基础知识第一章术语第二章标记和标注第三章结构要素第四章公差1.螺栓、螺钉和螺柱公差(c13厂13103l一2002)2.螺母公差(GI/13103.1—2002)3.自攻螺钉公差(GB厂13103.1—2002)第五章机械性能和工作性能1.螺栓、螺钉和螺柱(cB/13098.1—2000)2.螺母(GB厂13098.2—2000和c13/13098.4—2000)3.有效力矩型钢六角锁紧螺母(GI13098.9—2002)第六章试验及检测方法1.机械性能试验方法2.紧固件横向振动试验方法(Glj/r1043l一1989)3.螺纹紧固件轴向载荷疲劳试验方法(cIj/n3682~1992)第七章表面缺陷1.螺栓、螺钉和螺柱表面缺陷的一般要求(GB/T5779.1—2000)2.螺母表面缺陷(GB/15779.2—2000)3.螺栓、螺钉和螺柱表面缺陷的特殊要求(GB/i779.3—2000)第八章验收检查、标志与包装1.验收检查(cIj190.1—2002)2.标志与包装(GB/190.2—2002)第九章螺纹紧固件表面涂镀层1.电镀层(GB/15267.1—2002)2.非电解锌片涂层(GB/I5267.2—2002)第十章技术条件1.螺栓、螺钉、螺柱和螺母通用技术条件(GB/T16938—1997) 2.弹性垫圈技术条件(GB/rr94.1~94.3—1987)3.止动垫圈技术条件(GB厂198—1988)第二篇标准紧固件产品质量检验第一章螺栓一、螺栓综述1.螺栓的尺寸代号与标注(cB/15276—1985)2.六角产品的对边宽度(GB厂13104—1982)3.标准系列六角头螺栓的对边宽度和头部高度的极限值(GB/I5782—2000、GB厂r5783—2000)4.普通螺栓的螺纹长度(GB厂13106—1982)二、螺栓的尺寸1.c级六角头螺栓(GB/I5780—2000)2.c级全螺纹六角头螺栓(GB厂r5781—2000)3.六角头螺栓(GB厂r5782—2000)三、螺栓的重量1.B级细杆六角头螺栓(适用于GB/15784—1986)2.A和级六角头头部带槽螺栓(适用于Gl/1291—1988)3.十字憎凹穴六角头螺栓(适用于GB/rf西.2—19~08)第二章螺柱一、螺柱综述1.螺柱的尺寸代号与标注(GB/rF5276—1985)2.螺柱的有关结构尺寸3.螺柱的种类蔺介4.螺柱的用途简述二、螺柱的尺寸1.双头螺柱(bnl=l(1)(cI{厂1897—1988)2.双头螺柱(bnl=1.25d)(GB/1898—1988)3.双头螺柱(bm=1.5d)(GB/T899—1988)三、螺柱的重量1.双头螺柱(bm=ld)(适用于cB厂I897一1988)2.双头螺柱(bnl=1.25d)(适用于GB厂1898—1988)3.双头螺柱(bm=1.5d)(适用于GB厂11899—1988)第三章螺钉一、螺钉综述1.螺钉的尺寸代号与标注(GB厂r5276—1985)2.螺钉用十字槽(GB厂1944.1—1985)3.螺钉(和螺栓)用内六角花形(GB厂16188—2000)二、螺钉的尺寸1.开槽圆柱头螺钉(cB/I65—2000)2开槽盘头螺钉(cB厂F67—2000)3.开槽沉头螺钉(c13厂168~2000)三、螺钉的重量1.开槽圆柱头螺钉(适用于GB/1砸一2000)2.开槽盘头螺钉(适用于GIj/167—2000)3.开槽沉头螺钉(适用于GB/168—2000)4.开槽半沉头螺钉(适用于GB/F69-一2000)第四章螺母一、螺母综述1.螺母的尺寸代号与标注(GB/15276-一1985)2.粗牙螺纹螺母的机械性能(G13/13098.2—2000)3.细牙螺纹螺母的机械性能(GB/13098.4—2000)二、螺母的尺寸1.c级六角螺母(GI/l4l一2000)2.1型六角螺母(GB/l6170一2000)3.细牙l型六角螺母(GB/r617l一2000)4.2型六角螺母(GB/116175—2000)三、螺母的重量1.小六角特扁细牙螺母(适用于G13/1808—1988)2.六角厚螺母(适用于GB/I56—1988)3.球面六角螺母(适用于GB/I804—1988)第五章自攻螺钉一、自攻螺钉综述1.自攻螺钉的尺寸代号与标注2.自攻螺钉用螺纹(cB厂I5280—1985)3.沉头和半沉头自攻螺钉用沉孔的有关结构尺寸(GB厂n52.2—1988) 二、自攻螺钉的尺寸1.开槽盘头自攻螺钉(GB厂15282—1985)2.开槽沉头自攻螺钉(cB/15283—1985)3.开槽半沉头自攻螺钉(cB厂I5284—1985)三、自攻螺钉的重量1.开槽盘头自攻螺钉(适用于GB/15282—1985)2.开槽沉头自攻螺钉(适用于GB/15283—1985)3.开槽半沉头自攻螺钉(适用于GB厂5284—1985)4.十字槽盘头自攻螺钉(适用于cB/I845—1985)第六章木螺钉一、木螺钉综述1.木螺钉的尺寸代号与标注2.沉头和半沉头木螺钉用沉孔尺寸(GB/11显2—1988)3.木螺钉的技术条件(cB/1922—1986)二、木螺钉的尺寸1.开槽圆头木螺钉的有关结构尺寸(G13僻1986)2.开槽沉头木螺钉的有关结构尺寸(Gln0D一1986)3.开槽半沉头木螺钉的有关结闯尺寸(GⅣ1101—1986)三、木螺钉的重量1.开槽圆头木螺钉(适用于cI199-一1986)2.开槽沉头木螺钉(适用于GI/r1130—1986)3.开槽半沉头木螺钉(适用于GB/1101—1986)第七章垫圈一、垫圈综述1.垫圈的尺寸代号与标注GⅣ15286-一1986)3.平垫圈的机械性能和表面处理4.弹簧垫圈的技术条件(GB/IW.1—1987)二、垫圈的尺寸1.A级小垫圈(GⅣ1848—1985、)2.A级平垫圈(GI{/1971—1985)3 7A级倒角型平垫圈(cB/1972—1985)三、垫圈的重量1.A级小垫圈(适用于cB/848—1985)2.A级平垫圈(适用于GB/1971—1985)3.A级倒角型平垫圈(适用于Gll197.2—1985)第八章挡圈一、挡圈综述1.当圈的尺寸代号与标注:.弹性挡圈的技术条件(GB/1959.1—1986)3.钢丝挡圈的技术条件(GB/1959.2—1986)二、挡圈的尺寸1.A型孔用弹性挡圈(GB厂1893.1—1986)2.B型孔用弹性挡圈(GB厂I893.2—1986)3.A型轴用弹性挡圈(GB厂1894.1—1986)三、挡圈的重量1.A型孔用弹性挡圈(适用于GB/T893.1—1986)2.B型孔用弹性挡圈(适用于GB/I893.2一t986)3.A型轴用弹性挡圈(适用于GB/T894.1—1986)第九章销一、销的综述1.销的尺寸代号与标注2.开口销的技术条件(GB/119l一2000)3.销的技术条件(GB厂r121—1986)二、销的尺寸1.开口销(GB/19l一2000)2.不淬硬锈邢奥氏体不锈钢圆I赫肖(GB/n19.1—2f130) 3.淬硬钢和马氏体不锈钢圆柱销(GB厂119.卜2000) 4.不淬硬钢和奥氏体不锈钢内螺纹圆柱销(CB厂r120.1—2000)三、销的重量1.螺纹圆柱销(适用于GB/I878—1986)2.带孔销(适用于GB/I880-一:1986)3.销轴(适用于GB/rI882—1986)4.开尾圆锥销(适用于GBI877—1986)第十章铆钉一、铆钉综述1.铆钉的尺寸代号与标注2.铆钉用通孔(GB厂r152.1—1988)3.铆钉的技术条件(GB/r116—1986)二、铆钉的尺寸1.半圆头铆钉(GB厂I867—1986)2.粗制半圆头铆钉(GB厂I863.1—1986)3.粗制小半圆头铆钉(GB/I863.2一1986)三、铆钉的重量1.半圆头铆钉(适用于GB/P867—1986)2.粗制半圆头铆钉(适用于GB/T863.1—1986) 3.粗制小半圆头铆钉(适用于GB/I863.2—1986) 4.平锥头铆钉(适用于GB厂I868一1986)第十一章紧固件一组合件及连接副第十二章焊钉无头焊钉(cB/r10432一1989)电弧螺柱焊用圆柱头焊钉(GB/T10433—2002)第三篇新工艺管理概论第一章新工艺管理工作的意义及发展概况第二章新工艺及其管理的基本概念第三章全生命周期新工艺管理数字化系统第四章新工艺管理体系与责任制第四篇产品开发设计阶段的新工艺工作第一章生产的工艺准备第二章新工艺调查与研究第三章产品结构工艺性审查第四章零件结构的新工艺性第五章面向制造的设计技术第六章新工艺准备的计划与控制第五篇新工艺设计及其管理第一章新工艺方案和新工艺路线的设计第二章成组工艺设计第三章新工艺规程设计第四章计算机辅助新工艺过程设计第五章新工艺技术验证与工艺验证第六章数控程序编制第六篇工艺知识及其管理第一章知识与工艺知识概述第二章工艺知识分类和编码体系第三章工艺知识表达第四章=T二艺知识的存储第五章工艺知识数据仓库的优化第六章工艺知识挖掘第七章工艺知识的检索第八章工艺知识的发布第九章工艺知识管理水平评价。
紧固件检验规范
1、适用范围
本规范规定了紧固件类产品的检验项目,其中相关参数依据各产品元器件检验工艺或国家标准。
2、存储期
紧固件类产品存储期为半年,超过存储期可在使用前一个月二次报检,检验合格后方可使用。
3、包装检验
产品包装盒上要清楚标明生产厂家、名称、数量、器件编号、生产日期等。
包装应无破损、变形、浸湿等现象。
4、产品对照
产品包装上或产品上标注的型号、外形尺寸应符合产品BOM或规格书中此器件的描述,与样件对比其外形及颜色应与样件一致,供方应为合格供应商。
5、外观检验
5.1 检验方法:对照样品及图纸,用目测或用放大镜辅助检验,目测距离0.3~
0.5m。
5.2 外观要求
5.2.1 表层应光洁色泽均匀,无沾污、毛刺、裂纹、锈蚀等缺陷,丝扣完好,无
漏丝现象。
5.2.2 螺钉头及末端的形状应符合相关文件要求,头部起子槽不应有杂物阻塞。
5.2.3 形状规则,无明显变形,组合件无漏件或错件等现象。
6、外形尺寸检验
6.1 测试仪器:游标卡尺、丝规。
6.2 外形尺寸检验
螺钉的主要测试尺寸:长度H,粗细C,头部直径D。
外形尺寸及误差应符合产品BOM描述或技术规格书的要求。
7、头部坚固性检验
将螺钉放入专用夹具内,用锤将螺钉头部打至支撑面于夹具斜面接触,在螺钉头部、支撑面与螺杆过渡圆角处,不应产生任何裂缝。
紧固件检验规范1.适用范围:适用于外购输电线路铁塔、输电线路附件及通讯塔用紧固件的检验。
2.引用标准:GB/T2694《输电线路铁塔制造技术条件》GB5780《六角头螺栓--C级》GB90《紧固件验收检查、标志与包装》GB/T2828.1《按接收质量限(AQL)检索的逐批检验抽样计划》GB/T41《六角头螺母--C级》GB/T3098.1《紧固件机械性能螺栓、螺钉和螺柱》GB/T3098.2《紧固件机械性能螺母粗牙螺纹》GB/T5779.1《紧固件表面缺陷螺栓、螺钉和螺柱》一般要求GB/T5779.2《紧固件表面缺陷螺母》GB/T90.1《紧固件验收检查》DL/T764.4《输电线路铁塔及电力金具紧固用冷镦热浸镀锌螺栓与螺母》GB95《平垫圈C级》3.职责质量管理部负责本规程的实施。
4.检验模式批量检验一般外购产品是在30000--150000件时,在批量中进行随机抽样检查,抽样样本单位为80件。
结构部分5.抽样项目5.1螺栓抽样项目及检验方法见表55.2螺母抽样项目及检验方法见表65.3脚钉抽样项目及检验方法见表75.4平垫圈抽样项目及检验方法见表86.质量等级产品批量检查应判定质量等级。
6.1螺栓质量等级判定按表1规定执行表1 螺栓质量等级判定表n--样本大小 c--合格判定数6.2螺母质量等级判定按表2规定执行表2 螺母质量等级判定表n--样本大小 c--合格判定数6.3脚钉质量等级判定按表3规定执行表3 脚钉质量等级判定表n--样本大小 c--合格判定数6.4平垫圈质量等级判定按表4规定执行表4平垫圈质量等级判定表n--样本大小 c--合格判定数7.检验程序7.1在批量中随机抽取样本。
7.2外观检查7.3尺寸精度检查7.4机械性能试验7.5质量等级判定8.检查8.1对样本进行逐项检查,并分项记录其缺陷数.若某项缺陷数大于该项的判定数c,则该项抽查不合格;若某项缺陷数小于或等于其判定数c,则该项抽查符合其质量等级。
标准修订记录表QJ紧固件(螺栓、螺钉、螺柱和螺母)检验规范XXXXXXXXXXXXXXX有限公司发布目次前言................................................................... II1 范围 (1)2 规范性引用文件 (1)3 技术要求及试验方法 (1)4 检验规则 (3)5 标志、包装、运输和贮存 (4)附录 A (规范性附录)检验报告模板 (5)附录 B (规范性附录)头部坚固性试验 (6)前言发布的标准,作为公司内部使用的技术法规性文件。
本紧固件(螺栓、螺钉、螺柱和螺母)检验规范1 范围本标准规定了螺栓、螺钉、螺柱和螺母的技术要求及试验方法,标志、包装、运输和贮存。
本标准适用于公司产品用螺栓、螺钉、螺柱和螺母的检验。
2 规范性引用文件下列文件对于本文件的引用是必不可少的,凡是注日期的引用文件,仅注日期的版本适用于本文件。
凡是不注日期的引用文件,其最新版本(包括所有的修改单)适用于本文件。
GB/T 90.2 紧固件标志与包装GB/T 3098.1 紧固件机械性能螺栓、螺钉和螺柱GB/T 3098.2 紧固件机械性能螺母粗牙螺纹GB/T 3098.3 紧固件机械性能紧定螺钉GB/T 3098.4 紧固件机械性能螺母细牙螺母GB/T 3098.6 紧固件机械性能不锈钢螺栓、螺钉、螺柱和螺母GB/T 3098.15 紧固件机械性能不锈钢螺母GB/T 3098.16 紧固件机械性能不锈钢紧定螺钉GB/T 4334 金属和合金的腐蚀不锈钢晶间腐蚀试验方法GB/T 6478 冷镦和挤压用钢GB/T 17880.6 铆螺母技术条件Q 04 环保标识使用管理规定(试行)Q 1.001 静电粉末喷涂涂膜质量检验要求Q 1.011 外协外购件入厂验收通则Q 99.003 金属零部件涂(镀)层表面质量的检验规范Q 001 环保产品中有害物质控制管理规定3 技术要求及试验方法3.1 外观3.1.1 技术要求产品应消除污垢及金属屑,不应有任何部位上的淬火裂缝、凹痕、皱纹和损伤,表面不应有锈斑,表面镀层应光滑、色泽均匀,锐边倒钝。
修订记录一、目的对所采购的标准件的质量进行控制,对进货检验所涉及的技术要求、检验方法、抽样等进行规定。
二、适用范围适用于螺栓、螺母、平垫、弹垫、销轴等标准件的进货检验。
三、一般性检查(按S-3级,AQL=2.5)3.1查随货技术资料质量证明书,证明该标准符合标准要求和订货合同证明书应包括:1. 供方名称或厂标;2. 制造依据的标准;3. 精度级别;4. 表面处理方法。
3.2外观检查3.2.1抽查是否有等级钢印标志a)性能等级为4.6、5.6及》8.8级的螺栓、螺钉必须标志;b)性能等级为5级及》8级的螺母必须标志;c)螺纹直径》5mm的螺栓、螺钉、螺母才需要标志。
3.2.2螺钉表面:表面应光洁、平整、无毛刺、无锈斑、无缺牙、无烂牙,镀层不得有起泡、脱落或锌白等缺陷,厚度应满足规定要求。
四、尺寸检查(按S-3级,AQL= 2.5)依据相关的国标或技术要求进行检查4.1对螺栓、螺钉及螺母,应检查螺纹大小径、螺纹导入长度、螺距,同时使用相应的螺纹规止通规进行检测;a)电镀前的螺栓、螺钉应使用公差等级为6g螺纹环规检查,电镀后的螺栓、螺钉应使用公差等级为6h螺纹环规检查;b)电镀前的螺母应使用公差等级为6G螺纹止通规及塞规检查,电镀后的螺母应使用公差等级为6H螺纹止通规及塞规检查;c)螺栓、螺母、螺钉通规检查须每个螺纹能顺利通过才合格,止规检查最多只能通过两个螺纹才合格。
4.2对自攻螺钉类,按标准要求进行螺纹尺寸检测:螺纹外径、末端外径、螺纹导入长度、螺距。
五、性能检查5.1硬度检查(每批抽3Pcs试验,按Ac/Re=0/1判定)a)根据实际情况,对大于或等于M8的螺栓、螺钉、螺母直接在洛氏硬度计上测试即可;b)有机械性能等级要求时,按对应的国标或图纸进行检验;未作要求时;螺栓、螺钉必须为4.8级,螺母必须为8级;c)对于自攻、自挤螺钉,硬度检测应制成镶件,测试其表面硬度、芯部硬度及渗碳层深度。
1. 自攻、自挤螺钉热处理后的表面硬度应》450HV0.32. 自攻钉热处理后的芯部硬度:螺纹w ST3.9 : 270~390 HV5螺纹w ST4.2 : 270~390 HV103. 自挤螺钉热处理后芯部硬度应为290~370HV104. 自攻螺纹规格与渗碳层的关系:5.自挤螺钉螺纹规格与渗碳层的关系:6. 自攻螺钉表面硬度测试应在平面上进行,并优先在头部进行。
贵阳高原矿山机械股份有限公司企业标准紧固件进厂检验规程1 目的规范及指导检验人员对紧固件的进厂检验工作,确保紧固件的质量。
2 适用范围本规程适用于紧固件的进厂检验。
3 检验依据标准GB/T5783《六角头螺栓—全螺纹—A和B级》标准GB/T6170《1型六角头螺母—A和B级》标准GB/T6171《1型六角头螺母—细牙—A和B级》标准GB93《标准型弹簧垫圈》4 抽样4.1 抽样方法对于批量,按5%进行抽样,如全部合格,则批件合格;其中有不合格者,加倍抽检;仍有不合格,则该批不合格。
5 检验内容及方法5.1 供方资质检查检查供方提供的产品质量合格证书、合格的质量保证体系证书。
5.2 螺栓、螺母外观、尺寸检查5.2.1用游标卡尺、钢板尺和卷尺进行尺寸检查应符合表1、表2、表3的规定。
5.2.2表面质量检查目测螺栓头、螺母表面等级标识,螺栓、螺母的螺纹表面不允许有妨碍螺纹自由旋入的碰伤和毛刺;不允许有影响使用的双牙尖,划痕和扣不完整,不允许有影响使用的凹痕、毛刺、裂纹、斑疤、条痕和氧化皮,不允许有浮锈和烧伤。
5.2.3硬度试验只用与于螺栓8.8级,用洛氏硬度机测量其硬度,测量值应符合d≤M16 HRC为22~32;d>M16 HRC为25~35。
5.3 垫圈外观、尺寸检查5.3.1目测垫圈表面不允许有裂缝、浮锈和氧化皮。
不允许有影响使用的纵向裂缝、凹痕、毛刺。
5.3.2用游标卡尺和台秤检查尺寸和重量,结果应符合表4的规定。
贵阳高原矿山机械股份有限公司2013-04-10 批准 2013-04-15 实施5.4弹性试验5.4.1标准型、轻型和重型垫圈应按5.4.2条进行弹性试验,试验后的自由高度应不小于1.67S(公称尺寸)。
5.4.2先将弹簧垫圈置于台虎钳上,连续三次压平。
再用平垫圈隔开穿在螺栓上,拧紧螺母直至压平。
至少保持24小时,取下弹簧垫圈检查其高度(H )。
5.4.3韧性试验将垫圈夹于虎钳和扳手之间,虎钳和扳手之间的距离等于垫圈外径的二分之一,将扳手向顺时针方向缓慢扭转至45°,不允许有裂缝。
紧固件检验规范1 主题内容与适用范围本标准规定了五金紧固件的技术要求、检验项目、抽样与检验方法。
本标准适用于电子、电信用五金紧固件成品的检验。
2 引用标准下列标准所包含的条文,通过在本标准中引用而构成为本标准的条文,本标准出版时,所示版本均为有效。
所有标准都会被修订,使用本标准的各方应探讨使用下列标准最新版本的可能性。
GB196-81普通螺纹基本尺寸GB197-81普通螺纹公差与配合GB3103.1-82紧固件公差螺柱、螺钉和螺母GB1237-88紧固件的标记方法GB3098.1-82紧固件机械性能螺栓、螺柱和螺钉GB3098.2-82紧固件机械性能螺母GB3098.4-82紧固件机械性能细牙螺母GB3098.6-82紧固件机械性能不锈钢螺栓、螺钉、螺栓和螺母GB90-85紧固件验收检查标志与包装GB5779.1-86紧固件表面缺陷——螺栓、螺钉和螺栓——一般要求GB5779.2-86紧固件表面缺陷——螺母——一般要求3 尺寸检验要求3.1 AQL的确定a.当机械性能等级≥8级时,AQL分别为:对边宽度1.0;对角尺寸1.0;螺纹通规1.5;螺纹止规2.5;其他所有项目2.5.b.当机械性能等级<8级时,AQL分别为:对边宽度对角尺寸及螺纹通规均为1.5;螺纹止规2.5;其他所有项目4.0.a.当公差等级为A、B级时,AQL分别为:对边宽度、对角尺寸、螺纹通规、螺纹止规均为1.0;头下圆角半径1.5;其他所有项目2.5.b.当公差等级为C级时,AQL分别为:对边宽度、对角尺寸、螺纹通规、螺纹止规均为1.5;其他所有项目4.0.a.当公差等级为A、B级时,AQL分别为:对边宽度、对角尺寸、螺纹通规、螺纹止规均为1.0;其他所有项目:2.5.b.当公差等级为C级时,AQL分别为:对边宽度、对角尺寸、螺纹通规、螺纹止规均为1.5;其他所有项目4.0.3.2检查比例(LQ10/AQL)的确定。
按生产者风险不大于5%的抽样方案定LQ10/AQL值为6.2(生产者风险等于5%)3.3检查项目3.3.1六角螺母a. 主要项目——对边高度(S);对角尺寸(e);螺纹通规、螺纹止规。
标准修订记录表QJ紧固件(螺栓、螺钉、螺柱和螺母)检验规范XXXXXXXXXXXXXXX有限公司发布目次前言 (II)1 范围 (1)2 规范性引用文件 (1)3 技术要求及试验方法 (1)4 检验规则 (3)5 标志、包装、运输和贮存 (4)附录 A (规范性附录)检验报告模板 (5)附录 B (规范性附录)头部坚固性试验 (6)前言发布的标准,作为公司内部使用的技术法规性文件。
本紧固件(螺栓、螺钉、螺柱和螺母)检验规范1 范围本标准规定了螺栓、螺钉、螺柱和螺母的技术要求及试验方法,标志、包装、运输和贮存。
本标准适用于公司产品用螺栓、螺钉、螺柱和螺母的检验。
2 规范性引用文件下列文件对于本文件的引用是必不可少的,凡是注日期的引用文件,仅注日期的版本适用于本文件。
凡是不注日期的引用文件,其最新版本(包括所有的修改单)适用于本文件。
GB/T 90.2 紧固件标志与包装GB/T 3098.1 紧固件机械性能螺栓、螺钉和螺柱GB/T 3098.2 紧固件机械性能螺母粗牙螺纹GB/T 3098.3 紧固件机械性能紧定螺钉GB/T 3098.4 紧固件机械性能螺母细牙螺母GB/T 3098.6 紧固件机械性能不锈钢螺栓、螺钉、螺柱和螺母GB/T 3098.15 紧固件机械性能不锈钢螺母GB/T 3098.16 紧固件机械性能不锈钢紧定螺钉GB/T 4334 金属和合金的腐蚀不锈钢晶间腐蚀试验方法GB/T 6478 冷镦和挤压用钢GB/T 17880.6 铆螺母技术条件Q 04 环保标识使用管理规定(试行)Q 1.001 静电粉末喷涂涂膜质量检验要求Q 1.011 外协外购件入厂验收通则Q 99.003 金属零部件涂(镀)层表面质量的检验规范Q 001 环保产品中有害物质控制管理规定3 技术要求及试验方法3.1 外观3.1.1 技术要求产品应消除污垢及金属屑,不应有任何部位上的淬火裂缝、凹痕、皱纹和损伤,表面不应有锈斑,表面镀层应光滑、色泽均匀,锐边倒钝。
紧固件检验规范
1.适用范围 : 适用于外购输电线路铁塔、输电线路附件及通讯塔用紧固件的检验
2. 引用标准:
GB/T2694《输电线路铁塔制造技术条件》 GB5780《六角头螺栓--C 级》
GB90《紧固件验收检查、标志与包装》
GB/T2828.1《按接收质量限(AQL 检索的逐批检验抽样计划》
DL/T764.4《输电线路铁塔及电力金具紧固用冷镦热浸镀锌螺栓与螺 母》
GB95《平垫圈C 级》
3. 职责 质量管理部负责本规程的实施。
4. 检验模式
批量检验一般外购产品是在 30000--150000 件时,在批量中进行随机 抽样检查,抽样样本单位为 80件。
结构部分
5. 抽样项目
5.1螺栓抽样项目及检验方法见 表5 5.2螺母抽样项目及检验方法见 表6 5.3脚钉抽样项目及检验方法见 表7 5.4平垫圈抽样项目及检验方法见
表8
GB/T41《六角头螺母--C 级》
GB/T3098.1《紧固件机械性能 GB/T3098.2《紧固件机械性能 GB/T5779.1《紧固件表面缺陷 GB/T5779.2《紧固件表面缺陷 GB/T90.1《紧固件验收检查》
螺栓、螺钉和螺柱》 螺母 粗牙螺纹》
螺栓、螺钉和螺柱》一般要求 螺母》
6.质量等级
产品批量检查应判定质量等级。
6.1螺栓质量等级判定按表1规定执行
表1螺栓质量等级判定表
n--样本大小c-- 合格判定数
6.2螺母质量等级判定按表2规定执行
表2螺母质量等级判定表
n--样本大小c-- 合格判定数6.3脚钉质量等级判定按表3规定执行
表3脚钉质量等级判定表
n--样本大小c-- 合格判定数
6.4平垫圈质量等级判定按表4规定执行
表4平垫圈质量等级判定表
n--样本大小c-合格判定数
7.检验程序
7.1在批量中随机抽取样本。
7.2外观检查
7.3尺寸精度检查
7.4机械性能试验
7.5质量等级判定
8.检查
8.1对样本进行逐项检查,并分项记录其缺陷数.若某项缺陷数大于该项的判
定数c,则该项抽查不合格;若某项缺陷数小于或等于其判定数c,则该项抽查符合其质量等级。
8.2凡有影响测量准确性的毛刺,飞边,氧化皮等,须除去后才能进
行测量。
8.3如对某项抽查项目有争议,可对样本n进行复查或再次随机抽取
同量样本n,共同检查并作出结论。
螺栓检查图
15~x°
表5:螺栓抽查项目及检验方法
号
名称精度
1对边宽度S卡尺0.02在S面最宽部测GB5780-2000 2对角尺寸e卡尺0.02距顶面1/3K处测GB5780-2000 3头部高度K卡尺0.02GB5780-2000
4螺纹大径d卡尺0.02螺纹收尾和杆部GB196-2003末端两扣不测量GB197-2003
5杆部长度L卡尺0.02测杆部短边长度GB5780-2000
6无螺杆纹部直
径ds
卡尺0.02GB5780-2000
7无螺纹杆部长度
Is
卡尺0.02GB5780-2000
8洛氏硬度洛氏硬度计
0. 5
测头部、杆部以及两
端处
GB/T230-91
9保证载荷万能拉力试
验设备1・0%
加载荷后的螺栓长度
GB/T3098.1-2000
10楔负载万能拉力试
验设备1. 0% 断裂应在杆部或螺纹
长度内
GB/3098.1-2000
11表面缺陷—
目视检查及必要测
量
GB/T5779.1-2000表6:螺母抽查项目及检验方法
螺母检查图
e
脚钉检查图
表7:脚钉抽查项目及检验方法
平垫圈检查图
表&平垫圈抽查项目及检验方法
镀锌部分
9.检查形式
9.1批量检查是在一般外购紧固件30000-15000件时,在批量中进行随机抽样检查。
抽样样本单为80件。
10.质量等级
产品批量检查应判定质量等级。
10.1紧固件镀锌质量等级判定按表9规定执行。
表9紧固件镀锌质量等级判定表
11.抽查项目按表10规定执行。
表10抽查项目
12.检验程序
12.1在批量中随机抽取样本.
12.2外观检查.
12.3锌层厚度检查.
12.4锌层结合性试验.
12.5镀层均匀性试验,进行硫酸铜溶液试验.
12.6质量判定
13.检查
13.1对抽取的样本逐项检查,并分项做好记录.若各项检查符合相关的计数要求,贝肉被检查的批质量做合格的结论。
13.2若某一项抽查项目未达到相关技术要求,可以加倍抽样,重复该项检查,全部样本必须符合该项目的相关技术要求,方可进行下一
项目的检查,否则该批被检查的批质量不合格。
13.3仲裁
如对某项检查有争议,可对样本进行复查,或再次随机抽取同量样本,共同检查并作出结论。