建筑物垂直度和标高及全高测量记录表说明
- 格式:doc
- 大小:104.00 KB
- 文档页数:5
报验申请表工程名称:化水车间编号:鲁JJ-071□□□下面红色字体为赠送的个人总结模板,不需要的朋友下载后可以编辑删除!!!!xx年电气工程师个人年终总结模板根据防止人身事故和电气误操作事故专项整治工作要求,我班针对现阶段安全生产工作的特点和重点,为进一步加强落实安全工作,特制定了防止人身事故和防电气误操作事故的(两防)实施细则。
把预防人身、电网、设备事故作为重点安全工作来抓,检查贯彻落实南方电网安全生产“三大规定”情况,检查(两防)执行情况,及时发现和解决存在的问题,提高防人身事故和防电气误操作事故的处理能力,从源头上预防和阻止事故的发生,使安全管理工作关口前移,从而实现“保人身、保电网、保设备”安全生产目标收到一定的效果。
通过前段的检查和整改工作,现将我班到现时为止在此方面的情况总结如下一、在防止人身事故方面(重点防范高处坠落事故)在运行维护、施工作业过程中的防触电、防高空坠落事故。
我班通过对每周的安全会议和工作负责人对现场高处作业管理的检查,使得安全防范思想、工作、监督到位;使安全工作责任、措施及整改落实,从而安全工作得到保证。
1、作业前的准备工作和控制措施工作。
包括高空作业现场查勘,使工作人员对该任务的危险点(安全措施卡)有清晰、准确、全面的认识,采取相应的控制和安全措施,并正确派选合适胜任的工作负责人和工作班成员。
2、在开工前,工作负责人向作业人员交待工作内容、安全注意事项及该作业的危险点。
作业过程中明确监护人员,监护人实时监控高处作业人员动向,及时提醒和纠正作业中的不安全行为,使安全措施不折不扣地落实和执行到位。
3、认真落实高处作业人员的安全保护措施。
配备可靠的(按规定期限内检验合格的)安全工器具,如安全带(绳)、升降板、脚扣、竹(木)梯等,并能够正确使用此类工器具。
4、在高空作业的工作全过程中,强调工作人员自始至终确保自身安全行为:△定期对登高工具和安全工器具(安全带、安全绳、脚扣、升降板、竹木梯子等)进行试验,试验或外观检查不及格的立即报废,严禁留作备用。
建筑物垂直度、标高、全高测量记录注:垂直度测量平面示意图及偏差方向见背页说明1. 超过允许偏差的偏差值在表中用~~标出;2. 在备注栏中应注明建筑物标高、全高的设计值;每层所测的具体位置或轴线未描述清楚的也可在备注栏中标出或另外做出详细记录;3. 主体结构验收前, 应对建筑物每层楼面标高、各大角或转角垂直度进行测量;房屋竣工验收前,也应对各大角或转角垂直度进行测量,故本表每个工程均应有两张。
测量由监理单位会同施工单位进行, 测量数据作为验收的依据一。
4. 砌体结构外墙垂直度全高查阳角,不应少于4处, 每层每查一处;内墙按有代表性的自然间抽10%, 但不应少于3间,每间不应少于2处,柱不少于5 根。
混凝土结构按楼层、结构缝或施工段划分检验批。
在同一检验批中, 对xx、柱, 应抽查构件数量的109 xx , 且不少于3 件; 对墙和板,应按有代表性的自然间抽查10%, 且不少于3间;对大空间结构,墙可按相邻轴线间高度5m 左右划分检查面,板可按纵横轴线划分检查面,抽查10%, 且均不少于3面。
5.允许偏差及检验方法建筑物垂直度、标高、全高测量记录注:垂直度测量平面示意图及偏差方向见背页说明1. 超过允许偏差的偏差值在表中用~~标出;2. 在备注栏中应注明建筑物标高、全高的设计值;每层所测的具体位置或轴线未描述清楚的也可在备注栏中标出或另外做出详细记录;3. 主体结构验收前, 应对建筑物每层楼面标高、各大角或转角垂直度进行测量;房屋竣工验收前,也应对各大角或转角垂直度进行测量,故本表每个工程均应有两张。
测量由监理单位会同施工单位进行, 测量数据作为验收的依据一。
4. 砌体结构外墙垂直度全高查阳角,不应少于4处, 每层每查一处;内墙按有代表性的自然间抽10%, 但不应少于3间,每间不应少于2处,柱不少于5 根。
混凝土结构按楼层、结构缝或施工段划分检验批。
在同一检验批中, 对xx、柱, 应抽查构件数量的109 xx , 且不少于3 件; 对墙和板,应按有代表性的自然间抽查10%, 且不少于3间;对大空间结构,墙可按相邻轴线间高度5m 左右划分检查面,板可按纵横轴线划分检查面,抽查10%, 且均不少于3面。
建筑物垂直度、标高、全高测量记录该文章没有明显的格式错误和有问题的段落,但可以进行小幅度的改写,如下:记录建筑物垂直度、标高和全高的测量结果:单位工程名称:___-18#楼施工单位:___测量部位:东立面、南立面、西立面、北立面、一层、二层、三层、四层、五层、六层和2跃层的外墙垂直度和全高施工单位检查评定结果:垂直度为±30mm,全高为20mm设计和规定值:垂直度为H/1000且≤30mm,全高为H/1000且≤30mm项目经理:___测量记录:东立面:18mm 南立面:20mm 西立面:17mm 北立面:16mm 一层:16mm 二层:7mm三层:5mm四层:6mm五层:8mm六层:9mm2跃层:5mm监理单位验收意见:垂直度为±10mm,全高为±30mm结论:该项目的测量结果符合要求。
单位工程名称:芜湖县清水镇二路一桥拆迁安置房E标30#楼施工单位:___测量部位:东立面、南立面、西立面、北立面、一层、二层的外墙垂直度和全高施工单位检查评定结果:垂直度为≤30mm,全高为30mm设计和规定值:垂直度≤10m时为10mm,≥10m时为20mm,全高为≤10m时为10mm,≥10m时为20mm项目经理:___测量记录:东立面:4mm南立面:5mm西立面:8mm北立面:7mm一层:6mm二层:8mm监理单位验收意见:垂直度为≤10m时为10mm,≥10m时为20mm,全高为≤10m时为10mm,≥10m时为20mm结论:该项目的测量结果合格。
单位工程名称:芜湖县清水镇二路一桥拆迁安置房E标31#楼施工单位:___测量部位:东立面、南立面、西立面、北立面、一层、二层的外墙垂直度和全高施工单位检查评定结果:垂直度为≤30mm,全高为20mm设计和规定值:垂直度为H/1000且≤30mm,全高为H/1000且≤30mm结论:该项目的测量结果符合要求。
建筑物垂直度、标高、全高测量记录单位工程名称:芜湖县清水镇二路一桥拆迁安置房E标32#楼、33#楼施工单位:___测量项目:建筑物垂直度、标高、全高测量部位:东立面外墙、南立面、西立面、北立面层数:一层、二层层高:2m设计、规定值:≤10m时10mm,≥10m时20m施工单位检查评定结果:32#楼:东立面垂直度:8mm;南立面垂直度:8mm;西立面垂直度:5mm;北立面垂直度:6mm;全高:4mm、7mm、24mm、18mm、18mm。
建筑物垂直度、标高、全高测量记录表财务管理工作总结[财务管理工作总结]2009年上半年,我们驻厂财会组在公司计财部的正确领导下,在厂各部门的大力配合下,全组人员尽“参与、监督、服务”职能,以实现企业生产经营目标为核心,以成本管理为重点,全面落实预算管理,加强会计基础工作,充分发挥财务管理在企业管理中的核心作用,较好地完成了各项工作任务,财务管理水平有了大幅度的提高,财务管理工作总结。
现将二00九年上半年财务工作开展情况汇报如下:一、主要指标完成情况:1、产量90万吨,实现利润1000万元(按外销口径)2、工序成本降低任务:上半年工序成本累计超支1120万元,(受产量影响)。
二、开展以下几方面工作:1、加强思想政治学习,用学习指导工作2009年是转变之年,财务的工作重心由核算向管理转变,全面参与生产经营决策。
对财会组来说,工作重心从确认、核算、报表向预测、控制、分析等管理职能转变,我们就要不断的加强政治学习,用学习指导工作,因此我们组织全组认真学习“十七大”、学习2009年马总的《财务报告》,在学习实践科学发展观活动中,反思过去,制定了2009年工作目标,使我们工作明确了方向,心里也就有了底,干起活来也就随心应手。
2、· 加强成本管理,努力降本增效随着金融危机对实体经济影响的日益加深,轧钢行业受到严重冲击。
对此,我们树立以人为本、参与科学管理的企业管理理念,推进企业的全面、协调、可持续发展,围绕工作目标,着重解决成本控制的“瓶颈”的问题。
厂通过实行躲峰生产、休眠生产、集中生产等新的方式实现集约化生产组织管理,确保两线生产全面平稳、协调运行,降低运行成本。
努力提高成材率,优化生产工艺和物流周期管理,大力降低库存,减少资金占用。
厚板线针对油品消耗比较大问题,通过换滤芯、增加油箱中的油的体外循环过滤次数等方式,降低了油品消耗,2月份厂成本比1月减低923万元,3、4、5月也都完成了目标成本。
3、· 加强预算、预测、控制管理预算管理是财务组工作的一个重要点,根据2009年公司财务预算指标,财务组逐项落实,横向分解到部门,纵向分解到产线、工序。
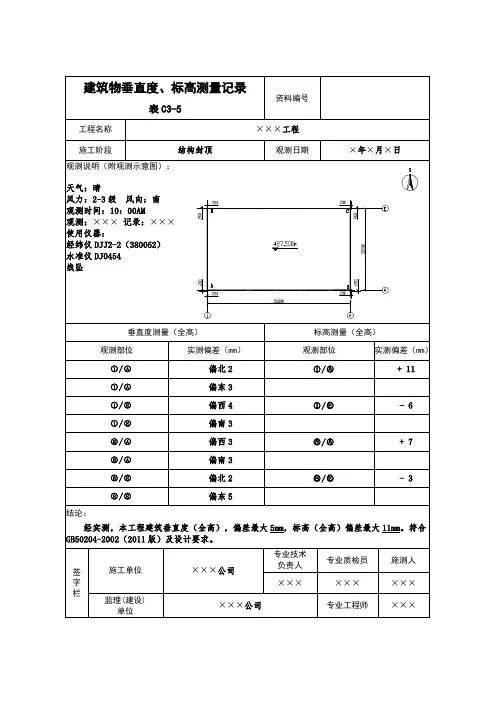
八、建筑物垂直度、标高测量记录建筑物垂直度、标高、全高测量记录是对建筑物垂直度、标高、全高在施工过程中和竣工后进行的测量记录。
根据工程的不同结构类型布置观测点,对阳角均应记录垂直度数据,施工过程中应随楼层增高,每层进行垂直度测量,每个阳角两侧都应观测检查。
详细记录轴线编号及本层偏差,做好布点平面图,每次观测要及时整理,观测数据要真实。
(一)资料表格形式建筑物垂直度、全高测量记录(二)相关规定及要求(1)建筑物垂直度、全高测量由施工单位的专业技术负责人牵头,专职质量检查员详细记录,建设单位代表和项目监理机构的专业监理工程师参加。
现场原始记录须经施工单位专业技术负责人、专职质量检查员、建设(监理)单位的参加人签字后有效并存档,作为整理资料的依据以备查。
(2)施工过程中的垂直度测量。
1)测量次数,原则上每加高1层测量1次,整个施工过程不得少于4次。
2)轴线测量按基础及各层放线、测量与复测执行。
(3)竣工后的测量1)建筑物垂直度、标高、全高测量选定应在建筑物四周转角处和建筑物凹凸部位。
单位工程每项测点数不应少于10点,其中前沿各4点,两个侧面各1点。
2)标高测量应按层进行,高层建筑可两层为一测点,多层建筑可一层为一测点,可按测点的平均差值填写。
3)建筑物的垂直度、标高、全高测量是建筑物已竣工、观感质量检查完成后对建筑物进行测量工作,由施工单位测量,量测时项目监理机构派专业监理工程师参加监督量测。
(三)填写要点(1)施工阶段。
应填写结构封顶或工程完工。
(2)观测说明(附观测示意图)。
观测点的布置位置及数量,观测时间的安排,采用的观测仪器等;观测示意图按实际建筑物轮廓绘制,标明观测点的位置和数量,注明指北针方向。
(3)观测部位。
可以按观测示意图标注的点号填写,如“1号、2号……”或“A,B…”。
(4)观测日期。
注明楼层或标高测量时的日期。
(5)实测偏差。
注明实际观测数据。
(6)结论。
应根据实测偏差中最大偏差结果,判定是否符合现行施工质量验收规范(并非施工测量规范)规定和合计要求。
建筑物垂直度标高全高测量记录范本一、背景介绍建筑物的垂直度标高全高测量记录是建筑工程中非常重要的一项工作。
建筑物的垂直度标高全高测量记录可以有效地检验建筑物的垂直度和高度是否符合设计要求,为建筑工程的施工质量和验收提供重要依据。
合理、准确地进行建筑物的垂直度标高全高测量记录,对于保障建筑工程的质量和安全具有非常重要的意义。
二、建筑物垂直度标高全高测量记录范本建筑物垂直度标高全高测量记录范本如下:1. 项目名称:XXX建筑工程2. 项目位置区域:XXX市XXX区XXX街道XXX号3. 建筑物名称:XXX大厦4. 施工单位:XXX建筑工程有限公司5. 监理单位:XXX监理工程有限公司6. 检测单位:XXX建筑质量检测有限公司7. 垂直度测量记录:日期测量点位测量数值(mm)允许偏差范围(mm)备注2023/05/12 1层楼梯口+2 ±5 符合要求 2023/05/12 2层楼梯口 -3 ±5 符合要求 2023/05/13 3层楼梯口+4 ±5 符合要求 2023/05/13 4层楼梯口+6 ±5 不符合要求8. 标高测量记录:日期测量点位测量数值(m)设计标高(m)备注2023/05/12 A栋主入口 10.05 10.00 符合要求2023/05/12 A栋顶楼 40.00 39.80 符合要求 2023/05/13 B栋主入口 9.95 10.00 符合要求 2023/05/13 B栋顶楼 39.90 39.80 符合要求9. 全高测量记录:日期测量点位测量数值(m)设计全高(m)备注2023/05/12 A栋主入口 30.00 30.00 符合要求2023/05/12 A栋顶楼 80.00 80.20 符合要求 2023/05/13 B栋主入口 29.80 30.00 符合要求 2023/05/13 B栋顶楼 79.90 80.20 符合要求10. 签名确认:施工单位负责人(签名):__________监理单位负责人(签名):__________检测单位负责人(签名):__________三、结语建筑物垂直度标高全高测量记录范本的编写非常重要,在实际的建筑工程中,可以根据具体的工程情况进行必要的调整和补充。
建筑物垂直度、标高、全高测量记录工程名称太原清徐高花110KV变电站新建工程施测日期2012年7月12日施工单位山西省电建三公司施工阶段35kV配电室外墙砌筑完毕使用仪器经纬仪TDJ2、水平仪DZS3-1、50m卷尺,靠尺结构类型砖混观测说明:1.用经纬仪测得阴阳角垂直度偏差,靠尺测量墙面垂直度偏差;2.用水平仪及钢卷尺配合测量标高、全高偏差;垂直度测量(mm)标高、全高测量(mm)观察部位规范要求实际偏差观察部位规范要求标高偏差全高偏差G1 1.砖混结构层高允许偏差:层高小于10m时为<15mm;层高大于10 m时为<20mm;全高(H)允许偏差:H/1000且≤30mm 2 a1.砖混结构层高允许偏差:±10mm;-3 -4G2 1 b -4 -5 G3 0 c -3 -4 G4 2 d -3 -5 结论经测量,35kV配电室垂直度、标高、全高偏差值均小于《砖混结构工程施工质量验收规范》的允许偏差要求参加人员监理(建设)单位施工单位项目技术负责人质检员施测人建筑物垂直度、标高、全高测量记录工程名称太原清徐高花110KV变电站新建工程施测日期2012年9月1日施工单位山西省电建三公司施工阶段35kV配电室外墙抹灰完毕使用仪器经纬仪TDJ2、水平仪DZS3-1、50m卷尺结构类型砖混观测说明:1.用经纬仪测得垂直度偏差2.用水平仪及钢卷尺配合测量标高、全高偏差垂直度测量(mm)标高、全高测量(mm)观察部位规范要求实际偏差观察部位规范要求标高偏差全高偏差G11.砖混结构抹灰垂直度允许偏差小于等于4 3 a1.砖混结构层高允许偏差:±10mm;-4 -5G2 0 b -3 -4 G3 2 c -4 -5 G4 1 d -4 -5 结论经测量, 35kV配电室垂直度、标高、全高偏差值均小于《混凝土结构工程施工质量验收规范》的允许偏差要求参加人员监理(建设)单位施工单位项目技术负责人质检员施测人建筑物垂直度、标高、全高测量记录工程名称太原清徐高花110KV变电站新建工程施测日期2011年7月12日施工单位山西省电建三公司施工阶段10kV配电室主体砌筑完毕使用仪器经纬仪TDJ2、水平仪DZS3-1、50m卷尺结构类型砖混观测说明:1.用经纬仪测得垂直度偏差2.用水平仪及钢卷尺配合测量标高、全高偏差垂直度测量(mm)标高、全高测量(mm)观察部位规范要求实际偏差观察部位规范要求标高偏差全高偏差G1 1.砖混结构层高允许偏差:层高小于10m时为<15mm;层高大于10 m时为<20mm;全高(H)允许偏差:H/1000且≤30mm 3 G11.砖混结构层高允许偏差:±10mm;-4 -5G2 0 G2 -3 -4 G3 2 G3 -4 -5 G4 1 G4 -4 -5 结论经测量, 10kV配电室垂直度、标高、全高偏差值均小于《混凝土结构工程施工质量验收规范》的允许偏差要求参加人员监理(建设)单位施工单位项目技术负责人质检员施测人建筑物垂直度、标高、全高测量记录工程名称太原清徐高花110KV变电站新建工程施测日期2011年9月1日施工单位山西省电建三公司施工阶段10kV配电室主体抹灰完毕使用仪器经纬仪TDJ2、水平仪DZS3-1、50m卷尺结构类型砖混观测说明:1.用经纬仪测得垂直度偏差2.用水平仪及钢卷尺配合测量标高、全高偏差垂直度测量(mm)标高、全高测量(mm)观察部位规范要求实际偏差观察部位规范要求标高偏差全高偏差G11.砖混结构抹灰垂直度允许偏差小于等于4 2 a1.砖混结构层高允许偏差:±10mm;-3 -4G2 1 b -4 -5 G3 0 c -3 -4 G4 2 d -3 -5。