多层工业厂房结构设计
- 格式:doc
- 大小:24.50 KB
- 文档页数:5
论多层钢结构工业厂房的结构设计摘要:在我国,由于建筑钢结构质量轻、强度高、跨度大、布置灵活、施工周期短等特点,被大规模应用于工业建筑领域,其中多层钢结构工业厂房更因占地面积小、空间利用率高等优势逐渐被市场接受。
但多层钢结构工业厂房普遍存在设备荷载大、柱距大、楼板开洞多等设计难点,本文在对多层钢结构工业厂房进行综合阐述的基础上,分析了多层钢结构工业厂房的设计方案和流程。
关键词:多层钢结构;工业厂房;设计方案引言:多层钢结构厂房不仅能提高单位面积土地的使用效率,而且在结构体系方面有传统混凝土结构无法比拟的优良性能,为企业节省了大量的建造成本,并提升了建筑整体安全性能。
伴随着我国工业的迅速发展,以多层钢结构为主的工业厂房得到了大中型工厂的青睐。
因此,探索多层钢结构工业厂房结构的设计方案,具有十分重要的现实意义。
1多层钢结构工业厂房优势及设计要点1.1钢结构的优势金属构件被发现应用于房屋结构中最早可以追溯到18世纪末的英国。
然而钢材因传统建筑材料无法比拟的优势,在建筑领域中异军突起,很快便普及开来。
钢结构的主要优势如下:(1)强度高,质量轻。
钢材的高强度特性,能满足工业厂房跨度大、荷载大的功能需求,且相比于砌体和混凝土,钢结构可减轻建筑30%左右的质量,有利于抗震设计。
由于钢结构建筑总质量小,建筑的地基和基础处理相对简单。
(2)塑性和韧性好。
钢材的塑性和韧性是砌体和混凝土无法比拟的。
一些大工业厂房存在重型吊车和运行时产生振动的设备,钢材对动荷载适应能力较强,在偶然荷载作用下也不容易发生断裂。
(3)批量生产,安装方便。
混凝土从浇筑至拆模需要7d,而钢结构构件和连接节点已实现大规模工业化生产,构件和节点直接运送至施工现场进行装配式安装,建设周期短,大量节省人力,建设成本低。
(4)绿色环保,循环使用。
钢结构构件在拆除后仍可以循环使用,绿色环保,符合可持续发展战略要求。
1.2多层钢结构工业厂房设计要点出于工艺生产的需求,工业厂房一般柱距较大、层高较高,为安置大型机械设备,柱网布置有时会不规则。
结构设计原理1设计资料某多层⼯业⼚房的建筑平⾯如图1所⽰,拟采⽤现浇砼单向板肋梁楼盖。
设计使⽤年限50年,结构安全等级为⼆级,环境类别为⼀类。
楼⾯做法:35mm⽔泥砂浆⾯层及磨⽯⼦地⾯,钢筋混凝⼟现浇板,12mm厚纸筋灰板底粉刷,L1*L2=6000*6600。
楼⾯荷载:均匀可变荷载标准值q k=6KN/m2,准永久值f系数ψq=0.8。
材料:砼强度等级C25,梁内受⼒纵筋为HRB335,其他为HPB235级钢筋。
试对板、次梁和主梁进⾏设计。
图1楼盖建筑平⾯2 结构布置主梁延横向布置,跨度为6.6m;次梁延纵向布置,跨度为6.0m。
主梁每跨内布置两根次梁,板的短边⽅向跨度为6.6m/3=2.2m,长边与短边⽅向的跨度⽐为3,故按单向板设计。
楼盖的结构平⾯布置图见附图1所⽰。
按⾼跨⽐条件,板厚h≧2200mm/40=55mm,对⼯业建筑的楼盖板,要求h≧70mm,考虑到楼⾯可边荷载⽐较⼤,取板厚h=80mm。
次梁截⾯⾼度应满⾜h=l/18~l/12=6000mm/18~6000mm/12=367~550mm,取h=500mm;截⾯宽度系数取b==200mm。
主梁的截⾯⾼度应满⾜h=l/15~l/10=6600m/15-6600mm/10= 440~690mm,取h=650mm;截⾯宽度系数取b=300mm。
3 板的设计3.1 板荷载计算板的永久荷载标准值:永久荷载分项系数1.2;因楼⾯均布可变荷载标准值⼤于4.0KN/m2,可变荷载分项系数应取1.3.于是板的荷载基本组合值:3.2 板计算简图次梁截⾯为200mm*500mm,现浇板在墙上的⽀承长度不⼩于100mm,取板在墙上的⽀承长度为120mm。
承载⼒按内⼒重分布设计,板的计算跨度:l01=l n1+h/2=2200mm-200mm/2-120mm+80mm/2=2020mm<1.025l n1=2030 mm,取l01=2020mm,中间跨l02=2200mm-200mm=2000mm因跨度相差⼩于10%。
多层钢结构工业厂房的设计与施工要点分析摘要:建筑施工技术的不断更新,越来越多的建筑企业会在工程项目中应用新型施工技术。
多层钢结构由于其自身优势,通常会被应用于工业厂房项目中。
但由于部分施工单位未能掌握正确施工方法,导致施工质量差,影响工程进度与安全性。
因此本文将结合实际案例,对多层钢结构工业厂房设计方案、施工要点进行分析,以期加强多层钢结构施工技术应用效果。
关键词:多层钢结构;工业厂房;设计要点;施工要点前言:钢结构在应用过程中可发挥极大优势,例如高荷载能力、高抗震能力、节约施工成本、缩短施工周期等。
为拓展钢结构应用范围,需对钢结构进行合理设计、严格施工,加强施工细节管理,才可确保工业厂房建设可靠性,为后期投入使用安全提供保障。
一、工程实例简介A工程项目为多层钢结构工业厂房,总建筑面积为15968.58㎡,建筑平均高度为22.31m,一层地面标高为±0.000m,层高为5.98m。
2-4层层高皆为4.2m。
其中一层于3m标高设置局部夹层。
A工程项目施工前,施工单位、设计单位、业主等工程参与方,共同对项目经济性与施工周期进行对比,结合业主提出要求,对厂房纵横方向柱距均设置为9m,钢柱材料选用H钢,钢梁材料选择成品H型钢,选用楼承板楼面作为该厂房主体楼面,同时选用成品双层压型钢板复合保温墙体作为厂房墙面。
为确保该厂房稳定性、安全性,保障其在应用过程中荷载力足够,设计师将该厂房内的钢柱数量设置30根[1],使用下桩基承台作为主要基础。
二、多层钢结构工业厂房设计要点(一)抗震性能设计要点无论是单层钢结构还是多层钢结构,设计过程中都应严格遵循安全性原则。
地震作为影响工业厂房安全性主要因素之一,设计过程中应注重提升工业厂房整体结构抗震性能。
由于本次工程项目处于地震多发地带,设计师开展抗震设计时,对场地与周边地质条件充分调查,之后结合勘察数据进行抗震设计,同时还对比参考优秀工程案例,为此次工程项目抗震性能、安全性能提供保障。
多层工业厂房结构设计常见问题及解决方法探讨摘要:本文详细介绍了多层工业厂房的结构设计要点,简单阐述了常用的多层工业厂房结构设计体系类型,着重分析了当前工业厂房结构设计中常见的几个问题及解决,最后以工程实例简单介绍厂房结构设计要点。
关键词:多层工业厂房;结构设计;常见问题;解决方法Abstract: this paper introduces the structure of multi-story industrial buildings key points of the design, this paper briefly expounds the common muti-floor industrial building structural design system type, focusing on the analysis of the current industrial workshop in the structural design of the common problems and solve, the engineering example simply introduced the structure design key points of the factory.Keywords: muti-floor industrial building; Structure design; Common problem; solution引言随着我国经济的高速发展,现代化工业生产需求越来越紧迫,工业建筑工艺更新速度也越来越快,出现了灵活、联合的车间建筑形式。
随着工业厂房建筑工艺的多样化和建筑用地的日益紧张化趋势发展,现代多层工业厂房出现荷载大、多层吊车、跨度大且开洞多等特色。
进行多层工业厂房的结构设计过程中出现了很多问题值得总结和分析,从结构设计的要点和结构体系的选择等细节着重考量才能实现结构的合理、经济实现。
多层工业厂房结构设计常见问题摘要:伴随我国市场经济的不断发展,企业厂房结构设潮开始大批出现,传统的单层企业厂房也逐步被具有数量众多的设计优势的多层工业用厂房所代替,多层企业厂房也变成了现代工厂设计的首选。
所以,要开展多层工业用厂房的设计和研究,以取得安全性与经济效益之间的平衡点。
本文对多层工业用厂房的结构设计展开了分析、研究。
以期供相关人员参考。
关键词:多层工业用厂房;结构设计体系;常见问题及解决方法;引言:我国市场经济的高速蓬勃发展,对现代化工业生产需求日益迫切,工业建筑工艺变更速率也愈来愈快,逐渐产生了更加灵活、联合的车间建筑设计形式。
目前工业生产用厂房建造工艺的多样化发展以及建筑性用地资源配给的日益紧张化态势,现代多层工业生产用厂房存在着负载量大、多级起吊车辆、跨越幅度较大且通风性好等特点。
然而在多层次工业生产用厂房的工程结构设计与建造过程中产生了不少问题需要总结经验与分析解决方法,主要方面应从结构设计和体系的选择等细节着重考虑,才能达到工程结构的合理性、经济性的平衡。
一、多层工业用厂房的概况近年来工业建筑在国民经济发展与社会的进步中有着十分重要的意义并产生了巨大的影响。
世界经济的一体化需要高新科技产业化和产业科技化的共同成长。
这二者一方面为工程建筑创作带来了许多建设手段,一方面又为工程建设的应用提供了全新的机会与挑战。
在这个趋势下,工业建设借鉴民用建筑中较为普遍的建设方式,多层企业厂房这一建造方式也就走进了我们的视线。
二、多层工业用厂房的特点1.层高较高及其柱网尺寸大工业生产用厂房通常比通常使用的普通民用建筑的楼层数量更多,一般民用建筑层高的二倍,相当于一个工业生用产厂房的层高。
同时在实际生产中会使用许多体型庞大的机器设备,所以必然要求工业生产用厂房具有一定的楼层高度,便于达到安全制造的要求。
所以,工业生产用厂房的楼层高度并不能参照普通民用住宅楼层高度的方法进行设计,而且立柱间的距离间隔往往也较远。
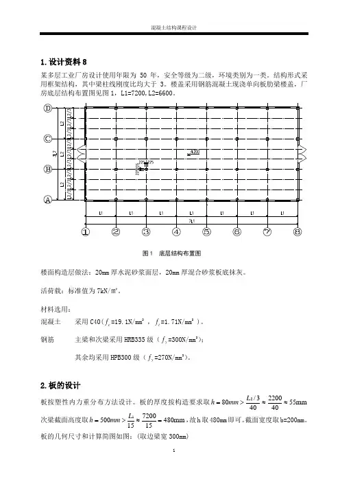
1.设计资料8某多层工业厂房设计使用年限为50年,安全等级为二级,环境类别为一类。
结构形式采用框架结构,其中梁柱线刚度比均大于3。
楼盖采用钢筋混凝土现浇单向板肋梁楼盖,厂房底层结构布置图见图1,L1=7200,L2=6600。
图1 底层结构布置图楼面构造层做法:20mm 厚水泥砂浆面层,20mm 厚混合砂浆板底抹灰。
活荷载:标准值为7kN/㎡。
材料选用:混凝土 采用C40(c f =19.1N/mm 2 ,t f =1.71N/mm 2 )。
钢筋 主梁和次梁采用HRB335级(y f =300N/mm 2); 其余均采用HPB300级(y f =270N/mm 2)。
2.板的设计板按塑性内力重分布方法设计。
板的厚度按构造要求取mm 55402200403/802≈≈>=L mm h 次梁截面高度取mm 480157200155001=≈>=L mm h ,故h 取480mm 即可。
截面宽度取b=200mm 。
板的几何尺寸和计算简图如图:(取边梁宽300mm)21252300230021001001007545080325100100A BC图2 板的几何尺寸图3 板的计算简图2.1 荷载① 恒荷载标准值:80mm 钢筋混凝土楼板自重 23m /kN 0.2/2508.0=⨯m kN m 20mm 水泥砂浆面层 23m /kN 4.0/2002.0=⨯m kN m 20mm 混合砂浆板底抹灰 23m /kN 34.0/1702.0=⨯m kN m 2K m /kN 74.2g = ② 楼面活荷载标准值 2K m /kN 7q = ③ 荷载组合设计值根据建筑结构荷载规范的规定,对于标准值大于2m /kN 4的工业房屋楼面结构的活荷载,3.1r =Q ,而0.1=ψ,所以取1m 宽的板带有:活荷载控制 m /kN 39.121/73.11/74.22.1q g 22=⨯⨯+⨯⨯=+m m kN m m kN 永久荷载控制 m /kN 07.1017.0/73.11/74.235.1q g 22=⨯⨯⨯+⨯⨯=+m m kN m m kN故取m /kN 39.12q g =+ 2.2 内力计算取1米宽板带作为计算单元,各跨的计算跨度为 中间跨:m m 2000200-2200l l n 0=== 边跨:2125752200l l n 0=-==mm各截面的弯矩计算如表示:表1 连续板各截面弯矩计算截 面边跨跨内第一内支座中间跨中中间支座端支座弯矩计算系数m α141-111 161 -141 161-)(/)(20m kN l q g M m ⋅+=α3.63-4.62 3.10-3.54 -3.182.3 正截面承载力计算取板的截面有效高度m m 5020-80-h h 0===s a ,b=1000mm ,用HPB300级钢筋。
多层厂房设计知识点多层厂房是指在同一建筑内,具有两层或两层以上的楼层,用于工业生产、仓储、办公等多种功能的建筑。
在进行多层厂房的设计时,需要考虑到一系列的知识点,包括建筑结构、安全性、功能布局等方面。
本文将就多层厂房设计的一些关键知识点进行探讨。
一、建筑结构设计多层厂房的建筑结构设计是整个设计过程中的重要环节。
常见的多层厂房结构形式包括钢结构、混凝土结构和混合结构。
在设计过程中,需要根据使用需求和场地条件选择适合的结构形式,确保建筑的安全性和稳定性。
1.1 钢结构设计钢结构是多层厂房常用的结构形式之一。
它具有高强度、轻质、施工速度快等特点,适用于大跨度、大空间的厂房建设。
在钢结构设计中,需要考虑荷载计算、构件尺寸选取、节点设计等问题,确保整个结构的稳定性和安全性。
1.2 混凝土结构设计混凝土结构是多层厂房常用的结构形式之一。
它具有良好的抗压性能、耐久性好等特点,适用于承受大荷载的厂房建设。
在混凝土结构设计中,需要考虑构件的布置、截面尺寸、配筋设计等问题,确保结构的强度和刚度满足要求。
1.3 混合结构设计混合结构是将钢结构和混凝土结构相结合的一种结构形式,能够发挥各自的优势。
在混合结构设计中,需要考虑各种结构的相互作用、节点连接方式等问题,确保结构的整体性和协调性。
二、安全性设计多层厂房的安全性设计是保证工作人员和设备安全的重要保障。
在设计过程中,需要重点关注以下几个方面。
2.1 火灾安全设计多层厂房应当具备良好的防火性能,包括采用防火材料、设置防火隔墙、配置灭火系统等措施,确保在发生火灾时能够及时控制和扑灭火源,保护人员和财产的安全。
2.2 应急疏散设计多层厂房应当设置合理的疏散通道,保证人员在紧急情况下能够快速疏散到安全地带。
疏散通道的设计要符合相关法规要求,通道宽度、通行能力等要满足使用人数和建筑面积的要求。
2.3 结构安全设计多层厂房的结构设计要满足一定的安全标准,包括承载能力、抗震性能等方面。
多层⼚房框架结构设计第⼀章设计任务及要求1.1⼯程概况该⼚是专门⽣产机床电器开关的专业⼚,模具车间是其中主要车间之⼀,专门⽣产开关零件的冷冲模和成型模构件,该车间正⽴项建设,⼚区位于上海市嘉定区南翔镇。
车间内多为⼩型机床,为节省⼟地,缩短⼯艺流程,可采⽤多框架结构,既四层⼆跨框架,其柱⽹布置图见图1。
1-4层的建筑层⾼分别为5m、4.4 m、4.4 m、4.0 m。
1-4层的结构层标⾼分别为5.8m、4.4 m、4.4 m、4.0 m。
车间内⼯作⼈员约为150⼈左右,故车间⼆头设有⼆部楼梯,并在⼀头设有办公室若⼲间及厕所⼀间,男⼥隔层设置,在两⾯还设有2t客货梯⼀台。
结构采⽤现浇RC四层框架,楼板⼤部分采⽤预制板,局部在楼梯间及其附近采⽤现浇楼板结构,柱下采⽤⽚筏基础。
图1.1 柱⽹布置图1.2设计资料1.2.1⼯程地质条件根据地质勘查报告说明,场地内地下⽔位平均深度为0.4m,对砼⽆侵蚀性,勘查范围内未见不良地质现象。
⼟质构成⾃地表向下依次为:1)填⼟层:厚度约为0.5m,承载⼒标准值Fk=80kpa。
2)粘⼟层:厚度约为2.0m,承载⼒标准值Fk=80kpa。
3)淤质粘⼟:厚度约为2.0m,承载⼒标准值Fk=80kpa。
4)粉砂⼟:厚度约为2.0m,承载⼒标准值Fk=72kpa。
5)淤质粘⼟:厚度约为6.0m,承载⼒标准值Fk=72kpa。
6)粉砂⼟:厚度约为2.5m,承载⼒标准值Fk=80kpa。
7)粘⼟:厚度约为12.0m,承载⼒标准值Fk=80kpa。
第2层褐黄⾊粘⼟层,虽然它呈可⼀软塑状况,具⾼压缩性,但仍可作为甲类建筑物的天然地基;第8层绿⾊粘⼟层是理想的桩基持⼒层。
⼜根据不同⼿段测试所得地基⼟承载⼒不同,个别相差较⼤,所以勘查单位建议⼟层的计算强度采⽤:⼆层:100 kN/m2;三层:80 kN/m2;四层:75 kN/m2;五层:60 kN/m2;六层:80 kN/m2;七层:85 kN/m2;⼋层:190 kN/m2 1.2.2⽓象资料1)基本雪压值0.25KN/m2 0.20KN/m2⽆2)基本风压值0.40KN/m20.55KN/m20.70KN/m23)主导风向东南1.2.3抗震设防烈度抗震设防烈度为7度,设计基本地震加速度值为0.10g,建筑场地图类别为⼆类,场地特征周期为0.35s,设计地震分组为第⼀组。
浅谈多层工业厂房结构设计中的问题摘要:随着我国经济的不断发展,对于多层工业厂房的使用要求越来越高,在高度、跨度、平面尺度、吊车吨位等方面有着不断加大的趋势。
所以,多层工业厂房的结构设计显得越来越重要。
本文主要分析多层厂房的常用的结构体系、结构设计特点以及设计过程中应注意的问题,以得到经济、合理的建筑设计。
关键词:工业厂房;结构设计;建筑;要点;问题改革开放以来,我国的国民经济迅速发展,工业建筑为了满足不断发展的现代大工业生产,要求建筑工艺不断更新,改变过去的功能单一、建筑形式单一的生产方式,形成灵活车间、联合车间、工业大厦等多功能厂房。
除此之外,日益紧张的建筑用地和工艺流程的诸多需要,导致出现越来越多具有荷载大、跨度大、多层吊车、开洞多等特点的多层工业厂房。
同时,在设计过程中也出现了很多值得总结和探讨的问题。
一、工业厂房常用结构设计体系1、纯框架体系。
纯框架体系就是指将工业厂房纵横两个方向都设计成刚接框架的形式,中间不设置支撑柱。
优点是:空间不受影响;缺点是:由于不能采用工字型钢柱,只能采用两个方向惯性差距较大的截面形式,例如箱型柱,由此造成用钢量增加。
2、框架一支撑体系。
框架一支撑体系就是指将工业厂房的横向设计成刚接框架,纵向设计成一支撑体系,利用钢柱间支撑力量抵抗水平荷载。
这种结构体系的优点是:节约资金;缺点是:柱间支撑在使用时会受到影响,适用于横向较短、纵向较长的厂房。
3、钢架和支撑的混合体系。
这种混合体系与框架一支撑体系的不同点在于将工业厂房的纵向设计为钢架与支撑混合的型式,靠两种力量抵抗水平作用力。
此种形式的优点是:有效减少柱的纵向弯矩;缺点是:对于楼面的刚度要求较大,否则将出现柱子间的变形,致使柱间的支撑作用无法充分发挥。
二、多层工业厂房的结构设计要点一般情况下由于工业布置的需求,多层厂房要有足够大的空间。
通常采用框架结构,如果层数较多,并且工艺条件许可的情况下也可采用框剪结构。
工业厂房建筑结构布置的原则是:柱网布置对称均匀;房屋的刚度中心尽量与质量中心相近;为减小厂房的空间扭转作用,要求建筑结构体系规则、简捷、传力明确;尽量避免出现由于应力集中或者变形突变而引起的凹角和收缩;避免竖向变化过多而引起的外挑和内收;尽量保持竖向刚度不变或少变。
多层钢结构工业厂房常用结构形式及设计方案中构新材范本1:多层钢结构工业厂房常用结构形式及设计方案一、引言钢结构工业厂房由于其轻质、强度高、施工速度快等优点,逐渐成为工业建筑领域的主要选择。
本文将介绍多层钢结构工业厂房的常用结构形式及相应的设计方案。
二、常用结构形式1.框架结构2.承重墙结构3.桁架结构4.组合结构三、框架结构设计方案1.主要构件设计2.框架节点设计3.地基设计四、承重墙结构设计方案1.承重墙布置方案2.结构计算与设计3.施工工艺措施五、桁架结构设计方案1.桁架选型和布置2.节点设计3.施工工艺准备六、组合结构设计方案1.组合结构类型选择2.各构件设计与计算3.施工工艺与形式七、附件本文档涉及的相关附件包括钢结构设计图纸、草图等。
八、法律名词及注释1.国家建筑法:指我国制定的用于规范建筑行业的法律法规体系。
2.建筑设计规范:包括建筑结构设计、验收等方面的规范文件。
---------------------------------------------------------------------范本2:多层钢结构工业厂房常用结构形式及设计方案中构新材一、前言钢结构工业厂房是现代工业建筑中常见的形式之一。
本文将详细介绍多层钢结构工业厂房的常用结构形式以及相关的设计方案,包括材料选型、结构形式、施工工艺等。
二、常用结构形式1.框架结构2.承重墙结构3.桁架结构4.组合结构三、框架结构设计方案1.构件选用与计算2.节点设计3.脚手架布置方案四、承重墙结构设计方案1.墙体布置与计算2.结构节点设计3.地基处理方案五、桁架结构设计方案1.桁架类型选择与计算2.节点设计3.钢结构防腐工艺六、组合结构设计方案1.构件选择与计算2.组合结构设计与施工工艺3.安全措施与质量控制七、附件本文档涉及的相关附件包括设计图纸、计算书等。
八、法律名词及注释1.国家建筑法:指我国规范建筑行业的法律法规体系。
多层工业厂房结构设计常见问题及解决方法探讨摘要:随着政策的不断调整,当前工业用地日益紧张,为满足生产发展的实际需求,多层工业厂房应运而生。
但是,多层工业厂房在设计时,由于其结构与常规厂房不同,因此存有开洞多、跨度大、荷载大等特点,在设计的过程中必须要规避常见问题,才能保证多层工业厂房结构设计的合理性,并在压缩成本保证质量的同时,提升建设价值。
关键词:多层工业厂房;结构设计;常见问题;解决方法前言伴随经济发展速度的全面提升,单一的厂房结构已经无法满足现代生产的实际需要。
而为迎合工业企业发展的需求,并扩大其生产力,当前工业厂房在设计上以多功能为基础进行了优化,开展了多层工业厂房的设计。
但是,由于其结构具备特色,因此在实际应用时出现了较多问题,只有通过不断总结进行分析,这样才能对当前问题进行有效处理,并提升设计的合理性和科学性。
一、多层工业厂房结构设计的要点在现代化加工生产的过程中,多层工业厂房的设计解决了厂房用地紧张的问题。
但是,由于多层工业厂房楼层较多,因此在厂房结构的设计过程中,必须保证工业厂房有电梯,这样才能满足运输、存储的需求。
同时,工业厂房在布局上必须对电梯间的位置进行优化设计。
在当前工业厂房的设计中,主要以电梯井筒形式进行设计。
虽然具备着较强的刚度,但对其位置有严格的要求[1]。
并且,在设计的过程中,端部位置和角部位置更为合适。
而现代工业厂房在加工生产的过程中会应用到较多的机械设备,并且部分工业厂房的建筑位置处于地震带上,多层工业厂房必须保证抗震等级符合要求。
进而在细节设计上,针对后浇带位置的设置必须放置在结构最小受力影响区段。
在宽度选择上,必须满足规范,不设防震缝或少设防震缝。
与此同时,多层厂房在设计的过程中存有大尺寸跨度需求,只有增大柱距,保证空间的开阔性,才能为生产加工提供保障。
一般来讲,在横向框架的设置上,可以通过控制手段进行优化,而针对纵向框架以及横向框架的整合来看,需要通过周期性控制来满足抗震需求,这种方法也能保证其经济性。
对多层工业厂房结构设计的探讨【摘要】做好多层工业厂房结构设计的关键在于:概念应清楚,结构选型应做到合理;设计应与施工相结合,避免施工困难;结构计算要准确,设计中应反复试算,调整截面,以达到安全和经济的平衡点。
本文介绍了多层工业厂房的基本特征,分析研究了多层工业厂房结构设计。
【关键词】多层工业厂房结构设计中图分类号:s611 文献标识码:a 文章编号:多层工业厂房常用的结构体系主要有框架一体支撑体系、纯框架体系、钢架加支撑的混合体系。
在框架一体支撑体系结构设计中,通常将纵向结构设计为柱-支撑体系,将横向结构设计为钢接框架,利用柱间支撑承受水平荷载。
框架-支撑体系非常适用于横向较短、纵向较长的厂房,这种结构体系相对比较经济,它的缺点是柱间支撑将会影响厂房的使用。
其次,纯框架体系没有设置柱间支撑,将纵横两个方向的结构均设计为刚接框架。
它的优点是不影响厂房的使用空间;缺点是不能选用工字型柱,须要使用在纵横两个方向上没有较大的惯性矩差别的截面形式,从而导致用钢量大大增加。
最后,钢架加支撑的混合体系和框架一体支撑体系、纯框架体系的不同点是它将纵向设计为支撑与钢架混合的型式,依靠支撑与钢架共同承受水平力。
它的优点是能够显著缩短柱的纵向弯矩,缺点是楼面刚度的要求过大,如果楼面刚度不足,就会导致柱间的不协调、变形,难以有效发挥柱间的支撑作用。
一、多层工业厂房的基本特征1、平面结构布置和柱网布置多层工业厂房在平面布置中,通常为了满足工艺要求,使结构布局不规整,柱网不规则,布梁不整齐,甚至有工艺要求在主受力构件上开孔的现象。
同时厂房内部一般空间较大,柱距多为6~12m,局部有抽柱设计的,柱距会增大到18m 以上。
这使得结构传力复杂,受力不明确,设计中容易产生应力集中现象。
2、竖向结构布置和层高多层工业厂房的层高较大,能达到4~8m,且竖向布置经常出现错层、夹层,楼板开大洞,这使得楼板无法提供足够的平面内刚度,结构有效质量沿竖向分布不均匀。
浅论多层工业厂房的结构设计
摘要:分析多层厂房结构设计的特点及结构计算中应注意的问题,以做到合理、经济的最佳结构设计。
关键词:多层工业厂房结构设计结构计算
随着国民经济的迅速发展,工业建筑要不断满足现代大工业生产,工艺不断更新的要求,过去那种单一功能,单一建筑形式已经不适应生产方式改变的需要,联合车间、灵活车间、工业大厦等多功能厂房应运而生。
另外,建设用地的紧张以及工艺流程的需要,越来越多地多层厂房甚至高层厂房出现。
多层厂房的特点是跨度大、荷载大、开洞多、有多层吊车,在设计过程中,有些问题值得总结和探讨。
一、多层工业厂房结构设计要点
多层厂房因为工艺布置的要求,一般都需要大空间,结构通常采用框架结构,在层数较多、工艺条件许可的情况下也可以采用框剪结构。
结构布置的原则是:尽量使柱网对称均匀布置,使房屋的刚度中心与质量中心相近,以减小房屋的空间扭转作用,结构体系要求简捷、规则、传力明确。
避免出现应力集中和变形突变的凹角和收缩,以及竖向变化过多的外挑和内收,力求沿竖向的刚度不突变或少突变。
1. 控制横向框架与纵向框架的周期。
由于多层厂房跨度方向、尺寸较大,柱子少;而柱距方向尺寸较小,柱子多。
一般都是横向控制,使纵横向的抗震能力大致相同,不仅有利于抗震,也使设计
更为经济合理。
2. 合理布置电梯间的位置。
多层厂房由于设备、货物很重,竖向运输的需要,均要设置电梯。
钢筋混凝土电梯井筒刚度很大,应充分考虑电梯井筒对建筑物的偏心影响,在结构布置上尽量避免电梯井筒布置在建筑物的角部和端部。
当工艺布置需要而不可避免时,应对周围的楼板及框架采取加强措施。
3. 地震区的多层厂房宜少或不设防震缝。
地震区房屋的伸缩缝是合一的,当房屋较长时,宜采取下列一些构造措施和施工措施以少设伸缩缝及防震缝;施工中,每隔40m设置一道800mm一个1400mm 宽的后浇带,后浇带的位置设在结构受力影响最小的区段;在温度影响较大的顶层、底层、山墙和内纵墙端开间的墙体等部位,适当提高配筋率;加厚屋面隔热保温层或设置架空层形成通风屋面。
二、常用的结构体系
1.框架一支撑体系。
即横向设计成刚接框架,纵向设计成柱一支撑体系,用柱间支撑抵抗水平荷载。
这种体系经济节约,但柱问支撑可能会影响使用。
这种形式特别适用于纵向较长,横向较短的厂房。
2.纯框架体系。
把厂房纵横两个方向都设计成刚接框架,不设置柱间支撑。
其优点是使用空间不受影响,缺点是柱不宜采用工字型柱,而要采用两个方向惯性矩差别不大的截面形式(如箱形柱),使用钢量增加。
3.钢架加支撑的混合体系。
这种形式与第一种形式不同之处在
把纵向设计成钢架和支撑混合的型式,靠两者共同抵抗水平力。
这种形式可以有效地减少柱的纵向弯矩,但要求楼面刚度大,否则柱子间的变形不协调,无法充分发挥柱间支撑的作用。
三、结构设计中应注意的问题
1.结构设计与工艺设计的协调。
厂房都是为生产服务的,厂房设计中结构专业作为配套专业首先应满足工艺要求,结构设计也只能服从于工艺条件。
而工艺设计人员在工艺布置时,经常与结构设计发生矛盾,要开洞的地方是框架梁,设备本来可以沿梁布置却布置在了跨中等。
所提荷载也经常偏大,有时甚至把设备的荷载作为均布荷载提出。
尤其在方案阶段,结构设计人员应多与工艺协调,尽量了解工艺布置,使设计和施工都减少了许多不必要的麻烦。
2.结构计算。
随着计算机软硬件的迅速发展,解决了复杂的结构计算问题,使结构工程师们从繁重的琐碎的计算工作中解脱出来。
他们可以把大量的精力放在结构方案的选择比较上,合理的确定结构方案及结构布置,从而提高设计水平及质量,降低工程成本。
(1)楼面等效荷载的计算。
荷载计算是结构计算的条件,荷载取值的准确性直接关系到计算结果的准确性,工艺条件中的荷载问题,如某个工程工艺提出楼面均布荷载为15 kn/m2,而根据工艺的设备布置图和设备的重量,根据规范给出楼面等效荷载的计算方法,计算出的楼面均布荷载按10 kn/m2考虑即可。
由于多层工业建筑与一般多高层民用建筑结构形式、楼面活荷载等有许多不同之处,多层工业建筑楼面活荷载大于多高层民用建
筑。
有的中小型机床上楼层、柱上、梁上还有吊车荷载,它的跨度柱网一般比民用建筑大,层高相对较高,最大特点是整个平面几乎没有内隔墙。
(2)节点核心区的抗剪验算。
框架节点的设计应遵循“强柱弱梁更强节点”的原则,一二级抗震等级的节点还应进行受剪承载力计算。
由于多层厂房的梁柱中心线往往不能重合,加之柱的截面比较大,节点偏心也比较大,对柱节点核心区的构造和受力都有较大的不利影响。
因此,大跨度、大空间、大荷载的多层厂房的节点核心区的抗剪验算显得更为重要。
(3)裂缝宽度、罕遇地震的验算。
裂缝宽度的验算是为了满足正常使用状态的要求,规范规定混凝土梁的裂缝宽度不应大于
0.3mm,如计算中超过,可以通过减小钢筋截面、增加钢筋根数来调整,如果还不满足要求,应修改柱梁截面重新计算。
抗震设计的原则是三不准,即“小震不坏,中震可修,大震不倒”。
所进行的抗震验算仅满足“小震不坏”,构造上加强来满足“中震可修”,罕遇地震的验算则是满足“大震不倒”。
规范规定79度时楼层屈服强度系数小于0.5的框架结构宜进行高于本地区设防烈度预估的罕遇地震作用下薄弱层(部位)的抗震变形计算,并且规定结构薄弱 (部位)层间弹塑性位移角应小于1/50。
多层厂房的设备投资经常远远大于土建投资,罕遇地震的验算应属必要。
(4)与电梯井筒相连框架的考虑。
过去设计按纯框架计算,电梯井壁按构造配筋,这样偏低不安全,框架部分应按壁式框架计算
出的数值进行配筋,电梯井壁则应按剪力墙配筋。
五、小结
综上所述,做好多层工业厂房结构设计的关键在于:概念应清楚,结构选型应做到合理;施工图的设计应与施工相结合,避免施工困难;结构计算要准确,计算中应反复试算,调整截面,以达到最佳设计。