常用螺栓的标准及规格表[新版]
- 格式:doc
- 大小:48.00 KB
- 文档页数:13
常用螺栓的标准及规格表国家标准规定了螺纹规格为M3~M64,A和B级的六角头螺栓。
A级用于D 〈=24和L〈=10D或L〈=150mm(按较小值)的螺栓;B级用于D〉24或L〉10D或L〉150(按较小值)的螺栓外六角螺栓尺寸规格(如图)钢结构连接用螺栓性能等级分3.6、4。
6、4.8、5.6、6。
8、8.8、9。
8、10.9、12.9等10余个等级,其中8.8级及以上螺栓材质为低碳合金钢或中碳钢并经热处理(淬火、回火),通称为高强度螺栓,其余通称为普通螺栓.螺栓性能等级标号有两部分数字组成,分别表示螺栓材料的公称抗拉强度值和屈强比值。
例如,性能等级4。
6级的螺栓,其含义是:1、螺栓材质公称抗拉强度达400MPa级;2、螺栓材质的屈强比值为0。
6;3、螺栓材质的公称屈服强度达400×0.6=240MPa级性能等级10.9级高强度螺栓,其材料经过热处理后,能达到:1、螺栓材质公称抗拉强度达1000MPa级;2、螺栓材质的屈强比值为0。
9;3、螺栓材质的公称屈服强度达1000×0。
9=900MPa级螺栓性能等级的含义是国际通用的标准,相同性能等级的螺栓,不管其材料和产地的区别,其性能是相同的,设计上只选用性能等级即可。
常用螺丝规格表强度等级所谓8。
8级和10.9级是指螺栓的抗剪切应力等级为8。
8GPa和10。
9Gpa8.8 公称抗拉强度800N/MM2 公称屈服强度640N/MM2一般的螺栓是用”X.Y”表示强度的,X*100=此螺栓的抗拉强度,X*100*(Y/10)=此螺栓的屈服强度(因为按标识规定:屈服强度/抗拉强度=Y/10)===============如4。
8级则此螺栓的抗拉强度为:400MPa屈服强度为:400*8/10=320MPa=================另:不锈钢螺栓通常标为A4—70,A2—70的样子,意义另有解释度量当今世界上长度计量单位主要有两种,一种为公制,计量单位为米(m)、厘米(cm)、毫米(mm)等,在欧州、我国及日本等东南亚地区使用较多,另一种为英制,计量单位主要为英寸(inch),相当于我国旧制的市寸,在美国、英国等欧美国家使用较多。
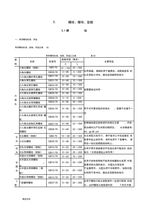
5.螺栓、螺母、垫圈5.1 螺栓一、常用螺栓标准、用途常用螺栓标准、规格、用途见表42。
注:1.冷镦工艺生产的小六角头螺栓具有材料利用率高、生产效率高、机械性能高等优点,但由于头部尺寸较小,不宜用于多次装拆、被联接件强度较低和易锈蚀等场合。
2.当机械性能(强度级别)的分级的规定不能满足使用要求时,可按需要选用材料。
对T型、活节等螺栓的材料在相应标准中有规定。
、六角头螺栓(粗制)(GB5-76)六角头螺栓规格见图20、表43六角头螺栓(粗制)规格(GB5-76)(毫米)表43①为优选系列。
注:1.L0 不包括螺尾,当L W125 时:L0=2d+6 ;当L>125〜200 时:L0=2d+12 ;当L>200 时:L0=2d+25。
2.标记示例:螺栓M10X100GB5 —76表示为直径10毫米,长度100毫米、粗牙普通螺纹,机械性能按5.9级,不经表面处理的六角头螺栓。
三、六角头螺栓精制(GB29 30-76)六角头螺栓(精制)规格见图21、表44六角头螺栓(精制)规格(GB29 30-76)(毫米)表44①为优选系列,其中GB29一76的范围是:d =12以下丄=100以下:GB30 一76的范围是d =10以上丄=16以上。
注:1.L0 不包括螺尾,当L < 125 时:L0=2d+6;当L>125〜200 时丄0=2d+12,当L>200 时:L0=2d+25。
2标记示例:螺栓M10X100GB30 —76。
表示为直径10毫米,长100毫米,机械性能按5.9级,不经表面处理的六角头螺栓。
如螺杆上全部制出螺纹时,应加标记Q,即:螺栓M10X100-Q GB30 一76。
四、沉头螺栓沉头螺栓(粗制)(GB10-76)、沉头带楔螺栓(粗制)(GB11-76)见图22〜23、表45①②为优选系列。
注:1.L0 不包括螺尾,当L W125 时;L0=2d+6;当L>125〜200 时:L0=2d+12;当L>200 时:L0=2d+25。
常用螺栓的标准及规格表常用螺栓的标准及规格表国家标准规定了螺纹规格为M3~M64,A和B级的六角头螺栓.A级用于D<=24和L<=10D或L<=150mm(按较小值)的螺栓;B级用于D>24或L>10D或L>150(按较小值)的螺栓外六角螺栓尺寸规格(如图)钢结构连接用螺栓性能等级分3.6、4.6、4.8、5.6、6.8、8.8、9.8、10.9、12.9等10余个等级,其中8.8级及以上螺栓材质为低碳合金钢或中碳钢并经热处理(淬火、回火),通称为高强度螺栓,其余通称为普通螺栓。
螺栓性能等级标号有两部分数字组成,分别表示螺栓材料的公称抗拉强度值和屈强比值。
例如,性能等级4.6级的螺栓,其含义是:1、螺栓材质公称抗拉强度达400MPa级;2、螺栓材质的屈强比值为0.6;3、螺栓材质的公称屈服强度达400×0.6=240MPa 级性能等级10.9级高强度螺栓,其材料经过热处理后,能达到:1、螺栓材质公称抗拉强度达1000MPa级;2、螺栓材质的屈强比值为0.9;3、螺栓材质的公称屈服强度达1000×0.9=900MPa级螺栓性能等级的含义是国际通用的标准,相同性能等级的螺栓,不管其材料和产地的区别,其性能是相同的,设计上只选用性能等级即可。
常用螺丝规格表类别规格牙距成品外径线径类别规格牙数(每英寸)成品外径线径最大最小±0.02mm 最大最小±0.02mm国标粗牙60° M1.4 0.30 1.38 1.34 1.16英制粗牙55°1/8 40 3.145 3.03 2.70 M1.7 0.35 1.68 1.61 1.42 5/32 32 3.945 3.795 3.38 M2.0 0.40 1.98 1.89 1.68 3/16 24 4.732 4.592 4.00 M2.3 0.40 2.28 2.19 1.98 1/4 20 6.32 6.165 5.45 M2.5 0.45 2.48 2.38 2.15 5/16 18 7.905 7.737 6.94 M3.0 0.50 2.98 2.88 2.60 3/8 16 9.49 9.312 8.40 M3.5 0.60 3.47 3.36 3.02 7/16 14 11.07 10.88 9.84 M4.0 0.70 3.98 3.83 3.40 1/2 12 12.66 12.46 11.22 M4.5 0.75 4.47 4.36 3.88 9/16 12 14.25 14.04 12.81 M5.0 0.80 4.98 4.83 4.30 5/8 11 15.83 15.61 14.27 M6.0 1.00 5.97 5.82 5.18美制粗牙60°4# 40 2.824 2.695 2.37 M7.0 1.00 6.97 6.82 6.18 5# 40 3.154 3.026 2.69 M8.0 1.25 7.96 7.79 7.02 6# 32 3.484 3.333 2.91 M9.0 1.25 8.96 8.79 8.01 8# 32 4.142 3.991 3.57 M10 1.50 9.96 9.77 8.84 10# 24 4.8 4.618 4.05 M11 1.50 10.97 10.73 9.84 12# 24 5.461 5.279 4.70 M12 1.75 11.95 11.76 10.7 1/4 20 6.322 6.117 5.45 M14 2.00 13.95 13.74 12.5 5/16 18 7.907 7.687 6.93 M16 2.00 15.95 15.74 14.5 3/8 16 9.491 9.254 8.40 M18 2.50 17.95 17.71 16.2 7/16 14 11.08 10.82 9.83 M20 2.50 19.95 19.71 18.2 1/2 13 12.66 12.39 11.32国标细牙M4.0 0.50 3.97 3.86 3.58 9/16 12 14.25 13.96 12.80 M4.5 0.50 4.47 4.36 4.07 5/8 11 15.83 15.53 14.26 M5.0 0.50 4.97 4.86 4.57 美制4# 48 2.877 2.713 2.44 M6.0 0.75 5.97 5.85 5.41 5# 44 3.157 3.036 2.7360° M7.0 0.75 6.97 6.85 6.41 粗牙60°6# 40 3.484 3.356 3.02 M8.0 1.00 7.97 7.83 7.24 8# 36 4.145 4.006 3.63 M9.0 1.00 8.97 8.83 8.24 10# 32 4.803 4.651 4.23 M10 1.00 9.97 9.82 9.23 12# 28 5.461 5.296 4.81 M10 1.25 9.96 9.81 9.07 1/4 28 6.324 6.16 5.68 M12 1.25 11.97 11.76 11.07 5/16 24 7.909 7.727 7.16 M12 1.50 11.96 11.79 10.89 3/8 24 9.497 9.315 8.74 M14 1.50 13.96 13.79 12.89 7/16 20 11.08 10.87 10.18 M16 1.50 15.96 15.79 14.89 1/2 20 12.67 12.46 11.76 M18 1.50 17.95 17.73 16.86 9/16 18 14.25 14.03 13.25 M20 1.50 19.95 19.65 18.85 5/8 18 15.83 15.62 14.83类别规格牙数或牙数成品外径线径类别规格牙数或牙数成品外径线径最大最小±0.02mm 最大最小±0.02mm国标7660° M3.0 1.2 3.0 2.85 2.38美制铁板A牙60°2# 32 2.23 2.13 1.78 M3.5 1.4 3.5 3.35 2.75 3# 28 2.56 2.46 2.08 M4.0 1.6 4.0 3.85 3.15 4# 24 2.89 2.79 2.28 M4.5 1.8 4.5 4.35 3.47 5# 20 3.30 3.20 2.60 M5.0 2 5.0 4.85 3.90 6# 18 3.58 3.45 2.78 M6.0 2.5 6.0 5.85 4.67 7# 16 4.01 3.86 3.10日制A 牙铁铁钉60° M2.0 32 2.10 2.00 1.70 8# 15 4.26 4.11 3.30 M2.3 32 2.40 2.30 1.95 9# 14 4.55 4.40 3.45 M2.6 28 2.70 2.60 2.10 10# 12 4.92 4.77 3.75 M3.0 24 3.10 3.00 2.42 12# 11 5.60 5.46 4.30 M3.5 18 3.65 3.50 2.83 14# 10 6.45 6.29 5.05 M4.0 16 4.15 4.00 3.25美制铁板AB牙60°2# 32 2.23 2.08 1.78 M4.5 14 4.65 4.50 3.60 3# 28 2.56 2.46 2.05 M5.0 12 5.20 5.00 4.00 4# 24 2.89 2.74 2.28 M6.0 10 6.20 6.00 4.85 5# 20 3.30 3.20 2.57 M8.0 9 8.20 8.00 6.48 6# 20 3.53 3.43 2.80日制AB 牙铁铁钉M2.0 40 2.00 1.90 1.65 7# 19 3.91 3.78 3.13 M2.3 32 2.30 2.20 1.85 8# 18 4.21 4.04 3.38 M2.6 28 2.60 2.50 2.10 10# 16 4.80 4.65 3.80 M3.0 24 3.00 2.90 2.40 12# 14 5.40 5.31 4.38 M3.5 20 3.50 3.40 2.83 1/4 14 6.25 6.05 5.18 M4.0 18 4.00 3.85 3.25 墙板钉细6# 17 3.60 3.40 2.70 M4.5 16 4.50 4.35 3.60 7# 16 4.00 3.75 3.0360° M5.0 16 5.00 4.85 4.03 牙60°8# 15 4.30 4.05 3.20 M6.0 14 6.00 5.85 4.95 10# 12 4.95 4.70 3.72 M8.0 12 8.00 7.85 6.70 墙板钉粗牙60°6# 9 3.90 3.65 2.65日制木螺丝60° M2.7 1.2 2.77 2.63 2.10 7# 9 4.20 3.90 2.90 M3.1 1.3 3.17 3.03 2.40 8# 9 4.60 4.30 3.20 M3.5 1.4 3.60 3.40 2.75 10# 8 5.30 4.90 3.70 M3.8 1.6 3.90 3.70 3.00德标(C/B)钉40°M2.5 1.1 2.5 2.25 1.80 M4.1 1.8 4.20 4.00 3.20 M3.0 1.35 3.0 2.75 2.10 M4.5 2 4.60 4.40 3.50 M3.5 1.6 3.5 3.20 2.45 M4.8 2.1 4.92 4.68 3.70 M4.0 1.8 4.0 3.70 2.78 M5.1 2.2 5.22 4.98 3.95 M4.5 2 4.5 4.20 3.10 M5.5 2.4 5.62 5.38 4.30 M5.0 2.2 5.0 4.70 3.45 M5.8 2.6 5.92 5.68 4.45 M6.0 2.6 6.0 5.70 4.20强度等级所谓8.8级和10.9级是指螺栓的抗剪切应力等级为8.8GPa和10.9Gpa8.8 公称抗拉强度800N/MM2 公称屈服强度640N/MM2一般的螺栓是用"X.Y"表示强度的,X*100=此螺栓的抗拉强度,X*100*(Y/10)=此螺栓的屈服强度(因为按标识规定:屈服强度/抗拉强度=Y/10)===============如4.8级则此螺栓的抗拉强度为:400MPa屈服强度为:400*8/10=320MPa=================另:不锈钢螺栓通常标为A4-70,A2-70的样子,意义另有解释度量当今世界上长度计量单位主要有两种,一种为公制,计量单位为米(m)、厘米(cm)、毫米(mm)等,在欧州、我国及日本等东南亚地区使用较多,另一种为英制,计量单位主要为英寸(inch),相当于我国旧制的市寸,在美国、英国等欧美国家使用较多。
常用螺栓的标准及规格表国家标准规定了螺纹规格为M3~M64,A和B级的六角头螺栓.A级用于D<=24和L<=10D或L<=150mm(按较小值)的螺栓;B级用于D>24或L>10D或L>150(按较小值)的螺栓外六角螺栓尺寸规格(如图)钢结构连接用螺栓性能等级分3.6、4.6、4.8、5.6、6.8、8.8、9.8、10.9、12.9等10余个等级,其中8.8级及以上螺栓材质为低碳合金钢或中碳钢并经热处理(淬火、回火),通称为高强度螺栓,其余通称为普通螺栓。
螺栓性能等级标号有两部分数字组成,分别表示螺栓材料的公称抗拉强度值和屈强比值。
例如,性能等级4.6级的螺栓,其含义是:1、螺栓材质公称抗拉强度达400MPa级;2、螺栓材质的屈强比值为0.6;3、螺栓材质的公称屈服强度达400×0.6=240MPa级性能等级10.9级高强度螺栓,其材料经过热处理后,能达到:1、螺栓材质公称抗拉强度达1000MPa级;2、螺栓材质的屈强比值为0.9;3、螺栓材质的公称屈服强度达1000×0.9=900MPa级螺栓性能等级的含义是国际通用的标准,相同性能等级的螺栓,不管其材料和产地的区别,其性能是相同的,设计上只选用性能等级即可。
常用螺丝规格表强度等级所谓8.8级和10.9级,是指螺栓的抗剪切应力等级为8.8GPa和10.9Gpa ,8.8 公称抗拉强度800N/MM2 公称屈服强度640N/MM2一般的螺栓是用"X.Y"表示强度的,,X*100=此螺栓的抗拉强度,,X*100*(Y/10)=此螺栓的屈服强度(因为按标识规定:屈服强度/抗拉强度=Y/10)。
如4.8级则此螺栓的抗拉强度为:400MPa 屈服强度为:400*8/10=320MPa另:不锈钢螺栓通常标为A4-70,A2-70的样子,意义另有解释度量当今世界上长度计量单位主要有两种,一种为公制,计量单位为米(m)、厘米(cm)、毫米(mm)等,在欧州、我国及日本等东南亚地区使用较多,另一种为英制,计量单位主要为英寸(inch),相当于我国旧制的市寸,在美国、英国等欧美国家使用较多。
常用螺栓的标准及规格表国家标准规定了螺纹规格为M3~M64,A和B级的六角头螺栓.A级用于D<=24 和L<=10D或L<=150mm按较小值)的螺栓;B级用于D>24或L>10D或L>150(按较小值)的螺栓钢结构连接用螺栓性能等级分 3.6、4.6、4.8、5.6、6.8、8.8、9.8、10.9、12.9等10余个等级,其中8.8级及以上螺栓材质为低碳合金钢或中碳钢并经热处理(淬火、回火),通称为高强度螺栓,其余通称为普通螺栓。
螺栓性能等级标号有两部分数字组成,分别表示螺栓材料的公称抗拉强度值和屈强比值。
例如,性能等级 4.6级的螺栓,其含义是:1、螺栓材质公称抗拉强度达400MPa级;2、螺栓材质的屈强比值为0.6 ;3、螺栓材质的公称屈服强度达400 X 0.6=240MPa级性能等级10.9级高强度螺栓,其材料经过热处理后,能达到:1、螺栓材质公称抗拉强度达1000MPa级;2、螺栓材质的屈强比值为0.9 ;3、螺栓材质的公称屈服强度达1000 X 0.9=900MPa级螺栓性能等级的含义是国际通用的标准,相同性能等级的螺栓,不管其材料和产地的区别,其性能是相同的,设计上只选用性能等级即可。
(如常用螺丝规格表强度等级所谓8.8级和10.9级是指螺栓的抗剪切应力等级为8.8GPa和10.9Gpa 8.8公称抗拉强度800N/MM2公称屈服强度640N/MM2 一般的螺栓是用"X.Y"表示强度的,X*100=此螺栓的抗拉强度,X*100*(Y/10)=此螺栓的屈服强度如 4.8 级则此螺栓的抗拉强度为:400MPa屈服强度为:400*8/10=320MPa另:不锈钢螺栓通常标为A4-70 ,A2-70 的样子,意义另有解释度量当今世界上长度计量单位主要有两种,一种为公制,计量单位为米(m、厘米(cm)、毫米(mm等,在欧州、我国及日本等东南亚地区使用较多,另一种为英制,计量单位主要为英寸(inch ),相当于我国旧制的市寸,在美国、英国等欧美国家使用较多。
常用螺栓的标准及规格表国家标准规定了螺纹规格为 M3~M64,A 和 B 级的六角头螺栓 .A 级用于 D<=24 和 L<=10D 或 L<=150mm 按( 较小值 ) 的螺栓 ;B 级用于 D>24或 L>10D 或 L>150( 按 较小值 )的螺栓外六角螺栓尺寸规格 (如图 )钢结构连接用螺栓性能等级分、、、、、、、、等 10 余个等级,其中级及以上螺栓材质为 低碳合金钢或中碳钢并经热处理(淬火、回火),通称为高强度螺栓,其余通称为普通螺 栓。
螺栓性能等级标号有两部分数字组成,分别表示螺栓材料的公称抗拉强度值和屈强比 值。
例如,性能等级级的螺栓,其含义是:1、螺栓材质公称抗拉强度达 400MPa 级;2、螺栓材质的屈强比值为;3、螺栓材质的公称屈服强度达 400×=240MPa 级性能等级级高强度螺栓,其材料经过热处 理后,能达到:1.v1.0可编辑可修改v1.0 可编辑可修改1、螺栓材质公称抗拉强度达1000MPa级;2、螺栓材质的屈强比值为;3、螺栓材质的公称屈服强度达1000×=900MPa 级螺栓性能等级的含义是国际通用的标准,相同性能等级的螺栓,不管其材料和产地的区别,其性能是相同的,设计上只选用性能等级即可。
常用螺丝规格表2.3.强度等级所谓级和级是指螺栓的抗剪切应力等级为和4.v1.0 可编辑可修改公称抗拉强度800N/MM2 公称屈服强度640N/MM2 一般的螺栓是用"" 表示强度的,X*100=此螺栓的抗拉强度,X*100* (Y/10 )=此螺栓的屈服强度(因为按标识规定:屈服强度/ 抗拉强度=Y/10)如级则此螺栓的抗拉强度为:400MPa屈服强度为:400*8/10=320MPa另:不锈钢螺栓通常标为A4-70 ,A2-70 的样子,意义另有解释度量当今世界上长度计量单位主要有两种,一种为公制,计量单位为米(m)、厘米(cm)、毫米(mm)等,在欧州、我国及日本等东南亚地区使用较多,另一种为英制,计量单位主要为英寸(inch ),相当于我国旧制的市寸,在美国、英国等欧美国家使用较多。
常⽤螺栓的标准及规格表[新版]常⽤螺栓的标准及规格表[新版] 常⽤螺栓的标准及规格表国家标准规定了螺纹规格为M3~M64,A和B级的六⾓头螺栓.A级⽤于D<=24和L<=10D或L<=150mm(按较⼩值)的螺栓;B级⽤于D>24或L>10D或L>150(按较⼩值)的螺栓外六⾓螺栓尺⼨规格(如图)钢结构连接⽤螺栓性能等级分3.6、4.6、4.8、5.6、6.8、8.8、9.8、10.9、12.9等10余个等级,其中8.8级及以上螺栓材质为低碳合⾦钢或中碳钢并经热处理(淬⽕、回⽕),通称为⾼强度螺栓,其余通称为普通螺栓。
螺栓性能等级标号有两部分数字组成,分别表⽰螺栓材料的公称抗拉强度值和屈强⽐值。
例如,性能等级4.6级的螺栓,其含义是:1、螺栓材质公称抗拉强度达400MPa级;2、螺栓材质的屈强⽐值为0.6;3、螺栓材质的公称屈服强度达400×0.6=240MPa级性能等级10.9级⾼强度螺栓,其材料经过热处理后,能达到:1、螺栓材质公称抗拉强度达1000MPa级;2、螺栓材质的屈强⽐值为0.9;3、螺栓材质的公称屈服强度达1000×0.9=900MPa级螺栓性能等级的含义是国际通⽤的标准,相同性能等级的螺栓,不管其材料和产地的区别,其性能是相同的,设计上只选⽤性能等级即可。
常⽤螺丝规格表⽛数成品外径线径成品外径线径类类(每规格⽛距规格别别英最⼤最⼩ ?0.02mm 最⼤最⼩ ?0.02mm ⼨)M1.4 0.30 1.38 1.34 1.16 1/8 40 3.145 3.03 2.70M1.7 0.35 1.68 1.61 1.42 5/32 32 3.945 3.795 3.38M2.0 0.40 1.98 1.89 1.68 3/16 24 4.732 4.592 4.00英 M2.3 0.40 2.28 2.19 1.98 1/4 20 6.32 6.165 5.45 制 M2.5 0.45 2.48 2.38 2.15 5/16 18 7.905 7.737 6.94 粗 M3.0 0.50 2.98 2.88 2.60 3/8 16 9.49 9.312 8.40 ⽛ M3.5 0.60 3.47 3.36 3.02 7/16 14 11.07 10.88 9.84 55? M4.0 0.70 3.98 3.83 3.40 1/2 12 12.66 12.46 11.22 国 M4.5 0.75 4.47 4.36 3.88 9/16 12 14.25 14.04 12.81 标 M5.0 0.80 4.98 4.83 4.30 5/8 11 15.83 15.61 14.27 粗 M6.0 1.00 5.97 5.82 5.18 4# 40 2.824 2.695 2.37 ⽛ M7.0 1.00 6.97 6.82 6.18 5# 40 3.154 3.026 2.69 M8.0 1.25 7.96 7.79 7.02 6# 32 3.484 3.333 2.91 60?M9.0 1.25 8.96 8.79 8.01 8# 32 4.142 3.991 3.57M10 1.50 9.96 9.77 8.84 10# 24 4.8 4.618 4.05 美 M11 1.50 10.9710.73 9.84 12# 24 5.461 5.279 4.70 制M12 1.75 11.95 11.76 10.7 1/4 20 6.322 6.117 5.45 粗⽛ M14 2.00 13.95 13.74 12.5 5/16 18 7.907 7.687 6.93 60? M16 2.00 15.95 15.74 14.5 3/8 16 9.491 9.254 8.40M18 2.50 17.95 17.71 16.2 7/16 14 11.08 10.82 9.83M20 2.50 19.95 19.71 18.2 1/2 13 12.66 12.39 11.32M4.0 0.50 3.97 3.86 3.58 9/16 12 14.25 13.96 12.80 国 M4.5 0.50 4.47 4.36 4.07 5/8 11 15.83 15.53 14.26 标 M5.0 0.50 4.974.86 4.57 4# 48 2.877 2.713 2.44 美细 M6.0 0.755.97 5.85 5.41 5# 44 3.157 3.036 2.73 制⽛ M7.0 0.756.97 6.85 6.41 6# 403.484 3.356 3.02 粗⽛ M8.0 1.00 7.97 7.83 7.24 8# 364.145 4.006 3.63 60? 60? M9.0 1.00 8.97 8.83 8.24 10# 32 4.8034.651 4.23M10 1.00 9.97 9.82 9.23 12# 28 5.461 5.296 4.81M10 1.25 9.96 9.81 9.07 1/4 28 6.324 6.16 5.68M12 1.25 11.97 11.76 11.07 5/16 24 7.909 7.727 7.16M12 1.50 11.96 11.79 10.89 3/8 24 9.497 9.315 8.74M14 1.50 13.96 13.79 12.89 7/16 20 11.08 10.87 10.18M16 1.50 15.96 15.79 14.89 1/2 20 12.67 12.46 11.76M18 1.50 17.95 17.73 16.86 9/16 18 14.25 14.03 13.25M20 1.50 19.95 19.65 18.85 5/8 18 15.83 15.62 14.83⽛数成品外径线径⽛数成品外径线径类类规格或规格或别别最⼤最⼩ ?0.02mm 最⼤最⼩ ?0.02mm ⽛数⽛数M3.0 1.2 3.0 2.85 2.38 2# 32 2.23 2.13 1.78 国 M3.5 1.4 3.5 3.352.75 3# 28 2.56 2.46 2.08 标 M4.0 1.6 4.03.85 3.15 4# 24 2.89 2.79 2.28 美 76 M4.5 1.8 4.5 4.35 3.47 5# 20 3.30 3.20 2.60 制 M5.0 2 5.0 4.853.90 6# 18 3.58 3.45 2.78 铁 60? M6.0 2.5 6.0 5.854.67 7# 16 4.01 3.86 3.10 板M2.0 32 2.10 2.00 1.70 A 8# 15 4.26 4.11 3.30 ⽇⽛ M2.3 32 2.402.30 1.95 9# 14 4.55 4.403.45 制 60? M2.6 28 2.70 2.60 2.10 10# 124.92 4.77 3.75 A M3.0 24 3.10 3.00 2.42 12# 115.60 5.46 4.30 ⽛ M3.5 18 3.65 3.50 2.83 14# 106.45 6.29 5.05 铁 M4.0 16 4.15 4.00 3.25 2# 32 2.232.08 1.78 铁 M4.5 14 4.65 4.503.60 3# 28 2.56 2.46 2.05 钉美 M5.0 12 5.20 5.004.00 4# 24 2.89 2.74 2.28 制 M6.0 10 6.20 6.00 4.85 5# 20 3.30 3.20 2.57 60? 铁 M8.0 9 8.20 8.00 6.48 6# 20 3.53 3.43 2.80板 M2.0 40 2.00 1.90 1.65 7# 19 3.91 3.78 3.13 AB ⽇ M2.3 32 2.30 2.20 1.85 8# 18 4.21 4.04 3.38 ⽛制 M2.6 28 2.60 2.50 2.10 10# 16 4.80 4.65 3.80 60? AB M3.0 24 3.00 2.90 2.40 12# 145.40 5.31 4.38 ⽛ M3.5 20 3.50 3.40 2.83 1/4 146.25 6.05 5.18 铁 M4.0 18 4.00 3.85 3.25 6# 17 3.60 3.40 2.70 墙板铁 M4.5 16 4.50 4.35 3.60 7# 16 4.00 3.75 3.03 钉细钉M5.0 16 5.00 4.85 4.03 8# 15 4.30 4.05 3.20 ⽛ 60? M6.0 14 6.00 5.85 4.95 10# 12 4.95 4.70 3.72 60? M8.0 12 8.007.85 6.70 6# 9 3.90 3.65 2.65 墙板M2.7 1.2 2.77 2.63 2.10 7# 9 4.20 3.90 2.90 钉粗M3.1 1.3 3.17 3.03 2.40 8# 9 4.60 4.30 3.20 ⽛⽇ 60? M3.5 1.4 3.60 3.40 2.75 10# 8 5.30 4.90 3.70 制 M3.8 1.6 3.90 3.70 3.00 M2.5 1.1 2.5 2.25 1.80 ⽊ M4.1 1.8 4.20 4.00 3.20 M3.0 1.35 3.0 2.75 2.10 德螺 M4.5 2 4.60 4.40 3.50 M3.5 1.6 3.5 3.20 2.45 标丝 M4.8 2.1 4.92 4.68 3.70M4.0 1.8 4.0 3.70 2.78 (C/B) M5.1 2.2 5.22 4.98 3.95 钉 M4.5 2 4.5 4.20 3.10 60? 40? M5.5 2.4 5.62 5.38 4.30 M5.0 2.2 5.0 4.70 3.45M5.8 2.6 5.92 5.68 4.45 M6.0 2.6 6.0 5.70 4.20 强度等级所谓8.8级和10.9级是指螺栓的抗剪切应⼒等级为8.8GPa和10.9Gpa8.8 公称抗拉强度800N/MM2 公称屈服强度640N/MM2⼀般的螺栓是⽤"X.Y"表⽰强度的,X*100=此螺栓的抗拉强度,X*100*(Y/10)=此螺栓的屈服强度(因为按标识规定:屈服强度/抗拉强度=Y/10)===============如4.8级则此螺栓的抗拉强度为:400MPa屈服强度为:400*8/10=320MPa=================另:不锈钢螺栓通常标为A4-70,A2-70的样⼦,意义另有解释度量当今世界上长度计量单位主要有两种,⼀种为公制,计量单位为⽶(m)、厘⽶(cm)、毫⽶(mm)等,在欧州、我国及⽇本等东南亚地区使⽤较多,另⼀种为英制,计量单位主要为英⼨(inch),相当于我国旧制的市⼨,在美国、英国等欧美国家使⽤较多。
常用螺栓的标准及规格表国家标准规定了螺纹规格为M3~M64,A和B级的六角头螺栓.A级用于D<=24和L<=10D或L<=150mm(按较小值)的螺栓;B级用于D>24或L>10D或L>150(按较小值)的螺栓外六角螺栓尺寸规格(如图)钢结构连接用螺栓性能等级分3.6、4.6、4.8、5.6、6.8、8.8、9.8、10.9、12.9等10余个等级,其中8.8级及以上螺栓材质为低碳合金钢或中碳钢并经热处理(淬火、回火),通称为高强度螺栓,其余通称为普通螺栓。
螺栓性能等级标号有两部分数字组成,分别表示螺栓材料的公称抗拉强度值和屈强比值。
例如,性能等级4.6级的螺栓,其含义是:1、螺栓材质公称抗拉强度达400MPa级;2、螺栓材质的屈强比值为0.6;3、螺栓材质的公称屈服强度达400×0.6=240MPa级性能等级10.9级高强度螺栓,其材料经过热处理后,能达到:1、螺栓材质公称抗拉强度达1000MPa级;2、螺栓材质的屈强比值为0.9;3、螺栓材质的公称屈服强度达1000×0.9=900MPa级螺栓性能等级的含义是国际通用的标准,相同性能等级的螺栓,不管其材料和产地的区别,其性能是相同的,设计上只选用性能等级即可。
常用螺丝规格表强度等级所谓8.8级和10.9级是指螺栓的抗剪切应力等级为8.8GPa和10.9Gpa8.8 公称抗拉强度800N/MM2 公称屈服强度640N/MM2 一般的螺栓是用"X.Y"表示强度的,X*100=此螺栓的抗拉强度,X*100*(Y/10)=此螺栓的屈服强度(因为按标识规定:屈服强度/抗拉强度=Y/10)===============如4.8级则此螺栓的抗拉强度为:400MPa屈服强度为:400*8/10=320MPa=================另:不锈钢螺栓通常标为A4-70,A2-70的样子,意义另有解释度量当今世界上长度计量单位主要有两种,一种为公制,计量单位为米(m)、厘米(cm)、毫米(mm)等,在欧州、我国及日本等东南亚地区使用较多,另一种为英制,计量单位主要为英寸(inch),相当于我国旧制的市寸,在美国、英国等欧美国家使用较多。
常用螺栓的标准及规格表常用螺栓的标准及规格表国家标准规定了螺纹规格为M3~M64,A和B级的六角头螺栓.A级用于D<=24和L<=10D或L<=150mm(按较小值)的螺栓;B级用于D>24或L>10D或L>150(按较小值)的螺栓外六角螺栓尺寸规格(如图)钢结构连接用螺栓性能等级分3.6、4.6、4.8、5.6、6.8、8.8、9.8、10.9、12.9等10余个等级,其中8.8级及以上螺栓材质为低碳合金钢或中碳钢并经热处理(淬火、回火),通称为高强度螺栓,其余通称为普通螺栓。
螺栓性能等级标号有两部分数字组成,分别表示螺栓材料的公称抗拉强度值和屈强比值。
例如,性能等级4.6级的螺栓,其含义是:1、螺栓材质公称抗拉强度达400MPa级;2、螺栓材质的屈强比值为0.6;3、螺栓材质的公称屈服强度达400×0.6=240MPa 级性能等级10.9级高强度螺栓,其材料经过热处理后,能达到:1、螺栓材质公称抗拉强度达1000MPa级;2、螺栓材质的屈强比值为0.9;3、螺栓材质的公称屈服强度达1000×0.9=900MPa级螺栓性能等级的含义是国际通用的标准,相同性能等级的螺栓,不管其材料和产地的区别,其性能是相同的,设计上只选用性能等级即可。
常用螺丝规格表类别规格牙距成品外径线径类别规格牙数(每英寸)成品外径线径最大最小±0.02mm 最大最小±0.02mm国标粗牙60° M1.4 0.30 1.38 1.34 1.16英制粗牙55°1/8 40 3.145 3.03 2.70 M1.7 0.35 1.68 1.61 1.42 5/32 32 3.945 3.795 3.38 M2.0 0.40 1.98 1.89 1.68 3/16 24 4.732 4.592 4.00 M2.3 0.40 2.28 2.19 1.98 1/4 20 6.32 6.165 5.45 M2.5 0.45 2.48 2.38 2.15 5/16 18 7.905 7.737 6.94 M3.0 0.50 2.98 2.88 2.60 3/8 16 9.49 9.312 8.40 M3.5 0.60 3.47 3.36 3.02 7/16 14 11.07 10.88 9.84 M4.0 0.70 3.98 3.83 3.40 1/2 12 12.66 12.46 11.22 M4.5 0.75 4.47 4.36 3.88 9/16 12 14.25 14.04 12.81 M5.0 0.80 4.98 4.83 4.30 5/8 11 15.83 15.61 14.27 M6.0 1.00 5.97 5.82 5.18美制粗牙60°4# 40 2.824 2.695 2.37 M7.0 1.00 6.97 6.82 6.18 5# 40 3.154 3.026 2.69 M8.0 1.25 7.96 7.79 7.02 6# 32 3.484 3.333 2.91 M9.0 1.25 8.96 8.79 8.01 8# 32 4.142 3.991 3.57 M10 1.50 9.96 9.77 8.84 10# 24 4.8 4.618 4.05 M11 1.50 10.97 10.73 9.84 12# 24 5.461 5.279 4.70 M12 1.75 11.95 11.76 10.7 1/4 20 6.322 6.117 5.45 M14 2.00 13.95 13.74 12.5 5/16 18 7.907 7.687 6.93 M16 2.00 15.95 15.74 14.5 3/8 16 9.491 9.254 8.40 M18 2.50 17.95 17.71 16.2 7/16 14 11.08 10.82 9.83 M20 2.50 19.95 19.71 18.2 1/2 13 12.66 12.39 11.32国标细牙M4.0 0.50 3.97 3.86 3.58 9/16 12 14.25 13.96 12.80 M4.5 0.50 4.47 4.36 4.07 5/8 11 15.83 15.53 14.26 M5.0 0.50 4.97 4.86 4.57 美制4# 48 2.877 2.713 2.44 M6.0 0.75 5.97 5.85 5.41 5# 44 3.157 3.036 2.7360° M7.0 0.75 6.97 6.85 6.41 粗牙60°6# 40 3.484 3.356 3.02 M8.0 1.00 7.97 7.83 7.24 8# 36 4.145 4.006 3.63 M9.0 1.00 8.97 8.83 8.24 10# 32 4.803 4.651 4.23 M10 1.00 9.97 9.82 9.23 12# 28 5.461 5.296 4.81 M10 1.25 9.96 9.81 9.07 1/4 28 6.324 6.16 5.68 M12 1.25 11.97 11.76 11.07 5/16 24 7.909 7.727 7.16 M12 1.50 11.96 11.79 10.89 3/8 24 9.497 9.315 8.74 M14 1.50 13.96 13.79 12.89 7/16 20 11.08 10.87 10.18 M16 1.50 15.96 15.79 14.89 1/2 20 12.67 12.46 11.76 M18 1.50 17.95 17.73 16.86 9/16 18 14.25 14.03 13.25 M20 1.50 19.95 19.65 18.85 5/8 18 15.83 15.62 14.83类别规格牙数或牙数成品外径线径类别规格牙数或牙数成品外径线径最大最小±0.02mm 最大最小±0.02mm国标7660° M3.0 1.2 3.0 2.85 2.38美制铁板A牙60°2# 32 2.23 2.13 1.78 M3.5 1.4 3.5 3.35 2.75 3# 28 2.56 2.46 2.08 M4.0 1.6 4.0 3.85 3.15 4# 24 2.89 2.79 2.28 M4.5 1.8 4.5 4.35 3.47 5# 20 3.30 3.20 2.60 M5.0 2 5.0 4.85 3.90 6# 18 3.58 3.45 2.78 M6.0 2.5 6.0 5.85 4.67 7# 16 4.01 3.86 3.10日制A 牙铁铁钉60° M2.0 32 2.10 2.00 1.70 8# 15 4.26 4.11 3.30 M2.3 32 2.40 2.30 1.95 9# 14 4.55 4.40 3.45 M2.6 28 2.70 2.60 2.10 10# 12 4.92 4.77 3.75 M3.0 24 3.10 3.00 2.42 12# 11 5.60 5.46 4.30 M3.5 18 3.65 3.50 2.83 14# 10 6.45 6.29 5.05 M4.0 16 4.15 4.00 3.25美制铁板AB牙60°2# 32 2.23 2.08 1.78 M4.5 14 4.65 4.50 3.60 3# 28 2.56 2.46 2.05 M5.0 12 5.20 5.00 4.00 4# 24 2.89 2.74 2.28 M6.0 10 6.20 6.00 4.85 5# 20 3.30 3.20 2.57 M8.0 9 8.20 8.00 6.48 6# 20 3.53 3.43 2.80日制AB 牙铁铁钉M2.0 40 2.00 1.90 1.65 7# 19 3.91 3.78 3.13 M2.3 32 2.30 2.20 1.85 8# 18 4.21 4.04 3.38 M2.6 28 2.60 2.50 2.10 10# 16 4.80 4.65 3.80 M3.0 24 3.00 2.90 2.40 12# 14 5.40 5.31 4.38 M3.5 20 3.50 3.40 2.83 1/4 14 6.25 6.05 5.18 M4.0 18 4.00 3.85 3.25 墙板钉细6# 17 3.60 3.40 2.70 M4.5 16 4.50 4.35 3.60 7# 16 4.00 3.75 3.0360° M5.0 16 5.00 4.85 4.03 牙60°8# 15 4.30 4.05 3.20 M6.0 14 6.00 5.85 4.95 10# 12 4.95 4.70 3.72 M8.0 12 8.00 7.85 6.70 墙板钉粗牙60°6# 9 3.90 3.65 2.65日制木螺丝60° M2.7 1.2 2.77 2.63 2.10 7# 9 4.20 3.90 2.90 M3.1 1.3 3.17 3.03 2.40 8# 9 4.60 4.30 3.20 M3.5 1.4 3.60 3.40 2.75 10# 8 5.30 4.90 3.70 M3.8 1.6 3.90 3.70 3.00德标(C/B)钉40°M2.5 1.1 2.5 2.25 1.80 M4.1 1.8 4.20 4.00 3.20 M3.0 1.35 3.0 2.75 2.10 M4.5 2 4.60 4.40 3.50 M3.5 1.6 3.5 3.20 2.45 M4.8 2.1 4.92 4.68 3.70 M4.0 1.8 4.0 3.70 2.78 M5.1 2.2 5.22 4.98 3.95 M4.5 2 4.5 4.20 3.10 M5.5 2.4 5.62 5.38 4.30 M5.0 2.2 5.0 4.70 3.45 M5.8 2.6 5.92 5.68 4.45 M6.0 2.6 6.0 5.70 4.20强度等级所谓8.8级和10.9级是指螺栓的抗剪切应力等级为8.8GPa和10.9Gpa8.8 公称抗拉强度800N/MM2 公称屈服强度640N/MM2一般的螺栓是用"X.Y"表示强度的,X*100=此螺栓的抗拉强度,X*100*(Y/10)=此螺栓的屈服强度(因为按标识规定:屈服强度/抗拉强度=Y/10)===============如4.8级则此螺栓的抗拉强度为:400MPa屈服强度为:400*8/10=320MPa=================另:不锈钢螺栓通常标为A4-70,A2-70的样子,意义另有解释度量当今世界上长度计量单位主要有两种,一种为公制,计量单位为米(m)、厘米(cm)、毫米(mm)等,在欧州、我国及日本等东南亚地区使用较多,另一种为英制,计量单位主要为英寸(inch),相当于我国旧制的市寸,在美国、英国等欧美国家使用较多。
常用螺栓的标准及规格表国家标准规定了螺纹规格为M3~M64,A和B级的六角头螺栓。
A级用于D<=24和L<=10D或L〈=150mm(按较小值)的螺栓;B级用于D〉24或L〉10D 或L>150(按较小值)的螺栓外六角螺栓尺寸规格(如图)钢结构连接用螺栓性能等级分3。
6、4。
6、4.8、5.6、6.8、8。
8、9.8、10。
9、12.9等10余个等级,其中8.8级及以上螺栓材质为低碳合金钢或中碳钢并经热处理(淬火、回火),通称为高强度螺栓,其余通称为普通螺栓。
螺栓性能等级标号有两部分数字组成,分别表示螺栓材料的公称抗拉强度值和屈强比值。
例如,性能等级4。
6级的螺栓,其含义是:1、螺栓材质公称抗拉强度达400MPa级;2、螺栓材质的屈强比值为0。
6;3、螺栓材质的公称屈服强度达400×0.6=240MPa级性能等级10。
9级高强度螺栓,其材料经过热处理后,能达到:1、螺栓材质公称抗拉强度达1000MPa级;2、螺栓材质的屈强比值为0。
9;3、螺栓材质的公称屈服强度达1000×0.9=900MPa级螺栓性能等级的含义是国际通用的标准,相同性能等级的螺栓,不管其材料和产地的区别,其性能是相同的,设计上只选用性能等级即可.常用螺丝规格表强度等级所谓8.8级和10.9级是指螺栓的抗剪切应力等级为8。
8GPa和10。
9Gpa8。
8 公称抗拉强度800N/MM2 公称屈服强度640N/MM2一般的螺栓是用”X。
Y"表示强度的,X*100=此螺栓的抗拉强度,X*100*(Y/10)=此螺栓的屈服强度(因为按标识规定:屈服强度/抗拉强度=Y/10)===============如4。
8级则此螺栓的抗拉强度为:400MPa屈服强度为:400*8/10=320MPa=================另:不锈钢螺栓通常标为A4—70,A2-70的样子,意义另有解释度量当今世界上长度计量单位主要有两种,一种为公制,计量单位为米(m)、厘米(cm)、毫米(mm)等,在欧州、我国及日本等东南亚地区使用较多,另一种为英制,计量单位主要为英寸(inch),相当于我国旧制的市寸,在美国、英国等欧美国家使用较多。
常用螺栓的标准及规格表国家标准规定了螺纹规格为M3~M64,A和 B 级的六角头螺栓 .A 级用于 D<=24和 L<=10D 或 L<=150mm(按较小值 ) 的螺栓 ;B 级用于 D>24或 L>10D或 L>150(按较小值 ) 的螺栓外六角螺栓尺寸规格 ( 如图 )钢结构连接用螺栓性能等级分 3.6、 4.6、 4.8、 5.6、 6.8、8.8、9.8、10.9、12.9 等 10 余个等级,其中 8.8 级及以上螺栓材质为低碳合金钢或中碳钢并经热处理(淬火、回火),通称为高强度螺栓,其余通称为普通螺栓。
螺栓性能等级标号有两部分数字组成,分别表示螺栓材料的公称抗拉强度值和屈强比值。
例如,性能等级 4.6 级的螺栓,其含义是:1、螺栓材质公称抗拉强度达400MPa 级;2、螺栓材质的屈强比值为0.6;3、螺栓材质的公称屈服强度达400×0.6=240MPa级性能等级 10.9 级高强度螺栓,其材料经过热处理后,能达到:1、螺栓材质公称抗拉强度达1000MPa级;2、螺栓材质的屈强比值为0.9;3、螺栓材质的公称屈服强度达1000×0.9=900MPa级螺栓性能等级的含义是国际通用的标准,相同性能等级的螺栓,不管其材料和产地的区别,其性能是相同的,设计上只选用性能等级即可。
类别国标粗牙60°国标细牙60°常用螺丝规格表成品外径线径牙数成品外径线径规格牙距类规格( 每最大最小±0.02mm 别英最大最小±0.02mm寸 )M1.4 0.30 1.38 1.34 1.16 1/8 40 3.145 3.03 2.70M1.7 0.35 1.68 1.61 1.42 5/32 32 3.945 3.795 3.38M2.0 0.40 1.98 1.89 1.68英3/16 24 4.732 4.592 4.00M2.3 0.40 2.28 2.19 1.98 1/4 20 6.32 6.165 5.45制M2.5 0.45 2.48 2.38 2.15 5/16 18 7.905 7.737 6.94粗M3.0 0.50 2.98 2.88 2.60 3/8 16 9.49 9.312 8.40牙M3.5 0.60 3.47 3.36 3.02 7/16 14 11.07 10.88 9.8455 °M4.0 0.70 3.98 3.83 3.40 1/2 12 12.66 12.46 11.22M4.5 0.75 4.47 4.36 3.88 9/16 12 14.25 14.04 12.81M5.0 0.80 4.98 4.83 4.30 5/8 11 15.83 15.61 14.27M6.0 1.00 5.97 5.82 5.18 4# 40 2.824 2.695 2.37M7.0 1.00 6.97 6.82 6.18 5# 40 3.154 3.026 2.69M8.0 1.25 7.96 7.79 7.02 6# 32 3.484 3.333 2.91M9.0 1.25 8.96 8.79 8.01 8# 32 4.142 3.991 3.57M10 1.50 9.96 9.77 8.84 美10# 24 4.8 4.618 4.05M11 1.50 10.97 10.73 9.84 制12# 24 5.461 5.279 4.70M12 1.75 11.95 11.76 10.7 粗1/4 20 6.322 6.117 5.45M14 2.00 13.95 13.74 12.5 牙5/16 18 7.907 7.687 6.93M16 2.00 15.95 15.74 14.5 60 °3/8 16 9.491 9.254 8.40M18 2.50 17.95 17.71 16.2 7/16 14 11.08 10.82 9.83M20 2.50 19.95 19.71 18.2 1/2 13 12.66 12.39 11.32M4.0 0.50 3.97 3.86 3.58 9/16 12 14.25 13.96 12.80M4.5 0.50 4.47 4.36 4.07 5/8 11 15.83 15.53 14.26M5.0 0.50 4.97 4.86 4.57 4# 48 2.877 2.713 2.44M6.0 0.75 5.97 5.85 5.41 5# 44 3.157 3.036 2.73M7.0 0.75 6.97 6.85 6.41 6# 40 3.484 3.356 3.02M8.0 1.00 7.97 7.83 7.24 8# 36 4.145 4.006 3.63M9.0 1.00 8.97 8.83 8.24 美10# 32 4.803 4.651 4.23M10 1.00 9.97 9.82 9.23 制12# 28 5.461 5.296 4.81M10 1.25 9.96 9.81 9.07 粗1/4 28 6.324 6.16 5.68M12 1.25 11.97 11.76 11.07 牙5/16 24 7.909 7.727 7.16M12 1.50 11.96 11.79 10.89 60 °3/8 24 9.497 9.315 8.74M14 1.50 13.96 13.79 12.89 7/16 20 11.08 10.87 10.18M16 1.50 15.96 15.79 14.89 1/2 20 12.67 12.46 11.76M18 1.50 17.95 17.73 16.86 9/16 18 14.25 14.03 13.25M20 1.50 19.95 19.65 18.85 5/8 18 15.83 15.62 14.83类牙数成品外径线径规格或±0.02mm 别最大最小牙数国M3.0 1.2 3.0 2.85 2.38 M3.5 1.4 3.5 3.35 2.75标M4.0 1.6 4.0 3.85 3.15 76 M4.5 1.8 4.5 4.35 3.4760° M5.0 2 5.0 4.85 3.90 M6.0 2.5 6.0 5.85 4.67日M2.0 32 2.10 2.00 1.70 M2.3 32 2.40 2.30 1.95制M2.6 28 2.70 2.60 2.10 AM3.0 24 3.10 3.00 2.42 牙M3.5 18 3.65 3.50 2.83 铁M4.0 16 4.15 4.00 3.25 铁M4.5 14 4.65 4.50 3.60 钉M5.0 12 5.20 5.00 4.00 60° M6.0 10 6.20 6.00 4.85 M8.0 9 8.20 8.00 6.48日M2.0 40 2.00 1.90 1.65 M2.3 32 2.30 2.20 1.85制M2.6 28 2.60 2.50 2.10 ABM3.0 24 3.00 2.90 2.40 牙M3.5 20 3.50 3.40 2.83 铁M4.0 18 4.00 3.85 3.25 铁M4.5 16 4.50 4.35 3.60 钉M5.0 16 5.00 4.85 4.03 60° M6.0 14 6.00 5.85 4.95 M8.0 12 8.00 7.85 6.70M2.7 1.2 2.77 2.63 2.10日M3.1 1.3 3.17 3.03 2.40 M3.5 1.4 3.60 3.40 2.75制M3.8 1.6 3.90 3.70 3.00 木M4.1 1.8 4.20 4.00 3.20 螺M4.5 2 4.60 4.40 3.50 丝M4.8 2.1 4.92 4.68 3.70 60° M5.1 2.2 5.22 4.98 3.95 M5.5 2.4 5.62 5.38 4.30M5.8 2.6 5.92 5.68 4.45类牙数成品外径线径规格或±0.02mm 别最大最小牙数2# 32 2.23 2.13 1.783# 28 2.56 2.46 2.08 美4# 24 2.89 2.79 2.28制5# 20 3.30 3.20 2.60铁6# 18 3.58 3.45 2.78板7# 16 4.01 3.86 3.10A 8# 15 4.26 4.11 3.30牙9# 14 4.55 4.40 3.4560 °10# 12 4.92 4.77 3.7512# 11 5.60 5.46 4.3014# 10 6.45 6.29 5.052# 32 2.23 2.08 1.78 美3# 28 2.56 2.46 2.054# 24 2.89 2.74 2.28 制5# 20 3.30 3.20 2.57铁6# 20 3.53 3.43 2.80 板7# 19 3.91 3.78 3.13 AB8# 18 4.21 4.04 3.38 牙10# 16 4.80 4.65 3.8060 °12# 14 5.40 5.31 4.381/4 14 6.25 6.05 5.18墙板6# 17 3.60 3.40 2.70钉细7# 16 4.00 3.75 3.03 牙8# 15 4.30 4.05 3.20 60°10# 12 4.95 4.70 3.72墙板6# 9 3.90 3.65 2.65钉粗7# 9 4.20 3.90 2.90 牙8# 9 4.60 4.30 3.20 60°10# 8 5.30 4.90 3.70M2.5 1.1 2.5 2.25 1.80 德M3.0 1.35 3.0 2.75 2.10标M3.5 1.6 3.5 3.20 2.45(C/B) M4.0 1.8 4.0 3.70 2.78 钉M4.5 2 4.5 4.20 3.1040 °M5.0 2.2 5.0 4.70 3.45M6.0 2.6 6.0 5.70 4.20强度等级所谓 8.8 级和 10.9 级,是指螺栓的抗剪切应力等级为 8.8GPa和 10.9Gpa , 8.8 公称抗拉强度 800N/MM2 公称屈服强度 640N/MM2一般的螺栓是用 "X.Y" 表示强度的,, X*100= 此螺栓的抗拉强度,, X*100* (Y/10 )=此螺栓的屈服强度(因为按标识规定:屈服强度 /抗拉强度 =Y/10)。
常用螺栓的标准及规格表国家标准规定了螺纹规格为M3~M64,A和B级的六角头螺栓.A级用于D<=24和L<=10D或L<=150mm(按较小值)的螺栓;B级用于D>24或L>10D或L>150(按较小值)的螺栓外六角螺栓尺寸规格(如图)钢结构连接用螺栓性能等级分3.6、4.6、4.8、5.6、6.8、8.8、9.8、10.9、12.9等10余个等级,其中8.8级及以上螺栓材质为低碳合金钢或中碳钢并经热处理(淬火、回火),通称为高强度螺栓,其余通称为普通螺栓。
螺栓性能等级标号有两部分数字组成,分别表示螺栓材料的公称抗拉强度值和屈强比值。
例如,性能等级4.6级的螺栓,其含义是:1、螺栓材质公称抗拉强度达400MPa级;2、螺栓材质的屈强比值为0.6;3、螺栓材质的公称屈服强度达400×0.6=240MPa级性能等级10.9级高强度螺栓,其材料经过热处理后,能达到:1、螺栓材质公称抗拉强度达1000MPa级;2、螺栓材质的屈强比值为0.9;3、螺栓材质的公称屈服强度达1000×0.9=900MPa级螺栓性能等级的含义是国际通用的标准,相同性能等级的螺栓,不管其材料和产地的区别,其性能是相同的,设计上只选用性能等级即可。
常用螺丝规格表强度等级所谓8.8级和10.9级是指螺栓的抗剪切应力等级为8.8GPa和10.9Gpa8.8 公称抗拉强度800N/MM2 公称屈服强度640N/MM2 一般的螺栓是用"X.Y"表示强度的,X*100=此螺栓的抗拉强度,X*100*(Y/10)=此螺栓的屈服强度(因为按标识规定:屈服强度/抗拉强度=Y/10)===============如4.8级则此螺栓的抗拉强度为:400MPa屈服强度为:400*8/10=320MPa=================另:不锈钢螺栓通常标为A4-70,A2-70的样子,意义另有解释度量当今世界上长度计量单位主要有两种,一种为公制,计量单位为米(m)、厘米(cm)、毫米(mm)等,在欧州、我国及日本等东南亚地区使用较多,另一种为英制,计量单位主要为英寸(inch),相当于我国旧制的市寸,在美国、英国等欧美国家使用较多。
常用螺栓的标准及规格表国家标准规定了螺纹规格为M3~M64,A和B级的六角头螺栓.A级用于D<=24和L<=10D或L<=150mm(按较小值)的螺栓;B级用于D>24或L>10D或L>150(按较小值)的螺栓外六角螺栓尺寸规格(如图)钢结构连接用螺栓性能等级分3.6、4.6、4.8、5.6、6.8、8.8、9.8、10.9、12.9等10余个等级,其中8.8级及以上螺栓材质为低碳合金钢或中碳钢并经热处理(淬火、回火),通称为高强度螺栓,其余通称为普通螺栓。
螺栓性能等级标号有两部分数字组成,分别表示螺栓材料的公称抗拉强度值和屈强比值。
例如,性能等级4.6级的螺栓,其含义是:1、螺栓材质公称抗拉强度达400MPa级;2、螺栓材质的屈强比值为0.6;3、螺栓材质的公称屈服强度达400×0.6=240MPa级性能等级10.9级高强度螺栓,其材料经过热处理后,能达到:1、螺栓材质公称抗拉强度达1000MPa级;2、螺栓材质的屈强比值为0.9;3、螺栓材质的公称屈服强度达1000×0.9=900MPa级螺栓性能等级的含义是国际通用的标准,相同性能等级的螺栓,不管其材料和产地的区别,其性能是相同的,设计上只选用性能等级即可。
常用螺丝规格表强度等级所谓8.8级和10.9级,是指螺栓的抗剪切应力等级为8.8GPa和10.9Gpa ,8.8 公称抗拉强度800N/MM2 公称屈服强度640N/MM2一般的螺栓是用"X.Y"表示强度的,,X*100=此螺栓的抗拉强度,,X*100*(Y/10)=此螺栓的屈服强度(因为按标识规定:屈服强度/抗拉强度=Y/10)。
如4.8级则此螺栓的抗拉强度为:400MPa 屈服强度为:400*8/10=320MPa另:不锈钢螺栓通常标为A4-70,A2-70的样子,意义另有解释度量当今世界上长度计量单位主要有两种,一种为公制,计量单位为米(m)、厘米(cm)、毫米(mm)等,在欧州、我国及日本等东南亚地区使用较多,另一种为英制,计量单位主要为英寸(inch),相当于我国旧制的市寸,在美国、英国等欧美国家使用较多。
常用螺栓的标准及规格表常用螺栓的标准及规格表国家标准规定了螺纹规格为M3~M64,A和B级的六角头螺栓.A级用于D<=24和L<=10D或L<=150mm(按较小值)的螺栓;B级用于D>24或L>10D或L>150(按较小值)的螺栓外六角螺栓尺寸规格(如图)钢结构连接用螺栓性能等级分3.6、4.6、4.8、5.6、6.8、8.8、9.8、10.9、12.9等10余个等级,其中8.8级及以上螺栓材质为低碳合金钢或中碳钢并经热处理(淬火、回火),通称为高强度螺栓,其余通称为普通螺栓。
螺栓性能等级标号有两部分数字组成,分别表示螺栓材料的公称抗拉强度值和屈强比值。
例如,性能等级4.6级的螺栓,其含义是:1、螺栓材质公称抗拉强度达400MPa级;2、螺栓材质的屈强比值为0.6;3、螺栓材质的公称屈服强度达400×0.6=240MPa 级性能等级10.9级高强度螺栓,其材料经过热处理后,能达到:1、螺栓材质公称抗拉强度达1000MPa级;2、螺栓材质的屈强比值为0.9;3、螺栓材质的公称屈服强度达1000×0.9=900MPa级螺栓性能等级的含义是国际通用的标准,相同性能等级的螺栓,不管其材料和产地的区别,其性能是相同的,设计上只选用性能等级即可。
常用螺丝规格表类别规格牙距成品外径线径类别规格牙数(每英寸)成品外径线径最大最小±0.02mm 最大最小±0.02mm国标粗牙60° M1.4 0.30 1.38 1.34 1.16英制粗牙55°1/8 40 3.145 3.03 2.70 M1.7 0.35 1.68 1.61 1.42 5/32 32 3.945 3.795 3.38 M2.0 0.40 1.98 1.89 1.68 3/16 24 4.732 4.592 4.00 M2.3 0.40 2.28 2.19 1.98 1/4 20 6.32 6.165 5.45 M2.5 0.45 2.48 2.38 2.15 5/16 18 7.905 7.737 6.94 M3.0 0.50 2.98 2.88 2.60 3/8 16 9.49 9.312 8.40 M3.5 0.60 3.47 3.36 3.02 7/16 14 11.07 10.88 9.84 M4.0 0.70 3.98 3.83 3.40 1/2 12 12.66 12.46 11.22 M4.5 0.75 4.47 4.36 3.88 9/16 12 14.25 14.04 12.81 M5.0 0.80 4.98 4.83 4.30 5/8 11 15.83 15.61 14.27 M6.0 1.00 5.97 5.82 5.18美制粗牙60°4# 40 2.824 2.695 2.37 M7.0 1.00 6.97 6.82 6.18 5# 40 3.154 3.026 2.69 M8.0 1.25 7.96 7.79 7.02 6# 32 3.484 3.333 2.91 M9.0 1.25 8.96 8.79 8.01 8# 32 4.142 3.991 3.57 M10 1.50 9.96 9.77 8.84 10# 24 4.8 4.618 4.05 M11 1.50 10.97 10.73 9.84 12# 24 5.461 5.279 4.70 M12 1.75 11.95 11.76 10.7 1/4 20 6.322 6.117 5.45 M14 2.00 13.95 13.74 12.5 5/16 18 7.907 7.687 6.93 M16 2.00 15.95 15.74 14.5 3/8 16 9.491 9.254 8.40 M18 2.50 17.95 17.71 16.2 7/16 14 11.08 10.82 9.83 M20 2.50 19.95 19.71 18.2 1/2 13 12.66 12.39 11.32国标细牙M4.0 0.50 3.97 3.86 3.58 9/16 12 14.25 13.96 12.80 M4.5 0.50 4.47 4.36 4.07 5/8 11 15.83 15.53 14.26 M5.0 0.50 4.97 4.86 4.57 美制4# 48 2.877 2.713 2.44 M6.0 0.75 5.97 5.85 5.41 5# 44 3.157 3.036 2.7360° M7.0 0.75 6.97 6.85 6.41 粗牙60°6# 40 3.484 3.356 3.02 M8.0 1.00 7.97 7.83 7.24 8# 36 4.145 4.006 3.63 M9.0 1.00 8.97 8.83 8.24 10# 32 4.803 4.651 4.23 M10 1.00 9.97 9.82 9.23 12# 28 5.461 5.296 4.81 M10 1.25 9.96 9.81 9.07 1/4 28 6.324 6.16 5.68 M12 1.25 11.97 11.76 11.07 5/16 24 7.909 7.727 7.16 M12 1.50 11.96 11.79 10.89 3/8 24 9.497 9.315 8.74 M14 1.50 13.96 13.79 12.89 7/16 20 11.08 10.87 10.18 M16 1.50 15.96 15.79 14.89 1/2 20 12.67 12.46 11.76 M18 1.50 17.95 17.73 16.86 9/16 18 14.25 14.03 13.25 M20 1.50 19.95 19.65 18.85 5/8 18 15.83 15.62 14.83类别规格牙数或牙数成品外径线径类别规格牙数或牙数成品外径线径最大最小±0.02mm 最大最小±0.02mm国标7660° M3.0 1.2 3.0 2.85 2.38美制铁板A牙60°2# 32 2.23 2.13 1.78 M3.5 1.4 3.5 3.35 2.75 3# 28 2.56 2.46 2.08 M4.0 1.6 4.0 3.85 3.15 4# 24 2.89 2.79 2.28 M4.5 1.8 4.5 4.35 3.47 5# 20 3.30 3.20 2.60 M5.0 2 5.0 4.85 3.90 6# 18 3.58 3.45 2.78 M6.0 2.5 6.0 5.85 4.67 7# 16 4.01 3.86 3.10日制A 牙铁铁钉60° M2.0 32 2.10 2.00 1.70 8# 15 4.26 4.11 3.30 M2.3 32 2.40 2.30 1.95 9# 14 4.55 4.40 3.45 M2.6 28 2.70 2.60 2.10 10# 12 4.92 4.77 3.75 M3.0 24 3.10 3.00 2.42 12# 11 5.60 5.46 4.30 M3.5 18 3.65 3.50 2.83 14# 10 6.45 6.29 5.05 M4.0 16 4.15 4.00 3.25美制铁板AB牙60°2# 32 2.23 2.08 1.78 M4.5 14 4.65 4.50 3.60 3# 28 2.56 2.46 2.05 M5.0 12 5.20 5.00 4.00 4# 24 2.89 2.74 2.28 M6.0 10 6.20 6.00 4.85 5# 20 3.30 3.20 2.57 M8.0 9 8.20 8.00 6.48 6# 20 3.53 3.43 2.80日制AB 牙铁铁钉M2.0 40 2.00 1.90 1.65 7# 19 3.91 3.78 3.13 M2.3 32 2.30 2.20 1.85 8# 18 4.21 4.04 3.38 M2.6 28 2.60 2.50 2.10 10# 16 4.80 4.65 3.80 M3.0 24 3.00 2.90 2.40 12# 14 5.40 5.31 4.38 M3.5 20 3.50 3.40 2.83 1/4 14 6.25 6.05 5.18 M4.0 18 4.00 3.85 3.25 墙板钉细6# 17 3.60 3.40 2.70 M4.5 16 4.50 4.35 3.60 7# 16 4.00 3.75 3.0360° M5.0 16 5.00 4.85 4.03 牙60°8# 15 4.30 4.05 3.20 M6.0 14 6.00 5.85 4.95 10# 12 4.95 4.70 3.72 M8.0 12 8.00 7.85 6.70 墙板钉粗牙60°6# 9 3.90 3.65 2.65日制木螺丝60° M2.7 1.2 2.77 2.63 2.10 7# 9 4.20 3.90 2.90 M3.1 1.3 3.17 3.03 2.40 8# 9 4.60 4.30 3.20 M3.5 1.4 3.60 3.40 2.75 10# 8 5.30 4.90 3.70 M3.8 1.6 3.90 3.70 3.00德标(C/B)钉40°M2.5 1.1 2.5 2.25 1.80 M4.1 1.8 4.20 4.00 3.20 M3.0 1.35 3.0 2.75 2.10 M4.5 2 4.60 4.40 3.50 M3.5 1.6 3.5 3.20 2.45 M4.8 2.1 4.92 4.68 3.70 M4.0 1.8 4.0 3.70 2.78 M5.1 2.2 5.22 4.98 3.95 M4.5 2 4.5 4.20 3.10 M5.5 2.4 5.62 5.38 4.30 M5.0 2.2 5.0 4.70 3.45 M5.8 2.6 5.92 5.68 4.45 M6.0 2.6 6.0 5.70 4.20强度等级所谓8.8级和10.9级是指螺栓的抗剪切应力等级为8.8GPa和10.9Gpa8.8 公称抗拉强度800N/MM2 公称屈服强度640N/MM2一般的螺栓是用"X.Y"表示强度的,X*100=此螺栓的抗拉强度,X*100*(Y/10)=此螺栓的屈服强度(因为按标识规定:屈服强度/抗拉强度=Y/10)===============如4.8级则此螺栓的抗拉强度为:400MPa屈服强度为:400*8/10=320MPa=================另:不锈钢螺栓通常标为A4-70,A2-70的样子,意义另有解释度量当今世界上长度计量单位主要有两种,一种为公制,计量单位为米(m)、厘米(cm)、毫米(mm)等,在欧州、我国及日本等东南亚地区使用较多,另一种为英制,计量单位主要为英寸(inch),相当于我国旧制的市寸,在美国、英国等欧美国家使用较多。
常用螺栓的标准及规格表国家标准规定了螺纹规格为M3~M64,A和B级的六角头螺栓.A级用于D<=24和L<=10D或L<=150mm(按较小值)的螺栓;B级用于D>24或L>10D或L>150(按较小值)的螺栓外六角螺栓尺寸规格(如图)钢结构连接用螺栓性能等级分3.6、4.6、4.8、5.6、6.8、8.8、9.8、10.9、12.9等10余个等级,其中8.8级及以上螺栓材质为低碳合金钢或中碳钢并经热处理(淬火、回火),通称为高强度螺栓,其余通称为普通螺栓。
螺栓性能等级标号有两部分数字组成,分别表示螺栓材料的公称抗拉强度值和屈强比值。
例如,性能等级4.6级的螺栓,其含义是:1、螺栓材质公称抗拉强度达400MPa级;2、螺栓材质的屈强比值为0.6;3、螺栓材质的公称屈服强度达400×0.6=240MPa级常用螺丝规格表性能等级10.9级高强度螺栓,其材料经过热处理后,能达到:1、螺栓材质公称抗拉强度达1000MPa级;2、螺栓材质的屈强比值为0.9;3、螺栓材质的公称屈服强度达1000×0.9=900MPa级螺栓性能等级的含义是国际通用的标准,相同性能等级的螺栓,不管其材料和产地的区别,其性能是相同的,设计上只选用性能等级即可。
强度等级所谓8.8级和10.9级是指螺栓的抗剪切应力等级为8.8GPa和10.9Gpa8.8 公称抗拉强度800N/MM2 公称屈服强度640N/MM2一般的螺栓是用"X.Y"表示强度的,X*100=此螺栓的抗拉强度,X*100*(Y/10)=此螺栓的屈服强度(因为按标识规定:屈服强度/抗拉强度=Y/10)===============如4.8级则此螺栓的抗拉强度为:400MPa屈服强度为:400*8/10=320MPa=================另:不锈钢螺栓通常标为A4-70,A2-70的样子,意义另有解释度量当今世界上长度计量单位主要有两种,一种为公制,计量单位为米(m)、厘米(cm)、毫米(mm)等,在欧州、我国及日本等东南亚地区使用较多,另一种为英制,计量单位主要为英寸(inch),相当于我国旧制的市寸,在美国、英国等欧美国家使用较多。
常用螺栓的标准及规格表国家标准规定了螺纹规格为M3~M64,A和B级的六角头螺栓。
A级用于D<=24和L〈=10D或L〈=150mm(按较小值)的螺栓;B级用于D〉24或L>10D 或L〉150(按较小值)的螺栓外六角螺栓尺寸规格(如图)钢结构连接用螺栓性能等级分3。
6、4.6、4.8、5。
6、6.8、8.8、9。
8、10。
9、12.9等10余个等级,其中8.8级及以上螺栓材质为低碳合金钢或中碳钢并经热处理(淬火、回火),通称为高强度螺栓,其余通称为普通螺栓。
螺栓性能等级标号有两部分数字组成,分别表示螺栓材料的公称抗拉强度值和屈强比值.例如,性能等级4.6级的螺栓,其含义是:1、螺栓材质公称抗拉强度达400MPa级;2、螺栓材质的屈强比值为0。
6;3、螺栓材质的公称屈服强度达400×0.6=240MPa级性能等级10。
9级高强度螺栓,其材料经过热处理后,能达到:1、螺栓材质公称抗拉强度达1000MPa级;2、螺栓材质的屈强比值为0。
9;3、螺栓材质的公称屈服强度达1000×0.9=900MPa级螺栓性能等级的含义是国际通用的标准,相同性能等级的螺栓,不管其材料和产地的区别,其性能是相同的,设计上只选用性能等级即可.常用螺丝规格表强度等级所谓8。
8级和10.9级是指螺栓的抗剪切应力等级为8。
8GPa和10。
9Gpa8。
8 公称抗拉强度800N/MM2 公称屈服强度640N/MM2一般的螺栓是用"X.Y”表示强度的,X*100=此螺栓的抗拉强度,X*100*(Y/10)=此螺栓的屈服强度(因为按标识规定:屈服强度/抗拉强度=Y/10)===============如4.8级则此螺栓的抗拉强度为:400MPa屈服强度为:400*8/10=320MPa=================另:不锈钢螺栓通常标为A4-70,A2-70的样子,意义另有解释度量当今世界上长度计量单位主要有两种,一种为公制,计量单位为米(m)、厘米(cm)、毫米(mm)等,在欧州、我国及日本等东南亚地区使用较多,另一种为英制,计量单位主要为英寸(inch),相当于我国旧制的市寸,在美国、英国等欧美国家使用较多.1、公制计量:(10进制)1m =100 cm=1000 mm2、英制计量:(8进制)1英寸=8英分 1英寸=25.4 mm 3/8&cent;&cent;×25。
常用螺栓的标准及规格表国家标准规定了螺纹规格为M3~M64,A和B级的六角头螺栓.A级用于D<=24和L<=10D或L<=150mm(按较小值)的螺栓;B级用于D>24或L>10D或L>150(按较小值)的螺栓外六角螺栓尺寸规格(如图)钢结构连接用螺栓性能等级分3.6、4.6、4.8、5.6、6.8、8.8、9.8、10.9、12.9等10余个等级,其中8.8级及以上螺栓材质为低碳合金钢或中碳钢并经热处理(淬火、回火),通称为高强度螺栓,其余通称为普通螺栓。
螺栓性能等级标号有两部分数字组成,分别表示螺栓材料的公称抗拉强度值和屈强比值。
例如,性能等级4.6级的螺栓,其含义是:1、螺栓材质公称抗拉强度达400MPa级;2、螺栓材质的屈强比值为0.6;3、螺栓材质的公称屈服强度达400×0.6=240MPa级性能等级10.9级高强度螺栓,其材料经过热处理后,能达到:1、螺栓材质公称抗拉强度达1000MPa级;2、螺栓材质的屈强比值为0.9;3、螺栓材质的公称屈服强度达1000×0.9=900MPa级螺栓性能等级的含义是国际通用的标准,相同性能等级的螺栓,不管其材料和产地的区别,其性能是相同的,设计上只选用性能等级即可。
常用螺丝规格表强度等级所谓8.8级和10.9级是指螺栓的抗剪切应力等级为8.8GPa和10.9Gpa8.8 公称抗拉强度800N/MM2 公称屈服强度640N/MM2 一般的螺栓是用"X.Y"表示强度的,X*100=此螺栓的抗拉强度,X*100*(Y/10)=此螺栓的屈服强度(因为按标识规定:屈服强度/抗拉强度=Y/10)===============如4.8级则此螺栓的抗拉强度为:400MPa屈服强度为:400*8/10=320MPa=================另:不锈钢螺栓通常标为A4-70,A2-70的样子,意义另有解释度量当今世界上长度计量单位主要有两种,一种为公制,计量单位为米(m)、厘米(cm)、毫米(mm)等,在欧州、我国及日本等东南亚地区使用较多,另一种为英制,计量单位主要为英寸(inch),相当于我国旧制的市寸,在美国、英国等欧美国家使用较多。
常用螺栓的标准及规格表[新版] 常用螺栓的标准及规格表国家标准规定了螺纹规格为M3~M64,A和B级的六角头螺栓.A级用于D<=24和L<=10D或L<=150mm(按较小值)的螺栓;B级用于D>24或L>10D或L>150(按较小值)的螺栓外六角螺栓尺寸规格(如图)钢结构连接用螺栓性能等级分3.6、4.6、4.8、5.6、6.8、8.8、9.8、10.9、12.9等10余个等级,其中8.8级及以上螺栓材质为低碳合金钢或中碳钢并经热处理(淬火、回火),通称为高强度螺栓,其余通称为普通螺栓。
螺栓性能等级标号有两部分数字组成,分别表示螺栓材料的公称抗拉强度值和屈强比值。
例如,性能等级4.6级的螺栓,其含义是:1、螺栓材质公称抗拉强度达400MPa级;2、螺栓材质的屈强比值为0.6;3、螺栓材质的公称屈服强度达400×0.6=240MPa级性能等级10.9级高强度螺栓,其材料经过热处理后,能达到:1、螺栓材质公称抗拉强度达1000MPa级;2、螺栓材质的屈强比值为0.9;3、螺栓材质的公称屈服强度达1000×0.9=900MPa级螺栓性能等级的含义是国际通用的标准,相同性能等级的螺栓,不管其材料和产地的区别,其性能是相同的,设计上只选用性能等级即可。
常用螺丝规格表牙数成品外径线径成品外径线径类类(每规格牙距规格别别英最大最小 ?0.02mm 最大最小 ?0.02mm 寸)M1.4 0.30 1.38 1.34 1.16 1/8 40 3.145 3.03 2.70M1.7 0.35 1.68 1.61 1.42 5/32 32 3.945 3.795 3.38M2.0 0.40 1.98 1.89 1.68 3/16 24 4.732 4.592 4.00英 M2.3 0.40 2.28 2.19 1.98 1/4 20 6.32 6.165 5.45 制 M2.5 0.45 2.48 2.38 2.15 5/16 18 7.905 7.737 6.94 粗 M3.0 0.50 2.98 2.88 2.60 3/8 16 9.49 9.312 8.40 牙 M3.5 0.60 3.47 3.36 3.02 7/16 14 11.07 10.88 9.84 55? M4.0 0.70 3.98 3.83 3.40 1/2 12 12.66 12.46 11.22 国 M4.5 0.75 4.47 4.36 3.88 9/16 12 14.25 14.04 12.81 标 M5.0 0.80 4.98 4.83 4.30 5/8 11 15.83 15.61 14.27 粗 M6.0 1.00 5.97 5.82 5.18 4# 40 2.824 2.695 2.37 牙 M7.0 1.00 6.97 6.82 6.18 5# 40 3.154 3.026 2.69 M8.0 1.25 7.96 7.79 7.02 6# 32 3.484 3.333 2.91 60?M9.0 1.25 8.96 8.79 8.01 8# 32 4.142 3.991 3.57M10 1.50 9.96 9.77 8.84 10# 24 4.8 4.618 4.05 美 M11 1.50 10.9710.73 9.84 12# 24 5.461 5.279 4.70 制M12 1.75 11.95 11.76 10.7 1/4 20 6.322 6.117 5.45 粗牙 M14 2.00 13.95 13.74 12.5 5/16 18 7.907 7.687 6.93 60? M16 2.00 15.95 15.74 14.5 3/8 16 9.491 9.254 8.40M18 2.50 17.95 17.71 16.2 7/16 14 11.08 10.82 9.83M20 2.50 19.95 19.71 18.2 1/2 13 12.66 12.39 11.32M4.0 0.50 3.97 3.86 3.58 9/16 12 14.25 13.96 12.80 国 M4.5 0.50 4.47 4.36 4.07 5/8 11 15.83 15.53 14.26 标 M5.0 0.50 4.97 4.86 4.57 4# 48 2.877 2.713 2.44 美细 M6.0 0.75 5.97 5.85 5.41 5# 44 3.157 3.036 2.73 制牙 M7.0 0.75 6.97 6.85 6.41 6# 40 3.484 3.356 3.02 粗牙 M8.0 1.00 7.97 7.83 7.24 8# 36 4.145 4.006 3.63 60? 60? M9.0 1.00 8.97 8.83 8.24 10# 32 4.803 4.651 4.23M10 1.00 9.97 9.82 9.23 12# 28 5.461 5.296 4.81M10 1.25 9.96 9.81 9.07 1/4 28 6.324 6.16 5.68M12 1.25 11.97 11.76 11.07 5/16 24 7.909 7.727 7.16M12 1.50 11.96 11.79 10.89 3/8 24 9.497 9.315 8.74M14 1.50 13.96 13.79 12.89 7/16 20 11.08 10.87 10.18M16 1.50 15.96 15.79 14.89 1/2 20 12.67 12.46 11.76M18 1.50 17.95 17.73 16.86 9/16 18 14.25 14.03 13.25M20 1.50 19.95 19.65 18.85 5/8 18 15.83 15.62 14.83牙数成品外径线径牙数成品外径线径类类规格或规格或别别最大最小 ?0.02mm 最大最小 ?0.02mm 牙数牙数M3.0 1.2 3.0 2.85 2.38 2# 32 2.23 2.13 1.78 国 M3.5 1.4 3.5 3.352.75 3# 28 2.56 2.46 2.08 标 M4.0 1.6 4.03.85 3.15 4# 24 2.89 2.79 2.28 美 76 M4.5 1.8 4.5 4.35 3.47 5# 20 3.30 3.20 2.60 制 M5.0 2 5.0 4.853.90 6# 18 3.58 3.45 2.78 铁 60? M6.0 2.5 6.0 5.854.67 7# 16 4.01 3.86 3.10 板M2.0 32 2.10 2.00 1.70 A 8# 15 4.26 4.11 3.30 日牙 M2.3 32 2.402.30 1.95 9# 14 4.55 4.403.45 制 60? M2.6 28 2.70 2.60 2.10 10# 124.92 4.77 3.75 A M3.0 24 3.10 3.00 2.42 12# 115.60 5.46 4.30 牙 M3.5 18 3.65 3.50 2.83 14# 106.45 6.29 5.05 铁 M4.0 16 4.15 4.00 3.25 2# 32 2.232.08 1.78 铁 M4.5 14 4.65 4.503.60 3# 28 2.56 2.46 2.05 钉美 M5.0 12 5.20 5.004.00 4# 24 2.89 2.74 2.28 制 M6.0 10 6.20 6.00 4.85 5# 20 3.30 3.20 2.57 60? 铁 M8.0 9 8.20 8.00 6.48 6# 20 3.53 3.43 2.80 板 M2.0 40 2.00 1.90 1.65 7# 19 3.91 3.78 3.13 AB 日 M2.3 32 2.30 2.20 1.85 8# 18 4.21 4.04 3.38 牙制 M2.6 28 2.60 2.50 2.10 10# 16 4.80 4.65 3.80 60? AB M3.0 24 3.00 2.90 2.40 12# 145.40 5.31 4.38 牙 M3.5 20 3.50 3.40 2.83 1/4 146.25 6.05 5.18 铁 M4.0 18 4.00 3.85 3.25 6# 17 3.60 3.40 2.70 墙板铁 M4.5 16 4.50 4.35 3.60 7# 16 4.00 3.75 3.03 钉细钉 M5.0 16 5.00 4.85 4.03 8# 15 4.30 4.05 3.20 牙 60? M6.0 14 6.00 5.85 4.95 10# 12 4.95 4.70 3.72 60? M8.0 12 8.007.85 6.70 6# 9 3.90 3.65 2.65 墙板M2.7 1.2 2.77 2.63 2.10 7# 9 4.20 3.90 2.90 钉粗M3.1 1.3 3.17 3.03 2.40 8# 9 4.60 4.30 3.20 牙日 60? M3.5 1.4 3.60 3.40 2.75 10# 8 5.30 4.90 3.70 制 M3.8 1.6 3.90 3.70 3.00 M2.5 1.1 2.5 2.25 1.80 木 M4.1 1.8 4.20 4.00 3.20 M3.0 1.35 3.0 2.75 2.10 德螺 M4.5 2 4.60 4.40 3.50 M3.5 1.6 3.5 3.20 2.45 标丝 M4.8 2.1 4.92 4.68 3.70M4.0 1.8 4.0 3.70 2.78 (C/B) M5.1 2.2 5.22 4.98 3.95 钉 M4.5 2 4.5 4.20 3.10 60? 40? M5.5 2.4 5.62 5.38 4.30 M5.0 2.2 5.0 4.70 3.45M5.8 2.6 5.92 5.68 4.45 M6.0 2.6 6.0 5.70 4.20 强度等级所谓8.8级和10.9级是指螺栓的抗剪切应力等级为8.8GPa和10.9Gpa8.8 公称抗拉强度800N/MM2 公称屈服强度640N/MM2一般的螺栓是用"X.Y"表示强度的,X*100=此螺栓的抗拉强度,X*100*(Y/10)=此螺栓的屈服强度(因为按标识规定:屈服强度/抗拉强度=Y/10)===============如4.8级则此螺栓的抗拉强度为:400MPa屈服强度为:400*8/10=320MPa=================另:不锈钢螺栓通常标为A4-70,A2-70的样子,意义另有解释度量当今世界上长度计量单位主要有两种,一种为公制,计量单位为米(m)、厘米(cm)、毫米(mm)等,在欧州、我国及日本等东南亚地区使用较多,另一种为英制,计量单位主要为英寸(inch),相当于我国旧制的市寸,在美国、英国等欧美国家使用较多。