维修技术标准汇总
- 格式:docx
- 大小:142.07 KB
- 文档页数:31
车身技术标准小修作业:用最有效工序,令金属变形小、耐用为原则,使修理部位达到标准的85%以上,修理部位不得有渗水现象或行车发响。
大修作业:1.不论车架式或整体式车身几何尺寸,必须符合修理规定尺寸90%以上(确保前后轮定位参数值在标准范围内,发动机及变速器总成能按正常安装,不能有互相干扰)。
2.车身轮廓线条必须平直,左右两侧对称。
3.各部位接合间隙必须平行,符合要求,如各车门与车厢、发动机前盖与车身、车灯与前档、前后门把配合。
4.各活动部件绞接锁扣必须紧固,可靠灵活,操作无异响(如各车门,机尾盖,车窗等,绞接,锁扣)。
1.前照灯、后视镜、座椅必须紧固,能在一定范围内调整。
2.仪表台架与仪表台和车厢内各饰板要求紧固、贴服、干净。
3.离合踏板、制动踏板、油门踏板和其支承架,不论强度及几何尺寸都要符合厂方规定。
4.车厢内部必须防止雨水渗入或漏水(如:车头尾挡风玻璃,天窗及各车窗,车门等)。
5.排气管必须紧固,无穿烂,噪声不超过国标。
6.道路行车实验时,保证无异响。
7.以上内容,如车主要求不换或声明不做时,可不按此项要求。
喷漆技术标准一、局部补油:无论颜色、光泽都力求和原厂一样,难以分辨哪部分补过油漆。
具体要求如下:1.色和光泽,砂板应和相应的砂板同色、对称。
2.起纹、起给、走珠和砂粒等现象。
3.旧油漆结合处应平滑无阶。
4.全车的清洁干净,无油渍,灰浆等。
二、车翻新令人看上来和刚去蜡的新车一样。
具体要求如下:1.车线条骨位平直,有棱有角。
2.板平顺无凹痕,无起泡。
3.全车油漆应该似原厂车那样,具有高光泽,不应有起纹、走珠和砂粒等现象。
4.车底喷沥青防锈,排气管和波箱及散热器等部件不能有沥青。
5.汽车钢圈和轮胎应翻新和清洁干净。
6.汽车内部清洁,洗尘,清洗表板,门皮等。
7.全车配件如:玻璃,灯,电线不得有油渍。
电器二级维护技术标准一、年审二保1.光齐全,开关正常灵敏,各总成必须紧固防水等。
2.刮及清洗器,开关正常灵敏。
键和键槽件检修技术标准
1、键的表面应光滑平整,规格符合要求,四角倒棱,材质的抗剪切强度不得低于45号钢的剪切强度。
2、键和轮毂键槽规格和公差符合标准。
3、键和键槽之间不得加垫。
平键键槽磨损后,允许加宽原槽的5%。
轴及轮毂的键槽宽度应一致。
4、装配楔键和切向键时,键初打入键槽的长度,不得小于键全长的80%,不得大于键全长的95%(钩头键不包括钩头的长度)。
键与轮毂的接触长度不得小于轮毂宽度的80%。
花键的接触齿数应不小于总齿数的2/3。
5、平键键槽的中心线与轴的轴心线的平行度、平键和键槽配合公差,均应符合技术文件的规定。
交流电动机维修技术标准(一)适用范围本技术标准适用于马钢二能源总厂各类交流电动机的维护和检修。
(二)项目交流电动机维修技术标准共10项,项目如下表:(三)标准一、绝缘电阻(1)1000伏以下的交流电机,绕组的绝缘电阻在常温下应不低于0.5兆欧。
(2)1000伏及以上的交流电机,绕组的绝缘电阻在常温下应不低于每千伏1兆欧。
二、直流电阻的测定三、定心(1)刚性连轴器定心的允许偏差(2)齿轮连轴器定心的允许偏差(2)弹性连轴器定心的允许偏差四、定转子气隙对不同类型的交流电机定转子气隙最大值或最小值与平均值之差,同平均值之比,不应超过下列数值:五、温升(1)感应电机的温升限度见下表(单位:K)(2)同步电动机温升限度见下表(单位:K)备注:I.全封闭管道通风及全封闭冷却型均按开放型的温升上限为依据。
II.全封闭的水冷、油冷、水中型的温升不适宜使用本表,应另据特殊协定。
III.采用高级绝缘的滑环附近绕组是低级绝缘,则应按低级绝缘考虑。
IV.在第一项的定子绕组里,凡功率大于5000kW以及定子铁心长度(包括通风管道)1m以上的,不适宜采用温度计法。
V.对于5000kW以及定子铁心长度(包括通风管道)1m以上的,如果订货与制造方无协定,那么F级、H级的温升限度,不能超过B 级的温升上限。
VI.环境温度的限度为40℃。
(3)空冷同步电动机温升限度见下表(单位:K)六、电刷及刷握表1其中:A级-不可逆运行的交流电机B级-可逆运行的交流电机C级-双层电刷,每层厚度>4mm。
表2备注:I.表1适用于石墨电刷II.表2适用于含金属的电刷(2)电刷的磨损限度I.刷辫固定件以下5mm;II.对分层电刷或厚度在8mm以下的电刷,为刷辫固定件以下10mmIII.电刷产品的寿命线。
(3)刷握与滑环表面的间隙h(mm)(4)电刷的压力七、滑环偏差允许值及磨损限度(1)滑环偏差的允许值滑环偏差是指滑环滑动面的偏差,由千分表测定(2)滑环的磨损限度滑环磨损的原因:I.过电流II.振动引起接触不良III.碳刷材质不适当IV.接触压力过小或过大八、耐压试验交流电机在绕组更换,绕组修理和维修时的耐压试验标准如下:(根据试验条件进行一种试验)备注:(1)表中电压U指定子额定电压,对同步电机励磁绕组指励磁电压,感应电机绕线式定子绕组指最大感应电压。
大学维修工程技术标准
前言
本文档主要是为了规范大学维修工程技术标准,提高维修工程的质量和效率,保障校园建筑和设施的安全和稳定运行。
目的
本技术标准旨在规范大学维修工程的各项技术管理标准和操作规程,有效保证维保工程的质量和稳定性。
适用范围
本技术标准适用于大学内所有建筑和设施的维保工程。
主要内容
1. 维保工程的管理标准和操作规程;
2. 维保人员的专业要求和操作规范,以及培训、考核等管理规定;
3. 维保设备、工具和工作场所的安全管理要求;
4. 维保工程记录的管理规定。
实施方式
1. 根据本技术标准检查维保工程实施情况,进行考核;
2. 发现问题及时整改,并制定相应的预防措施,避免问题再次发生;
3. 常规进行维保设备和工具的检查和维修;
4. 按照维修的记录,进行定期的维修和保养。
结论
本技术标准将有助于提高大学维修工程的管理水平,提高工作效率和质量,更好地保障校园安全和设施稳定运行。
需要不断完善和调整,以适应大学维修工程的不断发展和需求。
汽车维修技术标准(一) 汽车大修竣工出厂技术提条件(国家标准GB3798-83)1( 一般技术要求(1) 装配的零件、部件、总成和附件应符合相应的技术条件。
各项装备应齐全,并按原设计的装配技术要求安装。
允许在汽车大修中按经规定程序批准的技术文(注)件改变某些零件、部件的设计,但其性能不得低于原设计要求。
(2) 主要结构参数应符合原设计规定。
由于经修理而增加的自重,不得超过原设计自重的3,。
(3) 驾驶室、客车楔应形状正确、曲面圆顺、转角处无折绉、蒙皮平整、无松弛、污垢及机械操作等缺陷。
注:原设计是指汽车制造厂或按照规定程序批准的改造、改装的技术文件(下同) (4) 喷漆颜色协调、均匀、光亮、漆层无裂纹、剥落、起泡、流痕和皱纹等现象。
不需涂漆的部位,不得有漆痕。
刷漆部位允许有不明显的流痕和刷纹。
(5)驾驶室、客车厢、货箱及翼子板左右对称。
各对称部位离地面高度差:驾驶室、翼板/客车厢不大于10mm,货箱不大于20mm。
(6) 座椅颜色的形状、尺寸、座间距及调节装置应符合原设计要求。
(7) 门窗启闭灵活,关闭严密,锁卡可靠,合缝匀称,不松旷。
挡风玻璃透明,不眩目。
(8) 转向机机构各连接部位不松旷,锁卡可靠。
方向盘自由行程(代转向助力器的除外),总重不小于4.5t的汽车不大于30º,总重小于4.5t汽车不大于15º。
离合器踏板、制动踏板的自由行程和驻车制动的有效行程应符合原设计要求。
(9)(10)仪表、灯光、信号和标志齐全,工作正常。
(11)轮胎充气气压应符合原设计要求。
(12)限速装置应铅封。
(13)各部润滑应符合原设计要求。
(14)各部件运行温度正常,各处无漏油、漏水和漏电现象。
但润滑油、冷却水密封结合面处允许有不致形成滴状的浸渍。
2( 主要性能要求(1) 发动机起动容易,在各种转速下运转正常、无异响。
(2) 传动机构工作正常,无异响。
离合器结合平稳、分离彻底、操作轻便、工作可靠。
维修电工岗位技能标准1.职业概况职业名称维修电工职业定义从事机械设备和电气系统线路及器件等的安装、调试、维护、修理的人员;职业等级本职业共设五个等级,分别为:初级国家职业资格五级、中级国家职业资格四级、高级国家职业资格三级、技师国家职业资格二级、高级技术国家职业资格一级;职业环境室内、外,常温;职业能力特征具有一定的学习、理解、观察、判断、推理和计算能力,手指、手臂灵活,动作协调;2.基本要求职业道德职业道德基本知识职业守则1遵守法律、法规和有关规定;2爱岗敬业,具有高度的责任心;3严格执行工作程序、工作规范、工艺文件和安全操作规程;4工作认真负责,团结合作;5爱护设备及工具;6着装整洁,符合规定;保持工作环境清洁有序,文明生产;基础知识电工基础知识1直流电基本知识;2电磁基本知识;3交流电路基本知识;4常用变压器与异步电动机;5常用低压电器;6一般生产设备的基本电气控制电路;7电工读图基本知识;电子技术基础知识1二极管及其基本应用;2三极管及其基本应用;3整流稳压电路;常用电工仪器仪表使用知识1电工测量基础知识;2常用电工仪表及其使用;3常用电工仪器及其使用;常用电工工具、量具使用知识1常用电工工具及其使用;2常用电工量具及其使用;常用材料选型知识1常用导电材料的分类及应用;2常用绝缘材料的分类及应用;3常用磁性材料的分类及应用;安全知识1电工安全基本知识;2安全距离、安全色和安全标志等电器安全基本规定; 3触电急救和电气消防知识;4电器安全装置;5接地知识;6防雷知识;7安全用具;8电气作业操作规程和安全措施;其他相关知识1钳工划线钻孔等基础知识;2供电和用电知识;3现场文明生产要求;4环境保护知识;5质量管理知识;相关法律法规知识1中华人民共和国劳动合同法相关知识;2中华人民共和国电力法相关知识;3.工作要求本标准对初级、中级、高级、技师和高级技师的技能要求依次递进,高级别涵盖低级别的要求;3.1初级续表中级续表高级续表续表师续表高级技师职业功能“二、工业控制网络调试维修”与“三、数控机床电气系统维修”为二模块选一进行考核;续表4、比重表理论知识技能操作。
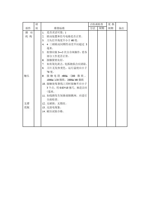
点检四大标准
点检管理四大标准由维修技术标准、点检标准、给油脂标准和维修作业标准等四项标准组成。
简称“四大标准”。
一.维修技术标准
维修技术标准是根据设备设计制造的原始数据制订的维修基准,它是四大标准的基础,也是编制另外三个标准的技术依据。
维修技术标准包括通用标准和专用标准两类。
1.维修技术标准的编制依据:⑴设备使用说明书及有关技术资料、图纸;⑵同类设备或使用性质类似设备的维修技术管理值;⑶实际经验。
2.维修技术标准的内容:⑴对象设备或装置的简明示意图;⑵作为管理对象的零部件的技术性能、构造、材质等;⑶作为管理对象的零部件的维修特性;⑷设定主要更换件的维修技术管理值,包括零部件的图面尺寸、装配间隙、允许减损量的范围或劣化极限容许值,以及使用的标准等;⑸其他对该零部件所限制的项目内容,最关键的是维修技术管理值的确定。
二、点检标准
在点检标准中,详细规定了点检作业的基本事项,使所有的检查点都做到了“五定”。
点检标准包括通用标准和专用标准两类。
1.点检标准的作用:点检标准是对设备进行预防性检查的依据,是编制点检计划的基础。
2.点检标准的编制依据:⑴维修技术标准;⑵设备使用说明书和有关技术资料、图纸;⑶同类设备的实绩资料;⑷实际经验。
精品文档,放心下载,放心阅读汽车维修技术标准(一)汽车大修竣工出厂技术提条件(国家标准GB3798-83)1.一般技术要求装配的零件、部件、总成和附件应符合相应的技术条件。
各项装备应齐全,并按原设计的装配技术要求安装。
允许在汽车大修中按经规定程序批准的技术文精品文档,超值下载(1)件改变某些零件、部件的设计,但其性能不得低于原设计(注)要求。
(2)主要结构参数应符合原设计规定。
由于经修理而增加的自重,不得超过原设计自重的3%。
(3)驾驶室、客车楔应形状正确、曲面圆顺、转角处无折绉、蒙皮平整、无松弛、污垢及机械操作等缺陷。
注:原设计是指汽车制造厂或按照规定程序批准的改造、改装的技术文件(下同)(4)喷漆颜色协调、均匀、光亮、漆层无裂纹、剥落、起泡、流痕和皱纹等现象。
不需涂漆的部位,不得有漆痕。
刷漆部位允许有不明显的流痕和刷纹。
(5)驾驶室、客车厢、货箱及翼子板左右对称。
各对称部位离地面高度差:驾驶室、翼板/客车厢不大于10mm,货箱不大于20mm。
(6)座椅颜色的形状、尺寸、座间距及调节装置应符合原设计要求。
(7)门窗启闭灵活,关闭严密,锁卡可靠,合缝匀称,不松旷。
挡风玻璃透明,不眩目。
(8)转向机机构各连接部位不松旷,锁卡可靠。
方向盘自由行程(代转向助力器的除外),总重不小于 4.5t的汽车不大于30o,总重小于 4.5t汽车不大于15o。
(9)离合器踏板、制动踏板的自由行程和驻车制动的有效行程应符合原设计要求。
(10)仪表、灯光、信号和标志齐全,工作正常。
(11)轮胎充气气压应符合原设计要求。
(12)限速装置应铅封。
(13)各部润滑应符合原设计要求。
(14)各部件运行温度正常,各处无漏油、漏水和漏电现象。
但润滑油、冷却水密封结合面处允许有不致形成滴状的浸渍。
2.主要性能要求(1)发动机起动容易,在各种转速下运转正常、无异响。
(2)传动机构工作正常,无异响。
离合器结合平稳、分离彻底、操作轻便、工作可靠。
电机维修技术标准(节选)一、适用范围本技术标准适用各类交流电机的维护和检修,但不适用于微特电机、控制电机及电厂的发电机。
二、引用标准GB755-2000 旋转电机定额和性能GB997-81 电机结构及安装型式代号GB1029-80 三相同步电机试验方法GB1032-85 三相异步电机试验方法GB10068-88 旋转电机振动测定方法及限值GB11347-89 大型旋转机械振动烈度现场测量与评定GB9409-87 大、中型同步发电机励磁系统基本技术条件四、标准1、绝缘电阻:测定电机绕组的绝缘电阻可以判断绝缘是否受潮、受污染或其它绝缘缺陷等情况,测量仪表的选用如下:修理后未经干燥之电机以及运转中的电机其最低绝缘电阻值规定如下:测量电机冷态绝缘电阻,保证大于1MΩ/kV,500V以下的绕组,常温下绝缘电阻值不应低于0.5MΩ。
2、温升:3、滑环偏差允许值及磨损限度3.1滑环偏差的允许值注:滑环磨损的原因主要是:①过电流②振动引起接触不良③电刷材质不适当④接触压力过小或过大⑤正负极性差异4、电刷与刷握:4.2电刷磨损限度:①刷辫固定件以下≥5mm;②对分层电刷或厚度在8mm以下的电刷为刷辫固定件以下10mm;③电刷产品的寿命线4.3刷握与滑环表面的间隙h(mm):2 ≤ h ≤ 44.4电刷的压力:其中:A——不可逆运行的电机B——可逆运行的电机5、推荐项目一般交流电机(特殊用途、微特电机除外)日常点检及维护检修项目如下:1、点检项目交流电机日常点检项目及内容如下。
①运行参数、电机外观检查(无破损,无严重积灰,网罩无破损、通风口无异物等)及记录;②电机各部件是否有异常振动、噪音,电机绕组及轴承等部件温度是否正常的检查;③同步电机或绕线式异步电机滑环装置检查;④电机辅助设施(配线、润滑、通风、冷却系统等)的检查。
2、维护检修项目:交流电机检修工事项目一般分为周期项目及非周期项目,项目分类如下:(一)周期项目①电机振动、磨损检测(仅对纳入公司受控点的电机)振动检测周期:1周,振动值≤2.8mm/s磨损检测周期:3个月②常规保养主要包括电机、滑环装置清灰,刷握和碳刷检查及更换,螺栓紧固检查,绝缘电阻检查等鼠笼式异步电机:一般为12个月绕线式异步电机及带滑环的同步电机:一般为3个月③轴承现场补油轴承补油周期:一般为6个月(参照轴承铭牌参数及具体情况进行补油,一般建议运行中补油)轴承稀油更换周期:一般为1年,或根据油样检测报告进行更换。
维修技术标准维修技术标准反映了主要设备装置的性能构造;主要设备装置的劣化倾向、异常状态等维修特性;主要设备装置的维修技术管理值,是主要设备装置零部件的维修标准。
维修技术标准包括通用维修技术标准和专用维修技术标准。
通用维修技术标准规定了用于许多通用设备标准零部件的普通标准值,而专用维修技术标准则规定了专用设备的固有维修标准。
电气、仪表设备通用部分较多。
如电机定期测定标准,变压器绝缘电阻值等。
维修技术标准主要记录着:设备、装置名称、部位简图、零件名称、材质、维修标准(包括图纸尺寸、图纸间隙、劣化极限许容量)、点检方法、点检周期、更换或修理周期和检修方面的特别事项等。
维修技术标准是设备维修标准的基础,它反映设备设计者的思想,是编制点检标准、给油脂标准、维修作业标准的技术依据,其编写的难度也很大。
维修技术标准中,最关键的是维修技术管理值的确定、在初期其制订的依据如下:1、制造厂家提供的设备使用说明书。
它体现了设计者的设计思想。
2、参考国内外同类设备或使用性质相类似设备的维修技术管理值。
它体现了设备管理人员的经验和水平。
维修技术标准通常是由各生产厂点检作业区选派有经验的技术管理人员起草编制。
先设定保证安全运行的数据,经过一段时间(通常是3-5年)的生产实践,不断积累经验,不断根据生产量、设备运行工况及维修状况、备品备件质量与使用实际情况,对维修技术管理值进行相应的修订、以趋向完善合理,便于进行科学管理。
即用最少的维修费用、获得最佳的经济效果。
一、机械部分(一)齿轮1、齿侧间隙。
(1)安装间隙齿轮侧间隙,是指一对啮合齿轮的非工作表面,沿法线方向的距离,一对安装的啮合齿轮必须留有齿侧间隙,以补偿齿轮由于制造与安装的精度公差,以及传递载荷时的弹性变形和由于受温度影响的变形,并可贮存一定量的润滑油,以改善齿轮表面的润滑状态。
通常齿轮的侧间隙在确保正常使用的情况下越小越好,在制造时是根据齿轮所使用要求的精度等级来设计的。
电动机维修技术标准电动机维修技术标准:本技术标准适用于各类交流电动机的维护和检修。
交流电动机维修技术标准项目1、绝缘电阻;2、直流电阻测定;3、定心;4、定转子;5、温升;6、电刷及刷握;7、滑环偏差允许值及磨损限度;8、耐压试验;9、轴承;10、振动一、绝缘电阻(1)1000伏以下的交流电机,绕组的绝缘电阻在常温下应不低于0.5兆欧。
(2)1000伏及以上的交流电机,绕组的绝缘电阻在常温下应不低于每千伏1兆欧。
二、直流电阻的测定三、定心(1)刚性连轴器定心的允许偏差(2)齿轮连轴器定心的允许偏差(3)弹性连轴器定心的允许偏差四、定转子气隙对不同类型的交流电机定转子气隙最大值或最小值与平均值之差,同平均值之比,不应超过下列数值:五、电刷及刷握表1其中:A级-不可逆运行的交流电机;B级-可逆运行的交流电机;C级-双层电刷,每层厚度>4mm。
表2备注:I.表1适用于石墨电刷II.表2适用于含金属的电刷(2)电刷的磨损限度I.刷辫固定件以下5mm;II.对分层电刷或厚度在8mm以下的电刷,为刷辫固定件以下10mmIII.电刷产品的寿命线。
(3)刷握与滑环表面的间隙h(mm)(4)电刷的压力六、滑环偏差允许值及磨损限度(1)滑环偏差的允许值滑环偏差是指滑环滑动面的偏差,由千分表测定(2)滑环的磨损限度滑环磨损的原因:I.过电流;II.振动引起接触不良;III.碳刷材质不适当;IV.接触压力过小或过大七、耐压试交流电机在绕组更换,绕组修理和维修时的耐压试验标准如下:(根据试验条件进行一种试验)备注:(1)表中电压U指定子额定电压,对同步电机励磁绕组指励磁电压,感应电机绕线式定子绕组指最大感应电压。
(2)耐压试验前,电机绕组绝缘电阻应符合要求。
八、轴承(1)轴承的允许温度限度:滑动轴承(油环)滚动轴承滑动轴承(循环油)80℃95℃65℃(入口油温35-45℃)(2)电机用滚珠轴承间隙见下表:(3)电机用滚柱轴承间隙(4)滑动轴承的磨损限度(5)滑动轴承轴瓦和轴径(D)的顶隙值为1/1000D~1.5/1000D九、振动参照振幅-转速曲线,对电机运行的振动状况作出评价十、同步电机旋转整流器(1)绝缘电阻测定(2)SR、SCR的漏电流测定注:额定电压是指SR、SCR的元件额定电压(3)励磁用整流器温升限值(单位:K)(4)对励磁装置的运行要求:(a)连续过电流能力;在下述表中要求的转速、电压和频率变化范围内运行正常。
维修技术操作考核评分标准技术能力维修技术能力是评估维修人员的重要指标。
以下是评定维修技术能力的几个关键要素:1. 熟悉产品知识:维修人员应对所维修产品的特点、结构和机制有深入了解,并能准确把握其故障点和维修方法。
2. 维修工具使用:维修人员应熟练操作维修所需的工具,包括但不限于扳手、螺丝刀、焊接设备等,并保证安全使用。
3. 综合分析能力:维修人员应具备综合分析问题的能力,能够快速定位故障点,并作出合理的解决方案。
操作规范维修操作规范对于保证维修的质量和效率至关重要。
以下是评定维修人员操作规范的几个关键要素:1. 安全操作:维修人员应始终遵守安全操作规程,保证自身安全和所处环境的安全。
2. 流程执行:维修人员应按照预定维修流程进行操作,并保证每个步骤的准确性和完整性。
3. 资源利用:维修人员应合理利用维修所需的资源,包括时间、材料和维修设备等,以提高工作效率和节约成本。
问题解决能力维修人员在工作中遇到各种问题时,他们的解决能力直接关系到维修效果和客户满意度。
以下是评定维修人员问题解决能力的几个关键要素:1. 迅速响应:维修人员应能够迅速响应客户报修,并及时安排维修计划。
2. 故障判断:维修人员应准确判断故障的性质和原因,并作出相应的解决方案。
3. 解决方案实施:维修人员应快速有效地执行解决方案,并确保问题得以彻底解决。
以上要素将作为维修技术操作考核评分的主要依据,考核评分标准将基于实际工作情况进行制定,并经过相关人员的一致确认和共识。
评分标准的细则和具体评分范围将进一步明确,并与相关维修操作规程有机结合,以确保其落实和执行。
汽车维修技术规范大全综述- 本文档适用于所有类型的汽车维修工作,包括机械维修、电子维修、车身维修等。
- 维修技术规范旨在确保汽车维修过程中的安全性、质量和效率,并最大程度地减少潜在的风险和错误。
- 汽车维修员工应熟悉和遵守本文档中的规定,以确保工作的成功完成和客户满意度的提高。
技术规范本文档中的技术规范涵盖以下方面:1. 工作环境和安全- 汽车维修工作场所的安全要求和注意事项。
- 使用个人防护装备的要求。
- 保持工作区域的整洁和安全的指导。
2. 维修程序和流程- 维修过程中正确的步骤和顺序。
- 维修前的检查和诊断。
- 维修所需的工具、设备和材料。
3. 零部件和配件- 对零部件的规格要求和检查方法。
- 使用原厂配件和合格配件的要求。
- 零部件的储存和保管规范。
4. 故障排除和修复- 故障诊断的步骤和方法。
- 故障修复的技术要求和注意事项。
- 测试和验证修复效果的方法。
5. 车辆保养和维护- 定期保养和维护的内容和周期。
- 使用合适的润滑剂和润滑方法。
- 电池维护和充电规范。
导入和执行- 汽车维修机构应全面引入本文档,并培训相关员工,确保他们理解和遵守其中的规范。
- 相关监管机构可以使用本文档作为评估和监督汽车维修机构的参考依据。
- 维修员工应在工作中遵循本文档中的规定,并时刻注重维修质量和客户满意度的提高。
以上是《汽车维修技术规范大全》的简要内容概述,旨在提供对汽车维修行业技术标准的准确指导。
通过遵循本文档中的规范,我们可以提高维修质量、减少风险,并确保客户的满意度。
汽车维修技术标准编辑整理:尊敬的读者朋友们:这里是精品文档编辑中心,本文档内容是由我和我的同事精心编辑整理后发布的,发布之前我们对文中内容进行仔细校对,但是难免会有疏漏的地方,但是任然希望(汽车维修技术标准)的内容能够给您的工作和学习带来便利。
同时也真诚的希望收到您的建议和反馈,这将是我们进步的源泉,前进的动力。
本文可编辑可修改,如果觉得对您有帮助请收藏以便随时查阅,最后祝您生活愉快业绩进步,以下为汽车维修技术标准的全部内容。
汽车维修技术标准(一)汽车大修竣工出厂技术提条件(国家标准GB3798—83)1.一般技术要求(1)装配的零件、部件、总成和附件应符合相应的技术条件.各项装备应齐全,并按原设计的装配技术要求安装。
允许在汽车大修中按经规定程序批准的技术文件改变某些零件、部件的设计,但其性能不得低于原设计(注)要求。
(2)主要结构参数应符合原设计规定。
由于经修理而增加的自重,不得超过原设计自重的3%。
(3)驾驶室、客车楔应形状正确、曲面圆顺、转角处无折绉、蒙皮平整、无松弛、污垢及机械操作等缺陷。
注:原设计是指汽车制造厂或按照规定程序批准的改造、改装的技术文件(下同)(4)喷漆颜色协调、均匀、光亮、漆层无裂纹、剥落、起泡、流痕和皱纹等现象。
不需涂漆的部位,不得有漆痕。
刷漆部位允许有不明显的流痕和刷纹。
(5)驾驶室、客车厢、货箱及翼子板左右对称。
各对称部位离地面高度差:驾驶室、翼板/客车厢不大于10mm,货箱不大于20mm。
(6)座椅颜色的形状、尺寸、座间距及调节装置应符合原设计要求.(7)门窗启闭灵活,关闭严密,锁卡可靠,合缝匀称,不松旷。
挡风玻璃透明,不眩目。
(8)转向机机构各连接部位不松旷,锁卡可靠。
方向盘自由行程(代转向助力器的除外),总重不小于4.5t的汽车不大于30º,总重小于4.5t汽车不大于15º.(9)离合器踏板、制动踏板的自由行程和驻车制动的有效行程应符合原设计要求。
维修技术标准汇总 Prepared on 22 November 2020维修技术标准维修技术标准反映了主要设备装置的性能构造;主要设备装置的劣化倾向、异常状态等维修特性;主要设备装置的维修技术管理值,是主要设备装置零部件的维修标准。
维修技术标准包括通用维修技术标准和专用维修技术标准。
通用维修技术标准规定了用于许多通用设备标准零部件的普通标准值,而专用维修技术标准则规定了专用设备的固有维修标准。
电气、仪表设备通用部分较多。
如电机定期测定标准,变压器绝缘电阻值等。
维修技术标准主要记录着:设备、装置名称、部位简图、零件名称、材质、维修标准(包括图纸尺寸、图纸间隙、劣化极限许容量)、点检方法、点检周期、更换或修理周期和检修方面的特别事项等。
维修技术标准是设备维修标准的基础,它反映设备设计者的思想,是编制点检标准、给油脂标准、维修作业标准的技术依据,其编写的难度也很大。
维修技术标准中,最关键的是维修技术管理值的确定、在初期其制订的依据如下:1、制造厂家提供的设备使用说明书。
它体现了设计者的设计思想。
2、参考国内外同类设备或使用性质相类似设备的维修技术管理值。
它体现了设备管理人员的经验和水平。
维修技术标准通常是由各生产厂点检作业区选派有经验的技术管理人员起草编制。
先设定保证安全运行的数据,经过一段时间(通常是3-5年)的生产实践,不断积累经验,不断根据生产量、设备运行工况及维修状况、备品备件质量与使用实际情况,对维修技术管理值进行相应的修订、以趋向完善合理,便于进行科学管理。
即用最少的维修费用、获得最佳的经济效果。
一、机械部分(一)齿轮1、齿侧间隙。
(1)安装间隙齿轮侧间隙,是指一对啮合齿轮的非工作表面,沿法线方向的距离,一对安装的啮合齿轮必须留有齿侧间隙,以补偿齿轮由于制造与安装的精度公差,以及传递载荷时的弹性变形和由于受温度影响的变形,并可贮存一定量的润滑油,以改善齿轮表面的润滑状态。
通常齿轮的侧间隙在确保正常使用的情况下越小越好,在制造时是根据齿轮所使用要求的精度等级来设计的。
齿轮标准保证侧间隙是基本的侧间隙规范。
对于冶金机械设备的闭式传动采用D C,对于开式传动则采用较大侧隙D e,可根据表4-2、表4-3、表4-4查取。
表4-2圆柱齿轮的保证侧间隙表4-3 圆锥齿轮的保证侧间隙表4-4 蜗轮传动的保证侧间隙①齿轮侧间隙亦可按经验公式来选取:a.对于7级精度的圆柱齿轮和圆锥齿轮侧间隙()m C n 08.005.0-=b.对于7级精度的蜗轮传动的侧间隙()m Cn 02.0015.0-= ②新日铁推荐的齿轮侧间隙经验公式:a.对于三级精度(日本精度等级)的圆柱齿轮和圆锥齿轮侧间隙m C n 05.0=b.对于蜗轮传动的侧间隙(表4-5)表4-5 蜗轮传动的侧间隙(表中m 为模数,T 为蜗轮齿数) (2)许容量 ①定性使用极限a.运转中没有异常振动,噪音和温升;b.满足生产要求对产品精度无影响。
②定量使用极限齿轮由于磨损,侧间隙增大,许容最大侧间隙为安装间隙的3-4倍。
齿轮磨损的许容量是:a、一般设备齿轮第一级小齿轮齿厚磨损20%其它级齿轮齿厚磨损 40%蜗杆齿厚磨损 20%蜗轮齿厚磨损 30%b、重要设备齿轮第一极小齿轮齿厚磨损 10%其它级齿轮齿厚磨损 20%-30%蜗杆齿厚磨损 10%蜗轮齿厚磨损 20%c、起重机齿轮卷扬传动:第一级小齿轮齿厚磨损 5%其它级齿轮齿厚磨损 20%走行传动:第一级小齿轮齿厚磨损 10%其它级齿轮齿厚磨损40%齿轮表面通常是经过硬化处理的,齿面硬化层厚度t=0.1m。
齿轮一旦磨去齿面硬化层,则磨损速度将大大加快,所以亦可把齿面硬化层厚度作为齿轮使用许容量。
齿轮齿厚磨损可以用固定弦尺厚仪(齿轮规)测得。
2、齿接触齿轮啮合时,齿的工作表面因互相滚压而留有可见的痕迹,所显示的接触斑点可以判断齿轮传动的装配质量,齿轮啮合是否正确。
齿接触标准按精度等级选定见表4-6。
表4-6(二)联轴器1、齿形联轴器磨损许容量:(1)一般设备齿厚磨损 30%(2)卷扬设备齿厚磨损 20%2、联轴器轴心许容量联轴器的轴心位移分轴向位移、径向位移和角度位移(倾斜角度)三种,对不同种类的联轴器有不同的要求,其位移许容量见表4-7表4-7联轴器轴心位移许容量链条联轴器向位移许容量S型根据型号查表4-8表4-8 链条联轴器向位移许容量(三)滚动轴承 1、原始间隙轴承运转中间隙值的大小对轴承的疲劳寿命、振动噪音,发热等性能影响很大,在轴承间隙选择时必须考虑:(1)轴承与轴、外壳的配合、导致间隙的缩小; (2)轴承工作时,内外圈的温度差异导致间隙的缩小;(3)轴和外壳的制造材料因膨胀系数的不同而导致间隙的缩小或增大; (4)选择最适宜的工作间隙。
同一种型号的轴承,根据使用场合与工况条件的不同,做成几种不同的原始间隙,通常分为1C 、2C 、普通、3C 、4C 、5C 等六种等级。
不同间隙的等级所使用条件见4-9。
、表4-9轴承不同等级的原始间隙值可根据轴承类型、孔径从轴承样本中查取。
2、许容量 (1)定性使用极限①运转中无异常振动、噪音和温升(室温+40℃) ②满足生产要求,对产品精度无影响。
(2)定量使用极限①径向间隙: 2-3倍原始间隙 当转速N >1500转/分时取2倍 N >1500转/分时取3倍 ②轴向窜动量对装配间隙不可调整的滚动轴承,因受热膨胀产生轴向移动,这样因内外圈相对移动而使轴承径向间隙减小。
甚至使滚动体在内外圈之间卡住,故在装配时,常将双支承中的其中一个轴承和其端盖之间留有轴向间隙a 。
a=L.α.∆t+L —轴承间的距离α—线膨胀系数∆t —轴工作温度与环境温度之差值实际应用时可按经验数据a =-0.40mm 。
当a >1mm 时,应进行更换。
对间隙可调整的滚动轴承,在装配确定调整必要的间隙时,是通过轴承和其端盖之间的垫片来进行调正的,其垫片是金属的。
当a >1mm 时应进行调正或更换。
③椭圆度100minmax ⨯-平均C C C <30微米(C —轴承间隙值) (四)滑动轴承为了使轴与滑动轴承之间形成油膜,进行正常工作,在安装时,规定了轴与滑动轴承之间的安装间隙。
1、安装间隙除图纸资料中有明确规定安装间隙外,在实际工作中,安装顶间隙通常按经验公式来决定:稀油润滑:一般轴瓦:S=D/1000曲轴轴瓦:S=D/1000脂润滑:S=D/1000式中D为轴颈直径侧间隙b=S/2滑动轴承轴向间隙:固定端为-0.2mm自由端轴承移动量应大于轴的热膨胀伸长量2、接触:(1)接触角度: =70~90°(2)接触斑点:普通瓦1-2点/cm2高级瓦2-3点/cm23、磨损许容量:顶间隙为安装间隙的3-4倍磨损量为轴瓦油槽深度的60-70%(五)制动器:1、制动轮允许磨损量为原厚度的30%2、闸皮允许磨损量为原厚度的50%对于用沉头螺钉连接的闸皮,则螺钉头部距磨擦面1mm为允许极限。
(六)链传动1、链轮:允许磨损量为齿厚磨损5mm(一般链轮齿淬火深度为3mm左右)2、链条:允许量为链节距伸长%(七)液压缸、气缸:允许磨损量<-0.20mm(无镀层时)镀层不得有裂纹,表面伤痕深度<-0.5mm活塞杆弯曲允许量<0.2mm/m缸体允许椭圆度为设计公差的3倍。
(八)压下丝杆丝母丝杆允许磨损量为牙顶原厚度的10%。
丝母允许磨损量为牙原厚度的30%(九)辊道允许量:裂纹长度为辊子圆周长的2/3时更换。
龟裂在辊子圆周上连接起来是更换。
(十)起重机1、主梁变形允许量(1)空载时,低于水平线下挠值L/1500(2)额定载荷时,低于水平线下挠值L/7002、卷筒磨损允许量(1)绳槽磨损深度2mm(2)筒壁磨损为原壁厚20%3、滑轮磨损允许量(1)轮槽壁厚磨损为原壁厚20%(2)轮槽底部磨损为钢绳直径的50% 4、钢绳允许量(1)直径磨损为原尺寸的7%(2)同一捻距内断丝数为总丝数的10% 5、吊钩磨损允许量(1)危险断面磨损为原尺寸10%(2)开口度增加为原尺寸15%6、车轮磨损允许量(1)轮缘磨损为原厚度的50%(2)踏面磨损为原厚度的15%(3)左右轮直径差:主动轮为原直径%从动轮为原直径%7、轨道允许量(1)磨损为原尺寸的10%(2)纵向坡度1/500(3)接头错位0.5mm(4)接头间隙5mm(5)左右轨道高低差S/500(s为跨距)(6)跨距误差:s<25m 为±10mms=25-40m 为±15mm(十一)风机(离心式)1、叶片磨损允许量为原厚度的20%2、主轴瓦顶间隙允许量D/1000(D为轴颈)轴与瓦接触角 ≤60°接触面2-3点/cm23、转子轴同轴度-0.03mm(十二)活塞式压缩机1、气缸磨损允许量见下表表4-102、曲轴和曲轴颈磨损允许量见下表表4-113、活塞和气缸使用间隙和磨损允许量(见表4-12):表4-124、活塞环磨损允许量轴向磨损—0.3mm径向磨损—2.0mm活塞环与槽轴向间隙 0.3mm5、活塞杆磨损允许量—0.5mm6、曲轴与轴瓦(1)轴向窜动间隙—1.0mm(2)轴与瓦间隙表4-13(十三)轴流与离心式压缩机1、轴瓦顶间隙:表4-142、联轴器轴心位移允许量:表4-153、转子:(1)弯曲允许量 0.05mm(2)推力盘漂摆度允许量 0.02mm(3)转子动平衡校验,转子重心对回转中心的剩余偏移μ允许量:表4-16(4)跳动允许量表4-174、密封间隙允许量表4-18、压缩机振动(1)轴承振动振幅许容量 nV 120004.25⨯=(微米) (n 为转速r/min ) (2)机壳振动振幅许容量表4-19(十四)螺杆压缩机 1、安装间隙表4-20(十五)离心式清水泵1、叶轮静平衡剩余不平衡重许容量(3000转/分)表4-212、叶轮与口环间隙许容量表4-223、叶轮轴各配合面对轴颈的径向跳动许容量:表4-234、深井泵橡胶轴承和轴间隙许容量—0.32mm深井泵主轴轴向窜动许容量为6—15mm5、水泵轴瓦顶间隙许容量表4-246、叶轮壁厚磨损许容量:原厚度的20%当叶轮入口处发生严重偏磨损,不能修复时,应予更换。
流道内因腐蚀或浸蚀形成凹坑孔洞时应予重换。
(十六)齿轮泵1、各部配合间隙:表4-252、齿轮啮合侧间隙:表4-26(十七)运输机胶带 1、接头伸长允许量: 钢丝芯胶带:4mm 2、盖胶磨损允许量:(1)尼龙芯胶带:10%带芯外露 (2)钢丝芯胶带:20%带芯外露 二、电气部分 (一)直流电机 1、绝缘电阻常用公式Ω+≥M P U R HH1001000 其中H U 电机额定电压伏。
H P 电机额定功率KW兆欧表的选用:1kw 以下及24v 以下 250v 兆欧表 24v —500v 500v 兆欧表 大于500v 1000v 兆欧表2、定子①刚性联轴器定心的允许偏差值:联轴器直径 mm < 400 400—600 600—1000 径向偏差 mm 轴向偏差 mm②齿轮联轴器定心的允许量偏差值: 联轴器直径 mm ≤ 150 >150径向偏差 mm 01.010015008.0⨯-+D 轴向偏差 mm 01.010015008.0⨯-+D ③弹性联轴器定心的允许偏差值: 联轴器直径 mm ≤200 >200径向偏差 mm 01.010020005.0⨯-+D 轴向偏差 mm 01.010020005.0⨯-+D 3、振动: 图4—1 4、温升1)工业用直流电机温升上限值:表4-29 环境温度限度40℃2)轧钢用直流电机温升限度(表4-30)适用范围:150KW以上加减速的轧钢直流电动机。