船舶用锚的计算和船舶阻力计算
- 格式:docx
- 大小:446.73 KB
- 文档页数:12
船舶布锚方案1. 引言船舶布锚是船舶停泊时最常用的锚定方式之一,它能够稳固船舶在水中的位置,防止漂移。
船舶布锚方案的制定对于船舶的安全性和稳定性非常重要。
本文将介绍船舶布锚方案的基本原理和步骤,并提供一些注意事项。
2. 布锚原理船舶布锚的原理是利用重锚将船舶锚定在水底,防止漂移。
重锚通常由铁制成,形状为锚状,可以在水底扎根并提供足够的阻力。
船舶通过绳索或链条与锚相连,以保持船舶的位置稳定。
3. 布锚步骤船舶布锚的步骤如下:3.1 确定布锚位置首先,需要确定布锚的位置。
这需要考虑水深、水流、风向和港口规定等因素。
通常,应选择平稳的水底,避免有岩石或其他障碍物的区域。
3.2 准备锚具和绳索根据船舶大小和需要,选择合适的重锚和绳索。
重锚应符合船舶的规格和需要,绳索应具备足够的强度和耐久性。
3.3 下锚操作将重锚沿着船舶的侧面缓慢下水,同时放出足够长度的绳索或链条。
待锚到达所选择的位置后,逐渐放出绳索/链条,使锚靠近水底。
3.4 固定绳索/链条一旦锚到达适当的位置,立即固定绳索或链条。
这可以通过将其绑在船舶的强固结构上或使用适当的锚定设备来实现。
确保绳索或链条足够紧固,以防止松动或脱落。
3.5 测试布锚效果一旦绳索或链条固定好,船舶停泊在布锚位置上。
对布锚进行测试,确保它能够有效地防止船舶漂移。
如果存在问题,及时调整绳索或链条的长度或位置。
4. 注意事项在制定船舶布锚方案时,需要注意以下事项:•根据船舶尺寸和重量合理选择锚具和绳索。
•在选择锚位置时,考虑水深、水流和风向等因素。
•确保绳索或链条足够牢固,以防止松动或脱落。
•定期检查绳索或链条的状态和损坏情况,及时更换或修理。
•在极端天气条件下,考虑额外的锚定措施。
•遵守港口规定和安全标准,以确保船舶停泊的安全性。
5. 结论船舶布锚方案是确保船舶停泊安全和稳定的重要措施。
通过遵循正确的布锚步骤和注意事项,可以有效地防止船舶漂移,保护船舶和船员的安全。
布锚操作前的充分考虑和准备工作是实施成功的关键。
一、用锚的计算锚的系留力:P=W aλa+W cλc L1P―――系留力。
是锚抓力与锚链摩擦力的和(9.81N)W a―――锚在水中的重量。
即锚在空气中重量×0.876(Kg)Wc―――锚链每米长在水中的重量(Kg)1H a―――锚的抓重比(见表)W―――锚链每米的重量(Kg/m)H c―――锚链摩擦系数取1.5-1.1二、锚链出链长度估算1、正常天气,一般不少于下表2、在急流区,出链长度不一般不少于表值如图:四、航运船舶1、锚重的估算:每个首锚重量一般可用以下公式估算:W=KD2/3 (Kg)K―――系数。
霍尔锚取6-8,海军锚取5-7D―――船舶的排水量(t)2、锚链尺寸估算:d=KD1/3或d=CW1/2或d=Wd―――锚链直径(mm0.562538M=6250/dM―――每节锚链环数,取整数的单数(个)五、工程船舶以海军锚和锚缆计算1、锚重:船首边两只,每只锚重量按下式计算:W=K(A+15BT) (Kg)W―――锚重A―――满载吃水线以上各部分在船中纵剖面上的投影面积(m2)B、T―――分别为船舶宽度与吃水(m)六、船舶的阻力影响被拖船舶阻力的主要因素为船速、船型和外界条件。
在船型和外界条件一定的情况下,船舶的阻力仅与航速有关,其计算方法如下:1、运输型船舶阻力运输型船舶阻力,其组成阻力可按表所列公式计算。
2、方箱型和简易型船舶阻力①、按阻力的组成计算对于方箱型和简易型的各类工程船舶的阻力,可分别计算其摩擦阻力和风压、流压等主要阻力后,相加取得。
其具体计算公式见有关公式。
b c p t式中:R―――被拖船舶阻力(kg)R t―――拖轮的阻力(kg),按T=R t=75N bηcηp/V求得。
V―――船速(m/s)N b―――制动功率(HP)ηc―――轴系传动效率,一般为0.95-0.97ηp―――推进效率,一般为0.5-0.65对于以实测船速算出的被拖船舶阻力,应作为船舶资料存档备用。
锚链张力计算一、引言锚链是一种用于固定船舶或其他结构物的重要工程材料。
在设计和施工过程中,了解锚链的张力是至关重要的。
本文将介绍如何计算锚链的张力,以帮助工程师和设计师更好地应用锚链。
二、锚链的基本原理锚链是由多个环节组成的,每个环节之间通过焊接或其他方式连接。
锚链的张力是由船舶或其他结构物的运动和外部环境的作用力所决定的。
锚链的张力会直接影响到锚链的稳定性和固定效果。
1. 首先需要确定所需计算的锚链段落长度。
根据实际情况,可以选择计算整条锚链的张力,或者只计算其中的一段锚链的张力。
2. 确定计算锚链张力所需的参数。
包括锚链的材料特性,如强度和重量;外部环境的作用力,如水流和风力;以及船舶或结构物的运动情况,如摇摆和上下浮动。
3. 根据锚链的材料特性和长度,可以计算出每个环节的重力和拉力。
根据拉力的大小,可以确定锚链的张力。
4. 考虑外部环境的作用力,如水流和风力,可以计算出锚链受到的额外张力。
5. 根据船舶或结构物的运动情况,如摇摆和上下浮动,可以计算出锚链受到的附加张力。
6. 将锚链的自重张力、外部环境作用力和附加张力相加,得到最终的锚链张力。
四、锚链张力计算的注意事项1. 在计算锚链张力时,需要考虑锚链的磨损和老化情况,以及焊接点的强度和可靠性。
2. 锚链张力的计算结果应该与实际情况相匹配,需要进行实地测试和验证。
3. 锚链张力的计算应该尽可能精确,可以使用专业的计算软件或工具来辅助计算。
4. 在设计和施工中,应该根据锚链张力的计算结果,选择合适的锚链材料和规格,以确保锚链的稳定性和固定效果。
五、总结锚链张力计算是锚链设计和施工中的重要环节。
通过合理的计算方法和参数选择,可以准确地计算出锚链的张力,为锚链的应用提供有效的支持。
工程师和设计师应该熟悉锚链张力计算的原理和方法,以提高锚链的设计和使用效果。
通过不断的实践和经验总结,锚链张力计算的准确性和可靠性将得到进一步提升。
船舶流体计算
船舶流体计算是指通过数学模型和计算方法来分析船体在水中的流体力学特性。
这项计算可以用来评估船舶的稳定性、阻力和推进力等参数,从而确定船舶的设计和操作。
以下是船舶流体计算的一些常见方法:
1. 阻力计算:使用雷诺平均Navier-Stokes方程(RANS)或光
滑片面近似理论(SST)等方法,计算船舶在水中移动时受到
的阻力。
这些方法可以通过求解速度、压力和湍流模型来获得阻力数据。
2. 稳定性计算:通过计算船体的形状和重心等参数,使用浮力和重力的平衡条件来评估船舶的稳定性。
这可以帮助设计师确定船舶的荷载和货物分配,并确保船舶在水中的平衡状态。
3. 推进力计算:通过计算螺旋桨或推进器的叶片和水流之间的相互作用,确定推进力和功率需求。
这可以帮助船舶操作员选择合适的推进设备和工作点,并优化船舶的能源效率。
4. 过波阻力计算:通过计算船舶在波浪中移动时所受到的阻力,评估船舶的航行性能和航速。
这可以帮助设计师优化船体的形状和船型,以减小波浪阻力和提高船舶的速度性能。
5. 动力学模拟:通过建立船舶的动力学模型,使用牛顿定律和运动方程来模拟船舶在不同操作条件下的运动轨迹。
这可以帮助船舶操作员进行航线规划和操纵决策,确保船舶的安全和航行效率。
以上仅列举了一些常见的船舶流体计算方法,实际中可能还存在其他更专业和复杂的计算方法,根据具体情况和需求选择合适的计算方法进行船舶流体计算。
海上拖航阻力计算注:“华富708”空船平均吃水1.0m,每厘米吃水吨数约20T/cm,本计算按货物1500T、压载水1500T,总计3000T计算,上述状态下平均吃水为2.5m。
货物正向迎风面积为14mX14m=196m2。
1.海上拖航总阻力经验计算公式:R t=1.15[R f+R b+(R ft+R bt)]式中:R f-----被拖船(物)的摩擦阻力R b-----被拖船(物)的剩余阻力R ft-----拖船的摩擦阻力R bt-----拖船的剩余阻力2.被拖船(物)的阻力近似计算公式R f=1.67A1V1.8310-3KNR b=0.147δA2v 1.74+0.15v KN式中:V---拖航速度m/sδ---方型系数A2----被拖船(物)浸水部分的中横面积其中:A1如无详细资料,按下方法求:正常船舶;A1=L(1.7d+δB)m2驳船/首尾有线形变化的箱型船;A1=0.92L(B+1.81d)m2无线形变化的箱型船及其他水上建筑A1=L(B+2d)L----被拖船(物)的长度;mB----被拖船(物)的宽度:md----被拖船(物)的吃水:m3.拖轮的阻力计算---用拖轮的资料,如无详细资料,也可按被拖船(正常船舶)的近似公式计算。
已知:V=6.0Kt(3.087m/s)4.被拖物的阻力计算:表一:被拖船名L(m)B(m)D(m)δ华富708 91.5 24.5 2.5 0.95表二:被拖船名A1(m2)A2(m2)V(m/s)δR f(Kn)R b(Kn)华富708 2699.25 61.25 3.087 0.95 35.5 102.15.拖轮阻力计算:表三:拖轮名L B d δ华富219 44.0 10.4 4.8 0.63表四:拖轮名A1(m2)A2(m2)V(m/s)δR ft(Kn)R bt(Kn)华富219 647 33.8 3.087 0.63 8.5 29.8海上拖轮总阻力为:175.9KNR t=1.15[R f+R b+(R ft+R bt)]=20.6t结论一:当船组在静水中拖带航速为6节时,拖航阻力为20.6T,远小于“华富219”拖轮拖力38T,满足规范要求。
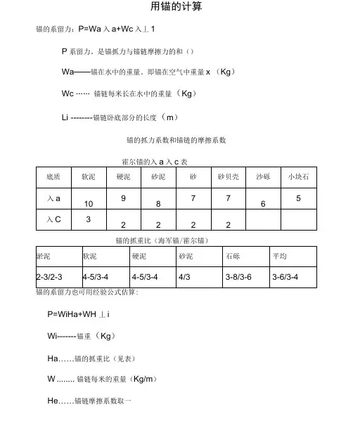
用锚的计算锚的系留力:P=Wa入a+Wc入丄1P系留力。
是锚抓力与锚链摩擦力的和()Wa——锚在水中的重量。
即锚在空气中重量x (Kg)Wc …… 锚链每米长在水中的重量(Kg)Li -------- 锚链卧底部分的长度(m)锚的抓力系数和锚链的摩擦系数霍尔锚的入a入c表锚的抓重比(海军锚/霍尔锚)P=WiHa+WH 丄iWi ------- 锚重(Kg)Ha……锚的抓重比(见表)W ........ 锚链每米的重量(Kg/m)He……锚链摩擦系数取一二、锚链出链长度估算1、正常天气,一般不少于下表3、在风速30m/s (11级)风眩角为30。
时出链长度值如链长小于倍水深时,锚的抓力将因锚爪的切泥角小而变小,水面以下的链长的水深倍数与锚爪切泥角见表三、八字锚与单锚的锚泊系留力的比值:见表如图:八字锚的系留力四、航运船舶1、锚重的估算:每个首锚重量一般可用以下公式估算:W=KD2/3 (Kg)K……系数。
霍尔锚取6 — 8,海军锚取5-7D……船舶的排水量(t)2、锚链尺寸估算:d=KD1/3或d=CW1/2或d=W1/2d ........ 锚链直径(mm)K……系数。
可取-C……系数。
可取-3、每节锚链重量估算:Q=Kd2 (Kg)4、锚链强度估算:R=Kd2g (N)K ……系数。
有档链取56,无档链取38g ......... (m/s2)5、每节锚链环数估算:M=6250/dM……每节锚链环数,取整数的单数(个)五、工程船舶以海军锚和锚缆计算1、锚重:船首边两只,每只锚重量按下式计算:W=K(A+15BT) (Kg)W……锚重A……满载吃水线以上各部分在船中纵剖面上的投影面积(in?)B、T .......... 分别为船舶宽度与吃水(m)K 系数。
见表锚重系数K值:船尾边锚两只,其重量应不小于倍首边锚的重量2、锚缆锚缆的有效使用长度,应不小于5倍船长,锚缆的配备见表: 锚缆配备表18 2000435500 19 225053800020 250053800021 2750 41 651000 22 3000 41 651000 23 3250 45 774500 24 350045774500 25 3750909000264000521050000六、船舶的阻力影响被拖船舶阻力的主要因素为船速、船型和外界条件。
锚链张力计算锚链张力计算是针对锚链在使用过程中所受到的力的计算,以便确保锚链的安全性和可靠性。
锚链是海洋工程中常用的一种装备,用于固定海洋平台、船舶等设施。
锚链张力计算是根据锚链的特性和使用条件,计算锚链所受到的张力大小,以确保锚链不会因受力过大而断裂或失效。
锚链张力计算的基本原理是根据力的平衡原理和力的传递原理,通过计算锚链所受到的各种力的大小,并进行叠加,得出锚链的总张力。
锚链所受到的力包括自重力、浮力、风力、水流力、波浪力等。
这些力的大小与锚链的重量、水深、海洋环境、船舶或平台的位置等因素有关。
锚链的自重力是指锚链本身的重量所产生的力。
自重力是锚链张力计算的基础,其大小与锚链的长度、直径、材质等因素有关。
其次,锚链所受到的浮力是指锚链在水中所受到的浮力作用。
浮力与锚链的体积和密度有关,通过浸泡试验可以得出锚链的浮力大小。
锚链还会受到风力的作用。
风力是指风对锚链产生的力。
风力的大小与风速、锚链的面风面积及其位置有关。
当风速增大时,锚链所受到的风力也会增大。
水流力是指水流对锚链产生的力。
水流力的大小与水流速度、锚链的位置及其形状有关。
波浪力是指波浪对锚链产生的力。
波浪力的大小与波浪高度、周期、锚链的位置及其形状有关。
锚链张力计算需要考虑以上几种力的综合作用。
通过将各种力的大小进行叠加,可以得出锚链所受到的总张力。
在计算过程中,还需要考虑锚链的安全系数,以确保锚链在使用过程中不会超过其承载能力。
锚链张力计算对于海洋工程的设计和施工具有重要意义。
通过合理计算锚链的张力大小,可以确保锚链在使用过程中的安全性和可靠性。
同时,锚链张力计算还可以指导锚链的选型和布置,以满足海洋工程的需求。
锚链张力计算是针对锚链受力情况进行的计算,以确保锚链的安全性和可靠性。
通过计算锚链所受到的各种力的大小,并进行叠加,可以得出锚链的总张力。
锚链张力计算对于海洋工程的设计和施工非常重要,可以指导锚链的选型和布置,确保海洋工程的顺利进行。
船舶深水抛锚方法分析2009年9月14日摘要:由于抛锚方案选择不当、抛锚方法应用不当等原因,极易出现抛锚安全问题,深水抛锚时容易出现出链速度太快刹不住而丢失锚链,深水起锚时由于出链太长容易出现锚机力量不够绞不起锚链而丢失锚链等事故。
本文针对一起具体的深水抛锚丢锚事故,运用数理分析方法对船舶深水抛锚的动力学原理进行了分析,给出了2个极限水深的计算公式,对船舶深水安全抛锚提供了数理支持。
关键词:水路运输;深水抛锚;船舶;安全;锚链抛锚作业是船舶最常见的作业之一,船舶在抛锚作业过程中,经常由于船长和(或)驾驶员对锚地风、流的变化估计不足,对出链长度把握不准、抛锚方法使用不当,致使抛锚时发生安全故事。
如丢锚、断链等等。
因此在深水区安全抛锚是航海界不断探索的课题。
由于水深、底质等原因,如果用一般的抛锚方法,则由于出链过长,链速过快,锚机刹车往往刹不住,很容易造成丢锚事故;抛深水锚时方法不当也容易出现抓底困难而造成抛锚失败;深水抛锚如果出链太长,则有可能超过锚机负荷而收不回锚链等等。
本文从一起丢锚事故来分析深水抛锚的动力学原理。
1事故经过EVERGL0RY轮从越南CAMPHA港装运17000t散煤到菲律宾南部的VILLANUEV A港。
该港位于菲律宾南部Macajarlar海湾,该海湾水深变化剧烈,在很短的距离里内从200m急剧地变化到50m水深,是典型的斜坡形海底,当回声测深仪显示水深为70m时,船长命令大副抛左锚。
在抛锚过程中,船长采用了一般浅水锚地的抛锚方法,没有先用锚机把锚链送到海底附近,而是直接用离合器将锚机脱开,凭借锚和锚链的重力作自由落体运动抛下,随着锚链入水长度的增加,抛出部分的锚和锚链的重量越来越大,下落速度越来越快,导致锚机刹不住,锚链风驰电掣般往下落,最后锚链弃船而去,造成该轮左舷锚链连同左锚一并丢失,后来不得不联系该港引水站,请引水员来帮助抛下右锚。
2重力方式抛锚极限水深的求取深水抛锚,具体多大水深才是“深水”,在现阶段的各种航海资料中没有严格的定义,对于不同的船舶是有区别的,一般来说,按照《船舶操纵与避碰(上册)》所述,水深大于25m,就认为是“深水”,很明显,水深25m对超大型船舶而言,就算不上“深水”了。
船用锚机计算书
船用锚机计算书是用于设计和计算船用锚机的技术文件,通常包括以下内容:
1. 引言:介绍船用锚机计算书的目的、范围和适用条件。
2. 设计要求:概述船用锚机的设计要求,包括船舶类型、锚链规格、工作环境等。
3. 负载计算:根据船舶的大小、锚链的重量和类型,计算锚机在不同工况下的负载情况,包括起锚、抛锚和系泊等。
4. 功率计算:根据负载计算结果,确定锚机所需的功率,包括电动机功率、液压系统功率等。
5. 传动系统设计:设计锚机的传动系统,包括齿轮箱、传动轴、链轮等,确保传动效率和可靠性。
6. 控制系统设计:设计锚机的控制系统,包括电动控制、液压控制或手动控制等,确保操作简便、安全可靠。
7. 安全因素考虑:考虑锚机的安全因素,如过载保护、防滑装置、紧急停止等,以保障操作人员和船舶的安全。
8. 结论:总结船用锚机计算书的内容,确认设计满足要求,并提出建议和注意事项。
需要注意的是,船用锚机计算书的具体内容和格式可能因船舶类型、设计标准和制造商要求而有所不同。
以上内容仅供参考,具体的计算书应根据实际情况进行编写。
如果你需要更详细的信息,建议咨询相关的船舶设计机构或专业人士。
船锚工作原理
船锚工作原理可以通过以下方式描述:
锚是一种船舶停泊或抵御潮流、风力等外部力量的重要设备。
它通常由一个巨大的金属块和一条或多条锚链组成。
船上的锚通常是由铁或钢制成,以确保足够的重量和强度。
锚的工作原理基于牛顿第一定律和重力的作用。
当船需要停靠时,船员会将锚投放到水中,并将锚链逐渐放出,直到锚达到所需深度。
锚的重量和形状使其在水中具有较大的阻力,使船保持在一定的位置。
当锚投放到水中时,锚链会迅速下沉。
这是因为锚链本身的重量足够使其下沉,并通过水阻力减缓下降速度。
一旦锚链到达底部,它会形成一条连结锚与船舶之间的连接。
锚通过链条与船舶相连,这样船只在锚浮动的力量下就无法移动。
锚的确保船舶停泊的能力是基于几个因素的综合作用。
重力使锚在底部产生摩擦力,这是静态摩擦力的一种。
此外,与水的阻力和链条的张力共同作用,使船舶能够抵御外部力量,保持停泊状态。
当需要移动或收回锚时,船员会收回锚链,以减小锚与底部的连接。
这样一来,锚就能够被提起并固定在船上,而船舶可以继续航行。
总结而言,船舶锚的工作原理是通过投放重量较大的锚以及与
底部的摩擦力、水阻力和链条张力的综合作用,使船舶能够停泊并保持在一定的位置。
船舶用锚的计算和船舶
阻力计算
Hessen was revised in January 2021
一、用锚的计算
锚的系留力:P=W aλa+W cλc L1
P―――系留力。
是锚抓力与锚链摩擦力的和()
W a―――锚在水中的重量。
即锚在空气中重量×(Kg)
Wc―――锚链每米长在水中的重量(Kg)
L1―――锚链卧底部分的长度(m)
λa λc―――锚的抓力系数和锚链的摩擦系数
霍尔锚的λa λc表
锚的抓重比(海军锚/霍尔锚)
锚的系留力也可用经验公式估算:
P=W1H a+WH c L1
W1―――锚重(Kg)
H a―――锚的抓重比(见表)
W―――锚链每米的重量(Kg/m)
H c―――锚链摩擦系数取-
二、锚链出链长度估算
1、正常天气,一般不少于下表
2、在急流区,出链长度不一般不少于表值
3、在风速30m/s(11级)风眩角为300时出链长度值
如链长小于5-6倍水深时,锚的抓力将因锚爪的切泥角小而变小,水面以下的链长的水深倍数与锚爪切泥角见表
三、八字锚与单锚的锚泊系留力的比值:见表
如图:
八字锚的系留力
四、航运船舶
1、锚重的估算:
每个首锚重量一般可用以下公式估算:
W=KD2/3 (Kg)
K―――系数。
霍尔锚取6-8,海军锚取5-7 D―――船舶的排水量(t)
2、锚链尺寸估算:
d=KD1/3或d=CW1/2或d=W1/2
d―――锚链直径(mm)
K―――系数。
可取-
C―――系数。
可取-
3、每节锚链重量估算:
Q=Kd2 (Kg)
K―――系数。
有档链取,无档链取
4、锚链强度估算:
R=Kd2g (N)
K―――系数。
有档链取56,无档链取38
g―――(m/s2)
5、每节锚链环数估算:
M=6250/d
M―――每节锚链环数,取整数的单数(个)
五、工程船舶
以海军锚和锚缆计算
1、锚重:
船首边两只,每只锚重量按下式计算:
W=K(A+15BT) (Kg)
W―――锚重
A―――满载吃水线以上各部分在船中纵剖面上的投影面积(m2)
B、T―――分别为船舶宽度与吃水(m)
K―――系数。
见表
锚重系数K值:
船尾边锚两只,其重量应不小于倍首边锚的重量
2、锚缆
锚缆的有效使用长度,应不小于5倍船长,锚缆的配备见表:
锚缆配备表
六、船舶的阻力
影响被拖船舶阻力的主要因素为船速、船型和外界条件。
在船型和外界条件一定的情况下,船舶的阻力仅与航速有关,其计算方法如下:
1、运输型船舶阻力
运输型船舶阻力,其组成阻力可按表所列公式计算。
2、方箱型和简易型船舶阻力
①、按阻力的组成计算
对于方箱型和简易型的各类工程船舶的阻力,可分别计算其摩擦阻力和风压、流压等主要阻力后,相加取得。
其具体计算公式见有关公式。
②、按通用公式估算
各类型工程船舶的阻力,可用下列公式估算:
R=fΩ+φAV n
式中:f―――摩擦阻力系数,可按弗汝德摩擦阻力系数表选
取,通常在之间。
Ω―――湿面积(m2)
A―――浸水部分船中剖面面积(m2)
V―――航速(m/s)
φ、n―――分别为剩余阻力系数和剩余阻力速度指数,可按下表选取。
表中:V――船速(m/s),F r――弗汝德数,F r=V/(gL)1/2
其中:L――船长,g――
③、实测船速求其阻力
在实际拖航中,以实测的航速V,可用以下公式计算被拖船舶的阻力:
R=(75N bηcηp-R t V)/V
式中:R―――被拖船舶阻力(kg)
R t―――拖轮的阻力(kg),按T=R t=75N bηcηp/V求
得。
V―――船速(m/s)
N b―――制动功率(HP)
ηc―――轴系传动效率,一般为推进效率,一般为
对于以实测船速算出的被拖船舶阻力,应作为船舶资料存档备用。
七、“港渝1号”的阻力计算
1、“港渝1号”水流阻力R水按下式计算:
R水 =(fsV2+ψA1V2)×10-2(KN)
式中:f—铁驳摩阻力系数,取f=
S—船舶浸水面积 S=L(2T+)=1132.875 m2
L—船舶长度(75m)
T—吃水(1.9m,保证干舷高度为1.5m)
B—船宽(13.3m)
Ψ—阻力系数,方头船取Ψ=10
A1—船舶在垂直水流方向的投影面积
A1=TB=×=25.27m2
V—计算流速V=2m/s
R水= (fSV2+ΨA1V2) ×10-2
= ××22+10××22)×10-2
= +×10-2
=
2、“港渝1号”的风阻力
R风= K1K Z1W0 F1+ K2K Z2W0F2
K1=―――船体风载体型系数
K Z1 =―――船体风压高度变化系数
F1—1艘导向船的挡风K Z1 =面积
F1=×=19.95m2
K2—导向船上联结梁、变电所、桅杆吊等的风载体型系
数,综合取。
K Z2—上项设施的风压高度变化系数,综合取K Z2 =。
(按离地面15m高计)
F2—上项设施挡风面积估算为100m2
W0―――基本风压,W0=V2/1600=m2(V风速,单位m/s,
取级风)(W0=V2/1600的推算见D盘-华能电厂-船舶-风压计算,)
R风=×××+×××100
=
综上,“港渝1号”在水流为2m/s,风速在9级-24.4ms,阻力
R= R水+R风
=+
=
八、初稳性高度
吊起装载法:如图
吊起装载法
吊起装载时有下列关系式:
GM=M k/(DsinA)
式中:M k―――横倾力矩,M=P(B/2+R),其中:P、B、R分别为装载(t)、船宽(m)、吊杆眩外跨距(m)
A―――驳船横倾角,经实测得。
D―――驳船排水量(t),以平均吃水查静水力曲线取得。