国际经济法贸易术语巧记
- 格式:doc
- 大小:157.50 KB
- 文档页数:10
2020年司法考试国际经济法考点:几种主要贸易术语一、国际贸易中常用的贸易术语1.FCA(货交承运人)。
该术语是适用最广泛的一个贸易术语,能够适用于一切运输方式。
此外其交货分两种情况,卖方承担不同的责任。
(1)交货。
交货地点的选择对在该地点装货和卸货有一定的影响。
如果在卖方所在地交货,则卖方应负责装货。
如果在卖方所在地以外的地点交货,则卖方能够在自己的运输工具上完成交货,而不负责将货物从自己的运输工具上卸下。
(2)货物的风险在交货时转移。
(3)双方的责任。
卖方义务:提供符合合同的货物和单据;办理出口手续;在指定地点和约定的时间将货物交付给买方指定的承运人或其他人;承担交货以前的风险和费用。
买方义务:支付货款;办理进口手续;订立运输合同并承担运费;承担交货后的风险和费用,包括办理保险。
2.FOB(装运港船上交货)。
FOB术语后标出的是装运港的名称。
如FOB上海,表明该批货物的装运港是上海。
(1)交货。
卖方须在指定日期或期限内,在指定的装运港,将货物交至买方指定的船只上。
(2)风险自装运港船舷由卖方转移给买方。
(3)双方义务。
卖方义务:提供符合合同的货物和单证;办理出口手续;在装运港将货物装在买方指定的船舶并即时通知买方;承担货物在装运港越过船舷前的风险和费用。
买方义务:支付货款并接受单证;办理进口手续;租船或订舱并将船名和装货地点即时间给予卖方以充分通知;承担货物在装运港越过船舷后的风险和费用。
3.CIF和CFR.CIF是常用的一个贸易术语,与FOB不同,CIF术语后标明的是卸货港的名称,如CIF大连,表明该批货物的卸货港是大连。
(1)交货。
卖方必须在装运港,在约定日期或期限内,将货物交至船上。
(2)风险在装运港船舷由卖方转移给买方。
(3)双方义务。
卖方义务:提供符合合同的货物和单证;办理出口许可证及其他出口手续;订立运输合同,将货物运至指定目的港并支付运费;办理货物的保险并交纳保险费;承担在装运港越过船舷前的风险和费用。
《国际贸易术语解释通则》中的13个术语是考试中的重点内容这一,也是复习的难点之一,其内容复杂,记忆量大,很有些使人头痛。
实际上,只要方法得当,要记住它们并不很困难,因为这些术语的排列极具规律性。
如能通过列表的方式对各个术语适用的运输方式、出口清关、进口清关手续由哪一方负责办理,运输合同、保险合同由哪一方订立,交货地点、风险转移时间进行归纳,总结,收获必定不小。
注意:1.E组、F组的运输合同的订立由买方负责,C组、D组的运输合同的订立由卖方负责。
2.EFC三组述语中除名称中含I(即INSURANCE)的CIF、CIP之外,均为买方办理保险合同。
D组术语和CIF、CIP由卖方办理保险合同。
3.在FCA术语下,如在卖方所在地交货,卖方应负责装货;如在其他地点交货,卖方可以在自己的运输工具上完成交货,而不负责将货物从自己的运输工具上卸下。
4.在FOB术语下,术语后标出的是装货港的名称,在CIF术语下,术语后标出的是卸货港的名称。
5.在CFR术语下,装船是卖方而投保却是买方,因此,卖方在装船后应给买方以充分的通知。
否则,因此而造成买方漏保引起的货物损失应由卖方承担。
6.在CPT术语下,卖方须向承运人交货,在有接运承运人的情况下,须向第一承运人交货。
7.有了上面这张表,相信记忆会相对容易。
此外,要注意结合各个术语的英文名称来记,如看见FCA就应想到Free Carrier,这样该术语的内容就很容易联想起来;再如术语中含I,就应联想到Lnsurance,以此可知该术语的卖方义务中包含了办理保险合同。
总之,要善于找出规律,并利用规律来进行记忆,这样记忆既容易记住,又不容易忘。
试题解析1.我山东渤海公司与日本东洋株式会社在万国博览会上签订了一份由日方向中方提供BX2-Q船用设备的买卖合同。
其中价格条款为USD832000/DES.运输途中由于不可抗力导致船舶起火,虽经及时抢救,仍有部分设备烧坏。
之后双方就设备损失赔偿发生争议并申请仲裁。
一、国际贸易术语EXW:Ex Works (卖方工厂交货)FCA: Free Carrier (货交承运人)FAS: Free Alongside Ship (装港船边交货)FOB: Free On Board (装港船上交货)CFR: Cost and Freight (成本+运费)CIF: Cost, Insurance and Freight (成本+保险费+运费)CPT: Carriage Paid To (运费付至)CIP: Carriage and Insurance Paid To (运费、保险费付至)DAF: Delivered at Frontier (边境交货)DES: Delivered Ex Ship (目的港船上交货)DEQ: Delivered Ex Quay (目的港码头交货)DDU: Delivered Duty Unpaid (目的地未完税交货)DDP: Delivered Duty Paid (目的地完税后交货)EXW:均由买方1.进出口清关:卖出买进除首尾DDP:均由卖方CIF、CIP:卖方义务2.安排投保 E、F、C 组:买方会投保其他自愿:习惯上D 组:卖方会投保前两组(E、F):买方3.安排运输后两组(C、D):卖方船舷风险: FOB、CFR、CIF---装港货过船舷4.风险转移地点: EXW:卖方工厂----------------- 内陆交货合同交货风险: F、C 组:起运地、起运港-------装运合同D 组:目的地、目的港-------到货合同几个特殊的具体交货地点:FCA:在卖方所在地或约定的装运地CFR、CIF:同 FOB,都在装运港船上完成交货CPT、CIP:在约定的装运地货交(第一)承运人DDU、DDP:在约定的目的地货交买方或其代理人5.后跟地名含义E、F 组:装港/装地C、D 组:到港/到地FAS、FOB、CFR、CIF、DES、DEQ:仅适用于水运6.适用运输方式其他术语:各种运输方式根据 2000 年版《国际贸易术语解释通则》的规定,关于 FOB 贸易术语,下列哪一选项是正确的?( 2008 年卷一 41 题,单选)A 卖方应当在目的港交货B 卖方应当自费取得货物保险C 卖方无义务自费订立运输合同D 该贸易术语适用于各种运输方式MIGA 的承保条件1)东道国以外的自然人、法人合格投资者承保条件2)多数股本为外国人拥有的法人3)东道国的自然人、法人或多数股本为东道国人所有的东道国法人东道国同意投资来自境外联合申请董事会特别多数通过4)非法人合伙的所有权人可单独申请投保,法人型合伙组织可直接申请投保1)股权投资、非股权投资、董事会特别多数同意的任何形式的中长期投资合格的投资 2)股权投资:包括购买具有法人资格的公司或其他经济实体的股权3)非股权投资:合作生产、分享收益合同、管理合同、特许协议、交钥匙合同、 3年以上的租赁合同、次位债券等4)经济上合理、有利于东道国经济发展、合法5)新的投资:即投保后才开始执行的投资6)出口信贷不在承保范围合格的东道国:发展中国家。
简要国际贸易术语记忆13种国际贸易术语解释:一、E组1、EXW ---工厂交货(---指定地点)。
是指卖方将货物从工厂(或仓库)交付给买方,除非另有规定,卖方不负责将货物装上买方安排的车或船上,也不办理出口报关手续。
买方负担自卖方工厂交付后至最终目的地的一切费用和风险。
如买方不能直接或间接的办理货物出口报关手续时,则不宜采用此贸易方式。
EXW是卖方责任最小的贸易术语。
二、F组2、FCA ,即货交承运人(……指定地点)。
此术语是指卖方必须在合同规定的交货期内在指定地点将货物交给买方指定的承运人监管,并负担货物交由承运人监管前的一切费用和货物灭失或损坏的风险。
需要说明的是,交货地点选择对于在该地点装货和卸货的义务会产生影响。
若卖方在其所在地交货,则卖方应负责装货;若卖方在任何其他地点交货,卖方不负责卸货,即使货物在卖方的运输工具上,尚未卸货,卖方只要将货物交给买方指定的承运人或其他人或由卖方选定的承运人或其他人处置时,交货即算完成。
当卖方将货物交给承运人照管,并办理了出口结关手续,就算履行了其交货义务。
3、FAS---装运港船边交货(---指定装运港)。
是指卖方将货物运至指定装运港的船边或驳船内交货,并在需要办理海关手续时,办理货物出口所需的一切海关手续,买方承担自装运港船边(或驳船)起的一切费用和风险。
4:FOB-装运港船上交货(---指定装运港)。
该术语规定卖方必须在合同规定的装运期内在指定的装运港将货物交至买方指定的船上,并负担货物越过船舷以前为止的一切费用和货物灭失或损坏的风险。
三、C组5、CFR ( -成本加运费(---指定目的港)。
是指卖方必须自阿合同规定的装运期内,在装运港将货物交至运往指定目的港的船上,负担货物越过船舷以前为止的一切费用和货物灭失或损坏的风险,并负责租船订舱,支付至目的港的正常运费。
6、CIF---成本加保险费、运费(---指定目的港)。
是指卖方必须在合同规定的装运期内在装运港将货物交至运往指定目的港的船上,负担货物越过船舷以前为止的一切费用和货物灭失或损坏的风险并办理货运保险,支付保险费,以及负责租船订舱,支付从装运港到目的港的正常运费。
国际贸易术语记忆方法国际贸易术语是进行国际贸易活动中经常遇到的词汇和概念,掌握这些术语对于从事国际贸易工作的人员来说是非常重要的。
为了记忆这些术语,可以采用以下记忆方法:1. 理解词义:在学习国际贸易术语时,首先要理解每个术语的词义和含义。
可以通过查找相关的词典、参考书籍或者在线资源来进行学习。
理解词汇的词义会帮助我们更好地记忆和运用这些术语。
2. 制作闪卡:将每个术语写在一张卡片的一侧,然后在另一侧写上术语的解释和例句。
通过反复阅读和记忆这些闪卡,可以帮助我们更好地掌握这些术语。
3. 制作思维导图:可以将各个术语按照相关性或者分类进行划分,并制作成思维导图。
思维导图可以将复杂的信息以图形化的形式展示出来,有助于我们更好地理解和记忆这些术语。
4. 制作抽认卡:将每个术语写在一张卡片的一侧,然后在另一侧留白。
通过查阅参考资料或者相关课本,尝试写出术语的解释。
然后将正确的答案写在卡片的留白处。
通过不断回顾和背诵这些抽认卡,可以提高对术语的记忆能力。
5. 制作词汇表:将每个术语以及其相关的解释、例句和注释整理成一个词汇表。
可以将这个词汇表打印出来,或者保存在电子设备中,方便随时查阅和复习。
6. 特殊记忆方法:对于一些难以记忆的术语,可以采用特殊的记忆方法,比如联想记忆法、故事记忆法等等。
通过将术语与生活中的具体事物进行联系,可以帮助我们更好地记忆和运用这些术语。
7. 多维度学习:学习国际贸易术语不仅仅是记忆单词,还需要了解其在国际贸易中的应用和实际操作。
可以通过阅读相关的案例、书籍和行业报告,了解术语的具体应用场景和实际操作。
通过多维度学习,可以更好地理解和记忆这些术语。
8. 练习和应用:记忆术语只是一个开始,更重要的是能够熟练应用这些术语。
可以通过做练习题、参与实践活动和与他人讨论交流来巩固对这些术语的理解和运用。
综上所述,记忆国际贸易术语需要多种方法的结合。
理解词义、制作闪卡、制作思维导图、制作抽认卡、制作词汇表、采用特殊记忆方法、多维度学习以及练习和应用,这些方法可以帮助我们更好地记忆和掌握这些术语。
1、国际经济法:调整国际经济活总和。
2、国际贸易术语:是以不同的交英文缩写字母表示商品的价格构成以及买卖双方在交易中的费用、责任与风险的划分。
3、FAS:是以指定装运港买方指定装货地点的指定船边作为界限。
3、FOB:是以装运港货物越过船FCA:是以货交承运人的时间和地点作为界线。
国际货物买卖合同:指营业地分处不同国家的当事人之间订立的由一方提供货物并转移所有权,另一方支付约定价款的协议。
营业所在地:指一方具有的永久性的从事商业交易的场所。
要约:是向一个或一个以上特定的人提出的订立合同的建议。
承诺:是受要约人对要约表示无条件接受的意思表示。
送达:指送交要约人的营业地、通讯地址或惯常居所。
电子单证:又称EDI。
指当事人依照法律和协议用电子计算机对约定的信息和数据标准化、格式化,通过计算机网络进行交换和处理。
实际交货:卖方亲自把货物连同代表货物所有权的单据一起交到买方手中,完成货物所有权与占有权的同时转移象征性交货:卖方只把代表货物所有权的证书交到买方手中,完成货物所有权的转移即为完成交货义务。
质量担保:指卖方对其所售货物的质量、特性或适用性承担的责任。
所有权担保:指卖方所提交的货物必须是第三者不能提出任何权利要求的货物。
商品检验:指由商品检验机关对进出口商品的品质、数量、重量、包装、标记、产地、残损等进行查验分析与公证鉴定,并出具检验证明。
商检证书:是商检机构出具的证明商品品质、数量等是否符合合同要求的书面文件,是买卖双方交接货物、讨付货款并据以进行索赔的重要法律文件。
不可抗力:指合同订立以后发生的当事人订立合同时不能预见的、不能避免的、人力不可控制的意外事故,导致合同不能履行或不能按期履行。
仲裁条款:又称仲裁协议,是双方当事人愿意将其争议提交第三者进行裁决的意思表示。
买卖违约:卖方不交付货物或单据或交付延迟;交货不符合合同规定以及第三者对交付货物存在权利或权利主张.根本违反合同(根本违约):指一方当事人违反合同的结果,使另一方蒙受损害,实际上剥夺了他根据合同规定有权期待得到的东西。
国际贸易术语妙记法国际贸易术语是国际贸易中的一种标志术语它是国际贸易实务操作中最不可缺少也最具特色的表示交易条件和价格构成的语句。
今天帮课只针对日常工作中碰到最多的问题来和大家探讨如何区分和记忆我们最常见的术语。
大家都知道,贸易术语表示的是交易规则和价格构成,一共13种分成了四组,分别为E,F,C,D而其中我们用得最多的莫过于F组和C组的术语。
对于术语的解释我就不重申了~那么根据这两组术语的特点我们不妨挑出重点来归纳一下,这样就能记住他们的特点和区别,也能帮助我们更好的来记忆构成的要素。
我所说的常用术语是以下六种,看看大家经常看到的是不是这六种:FOB 、 FCA 、 CIF 、 CFR 、 CPT 、 CIP如何巧妙的记忆呢?既然我们知道贸易术语表示的是交易条件和价格构成,我们可以简单回想一下,我们通常考虑的交易条件是什么?通常情况下价格构成不出这几项,成本卖价,运费和保险,很直观,成本卖价实际上就是 FOB ,保险是Insurance, 运费是Freight, 那么如果把成本用Cost代替,那么我们很容易就拼出 CIF 了。
按照上面的理解,如果我们以卖方义务的递增为序,那么 FOB 和 CIF 的区别就是:FOB卖方负责成本部分的义务和风险,(其中包括内陆运费)CIF就等于说是FOB+I+F了。
同样的道理, CFR 实际上是在生本的基础上增加了运费,也就是说是FOB+F,那么我们的排序就可以写成:FOB、 CFR 、CIF 。
它们的关系就是卖方义务递增。
然后,常用术语种的另三项 FCA , CPT 和 CIP 都有一个特点,那就是“货交承运人”仔细看一下, FCA 叫做货交承运人, CPT 叫做运费付至,而 CIP 叫做运费保险费付至~~那这样一看,这三个术语实际上也遵循卖方义务递增的原则!排一下也就成了:FCA、CPT 、CIP。
最后,我们看看前三个和后三个的关系,很明显。
FCA也就是基于FOB的货交承运人术语~~CPT是基于CFR的货交承运人术语,而CIP是基于CIF的或交承运人术语。
记忆11种贸易术语的方法如何记住比较好贸易术语作为一个需要遵循国际惯例的贸易使用专门用语对于一个非国际贸易专业的学生来说是最难掌握的,你是否在为记忆贸易术语而感到烦恼呢?不要着急,下面店铺给大家分享一些关于记忆贸易术语的方法,希望你会喜欢。
记忆11种贸易术语的方法E组(发货)--------------------------------------------------------------------------------EXW 工厂交货(……指定地点)F组(主要运费未付)--------------------------------------------------------------------------------FCA 货交承运人(……指定地点)FAS 船边交货(……指定装运港)FOB 船上交货(……指定装运港)C组(主要运费已付)--------------------------------------------------------------------------------CFR 成本加运费(……指定目的港)CIF 成本、保险费加运费付至(……指定目的港) CPT 运费付至(……指定目的港)CIP 运费、保险费付至(……指定目的地)D组(到达)--------------------------------------------------------------------------------DAF 边境交货(……指定地点)DES 目的港船上交货(……指定目的港)DEQ 目的港码头交货(……指定目的港)DDU 未完税交货(……指定目的地)DDP 完税后交货(……指定目的地)与Incoterms 1990相同,在Incoterms 2000中,所有术语下当事人各自的义务均用10个项目列出,卖方在每一项目中的地位“对应”了买方在同一项目中相应的地位。
国际贸易术语怎么记一、E组E组贸易术语也就是所谓的E打头的贸易术语只有一个,就是EXW,意思就是工厂交货,也就是说,卖方与买方那个的交货地在卖方的工厂中,意思就是当卖方将货物运出卖方所在地工厂的仓库之后,卖方的义务责任和费用也就没有了,其余的所有工作全是买方所需要承担的。
二、F组F组的贸易术语有三个,即FCA、FOB、FAS三种。
FCA是指货交承运人,也就是指卖方需要承担的风险责任和费用,在规定的时间以及制定的地点之内将货物交给买方指定的承运人进行监管之前。
也就是指当买方承运人接到货物并开始监管之后,卖方将不再承担任何责任义务与费用。
FAS是指船边交货,也就是说卖方将货物运送到合同指定的装运港的船边,或是驳船内交货。
如果货物需要在装船之前办理海关手续的时候,卖方需要办理货物一切的手续。
当货物到达船边或驳船内之后,卖方将不再承担任何风险义务以及责任。
FOB的意思是装运港船上交货,也就是意味着卖方将货物送到货船上,货物一旦越过船舷,之后的一切风险及费用都会由买方承担。
当然,在这一项贸易术语之中,租船订舱与办理保险也都是有买方来负责的。
三、C组C组贸易术语包括CFR、CIF、CPT、CIP这四种。
CFR是指指定目的港成本加运费,也就是指卖方必须在合同规定的时间内,将货物有装运港运至目的港的船上,并负责承担货物越过船舷以前的一切费用和风险,同时卖方需要负责组创订舱并承担运费,但不需要负责保险。
CIF指定目的港成本保险加运费。
这一项贸易术语的风险及责任与CRF完全一样,唯一的不同之处就是CIF需要卖方办理并支付保险事项的费用,而CFR是买方支付。
CPT是指指定目的地运费付至,也就是指卖方将货物从装货港送至指定目的港处承运人手中之后,所有的风险责任和费用就转嫁给买方。
也就是说,货物从装运港出发直至货物交付给承运人之后,这期间需要卖方负责承担货物的风险和费用,但是不需要办理保险。
CIP是指之地目的港运费保险费付至。
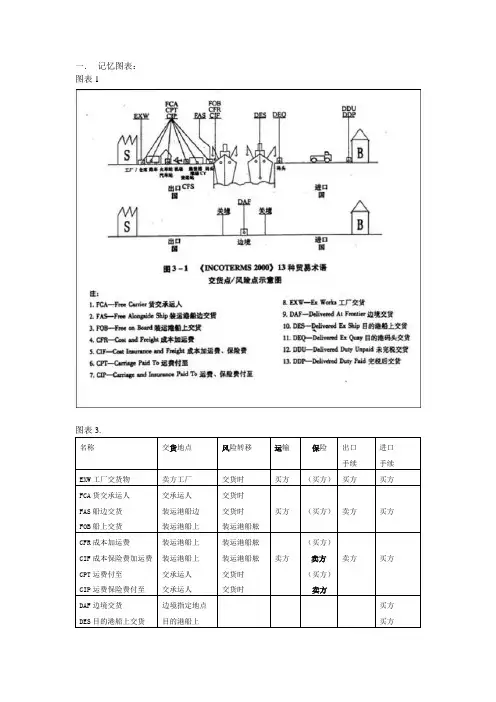
一.记忆图表:图表1图表3.名称交货地点风险转移运输保险出口手续进口手续EXW工厂交货物卖方工厂交货时买方(买方)买方买方FCA货交承运人FAS船边交货FOB船上交货交承运人装运港船边装运港船上交货时交货时装运港船舷买方(买方)卖方买方CFR成本加运费CIF成本保险费加运费CPT运费付至CIP运费保险费付至装运港船上装运港船上交承运人交承运人装运港船舷装运港船舷交货时交货时卖方(买方)卖方(买方)卖方卖方买方DAF边境交货DES目的港船上交货边境指定地点目的港船上买方买方记忆的有趣方法。
“国际贸易术语”是国际贸易中的一种标志术语~~它是国际贸易实务操作中最不可缺少也最具特色的表示交易条件和价格构成的语句~~~今天我只针对日常工作中碰到最多的问题,来和大家探讨如何区分和记忆我们最常见的术语~~大家都知道,贸易术语表示的是交易规则和价格构成,一共13种分成了四组~~分别为E,F,C,D而其中我们用得最多的莫过于F组和C组的术语~~对于术语的解释我就不重申了~那么根据这两组术语的特点我们不妨挑出重点来归纳一下,这样就能记住他们的特点和区别~~~也能帮助我们更好的来记忆构成的要素~~我所说的常用术语是以下六种,看看大家经常看到的是不是这六种:FOB, FCA, CIF, CFR, CPT, CIP如何巧妙的记忆呢?既然我们知道贸易术语表示的是交易条件和价格构成,我们可以简单回想一下,我们通常考虑的交易条件是什么?通常情况下价格构成不出这几项,成本卖价,运费和保险很直观,成本卖价实际上就是FOB,保险是Insurance, 运费是Freight, 那么如果把成本用Cost代替,那么我们很容易就拼出CIF了。
按照上面的理解,如果我们以卖方义务的递增为序,那么FOB和CIF的区别就是:FOB卖方负责成本部分的义务和风险,(其中包括内陆运费)CIF就等于说是FOB+I+F了。
同样的道理~~CFR实际上是在生本的基础上增加了运费,也就是说是FOB+F那么我们的排序就可以写成:FOB CFR CIF它们的关系就是卖方义务递增。
《国际经济法》国际贸易术语在当今全球化的经济环境中,国际贸易扮演着至关重要的角色。
而国际贸易术语,作为国际经济法中的重要组成部分,对于规范和促进国际贸易的顺利进行具有不可忽视的作用。
国际贸易术语,简单来说,就是用简短的词语来描述在国际贸易中买卖双方在货物交付、风险转移、费用承担等方面的责任和义务。
这些术语为国际贸易提供了一种通用的语言,减少了由于各国法律、惯例和文化差异所带来的误解和纠纷。
常见的国际贸易术语有很多,比如 FOB(Free on Board),也就是装运港船上交货。
在 FOB 术语下,卖方的责任是在指定的装运港将货物装上买方指定的船只,并及时通知买方。
货物在装上船之前的一切费用和风险由卖方承担,而装上船之后的费用和风险则由买方承担。
再比如 CIF(Cost, Insurance and Freight),成本、保险费加运费。
卖方不仅要负责将货物运输到指定的目的港,还要承担运输过程中的运费和保险费。
风险的划分是以货物在装运港越过船舷为界,在此之前由卖方承担,之后由买方承担。
还有 CFR(Cost and Freight),成本加运费。
与 CIF 不同的是,卖方不需要办理保险,而由买方自行办理。
其他方面与 CIF 类似。
国际贸易术语的选择对于买卖双方来说都非常重要。
首先,它直接影响到价格的构成。
不同的术语意味着卖方和买方承担的费用不同,从而会反映在货物的价格上。
比如,在 CIF 术语下,由于卖方要承担运费和保险费,所以货物的价格相对会高一些;而在 FOB 术语下,买方需要自己安排运输和保险,货物价格可能就会相对低一些。
其次,国际贸易术语影响着风险的划分。
在国际贸易中,风险是不可避免的。
明确在什么时间、什么地点风险从卖方转移到买方,对于双方来说都至关重要。
如果选择不当,可能会导致一方在不必要的时候承担过多的风险,从而造成经济损失。
再者,术语的选择还会影响到运输方式和运输合同的签订。
有些术语更适用于海运,而有些则适用于其他运输方式。
国际经济法笔记整理一、术语重点看FOB、CFR、CIF、DAT、DAP二、公约1、预期违约:又称先期违约,是指在合同订立后,履约期到来前,已有根据显示一方当事人显然将不履行其大部分重要义务.2、根本违约: 指一方当事人违反合同的结果,使另一方当事人蒙受损害,以至于实际上剥夺了他根据合同有权期待得到的东西.3、公约的适用:(1)主体范围(营业地标准):①国籍不需要考虑②营业地时明确的,即营业地位于不同国家的事实应被知晓③当事人,合同的民事或商事性质不予考虑(针对民商分立国家)(2)客体范围(不适用于):①仅供私人,家人或家庭使用的货物的销售②经由拍卖的销售③根据法律执行令状或其他执行令状的销售④公债,股票,投资证券,流通票据或货币的销售⑤船舶,船只,气垫船或飞机的销售⑥电力的销售⑦供应货物一方的绝大部分义务在于供应劳力或其他服务的合同(3)公约适用法律关系的范围:第一,不涉及合同的效力,或其他任何条款的效力或惯例的效力第二,不涉及国际货物买卖合同所引起的有关货物所有权的问题第三,不涉及货物对人生造成伤亡或损害的产品责任问题第四,不涉及第三方的权利(4)公约的适用根据:①缔约国当事人之间的适用(双方当事人可以通过合意排除公约的适用,也可以减损其效力)②非缔约国当事人的适用(一方或双方不是缔约国;可以通过意思自治,选择适用公约,但选择必须是明示的;国际私法规则导致适用某一缔约国法律)(5)中国的保留国际私法规则导致适用公约的保留关于国际货物买卖合同书面形式的保留4、公约关于交货地点的规定:(1)有约定的从约定;(2)无约定的A 涉及运输时,货交第一承运人B 特定地点交货第一,合同不涉及运输第二,合同标的物为:特定物:具有单独特征不能用其他东西替代的,只能在特定所在地完成交货特定化货物:该货物存放地或所在地尚待生产或制造的货物:货物加工地或制造地第三,双方当事人在订立货物买卖合同时已经知道货物的存放地,加工地或制造地C 其他情况下,在订立合同时的卖方营业地交货经营地的确定:●如果当事人有一个以上营业地,则以与合同及合同的履行关系最密切的营业地为其营业地,但要考虑双方当事人在订立合同前任何时候或订立合同时所知道或所设想的情况。
十一种国际贸易术语背诵口诀一、EXW,货物交地点出卖方把货物放置于指定地点买方自行负责运输和承担风险二、FCA,货物交运输工具边出卖方将货物交付给指定运输工具旁边买方负责安排运输和承担风险三、CPT,货物运费付至出卖方负责将货物交付给指定目的地买方负责安排进一步的运输和承担风险四、CIP,货物保险付至出卖方负责将货物交付给指定目的地买方负责安排进一步的运输和承担风险与保险费用五、DAT,货物交交货地出卖方负责将货物交付给指定目的地买方负责安排卸货和承担风险六、DAP,货物交到指定地点出卖方负责将货物交付给指定地点买方负责安排卸货和承担风险七、DDP,货物交清关目的地出卖方负责将货物交付给指定目的地买方负责安排清关和承担风险八、FAS,船边交货出卖方负责将货物交付至指定港口买方负责安排运输和承担风险九、FOB,船上交货出卖方负责将货物交付至指定港口买方负责安排运输和承担风险十、CFR,货物运费付至出卖方负责将货物交付至指定港口买方负责安排进一步的运输和承担风险十一、CIF,货物保险付至出卖方负责将货物交付至指定港口买方负责安排进一步的运输和承担风险与保险费用国际贸易中,这十一种国际贸易术语是非常重要的。
它们明确了卖方和买方在交易过程中的责任和义务,帮助双方确保交易顺利进行。
EXW(Ex Works)指的是卖方将货物放置于指定地点,买方需要自行负责运输和承担风险。
这种术语对于买方来说,风险较大,因为他们需要自行安排运输并承担运输中的风险。
FCA(Free Carrier)是指卖方将货物交付给指定运输工具旁边,买方负责安排运输和承担风险。
这种术语下,卖方需要将货物交付到指定运输工具旁边,买方需要负责进一步的运输。
CPT(Carriage Paid To)是指卖方负责将货物交付给指定目的地,买方负责安排进一步的运输和承担风险。
这意味着卖方需要将货物交付到指定目的地,买方需要负责将货物从目的地运输到最终目的地。
法考贸易术语1. 嘿,你知道法考里的贸易术语吗?就像FOB,这可是个超级重要的东西呢!它就好比是买卖双方在货物运输这个大舞台上的“剧本台词”。
比如说我要从国外进口一批漂亮的手工艺品,和卖家约定了FOB条款。
这就意味着,货物在越过船舷之前,所有的风险和费用都是卖家承担的。
哇塞,要是卖家没按照规定来,那可就麻烦大咯!2. 法考中的CFR贸易术语你可不能小瞧它。
这就像是一场接力赛,卖方把货物运到装运港船上,就完成了他这一棒的任务,然后把接力棒(装船通知)传给买方。
我朋友就遇到过这样的事,他做进口生意,CFR条款下,卖方没及时给他装船通知,结果货物到港了他都不知道,急得像热锅上的蚂蚁。
你说气人不?4. FCA这个贸易术语啊,简直是现代物流的好伙伴。
它不像以前那样死板地规定某个地点交货,只要把货物交给承运人就算完成交货义务啦。
就像你寄快递,把东西交给快递员那一刻,就跟你没关系了。
我邻居做电商的,FCA条款下发货,轻松又便捷,他可高兴了,直夸这个贸易术语灵活呢。
5. 你听说过CPT贸易术语不?这就像一个贴心的导航仪。
卖方要把货物交给承运人,还要支付运费把货物送到指定目的地。
就好像你请了个司机,不但要让他开车出发,还得负责把车开到你指定的地方。
我在法考资料里看到一个故事,有个企业用CPT条款,结果卖方没把货物送到正确的目的地,那买方肯定不干啦,这不是坑人嘛!6. CIP贸易术语呢,就像是一个全方位服务的管家。
卖方除了把货物交给承运人、付运费,还要买保险送到指定目的地。
这感觉就像是你出门旅行,找了个旅行社,啥都给你安排得妥妥当当的,连意外情况都考虑到了。
我有个同学做外贸的,CIP 条款下出口,遇到货物损坏,还好有保险,顺利解决了问题,他松了一大口气呢。
7. DAP贸易术语,这可是个很实际的家伙。
它不管运输工具是什么,只要卖方在指定目的地把货物交给买方处置就行。
这就好比你在网上买东西,卖家说会把东西送到你家门口,那就是真的要送到你能拿到的地方。
贸易术语记忆顺口溜
E组贸易术语顺口溜:
E组独子就一个;EXW工厂来交货;卖方义务是最小;定价只能最最小;买方义务则最大;运输保险全包办;出口手续也归他;
F组贸易术语顺口溜:
F组兄弟有三个;fob、fca、fas;FOB报价只成本;装运港船上交货;出口手续卖方办;买方义务比较大;运输保险都归他;FOB、FCA是孪生;两个相似又不似;FCA义务同FOB;FOB只能水中游;FCA上天又入地;FOB风险在船舷;FCA货交承运人;FAS基本义务也没变;风险略移到船边;
C组贸易术语顺口溜:
C组姊妹有四个;cfr成本加运费;卖方需要办运输;cif成本、运费、保险费;卖方义务比较大;运输保险都归他;CFR、cpt是一对;长相同个性不同;买卖双方义务同;CFR只能水中游;CPT可跑海陆空;CIF、cip是一对;买卖双方义务同;ciF只能水中游;CIP可跑海陆空;D组贸易术语顺口溜:
D组共有5兄弟;货物全交进口国;D/AF适用交界国;边境交货要记住;des才是到岸价;目的港船上交货;ddu未完税交货;交货地点再延伸;货要送到买方家;ddp是完税交货;卖方义务最最大;办完运输办保险;进口手续也要管;买方坐着等收货;。
第一部分国际贸易法——买卖、运输、保险、支付一、国际货物买卖规则(一)★★★★★《2010年国际贸易术语解释通则》(简称“通则2010”)1.主要内容的分析和记忆——归类比较记忆(清关手续、风险、交货义务的地点、运输、保险)(口诀:清风货运保)Ex works(工厂) carrier(承运人) alongside (旁边)ship (船)free(自由的) board (甲板) freight(运费) cost(成本) insurance(保险) Carriage(运费) Place(目的地)At Terminal(终点站) Delivered(交货) Duty(关税) Paid(已经支付完毕)续表主要归纳:EXW/DDP FOB/CFR/CIF DAP/DAT CIF/CIP(1)清关手续(原则上卖出买进,只有两个例外,EXW,DDP)(2)风险在装运港装上船时转移的术语:FOB/CFR/CIF(3)卖方不负责运输的术语——E组、F组;后面跟的地点是装运地。
卖方负责运输的术语——C组、D组。
后面跟的地点是目的地。
例如:术语后面的地点FOB(青岛)CIF(青岛)(4)只适合于海运的术语:FOB/CFR/CIF/FAS(5)卖方有义务投保的术语:CIF/CIP★★★对2000年贸易术语的主要修改:(1)新的分组方式:第一组:适用于任何运输方式的术语七种:EXW、FCA、CPT、CIP、DAT、DAP、DDP。
第二组:适用于水上运输方式的术语四种:FAS、FOB、CFR、CIF。
(2)适用范围:国际贸易——国内贸易;(3)规定买卖双方在选择使用《2010年国际贸易术语解释通则》任何术语时都需要将“Incoterms2010”或“国际贸易术语解释通则2010”作为后缀或者术语选择的必要构成要件在合同中说明;(4)对“以船舷为界”的调整;(5)赋予电子讯息与纸质信息同等的效力。
【判断】根据《贸易术语解释通则2010》,和其他术语相比,EXW术语之下,卖方义务最小,买方义务最大。
页面功能《国际贸易术语解释通则》中的13个术语是考试中的重点内容这一,也是复习的难点之一,其内容复杂,记忆量大,很有些使人头痛。
实际上,只要方法得当,要记住它们并不很困难,因为这些术语的排列极具规律性。
如能通过列表的方式对各个术语适用的运输方式、出口清关、进口清关手续由哪一方负责办理,运输合同、保险合同由哪一方订立,交货地点、风险转移时间进行归纳,总结,收获必定不小。
注意:1.E组、F组的运输合同的订立由买方负责,C组、D组的运输合同的订立由卖方负责。
2.EFC三组述语中除名称中含I(即INSURANCE)的CIF、CIP之外,均为买方办理保险合同。
D组术语和CIF、CIP由卖方办理保险合同。
3.在FCA术语下,如在卖方所在地交货,卖方应负责装货;如在其他地点交货,卖方可以在自己的运输工具上完成交货,而不负责将货物从自己的运输工具上卸下。
4.在FOB术语下,术语后标出的是装货港的名称,在CIF术语下,术语后标出的是卸货港的名称。
5.在CFR术语下,装船是卖方而投保却是买方,因此,卖方在装船后应给买方以充分的通知。
否则,因此而造成买方漏保引起的货物损失应由卖方承担。
6.在CPT术语下,卖方须向承运人交货,在有接运承运人的情况下,须向第一承运人交货。
7.有了上面这张表,相信记忆会相对容易。
此外,要注意结合各个术语的英文名称来记,如看见FCA就应想到Free Carrier,这样该术语的内容就很容易联想起来;再如术语中含I,就应联想到Lnsurance,以此可知该术语的卖方义务中包含了办理保险合同。
总之,要善于找出规律,并利用规律来进行记忆,这样记忆既容易记住,又不容易忘。
试题解析1.我山东渤海公司与日本东洋株式会社在万国博览会上签订了一份由日方向中方提供BX2-Q船用设备的买卖合同。
其中价格条款为USD832000/DES.运输途中由于不可抗力导致船舶起火,虽经及时抢救,仍有部分设备烧坏。
之后双方就设备损失赔偿发生争议并申请仲裁。
你认为应由谁来承担烧坏设备的损失?[1998年单选题]A.东洋株式会社B.山东渤海公司C.船公司D.保险公司答案为:A本题考DES贸易术语的风险转移界线。
DES术语的名称是“目的港船上交货”。
一般情况下,卖方只有将货物交付给买方时,货物灭失或损坏的风险才转移至买方。
而交货是指卖方在目的港通常的卸货地点将船上货物置于买方支配之下。
本题中,货物显然还未交付,货物因不可抗力烧坏的损失自然应由卖方承担。
2.2000年《国际贸易术语解释通则》有关FCA贸易术语下交货与装货义务的规定包括下列哪些内容?[2002年多选题]A.当卖方在其所在地交货时,应由买方负责装货B.当卖方在其所在地交货时,应由卖方负责装货C.当卖方在其他地点交货时,则当货物在卖方的运输工具上尚未卸货即完成交货D.当卖方在其他地点交货时,则卖方应负责将货物运至交货地点并卸下才完成交货答案为:B C依2000年《通则》的规定,在FCA贸易术语中,当卖方在其所在地交货时,则应由卖方负责装货,当货物装上买方指定的承运人或代表买方的其他人提供的运输工具时,完成交货。
当在其他地点交货时,则当货物在卖方的运输工具上,尚未卸货而交给买方指定的承运人或其他人或由卖方选定的承运人处置时,卖方完成交货。
即卖方可以在自己的运输工具上完成向对方的交货。
3.根据《1990年国际贸易术语解释通则》的解释,在DAF(边境交货)术语中,下列哪些地点可以是卖方交货地点?[1997年多选题]A.出口国边境B.进口国边境C.双方约定的任何边境地点D.第三国边境答案为:ABCD本题考DAF术语中“边境”所指,它可以指任何边境。
4.根据《1990年国际贸易术语解释通则》的规定,某一贸易术语卖方应承担下列责任、风险和费用:①提供符合合同规定的货物、单证或相等的电子单证;②自负费用及风险办理出口许可证及其他货物出口手续,交纳出口捐、税、费;③依约定的时间、地点,依港口惯例将货物装上买方指定的船舶并给予买方以充分的通知;④承担在装运港货物越过船舷以前的风险和费用。
该术语应为下列哪项国际贸易术语?[1999年单选题]A.FOBB.CIFC.CFRD.DDU答案为:A B 本题考点国际贸易术语的含义。
5.根据《国际贸易术语解释通则2000》的规定,下列哪一种贸易需由卖方办理进口手续?[2002年单选题]A.FASB.DEQC.DDPD.DDU答案为:CDDP为完税后交货,其特点是卖方须承担把货物交至目的地国所需的全部费用和风险。
卖方是在目的地,如边境、港口、进口国内地履行交货义务,因此称为到货合同。
卖方不但要办理出口手续,还要办理进口手续。
6.下列哪一种价格术语规定由应由买方履行办理出口清关手续的义务?A、FOBB、CIFC、CFRD、EXW答案为:D在四种国际贸易术语中只有EXW是由买方办理出口清关手续。
7.中国某公司以CIF价向德国某公司出口一批农副产品,向中国人民保险公司投保了一切险,并规定以信用证方式支付。
中国公司在装船并取得提单后,办理了议付。
第二天,中国公司接到德国公司来电,称装货的海轮在海上失火,该批农副产品全部烧毁,要求中国公司向中国人民保险公司提出索赔,否则要求中国公司退还全部货款。
下列选项哪项是正确的?[2000年单选题]A、中国公司应向保险公司提出索赔B、德国公司应向中国公司提出索赔C、德国公司应向公司提出索赔D、德国公司应向保险公司提出索赔答案为:D在CIF条件下,卖方根据合同约定自行负担费用取得货物保险,使买方或任何其他对货物拥有保险利益的人有权直接向保险人索赔,并向买方提供保险单或其他保险凭证。
换言之,CIF条件下,货物的所有权自货物越过船弦时,已转移给买方。
买方应直接向保险人索赔。
本题中作为买方的德国公司应直接向保险公司提出索赔。
8.下列国际贸易术语中,哪几项需要卖方办理货物的进口结关手续?[1997年多选题]A.DESB.DEQ(关税已付)C.DDUD.DDP答案为:B D本题考由卖方办理货物进口结关手续的贸易术语名称。
DEQ 为目的港码头交货,DDP为完税后交货。
只有这二项贸易术语符合题目要求。
9.根据《1990年国际贸易术语解释通则》,贸易术语适用于哪类合同?[1997年单选题]A.买卖合同B.运输合同C.保险合同D.租船合同答案为:A本题考贸易术语适用合同的类型。
贸易即买卖。
10.根据《1990年国际贸易术语解释通则》哪些国际贸易术语规定货物的风险自装运港货物越过船舷时从卖方转移给买方?[1998年单选题]A.FOB(纽约)B.FOB Vessel(天津)C.FCA(纽约)D.FAS(天津)答案为:A本题考风险自装运港货物越过船弦时转移的国际贸易术语。
根据《1990年国际贸易术语解释通则》,符合题意的有三种贸易术语,即CIF、FOB、CFR,因此选A是正确的。
C项与D项之风险转移均非以船弦为界,FCA术语因其运输方式多样而风险转移情况也多样,FAS术语的风险转移在装运船船边,因此C与D不可选。
B项的FOB Vessel与《1990年国际贸易术语通则》的FOB含义类似,亦是以船弦为界转移风险,但FOB Vessel是美国1941年修订的《对外贸易定义》所规定的一种术语,而非来自《1990年通则》,因此亦不符题意。
国际经济法-国际贸易术语比较图表[作者:htsifa来源:华图教育网点击数:587 更新时间:2007-5-18【字体:】【注意】1.E组、F组的运输合同的订立由买方负责,C组、D组的运输合同的订立由卖方负责。
2.EFC三组述语中除名称中含I(即INSURANCE)的CIF、CIP之外,均为卖方办理保险合同。
D组术语和CIF、CIP由卖方办理保险合同的续。
3.在FCA术语下,如在卖方所在地交货,卖方应负责装货;如在其他地点交货,卖方可以在自己的运输工具上完成交货,而不负责将货物从自己的运输工具上卸下。
4.在FOB术语下,术语后标出的是装货港的名称,在CIF术语下,术语后标出的是卸货港的名称。
5.在CFR术语下,装船是卖方而投保却是买方,因此,卖方在装船后应给买方以充分的通知。
否则,因此而造成买方漏保引起的货物损失应由卖方承担。
6.在CPT术语下,卖方须向承运人交货,在有接运承运人的情况下,须向第一承运人交货。
7.有了上面这张表,相信记忆会相对容易。
此外,要注意结合各个术语的英文名称来记,如看见FCA就应想到Free Carrier,这样该术语的内容就很容易联想起来;再如术语中含I,就应联想到Insurance,以此可知该术语的卖方义务中包含了办理保险合同。
第三章国际货物贸易法1、对于考过合同法和国际私法的考友们来说,相对容易一点。
如:国际货物买卖合同这一节与合同法的相关知识点的内容意涵接近;国际货物买卖公约这一节与国际私法的相关知识点的内容意涵接近,所以比较好理解,仔仔细细看书熟练理解,并举一反三然后做些题以至达到能灵活应用。
2、国际货物买卖惯例里的几种贸易术语也是重点掌握。
可以通过做些题与看些关于贸易术语的案例分析题以便达到更快的掌握程度。
贸易术语以表格方式整理,方便记忆。
组号术语内容 E组 EXW工厂交货价 F组 FCA 货交承运人价货交买方指定人,具体4点内容。
若合同指定交货地点为卖方所在地,货物装上买方装货车时为完成交货。
在其他情况下,当货物在卖方车辆上尚末卸货而交给买方处置时,即完成交货。
运于各种运输方式,包括多式联运。
FAS 装运港船边交货价卖方办理出口清关手续FOB 装运港船上交货价(离岸价格)风险:货物在装运港越过船舷后风险由买方承担。
卖方给予买方充分通知等。
适用海运和内河运输C组CFR 成本加运费价卖方:运费付至目的港。
风险:货物在装运港越过船舷后风险由买方承担。
卖方给予买方充分通知等。
注:术语中I标语的都包含保险费。
CIF 成本、保险加运费(到岸价格)卖方:海运保险和运费至目的港(最低保险额应包括合同规定价格另加10%,并采和合同货币)。
风险:货物在装运港越过船舷后风险由买方承担。
适用海运和内河运输 CPT 运费付至价 CIP 运费、保险费付至价 D组 DAF 边境交货价注:除DDP,卖方在目的港交货时无须办理进口手续。
DES 目地港船上交货价DEQ 目地港码头交货价买方办理进口清关 DDU 未完锐交货价 DDP 完税后交货价3、国际货物买卖支付、法律管制等等通过看书达到理解并结合做题达到掌握。
4、总之这章节为重点,会以选择题、简答题、论述题也会以案例分析题的方式考。
国际经济法中的13种贸易术语概析(与大家共同学习,请加QQ123060772)13种贸易术语在短时间内搞清并记住这13种贸易术语的每一项规定既不现实也无必要,比较简洁的方法是记住下列共性和个性的东西。