全国第二次湿地资源调查表格
- 格式:doc
- 大小:636.00 KB
- 文档页数:24
表1-1 2012年流域分区年降水量
表2-1 安徽湿地概况表(面积单位:公顷)
表2-3 安徽各流域所涉市县(市、区)分布表
表5-6 第一次湿地资源调查结果表(2000年)
表5-7 第二次湿地资源调查结果表(2010年)
本次湿地资源调查湿地斑块13156个。
其中一般调查湿地斑块数12059
个,面积55.62万公顷;重点调查湿地为37个,斑块数1097个,面积48.56万公顷。
表6-2 安徽省湿地类型自然保护区基本情况表
单位:公顷
2.3湿地公园
截至2013年底,安徽已建湿地公园试点单位15处,总面积53106.7公顷,占省天然湿地总面积的7.4%。
其中,国家级12处,面积51201.1公顷;省级2处,面积746.2公顷;市1处,面积889.4公顷。
表6-3 安徽省湿地公园基本情况一览表
单位:公顷
附录一安徽省各湿地区湿地概况表(单位:公顷)
附录二安徽省各市县(市、区)湿地资源概况表
单位:公顷、个
安庆市
枞阳县
13
14
15
16
17。
附录A
(规范性附录)
第二次全国土地调查土地分类表A1 土地利用现状分类
续表A1 土地利用现状分类
续表A1 土地利用现状分类
续表A1 土地利用现状分类
表A2 城镇村及工矿用地
附录B
(规范性附录)
土地利用现状分类与已有土地分类对应转换关系表B1 土地利用现状分类与三大类对照表
续表B1 土地利用现状分类与三大类对照表
表B2 土地利用现状分类与全国土地分类(过渡期间适用)对应关系表
续表B2 土地利用现状分类与全国土地分类(过渡期间适用)对应关系表
表B3 土地利用现状分类与全国土地分类(试行)对应关系表
续表B3 土地利用现状分类与全国土地分类(试行)对应关系表。
(2014年1月13日)国家林业局一、基本情况为满足我国湿地保护管理需要,更好地履行《湿地公约》,2003年我国完成了首次全国湿地资源调查,初步掌握了单块面积100公顷以上湿地的基本情况。
十年来,随着经济社会发展,我国湿地生态状况发生了显著变化,为准确掌握湿地资源及其生态变化情况,制订加强湿地保护管理政策,编制重大生态修复规划,国家林业局于2009-2013年组织完成了第二次全国湿地资源调查。
按照《湿地公约》,第二次调查确定起调面积为8公顷(含8公顷)以上的近海与海岸湿地、湖泊湿地、沼泽湿地、人工湿地以及宽度10米以上、长度5公里以上的河流湿地,开展了湿地类型、面积、分布、植被和保护状况调查,对国际重要湿地、国家重要湿地、自然保护区、自然保护小区和湿地公园内的湿地,以及其他特有、分布有濒危物种和红树林等具有特殊保护价值的湿地开展了重点调查,主要包括生物多样性、生态状况、利用和受威胁状况等。
参与本次调查的省级及以上单位203个、技术人员万人,调查采用3S技术(即遥感技术RS、地理信息系统GIS和全球定位系统GPS的简称)与现地核查相结合的方法。
全国共区划湿地斑块万块,区划湿地区3391个,重点调查湿地1579处,布设植物调查样方72227个,动物调查样带和样方14044个,获取调查成果数据亿条。
二、调查结果调查主要成果:一是掌握了调查范围内符合公约标准的各类湿地面积、分布和保护状况,建立了遥感影像和基础数据库。
二是掌握了国际重要湿地、国家重要湿地、自然保护区、湿地公园和其他重要湿地的生态、野生动植物、保护与利用、社会经济及受威胁状况等。
三是掌握了近十年来100公顷以上湿地面积、保护状况和受威胁状况的动态变化情况。
四是建立了稳定的湿地资源调查专业队伍和专家团队。
五是形成了完善的湿地资源调查监测系列技术规范。
全国湿地总面积万公顷(另有水稻田面积万公顷未计入),湿地率%。
其中,调查范围内湿地面积5342.06万公顷,收集的香港、澳门和台湾湿地面积万公顷[1]。
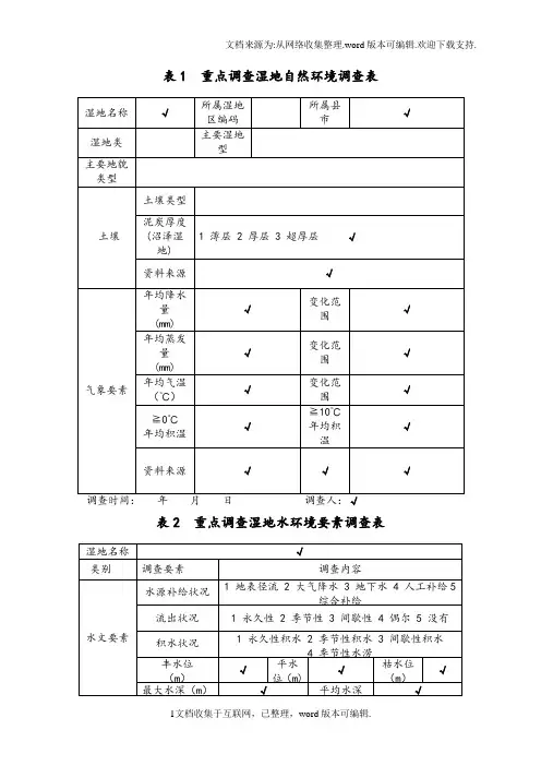
表1 重点调查湿地自然环境调查表表2 重点调查湿地水环境要素调查表表3 重点调查湿地植被利用和破坏情况调查调查日期:年月调查人:注:1、生态功能、经济价值、社会价值、科研价值填写好、中、差。
2、人为破坏情况、工业污染情况填写轻微、中等、严重。
表4 重点调查湿地保护和管理状况调查表调查日期:年月调查人:√注:1、土地所有权:国有、集体。
2、湿地保护措施:保护区、湿地公园、未保护。
3、保护区保护级别:国家、省、市、县。
4、湿地公园级别:国家、国家城市、地方。
5、主管部门:分林业、海洋、农业、环保等。
表5 重点调查湿地功能和利用现状调查表调查日期:年月日调查人:注:1.空白栏目中可填入表中未列入的种类。
2.“其它”栏填入未列出的其它湿地功能及相应描述。
3.各数据均以年为单位统计。
表6 重点调查湿地范围内的社会经济状况调查表注:1、人口密度合计值为湿地范围内总人口与总面积的比值;2、主要产业填位于前三位的主导产业。
表7 重点调查湿地受威胁现状调查表表8 重点调查湿地无脊椎动物调查日期:年月日调查人:√注:1、贝、虾、蟹类等分类填写。
2、保护等级:分国家Ⅰ级、国家Ⅱ级、省级。
3、数量状况:用“++++”、“+++”、“++”和“+”表示。
一、表1:重点调查湿地自然环境调查表1、沼泽湿地填写泥炭平均厚度,划分为3类:薄层:<50cm;厚层:50-200cm;超厚层:>200cm。
二、表2:重点调查湿地水环境要素调查表1、水位(m):地表水位包括年丰水位(每年6、7、8月份)、年平水位(每年(4、5月份和9、10月份)和年枯水位(每年11月至次年3月份),采用自记水位计或标尺测量,或从水文站和生态站获取。
注明资料出处和年份。
2、水深(湖泊、库塘,m):包括最大水深和平均水深,从水利等部门获取有关资料。
注明资料出处和年份。
3、蓄水量(湖泊、沼泽和库塘,万m3):从水利等部门获取有关资料。
注明资料出处和年份。
第二次全国土地调查土地分类表A1 土地利用分类
续表A1 土地利用分类
续表A1 土地利用分类
续表A1 土地利用分类
表A2 城镇村及工矿用地
附录B
(规范性附录)
第二次全国土地调查土地分类与已有土地分类对应转换关系
表B1《土地利用分类》与《中华人民共和国土地管理法》“三大类”对照表
续表B1《土地利用分类》与《中华人民共和国土地管理法》“三大类”对照表
表B3 《土地利用分类》与《全国土地分类》(试行)对应关系表
.\
续表B3 《土地利用分类》与《全国土地分类》(试行)对应关系表。
工业企业基本情况表号:G101-1表制定机关: 国务院第二次全国污染源普查领导小组办公室批准机关:国家统计局批准文号:国统制〔2018〕103号2017年有效期至: 2019年12月31日单位负责人:统计负责人(审核人): 填表人: 报出日期:20年月日说明:本表由辖区内有污染物产生的工业企业及产业活动单位填报。
工业企业主要产品、生产工艺基本情况单位负责人:统计负责人(审核人):填表人: 报出日期:20年月日说明:1。
本表由辖区内有污染物产生的工业企业及产业活动单位填报;2.尚未领取统一社会信用代码的填写原组织机构代码号;3。
对照行业及本企业生产情况,按附录填报与污染物产生、排放密切相关的产品与工艺;4.同种产品有多种生产工艺的,分行填报;5.如需填报的内容超过1页,可自行复印表格填报。
工业企业主要原辅材料使用、能源消耗基本情况单位负责人:统计负责人(审核人): 填表人: 报出日期:20年月日说明:1。
本表由辖区内有污染物产生的工业企业及产业活动单位填报;2.尚未领取统一社会信用代码的填写原组织机构代码号;3。
本厂中间产品作为本厂其他生产环节原辅材料的,不需要填报;4。
同时作为能源、原辅材料的,如原料煤,只填报主要能源消耗指标,不必填报主要原辅材料使用指标;5。
如需填报的内容超过1页,可自行复印表格填报.工业企业废水治理与排放情况表号:G102表制定机关: 国务院第二次全国污染源普查领导小组办公室统一社会信用代码:□□□□□□□□□□□□□□□□□□(□□) 批准机关:国家统计局组织机构代码:□□□□□□□□□(□□) 批准文号:国统制〔2018〕103号单位详细名称(盖章): 2017年有效期至:2019年12月31日续表说明:1.本表由辖区内有废水及废水污染物产生或排放的工业企业填报;2。
尚未领取统一社会信用代码的填写原组织机构代码号;3。
如需填报的治理设施套数或废水总排放口数量超过2个,可自行复印表格填报;4.废水排放去向为入外环境的,即废水排放去向选择A、B、F、G的,排放口地理坐标填写入外环境排放口位置的地理坐标,除此之外排放口地理坐标填写废水排出厂区位置的地理坐标,“秒”指标最多保留2位小数;5.指标13仅限行业类别代码为2511、2519、2521、2522、2523、2614、2619、2621、2631、2652、2653、2710的行业填报;加盖密闭情况包括1。
第二次全国湿地资源调查结果(2014年1月13日)国家林业局一、基本情况为满足我国湿地保护管理需要,更好地履行《湿地公约》,2003年我国完成了首次全国湿地资源调查,初步掌握了单块面积100公顷以上湿地的基本情况。
十年来,随着经济社会发展,我国湿地生态状况发生了显著变化,为准确掌握湿地资源及其生态变化情况,制订加强湿地保护管理政策,编制重大生态修复规划,国家林业局于2009-2013年组织完成了第二次全国湿地资源调查。
按照《湿地公约》,第二次调查确定起调面积为8公顷(含8公顷)以上的近海与海岸湿地、湖泊湿地、沼泽湿地、人工湿地以及宽度10米以上、长度5公里以上的河流湿地,开展了湿地类型、面积、分布、植被和保护状况调查,对国际重要湿地、国家重要湿地、自然保护区、自然保护小区和湿地公园内的湿地,以及其他特有、分布有濒危物种和红树林等具有特殊保护价值的湿地开展了重点调查,主要包括生物多样性、生态状况、利用和受威胁状况等。
参与本次调查的省级及以上单位203个、技术人员2.2万人,调查采用3S技术(即遥感技术RS、地理信息系统GIS和全球定位系统GPS的简称)与现地核查相结合的方法。
全国共区划湿地斑块27.62万块,区划湿地区3391个,重点调查湿地1579处,布设植物调查样方72227个,动物调查样带和样方14044个,获取调查成果数据2.6亿条。
二、调查结果调查主要成果:一是掌握了调查范围内符合公约标准的各类湿地面积、分布和保护状况,建立了遥感影像和基础数据库。
二是掌握了国际重要湿地、国家重要湿地、自然保护区、湿地公园和其他重要湿地的生态、野生动植物、保护与利用、社会经济及受威胁状况等。
三是掌握了近十年来100公顷以上湿地面积、保护状况和受威胁状况的动态变化情况。
四是建立了稳定的湿地资源调查专业队伍和专家团队。
五是形成了完善的湿地资源调查监测系列技术规范。
全国湿地总面积5360.26万公顷(另有水稻田面积3005.70万公顷未计入),湿地率5.58%。
第二次全国湿地资源调查结果(2014年1月13日)国家林业局一、基本情况为满足我国湿地保护管理需要,更好地履行《湿地公约》,2003年我国完成了首次全国湿地资源调查,初步掌握了单块面积100公顷以上湿地的基本情况。
十年来,随着经济社会发展,我国湿地生态状况发生了显著变化,为准确掌握湿地资源及其生态变化情况,制订加强湿地保护管理政策,编制重大生态修复规划,国家林业局于2009-2013年组织完成了第二次全国湿地资源调查。
按照《湿地公约》,第二次调查确定起调面积为8公顷(含8公顷)以上的近海与海岸湿地、湖泊湿地、沼泽湿地、人工湿地以及宽度10米以上、长度5公里以上的河流湿地,开展了湿地类型、面积、分布、植被和保护状况调查,对国际重要湿地、国家重要湿地、自然保护区、自然保护小区和湿地公园内的湿地,以及其他特有、分布有濒危物种和红树林等具有特殊保护价值的湿地开展了重点调查,主要包括生物多样性、生态状况、利用和受威胁状况等。
参与本次调查的省级及以上单位203个、技术人员2.2万人,调查采用3S技术(即遥感技术RS、地理信息系统GIS和全球定位系统GPS的简称)与现地核查相结合的方法。
全国共区划湿地斑块27.62万块,区划湿地区3391个,重点调查湿地1579处,布设植物调查样方72227个,动物调查样带和样方14044个,获取调查成果数据2.6亿条。
二、调查结果调查主要成果:一是掌握了调查范围内符合公约标准的各类湿地面积、分布和保护状况,建立了遥感影像和基础数据库。
二是掌握了国际重要湿地、国家重要湿地、自然保护区、湿地公园和其他重要湿地的生态、野生动植物、保护与利用、社会经济及受威胁状况等。
三是掌握了近十年来100公顷以上湿地面积、保护状况和受威胁状况的动态变化情况。
四是建立了稳定的湿地资源调查专业队伍和专家团队。
五是形成了完善的湿地资源调查监测系列技术规范。
全国湿地总面积5360.26万公顷(另有水稻田面积3005.70万公顷未计入),湿地率5.58%。
附件2第三次全国国土调查湿地数据比对核查技术规定1.范围本规定规定了第三次全国国土调查湿地(简称“三调”湿地)数据与第二次全国湿地调查(简称“湿地二调”)数据比对核查的目的、方法、原则、流程及质量控制等内容。
本规定适用于第三次全国国土调查中湿地调查成果的影像核实和“湿地二调”数据合理性分析。
2.依据●《第三次全国国土调查技术规程》(TD/T 1055-2019)●《全国湿地资源调查技术规程(试行)》(林湿发[2008]265号文件)●《湿地分类》(GB/T 24708-2009)●《基础性地理国情监测内容与指标》(CH/T 9029-2019)●《基础性地理国情监测数据技术规定》(GQJC01-2019)3.总则3.1目的利用遥感影像对“三调”湿地与“湿地二调”数据进行比对核查,评估“三调”湿地成果的真实性,分析“湿地二调”数据流向流量的合理性。
3.2方法按照“三调”湿地标准,以“湿地二调”数据、地理国情沼泽区、DEM为重要参考,依据多时相遥感影像对“三调”湿地数据进行核实。
3.3原则3.3.1同口径比对原则以“三调”湿地分类标准和成果为基准,参考“湿地二调”标准,通过影像比对核查“三调”湿地真实性和遗漏图斑;将“三调”湿地、水域及公园绿地中的水面、滩涂数据,与“湿地二调”数据进行流向流量分析。
3.3.2重点核查原则重点核实“湿地二调”范围内“三调”林地、草地、盐碱地、裸土地、沙地等非湿地图斑,查验是否存在遗漏现象;重点检查现有“三调”湿地图斑中具有明显耕作、建设、种植园等影像特征的错误部分。
3.3.3综合判断原则在“湿地二调”范围内,参考地理国情沼泽区、DEM等数据,对“三调”林地、草地、盐碱地、裸土地、沙地等图斑,逐图斑分析每个季度的水淹、积水和土壤水饱和情况,通过全年水淹、积水和土壤水饱和出现的频次进行综合判断。
4.流程4.1 资料整理与处理以“2000国家大地坐标系”、“1985国家高程基准”为基准,开展相关数据整合处理,形成空间基准统一的数据集。
上海市第二次湿地资源调查工作进度监督和考核办法上海市绿化和市容管理局(上海市林业局)2012年1月一、目的和依据为促进上海市第二次湿地资源调查各项工作顺利开展,使各项调查工作进度可控,受控,确保项目按时完成,为质量评定工作创造条件。
根据上海市第二次湿地资源调查启动暨技术培训会会议精神,制定本办法。
二、监督考核部门及职责上海市第二次湿地资源调查领导小组办公室(以下简称“领导小组办公室”)是湿地资源调查进度检查的职责部门,负责审定调查工作计划并检查实施情况,定期召开调查工作会议,编制工作简报,并进行工作进度考核评比。
上海市第二次湿地资源调查队(以下简称“市调查队”)和上海市第二次湿地资源各区调查队(以下简称“区调查队”)是调查计划和报告的职责部门,依照《上海市第二次湿地资源调查工作方案》的工作进度计划,对各专项调查进一步分解和细化,编制调查实施计划、月度计划和调查实施情况报告,上报领导小组办公室。
三、监督及执行市、区调查队要在每月25日上报各自的计划进度表(附表1、附表2)及照片(电子版),并配合领导小组办公室的检查工作。
领导小组办公室在检查调查工作进度计划时,重点检查进度计划和实施报告是否能满足总进度的要求,内外业调查顺序和时间分配是否合理。
要将收集到的计划和报告进度数据进行整理,按项目和(区县)分别统计,形成与总进度具有可比性和相同量纲的形象进度。
通过实际比较得出实际进度与计划进度相一致、超前和拖后三种情况。
每2个月检查调查实际进展情况,并与计划相比较,若出现偏差,要及时分析产生的原因及对总进度的影响程度,提出必要的调整措施,修改原计划。
确保目标进度实现。
四、考核建立考核激励制度,对于进度完成出色的专项调查队或区县给予表彰奖励。
对表现差,进度滞后的专项调查队或区县通过简报等形式通报批评。
进度评价滞后超2个月的,指派专家组成员给予现场督导和帮助。
五、附表:附表1:上海市第二次湿地资源调查一般调查计划进度与实际对比表区县:负责人:填写说明:1、各区(县)调查队根据实施方案进度安排和实际情况,如实填报本月计划和实际开展的一般湿地调查斑块实地修验数,并按照本月完成量/本月计划量得出本月完成占计划%。
附录 A (规范性附录)第二次全国土地调查土地分类
表A1土地利用现状分类
续表A1土地利用现状分类
续表A1土地利用现状分类
续表A1土地利用现状分类
表A2城镇村及工矿用地
附录B
(规范性附录)
土地利用现状分类与已有土地分类对应转换关系
表B1土地利用现状分类与三大类对照表
续表B1土地利用现状分类与三大类对照表
表B2土地利用现状分类与全国土地分类(过渡期间适用)对应关系表
续表B2土地利用现状分类与全国土地分类(过渡期间适用)对应关系表
表B3土地利用现状分类与全国土地分类(试行)对应关系表
续表B3土地利用现状分类与全国土地分类(试行)对应关系表。
全国第二次湿地资源调查表格
一般调查湿地斑块调查表
注:1. 保护管理状况:包括已采取的保护管理措施,是否建立自然保护区、自然保护小区、湿地公园。
重点调查湿地斑块调查表
重点调查湿地自然环境调查表
调查人:所属县(市):调查时间:年月
重点调查湿地水环境要素调查表
重点调查湿地名称:湿地区编码:
注:气象资料采用10年的年平均值,水文资料涉及到年平均的也采用10年平均值。
重点调查湿地鸟类调查记录表
湿地名称:调查地点:地理坐标:N E 海拔:米调查日期:调查起止时间:
重点调查湿地兽类野外调查记录表
湿地名称:调查地点:地理坐标:N E 海拔:米调查日期:调查起止时间:
天气状况:调查方法:调查人:第页,共页
重点调查湿地鱼类两栖爬行动物样方调查记录表
湿地名称:调查地点:地理坐标:N E 调查日期:调查起止时间:天气状况:
样方编号:样方大小:调查人:第页,共页
重点调查湿地植物标本登记签
编号:标本号:采集日期:湿地名称:省市县(保护区):
标本采集者:记录者:
重点调查湿地植物群落典型调查(乔木层或灌木层) 编号:省市县(保护区):
湿地名称:湿地型:
调查日期:调查员:记录者:
重点调查湿地植物群落典型调查(草本、蕨类层或苔藓层) 编号:省市县(保护区):
湿地名称:湿地型:
调查日期:调查员:记录者:
重点调查湿地植物群落优势植物调查
编号:省市县(保护区):
湿地名称:湿地型:
日期:记录者:
重点调查湿地植被调查
注:以植被类型为主进行登记
日期:记录者:
重点调查湿地植被利用和破坏情况调查
调查日期:记录者:
调查地点市(县)调查时间:年月
湿地名称:湿地型:编号:所属县市:调查时间:年月
注:1. 括号里可填入表中未列入的种类;
2.“其它”栏填入未列出的其它湿地功能及相应描述;
3. 各数据均以年为单位统计。
重点调查湿地范围内的社会经济状况调查表
湿地名称:编号:所属市县:调查时间:年月
注:1. 人口密度合计值为湿地范围内总人口与总面积的比值;
2. 主要产业填位于前三位的主导产业。
重点调查湿地受威胁现状调查表
湿地名称:编号:所属市县:查时间:年月日
湿地调查统计表范本全省湿地斑块名录汇总表
一般调查湿地区汇总表
重点调查湿地汇总表
注:单个重点调查湿地汇总表不超过2千字
全省湿地区名录汇总表
全省湿地型与面积统计表
注:按34型分别统计
全省流域湿地统计表
海拔3000米以上湿地名录汇总表
2. 平水面积:指正常水位时的湿地面积。
重点调查湖泊湿地、库塘人工湿地自然环境汇总表
2. 枯水面积:指枯水期时的面积。
3. 蓄水量:多年平均蓄水量。
重点调查湿地社会经济状况汇总表
2. 本表以县、市(区)为调查和统计单位。
湿地自然保护区情况汇总表
2. 保护区级别分:国家级、省级、地(市)、县级四级。
3. 主管部门:分林业、海洋、农业、环保等。
重点调查湿地水鸟数量调查统计表
湿地名称:湿地型:
湿地面积:公顷调查起止日期:
填表人:填表时间:
注:1. 调查起止日期指在该湿地进行野外工作的实际持续时间。
2. 序号按分类学上的目、科顺序进行编号。
重点调查湿地两栖、爬行类、兽类和鱼类调查统计表
湿地名称:湿地型:湿地面积:公顷
类别:调查时间:(天)填表人:填表时间:
注:1. 调查时间指在该湿地进行野外工作的实际持续时间。
2. 序号按分类学上的目、科顺序进行编号。
3. 数量状况:用“++++”、“+++”、“++”和“+”表示。
重点调查湿地无脊椎动物(贝、虾、蟹类)调查统计表
湿地名称:湿地型:湿地面积:公顷
类别:调查时间:(天)填表人:填表时间:
注:1. 调查时间指在该湿地进行野外工作的实际持续时间。
2. 序号按分类学上的目、科顺序进行编号。
3. 数量状况:用“++++”、“+++”、“++”和“+”表示。
省(市、区)湿地鸟类资源汇总表
2. 分布区指该动物在本省的主要分布地区,以市(地区、州、盟)表示;
3. 保护等级分国家一级、国家二级和省级。
4. 种群数量根据野外调查结果填写,国家一级、二级保护水鸟必须填写种群数量。
5. 濒危等级:根据IUCN的数量等级填写,分为:绝灭、野外绝灭、极危、濒危、易危、低危等。
6. 居留型:分留鸟、冬候鸟、夏候鸟、旅鸟。
省(市、区)两栖、爬行类、兽类和鱼类汇总表
2. 保护等级:分国家一级、国家二级、省级。
3. 数量状况:用“++++”、“+++”、“++”和“+”表示。
4. 分布区指该动物在本省的主要分布地区,以市(地区、州、盟)表示。
省(市、区)无脊椎动物汇总表
2. 保护等级:分国家一级、国家二级、省级。
3. 数量状况:用“++++”、“+++”、“++”和“+”表示。
4. 分布区指该动物在本省的主要分布地区,以市(地区、州、盟)表示。
重点调查湿地高等植物科属种统计
编号:省市县(保护区):
湿地名称:湿地型:
日期:记录者:
重点调查湿地高等植物(苔藓、蕨类、裸子、被子植物)名录编号:省市县(保护区):
湿地名称:湿地型:
群落类型:第调查单元样方数目:
日期:记录者:
省(市、区) 湿地植被类型列表
2. 分布区指该植被类型在本省的主要分布地区或生境。
表4.1遥感解译标志登记表
表4.2判读考核登记表
考核人:被考核人:
表4.3遥感信息判读登记表
地形图图幅号
附录3 地表水环境质量标准(GB3838—2002)
本标准适应于中华人民共和国领域内江、河、湖泊、水库等具有使用功能的地表水水域。
水域功能分类
依据地表水水域环境功能和保护目标,按功能高低依次划分为五类:
Ⅰ类主要适用于源头水、国家级自然保护区;
Ⅱ类主要适用于集中式生活饮用水地表水源地一级保护区、珍稀水生生物栖息地、鱼虾类产场、仔稚幼鱼的索饵场等;
Ⅲ类主要适用于集中式生活饮用水地表水源地二级保护区、鱼虾类越冬场、洄游通道、水产养殖区等渔业水域及游泳区;
Ⅳ类主要适用于一般工业用水区及人体非直接接触的娱乐用水区;
Ⅴ类主要适用于农业用水区及一般景观要求水域。
对应地表水上述五类水域功能,将地表水环境质量标准基本项目标准值分为五类,不同功能类别分别执行相应类别的标准值。
水域功能类别高的标准值严于水域功能类别低的标准值。
同一水域兼有多类使用功能的,执行最高功能类别对应的标准值。
实现水域功能与达功能类别标准为同一含义。
表2 地表水环境质量标准基本项目分析方法
附录4 地下水质量标准(GB/T 14848-93)
本标准适用于一般地下水,不适用于地下热水、矿水、盐卤水。
1. 地下水质量分类
依据我国地下水水质现状、人体健康基准值及地下水质量保护目标,并参照了生活饮用水、工业、农业用水水质最高要求,将地下水质量划分为五类。
Ⅰ类主要反映地下水化学组分的天然低背景含量。
适用于各种用途。
Ⅱ类主要反映地下水化学组分的天然背景含量。
适用于各种用途。
Ⅲ类以人体健康基准值为依据。
主要适用于集中式生活饮用水水源及工、农业用水。
Ⅳ类以农业和工业用水要求为依据。
除适用于农业和部分工业用水外,适当处理后可作生活饮用水。
Ⅴ类不宜饮用,其他用水可根据使用目的选用。
2. 地下水质量分类指标(见表1)
表1 地下水质量分类指标。