无机保温砂浆技术交底
- 格式:doc
- 大小:37.50 KB
- 文档页数:3
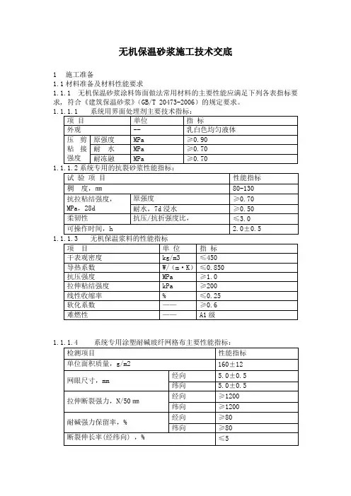
无机保温砂浆施工技术交底1 施工准备1.1 材料准备及材料性能要求1.1.1 无机保温砂浆涂料饰面做法常用材料的主要性能应满足下列各表指标要求, 符合《建筑保温砂浆》(GB/T 20473-2006)的规定要求。
1.1.2根据实际施工工程量、进场开工时间、工期要求,安排适当的储存场地、搅拌场地。
组织好材料进场时间,控制好材料进场数量做好进场记录,数量报总包方确认。
做好材料发放记录.收集好每批材料的出厂合格证报总包方验证.1.2 机具准备1.2.1 机械准备1.2.1.1在进行保温施工前,按工程量的大小,进场工人的数量安装好容积约300L砂浆搅拌机,按现场平面布置搭设搅拌机棚,接通水电调试正常。
搅拌棚的地点应选择背风向。
靠近垂直运输机械。
搅拌棚三侧封闭,一侧作为进出料通道,应有顶棚,地面应平整坚实。
1.2.1.2 手提电动搅拌器1.2.2 常用工具准备1.2.2.1铁抹子:`保温浆料施工宜使用抹子面积较大的矩形抹子。
1.2.2.2阳角抹子,阴角抹子:保温浆料施工宜用塑料材质,抗裂砂浆宜用钢材质。
1.2.2.3 托灰板1.2.2.4 杠尺:铝合金杠尺长度2-2.5m和长度1.5m两种。
1.2.2.5 靠尺:木靠尺2-3m没单面为八字尺。
1.2.2.6 猪鬃刷:2寸1.2.2.7 方头铁锹1.2.2.8 筛子:孔径2.5-3.0㎜。
1.2.2.9 手推车1.2.2.10木方尺:单边长不小于15㎝。
1.2.2.11 常用的检测工具:经纬仪及放线工具、2m托线板/杠尺、方尺、探针、钢尺等。
1.3 基层准备1.3.1保温施工前应会同相关部门做好结构验收的确认. 外墙面基层的垂直度和平整度应符合现行国家施工及验收规范要求.进行隐蔽施工前应做如下的检查工作.总包方将各大角的控制钢垂线安装完毕.高层建筑钢垂线用经纬仪检验合格. 1.3.2外墙面的阳台栏杆,雨漏管托架,外挂消防梯等安装完毕. 墙面的暗埋管线、线盒、预埋件应提前安装完毕,并应考虑到保温层的厚度影响。
1 JZ_C (无机活性)保温砂浆技术交底一、一、 施工准备施工准备1、墙面应清理干净、无污染、无油脂、灰尘,墙表面≥5mm 的鼓出部分应铲平,并浇水润湿。
吊垂直、套方、找规矩,按厚度要求用JZ_C (无机活性)保温砂浆设置灰饼(冲筋);刷801胶素水泥浆一遍(配合比为801胶:水=1:4),并随刷随抹第一遍保温砂浆。
,并随刷随抹第一遍保温砂浆。
2、A 型保温砂浆的配制:按出厂说明书配制。
JZ_C (无机活性)保温砂浆20袋/m ³,应随拌随用,一般在4小时内用完。
小时内用完。
二、作业条件二、作业条件1、结构工程应验收合格,门窗安装后,框与墙体之间的缝隙应按规定要求进行处理,并经有关部门检查验收合格。
墙面上的雨水管卡、预埋件、设备穿墙管道等应提前安装完毕,并预留出保温层的厚度。
件、设备穿墙管道等应提前安装完毕,并预留出保温层的厚度。
2、作业时环境温度不应低于5ºC ,风力不应大于10m/s 。
严禁雨天时露天施工;雨季施工时应做好防雨措施,当气温低于5ºC 施工时,应采取相应的措施。
相应的措施。
三、施工程序三、施工程序1、施工顺序:基层清理、施工顺序:基层清理 吊垂直、套方吊垂直、套方设置找平层灰饼 抹水泥砂浆抹水泥砂浆 设置保温层灰饼设置保温层灰饼配制B 型保温砂浆 抹第一遍保温砂浆抹第一遍保温砂浆 抹第二遍保温砂浆抹第二遍保温砂浆有要求时抹第三遍 配制A 型保温砂浆型保温砂浆 随抹随用铁抹子收光随抹随用铁抹子收光保温验收 饰面施工。
饰面施工。
2、首先用水泥砂浆抹10mm 厚的找平层,然后抹保温砂浆;B 型保温砂浆第一遍抹压厚度为20mm ,保持毛面,待凝。
待第一遍初凝(用手2按不动为准),即可抹第二遍,以后以此类推,每遍抹压厚度10~~20mm ,最后抹A 型保温砂浆。
A 型保温砂浆厚度5-10mm 。
四、施工要点四、施工要点1、保温浆料施工应自上而下进行,抹第一遍注意压实,第二、三遍注意平整,面层压实搓平收光(面砖饰面不用收光,应保持毛面)。
无机保温砂浆施工工艺流程一、无机保温砂浆施工准备1、基层准备①保温施工前会同项目监理部做好中间结构验收及墙面基层的垂直度和平整度符收标准的规定之内。
②墙面的暗埋管线、线盒、预埋件、空调孔等安装完毕并验收合格,上诉管件预埋时必须考虑保温层厚度的影响。
③墙面模板穿墙孔及墙面缺损处用水泥砂浆修补完善并验收合格。
④混凝土梁、柱、墙面等处的钢筋头和凸起物清除完毕,墙面表面凸起物大于10mm的应剔除。
⑤基层墙面在施工前应进行清理,清洗油渍、清扫浮灰等,施工前一天浇水润湿透彻。
2、技术准备:①进场前组织相关技术人员进行图纸会审,编制详细的施工方案及技术交底,施工负责人熟识图纸,并严格按图施工。
明确保温施工部位和确认预算工程量,对工期进度要求制定施工组织设计,按工期要求制定材料和人工配置计划。
②熟悉工程的图纸和资料,掌握根据国家规范、地方性标准制定的施工工艺。
③了解材料性能指标,掌握施工要点,明确施工工序。
④提供工程所需要的材料所需要的材料和技术质量标准,组织施工队伍进行技术交底和观摩学习,做好技术指导,让每一个施工人员明确施工内容和施工方法以及验收标准,确保质量和现场安全无事故。
3、材料准备:①无机保温砂浆材料准备:无机保温砂浆外墙外保温系统及常用材料的主要性能应满足下列指标要求。
并在材料进场后,将由国家法定检测部门出具的有效期内的第三方检测报告送发包方备案,同时应报验材料出厂检验合格证。
②无机保温砂浆配制配合比为1(水):1.86(机保温砂浆)。
先加入21kg左右的水然后缓慢加入40kg无机保温砂浆,搅拌均匀后搅拌3-5分钟,可按施工稠度适当调整加水量,稠度应控制在7-9cm范围内。
搅拌均匀后倒出,随拌随用,一般应在3小时内用完。
③抗裂砂浆配制水灰比为1:5。
将40kg的胶粉料加入约8kg的水,搅拌呈均匀稠浆状,静置3-5分钟再次搅拌以增强其和易性。
搅拌均匀后即可使用,无需加水及其他添加物。
抗裂砂浆应随拌随用,已拌好的抗裂砂浆应在3小时内使用完。
施工技术交底
抗裂砂浆切忌不停揉搓,以免形成空鼓。
抗裂砂浆面层不能用水擀光。
砂浆抹灰施工间歇应在自然断开处,方便后续施工的搭接,如伸缩缝、阴阳角、挑台等部位。
在连续墙面上如需停顿,面层砂浆不应完全覆盖已铺好的热镀锌钢丝网,需与热镀锌钢丝网、底层砂浆呈台阶形可设为留茬,留茬间距不小于150mm,以免热镀锌钢丝网搭接处平整度超出偏差。
(7)阴阳角处理:面层抗裂砂浆抹完后,阴角和阳角统一挂通线处理,保证阴角、阳角垂直方正。
(8)门窗洞口处包边处理方法如下:
其他外墙外保温构造各结点做法未尽之处参见国标《墙体节能建筑构造》06J123标准做法。
六、质量要求
1 主控项目:
(1)无机保温材料外保温系统的性能指标必须符合要求
(2)本系统使用的所有材料品种、质量和技术性能均应满足国家有关标准、行业标准及本图集的要求,应检查出厂合格证及进行复检。
(3)保温的厚度及构造做法应符合建筑节能设计要求,保温层厚度应均匀,主体部位平均厚度不允许有负偏差。
(4)保温层与基层墙体以及各构造层之间必须粘结牢固,无脱层、空鼓、裂缝。
2 一般项目:
(1)表面平整、洁净、接茬平整,无明显抹纹,线脚应顺直、清晰,面层无粉化、起皮、爆灰等现象。
(2)首层外墙阳角需要安装专用金属护角,其余各层阴阳角及窗户洞口四角等部位均需用镀锌钢丝网包裹。
(3)墙面埋设暗线、管道后,墙面用钢丝网和抗裂砂浆加强,表面抹灰平整。
(4)分格缝宽度与深度均匀一致,平整光滑,棱角整齐顺直。
(5)滴水线(槽)流水坡向正确,且顺直。
3 允许偏差项目:
外墙外保温系统允许偏差应符合下表的规定:。
1#、2#楼外墙无机保温砂浆施工技术交底外墙保温体系是由无极保温砂浆、抗裂防渗砂浆、耐碱玻纤网格布及其配套的施工技术组成,具体做法如下(由内至外):1、墙体基层处理2、挂钢丝网3、界面剂4、30mm厚无极保温砂浆5、压入耐碱网格布6、抗裂砂浆7、饰面施工。
一、施工工艺和技术要求施工工艺:基层处理、配涂界面砂浆-打耙冲筋-分层抹水泥砂浆和保温层-配置抗裂砂浆、裁剪网格布-抹抗裂砂浆-外墙饰面装饰施工。
技术要求:1、要求按设计图纸完善外立面砌体线条的砌筑、修补,认真检查,女儿墙水平凸出线条以及竖向线条要与一工区做法一致,保持外观统一,每两层设置分格暗缝,用柔性耐候密封胶填缝,避免保温系统表面出现裂纹,明缝的留设、做法同一工区做法。
2、外墙面孔洞必须用防水砼进行修补、凹凸不平的地方必须凿打,竖向线条必须放通线,经修打合格后,进入保温施工,外墙墙体不同材质交界处挂0.8mm 镀锌钢丝网300mn宽,抹灰前基层面进行润湿,基层应涂刷界面砂浆。
3、保温浆料宜分层抹灰,每层抹灰厚度不宜超过15伽,间隔时间应在24 小时以上,第一遍抹灰应压实,最后一遍应找平,并用大杠搓平,最薄处不应小于30mn厚。
4、保温浆料抹灰完硬化后,应现场检验厚度,并取样检验保温浆料的干密度,保温浆料厚度应符合设计要求,不小于30mm厚,不得有负偏差。
5、抗裂砂浆层应在保温浆料充分干燥固化后才能施工。
6、女儿墙、阳台拦水面向内斜2% 百叶窗板、雨棚板向外斜2% 窗边收口应留出窗的泄水孔,不得堵塞,外墙各种水电预埋洞口、烟道口应用相同管径的PVC t子套圆。
7、保温节能施工范围详建筑节能施工图,并应按DBJ50-102-2010)的节能要求进行施工。
二、施工方法(一)施工前的准备工作1、对墙面的平整度大于15毫米的墙体应剔除或者用1:3的水泥砂浆找平,墙面跳眼洞口用细石砼填塞,墙面清洗干净,无油污、无尘、污垢、涂膜剂、涂料、防水及、泥土妨碍粘接的污物,无裂纹、整体坚实,以确保外保温的质量。
保温砂浆技术交底一、基本规定1、基层墙体以及门窗洞口的施工质量应验收合格,门窗框或辅框应安装完毕。
2、在大面积施工前,应在现场采用相同材料、构造做法和工艺制作样板墙或样板间,并经有关各方确认后方可进行工程施工。
3、施工期间以及完工后24 h内,基层及施工环境温度不应低5度。
4、保温层施工过程中应按见证取样送检的要求在现场制作用于检测导热系数、干密度和抗压强度的同条件养护试件,每个检验批抽样制作的试件数量不应少于3组。
二、施工工艺1、墙体保温系统基本程序施工准备、涂刷界面砂浆、分二遍抹保温砂浆、分二遍抹抹面砂浆、压入增强网布以及需要时的锚固件安装。
2、基层墙体表面应平整清洁,无油污、脱模剂和杂物等妨碍粘结的附着物,空鼓、酥松部位应剔除,凹凸处应采用1:3水泥砂浆补平或凿去。
3、水泥砂浆找平层应与基层墙面粘结牢固,并应经过验收。
4、水泥砂浆暗护角应采用1:2水泥砂浆抹出,每侧宽度不小于50mm。
三、保温砂浆和抹面砂浆的制备:1、保温砂浆为干状混合料时,应在现场按干混料:水=1:0.8(质量比)用强制式砂浆搅拌机均匀,搅拌时间3~5min,搅拌后应在2h内用完。
2、抹面砂浆应在现场按干混料:水=1:0.2(质量比)用强制式砂浆搅拌机搅拌均匀,搅拌时间3min左右,搅拌后应在2h内用完。
3、保温砂浆抹灰前如界面砂浆已经干燥,应浇水湿润。
4、采用保温砂浆按设计要求的厚度先作出灰饼并冲筋,灰饼间距不大于2m。
5、保温砂浆在墙面上的抹灰应分遍进行。
每遍厚度不大于15mm,抹灰方法与普通抹灰砂浆相同。
后一遍抹灰应待前一遍砂浆凝结(一般为24h)后进行。
抹至设计厚度后用铝合金刮尺括平。
6、护面层抹面砂浆的施工应在保温砂浆保温层基本硬化后(一般为2d)后进行。
抹面砂浆也应分遍抹灰。
第一遍厚度 1.5~2mm,压入增强网布并待第一遍抹面砂浆基本干结或完成锚固件安装后再进行第二遍抹灰。
7、墙面部位的标准型和加强型增强网布上下左右均应搭接,标准型网布搭接宽度不小于100mm,加强型网布搭接宽度不小于50mm。
无机保温砂浆技术交底无机保温砂浆这玩意儿,在建筑保温领域那可是相当重要!今天就来跟大家好好唠唠无机保温砂浆的技术交底。
我先给大家讲讲啥是无机保温砂浆。
这东西啊,简单说就是一种能给咱房子保温的材料。
就像冬天咱穿厚棉袄一样,它能让房子在冬天不那么冷,夏天不那么热,住着舒服又节能。
要说这无机保温砂浆的施工,那可得讲究不少。
首先得把基层处理好,这就好比咱要化妆,得先把脸洗干净了不是?基层表面不能有灰尘、油污、脱模剂这些乱七八糟的东西。
我之前就碰到过一个工地,基层处理得不干净,结果砂浆抹上去没多久就掉下来了,那叫一个糟心!材料搅拌也有门道。
水和砂浆的比例得拿捏准了,水多了,砂浆稀得跟粥似的,没强度;水少了,又干得跟石头似的,没法施工。
有一次我在工地看到一个新手搅拌,那场面,简直是手忙脚乱,水一会儿多一会儿少,最后整出来的砂浆根本没法用。
抹无机保温砂浆的时候,厚度要均匀。
不能有的地方厚,有的地方薄,不然保温效果可就大打折扣了。
我记得有一回,一个师傅为了赶进度,抹得那叫一个随心所欲,结果验收的时候不合格,又得返工,费时又费力。
还有啊,施工环境也很重要。
不能在下雨天或者温度太低的时候施工。
有一回,一个工地非要在下雨天硬干,结果砂浆被雨水一冲,全白费了。
施工完成后,养护也不能马虎。
得像照顾小宝宝一样精心,保持适当的湿度和温度。
不然砂浆容易开裂,这保温效果可就没法保证啦。
总之,无机保温砂浆的施工,每一个环节都得认真对待,不能有半点马虎。
只有这样,才能保证咱们的房子真正做到冬暖夏凉,节能环保。
希望大家都能记住这些要点,把工作干得漂漂亮亮的!。
JZ-C无机保温砂浆外墙技术交底一、施工要求1、基层处理墙面结或构面应清理干净、无污垢、无油渍、灰尘等,表面应平整坚实。
2、钢筋混泥土墙体,加气混泥土砌块墙体应涂抹界面砂浆,或用建筑素水泥甩毛。
3、吊垂直,套方,找规矩,拉水平通线,按厚度控制线用JZ-C墙体保温砂浆贴灰饼,冲筋。
二、施工要点1、JZ-C保温砂浆施工a、保温砂浆施工应自上而下进行。
b、保温层第一遍注意压实,厚度不得超过10mm,第二,三遍注意平整,每遍厚度不大于20mm,面层压实收光即可,面砖饰面则不用收光,应报仇毛面。
c、保温层固化干燥,并经验收合格后,方可进行下一道工序。
d、做好外保温系统在檐口,勒脚处,装饰缝,门窗四周和阴,阳角等处的细部处理,变形缝处做好防水和构造处理。
2、FS-2反毛孔防水剂施工a、FS-2反毛孔防水剂洗释比例:FS-2反毛孔防水剂:水=1:6b、养护期结束待保温层干结后,将配制好的防水剂用喷雾器均匀连续喷洒三次。
3、外墙饰面为涂料时,采用耐碱玻纤网格布作加强层,对建筑首层及抗冲击,抗裂要求较高部位,应采取加强,抗裂措施。
4、外墙保温表面设置分格缝a、保温层表面设置分格缝,分格缝宽度不应大于20mm,分格缝按照立面分层设置,分块面积不应小于36㎡b、按单项工程设计要求在保温层上弹出分格线的位置。
c、用壁纸刀沿弹好的分格线开出宽度为设定尺寸,深度为3-5mm的凹槽,凹槽应顺直,平整。
三、分项验收、检验a、JZ-C无机保温砂浆工程的验收应符合《建筑节能工程施工质量验收规范》GB50411-2007、《居住建筑节能工程施工质量验收规程》DBJ50-069-2007和《公共建筑节能工程施工质量验收规程》DBJ50-070-2007》的有关规定。
b、保温层厚度及构造做法应符合节能设计要求,保温厚度均,不允许有负误差。
c、保温砂浆应分层施工,各抹灰层之间,以及抹灰层与基层之间必须粘结牢固,无脱层,空鼓,裂缝,面层无粉化,起皮,爆灰等现象。
一、交底目的为确保无机保温砂浆施工过程中的安全,降低施工风险,提高施工质量,特制定本安全技术交底。
二、交底对象本交底适用于所有参与无机保温砂浆施工的作业人员。
三、交底内容1. 施工前的准备工作(1)施工前,应充分了解施工现场环境,确保施工区域安全。
(2)检查施工工具、设备是否完好,并确保其符合安全要求。
(3)对参与施工人员进行安全教育,提高安全意识。
2. 施工过程中的安全措施(1)施工人员必须穿戴好个人防护用品,如安全帽、防护眼镜、防尘口罩、防滑鞋等。
(2)施工人员应遵守操作规程,严禁违章作业。
(3)施工过程中,注意高空作业安全,确保作业人员安全。
(4)施工现场应设置警示标志,提醒作业人员注意安全。
(5)施工区域应保持通风良好,避免因材料挥发造成中毒。
3. 施工材料的安全使用(1)无机保温砂浆材料应存放于干燥、通风、阴凉处,避免阳光直射。
(2)使用材料时,应按照产品说明进行操作,不得随意更改配比。
(3)施工过程中,应避免材料接触皮肤,如不慎接触,应及时清洗。
4. 施工现场管理(1)施工现场应保持整洁,施工材料、工具等有序摆放。
(2)施工过程中,不得随意堆放材料,避免造成安全事故。
(3)施工区域应设置专人负责,确保施工安全。
5. 施工结束后的注意事项(1)施工结束后,应及时清理施工现场,消除安全隐患。
(2)对施工区域进行安全检查,确保无安全隐患。
(3)对施工人员进行安全培训,提高安全意识。
四、交底要求1. 施工人员应认真学习本交底内容,了解施工过程中的安全要求。
2. 施工人员应严格按照操作规程进行施工,确保施工安全。
3. 施工单位应定期对施工人员进行安全教育培训,提高安全意识。
五、附件1. 无机保温砂浆施工安全操作规程2. 施工现场安全管理制度六、交底人:XXX七、交底日期:XXXX年XX月XX日八、接受人:XXX九、签字确认:(施工单位代表)(施工班组负责人)(施工人员代表)注:本模板仅供参考,具体交底内容可根据实际情况进行调整。
外墙抹灰技术交底施工单位沈阳双兴建设集团有限公司工程名称无为碧桂园二期·芷兰湾施工部位外墙交底项目无机保温砂浆外墙抹灰交底日期2015-11-08交底内容:一、一般规定:1 无机保温砂浆墙体保温系统工程施工期间以及完工后24h内,基层及环境空气温度不应低于5℃。
夏季应避免阳光曝晒。
在5级以上大风天气和雨雪天气不得进行外墙外保温系统的施工。
2 施工前,施工单位应编制墙体节能工程专项施工方案,并经监理(建设)单位审查批准后方可实施;施工单位应对施工作业人员进行技术交底和必要的实际操作培训,作业人员应经过培训并考核合格后方可上岗,并做好技术交底和培训记录。
3 墙体保温系统工程必须严格按照经审查合格的设计文件和审查批准的施工方案及节能施工技术标准、规范施工。
严禁擅自变更外墙外保温系统的构造以及保温层的厚度。
4 对既有建筑采用无机保温砂浆墙体保温系统进行改造的工程,施工前应按照设计文件和相关标准的规定对原墙面进行专门处理,经建设(业主)、设计、监理和施工等单位的项目负责人验收合格后方可进行墙体保温工程的施工。
5 墙体保温工程完工后应做好成品保护。
6无机保温砂浆墙体保温系统施工前,对于采用相同建筑节能设计的构造做法,应在施工现场采用相同材料和工艺制作样板件,样板间经建设(业主)、设计、监理和施工等单位的项目负责人验收确认后,方可进行大面积施工。
样板间的检测结果应符合设计文件和本导则及相关标准的要求。
7无机保温砂浆墙体保温系统的工程质量检测应由具备资质的检测机构承担。
8外墙外保温施工的基层墙体找平层允许偏差值应符合表6.1.8的规定。
二、施工准备:2.1 基层墙体应经过验收并合格。
施工前应将基层墙面的灰尘、污垢、油渍及残留灰块等清理干净。
基层表面高凸处应剔平,对蜂窝、麻面、露筋、疏松等部位应清理至坚固处,用1∶3水泥砂浆或细石混凝土分层补平,清除外露钢筋头和铅丝头等。
低凹处用水泥砂浆分层补平。
施工孔洞、脚手架眼应封堵修补完毕。
外墙无机保温砂浆技术交底记录名称:周康五村高档住宅外墙保温工程施工技术交底记录施工单位:___工程部位:外墙保温砂浆工序交底提要:材料的品种、规格应符合设计要求,并具备产品合格证和检测报告。
基层应平整、坚实、牢固,无空鼓和裂缝。
施工质量必须符合规范要求,细节施工必须到位。
交底内容:一般规定:1.1 外保温工程施工期间以及完工后24小时内,基层及环境空气温度不应低于5℃。
夏季应避免阳光暴晒。
在5级以上大风天气和雨天不得施工。
1.2 保温工程实施前应编制专项施工方案并经监理(建设)单位批准后方可实施。
施工前应进行技术交底,施工人员应经过培训并经考核合格。
1.3 保温砂浆工程的施工应在基层施工质量验收合格后进行。
避免在潮湿的墙体上做保温层。
原墙面为加气混凝土或马赛克、面砖等旧墙面时,需做专门的界面处理。
施工准备:2.1 基层墙体经过工程验收达到质量标准。
施工前应将基层墙面的灰尘、污垢、油渍及残留灰块等清理干净。
基层表面高凸处应剔平,对蜂窝、麻面、露筋、疏松部分等凿到实处,用1:2.5水泥砂浆分层补平,把外露钢筋头和铅丝头等清除掉。
低处用保温砂浆(或混合砂浆)分层补平,窗台砖应补平。
门窗口与墙体交接处应填补实。
2.2 外保温施工前,外门窗洞口应通过验收,洞口尺寸、位置应符合设计要求和质量要求,门窗框或辅框应安装完毕,伸出墙面的消防梯、水落管、各种进户管线和空调器等的预埋件、连接件应安装完毕,并按外保温系统厚度留出间隙。
2.3 脚手架或操作平台需验收合格。
脚手架搭设必须符合130的要求。
2.4 施工应准备以下主要机具和设备:1.机械设备:垂直运输机械、砂浆搅拌机或手提式电动搅拌器、磅秤等;2.粉刷工具:锯齿型批刀、平口批刀、铝合金刮尺、托盘、滚筒、冲击钻、螺丝刀、切割机等;3.检测器具:水准仪、经纬仪、钢卷尺、靠尺、塞尺、墨斗、方尺、探针等。
2.5 对采用相同的构造做法,应在现场采用相同工艺制作样板间或样板件,并经有关各方确认后方可实施。
一、本技术交底对本工程的总概述:一工程概况本工程为高层住宅建筑..各高层均为框架结构与短肢剪力墙框架结构;本工程无机保温砂浆外墙保温体系是由中空玻化微珠保温隔热干粉、抗裂防渗砂浆、耐碱玻纤网格布及其相配套的施工技术组成的墙体保温体系..二编制依据1、建筑节能设计说明专篇住宅节能50%标准、设计施工图纸、设计变更、设计交底等有效文件2、中华人民共和国建筑法、重庆市建筑管理条例、建设工程质量管理条例、建设工程安全管理条例..3、国家及地方现行施工规范、操作规程、质量验收统一标准和安全检查标准..4、2002年国家颁布的工程建设标准强制性条文——房屋建筑部分..5、本公司具有承建类似工程的经验资料、施工项目管理办法、成熟的企业质量管理体系运行模式的相关资料..6、劳务承包合同..三本工程执行主要现行规范、规程和标准居住建筑节能50%%%设计标准DBJ50-102-2010建筑外窗气密、水密、抗风压性能分级及检测方法GB/T 7106-2008TF无机保温砂浆外墙外保温建筑构造11CJ31无机保温砂浆建筑保温系统应用技术规程DBJ50-103-2010外墙外保温建筑构造10J121屋面节能建筑构造06J204建筑节能门窗一06J607-1重庆市居住建筑节能工程施工质量验收规范修订DBJ50-069-2007无机保温砂浆建筑保温系统应用技术规程DBJ50-103-2010民用建筑外保温系统及外墙装饰防火暂行规定公通字200946号关于进一步明确民用建筑外保温材料消防监督管理有关要求的通知公消201165号关于禁止使用可燃建筑墙体保温材料的通知渝建发〔2011〕22号国家、省市现行的相关建筑节能法律、法规建筑工程施工质量验收统一标准 GB50300-2001建筑施工扣件式钢筋脚手架安全技术规程 JGJ130-2001建筑机械使用安全技术规程 JGJ 33-2001施工现场临时用电安全技术规范 JGJ 46-88塔式起重机操作使用规程 ZBJ 80012-89建安工人安全技术操作规程 DG/TJ08-402-2000建筑施工安全检查标准 JGJ 59-99建筑施工高处作业安全技术规范 JGJ 80-91建设工程项目管理规范 GB50326-2006建设工程文件归档整理规范 GB50328-2001工程建设标准强制性条文——房屋建设部分2002版重庆市的安全生产、文明施工、环保及消防等有关最新规定重庆市建设工程档案进馆室范围、归档内容及重庆市建设工程档案专项验收办法..二、施工工艺流程三、作业条件1.基层墙体经主体工程验收达到质量标准要求..2.基层表面应将表面浮灰、油污等清理干净;大于15mm的凸出物应剔除铲平..3.外墙面上的门窗框、设备穿墙管道;外墙内侧墙面管线、槽盒等应提前安装完毕;并预备出保温层的厚度..4.施工机具、运输设备应备齐;并运行正常..四、施工方法一、施工前准备工作1、做保温前;对墙面平整度大于15mm的部位应剔除或找平;墙面应清理干净;无油污、浮尘、污垢、脱模剂、风化物、涂料、防水剂、泥土等防碍粘结的污物;无裂纹、整体坚实;以确保外保温的质量..2、门、窗框四周应用保温砂浆分层塞密实..3、施工机具:强制式砂浆搅拌机、水平运输手推车、手提式搅拌器、水桶、剪刀、滚刷、铁锹、手锤等..常用的检测工具:靠尺、托线板、角尺、探针、钢尺等..二、界面拉毛界面砂浆的配制:按中砂:水泥:界面剂=1:1:1的比例配置;先加入1份界面剂再加入1份中砂和1份水泥;搅拌成均匀的砂浆状态..若使用成品界面砂浆时按干粉料:水=4:1 用搅拌机搅拌均匀成浆状..为保证界面砂浆施工的适宜性;合理调整界面剂用量以达到适宜的稀释度..拉毛不宜太厚;但必须保证所有的砼墙面都做到毛面处理..用滚刷或扫帚蘸取界面砂浆均匀涂刷于墙面上;不得漏刮;拉毛不宜太厚;约为1-2mm..配好的料注意防晒避风;一次配制量应在可操作时间内用完..三打巴、冲筋根据保温设计厚度;在墙面两端顶部吊垂直..根据垂直控制通线做垂直灰饼;再根据两垂直方向灰饼之间的通线;做墙面保温层厚度灰饼;每两饼之间的距离横、竖、斜向不超过2m..灰饼可用保温浆料做;也可用废聚苯板裁成5cm×5cm小块粘贴..四抹保温浆料玻化微珠保温砂浆配制:按干粉料:水=1:1.1~1.3;先将玻化微珠保温砂浆干粉料放入搅拌容器中; 再按比例将水加入;搅拌3-5min;使料浆成均匀膏状;即可使用..浆料必须随配随用;不得回收落地料再二次加水使用..若本技术交底要求的数据与材料厂家提供的说明书不一致时;按厂家提供的说明书为准..需设专人专职进行保温浆料及抗裂砂浆的搅拌;以保证搅拌时间与配合比的准确..保温层浆料应在3h内用完..中空玻化微珠保温砂浆分层抹灰厚度第一遍施工厚度一般在10mm左右;第二遍施工厚度在15mm左右;本工程可分两遍施工..分层施工间隔时间至少应在72小时以上;以不造成第一遍施工基体空鼓为准;保温砂浆施工时应达到贴饼、冲筋的厚度;并用大杠搓平;使墙面平整度达到要求..阴阳角施工时宜从外向内压抹..保温层固化干燥一般约3~4天;方可进行下道工序..保温层验收:抹完保温层后;用检测工具进行检查..保温层应垂直、平整、阴阳角方正、顺直;对不符合要求的墙面;应进行修补;直到达到质量要求后方可进行抗裂砂浆施工..五抗裂砂浆层施工抗裂砂浆干粉料:水按 2.5:1重量比用砂浆搅拌机或手提搅拌器搅拌;先在容器中按比例加入清水;然后慢慢倒入抗裂砂浆干粉;同时用电动搅拌器搅拌至均匀膏状好可使用;抗裂砂浆一次配好后;使用过程中不得任意加水;应在1.5h内用完..抗裂砂浆第一遍抹厚为1-2mm;然后竖向把网格布压入砂浆内;再从中间向四周抹压;搭接横向不小于8cm;纵向不小于10cm;严禁干搭;应平整无褶皱;饱满度达到100%..第二遍抗裂砂浆抹平压实;网格布呈暗格为佳;再压入第二层网格布;最后抹面层抗裂砂浆;总厚度5-8mm;面层应收光压实..有网格布加强层的部位应先施工加强层后再施工标准层网格布..屋面保温厚度详节能设计专篇;使用的材料和网格布必须满足现行规范和规定的要求..外墙面砖饰面的保温体系同涂料饰面的外墙保温构造;不得使用耐碱网格布;应按规定使用热镀锌钢丝网;热镀锌钢丝网的材质和规格应满足国家和地方标准和规定..五、施工注意事项1、操作地点环境最低温度不低于5度;风力不大于6级..2、保温砂浆和抗裂砂浆必须由专业厂家严格按照专业配方配制好的袋装材料;施工时按照要求加水搅拌;不需添加任何外加剂;配制好的砂浆要即时用完..采用机械搅拌方法不得强制性搅拌确保搅拌时间;保证施工质量..施工现场唯一需要加入的就是水;必须严格控制对水的计量;确保水灰比正确..3、施工完毕后应注意成品保护;墙面避免磕碰及水冲浸泡;并保持室内通风干燥;冬季施工注意防冻..每次施工完毕后;要及时清洗施工工具和搅拌器材;以免影响下次使用..4、严格控制分层施工厚度及基层质量检查;防止空鼓及开裂..六、质量验收标准一主控项目1、所用材料品种、质量、性能应符合设计要求和本规程规定性能材料检测报告和出厂合格证..2、保温层厚度及构造做法应符合建筑节能设计要求;保温层厚度不允许有负偏差..3、保温层与墙体以及各构造层之间必须粘接牢固;无脱层、空鼓及裂缝;面层无粉化、起皮、爆灰..二一般项目1、表面平整、洁净、接茬平整、线角顺直、清晰、无明显抹纹;面层无粉化起皮、爆灰现象;毛面纹路均匀一致..2、护角符合施工规定;表面光滑、平顺、门窗框与墙体间缝隙填塞密实;表面平整..3、孔洞、槽、盒位置和尺寸正确、表面平整、洁净、管道后面平整..4、分格缝宽度与深度均匀一致;平整光滑;棱角整齐、顺直..5、滴水线流水坡度正确且顺直..三允许偏差及检验方法七、成品保护1、施工完的墙面、滴水槽、门窗口等处的残存砂浆应及时清理干净..2、升降吊蓝应防止碰撞;对已完的保温墙面;其它工种作业不得损坏墙面;严禁踩踏窗口..3、不得在已完工的墙面上乱写乱画..4、保温层、抗裂层、装饰层在干燥前防止水冲、撞击、振动..5、保温单位现场负责人必须严格对施工范围的工人;监督检查在班前做好成品保护教育..八、其他事项:1.由于本保温工程的施工时间短;为了保证各个节点工期能够按时完成;主体保温单位的每层楼的作业时间应根据工程量及生产计划;合理组织劳动力以及技术力量;在生产计划时间内保质保量完成各个接点工期..2.保温单位的自检制度:每部位、每层楼的保温单位完成后;首先由保温单位班组根据保温工程专项验收规定要求;保温单位还应采用书面技术交底、现场技术交底等;经常对作业工人进行技术工艺和现场安全作业方面的..各工序合格后对所完成的工序按规定严格检查;当本次保温单位工程的施工质量合格后;向监理单位报检..当本次报检的保温单位工程合格后;才可以进行下一道工序..3.主体施工期间;塔吊垂直运输的架料、保温单位的材料必须堆码整齐;防护脚手架上不得堆放任何材料..合理、有计划的吊运;与其他班组在使用塔吊时应互相谦让、和睦相处;做到安全生产、文明施工..4.四口五临边、安全通道;应与主体同时进行搭设..本工程相邻的边有民工的宿舍、钢筋加工场区;外架搭设时着重考虑水平防护架的搭设..在保温单位施工时;不得向下倾倒建筑垃圾;不得高空抛弃任何物品;违者重罚..在属于危险区域的边柱、梁、坡屋面、檐口作业时;应搭设、铺设好脚手架;必须佩戴好安全防护用品..如因未按安全规程施工作业的;将受到严厉的处罚..5.由于本工程标高均不在同一水平面上;保温单位应根据设计图及设计变更和相关规范、规定正确的完成每一道工序..在外架或高空作业时;由于作业面不利于行走;必须佩带好安全带及安全帽..堆放的材料位置;必须采用钢管架搭设牢固;搁置必须平稳..注:未尽事宜采取现场交底、每天作业前交底、每周的周技术交底、楼层技术交底以及安全交底等;作业班组必须按类似交底进行作业..本页为签章页项目部交底人签章:技术负责人:质检负责人:主管工长:分项工长:保温单位接收交底人签章:保温单位总负责人:保温单位现场负责人:。
无机保温砂浆建筑保温系统应用技术<1>系统及系统组成材料<1.1>一般规定1、无机保温砂浆建筑保温系统含墙体保温系统和楼地面保温系统,墙体保温系统分为外墙外保温系统、外墙内保温系统、外墙内外组合保温系统及分户墙保温系统。
根据饰面材料的类别,无机保温砂浆建筑外墙保温系统分为涂料饰面(缩写为C型)和面砖饰面(缩写为T型)两种类型。
2、采用无机保温砂浆建筑保温系统的墙体、楼地面的保温隔热性能应符合《民用建筑热工设计规范》GB50176、《夏热冬冷地区居住建筑节能设计标准》JGJ134、《公共建筑节能设计标准》GB50189、《居住建筑节能设计标准》DB50/5024、《居住建筑节能65%设计标准》DBJ50-071、《公共建筑节能设计标准》DBJ50-052的有关规定。
3、外墙外保温系统经耐候性试验后,不得出现空鼓、剥落或胶落等破坏,不得产生渗水裂缝;界面层、抗裂防护层与保温层的拉伸粘结强度不得小于0.1MPa,并且破坏部位应位于保温层内。
4、外墙外保温系统和外墙内外组合保温系统中的外保温构造部分应符合下列规定:(1)适应基层的正常变形而不产生裂纹和空鼓。
(2)能长期承受自重而不产生有害变形。
(3)能耐受室外气候长期反复作用而不产生破坏。
(4)遭遇不超过本地区建筑抗震设防烈度地震时,保温系统不应从基层脱落。
(5)具有防水、抗渗透性能。
(6)当采用面砖包饰面时,饰面砖的粘结强度应符合《胶粉聚苯颗粒外墙外保温系统》JG158的相关规定。
5、墙体内保温系统(含外墙内保温系统、外墙内外组合保温系统中的内保温构造部分和分户墙保温系统)应符合下列规定:(1)无空鼓,无贯通裂纹。
(2)能抵御使用、装修时正常撞击作用而不发生破坏。
6、无机保温砂浆建筑地面保温系统应能承受使用、装修时正常的压力、冲击作用而不发生破坏。
7、无机保温砂浆建筑保温系统所采用的界面砂浆、无机保温砂浆、抗裂砂浆、面砖粘结砂浆均应在工厂配制成干混砂浆,现场除加水拌和外不得再添加其他材料组分。
无机保温砂浆(外墙外保温)抹灰技术交底一、材料要求:1、外墙采用35mm厚聚合物改性无机保温砂浆 B型 + 5mm厚防水抗裂砂浆 + 160g耐碱纤维网格布。
2、材料检验:保温工程所用材料和半成品、成品的品种、性能必须符合设计和有关标准的要求,外观和包装应完整、无破损。
进场后,按GB 50411的规定进行质量检查和验收。
1)检查产品合格证、出厂检测报告和有效期内的型式检验报告。
2)现场抽样复验,复验应为见证取样送检,随机抽样,检查复验报告。
复验材料:无机轻集料保温砂浆、抗裂砂浆、界面砂浆、耐碱网布。
复验项目见表 5.2.1,其它材料按相关规定执行。
表5.2.1保温系统主要组成材料复验项目3)无机轻集料保温砂浆、抗裂砂浆、界面砂浆、耐碱网布的抽样复验应符合下列规定:A、检查方法:随机抽样送检,核查复验报告。
B、检查数量:墙体节能工程中,同一厂家同一品种的产品,当单位工程保温墙体面积在5000㎡以下时各抽查不少于1次;当单位工程保温墙体面积在5000~10000㎡时各抽查不少于2次;当单位工程保温墙体面积在10000~20000㎡时各抽查不少于3次;当单位工程保温墙体面积在20000㎡以上时各抽查不少于6次。
二、施工部位、施工流程、系统构造、施工做法及施工工具:1、按设计图纸及变更要求的所有部位,包括外廊,露台,阳台,GRC下部,门窗洞口四侧面,悬挑板的上下、端部等。
外墙除小于10cm线条面及门窗框周边外其他部位不得采用水泥砂浆抹灰。
(外廊、露台等位置如有取消,另行通知)2、施工流程(详见:图二):外墙灰饼、护角及基层处理→基层界面砂浆→30mm 厚无机保温砂浆→5mm 厚抗裂砂浆复合耐碱玻纤网格布一层1)基层处理:施工灰饼、护角,并对墙面清理和补平,砼面与砖墙衔接部位用耐碱纤维网加强;砼面喷界面剂,砖墙面喷水泥浆一道。
2)界面砂浆:外墙基底先用1;2水泥砂浆(内渗901胶)处理一道,厚2~3mm ; 3)保温砂浆分两遍成活,第一遍厚度15~20mm ,24小时后抹第二遍保温砂浆达到设计厚度。
保温砂浆施工技术交底(一)施工条件:1、基层墙面应干燥并已验收合格,门窗框已安装导位。
外墙上的消防梯、落水管、各种进户管线等外墙上的各种预埋件已安装完毕。
2、施工现场环境温度和基层墙体表面温度在施工及施工后24h内建议不得低于5摄氏度(低于5摄氏度用甲酸钙防冻措施)。
3、为保证施工质量,施工面应避免长时间阳光直射,应保证系统施工的连续性.4、雨天施工应采取有效措施,防止雨水冲刷墙面,有脚架带网布为宜。
5、墙体系统在施工过程中所采取的保护措施,应带防水、密封等长久保护,按设计要求施工完毕后方可拆除.(二)、配合施工条件检查、准备:1、墙体工程质量检查验收A、墙体的检查:根据墙体材质,参考《砌体工程施工及验收规范》进行检验合格后方可实施找平抹灰。
具体要求如下:(1)、使用1:2.5水泥砂浆找平,若混凝土及砌筑墙体平整度、垂直度状况在规范允许范围内(保温允许4mm),也可无需做找平砂浆层。
可在界面砂浆的施工表面层上直接施工保温砂浆;(2)、表面强度达到0,5Mpa:(3)、平整度和垂直度要求:2米靠尺检查,差距控制在4mm以内;B、预埋件检查:外墙面上预埋件(消防梯、水落管、进线管、外墙饰件等)依照图纸要求安装完毕;C、门窗的检查:保温砂浆施工前,门、窗框必须按照设计要求安装完毕,做好门、窗侧边水泥砂浆收头工作,且符合设计施工验收规范:D 架设的准备:按照国家验收的有关规定进行施工安全技术交底和劳动保护及防火、防毒的安全捡查:E、材料准备:所需要的材料进场后,按照相关规定登记检查,并妥善贮存和管理。
提前做好材料报检和送检工作;F、水电准备:依据需求配送电源及相关的水源,水质应符合用水标准:G、工具的准备:施工前的工具准备到位,工具的完好性与设备的调试;H、人员的培训:重点在于产品、工艺、施工步骤、注意事项及安全须知、安全措施及文明施工等方面。
2、施工气候条件施工条件:本系统的施工24小时内,环境温度应在5-35摄氏度之间,严禁在大风、大雨以及阳光直射下施工.否则需采取防护措施。
无机保温技术交底咱今儿就好好唠唠无机保温这档子事儿。
前阵子,我去了一个在建的小区工地,那场面,真是热火朝天。
我在那儿看到工人们正在进行外墙的保温施工,用的就是无机保温材料。
这让我一下子想起了要跟大家好好聊聊无机保温技术交底这个重要的事儿。
先说这无机保温材料吧,它就像是给房子穿上了一层保暖的棉袄。
像常见的岩棉、玻璃棉、泡沫玻璃等等,可都是这其中的“明星选手”。
在施工前,可得把准备工作做足了。
材料要选质量过关的,不能有啥瑕疵。
比如说岩棉板,要是表面不平整,或者有破损,那可就会影响保温效果啦。
还有啊,施工工具也得齐全,像什么抹子、靠尺、搅拌器,一个都不能少。
施工的时候,那讲究也多了去了。
比如说基层处理,得把墙面的灰尘、杂物清理得干干净净,不然这保温材料贴上去也不牢固。
我在工地就看到有个师傅,因为基层没处理好,贴上去的保温板没多久就掉了一块儿,那可真是白费功夫。
然后就是粘贴保温板,这可是个技术活。
得用专用的胶粘剂,均匀地涂抹在保温板背面,不能涂得太厚也不能太薄。
涂好后,要迅速贴到墙面上,并用靠尺压平。
这过程中,还得注意板与板之间的缝隙,要控制得恰到好处,不能太大也不能太小。
还有锚固这一步,就像给保温板上了一道保险。
锚固件的数量和位置都有严格的要求,不能随便乱来。
我记得有个新手工人,为了图省事,少打了几个锚固件,结果被监理发现,狠狠地批评了一顿,还让他重新返工。
接下来是抹面这道工序,得用抗裂砂浆把保温板整个覆盖住,形成一层保护层。
这就像是给保温板穿上了一层坚固的铠甲,能有效地防止开裂。
抹面的时候,要注意平整度和厚度,不能有凹凸不平的地方。
在整个施工过程中,安全也是重中之重。
工人们都得戴好安全帽,系好安全带。
毕竟这是在高处作业,稍有不慎就可能出危险。
最后,施工完成后,还得进行验收。
看看保温效果是否达到了设计要求,外观是否美观,有没有裂缝、空鼓等问题。
总之,无机保温技术交底可不是一件简单的事儿,每一个环节都得认真对待,不能有丝毫马虎。
2.3.材料配备:A.干混抹灰砂浆:品种强度:DPMl0,进场必须有出厂产品质量合格证。
进场应有检验报告和有关说明资料。
B.HZT-III无机轻集料保温砂浆:进场必须有出厂产品质量合格证。
进场应有检验报告和有关说明资料。
C.水:要用洁净干净的饮用水。
三•施工方法1.工艺流程:基层处理—基层浇水一挂网T喷浆一上下挂垂线一做灰饼(吊直、套方、找规矩)一墙体洒水湿润一加防水粉水泥砂浆做找平层一洒水养护一40厚HZT-In无极保温砂浆分两层施工一在第二层保温砂浆预留分割缝一缝内嵌高弹性耐候胶。
工程名称交底部位外墙分项部位一般抹灰日期20**年6月24日7.找平抹灰:砂浆用DPMlo干混抹灰砂浆,找平层厚度IOmm。
要用力抹灰,使砂浆挤入细小缝隙内,压实抹平,用刮杠垂直水平刮平,不得漏抹,并用木抹子搓毛。
然后全面进行质量检查,检查底子灰是否抹平整,阴阳角是否规方整洁,管道后与阴角交接处、墙顶板交接处是否光滑平整,并用2m标尺板检查墙面垂直和平整情况。
落地灰必须及时清理。
8.保温砂浆应分两层抹灰,每层抹灰间隔时间应在24h以上,每遍厚度宜为10T5mm厚,每遍抹灰均应压实,最后一遍抹灰时预留分隔缝(缝宽10-15mm,间距不大于3r∏x3m)面层应达到灰饼厚度,且应找平,使墙面平整度达到要求,严禁一遍成活,否则按照质量管理奖罚制度进行处罚。
9.抹滴水线。
在抹檐口、窗台、窗眉、阳台、雨蓬、压顶和突出墙面的腰线以及装饰凸线时,应将其上面作成向外的流水坡度,严禁出现倒坡。
下面做滴水线(槽)。
窗台上面的抹灰层应深入窗框下坎裁口内,堵塞密实,流水坡度及滴水线(槽)距外表面不小于4cm,滴水线深度和宽度一般不小于10mm,并应保证其流水坡度方向正确。
抹滴水线(槽)应先抹立面, 后抹顶面,再抹底面;10.空调板和飘窗板顶找坡不小于40≡,女儿墙顶找坡不小于6%o11.洒水养护:水泥砂浆抹灰24h后应喷水养护,养护时间不少于7d o1.修抹预留孔洞、配电箱、槽、盒、堵缝工作要作为一道工序安排专人负责,要把预留孔洞、配电箱、槽、盒周边的洞内杂物、灰尘等清理干净,浇水湿润,然后用砖将其补齐砌严,用水泥砂浆将缝隙塞严、压抹平整、光滑。