杰理AC6928A蓝牙、插卡单声道音箱方案原理图.PDF
- 格式:pdf
- 大小:54.47 KB
- 文档页数:1
JL杰理AC6926A蓝牙MP3芯片方案开发说明
一、简介
AC6926A作为一个单芯片的蓝牙解决方案,广泛应用于蓝牙音箱、蓝牙对箱、带点阵屏和LED数码管音箱。
是珠海杰理科技推出的一款性价比比较高的产品二、功能特点
*支持蓝牙、USB设备、TF卡、FM、AUX、通话
*支持10个AD按键、支持多路I/O口按键
*外围元件少,芯片四面内出脚,QFN32脚,芯片4*4MM封装。
*支持摇控功能
*支持点阵屏、数码屏、LCD屏的显示功能
*支持光纤信号输入
*蓝牙版本:兼容蓝牙V5.0+BR+EDR+BLE
三、AC6926A管脚说明
四、芯片资源说明
五、AC692N与之前蓝牙芯片的功能对比分析
六、AC692N功能选型表
七、AC6926A标准原理图
原理图在网上可以下载到更清晰的资料,同时也可以向我们索取。
杰里的所有系列的芯片,都是一个晶圆,只是根据不同的需求,进行不同方式的封装,也就是说AC6920N系列里面SSOP24和LQFP48封装的晶圆是一样的
注意,AC692N系列的芯片是可以反复烧录的,有想法的朋友可以自己摸索的。
八、提醒说明
*芯片为可编程,由于程序是烧录在芯片内部的flash中,所以可以重复擦除*感兴趣的朋友,可以自己开发,因为AC692N系列不需要开发板,不需要烧录器
*如果要自己开发的话,最好要买一个现成的板子,引出基本的gpio和串口、USB口就可以了。
AC6928B DatasheetZhuhai Jieli Technology Co.,LTDVersion:V1.0Date:2018.06.12Copyright © Zhuhai Jieli Technology Co.,LTD. All rights reserved.AC6928B FeaturesHigh performance 32-bit RISC CPURISC 32-bit CPUDC-160MHz operationSupport DSP instructions64Vectored interrupts4 Levels interrupt priorityFlexible I/O8 GPIO pinsAll GPIO pins can be programmable as input or output individuallyAll GPIO pins are internal pull-up/pull-down selectable individuallyCMOS/TTL level Schmitt triggered inputExternal wake up/interrupt on all GPIOsPeripheral FeatureOne full speed USB 2.0 OTG controllerOne audio interface supports IIS, left adjusted, right adjusted and DSP mode Four multi-function 16-bit timers, support capture and PWM modeThree 16-bit PWM generator for motor drivingOne 16-bit active parallel portOne full-duplex basic UARTTwo full-duplex advanced UARTOne SPI interface supports host and device modeOne SD Card Host controllerOne IIC interface supports host and device modeOne Quadrate decoderWatchdog1 Crystal Oscillator16-bit Mono DAC with headphone amplifier, SNR >= 95dB1 channel ADC , SNR >= 90dB1 channel MIC amplifier2 channels Stereo analog MUX5 channels 10-bit ADC2 channels 8 levels Low V oltage DetectorPower-on resetEmbedded PMU support low power modeBluetooth FeatureCMOS single-chip fully-integrated radio and basebandCompliant with Bluetooth V5.0+BR+EDR+BLE specificationBluetooth Piconet and Scatternet supportMeet class2 and class3 transmitting power requirementSupport GFSK and π/4 DQPSK all paket typesProvides +2dbm transmitting powerreceiver with -89dBm sensitivitySupport a2dp\avctp\avdtp\avrcp\hfp\spp\smp\att\gap\gatt\rfcomm\sdp\l2cap profile FM TunerSupport worldwide frequency band 76-108MHzFully integrated digital low-IF tuner & frequency synthesizerAutonomous search tuningDigital auto gain control (AGC)Digital adaptive noise cancellationProgrammable de-emphasis (50/75 uS)Receive signal strength indicator (RSSI)Radio search in multi-channel simultaneouslyDigital volume controlPower SupplyVBAT is 2.2V to 5.5VVDDIO is 2.2V to 3.6VRTCVDD is 2.2V to 3.6VPackagesTSSOP20Temperature℃℃Operating temperature: -20 to +70℃℃Storage temperature: -65 to +1501、Pin Definition1.1 Pin AssignmentFigure 1-1 AC6928B_TSSOP20 Package Diagram1.2 Pin DescriptionTable 1-1 AC6928B_TSSOP20 Pin DescriptionPINNO.NameI/OTypeHighDrive(mA)Function OtherFunction 1 PC5 I/O 24GPIOSD1CLKA:SD1 Clock(A);SPI1DOB:SPI1 Data Out(B);UART2RXD:Uart2 Data In(B);IIC_SDA_B:IIC SDA(B);2 PC4 I/O 24GPIOSD1CMDA:SD1 Command(A);SPI1CLKB:SPI1 Clock(B);UART2TXD:Uart2 Data Out(B);IIC_SCL_B:IIC SCL(B);3PC3 I/O24GPIOSD1DAT0A:SD1 Data0(A);SPI1DIB:SPI1 Data In(B);UART0RXC:Uart0 Data In(C);TMR3:Timer3 Clock Input;ADC10:ADC Input Channel 10;USBDM I/O4USB NegativeData(pull down)UART1RXD:Uart1 Data In(D);SPI2DOB:SPI2 Data Out(B);IIC_SDA_A:IIC SDA(A);ADC11:ADC Input Channel 11;4USBDP I/O4USB Positive Data(pull down)UART1TXD:Uart1 Data Out(D);SPI2CLKB:SPI2 Clock(B);IIC_SCL_A:IIC SCL(A);PA4 I/O24 GPIOPWM1:Timer1 PWM Output;AMUX1R:Simulator Channel1 Right;ADC1:ADC Input Channel 1;UART2RXA:Uart2 Data In(A);Touch11:Touch Input Channel 11;5PA0 I/O24GPIOMIC:MIC Input Channel;UART0RXB:Uart0 Data In(B);PA3 I/O24GPIOAMUX1L:Simulator Channel1 Left;ADC0:ADC Input Channel 0;UART2TXA:Uart2 DataOut(A);Touch10:Touch Input Channel10;6 DACL O / DAC Left Channel7 DACVDD P / DACPower8 VCOM P / DACReference9 VSSIO P / Ground 10VDDIOP/IO Power 3.3v11 PB5 I/O 24 GPIOUART0TXB :Uart0 Data Out(B); AMUX0R :Simulator Channel0 Right;SPI1DOA :SPI1 Data Out(A); SD0CLKB :SD0 Clock(B); ADC9:ADC Input Channel 9; Touch5:Touch Input Channel 5; 12 VBAT P / LDO Power 13RTCVDDP/RTC Power 3.3v14 PR1 I/O 10 RTCIO1(output 0V) RESET1:ADC12:ADC Input Channel 12; 15 PR2 I/O 10 RTCIO2 (pull up) RESET2:ADC12:ADC Input Channel 12; 16BT_A VDDP /BT Power 1.3v17 BT_RF P / 18 FMIP I / 19 BT_OSCI I / BT OSC In 20BT_OSCOO/BT OSC Out2、Electrical Characteristics2.1 PMU CharacteristicsTable 2-1Symbol Parameter Min Typ Max Unit Test ConditionsVBAT VoltageInput 2.2 3.7 5.5 VV3.3Voltage output_ 3.3 _ V LDO5V = 5V, 100mA loading V1.2_ 1.2 _ V LDO5V = 5V, 50mA loadingV1.3Voltage output 1.3 V LDO5V=5V, 100mA loadingV DACVDD DAC Voltage _ 3.1 _ V LDO5V = 5V, 10mA loadingI L3.3Loading current _ _ 150 mA LDO5V = 5V2.2 IO Input/Output Electrical Logical CharacteristicsTable 2-2IO input characteristicsSymbol Parameter Min Typ Max Unit Test ConditionsV ILLow-Level InputVoltage -0.3 _ 0.3* VDDIO V VDDIO = 3.3VV IH High-Level InputVoltage0.7*VDDIO_ VDDIO+0.3V VDDIO = 3.3V IO output characteristicsV OLLow-Level OutputVoltage _ _ 0.33 V VDDIO = 3.3VV OH High-Level OutputVoltage2.7 _ _ V VDDIO =3.3V2.3 Internal Resistor CharacteristicsTable 2-3PortGeneralOutputHighDriveInternalPull-UpResistorInternalPull-DownResistorCommentPA0 PA3~PA4PC3~PC58mA 24mA 10K 10K1、USBDM & USBDP default pulldown2、internal pull-up/pull-downresistance | accuracy ±20%3、PR1 default output 04、PR2 default pull upPR1PR2 8mA 10mA 10K 10KUSBDMUSBDP4mA _ 1.5K 15K2.4DAC CharacteristicsTable 2-4Parameter Min Typ Max Unit Test ConditionsFrequency Response20_20KHz1KHz/0dB 10Kohm loading With A-Weighted Filter THD+N _ -69 _ dB S/N _ 95 _ dB Crosstalk _ -80 _ dB Output Swing 1VrmsDynamic Range90 dB 1KHz/-60dB10Kohm loadingWith A-Weighted FilterDAC Output Power11_mW32ohm loading2.5 ADC CharacteristicsTable 2-5Parameter Min TypMaxUnitTest Conditions Dynamic Range85 dB 1KHz/-60dB10Kohm loadingWith A-Weighted FilterS/N _ 90 _ dB 1KHz/-60dB 10Kohm loading With A-Weighted Filter THD+N _ -72 _ dB Crosstalk _ -80 _ dB2.6 BT Characteristics2.6.1 TransmitterBasic Data Rate Table 2-6Parameter Min Typ Max Unit Test ConditionsRF Transmit Power 0 4 dBm 25, ℃ Power SupplyV oltage=5V2441MHzRF Power Control Range20 dB 20dB Bandwidth950KHzAdjacent Channel Transmit Power+2MHz-40 dBm-2MHz -38 dBm +3MHz -44 dBm -3MHz-35dBmEnhanced Data Rate Table 2-7Parameter Min Typ Max Unit Test ConditionsRelative Power 1.2 dB 25, ℃Power Supply V oltage=5V 2441MHz π/4 DQPSK Modulation AccuracyDEVM RMS6%DEVM 99% 10 % DEVM Peak 15 % Adjacent Channel Transmit Power+2MHz -40 dBm-2MHz -38 dBm +3MHz -44 dBm -3MHz -35 dBm2.6.2 ReceiverBasic Data Rate Table 2-8Parameter MinTypMaxUnitTest ConditionsSensitivity-89 dBm 25, ℃Power Supply V oltage=5V 2441MHz Co-channel Interference Rejection-13dBAdjacent Channel Interference Rejection+1MHz +5 dB-1MHz +2 dB+2MHz +37 dB -2MHz +36 dB +3MHz +40 dB -3MHz +35 dBEnhanced Data Rate Table 2-9Parameter MinTypMaxUnitTest ConditionsSensitivity-89 dBm 25, ℃Power Supply V oltage=5V 2441MHz Co-channel Interference Rejection-13dBAdjacent Channel Interference Rejection+1MHz +5 dB-1MHz +2 dB+2MHz +37 dB -2MHz +36 dB +3MHz +40 dB -3MHz +35 dB2.7FM Receiver CharacteristicsTable 2-10Parameter Min Typ Max Unit Test ConditionsInput Frequency 76 108 MHzUsable Sensitivity 3 4 8 dB μVEMF (S+N)/N=26dB Adjacent Channel Selectivity48dB± 200kHzIIP3 88db μV EMF Δ f1=200 kHz,Δ f2=400 kHzAudio Output Voltage 0 3 V Empty loadAudio Frequency Response20 20k Hz DAC testAudio (S+N)/N 52 dBStereo Separation40dBAudio Total Harmonic Distortion (THD)0.4 %3、Package Information3.1 TSSOP20Figure 3-1. AC6928B_TSSOP20 Package4、Revision HistoryDate Revision DescriptionRelease2018.06.12 V1.0 Initial。
蓝牙音箱、耳机方案之杰理AC692N系列蓝牙、插卡MP3单芯片方案说明与选型一、简要说明随着时间的推移,杰理蓝牙技术也在不断成熟。
这不,杰理今年3月份又推出了AC692N 系列单芯片蓝牙ic。
也必将为今后两年蓝牙音箱和耳机产品的主选方案。
但对大多数的厂家来说,选用什么样的蓝牙芯片方案,也不是一件简单的事情。
以下是我列出了一些现有的主流方案,他们都有自己的市场定位,方案特点,希望对你有所帮助。
二、AC692N系列的优点:(1)、AC692N针对蓝牙音响市场:(2)、音质好,96dB。
(3)、收音效果提升2-3D,收音效果是AC692N最为明显的亮点。
(4)、功耗提升AC690N的40+MA,AC692N的20+MA。
(5)、抗静电提升AC690N600-700V,AC692N2000V。
(6)、DAC白噪声降一些,信噪比可到80多db以上。
三、AC692N选型表:四、杰里692N系列与之前版本的功能比较说明:三、AC692N系列功能引脚说明五、总结虽然市场很大,需求也很大,但是在实际的产品中,我们往往首先会问客的市场定位在哪里,因为只有你的产品市场定位准了,才能去选择的合适的方案。
不可能你产品定位在高端,并且销往欧美,还选用低端的方案。
也不可能你的产品定位低端销往东南亚,而选择高端的方案,所以这一点很重要,也是我们和户沟通中的第一要点。
同时也要考虑自己的产品是否功能有差异化,如果有,就能选择那种高端的方案,为什么呢?因为像CSR、创杰、TI这类的方案,可开的功能实在太少了.如果想灵活的定制很多功能,选则类型的方案是不合适的,可能别人答应可以做,但是实际做的时候往往会卡在一些地方,导致项目进展严重滞后。
所以,有需求的客户,请一定要定位好自己的产品,以及对自己产品的规划,再找到合适、并且有诚意的配合厂家,这样才能保证产品能顺利的走下去.。
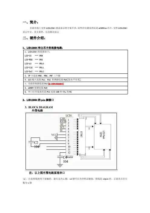
一、简介:目前市场上支持LCD12864液晶显示的方案不多,而性价比最高的还是AC6901A芯片,支持LCD12864显示中文、英文菜单,以及歌词显示二、硬件介绍:1、LCD12864和主芯片的连接电路:1、LCD12864的连接如下:LCD-CS---PB9LCD-RES---PB8LCD-AO---PB10LCD-CLK---PB11LCD-DAT---PB122、TF卡连接PB5、PB6、PB7三个脚3、AUX输入连接PA1、PA2.检测脚连接PA3[低电平有效]4、功放控制脚连接PA4[Q:2491352264]5、ADKEY按键连接PA96、串口打印连接的是PC2连接USB转TTL的RX2、LCD12864的pin脚接口(1)、注意排线使用下接触的,最右边为1脚,12脚可以为空样品链接:排线是12pin的。
正面从右往左数为1脚三、软件开发介绍说明:1、批处理中的文件说明:F_ASCII_S.PIX这个是ASCLL码的点阵库,C文字库,就是A、B、C、D,以及1/2/3/4这些数字的点阵库。
这个直接用,不用管F_GB2312.TAB这个是汉字字库,分GBK和2312,包含了韩文、日文。
这个是索引表这个直接用,不用管和深究F_GB2312_S.PIX这个是对应索引之后的点阵库,就是和“F_GB2312.TAB”相对应的menu.res这个是工具生成的,使用工具生成之后,同步替换[Q:2491352264]ui_sty.sty这个是工具生成的,如果有修改,直接同步替换就可以了1、lcd_disp.c这个文件是指上层的显示界面--这个要做成英文或者多国语音该怎么办??2、lcd_ui_menu.c这个是指的菜单的控制切换--具体原理是什么样的??3、menu.h这个文件是怎么对应点阵库的?基本不用,只看ui.h4、生成图片的那个软件到底怎么使用?见下面的教程5、我要做一个“系统界面”这个任务菜单,切换多国语音的改怎么写这个?见下面教程6、ui_pic(u16id,GUI_POINT*pos);这个坐标是啥意思,x、y的范围是多少?这个是以12864左上角为0点,其中x是0-127,y是0-63ui_pic(DVcRzImg2_1,0);这个的0代表什么意思---代表的是当前的坐标,不特地去指定坐标7、ui.h这个文件里面的图片所以得命名是不是有什么特殊的含义?是不是指的图片的大小或者尺寸见下面的截图详解–和PDV软件生成所对应的8、lcd_disp_text这个函数是如何确定显示的位置的---和ui.h里面文本索引表对应多国语言的主要切换说明,如上图四、上位机工具软件介绍说明:1、上位机软件的存放位置说明:(1)、一定要放在工程目录如上的路径中(2)、这样就生成了对应的坐标之类的东西。
AC692N蓝牙芯片选型说明表功能选型表序号型号封装声道Flash SD卡U盘FM产品应用1AC6921A LQFP48双声道8Mbit√YES YES点阵屏、LCD屏、LED数码管蓝牙音箱方案、车载蓝牙FM发射器方案2AC6922A SSOP28双声道8Mbit√YES YES LED数码管蓝牙音箱方案、车载蓝牙FM发射器方案A和B脚位不同,功能相似3AC6922B SSOP28双声道4Mbit√YES NO LED数码管蓝牙音箱方案、车载蓝牙FM发射器方案A和B脚位不同,功能相似,B比A性价比更高些4AC6925A SOP24双声道4Mbit√YES YES 蓝牙音箱、蓝牙对箱、蓝牙外挂Flash语音、故事机、摇篮车、早教机、国学机、录音方案5AC6925B SOP24单声道4Mbit√YES YES 蓝牙音箱、蓝牙对箱、蓝牙外挂Flash语音、故事机、摇篮车、早教机、国学机、录音方案6AC6925C SOP24双声道4Mbit√YES NO头戴耳机方案,芯片支持开关机功能,也可以应用到蓝牙音箱方案上7AC6925F SOP24双声道4Mbit√YES YES头戴耳机方案,芯片支持开关机功能,也可以应用到蓝牙音箱方案上8AC6926A QFN32(4*4)双声道4Mbit√YES YES LED数码管蓝牙音箱、蓝牙对箱、摇篮车、车载蓝牙FM发射器方案9AC6913A QFN20(4*4)双声道4Mbit NO NO NO主推TWS对耳方案,蓝牙5.0版本10KT1025A SOP24双声道4Mbit√YES YES 蓝牙音箱、蓝牙耳机、车载蓝牙、蓝牙对箱.智能门锁、车载OBD检测、智能小车、打印机、医疗设备数据采集.蓝牙音乐灯、蓝牙广播11KT1025B SOP24单声道4Mbit√YES YES 蓝牙音箱、蓝牙耳机、车载蓝牙、蓝牙对箱.智能门锁、车载OBD检测、智能小车、打印机、医疗设备数据采集.蓝牙音乐灯、蓝牙广播12KT2025A SOP24单声道4Mbit√YES YES 蓝牙音箱、蓝牙耳机、车载蓝牙、蓝牙对箱.智能门锁、车载OBD检测、智能小车、打印机、医疗设备数据采集.蓝牙音乐灯、蓝牙广播,蓝牙BLE_MIDI方案AC692N芯片特点(1)、AC692N单芯片完成蓝牙+MP3功能(2)、音质好,96dB。