最新中职车工实习实训教案:课题九前顶尖加工
- 格式:doc
- 大小:98.50 KB
- 文档页数:2
车工实习教学计划车工实习教学计划课题一:车削的基础知识一、教学要求1、实习的意义和目的。
2、实习期间要了解各项有关规章制度,并加强安全教育。
3、讲解车床类型及车床操纵的基本知识。
4、讲解并练习三爪自定心卡盘、卡爪及活络顶针的装拆。
二、教学重点、难点强调安全操作的重要性,熟练掌握操纵机床的方法。
三、授课方法:讲授法,现场教学法。
四、授课时数:6课时五、课后要求1、鼓励学生学习积极性,加强纪律性和安全教育。
2、安排好每天环境卫生工作。
课题二:常用量具的准确读数和正确测量方法一、教学要求1、能了解量具的种类及正确维护保养。
2、掌握常用量具的测量方法和准确读数。
二、教学准备1、钢皮尺2、游标卡尺3、千分尺三、授课重点、难点常用量具测量的手势及读数方法。
四、授课方法:讲授法、现场教育法。
五、授课时数:6课时六、课后要求1、根据量具测量评分作小结。
2、做好每天的环境卫生工作。
课题三:车削端面、外圆及台阶一、教学要求1、介绍车刀的种类。
2、90o外圆车刀45o、端面车刀的正确安装方法。
3、工件正确安装方法。
二、教学准备1、有关车刀、零件图和圆棒料2、量具:钢皮尺、游标卡尺、外径千分尺。
三、授课重点、难点1、车削外圆时试切削的方法。
2、切削三要素转速、背吃刀量、走刀量的控制方法。
3、操纵机床试,应注意的安全事项。
四、授课方法:现场教育法。
五、授课时数:18课时六、课后要求:1、根据每一个同学的评分成绩来表扬和鼓励同学。
2、工场卫生工作、文明安全生产情况。
课题四:切槽与切断一、教学要求1、了解切断刀和切槽刀种类和应用。
2、掌握切断刀和切槽刀的角度和刃磨方法。
3、掌握常见沟槽的车削和测量方法。
4、了解车削沟槽时,可能产生的问题和防止方法5、切槽刀的正确安装方法及加工时切削三要素及其它方面的注意事项。
二、教学准备1、有关车刀、零件图纸和圆棒料。
2、量具:钢皮尺、游标卡尺、深度游标卡尺、千分尺。
三、授课重点、难点1、沟槽的测量方法。
中职车工工艺学教案第一章:车工工艺概述1.1 学习目标了解车工工艺的基本概念、分类和应用范围。
掌握车工工艺的基本原理和操作步骤。
理解车工工艺在制造业中的重要性。
1.2 教学内容车工工艺的定义和分类。
车工工艺的基本原理和操作步骤。
车工工艺的应用范围和重要性。
1.3 教学方法采用讲解、演示和实际操作相结合的方式进行教学。
通过案例分析和讨论,使学生更好地理解车工工艺的应用。
1.4 教学资源教室内的多媒体教学设备。
车工机床和工具。
1.5 教学评价通过课堂讲解和实际操作考核学生的学习效果。
评估学生对车工工艺的基本概念和原理的理解程度。
第二章:车工工具和夹具2.1 学习目标熟悉车工工具的分类、特点和选用原则。
了解车工夹具的作用、分类和设计要求。
掌握车工工具和夹具的使用和维护方法。
2.2 教学内容车工工具的分类、特点和选用原则。
车工夹具的作用、分类和设计要求。
车工工具和夹具的使用和维护方法。
2.3 教学方法通过实物展示和讲解,使学生熟悉车工工具和夹具的结构和功能。
通过实际操作,让学生掌握车工工具和夹具的使用和维护方法。
2.4 教学资源车工工具和夹具的实物和模型。
车工机床和工具。
2.5 教学评价通过实际操作考核学生的车工工具和夹具使用和维护能力。
评估学生对车工工具和夹具的理解程度。
第三章:车工基本操作3.1 学习目标掌握车工的基本操作步骤和方法。
熟悉车工机床的安全操作规程。
学会使用车工机床和工具进行简单零件的加工。
3.2 教学内容车工的基本操作步骤和方法。
车工机床的安全操作规程。
简单零件的加工方法和技巧。
3.3 教学方法通过讲解和演示,使学生熟悉车工的基本操作步骤和方法。
通过实际操作,让学生掌握车工机床的安全操作规程和简单零件的加工方法。
3.4 教学资源车工机床和工具。
安全操作规程和相关教材。
3.5 教学评价通过实际操作考核学生的车工操作能力和安全意识。
评估学生对车工基本操作的理解程度。
第四章:车工工艺参数的选择4.1 学习目标熟悉车工工艺参数的分类和选择原则。
中职车工工艺学教案第一章:车工工艺概述教学目标:1. 了解车工工艺的基本概念、作用和分类。
2. 掌握车工工艺的基本参数和工艺流程。
3. 熟悉车工工艺的常用设备和工具。
教学内容:1. 车工工艺的概念和作用。
2. 车工工艺的分类和特点。
3. 车工工艺的基本参数和工艺流程。
4. 车工工艺的常用设备和工具。
教学方法:1. 讲授法:讲解车工工艺的基本概念、作用和分类。
2. 演示法:展示车工工艺的常用设备和工具。
3. 实践法:让学生亲身体验车工工艺的操作。
教学评价:1. 考查学生对车工工艺基本概念的理解。
2. 考查学生对车工工艺参数和工艺流程的掌握。
3. 考查学生对车工工艺设备和工具的熟悉程度。
第二章:车削加工基本参数教学目标:1. 掌握车削加工的基本参数,包括切削速度、进给量和切削深度。
2. 了解切削液的作用和选用原则。
3. 熟悉车削加工的工艺特点和适用范围。
教学内容:1. 车削加工的基本参数及其对加工质量的影响。
2. 切削液的作用和选用原则。
3. 车削加工的工艺特点和适用范围。
教学方法:1. 讲授法:讲解车削加工基本参数的概念和作用。
2. 演示法:展示切削液的使用方法和效果。
3. 实践法:让学生实际操作车削加工,感受工艺特点。
教学评价:1. 考查学生对车削加工基本参数的掌握。
2. 考查学生对切削液作用和选用原则的理解。
3. 考查学生对车削加工工艺特点和适用范围的熟悉程度。
第三章:车削加工方法与工艺教学目标:1. 掌握车削加工的基本方法,包括外圆车削、内孔车削和螺纹车削。
2. 了解车削加工的工艺流程和操作要点。
3. 熟悉车削加工在实际生产中的应用。
教学内容:1. 车削加工的基本方法及其适用范围。
2. 车削加工的工艺流程和操作要点。
3. 车削加工在实际生产中的应用案例。
教学方法:1. 讲授法:讲解车削加工的基本方法。
2. 演示法:展示车削加工的操作过程。
3. 实践法:让学生亲身体验车削加工的实际应用。
教学评价:1. 考查学生对车削加工基本方法的掌握。
车工实训教案专业名称车工技能实习课程名称车工授课教师余雪松班级16级昌飞班课题一车床基本知识与操作训练一、实训目的与工作任务掌握正确操作车床步骤和方法。
掌握车床主要机构的工作原理和调整方法。
二、实训设备、器材C620车床、一字起、扳手、机油壶三、实训工量刃具清单活动扳手、内六角扳手、十字起四、相关资料(一)常用车床结构简介普通C620车床一般由床身、主轴箱、交换齿轮箱、进给箱、溜板箱、滑板和床鞍、刀架、尾座及冷却、照明等部分组成。
1—主轴箱2—刀架3—尾座4—床身5—床脚6—丝杆7—光杆8—操纵杆9—溜板箱10—床脚11—进给箱12—交换齿轮箱(二)常用车床传动系统现以C620型车床为例,介绍车床传动系统。
为了完成车削工作,车床必须有主运动和进给运动的相互配合。
主运动是通过电动机1驱动带2,把运动输入到主轴箱4。
通过变速机构5变速,使主轴得到不同的转速。
再经过卡盘6(或夹具)带动工件旋转。
而进给运动则是由主轴箱把旋转运动输出到交换齿轮箱3,再通过走刀箱13变速后由丝杠11或光杠12驱动溜板箱9、床鞍10、滑板8、刀架7,从而控制车刀的运动轨迹完成车削各种表面的工作。
(三)车床的工作范围车床的工作范围广泛,车削加工的精度一般为IT9~IT6,表面粗糙度Ra值一般为12.5~1.6μm。
能对不易进行磨削加工的有色金属采用金刚石车刀精细车削,精度等级可达IT6~IT5,表面粗糙度Ra值可达0.4μm。
五、操作过程(一)车床基本操作1.车床的启动操作训练:1)作启动车床的操作,掌握启动车床的先后步骤。
2)用操纵杆控制主轴正、反转和停车训练。
2.主轴箱的变速操作训练:1)调整主轴转速至115 r/min;400 r/min;1000 r/min。
2)选择车削右旋螺纹和车削左旋加大螺距螺纹的手柄位置。
3.进给箱操作训练:1)确定车削螺距为1 mm、1.5 mm. 2.0 mm的米制螺纹,在进给箱上的手轮和手柄的位置,并调整之。
车工实训教学教案课题一车床的基本知识及车床的操作一、课题纲要:1、实训内容:1.车床的型号、规格、加工特点、加工范围以及加工零件的精度和表面粗糙度。
2.车床的组成、传动系统及操作方法。
2、实训目标:学生初步正确使用和操作车床并掌握车床的保养知识。
3、实训教学要求:1.了解车床型号、规格、主要部件的名称和作用。
2.了解车床各部件传动系统。
3.掌握车床各操纵手柄的作用及操纵方法。
4.懂得车床维护、保养及文明生产和安全技术的知识。
二、设备工量具准备通知单:三、教学过程:1、讲解:1.车床的型号、组成、传动系统(主运动和进给运动系统),分别阐述各组成部分的作用。
2.车床的加工范围、加工零件的精度和表面粗糙度。
3. 车床维护、保养及文明生产和安全技术的相关知识。
2、示范:1.示范车床的操作步骤,然后学生进行空机练习。
2.示范车床的维护润滑保养,然后学生进行练习。
3、练习:1.车床操纵(1)观察车床外形,说出车床各部分的名称及主要作用。
(2)主轴变速箱手柄位置的操纵练习。
(3)进给箱手柄位置的操纵练习。
(4)溜板箱手柄位置的操纵练习。
(5)手动纵向进给、横向进给练习。
(6)小滑板直线运动及小滑板绕心轴转动练习。
(7)尾座移动及尾座套筒移动练习。
(8)启动机床:①用操纵杆控制进行正车、停止、反车练习。
②进行主轴由低速向高速逐级变速练习。
③机动纵向进给、机动横向进给练习。
(9)熟悉车床的传动系统2.车床的维护和保养(1)CA6136B CA6140车床的润滑部位。
(2)车床所有的润滑部位要油眼畅通、油量充足。
(3)每班工作后都要把机床擦干净,使车床外表面清洁、场地整齐。
四、注意事项1.要求每台机床都具有防护设施。
2.摇动滑板时要集中注意力,做模拟切削运动。
3.注意安全,坚持文明生产。
4.变换车速时,应停车进行。
5.车床运转操作时,转速要慢,注意防止左右前后碰撞,以免发生事故。
课题二车床刀具一、课题纲要:1、实训内容:1.简述车刀组成,种类及常用材料。
车工实习教学方案一、教学目标(一)知识掌握点1.熟悉车刀的组成及安装,常用刀具的材料。
2.熟悉卧式车床的组成及其主要功用,卧式车床的主要调整方法。
3.基本掌握典型表面加工的工艺过程。
4.掌握车削用量三要素及切削速度计算公式。
5.掌握车外圆、车端面、车内孔、钻孔、滚花、车螺纹、切断、车成形面以及车圆锥面的加工方法和测量方法。
6.掌握常用量具的使用方法,车削所能达到的尺寸精度和表面粗糙度。
(二)能力训练点1.正确调整卧式车床和使用工夹量具。
2.独立安装外圆车刀,在卧式车床上独立完成中等精度零件的车削加工。
(三)素质培养点1.培养学生的创新能力。
2.锻炼学生的实际操作能力3.提高学生分析问题和解决问题的能力。
4.加强学生劳动观念和劳动纪律的意识。
二、大纲重点、学习难点及化解办法1.大纲重点(1)典型表面加工的工艺过程。
(2)车外圆、车端面、钻孔、滚花、车螺纹、切断、车成形面以及车圆锥面的加工方法和测量方法。
(3)独立安装外圆车刀,在卧式车床上独立完成中等精度零件的车削加工。
2.学习难点(1) 刻度盘的使用方法;(2) 车锥度;(3) 车螺纹;3.难点化解办法均为机床示范讲解与学生反复练习;三、教学计划[教学计划设计说明]1.先理论后实践,先示范后练习;2.先易后难;3.使学生更容易、更快的掌握基本知识和技能。
四、物质准备1.设备:CA6140、SK3602.工具:卡盘扳手、刀架扳手、活顶尖、钻卡头、砂纸、锉刀、活扳手、死板手。
3.刀具:90°偏刀,45°弯头车刀,60°尖刀,圆弧刀。
4.材料:φ18×265Q235A圆钢、φ25×172Q235A圆钢、灰口铸铁。
5.教具:挂图、电视、录像机。
车工实训教学教案(全)教案标题:车工实训教学教案(全)一、教学目标1. 知识与技能目标:使学生掌握车工的基本知识、基本技能和基本操作,了解车床的结构、性能及工作原理,能熟练操作车床进行简单零件的加工。
2. 过程与方法目标:通过实训教学,培养学生动手能力、观察能力和创新能力,提高学生分析问题和解决问题的能力。
3. 情感态度与价值观目标:培养学生热爱专业、勤奋学习、团结协作的精神,增强学生的质量意识、安全意识和环保意识。
二、教学内容1. 车工基本知识:车床的结构、性能及工作原理,车工刀具的种类、用途及刃磨方法,车工量具的使用方法,车工工艺的基本知识。
2. 车工基本技能:车床的操作方法,车工刀具的安装与调整,车工量具的读数方法,车工工艺的编制与实施。
3. 车工基本操作:车外圆、车内孔、车螺纹、车端面、车槽和车成型面等。
三、教学重点与难点1. 教学重点:车工基本知识、基本技能和基本操作的掌握。
2. 教学难点:车工工艺的编制与实施,车工刀具的安装与调整。
四、教学方法1. 讲授法:讲解车工基本知识、基本技能和基本操作。
2. 演示法:演示车工刀具的安装与调整,车工量具的读数方法,车工工艺的编制与实施。
3. 实践法:指导学生进行车工基本操作的实训。
4. 讨论法:针对实训中遇到的问题,组织学生进行讨论。
五、教学安排1. 总课时:120课时。
2. 教学进度:每周6课时,共20周。
3. 教学环节:理论教学、实践操作、讨论与总结。
六、教学评价1. 过程评价:观察学生在实训过程中的操作技能、安全意识和团队协作能力。
2. 成果评价:检查学生完成的车工零件的质量,评价学生的工艺编制与实施能力。
3. 知识评价:进行车工基本知识、基本技能和基本操作的笔试。
七、教学资源1. 教材:《车工工艺学》、《金属切削原理与刀具》。
2. 工具与量具:车床、车工刀具、车工量具。
3. 辅助材料:实训指导书、教学视频、实训报告。
八、教学注意事项1. 加强安全教育,确保学生在实训过程中的安全。
车工实训教学教案课题九综合练习二配合件一、课题纲要:1、实训内容:车削配合件2、实训目标:根据以前学过的内容,综合在同一零件上,使学生巩固前面所学的内容。
3、实训教学要求:要求同学合理编排加工工艺,正确选择切削三要素,合理地分配粗、精加工,快而准确地加工好零件。
二、设备工量具准备通知单:三、教学过程:1、讲解:1. 讲解在工件加工中需要注意的地方。
2、示范:1. 根据学生实训图纸,实际加工一个工件,并在过程中分析讲解。
3、练习:1.看生产实习图确定配合件加工步骤:件一件二配合件一:(1)平两端至尺寸(37),加工外圆到(Ф40),钻中心孔(Ф2);(2)换向镗孔,加工内螺纹,倒角;(3)换向镗孔,加工内圆柱面,倒角。
配合件二:(4)车两平面长度加工为46;(5)夹一端面,车另一面,钻中心孔(Ф2),加工外圆(Ф40);(6)换向,钻中心孔(Ф2),车外圆(Ф30),割槽(4*1.5),加工圆柱面,车外螺纹。
四、注意事项:1.要正确使用游标卡尺,样板、塞规、测量沟槽。
2. 合理选用转速和进给量。
3.车刀必须对准工件旋转中心,避免产生双曲线(母线不直)误差。
4.车削前应检查滑板位置是否正确,工件装夹是否牢靠,卡盘扳手是否取下。
5.夹持工件必须牢固可靠。
课题十实训小结实训报告一、课题纲要:1、实训内容:1.进行实训小结2.完成实训报告2、实训目标:根据前面所实习实训的课题,进行一次深刻的总结,对在本次实训过程中的得与失进行罗列,以为以后更好跟高效高质量的进行实训提供一份经验报告。
3、实训教学要求:要求同学认真分析在实训中所遇到的问题,认真总结,并完成实训报告的填写。
二、教学过程:1.学生总结2.完成实训报告三、注意事项:1.实训小结、实训报告需认真如实总结填写。
2.字迹工整,态度认真。
一、教学目标1. 知识目标:使学生掌握车工的基本操作技能,了解车床的结构及工作原理。
2. 能力目标:培养学生独立操作车床的能力,提高学生的动手实践能力。
3. 情感目标:激发学生对机械加工行业的兴趣,培养学生严谨、细致的工作态度。
二、教学内容1. 车床的基本结构及工作原理2. 车工基本操作技能3. 车工安全操作规程三、教学时间2课时四、教学过程(一)导入1. 利用图片、视频等形式展示车工行业的应用领域,激发学生的学习兴趣。
2. 提出问题:“什么是车工?车工的主要工作是什么?”引导学生思考。
(二)讲授新课1. 车床的基本结构及工作原理a. 教师讲解车床的各个组成部分,如主轴、床身、刀架、尾座等。
b. 通过实物或模型展示车床的工作原理,使学生直观了解。
2. 车工基本操作技能a. 教师示范车工的基本操作,如装夹工件、调整刀具、切削等。
b. 学生跟随教师操作,逐步掌握车工基本技能。
3. 车工安全操作规程a. 教师讲解车工安全操作规程,强调安全注意事项。
b. 学生练习安全操作,确保在实训过程中安全。
(三)实训操作1. 学生分组进行车工实训操作,教师巡回指导。
2. 教师针对学生在操作过程中出现的问题进行解答和纠正。
(四)巩固练习1. 学生独立完成一定数量的车工实训项目,巩固所学技能。
2. 教师对学生的操作进行评价,指出不足之处,并提出改进建议。
(五)小结1. 教师总结本节课的学习内容,强调重点和难点。
2. 学生分享学习心得,总结实训过程中的收获。
五、作业布置1. 完成课后练习题,巩固所学知识。
2. 预习下一节课的内容,为后续学习做好准备。
六、教学评价1. 学生在实训过程中的操作技能掌握程度。
2. 学生对车工安全操作规程的遵守情况。
3. 学生对车工行业的兴趣和认识程度。
注:本教案设计模板仅供参考,具体教学过程可根据实际情况进行调整。
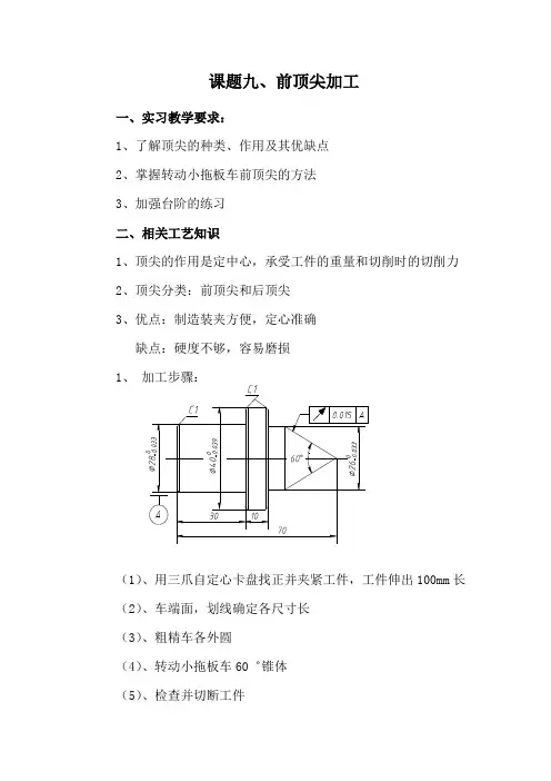
课题九、前顶尖加工
一、实习教学要求:
1、了解顶尖的种类、作用及其优缺点
2、掌握转动小拖板车前顶尖的方法
3、加强台阶的练习
二、相关工艺知识
1、顶尖的作用是定中心,承受工件的重量和切削时的切削力
2、顶尖分类:前顶尖和后顶尖
3、优点:制造装夹方便,定心准确
缺点:硬度不够,容易磨损
1、
(1)、用三爪自定心卡盘找正并夹紧工件,工件伸出100mm长(2)、车端面,划线确定各尺寸长
(3)、粗精车各外圆
(4)、转动小拖板车60゜锥体
(5)、检查并切断工件
三、注意事项
1、小拖板转动角度误差大
2、锥面容易出现曲线,原因是刀没严格对准工件中心
3、因双手配合不熟练,造成锥面表面粗糙度大
4、总长误差大
四、学生练习教师巡回指导。
车工实训教案(6学时)
教学目的
1、了解车床的安全操作守则及实训要求。
2、了解卧式车床的组成、运动和用途。
3、了解车床主要附件的大致结构和用途。
4、了解常用量具及其使用方法。
5、掌握车外圆、车端面的方法,了解切槽、切断和锥面、成形面、螺纹的车削特点,能独立完成简单零件的车削加工。
8、能按图样要求进行端面、外圆等基本车削加工。
第一天上午的任务时间300分钟
1、安全操作守则
2、车削加工原理、工作范围及车床
5、工件安装及车刀安装
6、刻度盘和量具的使用
7、切削用量三要素
8、基本车削工艺训练。
教学环节教学内容列队进行,班长点名汇报出勤情况。
教师讲解当天实习教学内容。
通过示范车床的运转及教师的讲解以及各种案例,让学生知道安全、文明生产的重要性,并学习掌握车工操作规程。
教学组织:一、站队集合:1、检查出勤情况。
2、检查工作服穿戴情况。
教授新课:二、安全、文明生产的相关知识:1、通过事例讲解安全、文明生产,让学生认识到遵守操作规程的重要性★事例一: 2003年6月13日,江苏省连云港市一个体机械加工厂,车工王某和钻工张某两人在一个仅9平米的车间内作业,他们的两台机床的间距仅0.6米,当王某在加工一件长度为1.85米的六角钢棒时,因为该棒伸出车床长度较大,在高速旋转下,该钢棒被甩弯,打在了正在旁边作业的张某的头上,等郑某发现立即停车后,张某的头部已被连击数次,头骨碎裂,当场死亡。
★事例二:2005年3月某厂金工车间张某,在C6180车床上加工1.9米长的拉杆,当用200转/分的速度加工端部直径90毫米轴头的最后一刀时,刀上缠上了切屑,在未停车的情况下,用带着手套的手去清除刀尖上的切屑时,右手被卷进工件与刀架之间,使右手严重受伤,经医治,从右手臂中部截肢,造成终身残废。
2、结合挂图、车床实物学习车床的的结构和各部分名称及功用,引导学生学习车工安全文明操作规程系主任审批:年月日教学环节教学内容列队进行,班长点名汇报出勤情况。
教师讲解当天实习内容。
对昨天的考试情况,采用教师提问,学生回答的方法进行回顾昨天的学习内容,从而提高安全意识。
运用板书、胶片及机床讲解,让学生充分认识车床的构造。
对照车床实物讲解教学组织:一、站队集合:1、检查出勤情况。
2、检查工作服穿戴情况。
3、检查设备、工、量具完好状况。
复习检查:二、应注意的安全文明生产要求:1、开动机床前应检查什么?2、工作时应注意哪些事项?3、工作完毕及下班后应达到什么要求?讲授新课:三、相关工艺知识:1、机床的铭牌说明:○1C 61 6 -1:C—车床类6—组别代号(普通卧式车床)16—加工工件最大半径为160毫米1—第一次重大改进○2C A 6 1 40 :C—类代号(车床类)A—结构特性代号6—组代号(卧式车床组)1—系代号(卧式车床系)40—主参数折算值(最大工件回转直径的1/10)2、车床各部分名称及其作用教师要边示范,边讲解操作时的注意事项.教师在不断巡回指导过程中,要随时发现问题,并及时个别或统一重点纠正,直至学生掌握操作方法为止。
中职车工工艺学教案第一章:车工基本概念与安全操作1.1 车工概述介绍车工的定义、作用和分类解释车工的基本加工原理1.2 车工工艺参数讲解车工的主要工艺参数,如转速、进给量、切削深度等介绍如何选择合适的车工工艺参数1.3 车床结构与功能介绍车床的主要结构部件,如床身、主轴、刀架等讲解车床的工作原理和功能1.4 车工安全操作规程强调车工安全操作的重要性列出车工安全操作的基本规程和注意事项第二章:车工工具与夹具2.1 车工刀具的类型与选择介绍车工刀具的类型,如车刀、镗刀、钻头等讲解如何根据加工材料和工艺要求选择合适的刀具2.2 车工夹具的作用与分类解释车工夹具的作用和重要性介绍车工夹具的分类和特点2.3 车工夹具的安装与调整讲解如何正确安装和调整车工夹具强调夹具安装的重要性及其对加工精度的影响2.4 车工工具的使用与维护介绍车工工具的正确使用方法和注意事项讲解车工工具的维护保养知识和技巧第三章:车工基本加工方法3.1 车外圆介绍车外圆的加工方法和技术要点讲解如何选择合适的刀具和工艺参数3.2 车内孔解释车内孔的加工方法和技术要点讲解如何选择合适的刀具和工艺参数3.3 车端面和螺纹介绍车端面和螺纹的加工方法和技术要点讲解如何选择合适的刀具和工艺参数3.4 车成形面和曲轴解释车成形面和曲轴的加工方法和技术要点讲解如何选择合适的刀具和工艺参数第四章:车工高级加工技术4.1 车削高精度加工介绍车削高精度加工的方法和技术要点讲解如何实现高精度加工和注意事项4.2 车削硬质合金材料解释车削硬质合金材料的加工方法和技术要点讲解如何选择合适的刀具和工艺参数4.3 车削高速加工介绍车削高速加工的方法和技术要点讲解如何实现高速加工和注意事项4.4 车削复杂零件加工解释车削复杂零件的加工方法和技术要点讲解如何选择合适的刀具和工艺参数第五章:车工工艺实例与分析5.1 轴类零件加工实例给出一个轴类零件的加工实例分析加工过程中的关键技术要点和工艺参数选择5.2 盘类零件加工实例给出一个盘类零件的加工实例分析加工过程中的关键技术要点和工艺参数选择5.3 套类零件加工实例给出一个套类零件的加工实例分析加工过程中的关键技术要点和工艺参数选择5.4 箱体类零件加工实例给出一个箱体类零件的加工实例分析加工过程中的关键技术要点和工艺参数选择5.5 复杂零件加工实例给出一个复杂零件的加工实例分析加工过程中的关键技术要点和工艺参数选择第六章:车工编程与自动化6.1 车工编程基础介绍车工编程的基本概念和常用编程语言讲解数控车床的编程方法和步骤6.2 车工自动化的应用解释车工自动化技术的原理和应用领域介绍车工自动化设备的选择和配置6.3 车工编程实例给出一个车工编程实例分析编程过程中的关键技术要点和程序解读6.4 车工自动化生产线介绍车工自动化生产线的组成和工作原理讲解车工自动化生产线的优势和应用案例第七章:车工质量控制与检测7.1 车工质量控制原理介绍车工质量控制的重要性和目标讲解车工质量控制的方法和工具7.2 车工质量检测方法解释车工质量检测的原理和常用检测方法介绍车工质量检测设备的选择和使用7.3 车工质量改进与优化讲解车工质量改进的方法和步骤介绍车工质量优化的目标和策略7.4 车工质量管理体系介绍车工质量管理体系的建立和运行讲解车工质量管理体系的认证和维护第八章:车工职业道德与职业发展8.1 车工职业道德强调车工职业道德的重要性讲解车工职业道德的基本原则和行为规范8.2 车工职业发展前景介绍车工职业的发展趋势和就业前景讲解车工职业技能提升和职业规划的方法8.3 车工职业资格认证解释车工职业资格认证的体系和要求介绍车工职业资格认证的申请和准备过程8.4 车工职业培训与教育介绍车工职业培训和教育的方式和内容讲解车工职业培训和教育的意义和效果第九章:车工安全与环境保护9.1 车工安全管理强调车工安全管理的重要性讲解车工安全管理的体系和方法9.2 车工事故预防与处理解释车工事故的类型和原因讲解车工事故预防的措施和处理方法9.3 车工环境保护介绍车工环境保护的重要性和要求讲解车工环境保护的技术和方法9.4 车工应急预案与救援讲解车工应急预案的制定和实施介绍车工救援设备和应急处理流程第十章:车工案例分析与综合实践10.1 车工案例分析给出一个车工案例分析案例中的关键技术要点和经验教训10.2 车工综合实践讲解车工综合实践的目的和意义介绍车工综合实践的内容和实施方法10.3 车工技术创新与发展介绍车工技术创新的现状和趋势讲解车工技术创新的方法和途径10.4 车工行业交流与合作强调车工行业交流与合作的重要性讲解车工行业交流与合作的方式和成果重点解析第一章:车工基本概念与安全操作重点:车工的定义、作用和分类,车工的基本加工原理,车工工艺参数的选择。
车工实训实习教案教案长度:1331字一、教学目标:1.了解车工实训实习的目的和意义;2.掌握基本车工实训技巧;3.培养学生的动手能力和解决问题的能力。
二、教学内容:1.车床操作技巧;2.车削加工过程;3.数控车床操作技巧;4.数控车床程序编程。
三、教学方法:1.讲授法:通过讲解和演示,向学生传授车工实训所需的理论知识和技巧;2.实践法:通过实际操作,培养学生的动手能力和解决问题的能力;3.辅助法:通过使用图片、视频等辅助材料,加深学生对车工实训的理解。
四、教学过程:1.导入(10分钟)教师通过向学生介绍车工实训的目的和意义,引起学生对此课程的兴趣。
2.讲授车床操作技巧(20分钟)教师通过讲解和演示,向学生介绍车床的基本结构和操作技巧,包括车刀的安装和调整、工件的夹持等。
3.车削加工过程(30分钟)教师通过实际操作演示,向学生展示车削加工的过程,包括车削切削力和速度的调整、尺寸和表面粗糙度的控制等。
4.数控车床操作技巧(20分钟)教师通过讲解和演示,向学生介绍数控车床的基本操作技巧,包括坐标系的设置、加工程序的选择和启动等。
5.数控车床程序编程(30分钟)教师通过实际操作演示,向学生展示数控车床程序编程的过程,包括加工路径的设定和加工参数的调整等。
6.实践操作(20分钟)学生根据教师的指导,进行车工实训的实践操作,通过实际操作提高动手能力和解决问题的能力。
7.总结(10分钟)教师对本节课的教学内容进行总结,强调学生在实践过程中所获得的经验和技巧。
五、教学评价:1.学生的表现:学生能够根据教师的指导进行实践操作,掌握基本的车工实训技巧;2.教学效果:通过实际操作,学生的动手能力和解决问题的能力得到了提高;3.教学反思:由于时间有限,教师在教学内容和教学方法上可能还有待改进。
六、拓展延伸:1.学生可以通过参观工业公司的车间,进一步了解车工实训的应用;2.学生可以通过参加车工技能比赛,锻炼和展示自己的车工实训技能;3.学生可以通过实习或工作,将所学的车工实训技能应用于实际生产中。
车工实训教学教案(全)(一)引言概述:车工实训教学教案是针对车工实训课程的教学内容和方法进行详细规划和设计,旨在培养学生的车工操作技能和实际应用能力。
本文将从以下五个大点展开,分别是实训目标、教学内容、教学方法、教学评估和教学资源。
正文:一、实训目标:1. 培养学生的基本车工技能,包括车削、车床操作、螺纹加工等。
2. 提高学生的机械加工思维和创新能力,培养解决实际问题的能力。
3. 培养学生的安全意识和团队合作能力。
4. 培养学生对车工行业的了解,为将来的就业做好准备。
5. 培养学生的自主学习能力和终身学习意识。
二、教学内容:1. 机械加工的基本理论知识,包括车工原理、车削加工和螺纹加工等。
2. 车床的操作和维护知识,包括机床结构和工作原理、操作流程和安全事项等。
3. 常见零件加工技术,包括车削精度控制、孔加工和外圆加工等。
4. 特殊工件的加工技术,如斜齿轮和曲线零件的加工方法等。
5. 实际案例分析和解决实际问题的能力培养。
三、教学方法:1. 讲授与示范相结合的教学方法,使学生能够理解和模仿正确的操作技巧。
2. 提供实际实训机床,让学生亲自进行操作和实践。
3. 引导学生进行问题解决和团队合作的实际案例分析。
4. 制定实训计划和任务,让学生有目标地进行实际操作和加工。
5. 鼓励学生参与竞赛和实习,提高实际应用能力和技术水平。
四、教学评估:1. 设计各种考核方式,如实操考核、理论考试和实际案例分析等。
2. 根据学生的实际操作和加工结果评估其技能水平和应用能力。
3. 对学生的团队合作能力和解决问题的能力进行评估。
五、教学资源:1. 提供符合教学要求的实训机床和工具。
2. 提供教学资料和参考书籍,便于学生学习和复习。
3. 创建实训教室和实验室,为学生提供实际操作和实践的机会。
4. 配备专业教师和助教,提供指导和帮助学生解决问题。
总结:车工实训教学教案通过设定实训目标、明确教学内容、采用多种教学方法、进行教学评估和提供教学资源,全面培养学生的车工操作技能和实际应用能力。
一、实训背景随着我国制造业的快速发展,对高技能人才的需求日益增长。
为了提高自身技能水平,适应行业发展趋势,我在某知名企业进行了为期一个月的车工顶尖实训。
此次实训旨在全面提升我的车工技能,深入了解车床操作、刀具选择、加工工艺等方面的知识,为今后从事相关职业打下坚实基础。
二、实训目的1. 熟悉并掌握车床的操作原理、工作方式及其维护保养。
2. 学会选用合适的刀具,并熟练掌握刀具的磨削技巧。
3. 熟悉各种工件加工工艺,提高加工精度和效率。
4. 培养严谨的工作态度和良好的团队协作精神。
三、实训内容1. 车床操作与维护(1)了解车床的结构、性能及工作原理。
(2)掌握车床的安装、调试、操作及维护保养方法。
(3)学习车床的润滑系统、冷却系统等关键部件的维护。
2. 刀具选择与磨削(1)了解各种刀具的用途、性能及适用范围。
(2)掌握刀具的选用原则、磨削方法及注意事项。
(3)学习磨削刀具的基本技能,提高刀具磨削质量。
3. 工件加工工艺(1)熟悉各种工件加工工艺,包括外圆、内孔、螺纹、端面、倒角等。
(2)掌握加工工艺参数的选取原则,提高加工精度和效率。
(3)学习解决加工过程中出现的问题,提高实际操作能力。
4. 团队协作与沟通(1)参与团队讨论,提高团队协作能力。
(2)与师傅、同事沟通交流,学习他人经验,提高自身技能。
(3)培养良好的职业道德和敬业精神。
四、实训过程1. 第一周:学习车床操作、刀具磨削等基础知识。
2. 第二周:掌握车床的安装、调试、操作及维护保养方法。
3. 第三周:学习刀具的选用原则、磨削方法及注意事项。
4. 第四周:熟悉各种工件加工工艺,提高加工精度和效率。
五、实训收获1. 提高了车工操作技能,掌握了车床操作、刀具磨削、工件加工等方面的知识。
2. 了解了行业发展趋势,明确了今后努力方向。
3. 培养了严谨的工作态度和良好的团队协作精神。
4. 拓宽了人际关系,结识了志同道合的朋友。
六、实训总结通过本次车工顶尖实训,我收获颇丰。
课题九、前顶尖加工
一、实习教学要求:
1、了解顶尖的种类、作用及其优缺点
2、掌握转动小拖板车前顶尖的方法
3、加强台阶的练习
二、相关工艺知识
1、顶尖的作用是定中心,承受工件的重量和切削时的切削力
2、顶尖分类:前顶尖和后顶尖
3、优点:制造装夹方便,定心准确
缺点:硬度不够,容易磨损
1、
(1)、用三爪自定心卡盘找正并夹紧工件,工件伸出100mm长(2)、车端面,划线确定各尺寸长
(3)、粗精车各外圆
(4)、转动小拖板车60゜锥体
(5)、检查并切断工件
三、注意事项
1、小拖板转动角度误差大
2、锥面容易出现曲线,原因是刀没严格对准工件中心
3、因双手配合不熟练,造成锥面表面粗糙度大
4、总长误差大
四、学生练习教师巡回指导。