空气中粉尘爆炸极限表之欧阳光明创编
- 格式:doc
- 大小:149.52 KB
- 文档页数:6
空气中粉尘爆炸极限表 LG GROUP system office room 【LGA16H-LGYY-LGUA8Q8-LGA162】
酚甲酰胺25500酚糠醛25520
热塑性塑料缩乙醛35440
醇酸155500乙基纤维素20340合成橡胶30320醋酸纤维素35420四氟乙烯-670尼龙30500丙酸纤维素25460聚丙烯酰胺40410聚丙烯腈25500聚乙烯20410
聚对苯二甲酸乙
酯
40500聚氯乙烯-660聚醋酸乙烯酯40550聚苯乙烯20490聚丙烯20420聚乙烯醇35520
甲基纤维素30360木质素65510松香55440
塑料一次原料己二酸35550酪蛋白45520对苯二酸50680多聚甲醛40410对羧基苯甲醛20380
塑料填充剂软木35470纤维素絮凝物55420棉花絮凝物50470木屑40430
农产品及其它玉米及淀粉45470大豆40560小麦60470花生壳85570砂糖19410煤炭(沥青)35610肥皂45430干浆纸60480
**指游离SiO
2
低于10%,不含石棉和有毒物质,而尚未制定容许浓度的粉尘。
表中列出
的各种粉2尘(石棉纤维尘外),游离SiO
2高于10%者,却按矽尘容许浓度对待。
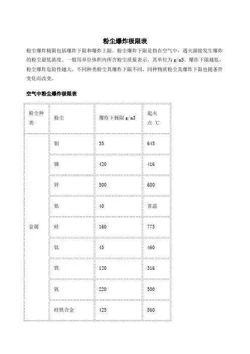
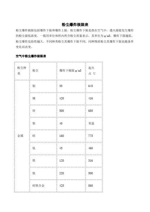
粉尘种类粉尘爆炸下极限g/m3
起火
点℃
金属钼35645锑420416锌500680锆40常温硅160775钛45460铁120316钒220500硅铁合金425860
镁20520镁铝合金50535锰210450
热固性塑料绝缘胶木30460环氧树脂20540酚甲酰胺25500酚糠醛25520
热塑性塑料缩乙醛35440醇酸155500乙基纤维素20340合成橡胶30320醋酸纤维素35420四氟乙烯-670尼龙30500
丙酸纤维素25460
聚丙烯酰胺40410聚丙烯腈25500聚乙烯20410
聚对苯二甲酸乙
40500酯
聚氯乙烯-660聚醋酸乙烯酯40550聚苯乙烯20490聚丙烯20420聚乙烯醇35520甲基纤维素30360木质素65510松香55440
塑料一次原料己二酸35550酪蛋白45520对苯二酸50680多聚甲醛40410对羧基苯甲醛20380
塑料填充剂软木35470纤维素絮凝物55420棉花絮凝物50470木屑40430
农产品及其它玉米及淀粉45470大豆40560小麦60470花生壳85570砂糖19410
煤炭(沥青)35610
肥皂45430
干浆纸60480
(1)粉尘粒径越小,爆炸下限越低。
(2)氧浓度越高,爆炸下限越低。
(3)可燃挥发性成分含量越高,粉尘爆炸下限越低。
工作场所空气中粉尘容许浓度(mg/m3)
**指游离SiO
2
低于10%,不含石棉和有毒物质,而尚未制定容许浓度的粉尘。
表中列出的
各种粉2尘(石棉纤维尘外),游离SiO
2高于10%者,却按矽尘容许浓度对待。
.粉尘爆炸极限表粉尘爆炸极限包括爆炸下限和爆炸上限。
粉尘爆炸下限是指在空气中,遇火源能发生。
爆炸下g/m炸的粉尘最低浓度。
一般用单位体积内所含粉尘质量表示,其单位越低,粉尘爆炸危险性越大。
不同种类粉尘其爆炸下限不同,同种物质粉尘其爆炸下也随条件变化而改变空气中粉尘爆炸极限起爆炸下极粉尘粉g/m364535416420680500常4077516046045金316120500220硅铁合86042552020镁铝合53550450210绝缘胶46030环氧树54020热固塑酚甲酰50025酚糠52025..缩乙醛35 440醇500155乙基纤维34020合成橡32030醋酸纤维42035四氟乙670-尼50030丙酸纤维46025聚丙烯酰41040聚丙烯50025热塑塑聚乙41020聚对苯二甲酸50040聚氯乙-660聚醋酸乙烯55040聚苯乙49020聚丙42020聚乙烯52035甲基纤维36030木质51065松44055..己二酸35 550酪蛋52045塑料对苯二68050次原多聚甲41040对羧基苯甲38020软47035纤维素絮凝42055塑料充棉花絮凝47050木43040玉米及淀47045大56040小47060花生57085农产及其砂41019煤炭(沥青61035肥43045干浆48060(1粉尘粒径越小,爆炸下限越低(2氧浓度越高,爆炸下限越低(3可燃挥发性成分含量越高,粉尘爆炸下限越低..工作场所空气中粉尘容许浓度mg/m PC-TWA(mg/超英文中文CAS No倍总842Dolomite dust1白云石粉Fiberglass reinforced plastic32玻璃钢粉2dust(total) 232茶Tea dust(total)沉Si白炭黑4Precipitated silica dust(total)52112926-00-5大理石粉1317-65-842Marble dust6电焊烟4Welding fume(total)2二氧化钛粉78Titanium dioxide dust(total)213463-67-8沸石粉2Zeolite dust(total)5Phenolic aldehyde resin9酚醛树酯粉62dust(total)谷物粉(游Si10Grain4dust(freeSi<10%)(total)2<10%)硅灰石粉11Wollastonite dust(total)2513983-17-硅藻土粉Diatomite dust1261790-53-26free Si<10total)游Si含<10%滑石粉(游SiTalc dust(free Si<10%)13<10%)312(14807-96-6)活性炭粉214Active carbon dust(total)564365-11-515聚丙烯粉Polypropylene dust(total)2Polyacryonitrile fiber16聚丙烯腈纤维粉22dust(total)Polyvinyl聚氯乙烯粉5172chloride(PVC)dust(total)9002-86-Polyethylene dust(total)18聚乙烯粉9002-88-5227429-90-铝尘Aluminium dust23Alloys dust铝金属、铝合金粉192氧化铝粉尘 Aluminium oxide dust4..3) PC-TWA(mg/m超限序中文名CAS No. 英文名呼倍数号总尘尘麻Flax,jute and remine dusts2(游Si含 <10%)(free Si<10%)(total)Flax1.52亚20黄 Jute22苎2 Ramie3煤尘(游Si含21Coal dust(free Si<10%)242.5<10%)22棉Cotton dust(total)2123木粉2Wood dust(total)324凝Si粉Condensed silica dust1.520.525膨润士粉1302-78-Bentonite dust(total)6226皮毛粉2Fur dust(total)8人造玻璃质纤2Man-made vitrious fiber玻璃棉棉粉尘2 Fibrous glass dust(total)327矿渣棉粉2 Slag wool dust(total)3岩棉粉 Rock wool dust(total)3228桑蚕丝Mulberry silk dust(total)8229砂轮磨Grinding wheel dust(total)8230石膏粉尘10101-41-2Gypsum dust8431石灰石粉1317-65-2Limestone dust84石棉(石棉含量10Asbestosasbestos >1021332-21-432粉2dust0.8纤2 Asbestos fibre0.8f/ml33石墨粉尘7782-42- Graphite dust242水泥粉(游Si34Cement dust(free Si2<10%)41.5<10%)35炭黑粉尘1333-86-2 Carbon black dust(total)436碳化硅粉尘409-21-Silicon carbide dust28437碳纤维粉Carbon fiber dust(total)32矽尘14808-60-2Silica dust1050游Containing 10250% free Si10.7Si的粉385080游Containing 5080% free Si0.720.3Si粉80以上游Containing >80% free Si20.50.2Si粉稀土粉尘(游SiRare-earth dust (free2392.52 <10%)Si<10%)(total)40洗衣粉混合2Detergent mixed dust1..3)PC-TWA(mg/m 超限序中文名CAS No. 英文名呼倍数号总尘尘2Tobacco dust (total)2烟草411420.72萤石混合性粉Fluorspar mixed dust (total)2Mica dust云母粉尘4312001-26-1.52珍珠岩粉44Perlite dust293763-70-345蛭石粉Vermiculite dust(total)2 46重晶石粉7727-43-5Barite dust (total)2Particles not otherwise其他粉47**82regulated*指游Si低10,不含石棉和有毒物质,而尚未制定容许浓度的粉尘。
镁20 520 镁铝合金50 535 锰210 450
热固性塑料绝缘胶木30 460 环氧树脂20 540 酚甲酰胺25 500 酚糠醛25 520
热塑性塑料缩乙醛35 440 醇酸155 500 乙基纤维素20 340 合成橡胶30 320 醋酸纤维素35 420 四氟乙烯- 670 尼龙30 500
丙酸纤维素25 460
聚丙烯酰胺40 410
聚丙烯腈25 500
聚乙烯20 410
聚对苯二甲酸乙
40 500
酯
聚氯乙烯- 660
聚醋酸乙烯酯40 550
聚苯乙烯20 490
聚丙烯20 420
聚乙烯醇35 520
甲基纤维素30 360
木质素65 510
松香55 440 塑料一己二酸35 550
次原料酪蛋白
45 520
对苯二酸50 680
多聚甲醛40 410
对羧基苯甲醛20 380
塑料填充剂软木35 470 纤维素絮凝物55 420 棉花絮凝物50 470 木屑40 430
农产品及其它玉米及淀粉45 470 大豆40 560 小麦60 470 花生壳85 570 砂糖19 410 煤炭(沥青)35 610
肥皂45 430
干浆纸60 480
(1)粉尘粒径越小,爆炸下限越低。
(2)氧浓度越高,爆炸下限越低。
(3)可燃挥发性成分含量越高,粉尘爆炸下限越低。
**指游离SiO2低于10%,不含石棉和有毒物质,而尚未制定容许浓度的粉尘。
表中列出的各种粉2尘(石棉纤维尘外),游离SiO2高于10%者,却按矽尘容许浓度对待。
空气中粉尘爆炸极限表 This model paper was revised by the Standardization Office on December 10, 2020粉尘种类粉尘爆炸下极限g/m3起火点℃金属钼35645锑420416锌500680锆40常温硅160775钛45460铁120316钒220500硅铁合金425860镁20520镁铝合金50535锰210450热固性塑料绝缘胶木30460环氧树脂20540酚甲酰胺25500酚糠醛25520热塑性塑料缩乙醛35440醇酸155500乙基纤维素20340合成橡胶30320醋酸纤维素35420四氟乙烯-670尼龙30500丙酸纤维素25460聚丙烯酰胺40410聚丙烯腈25500聚乙烯20410聚对苯二甲酸乙40500酯聚氯乙烯-660聚醋酸乙烯酯40550聚苯乙烯20490聚丙烯20420聚乙烯醇35520甲基纤维素30360木质素65510松香55440塑料一次原料己二酸35550酪蛋白45520对苯二酸50680多聚甲醛40410对羧基苯甲醛20380塑料填充剂软木35470纤维素絮凝物55420棉花絮凝物50470木屑40430农产品及其它玉米及淀粉45470大豆40560小麦60470花生壳85570砂糖19410煤炭(沥青)35610肥皂45430干浆纸60480(1)粉尘粒径越小,爆炸下限越低。
(2)氧浓度越高,爆炸下限越低。
(3)可燃挥发性成分含量越高,粉尘爆炸下限越低。
工作场所空气中粉尘容许浓度(mg/m3)**指游离SiO低于10%,不含石棉和有毒物质,而尚未制定容许浓度的粉尘。
表中列出的2高于10%者,却按矽尘容许浓度对待。
各种粉2尘(石棉纤维尘外),游离SiO2。
粉尘种类粉尘爆炸下极限g/m3
起火
点℃
金属钼35645锑420416锌500680锆40常温硅160775钛45460铁120316钒220500硅铁合金425860
镁20520镁铝合金50535锰210450
热固性塑料绝缘胶木30460环氧树脂20540酚甲酰胺25500酚糠醛25520
热塑性塑料缩乙醛35440醇酸155500乙基纤维素20340合成橡胶30320醋酸纤维素35420四氟乙烯-670尼龙30500
丙酸纤维素25460
聚丙烯酰胺40410聚丙烯腈25500聚乙烯20410
聚对苯二甲酸乙
40500酯
聚氯乙烯-660聚醋酸乙烯酯40550聚苯乙烯20490聚丙烯20420聚乙烯醇35520甲基纤维素30360木质素65510松香55440
塑料一次原料己二酸35550酪蛋白45520对苯二酸50680多聚甲醛40410对羧基苯甲醛20380
塑料填充剂软木35470纤维素絮凝物55420棉花絮凝物50470木屑40430
农产品及其它玉米及淀粉45470大豆40560小麦60470花生壳85570砂糖19410
煤炭(沥青)35610
肥皂45430
干浆纸60480
(1)粉尘粒径越小,爆炸下限越低。
(2)氧浓度越高,爆炸下限越低。
(3)可燃挥发性成分含量越高,粉尘爆炸下限越低。
工作场所空气中粉尘容许浓度(mg/m3)
**指游离SiO
2
低于10%,不含石棉和有毒物质,而尚未制定容许浓度的粉尘。
表中列出的
各种粉2尘(石棉纤维尘外),游离SiO
2高于10%者,却按矽尘容许浓度对待。
空气中粉尘爆炸极限表 WTD standardization office【WTD 5AB- WTDK 08- WTD 2C】
热固性塑料绝缘胶木30 460 环氧树脂20 540 酚甲酰胺25 500 酚糠醛25 520
热塑性塑料缩乙醛35 440
醇酸155 500 乙基纤维素20 340 合成橡胶30 320 醋酸纤维素35 420 四氟乙烯- 670 尼龙30 500 丙酸纤维素25 460 聚丙烯酰胺40 410 聚丙烯腈25 500 聚乙烯20 410
聚对苯二甲酸乙
酯
40 500 聚氯乙烯- 660 聚醋酸乙烯酯40 550 聚苯乙烯20 490
聚丙烯20 420 聚乙烯醇35 520 甲基纤维素30 360 木质素65 510 松香55 440
塑料一次原料己二酸35 550 酪蛋白45 520 对苯二酸50 680 多聚甲醛40 410 对羧基苯甲醛20 380
塑料填充剂软木35 470 纤维素絮凝物55 420 棉花絮凝物50 470 木屑40 430
农产品及其它玉米及淀粉45 470 大豆40 560 小麦60 470 花生壳85 570 砂糖19 410
煤炭(沥青)35 610 肥皂45 430 干浆纸60 480
**指游离SiO2低于10%,不含石棉和有毒物质,而尚未制定容许浓度的粉尘。
表中列出的各种粉2尘(石棉纤维尘外),游离SiO2高于10%者,却按矽尘容许浓度对待。
空气中粉尘爆炸极限表
1. 简介
粉尘爆炸是指在粉尘浓度、空气含氧量、点火源三者共存的情况下,发生燃烧反应并产生爆炸。
粉尘爆炸不仅会给人类带来危险,还会造
成严重的经济损失。
因此,了解粉尘爆炸的极限值是工业安全控制的
重要内容之一。
本文档旨在介绍常见工业粉尘爆炸的极限值,供工程师、安全管理
人员参考。
2. 粉尘爆炸极限表
下表列出了部分粉尘的极限值,其中LFL为爆炸下限,UFL为爆炸
上限。
粉尘种类粉尘浓度范围LFL (%)粉尘浓度范围UFL (%)
木屑8-1275-100
纤维素11.195
羊毛2570
精细氧化铝4-6100
麻花卷(油烟)0.9-4.512-60
铝粉0.7-4.3100
黄磷 1.8-12100
粉尘种类粉尘浓度范围LFL (%)粉尘浓度范围UFL (%)
焦炭0.7-1.3100
非防爆场合煤尘50-100150
防爆场合煤尘20-5080-120
面粉6-1060-100
玉米粉5-1550-100
尿素30-40200-250
葵花籽豆腐30-3765-80
玄米10.771.3
3. 注意事项
1.本文档中所列数值为大致参考值,具体数值仍需要根据实
际情况进行定量测定;
2.粉尘物质本身是危险品,操作时应当注意与常见爆炸物隔
离,并采用适当的防护措施;
3.如有关于粉尘防爆的问题,请咨询专业人士。
4. 结论
粉尘爆炸极限值是工程师和安全管理人员在安全控制中必须考虑的重要因素之一。
希望本文档能够对工程师和安全管理人员在粉尘防爆方面提供参考和帮助。
______________________________________________________________________________________________________________粉尘爆炸极限表粉尘爆炸极限包括爆炸下限和爆炸上限。
粉尘爆炸下限是指在空气中,遇火源能发生爆 炸的粉尘最低浓度。
一般用单位体积内所含粉尘质量表示,其单位为 g/m3。
爆炸下限 越低,粉尘爆炸危险性越大。
不同种类粉尘其爆炸下限不同,同种物质粉尘其爆炸下限 也随条件变化而改变。
空气中粉尘爆炸极限表粉尘种 类粉尘爆炸下极限 g/m3起火 点℃钼35645锑420416锌500680锆40常温金属硅160775钛45460铁120316钒220500硅铁合金425精品资料860______________________________________________________________________________________________________________镁20520镁铝合金50535锰210450绝缘胶木30460环氧树脂20540热固性塑料酚甲酰胺25500酚糠醛25520缩乙醛35440醇酸155500乙基纤维素20340热塑性合成橡胶30320塑料醋酸纤维素35420四氟乙烯-670尼龙30500精品资料______________________________________________________________________________________________________________丙酸纤维素25460聚丙烯酰胺40410聚丙烯腈25500聚乙烯20410聚对苯二甲酸乙40500酯聚氯乙烯-660聚醋酸乙烯酯40550聚苯乙烯20490聚丙烯20420聚乙烯醇35520甲基纤维素30360木质素65510松香55440精品资料______________________________________________________________________________________________________________己二酸35550酪蛋白45520塑料一对苯二酸50680次原料多聚甲醛40410对羧基苯甲醛20380软木35470纤维素絮凝物55420塑料填充剂棉花絮凝物50470木屑40430玉米及淀粉45470大豆40560农产品小麦60470及其它花生壳85570砂糖19410精品资料______________________________________________________________________________________________________________煤炭(沥青)35610肥皂45430干浆纸60480(1)粉尘粒径越小,爆炸下限越低。
各种粉末的自燃点及爆炸下限粉尘爆炸极限表补充:概念:、爆炸的概念:爆炸是指物质的状态和存在形式发生突变,在瞬间释放出大量的能量,形成空气冲击波,可使周围物质受到强烈的冲击,同时伴随有声或光效应的现象。
爆炸极限的概念:爆炸极限是可燃气体、蒸气或粉尘与空气混合后,遇火会产生爆炸的最高或最低浓度。
——国家标准《消防术语》最低浓度——爆炸下限(LEL)最高浓度——爆炸上限(UEL)1.粉尘本身是可燃粉尘非燃性粉尘是不会发生爆炸的,燃粉尘除前述外,还有茶叶、中药材维、硫磺粉尘等。
2.粉尘必须悬浮在空中,并与空气混合达到一定浓度粉尘能否悬浮在空中要害在于粉尘微粒,只有直径小于l0um的粉尘其扩散作用才大干重力作爪,易形成爆炸“层云”。
粉尘爆炸下限一般为20~60g/m3,爆炸上限为2~6kg/m3。
3.火源必须具有一定能量粉尘爆炸需首先加热或熔融蒸发或热解出可燃气体,因此需较多的热量。
粉尘爆炸的最小引爆能达10毫焦以上,为气体爆炸的近百倍。
此外,空气中的湿度不能太大,否则也不会发生粉尘爆炸。
粉尘爆炸的特点1.粉尘爆炸的条件:(1)粉尘本身必须是可燃性的;(2)粉尘必须具有相当大的比表面积;(3)粉尘必须悬浮在空气中,与空气混合形成爆炸极限范围内的混合物;(4)有足够的点火能量。
2.影响粉尘爆炸的因素:(1)颗粒的尺寸;(2)粉尘浓度;(3)空气的含水量;(4)含氧量;(5)可燃气体含量。
颗粒越小其比表面积越大,氧吸附也越多,在空气中悬浮时间越长,爆炸危险性越大。
空气中含水量越高、粉尘越小、引爆能量越高。
随着含氧量的增加,爆炸浓度范围扩大。
有粉尘的环境中存在可燃性气体时,会大大增加粉尘爆炸的危险性。
3.粉尘爆炸的特点:(1)多次爆炸是粉尘爆炸的最大特点;(2)粉尘爆炸所需的最小点火能量较高,一般在几十毫焦耳以上。
(3)与可燃性气体爆炸相比,粉尘爆炸压力上升较缓慢,较高压力持续时间长,释放的能量大,破坏力强。
粉尘爆炸极限表
欧阳光明(2021.03.07)
中,遇火源能发生爆炸的粉尘最低浓度。
一般用单位体积内所含粉尘质量表示,其单位为g/m3。
爆炸下限越低,粉尘爆炸危险性越大。
不同种类粉尘其爆炸下限不同,同种物质粉尘其爆炸下限也随
锰210 450
热固性塑料绝缘胶木30 460 环氧树脂20 540 酚甲酰胺25 500 酚糠醛25 520
热塑性塑料缩乙醛35 440
醇酸155 500 乙基纤维素20 340 合成橡胶30 320 醋酸纤维素35 420 四氟乙烯- 670 尼龙30 500 丙酸纤维素25 460 聚丙烯酰胺40 410 聚丙烯腈25 500 聚乙烯20 410
聚对苯二甲酸乙
酯
40 500 聚氯乙烯- 660 聚醋酸乙烯酯40 550
聚苯乙烯20 490 聚丙烯20 420 聚乙烯醇35 520 甲基纤维素30 360 木质素65 510 松香55 440
塑料一次原料己二酸35 550 酪蛋白45 520 对苯二酸50 680 多聚甲醛40 410 对羧基苯甲醛20 380
塑料填充剂软木35 470 纤维素絮凝物55 420 棉花絮凝物50 470 木屑40 430
农产品及其它玉米及淀粉45 470 大豆40 560 小麦60 470 花生壳85 570 砂糖19 410
煤炭(沥青)35 610 肥皂45 430 干浆纸60 480
**指游离SiO2低于10%,不含石棉和有毒物质,而尚未制定容许浓度的粉尘。
表中列出的各种粉2尘(石棉纤维尘外),游离SiO2高于10%者,却按矽尘容许浓度对待。