晶闸管直流调速系统参数和环节特性的测定
- 格式:doc
- 大小:479.50 KB
- 文档页数:13
实验一晶闸管—直流电动机调速系统各环节特性测定一、实验目的1.了解晶闸管——直流电动机调速系统的构成。
2.了解并掌握直流调速驱动器模块及直流调实验模块的使用方法。
3.掌握晶闸管—直流电动机调速系统参数测定的方法。
4.掌握晶闸管—直流电动机调速系统环节特性测定的方法。
二、实验要求1.测定晶闸管触发及整流装置的稳定输入输出特性。
2.测定晶闸管整流装置的等效电阻。
3.测定转速反馈环节的稳定输入输出特性。
4.测定电动机环节的传递函数。
三、实验设备及仪器:1.自动控制系统实验装置CDUCONT—12.直流调速驱动器模块DCDS—ACS0013.直流调压调速实验模块DCDS—ACS0024.电压给定模块AIN—0015.数字量给定模块DIN—0016.电压转速显模块DCDS—0017.实验机组模块8.交直流电压表9.交直流电流表10.数字万用表11.可变电阻器和电阻箱12.X—Y记录仪13.单相调压器14.数字式转速表四、原理及实验线路本实验是通过测定晶闸管—直流电动机调速系统的参数和各环节的输入和输出特性来测取晶闸管—直流电动机调速系统的数学模型。
为了获得晶闸管—直流电动机调速系统的参数和各环节的特性,必须对各个环节分别测取它们的阶跃输入响应,并对某些非线性环节进行处理。
晶闸管—直流电动机调速系统的结构图为:五、实验内容及步骤1.电枢回路总电阻的测定(电动机不加励磁)晶闸管—直流电动机电枢回路总电阻包括直流电动机电枢电阻R a和整流装置的等效内阻R rec,由于直流电动机电枢存在电刷及换向器之间的接触电阻,以及整流装置的等效电压源内阻,为使测量结果接近实际运行操作时的结果,故采用直流伏安比较法测量。
实验线路如图所示:1.2.6 主回路和控制回路的接线主回路和控制回路接线如图1-1和图1-2所示。
图1-1 主回路接线图图1-2 主控制回路接线图(1)等效内阻R rec 的测定1.电枢回路电阻的测定晶闸管-直流电机电枢回路总电阻包括直流电机电枢电阻Ra 和整流装置的等效内阻Rrec ,由于直流电机电枢存在电刷及换向器之间的接触电阻以及整流装置的等效电压源内阻,故采用伏安比较法测量。
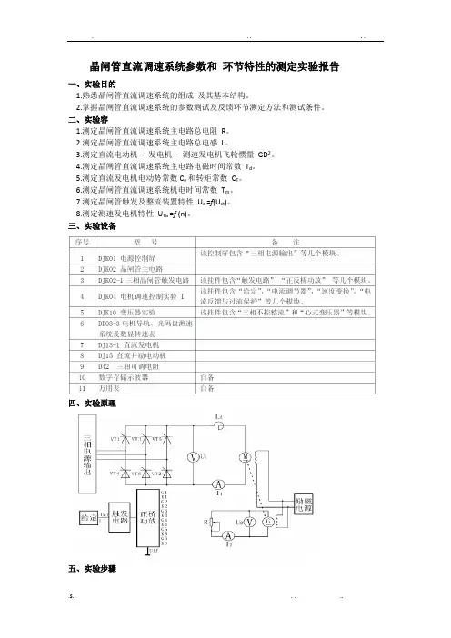
§5-1 晶闸管直流调速系统参数和环节特性的测定一、 实验目的(1) 熟悉晶闸管直流调速系统的组成及其基本结构(2) 掌握晶闸管直流调速系统参数及反馈环节测定方法二、 实验原理晶闸管直流直流调速系统由整流变压器、晶闸管整流调速装置、平波电抗器、电动机-发电机组等组成。
在本实验中,整流装置的主电路为三相桥式电路,控制电路可直接由给定电压U g 作为触发器的移相控制电压U ct ,改变U g 的大小α即可改变控制角,从而获得可调的直流电压,以满足实验要求。
实验系统的组成原理如图5-1所示。
1V L d三相电源输出A M A V G VT 4VT 1VT 3VT 5VT 6VT 2I 1给定触发电路正桥功放U f G 1K 1G 2K 2G 3K 3G 4K 4G 5K 5G 6K 6励磁电源I 2U 2R U ct图5-1 晶闸管直流调速实验系统原理图三、 实验内容(1)测定晶闸管直流调速系统主电路总电阻值R 。
(2)测定晶闸管直流调速系统主电路电感值L 。
(3)测定直流电机-直流发电机-测速发电机组的飞轮惯量GD 2。
(4)测定晶闸管直流调速系统主电路电磁时间常数Td 。
(5)测定直流电动机电势常数C e 和转矩常数C M 。
(6)测定晶闸管直流调速系统机电时间常数T M 。
(7)测定晶闸管触发及整流装置特性U d =f (U ct )。
(8) 测定测速发电机特性U TG =f (n )。
四、 实验仿真晶闸管直流调速实验系统的原理如图5-1所示。
该系统由给定信号、同步脉冲触发器、晶闸管整流桥、平波电抗器、直流电动机等部分组成。
图5-2是采用面向电气原理图方法构成的晶闸管直流调速系统的仿真模型。
下面介绍各部分建模与参数设置过程。
图5-2 晶闸管开环调速系统的仿真模型1.系统的建模和模型参数设置系统的建模包括主电路的建模和控制电路的建模两部分。
(1)主电路的建模和参数设置由图5-2可见,开环直流调速系统的主电路由三相对称交流电压器、晶闸管整流桥、平波电抗器、直流电动机等部分组成。
晶闸管直流调速系统参数和环节特性的测定(推荐完整)编辑整理:尊敬的读者朋友们:这里是精品文档编辑中心,本文档内容是由我和我的同事精心编辑整理后发布的,发布之前我们对文中内容进行仔细校对,但是难免会有疏漏的地方,但是任然希望(晶闸管直流调速系统参数和环节特性的测定(推荐完整))的内容能够给您的工作和学习带来便利。
同时也真诚的希望收到您的建议和反馈,这将是我们进步的源泉,前进的动力。
本文可编辑可修改,如果觉得对您有帮助请收藏以便随时查阅,最后祝您生活愉快业绩进步,以下为晶闸管直流调速系统参数和环节特性的测定(推荐完整)的全部内容。
晶闸管直流调速系统参数和环节特性的测定(推荐完整)编辑整理:张嬗雒老师尊敬的读者朋友们:这里是精品文档编辑中心,本文档内容是由我和我的同事精心编辑整理后发布到文库,发布之前我们对文中内容进行仔细校对,但是难免会有疏漏的地方,但是我们任然希望晶闸管直流调速系统参数和环节特性的测定(推荐完整)这篇文档能够给您的工作和学习带来便利。
同时我们也真诚的希望收到您的建议和反馈到下面的留言区,这将是我们进步的源泉,前进的动力.本文可编辑可修改,如果觉得对您有帮助请下载收藏以便随时查阅,最后祝您生活愉快业绩进步,以下为 <晶闸管直流调速系统参数和环节特性的测定(推荐完整)〉这篇文档的全部内容。
晶闸管直流调速系统参数和环节特性的测定一、实验目的(1)熟悉晶闸管直流调速系统的组成及其基本结构。
(2)掌握晶闸管直流调速系统参数及反馈环节测定方法.二、实验原理晶闸管直流调速系统由整流变压器、晶闸管整流调速装置、平波电抗器、电动机-发动机组等组成.在本实验中,整流装置的主电路为三相桥式电路,控制电路可直接由给定电压U g 作为触发器的移相控制电压U ct,改变U g的大小即可改变控制角α,从而获得可调直流电压,以满足实验要求。
实验系统的组成原理如图1所示。
图1 晶闸管直流调速试验系统原理图三、实验内容(1) 测定晶闸管直流调速系统主电路总电阻值R 。
第七章电气传动控制系统实验第一节晶闸管直流调速系统参数和环节特性的测定一、实验目的:1、熟悉晶闸管直流调速系统的组成及其基本结构。
2、掌握掌握晶闸管直流调速系统参数及反馈环节测定方法。
二、实验设备1、教学实验台主控制屏1个2、负载组件1套3、电机导轨及测速发电机1台4、直流电动机1台5、双踪示波器 1台6、万用表 1台三、背景知识直流电动机具有良好的起、制动性能,宜于在大范围内平滑调速,在许多需要调速和快速正反向的电力拖动领域中得到了广泛的应用。
由于直流拖动控制系统在理论上和实践上都比较成熟,而且从控制的角度来看,它又是交流拖动控制系统的基础。
因此,为了保持由浅入深的教学顺序,应该首先很好地掌握直流拖动控制系统。
晶闸管直流调速系统由三相调压器,晶闸管整流调速装置,平波电抗器,电动机——发电机组等组成。
本实验中,整流装置的主电路为三相桥式电路,控制回路可直接由给定电压Uc作为触发器的移相控制电压,改变Uc的大小即可改变控制角,从而获得可调的直流电压和转速,以满足实验要求。
工作原理图如图7-1所示。
图7-1晶闸管直流调速系统工作原理图四、实验注意事项、实验内容与实验步骤注:(1)由于实验时装置处于开环状态,电流和电压可能有波动,可取平均读数。
(2)为防止电枢过大电流冲击,每次增加U g须缓慢,且每次起动电动机前给定电位器应调回零位,以防过流。
(3)电机堵转时,大电流测量的时间要短,以防电机过热。
1、电枢回路电阻R的测定电枢回路的总电阻R包括电机的电枢电阻R a,平波电抗器的直流电阻R L和整流装置的内阻R n,即R=R a+R L+R n。
为测出晶闸管整流装置的电源内阻,可采用伏安比较法来测定电阻,其实验线路如图7-2所示。
图7-2 晶闸管直流调速系统电阻R测试线路图(1)将变阻器R d接入被测系统的主电路,并调节电阻负载至最大。
测试时电动机不加励磁,并使电机堵转。
(2)低压单元的G给定电位器RP1逆时针调到底,使U ct=0。
晶闸管直流调速系统参数的测定实验报告晶闸管直流调速系统是一种常见的电力调节系统,它能够实现对电机转速的精确控制。
为了确保系统的性能和稳定性,需要对系统的参数进行准确测定。
本文将介绍晶闸管直流调速系统参数的测定方法及实验结果。
我们需要测定晶闸管的触发脉冲宽度和触发脉冲延时角。
触发脉冲宽度是指晶闸管导通的时间长度,而触发脉冲延时角是指晶闸管导通时刻相对于交流电压波形的相位差。
测定触发脉冲宽度和触发脉冲延时角的方法是使用示波器测量晶闸管的导通时间和相位差,并通过调节触发电路中的电阻和电容来调整触发脉冲的宽度和延时角。
我们需要测定晶闸管的关断时间和关断电流。
关断时间是指晶闸管从导通到关断所需的时间,而关断电流是指晶闸管关断时的电流大小。
测定关断时间和关断电流的方法是使用示波器测量晶闸管的关断时间和关断电流,并通过调节触发电路中的电阻和电容来调整关断时间和关断电流。
我们还需要测定晶闸管的导通电流和导通电压。
导通电流是指晶闸管导通时的电流大小,而导通电压是指晶闸管导通时的电压大小。
测定导通电流和导通电压的方法是使用电流表和电压表分别测量晶闸管的导通电流和导通电压。
我们还需要测定晶闸管的整流电压和整流电流。
整流电压是指晶闸管整流时的电压大小,而整流电流是指晶闸管整流时的电流大小。
测定整流电压和整流电流的方法是使用电压表和电流表分别测量晶闸管的整流电压和整流电流。
通过以上几个步骤的测定,我们可以得到晶闸管直流调速系统的各项参数。
这些参数的准确测定对于系统的调节和控制至关重要。
在实际应用中,我们可以根据测定结果来调整系统的参数,以达到所需的控制效果。
总结起来,晶闸管直流调速系统参数的测定是一项重要的实验工作。
通过测定晶闸管的触发脉冲宽度、触发脉冲延时角、关断时间、关断电流、导通电流、导通电压、整流电压和整流电流,可以得到系统的各项参数,从而实现对电机转速的精确控制。
这些参数的准确测定对于系统的性能和稳定性具有重要意义,为系统的调节和控制提供了基础。
实验一晶闸管直流调速系统参数和环节特性的测定一.实验目的1.了解电力电子及电气传动教学实验台的结构及布线情况。
2.熟悉晶闸管直流调速系统的组成及其基本结构。
3.掌握晶闸管直流调速系统参数及反馈环节测定方法。
二.实验内容1.测定晶闸管直流调速系统主电路电阻R2.测定晶闸管直流调速系统主电路电感L3.测定直流电动机—直流发电机—测速发电机组(或光电编码器)的飞轮惯量GD24.测定晶闸管直流调速系统主电路电磁时间常数T d5.测定直流电动机电势常数C e和转矩常数C M6.测定晶闸管直流调速系统机电时间常数T M7.测定晶闸管触发及整流装置特性U d=f (U ct)8.测定测速发电机特性U TG=f (n)三.实验系统组成和工作原理晶闸管直流调速系统由三相调压器,晶闸管整流调速装置,平波电抗器,电动机——发电机组等组成。
本实验中,整流装置的主电路为三相桥式电路,控制回路可直接由给定电压Ug作为触发器的移相控制电压,改变U g的大小即可改变控制角,从而获得可调的直流电压和转速,以满足实验要求。
四.实验设备及仪器1.教学实验台主控制屏2.SMCL—01组件3.NMCL—33组件4.NMCL—03组件5.电机导轨及测速发电机(或光电编码器)6.直流电动机M037.双踪示波器(自备)8.万用表(自备)五.注意事项1.由于实验时装置处于开环状态,电流和电压可能有波动,可取平均读数。
2.为防止电枢过大电流冲击,每次增加U g须缓慢,且每次起动电动机前给定电位器应调回零位,以防过流。
3.电机堵转时,大电流测量的时间要短,以防电机过热。
六.实验方法1.电枢回路电阻R 的测定电枢回路的总电阻R 包括电机的电枢电阻R a ,平波电抗器的直流电阻R L 和整流装置的内阻R n ,即R=R a +R L +R n为测出晶闸管整流装置的电源内阻,可采用伏安比较法来测定电阻,其实验线路如图1-1所示。
将变阻器R D (可采用两只电阻串联)接入被测系统的主电路,并调节电阻负载至最大。
直流调速系统实验指导书江西理工大学应用科学学院机电工程系2007年10月目录实验一晶闸管直流调速系统参数和环节特性的测定 (1)实验二晶闸管直流调速系统主要单元调试 (6)实验三不可逆单闭环直流调速系统静特性的研究 (9)实验四双闭环晶闸管不可逆直流调速系统 (13)实验五逻辑无环流可逆直流调速系统 (18)实验六双闭环可逆直流脉宽调速系统 (22)实验一晶闸管直流调速系统参数和环节特性的测定一.实验目的1.了解电力电子及电气传动教学实验台的结构及布线情况。
2.熟悉晶闸管直流调速系统的组成及其基本结构。
3.掌握晶闸管直流调速系统参数及反馈环节测定方法。
二.实验内容1.测定晶闸管直流调速系统主电路电阻R2.测定晶闸管直流调速系统主电路电感L3.测定直流电动机的飞轮惯量GD24.测定晶闸管直流调速系统主电路电磁时间常数T d5.测定直流电动机电势常数C e和转矩常数C M6.测定晶闸管直流调速系统机电时间常数T M三.实验系统组成和工作原理晶闸管直流调速系统由三相调压器,晶闸管整流调速装置,平波电抗器,电动机——发电机组等组成。
本实验中,整流装置的主电路为三相桥式电路,控制回路可直接由给定电压Ug作为触发器的移相控制电压,改变U g的大小即可改变控制角,从而获得可调的直流电压和转速,以满足实验要求。
四.实验设备及仪器1.教学实验台主控制屏。
2.NMCL—33组件3.NMEL—03组件4.电机导轨及测速发电机(或光电编码器)5.直流电动机M036.双踪示波器7.万用表五.注意事项1.由于实验时装置处于开环状态,电流和电压可能有波动,可取平均读数。
2.为防止电枢过大电流冲击,每次增加U g须缓慢,且每次起动电动机前给定电位器应调回零位,以防过流。
3.电机堵转时,大电流测量的时间要短,以防电机过热。
六.实验方法1.电枢回路电阻R的测定电枢回路的总电阻R包括电机的电枢电阻R a,平波电抗器的直流电阻R L和整流装置的内阻R n,即R=R a+R L+R n为测出晶闸管整流装置的电源内阻,可采用伏安比较法来测定电阻,其实验线路如图1-1所示。
第三章交直流调速实验实验一晶闸管直流调速系统参数和环节特性的测定一.实验目的1.了解电力电子及电气传动教学实验台的结构及布线情况。
2.熟悉晶闸管直流调速系统的组成及其基本结构。
3.掌握晶闸管直流调速系统参数及反馈环节测定方法。
二.实验内容1.测定晶闸管直流调速系统主电路电阻R2.测定晶闸管直流调速系统主电路电感L3.测定直流电动机—直流发电机—测速发电机组(或光电编码器)的飞轮惯量GD2 4.测定晶闸管直流调速系统主电路电磁时间常数T d5.测定直流电动机电势常数C e和转矩常数C M6.测定晶闸管直流调速系统机电时间常数T M7.测定晶闸管触发及整流装置特性U d=f (U ct)8.测定测速发电机特性U TG=f (n)三.实验系统组成和工作原理晶闸管直流调速系统由三相调压器,晶闸管整流调速装置,平波电抗器,电动机——发电机组等组成。
本实验中,整流装置的主电路为三相桥式电路,控制回路可直接由给定电压Ug作为触发器的移相控制电压,改变U g的大小即可改变控制角,从而获得可调的直流电压和转速,以满足实验要求。
四.实验设备及仪器1.教学实验台主控制屏2.SMCL—01组件3.NMCL—33组件4.NMCL—03组件5.电机导轨及测速发电机(或光电编码器)6.直流电动机M037.双踪示波器(自备)8.万用表(自备)五.注意事项1.由于实验时装置处于开环状态,电流和电压可能有波动,可取平均读数。
2.为防止电枢过大电流冲击,每次增加U g须缓慢,且每次起动电动机前给定电位器应调回零位,以防过流。
3.电机堵转时,大电流测量的时间要短,以防电机过热。
六.实验方法1.电枢回路电阻R的测定电枢回路的总电阻R包括电机的电枢电阻R a,平波电抗器的直流电阻R L和整流装置的内阻R n,即R=R a+R L+R n为测出晶闸管整流装置的电源内阻,可采用伏安比较法来测定电阻,其实验线路如图1-1所示。
将变阻器R D(可采用两只电阻串联)接入被测系统的主电路,并调节电阻负载至最大。
晶闸管直流调速系统参数和环节特性的测定实验报告一、实验目的1.熟悉晶闸管直流调速系统的组成及其基本结构。
2.掌握晶闸管直流调速系统的参数测试及反馈环节测定方法和测试条件。
二、实验容1.测定晶闸管直流调速系统主电路总电阻R。
2.测定晶闸管直流调速系统主电路总电感L。
3.测定直流电动机- 发电机- 测速发电机飞轮惯量GD2。
4.测定晶闸管直流调速系统主电路电磁时间常数T d。
5.测定直流发电机电动势常数C e和转矩常数C T。
6.测定晶闸管直流调速系统机电时间常数T m。
7.测定晶闸管触发及整流装置特性U d =ƒ(U ct)。
8.测定测速发电机特性U TG =ƒ (n)。
三、实验设备四、实验原理五、实验步骤(一)测定晶闸管直流调速系统主电路电阻。
伏安比较法测量1. 测量电枢回路总电阻RR=R a + R L + R n (电枢电阻R a、平波电抗器电阻R L 、整流装置阻R n )(1)不加励磁、电机堵转(2)合上S1和S2,调节给定,使输出电压到30%-70%的额定电压调节电阻,使枢电流80%-90%的额定电流测定U1和I1。
(3)断开S2测定U2和I2。
(4)计算电枢回路总电阻R=(U2-U1)/( I1 - I2)合上S1和S2测得U1=100V, I1=0.95A;断开S2测得U2=103V,I2=0.63A;R=(U2-U1)/( I1 - I2)=(103V-100V)/(0.95A-0.63A)=9.375Ω2. 电枢电阻R a(1)短接电机电枢(2)不加励磁、电机堵转(3)合上S1和S2,调节给定,使输出电压到30%-70%的额定电压调节电阻,使枢电流80%-90%的额定电流测定U1’和I1’。
(4)断开S2测定U2’和I2’。
(5)计算平波电抗器电阻R L和整流装置阻R n:R L + R n =(U2’-U1’)/(I2’-I1’)电枢电阻R a :R a =R-(R L + R n)合上S1和S2测得U1’=95V,I1’=1.15A断开S2测得U2’=97V,I2’=0.80AR L + R n =(U2’-U1’)/(I2’-I1’)=(97V-95V)/(1.15A-0.8A)=5.714ΩR a =R-(R L + R n)=9.375Ω-5.714Ω=3.661Ω3. 平波电抗器电阻R L(1)短接电抗器两端(2)不加励磁、电机堵转(3)合上S1和S2,调节给定,使输出电压到30%-70%的额定电压调节电阻,使枢电流80%-90%的额定电流测定U1’ ’和I1’ ’ 。
晶闸管直流调速系统参数和环节特性的测定实验报告实验报告:晶闸管直流调速系统参数和环节特性的测定1.引言晶闸管直流调速系统是目前广泛应用于工业生产中的一种主要电力调速装置。
了解晶闸管直流调速系统的参数和环节特性对于系统的稳定运行和性能优化具有重要意义。
本实验旨在通过实验测定的方式获得晶闸管直流调速系统的参数和环节特性,并对其进行分析和评价。
2.实验设备和原理实验所使用的设备包括晶闸管直流调速系统、信号发生器、示波器等。
晶闸管直流调速系统由晶闸管单元、电机、测速装置和控制电路等组成。
系统的调速性能受到许多因素的影响,如比例增益、积分时间常数、微分时间常数等。
3.实验步骤3.1参数测定首先调节信号发生器产生脉冲信号,并连接至晶闸管控制器的脉冲控制口。
设置信号发生器的频率和幅度,记录下晶闸管控制器的输出电压和输出脉冲宽度。
通过改变信号发生器的频率和幅度,重复上述步骤,获得晶闸管控制器的不同输出电压和输出脉冲宽度。
3.2环节特性测定将信号发生器的正弦波信号连接至晶闸管控制器的控制口,设置不同频率的信号,并记录下晶闸管控制器的输出电压和输出电流。
通过改变信号发生器的频率,重复上述步骤,获得晶闸管控制器的不同输出电压和输出电流。
4.实验数据处理和结果分析通过实验测得的参数和环节特性数据,进行数据处理和结果分析,得出晶闸管直流调速系统的参数和环节特性。
参数包括比例增益、积分时间常数、微分时间常数等;环节特性包括传递函数、开环增益和相位等。
5.结果及讨论根据实验数据处理和结果分析,得出晶闸管直流调速系统的参数和环节特性。
分析系统的稳定性和性能优化的方法,如调节比例增益、积分时间常数和微分时间常数等参数的取值。
讨论实验结果的局限性和可能存在的误差。
6.结论通过实验测定和结果分析,得出晶闸管直流调速系统的参数和环节特性,并对系统的稳定性和性能优化提出了建议。
实验结果有助于理解晶闸管直流调速系统的工作原理和设计方法,为实际应用提供指导和参考。
实验一晶闸管直流调速系统参数和环节特性的测定一.实验目的1.了解MCL-II电机及控制教学实验台的结构及布线情况。
2.熟悉晶闸管直流调速系统的组成及其基本结构。
3.掌握晶闸管直流调速系统参数及反馈环节测定方法。
二.实验内容1.测定晶闸管直流调速系统主电路电阻R2.测定晶闸管直流调速系统主电路电感L3.测定直流电动机—直流发电机—测速发电机组(或光电编码器)的飞轮惯量GD24.测定晶闸管直流调速系统主电路电磁时间常数Td5.测定直流电动机电势常数Ce和转矩常数CM6.测定晶闸管直流调速系统机电时间常数TM7.测定晶闸管触发及整流装置特性Ud = f (Uct)8.测定测速发电机特性UTG = f (n)三.实验系统组成和工作原理晶闸管直流调速系统由三相调压器,晶闸管整流调速装置,平波电抗器,电动机——发电机组等组成。
本实验中,整流装置的主电路为三相桥式电路,控制回路可直接由给定电压Ug 作为触发器的移相控制电压,改变Ug的大小即可改变控制角,从而获得可调的直流电压和转速,以满足实验要求。
四.实验设备及仪器1.电机导轨及测速发电机、直流发电机2.MCL—01挂箱3.MCL—02挂箱4.直流电动机M035.MEL—03三相可调电阻器(或自配滑线变阻器)6.双踪示波器7.万用表五.注意事项1.由于实验时装置处于开环状态,电流和电压可能有波动,可取平均读数。
2.为防止电枢过大电流冲击,每次增加Ug须缓慢,且每次起动电动机前给定电位器应调回零位,以防过流。
3.电机堵转时,大电流测量的时间要短,以防电机过热。
六.实验方法1.电枢回路电阻R的测定电枢回路的总电阻R包括电机的电枢电阻Ra,平波电抗器的直流电阻RL和整流装置的内阻Rn,即R=Ra+RL+Rn为测出晶闸管整流装置的电源内阻,可采用伏安比较法来测定电阻,其实验线路如图2-1所示。
将变阻器RP(可采用两只900Ω电阻并联)接入被测系统的主电路,并调节电阻负载至最大。
实验一晶闸管直流调速系统参数和环节特性的测定一.实验目的1.了解电力电子及电气传动教学实验台的结构及布线情况。
2.熟悉晶闸管直流调速系统的组成及其基本结构。
3.掌握晶闸管直流调速系统参数及反馈环节测定方法。
二.实验内容1.测定晶闸管直流调速系统主电路电阻R2.测定晶闸管直流调速系统主电路电感L3.测定直流电动机—直流发电机—测速发电机组(或光电编码器)的飞轮惯量GD2 4.测定晶闸管直流调速系统主电路电磁时间常数T d5.测定直流电动机电势常数C e和转矩常数C M6.测定晶闸管直流调速系统机电时间常数T M7.测定晶闸管触发及整流装置特性U d=f (U ct)8.测定测速发电机特性U TG=f (n)三.实验系统组成和工作原理晶闸管直流调速系统由三相调压器,晶闸管整流调速装置,平波电抗器,电动机——发电机组等组成。
本实验中,整流装置的主电路为三相桥式电路,控制回路可直接由给定电压Ug作为触发器的移相控制电压,改变U g的大小即可改变控制角,从而获得可调的直流电压和转速,以满足实验要求。
四.实验设备及仪器1.NMCL系列教学实验台主控制屏。
2.NMCL—18组件(适合NMCL—Ⅱ)或NMCL—31组件(适合NMCL—Ⅲ)。
3.NMCL—33(A)组件或NMCL—53组件(适合NMCL—Ⅱ、Ⅲ、Ⅴ)。
4.电机导轨及光电编码器、直流发电机M015.NMEL—03三相可调电阻器(或自配滑线变阻器450Ω,1A)6.双踪示波器(自备)7.万用表(自备)8.直流电动机M03五.注意事项1.由于实验时装置处于开环状态,电流和电压可能有波动,可取平均读数。
2.为防止电枢过大电流冲击,每次增加U g须缓慢,且每次起动电动机前给定电位器应调回零位,以防过流。
3.电机堵转时,大电流测量的时间要短,以防电机过热。
六.实验方法1.电枢回路电阻R的测定电枢回路的总电阻R包括电机的电枢电阻R a,平波电抗器的直流电阻R L和整流装置的内阻R n,即R=R a+R L+R n为测出晶闸管整流装置的电源内阻,可采用伏安比较法来测定电阻,其实验线路如图6-1所示。
实验一、晶闸管直流调速系统环节特性及单元调试一、实验目的1、了解晶闸管直流调速系统的组成及主要单元部件的工作原理。
2、掌握晶闸管直流调速系统的环节特性及测定方法。
3、掌握晶闸管直流调速系统的主要单元的调试方法。
二、实验内容1、主控制屏DK01调试2、晶闸管直流调速系统基本组成及连接3、晶闸管直流调速系统开环运行4、晶闸管触发及整流装置特性Ud=f(Uct)和测速发电机特性UTG=f(n)的测定5、调节器的调试三、实验设备1、DKSZ-1型实验装置主控制屏DK012、DK02、DK03、DK153、TD4652型双踪慢扫描示波器4、万用电表四、实验方法1、主控制屏调试及开关设置2、实验系统组成及连接三相全控桥式整流电路供给直流电动机M可调的电枢电压,直流发电机G作为电动机的负载,通过测速发电机TG测量转速,并获得转速反馈电压。
直流电动机、发电机的励磁绕组接220V励磁电源。
给定器G输出可调的移相控制电压Uct,触发器输出的六路脉冲经过功放级AP1驱动输出,六路脉冲已连结到对应的六只晶闸管。
图1-1 实验系统原理图3、晶闸管直流调速系统开环运行控制电压Uct由给定器直接接入,反馈电压未引入控制的系统为开环系统。
应先接通励磁电源,并调节控制电压Uct为零,然后才能接通三相交流主电源,否则电动机起动电流过大引起过流冲击。
调节给定电压Uct,即可调节直流电动机转速。
调节发电机负载电阻Rg,即可改变直流电动机的负载电流。
5、晶闸管触发及整流装置特性Ud=f(Uct)和测速发电机特性UTG=f(n)的测定从零逐渐增加控制电压Uct,转速不超出额定转速(1500rpm)的1.2倍,分别读取对应的Uct、Ud、UTG、n的数值若干组,即可描绘出特性Ud=f(Uct)和UTG=f(n)。
6、调节器的调试合上低压直流电源开关,对调节器ASR(或ACR)进行单元调试。
零速封锁端应连接,并置零速封锁解除状态。
五、实验报告1、简述各电路单元的调试要点。
晶闸管-直流调速系统参数和环节特性的测定晶闸管-直流调速系统是一种广泛应用于工业生产和家庭生活中的电力控制系统。
它可以实现电机的速度调节和转矩控制,具有功率输出大、效率高、控制精度高等优点。
为了保证系统的正常工作,需要对其参数和环节特性进行测定。
一、系统参数测定1.负载特性测定直流电动机的负载特性是指在一定转速下,电动机所承受的负载变化情况。
测定负载特性可以确定电机最大输出转矩和转速范围,在调试和设计系统时非常重要。
方法是在恒定的电源电压下,改变电动机的负载,记录电机的转速和输出电流,绘制出电流—负载特性曲线。
2.电机特性参数测定晶闸管的特性参数包括导通压降、阻断电流、阻断电压等。
这些参数决定了晶闸管的工作稳定性和可靠性。
测定方法是在恒定电源电压下,改变晶闸管的控制角度和负载电流,记录晶闸管的电压和电流变化情况,绘制出电压—电流特性曲线,并计算出各参数。
二、环节特性测定1.直流电机转速测量直流电机的转速测量方法有机械式和电子式两种。
机械式测量方法是通过负载轴上的速度计测量电机转速,但其精度较低。
电子式测量方法利用霍尔元件或光电传感器检测旋转轴上的标志物,通过计算时间差得出转速,精度较高。
2.晶闸管控制角度测定晶闸管的控制角度是指晶闸管导通的角度,决定了电机的输出功率。
测定方法是通过信号发生器和示波器调节晶闸管的触发信号和工作状态,记录电路波形并计算控制角度。
电机的电流测量是直流调速系统中非常重要的环节,指示了电机的负载情况。
测量方法有磁通电流法、电阻电压法和电流传感器法等。
其中电流传感器法精度较高,可以实现远距离在线监测。
总之,对于晶闸管-直流调速系统而言,系统参数和环节特性的测定非常关键,可以保证系统的稳定性和可靠性。
因此,需要选用适当的仪器设备和测量方法,并定期进行检查和维护。
晶闸管直流调速系统环节特性及单元调试实验报告晶闸管直流调速系统环节特性及单元调试实验报告实验目的:晶闸管是电力拖动中一种基本控制装置,它在工业生产过程和科学研究领域获得广泛应用。
如果我们利用可控硅进行改造,使之适合于拖动直流负载的需要,那么将会大幅度提高系统的拖动效率,因此对交流侧也采取相应措施。
根据系统设计指标,以采用模拟控制方式作为主要拖动方式,同时考虑到这类装置操作维护简便等优点。
并且不必求得准确解,可仅近似地求出拖动参数。
故采用正弦波脉宽调制控制方案,同时增加开关元件和电压源部分,采用电压空间矢量 PWM 控制方法。
晶闸管直流调速系统通常由三部分组成:晶闸管换流器、晶闸管逆变器和功率变换器。
现代化电厂中常采用晶闸管-直流斩波器系统(SCR- DCS)来拖动直流负载。
该系统把直流负载作为交流电网电源和负载的“逆变器”,而把交流电网电源看作是独立的直流电网的“整流器”。
根据这样的思想,可以简化许多接线图,但需对变流装置做相当大的修改,这是影响调速范围的主要原因。
所以必须在合理的情况下,选择一个比较好的控制方案。
在工程上,通常用正弦波脉宽调制 PWM 的控制方案,即控制方案简单易行。
只需加装很少的调制、滤波、开关等硬件,就可满足要求。
同时这套方案还具有调速平滑、无谐波污染、体积小重量轻等诸多优点,特别适用于风机水泵的低频大功率拖动。
为了保证系统的安全运行,还要给晶闸管等元件配备必要的保护装置,主要有快速熔断器,快速限流器和热继电器等。
为避免电磁干扰对其他设备带来的影响,往往还采取屏蔽措施或进行接地处理。
为减小电力拖动系统运行的噪声,尽量降低发热温升和减少磨损,可以采用变频器拖动。
这里需要注意的问题有:晶闸管换流站要满足防爆要求;散热要良好,尽量靠近负荷。
一个闭合回路只能有一个自然频率,对控制信号不允许作连续的、无规律的触发,否则会引起振荡失控。
而一个能够随外界条件而改变的固定频率,称为“控制信号”,因此又叫触发信号。
晶闸管直流调速系统参数测定及主要单元调试一、实验目的(1)了解晶闸管——电动机系统的组成及其基本结构(2)掌握晶闸管——电动机系统的参数测定方法(3)熟悉直流调速系统主要单元部件的工作原理及调试步骤。
二、实验内容(1)测定晶闸管直流调速系统主电路总电阻值R(2)测定晶闸管直流调速系统主电路电感值L(3) 电动机电势常数Ce和转矩常数Cm的测定(4)测定晶闸管触发及整流装置特性Ud=f(Uct)(5)调节器的调试三、实验设备1. 电源控制屏DJK01挂件2.晶闸管主电路DJK02挂件3.三相晶闸管触发电路DJK02-1挂件4.电机调速控制实验I DJK04挂件5.可调电阻、电容箱DJK08挂件、三相可调电阻D42挂件6.直流电动机——负载直流发电机——测速器一套7.双踪示波器一台8.万用表一块四、实验原理五、实验步骤(一)测定晶闸管直流调速系统主电路电阻。
伏安比较法测量1. 测量电枢回路总电阻RR=Ra + RL + Rn (电枢电阻Ra、平波电抗器电阻RL 、整流装置内阻Rn )(1)不加励磁、电机堵转(2)合上S1和S2,调节给定,使输出电压到30%-70%的额定电压;调节电阻,使枢电流80%-90%的额定电流测定U1和I1。
(3)断开S2测定U2和I2。
(4)计算电枢回路总电阻R=(U2-U1)/( I1 - I2)合上S1和S2测得U1=100V, I1=0.95A;断开S2测得U2=103V,I2=0.63A;R=(U2-U1)/( I1 - I2)=(103V-100V)/(0.95A-0.63A)=9.375Ω2. 电枢电阻Ra(1)短接电机电枢(2)不加励磁、电机堵转(3)合上S1和S2,调节给定,使输出电压到30%-70%的额定电压调节电阻,使枢电流80%-90%的额定电流测定U1’和I1’。
(4)断开S2测定U2’和I2’。
(5)计算平波电抗器电阻RL和整流装置内阻Rn:RL + Rn =(U2’-U1’)/(I2’-I1’)电枢电阻Ra :Ra =R-(RL + Rn)合上S1和S2测得U1’=95V,I1’=1.15A断开S2测得U2’=97V,I2’=0.80ARL + Rn =(U2’-U1’)/(I2’-I1’)=(97V-95V)/(1.15A-0.8A)=5.714ΩRa =R-(RL + Rn)=9.375Ω-5.714Ω=3.661Ω3. 平波电抗器电阻RL(1)短接电抗器两端(2)不加励磁、电机堵转(3)合上S1和S2,调节给定,使输出电压到30%-70%的额定电压,调节电阻,使枢电流80%-90%的额定电流,测定U1’’和I1’’。
晶闸管直流调速系统参数和环节特性的测定一、实验目的(1)熟悉晶闸管直流调速系统的组成及其基本结构。
(2)掌握晶闸管直流调速系统参数及反馈环节测定方法。
二、实验原理晶闸管直流调速系统由整流变压器、晶闸管整流调速装置、平波电抗器、电动机-发动机组等组成。
在本实验中,整流装置的主电路为三相桥式电路,控制电路可直接由给定电压U g作为触发器的移相控制电压U ct,改变U g的大小即可改变控制角α,从而获得可调直流电压,以满足实验要求。
实验系统的组成原理如图1所示。
图1 晶闸管直流调速试验系统原理图三、实验内容(1) 测定晶闸管直流调速系统主电路总电阻值R 。
(2) 测定晶闸管直流调速系统主电路电感值L 。
(3) 测定直流电动机-直流发电机-测速发电机组的飞轮惯量GD 2。
(4) 测定晶闸管直流调速系统主电路电磁时间常数T d 。
(5) 测定直流电动机电势常数C e 和转矩常数C M 。
(6) 测定晶闸管直流调速系统机电时间常数T M 。
(7) 测定晶闸管触发及整流装置特性()ct d U f U =。
(8) 测定测速发电机特性()n f U TG =。
四、实验仿真晶体管直流调速实验系统原理图如图1所示。
该系统由给定信号、同步脉冲触发器、晶闸管整流桥、平波电抗器、直流电动机等部分组成。
图2是采用面向电气原理图方法构成的晶闸管直流调速系统的仿真模型。
下面介绍各部分的建模与参数设置过程。
4.1 系统的建模和模型参数设置系统的建模包括主电路的建模与控制电路的建模两部分。
(1)主电路的建模与参数设置由图2可见,开环直流调速系统的主电路由三相对称交流电压源、晶闸管整流桥、平波电抗器、直流电动机等部分组成。
由于同步脉冲触发器与晶闸管整流桥是不可分割的两个环节,通常作为一个组合体来讨论,所以将触发器归到主电路进行建模。
①三相对称交流电压源的建模和参数设置。
首先从电源模块组中选取一个交流电压源模块,再用复制的方法得到三相电源的另两个电压源模块,并用模块标题名称修改方法将模块标签分别改为“A 相”、“B 相”、“C 相”,然后从元件模块l a (A )+-r图2 晶闸管开环直流调速系统的仿真模型组中选取“Ground”元件,按图1主电路进行连接。
为了得到三相对称交流电压源,其参数设置方法及参数设置如下。
双击A相交流电压源图标,打开电压源参数设置对话框,在A相交流电源参数设置中,幅值取220V,初相位设置成0°,频率为50Hz,其他为默认值,如图3所示。
B、C相交流电源参数设置方法与A相基本相同,除了将初相位设置成互差120°外,其他参数与A相相同。
由此可得到三相对称交流电源。
②晶闸管整流桥的建模和参数设置。
首先从电力电子模块组中选“Universal Bridge”模块,然后双击模块图标,打开SCR整流桥参数设置对话框,参数设置如图4所示。
当采用三相整流桥时,桥臂数取3,A、B、C三相交流电源接到整流桥输入端,电力电子元件选择晶闸管。
参数设置的原则如下,如果是针对某个具体的变流装置进行参数设置,对话框中的R s、C s、R ON、L ON、V f应取该装置中的晶闸管元件的实际值,如果是一般情况,不针对某个具体的变流装置,这些参数可先取默认值进行仿真。
若仿真结果理想,就可认可这些设置的参数,若仿真结果不理想,则通过仿真实验,不断进行参数优化,最后确定其参数。
这一参数设置的原则对其他环节的参数设置也是适用的。
图3 A相电源参数设置图4 SCR整流桥参数设置③平波电抗器的建模与参数设置。
首先从元件模块组中选“Series RLC Branch”模块,然后打开平波电抗器参数设置的对话框,参数设置如图5所示,平波电抗器的电感值是通过仿真实验比较后得到的优化参数。
图5 平波电抗器参数设置④直流电动机的建模和参数设置。
首先从电动机系统模块组中选取“DC Machine”模块。
直流电动机的励磁绕组“F+-F-”接直流恒定励磁电源,励磁电源可从电源模块组中选取直流电压源模块,并将电压参数设置为220V,电枢绕组“A+-A-”经平波电抗器接晶闸管整流桥的输出,电动机经TL端口接恒转矩负载,直流电动机的输出参数有转速n、电枢电流I a、励磁电流I f、电磁转矩T e,通过“示波器”模块观察仿真输出图形。
电动机的参数设置步骤如下,双击直流电动机图标,打开直流电动机的参数设置对话框,直流电动机的参数设置如图6。
参数设置的原则与晶闸管整流桥相同。
图6 直流电动机参数设置⑤同步脉冲触发器的建模和参数设置。
同步脉冲触发器包括同步电源与6脉冲触发器两部分。
6脉冲触发器可从附加库模块组(Extra Library)中的控制子模块组(Control Blocks)获得。
6脉冲触发器需用三相线电压同步,所以同步电源的任务是将三相交流电源的相电压转换成线电压。
同步电源与6脉冲触发器及封装后的子系统符号如图7(a)(b)所示。
Subsystem(a)同步电源与6脉冲触发器(b)封装后的子系统符号图7 同步电源与6脉冲触发器和封装后的子系统符号至此,根据图1主电路的连接关系,则可建立起主电路的仿真模型,如图2所示。
图中触发器开关信号为“0”时,开放触发器,开关信号为“1”时,关闭触发器。
(2)控制电路的建模与参数设置晶闸管直流调速系统的控制电路只有一个给定环节,它可以从输入模块组中选取“Constant”模块,然后双击该模块图标,打开参数设置对话框,将参数设置为50rad/s。
实际调速时,给定信号是在一定范围内变化的,读者可通过仿真实践,确定给定信号允许的变化范围。
将主电路和控制电路的仿真模型按照晶闸管的直流调速系统电气原理图的连接关系进行模块连接,即可得到图2所示的晶闸管直流调速系统仿真模型。
4.2 系统的仿真参数配置在MATLAB的模型窗口打开“Simulation”菜单,进行“Configuration Parameters”设置,如图8所示。
图8仿真参数配置单击“Configuration Parameters”菜单后,得到仿真参数配置对话框,仿真中所选择的算法为ode23s。
由于实际系统的多样性,不同系统需要不同的仿真算法,到底采用哪一种算法,可通过仿真实践进行比较选择。
仿真“Start time”一般设为0,“Stop time”根据实际需要而定。
图9仿真参数配置对话框及参数配置4.3 系统的仿真、仿真结果的输出及结果分析当建模与参数配置完成后,即可开始进行仿真。
在MATLAB的模型窗口打开“Simulation”菜单,单击“Start”命令后,系统开始仿真,仿真结束后可输出仿真结果。
单击“示波器”命令后,通过“示波器”模块观察仿真输出图形,如图10所示,其中图10(a)、(b)、(c)、(d)分别表示直流电动机的电磁转矩T e曲线、电枢电流I a曲线、角频率ω曲线和角频率ω与电枢电流I a的关系曲线。
(a) 直流电动机电枢电磁转矩T e曲线(b) 直流电动机电枢电流I a曲线(c)直流电动机角频率ω曲线(d) 直流电动机角频率ω与电枢电流I a的关系曲线图10 晶闸管直流调速系统的输出波形根据图2的仿真模型,系统有两种输出试:当采用“示波器”模块观察仿真输出结果时,只要在系统模型图上双击“示波器”图标即可;当采用“out1”模块观察仿真输出结果时,可在MATLAB的命令窗口输入绘图命令“plot(tout,yout)”,即可得到未经编辑的输出图形,然后对其输出图形进行编辑。
最终可得编辑后的输出图形,如图11所示。
图11显示的分别是晶闸管直流调速系统的电流曲线和转速曲线。
可以看出,这个结果和实际电动机运行的结果相似,系统的建模与仿真是成功的。
在晶闸管直流调速系统建模和仿真结束之际,对建模和参数设置的一些原则和方法归纳如下。
①系统建模时,将其分为主电路和控制电路两部分分别进行。
②在进行参数设置时,晶闸管整流桥、平波电抗器、直流电动机等装置(固有环节)的参数设置原则如下,如果针对某个具体的装置进行参数设置,则对话框中的有关参数应取该装置的实际值;如果是不针对某个具体装置的一般情况,可先取这些装置的参数默认值进行仿真。
若仿真结果理想,可认可这些设置的参数;若仿真结果不理想,则通过仿真实验,不断时行参数优化,最后确定其参数。
图11 编辑后的晶闸管直流调速系统的电流曲线和转速曲线③给定信号的变化范围、调节器的参数和反馈检测环节的反馈系数(闭环系统中使用)等可调参数的设置,其一般方法是通过仿真实验,不断进行参数优化。
具体方法分别设置这些参数的一个较大和一个较小值时行仿真,弄清它们对系统性能影响的趋势,据此逐步将参数进行优化。
④仿真时间根据实际需要而定,以能够仿真出完整的波型为前提。
⑤由于实际系统的多样性,没有一种仿真算法是万能的。
不同的系统需要采用不同的仿真算法,到底采用哪一种算法更好,这需要通过仿真实践,从仿真能否进行、仿真的速度、仿真的精度等方面进行比较选择。
上述内同具有一般指导意义,在讨论后面各种系统时,遇到类似问题就不再细述了。
五、实验结果5.1 实验结果分析按实验指导书试验步骤得到实验结果如上各图所示。
若各参数设置如上所述,且给定信号为50时,得到T e、I a、ω的曲线分别如图10(a)、(b)、(c)所示。
T e的最大值为957,调节时间是1.1,1.1后基本达到稳定值(约54);I a的最大值是580,调节时间是1.0,1.0后基本达到稳定值(约33);ω的调节时间是0.5,没超调,稳定后值约为212。
5.2 实验的有关参数Ⅰ、电路总电阻值R=R a+R L+R n=0.5+0+0.00001=0.50001ΩⅡ、电枢回路电感L的测定L=L a+L d=0.01+0.005=0.015H5.3 实验参数设置由实验知当改变给定信号时,各个波形会相应改变,给定信号越大,I a、T e 最大值越大,稳定后的值也越大;ω稳定后的值越小。
如当信号为100时,T e的最大值为969,稳定值约104;I a的最大超调是587,稳定值约63;ω稳定后值约为203。
波形与信号为50相似,只是幅值发生变化。
六、思考题6.1 同步脉冲触发器的工作原理答:同步触发器将同步变压器降压后的信号经过零比较后得到的同步信号经A/D 转换后送入单片机管脚,形成同步信号;单片机根据同步信号产生触发脉冲,该脉冲经驱动电路放大后由脉冲变压器送晶闸管。
同时单片机采集主电路的电压和电流反馈值,根据PI调节将反馈值换算为移相角θ,并由计数器实现θ计数时间的对应,使单片机通过对计数时间的控制来达到控制移相角。
6.2 直流电动机有哪几种调速方案?各有哪些特点?答:调速的方法有三种:①改变电源电压U调速。
特点:可以实现平滑无机调速,但需要附加调压设备。